综合布线系统检测记录02806
- 格式:docx
- 大小:7.75 KB
- 文档页数:3
综合布线系统安装分项工程质量验收记录一、项目概述本文档旨在记录综合布线系统安装工程的质量验收过程和结果。
综合布线系统是一项重要的建筑设备,用于支持网络通信和数据传输,在现代化办公环境中起着关键的作用。
为了确保综合布线系统安装工程的质量符合要求,本次验收将对以下几个方面进行评估和检查:1.线缆布线规范和质量2.连接模块和配线架的安装质量3.网络设备的配置和调试情况4.系统的稳定性和运行性能二、检查内容和要求根据综合布线系统安装的相关标准和规范,我们对以下方面进行了检查:2.1 线缆布线线缆是综合布线系统的核心组成部分,其规范和质量直接影响系统的性能和稳定性。
我们对线缆布线进行了严格的检查,包括:•线缆走线是否符合规范,是否与电源线和其他干扰源保持足够的距离。
•线缆的连接点是否牢固,接地是否可靠。
•线缆是否存在明显的损坏或折损。
2.2 连接模块和配线架连接模块和配线架是综合布线系统的连接和管理要素。
我们对连接模块和配线架进行了如下检查:•连接模块与配线架的固定是否牢固,无松动现象。
•连接模块的接线是否正确,连接是否稳定。
2.3 网络设备网络设备包括交换机、路由器、服务器等,是综合布线系统的重要组成部分。
我们对网络设备进行了如下检查:•网络设备的配置是否符合技术要求。
•网络设备的接口及连接线是否正常,无锈蚀或氧化。
2.4 系统稳定性和运行性能系统稳定性和运行性能是综合布线系统的重要指标,影响着网络通信的质量和速度。
我们对系统的稳定性和运行性能进行了如下评估:•系统能否正常启动和关闭。
•系统是否能够稳定运行,无异常断线或中断现象。
•系统传输速度是否达到规定要求。
•系统的可维护性和扩展性。
三、验收结果根据以上的检查和评估,我们对综合布线系统安装工程的质量进行了综合评定。
以下是验收结果:1.线缆布线方面,所有线缆走线符合规范,无明显损坏或折损,符合要求。
2.连接模块和配线架方面,所有连接模块和配线架固定牢固,接线正确,符合要求。
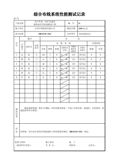
综合布线系统性能测试记录结论经检验,符合设计要求及智能建筑工程质量验收规范(GB50339-2003 )规定。
监理工程师(建设单位代表)施工技术负责人:施工质检员: 记录人:测试结果随机抽样检测,测点为减抗扰等符合要求。
20%;对绞电缆布线每一个端口全部合格,连通性,长度要求、衰大庆市工程质量监督管理协会监制综合布线系统性能测试记录C7-71工程名称采气作业一区矿区建设气田环境控制检测站工程01施工单位江苏中厦集团有限公司测试日期2009.11.12序号编号内容占八、、编号房间号设备由口房号电缆系统光缆系统长度接线衰减近端串音(2端)电缆屏蔽层连通情况其他任选项目衰减长度1A01①2142000^- "001完好端子标志002B01①112000 ..”弋常完好端子标志003C01①192000...-^001完好端子标志064D01①242000_^■” 001完好端子标志005E01①212000 <^"001完好端子标志5/执行标准仪表型号光影线缆测试仪GB50339-2003随机抽样检测,测点为20%;对绞电缆布线每一个端口全部合格,连通性,长度要求、衰减抗扰等符合要求。
经检验,符合设计要求及智能建筑工程质量验收规范(GB50339-2003 )规定。
监理工程师(建设单位代表):施工技术负责人:施工质检员: 记录人:大庆市工程质量监督管理协会监制综合布线系统性能测试记录。
综合布线系统安装质量检测查验批质量查收记录单位工程名称
子分部工程名称查收部位
施工单位项目经理
分包单位/ 分包项目经理施工履行标准、编号建筑与建筑群综合综合布线系统工程查收规范质量查收规范的规定施工单位自检记录主 1 缆线敷设和终接的检测9.2.1 条
切合要求
控 2 建筑群子系统的检测9.2.2 条切合要求
项 3 机柜、机器、配线架安装的检测9.2.3 条切合要求
目
4 接线盒注意事项9.2.4 条切合要求
1 缆线终策应切合的规定9.2.5 条切合要求
2 各种跳线的终策应切合的规定9.2.6 条切合要求
一 3 机柜、机器、配线架安装要求9.2.7 条
切合要求
般 4 信息插座的安装要求9.2.8 条切合要求
项 5 光缆芯线终端的连线盒与面板9.2.9 条切合要求
目
6
7
8
验
-2~2 层
/
GB/T50312-2000
监理(建设)单
位查收记录
自
收
检
项目专业质量检查员(署名)专业监理工程师
评
规(建设单位项目专业技术负责人)
定
(署名)
范
年月日
工班
长长年月日
郑州市要点建设工程质量监察中心监制。
综合布线系统性能检测检验批质量验收记录
注:本表由施工项目专业质量检查员填写;专业监理工程师(建设单位项目专业技术负责人)组织项目专业质量(技术)负责人等进行验收;质量检查记录(检测报告、质量证明文件)填写
在表D.0.1的附件表中。
综合布线系统性能检测检验批质量验收记录说明
Ⅰ主控项目
9.3.4系统监测应包括工程电气性能检测和光纤特性检测,按第8.0.2条的规定执行。
Ⅱ一般项目
9.3.5采用计算机进行综合布线系统管理和维护时,应按下列内容进行检测:
1中文平台、系统管理软件;
2显示所有硬件设备及其楼层平面图;
3显示干线子系统和配线子系统的元件位置;
4 实时显示和登录各种硬件设施的工作状态。
综合布线系统分项工程质量验收记录
(GB50339-2003)表编号:07-06-01
甬统表C01-26
检验批、分项、子分部(分部)工程质量报验表
本表由施工单位填报,经项目监理机构审查签认后,建设单位、监理单位、施工单位各存一份。
综合布线系统检验批质量验收记录
(GB50339-2003
) 编号:
注:本表由施工项目专业质量检查员填写;专业监理工程师(建设单位项目专业技术负责人)组织项目专业质量(技术)负责人等进行验收;
综合布线系统检验批质量验收记录
(GB50339-2003) 编号:
注:本表由施工项目专业质量检查员填写;专业监理工程师(建设单位项目专业技术负责人)组织项目专
业质量(技术)负责人等进行验收;
综合布线系统检验批质量验收记录
(GB50339-2003)编号:
注:本表由施工项目专业质量检查员填写;专业监理工程师(建设单位项目专业技术负责人)组织项目专业质量(技术)负责人等进行验收;
综合布线系统检验批质量验收记录
(GB50339-2003) 编号:
注:本表由施工项目专业质量检查员填写;专业监理工程师(建设单位项目专业技术负责人)组织项目专业质量(技术)负责人等进行验收;
综合布线系统检验批质量验收记录
(GB50339-2003) 编号:
注:本表由施工项目专业质量检查员填写;专业监理工程师(建设单位项目专业技术负责人)组织项目专业质量(技术)负责人等进行验收;。
综合布线系统子分部工程检测记录填表指南下载温馨提示:该文档是我店铺精心编制而成,希望大家下载以后,能够帮助大家解决实际的问题。
文档下载后可定制随意修改,请根据实际需要进行相应的调整和使用,谢谢!并且,本店铺为大家提供各种各样类型的实用资料,如教育随笔、日记赏析、句子摘抄、古诗大全、经典美文、话题作文、工作总结、词语解析、文案摘录、其他资料等等,如想了解不同资料格式和写法,敬请关注!Download tips: This document is carefully compiled by theeditor.I hope that after you download them,they can help yousolve practical problems. The document can be customized andmodified after downloading,please adjust and use it according toactual needs, thank you!In addition, our shop provides you with various types ofpractical materials,such as educational essays, diaryappreciation,sentence excerpts,ancient poems,classic articles,topic composition,work summary,word parsing,copy excerpts,other materials and so on,want to know different data formats andwriting methods,please pay attention!综合布线系统子分部工程检测记录填表指南一、引言综合布线系统是现代建筑中不可或缺的一部分,它为信息传输提供了一个高效、灵活的基础架构。