检测设备日常点检表
- 格式:docx
- 大小:399.25 KB
- 文档页数:2
破碎机日常点检表破碎机是工业中常见的设备,用于将物料进行打碎或切割。
由于其经常运行,需要进行日常点检,以确保设备的正常运行,并及时发现可能的故障。
本文将介绍一份破碎机日常点检表,希望能帮助读者更好地管理和维护设备。
点检频率根据不同的生产环境和设备特性,破碎机的点检频率有所不同。
一般来说,以下是破碎机的日常点检周期:•日常点检:每班次或每日进行一次点检•周期点检:每周进行一次点检•定期点检:每半年或每年进行一次点检具体的点检周期可以根据设备的运行情况和使用环境进行调整。
点检表概述以下是一份常见的破碎机日常点检表,具体细节可以根据设备型号和使用环境进行调整。
点检内容点检方法检查周期备注外观检查视觉检查日常检查设备是否有明显变形、裂纹、锈蚀等情况点检内容点检方法检查周期备注电气系统视觉检查日常检查电缆、接头、电气元件是否有损坏、烧焦、脱落等情况润滑系统视觉检查日常检查润滑油是否充足、是否有泄漏、污染等情况轴承视觉检查、听声测振周期检查轴承是否过热、有异响、松动等情况刀片视觉检查、测量周期检查刀片是否损坏、磨损、是否需要更换散热器视觉检查、清洗定期检查散热器是否受污染、有阻塞等情况安全防护视觉检查日常检查设备的安全防护是否完好、是否有缺陷点检方法破碎机日常点检表中的点检方法主要有以下两种:1.视觉检查:通过肉眼观察设备表面情况,检查是否有明显损坏、松动、变形等情况。
2.听声测振:通过专业的听音器或振动测量仪器,检测破碎机运行时轴承、齿轮等部件的震动和声音,判断是否正常。
除了上述两种方法外,破碎机日常点检表中还可能包括以下其他的点检方法:•清洗:通过清洗润滑系统、散热器等设备,清除污垢、阻塞物等。
•测量:通过量具等工具,对设备尺寸、角度等进行测量,检查是否符合要求。
•拆卸检查:需要在停机状态下,拆卸设备部件进行检查。
备注事项破碎机日常点检表中的内容是基于常见的破碎机型号和使用环境而设计的,并非适用于所有情况。
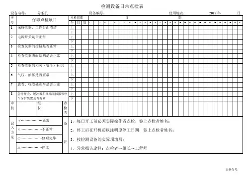
检测设备日常点检表
设备名称:分条机设备编号:使用地点: 2017年月
序号保养点检项目点检周期日期
午日周 1 2 3 4 5 6 7 8 9 10 11 12 13 14 15 16 17 18 19 20 21 22 23 24 25 26 27 28 29 30 31
1 保持仪器、工作台面清洁上
下2 电源开关是否正常上
下3 检查仪器的按钮是否正常上
下4 检查仪器表面结构是否正常上
下5 检查仪器的相关(安全)标识上
下6 气压、油压是否正常上
下7 放卷、收卷处刹车是否正常上
下
8急停开关、缓冲器和终端阻挡器等停车保护装置是否有效上下
审核组
长
点
检
者
记入方法√………………正常
备
注
1、每日开工前必须实际操作者点检,签上点检者姓名;
2、停工后在开机前以注明原停工日期,签上点检者姓名;
3、按检测设备的实际项填写;
4、异常报告途径:点检者→组长→工程师
×………………不正常
⊙………………修理完毕
△………………停工
表格代号:。
年月
设备日常维护保养点检记录表
设备编号:SB-E001-01
设备名称:空压机
年月
设备日常维护保养点检记录表
设备名称:除湿机
设备编号:SB-E020
年月
设备名称:冷水机组、风冷机组设备编号:SB-E020
年月
设备名称:无塔供水设备编号:SB-E012
年月
设备名称:纯水机设备编号:SB-E013
年月
设备日常维护保养点检记录表
设备名称:超纯水机
设备编号:SB-E011
年月
设备名称:制氮机设备编号:SB-E002
年月
设备名称:真空泵设备编号:SB-E010-01
年月
设备日常维护保养点检记录表
设备名称:超声波焊机
设备编号:SB-E009-01
年月
设备日常维护保养点检记录表
设备名称:车床
设备编号:SB-E003
年月
设备名称:铣床设备编号:SB-E004
年月
设备名称:铣床设备编号:SB-E004
年月
设备日常维护保养点检记录表
设备名称:平面磨床
设备编号:SB-E005
年月
设备日常维护保养点检记录表
设备名称:外圆磨床
设备编号:SB-E006
年月
设备日常维护保养点检记录表
设备名称:剪板机
设备编号:SB-E007
年月
设备日常维护保养点检记录表
设备名称:折弯机
设备编号:SB-E008。
摆放位置:周点检内容
检测方法1、检查配电箱周围有无危险、易燃物品
目视、观察2、检查配电箱指示灯、开关是否正常
目视、观察3、检查配电箱内有无异常气味、声音、纸
屑及灰尘
目视、观察4、检查配电箱内各电器件接触是否正常有无打火现象目视、观察5、检查各相电线是否发热、有无变色异味目视、观察6、检查电线是否有破皮、破损现象?
目视、观察7、检查各开关、端子接线处有无发热变色
目视、观察8、检查吸风电机运行时有无异响、发热
目视、观察9、测量电网进线电压三相是否平衡有无波
动
测量10、检查各接线端子、接地线是否牢固可靠
停电时检查其
他设备日常保养点检记录表
设备名称:配电柜
年 月设备编号:第一周 月 日第一周 月 日第一周 月 日第一周 月 日周点检者签字
周
点
检备注主管审核存档注:
1.正常--√ 异常--× 维修中--Ο 未生产--□ 异常状态下维持生产--Ф
2.检查人员必须为的专业电工人员. .
3.点检项目出现异常时,及时通知生产车间停止生产后安排检修,异常完全排除后方可允许生产.
4.各点检者须根据此表逐项仔细检查,杜绝不检查、不确认、敷衍现象发生.。
日期NO 检查项目
点检周期点检时间点检方法判定标准异常措施12345678910111213141516171819202122232425262728291电源控制是否损坏
1日作业前肉眼动作不应损坏修理2紧急开关动作状态
1日作业前动作动作时设备停止更换3马达的动作状态
1日作业前动作无异声无抖动更换马达4皮带是否松动
1日作业前耳听无异声无抖动确认螺栓拧紧5走行轨道有无异物
2日作业前、后肉眼无异物清除异物6压力是否合适
1日作业前是否在5-8kgf 应在范围内压力开关调整7操作开关是否有损坏
1日作业前手动开关灵敏更换8接近开关是否工作
5日作业前肉眼观察接近时灯是否亮更换9固定状态确认
1日作业前肉眼/手感无松动拧紧螺母签
名
备
注机 械 手 日 常 点 检 表( 年 月)
主要措施内容
设备检测对象
检测负责人 检测注意事项
1.每天的检查由各组组长,班长,主任负责
2.发现故障及异常现象时,及时报告班长,
并听取指示行驶
3.范例:
○适当 或 良好
×:未达到标准及异常
部长:
正组长: 副组长:点检员
号机机械手
3031。
设备日常点检表模板一、设备基本信息1. 设备名称:____________________2. 设备编号:____________________3. 设备型号:____________________4. 所属部门:____________________5. 安装日期:____________________6. 负责人:____________________二、点检项目及标准1. 设备外观检查设备表面是否有污渍、磨损、变形等现象。
确认设备标识是否清晰可见。
2. 电源及连接线检查电源线是否完好,无破损、老化现象。
确认电源插头与设备连接紧密,无松动。
3. 运行状态启动设备,观察运行是否正常,有无异常声响。
检查设备各项功能是否正常,如:启动、停止、急停等。
4. 安全防护装置确认设备安全防护罩、限位器等是否完好,无破损。
检查安全警示标识是否清晰可见。
5. 润滑系统检查油箱油位是否正常,油质是否清洁。
确认润滑点润滑情况,无漏油现象。
6. 传动系统检查皮带、链条等传动部件是否紧固,无松弛、磨损现象。
确认齿轮、轴承等转动部件是否正常,无异响。
7. 控制系统检查按钮、开关等控制元件是否灵敏,无损坏。
确认显示屏、指示灯等显示装置是否正常。
8. 排污及冷却系统检查排污管道是否畅通,无堵塞现象。
确认冷却水循环系统是否正常,无泄漏。
三、点检记录1. 点检日期:____________________2. 点检人员:____________________3. 点检情况记录:设备外观:____________________电源及连接线:____________________运行状态:____________________安全防护装置:____________________润滑系统:____________________传动系统:____________________控制系统:____________________排污及冷却系统:____________________4. 异常情况处理:异常现象:____________________处理措施:____________________处理结果:____________________设备整体运行状况:____________________需要跟进的问题:____________________下一步工作计划:____________________四、定期检查与维护1. 定期检查项目电气系统:检查电路板、继电器、接触器等电气元件是否正常。
中山市XXXXX有限公司
自动化设备日常点检表
年月
设备名称xxxxxxxx 规格型号设备编号操作者
检查日期
点检内容点检记录
1 2 3 4 5 6 7 8 9 10 1112 13 14 15 16 17 18 19 20 21 22 23 24 25 26 27 28 29 30 31
1 检测一个进气调节阀气压是否到达要求,气压稳定。
2 检查A站铜套气压缸伸出,顶料,检查气缸是灵敏可靠
3 检测B站静片进料气缸伸出,平移,吸料,止料,光纤检测灵敏可靠
4 检查C站弹片检测是否正常
5 检查D站铆钉进料气缸伸出,推料,吸料灵敏可靠
6 检查E站铆钉检测是否正常
7 检查F站气缸,铆合是否灵敏可靠
8 检查G站气缸,平移,吸料,顶料,排费是否灵敏可靠
9
10
11
异常情况1 8 15
2 9 16
3 10 17
4 11 18
5 12 19
备注1.检查方法:看、听、想、试、做
2.检查周期:每天。
(由白班操作者负责)
重大安全隐患
记录
注:保养后,用“√”表示进行了点检,“○”表示休息或放假,“×”表示有异常情况,应在“异常情况记录”栏予以记录。
“异常情况记录”栏予以记录。
东莞市郭氏精密机械制造有限公司设备日常点检记录表部门:设备名称:冲床组长:主管:经理:FRM-055-01东莞市郭氏精密机械制造有限公司设备日常点检记录表部门:设备名称:油压机组长:主管:经理:FRM-055-01东莞市郭氏精密机械制造有限公司设备日常点检记录表组长:主管:经理:FRM-055-01东莞市郭氏精密机械制造有限公司设备日常点检记录表组长:主管:经理:FRM-055-01东莞市郭氏精密机械制造有限公司设备日常点检记录表组长:主管:经理:FRM-055-01东莞市郭氏精密机械制造有限公司设备日常点检记录表部门: 设备名称:数控折弯机设备编号:日期: 年 月份组长:主管:经理:FRM-055-01东莞市郭氏精密机械制造有限公司设备日常点检记录表部门: 设备名称:剪板机设备编号:日期: 年 月份组长:主管:经理:FRM-055-01东莞市郭氏精密机械制造有限公司设备日常点检记录表部门: 设备名称:碰焊机设备编号:日期: 年 月份组长:主管:经理:FRM-055-01东莞市郭氏精密机械制造有限公司设备日常点检记录表部门: 设备名称:切角机设备编号:日期: 年 月份组长:主管:经理:FRM-055-01东莞市郭氏精密机械制造有限公司设备日常点检记录表部门: 设备名称:折板机设备编号:日期: 年 月份组长:主管:经理:FRM-055-01东莞市郭氏精密机械制造有限公司设备日常点检记录表部门: 设备名称:打包机设备编号:日期: 年 月份组长:主管:经理:FRM-055-01东莞市郭氏精密机械制造有限公司设备日常点检记录表部门: 设备名称:攻牙机设备编号:日期: 年 月份備註: 1.每日上班時立即作自主檢查,以上項目如有問題,須立刻向主管反應.2.點檢結果良好打"√",點檢異常打"X" 休息時打"-"3.本表請保養人確實填寫,若影響效率、品質、人員安全,請主動呈報檢修,以達到預防保養的目的.組長:主管:經理:FRM-055-01东莞市郭氏精密机械制造有限公司设备日常点检记录表部门: 设备名称:激光切割机设备编号:日期: 年 月份东莞市郭氏精密机械制造有限公司设备日常点检记录表部门: 设备名称:CNC数控冲床设备编号:日期: 年 月份组长:主管:经理:FRM-055-01东莞市郭氏精密机械制造有限公司设备日常点检记录表部门: 设备名称:切管机设备编号:日期: 年 月份设备日常点检记录表部门: 设备名称:机械臂设备编号:日期: 年 月份设备日常点检记录表部门: 设备名称:U槽成型机设备编号:日期: 年 月份组长:主管:经理:FRM-055-01。
设备检查登记表
表头信息:
设备名称:填写被检查设备的名称。
设备编号:设备的唯一标识符,可以是序列号或内部编号。
检查日期:记录检查的日期。
检查人员:填写执行检查的人员姓名或ID。
设备基本信息:
制造商:设备的制造商或品牌。
型号:设备的型号或规格。
购置日期:设备的购买或获取日期。
放置位置:设备所在的位置或区域。
检查项目:
在这一部分,列出需要检查的设备功能和部件。
可以根据设备的类型和使用情况进行自定义。
以下是一些常见的检查项目示例:电源线是否完好,无破损。
设备外观是否整洁,无明显损坏。
设备是否正常运行,无异常声音或振动。
所有按钮、开关和指示灯是否正常工作。
设备连接部件是否紧固,无松动。
设备内部清洁情况,无积尘或异物。
安全装置是否完好,无损坏或失效。
对于每个检查项目,可以使用以下符号或标记来表示状态:
√:正常
×:异常
N/A:不适用
在表格的底部,可以留出空间供检查人员填写备注信息,如建议的维修措施、需要更换的部件等。
示例表格布局:。