水文地质学基础实验二 达西渗流实验岩石渗透系数的
- 格式:pptx
- 大小:2.94 MB
- 文档页数:13
岩石渗透实验报告岩石渗透实验报告引言岩石渗透实验是地质学中一项重要的实验研究方法,通过模拟岩石中的渗透现象,可以深入了解地下水运动规律、岩石孔隙结构以及地下水资源的分布等问题。
本报告将介绍岩石渗透实验的基本原理、实验装置和实验结果,并对实验结果进行分析和讨论。
实验原理岩石渗透实验基于达西定律,即渗透流速度与渗透压力梯度成正比。
在实验中,我们使用一台渗透仪来模拟岩石中的渗透过程。
渗透仪由一个渗透室和一个压力室组成,两者之间通过一个岩石样品连接。
实验装置实验装置主要包括渗透仪、压力计、温度计等设备。
渗透仪由一个渗透室和一个压力室组成,渗透室内填充着岩石样品,压力室通过压力计控制渗透室的压力。
温度计用于监测实验过程中的温度变化。
实验过程首先,将岩石样品放入渗透室中,并严密封闭。
然后,通过压力室向渗透室施加压力,使水分子从高压区域向低压区域渗透。
在实验过程中,我们记录渗透室和压力室的压力值,并测量温度的变化。
实验结果根据实验数据,我们可以得到渗透室和压力室的压力变化曲线。
通过对曲线的分析,可以得到岩石样品的渗透系数和渗透率。
渗透系数是描述岩石渗透性能的一个重要指标,它反映了岩石孔隙结构的连通性和孔隙度。
渗透率则是描述岩石渗透速度的指标,它与渗透系数成正比。
实验分析通过对实验结果的分析,我们可以得出以下结论:1. 渗透系数和渗透率是描述岩石渗透性能的重要指标,可以用于评估地下水资源的分布和利用潜力。
2. 渗透系数和渗透率与岩石孔隙结构有关,孔隙度越大、连通性越好的岩石,其渗透系数和渗透率越高。
3. 温度对岩石渗透性能的影响较小,但在一些特殊情况下,温度的变化可能会导致岩石孔隙结构的改变,从而影响渗透性能。
结论岩石渗透实验是一种重要的地质实验方法,通过模拟岩石中的渗透现象,可以深入了解地下水运动规律和岩石孔隙结构。
通过对实验结果的分析,可以评估地下水资源的分布和利用潜力。
岩石渗透实验在地质工程、水文地质等领域具有广泛的应用前景,对于科学合理利用地下水资源具有重要意义。
达西实验报告《水文地质学基础》实验报告实验名称:达西定律实验实验人:实验日期:一、实验目的1、测量扩散砂体的扩散量与水头损失的关系,检验渗流的达西定律。
2、测定均质砂的渗透系数k值;二、实验设备:1.供水器装置(马氏瓶):以法国物理学家mariotte的马利奥特瓶装置,就是一种能够掌控水位又能够自动已连续补给水的量测量装置。
2.渗透装置(试样筒):有机玻璃圆筒,上部设有进水孔,底部装有过滤板,下端有出水孔,供测量渗流量用。
侧面有三个测压孔。
3.测压装置(测压板和测压管):在测压板上装有三根5-8mm拎刻度的玻璃管,分别与试样筒上的三个ED500孔相连接,用作测量三个断面上的测压水位。
三个测压管用胶管分别与试样筒适当的管孔联结。
4.排水装置:在测压板上均匀分布有一系列的圆孔,用于调节排水水位。
其它设备存有:100m1的量筒、水槽、圆柱形、捣捧、装样杯、秒表、温度计、管及缠、胶皮管及吸气球等。
三、实验原理:达西通过大量实验,得到圆筒过水断面的渗流量q与圆筒断面f和水力坡度i成正比,并和土壤的透水性能有关,所建立基本关系式如下:v---为渗流精简模型的断面平均值流速;k---为岩石的渗透系数,反映了孔隙介质透水性能。
四、实验步骤:1.检查仪器设备与否齐全、较完整。
胶管与仪器联结处与否漏气漏水或阻塞。
2.装样:岩样有两种,即原状样和扰动样。
原状样就是在野外取来土柱直接装到渗透装置(有机玻璃圆筒)内;扰动样则要按天然容重分层捣实,尽量接近天然状态,否则就没有实验意义了。
装样前,在过滤筛板上放二层铜丝网,然后装样,每装3—5cm厚时,用捣捧轻击数次,并测定试样的孔隙度或容重,使其结构尽量符合实际状态。
重复上述过程,直至试样超过最上一个测压孔以上5cm为止。
3.饱和状态试样(因达西定律就是饭水带重力水运动的基本定律):先将排洪水位调节低于试样水面,饱和状态试样时必须自上而下展开灌水(易于排气),关上供水管夹,等待试样表面发生水膜时(即为饱和状态了),立即停用供水夹,观测试样筒及三个侧压管水位与否在同一水平面上(因此时试样筒与测压管就是u型连通器),如果测压管水位无此同一水平面上,则表明存有气泡存有或测压管被阻塞,这时须要排气,排气的方法存有两种,即将测压板弯曲或用吸耳气球从偏高或偏低水位的管及中取出气泡,达至水平,各测压管水位高4.实验测定:打开供水管夹(实验过程中保持常水头供水),调节排水水位(不能高于供水水位),当测压管水位稳定后(30秒钟内水位变动仪器内径d=cm;扩散土柱断面面积f=cm2;测压间距l=cm。
Ⅰ 实验部分实验一、松散岩石孔隙度、持水度和给水度的测定岩石的空隙是地下水赋存的场所和运移的通道, 作为含水介质, 空隙的性状严格控制着地下水的分布、埋藏和运动特征。
在孔隙水研究中,首先要对岩石的孔隙度、持水度和给水度进行实际测定, 以了解岩层容水、持水和给水能力等方面的水文地质特征。
岩石的孔隙度是用以表征岩石容水性能的重要指标; 岩石的持水度是用来表征岩石在重力作用下仍能保持一定水量能力的指标; 岩石的给水度是表征饱水岩石在重力作用下所释出或给出水量大小的指标。
岩石的给水度是评价地下水资源量的一个重要参数, 也是矿坑排水或疏干、建筑工程地基设计和施工等工作必需的一个重要水文地质参数。
一、实验目的及要求通过本次实验, 使学生加深对孔隙度、给水度和持水度概念的理解, 掌握室内测定基本方法; 要求学生在实验过程中认真观察和记录, 分析本次实验后面的相关问题, 写出实验报告书。
二、测定方法及原理 松散岩石的孔隙度、持水度与给水度测定方法, 通常有高柱仪法和加压法, 前者适用于砂和亚砂; 后者则用于粘土及亚粘土。
本实验为高柱仪法(图Ⅰ—1), 用以下两种方法均可求得其相应参数。
(一)、直接测定水量法根据定义, 只要测出装入高柱筒中 干试样的体积(V 干试样)、试样饱水时所 用水的体积(向供水瓶内加入的水和剩 余水的体积之差),即 :V 饱水=V 加水― V 剩水和在重力的作用下试样排出水的体 积(V 排水), 则试样所保持的水体积(V 持水) 为:V 持水=V 饱水 ― V 排水据此, 就可求出相应的孔隙度(n)、 图Ⅰ—1 高柱仪测定装置 持水度(s r )和给水度(μ)。
1—高柱筒 2—橡胶管 3—橡皮塞 4—金属网 (二)、间接测定水量法 5—调流量管夹 6—接水桶 7—供水瓶先将干试样装入高柱筒, 并测出干试样体积(V 干试样), 倒出干试样, 并将干燥试样称量获得其总重量(W 干试样)后, 再装入高柱筒, 并加水饱和, 最后使其在重力的作用下自由流出, 直至排尽。
实验二岩石渗透率的测定岩石渗透率是矿业勘探、岩土工程等领域中一个重要的指标,它用以描述岩石介质的渗流性能。
岩石渗透率的高低直接关系到地下水资源的分布和开采、石油、天然气等矿产资源的勘探和开采以及岩土工程的设计和施工等方面。
本实验通过风压法测量岩石渗透率。
实验使用的装置为恒压水源、岩石样品、U型玻璃管、风机以及压力表等设备。
实验步骤如下:1.选取样品并打磨平整:首先,选取均质、无裂缝、无孔洞的岩石样品,并在砂纸上打磨至样品表面平整。
2.制备样品:将打磨好的岩石样品置于密封容器内,用真空泵去除容器内空气,使岩石样品内部充满水。
待压力稳定后记录压强。
3.实验测量:将玻璃管装配在示波器上,并在U型玻璃管过滤器中加入适量压紧处理过的物理风干样品,将铵盐溶液定量加入恒压水源中。
4.记录数据:当水流经物理风干样品时,压力表记录下生命流经样品前后的压力差。
根据Darcy定律,计算出样品的渗透系数。
实验要点:1.根据实验需要选择适当的岩石样品,避免选择表面不平整、具有微观裂隙或孔洞的样品。
2.首先将岩石样品用真空泵泵出空气后放入密封容器中,再注入水以充满样品内部,可以保证实验的结果准确性。
3.在实验过程中要注意水流的流向和速度,确保实验数据的准确性。
4.实验结果应进行多次试验取平均值,以提高实验数据的稳定性。
总的来说,本实验通过使用风压法测量岩石渗透率,可以有效地获得岩石的渗透性能,为后续的岩土工程设计和实验提供重要的参考数据。
在实验过程中需要注意各种细节问题,并注意实验数据的错误来源,以确保实验结果的准确性。
资环学院《水文地质学》实验讲义适用专业:地质工程河南理工大学二〇一一年三月实验一达西渗流实验实验类型:综合实验学时:2 实验要求:必修一、实验目的1、测量样砂的渗透系数k值,掌握特定介质渗透系数的测量技术。
2、通过测量透过砂土的渗流流量和水头损失的关系,来验证达西定律。
二、实验内容通过测渗流筒两测点间的压差,求出流量、流速和渗透系数。
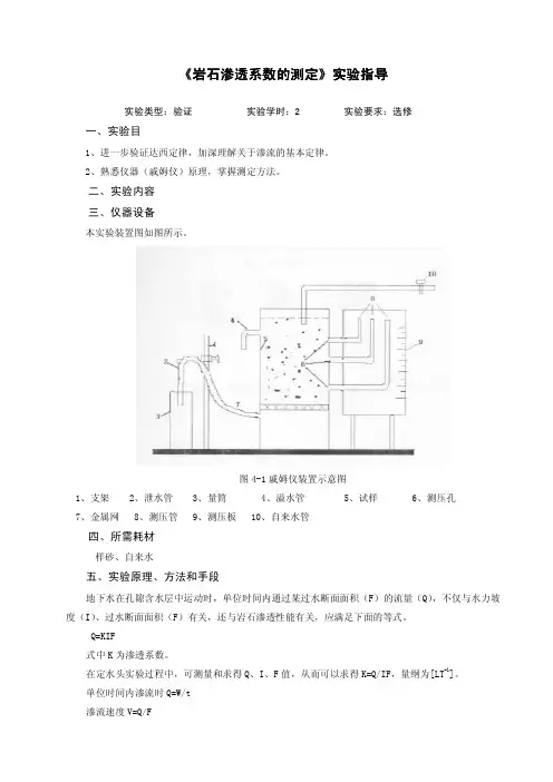
三、仪器设备本实验装置图如图所示。
达西渗流定律实验仪装置示意图1、恒压水箱2、进水阀3、输水管4、进水管5、试验筒6、试验砂7、下过滤网8、下稳水室9、放空阀 10、水质过滤器 11、蓄水箱 12、水泵 13、排气嘴14、上稳水室 15、上过滤网 16、溢流管 17、出水阀 18、排气嘴 19、U型差压计四、所需耗材样砂、自来水五、实验原理、方法和手段液体在孔隙介质中流动时,由于粘滞性作用将产生能量损失。
达西(Henri Darcy)在1852—1855年间通过实验,总结出渗流能量损失与渗流速度成一次方的线性规律,后人称为达西定律。
由于渗流流速很小,故流速水头可以忽略不计。
因此总水头H可用测管水头h来表示,水头损失h w 可用测管水头差来表示,则水力坡度J 可用测管水头坡度来表示:w 12h h h h J l l l-∆=== 式中:l 为两个测量管孔之间距离;h 1与h 2为两个侧压孔的测管水头。
达西通过大量实验,得到圆筒断面积A 和水力坡度J 成正比,并和土壤的透水性能有关,所建立基本关系式如下:wh kkJ l==v V q kAJ =式中 v —— 渗流断面平均流速;k —— 土质透水性能的综合系数,称为渗透系数;V q —— 渗流量;A —— 圆桶断面面积; h w —— 水头损失; l —— 测孔间距。
当实验中的渗流区为一圆柱形的均质砂体时,属于均匀渗流,可以认为各点的流动状态是相同的,任一点的渗流流速u 等于断面平均渗流流速,因此达西定律也可以表示为:u kJ =上式表明,渗流的水力坡度,即单位距离上的水头损失与渗流流速的一次方成正比,因此称为渗流线性定律。
11实验二 达西渗流实验一 、实验目的1.通过稳定流渗流实验 , 进一步理解渗流基本定律达西定律。
2.加深理解渗透流速 、水力梯度 、渗透系数之间的关系 , 并熟悉实验室测定渗透系数的方法。
二 、实验内容1.了解达西实验装置与原理。
2.测定 3 种砂砾石试样的渗透系数。
3.设计性实验: 横卧变径式达西渗流实验。
三 、达西仪实验原理达西公式的表达式如下:Q =KA =KAI式中: Q 为渗透流量; K 为渗透系数; A 为过水断面面积; A H 为上 、下游过水断面的 水头差; L 为渗透途径; I 为水力梯度。
式中各项水力要素可以在实验中直接测量 , 利用达西定律即可求取试样的渗透系 数 ( K ) 。
四 、实验仪器和用品1.达西仪 ( 见图 I 2 1) 。
2.试样: ①砾石 ( 粒径为 5 -10 mm ); ②粗砂 ( 粒径为 0.6 -0.9 mm ); ③砂砾 混合 ( 试样①与试样②的混合样) 。
3.秒表。
4.量筒 ( 100 mL , 500 mL 各 1 个) 。
5.计算器。
6.水温计。
A HL实验部分12图 I2 1 达西仪装置图五、实验步骤1.测量仪器的几何参数 ( 实验教员准备) 。
分别测量过水断面的面积 ( A) , 测压管 a、b 、c的间距或渗透途径 ( L) , 记人表格 " 实验二达西渗流实验记录表" 中。
2.调试仪器。
打开进水开关, 待水缓慢充满整个试样筒, 且出水管有水流出后, 慢慢拧动进水开关 , 调节进水量 , 使 a、c两测压管读数之差最大; 同时注意打开排气口 , 排尽试样中的气泡 , 使测压管 a、b 的水头差与测压管 b 、c的水头差相等 ( 实验教员准备 , 学生检查) 。
3.测定水头。
待 a、b 、c三个测压管的水位稳定后 , 读出a、c两个测压管的水头值 ( 分别记为H a 和H c) , 记人实验记录表中。
4.测定流量。
实验二 渗透试验一般规定1. 常水头渗透试验适用于粗粒土,变水头渗透试验适用于细粒土。
2. 本试验采用的纯水,应在试验前用抽气法或煮沸法脱气。
试验时的水温宜高于试验室温度3~4℃。
3. 本试验以水温20℃为标准温度,标准温度下的渗透系数应按下式计算: 20T k k T 20ηη (1) 式中 k 20——标准温度时试样的渗透系数(cm/s );ηT ——T ℃时水的动力粘滞系数(kPa·s );η20——20℃时水的动力粘滞系数(kPa·s )。
粘滞系数比ηT /η20查表1。
表1 水的动力粘滞系数、粘滞系数比、温度校正值续表 14. 根据计算的渗透系数,应取3~4个在允许差值范围内的数据的平均值,作为试样在该孔隙比下的渗透系数(允许差值不大于2×10-n)。
5. 当进行不同孔隙比下的渗透试验时,应以孔隙比为纵坐标,渗透系数的对数为横坐标,绘制关系曲线。
常水头渗透试验一、实验目的和意义(1)通过稳定流条件下的渗流实验,掌握均匀砂渗透系数的测定方法。
进一步理解渗流基本定律——达西定律,加深对岩石渗透系数的认识。
(2)了解达西实验装置,加深理解渗流速度、水力梯度、渗透系数之间的关系,并熟悉实验室测定渗透系数的方法,从而提高对直线渗透定律的理解。
(3)渗透系数是进行井孔、矿坑涌水量及水库,渠道渗流量计算时不可缺少的重要水文地质参数。
二、实验方法确定渗透系数的方法很多,在室内常用达西仪,戚姆仪及渗压仪等方法测定。
在野外常用井孔抽水,注水及试坑渗水、压水试验等方法,所得资料可靠精度高,但效率低,成本高。
本次实验采用达西仪测定岩石的渗透系数。
三、实验原理岩石渗透系数是定量描述岩石透水性能的物理指标,岩石空隙越大、连通性越好,则渗透系数越大,单位时间内通过过水断面的水量越多。
其物理含义是当水力坡度等于1时,渗透系数就等于渗透速度。
常水头渗透系数应按下式计算:T QLkAHt(2)式中k T——水温为T℃时试样的渗透系数(cm/s);Q——时间t秒内的渗出水量(cm3);L——两测压管中心间的距离(cm);A——试样的断面积(cm2);H——平均水位差(cm);t——时间(s)。
1 / 2
实验二 岩石渗透率的测定
一、实验原理
气体在多孔介质中流动时,由气体的一维稳定渗流达西定律测得气体渗透率公式为:
1
2
22110)
(2-⨯--
=p p A L p Q K o o a μ Kg ——气测渗透率,2m μ;
Q 0——绝对大气压时岩样出口端气体体积流量,cm 3/s ; L ——岩样长度,cm ;
A ——岩样横截面积,cm 2; P a ——大气压,Mpa ;
P 1——岩样进口端压力,Mpa ;
P 2——岩样出口端压力(大气压力),Mpa ;
μ——实验温度和大气压下的氮气粘度,mPa ·s ;
按公式,岩心几何尺寸用游标卡尺直接测量,利用气测渗透率仪测量岩样进口端压力P 1,P 2本实验为大气压力(0.101Mpa )。
透过气测渗滤仪流量计测量岩心出口端气体体积流量Q 0,为了满足应用Q 0~∆P L ⁄关系曲线直线线段数据代入公式计算Kg ,考虑滑脱效应的影响,再据K g ~1/P 直线外推到纵坐标的截距即求的克氏渗透率(等值液体渗透率)。
二、计算结果数据记录表
三、拟和出Kg~1/P 直线
直线方程为:y =0.0002x +0.0015
四、等值液体渗透率
当x=0 时,y=0.0015
2/ 2。