200T帘子布生产废水处理方案
- 格式:doc
- 大小:287.00 KB
- 文档页数:29
纺织业污水处理纺织业污水处理是指对纺织行业产生的废水进行处理和净化,以达到环境保护和资源回收利用的目的。
纺织业是一个典型的高污染行业,其生产过程中产生的废水含有大量的有机物、悬浮物、色素等污染物质,如果不经过有效的处理,直接排放到环境中会对水体、土壤和空气造成严重的污染。
为了解决纺织业污水处理的问题,需要采取一系列的处理措施,包括预处理、生物处理、化学处理和深度处理等。
首先,纺织废水需要进行预处理,包括调节pH值、去除悬浮物和沉淀物等。
预处理的目的是为了提高后续处理工艺的效果和稳定性。
接下来,生物处理是纺织废水处理的核心环节。
生物处理采用微生物降解有机物的方式,通过好氧和厌氧的生物反应器来去除废水中的有机物。
好氧生物处理可以将废水中的有机物降解为二氧化碳和水,而厌氧生物处理可以进一步去除废水中的硫化物、氮化物等。
化学处理是纺织废水处理的辅助手段,主要用于去除废水中的色素、重金属和有机物残留等。
常用的化学处理方法包括沉淀、吸附和氧化等。
沉淀是指通过添加沉淀剂将废水中的悬浮物和沉淀物沉淀下来,吸附是指利用吸附剂吸附废水中的有机物和重金属离子,氧化是指通过添加氧化剂将废水中的有机物氧化分解。
最后,深度处理是为了进一步提高废水的处理效果和达到排放标准。
深度处理可以采用活性炭吸附、臭氧氧化、膜分离等技术。
活性炭吸附是通过将废水通过活性炭床,利用活性炭对有机物的吸附作用将有机物去除。
臭氧氧化是通过将臭氧气体注入废水中,利用臭氧对有机物进行氧化降解。
膜分离是利用膜的物理隔离作用将废水中的溶质和溶剂分离,达到水的净化目的。
纺织业污水处理的效果需要根据不同的污水特性和排放要求来确定,一般要求处理后的废水达到国家和地方的排放标准。
同时,为了进一步提高资源回收利用率,可以采用一些技术手段进行废水中有价值物质的回收,如利用膜分离技术回收水和溶质、利用生物技术回收有机物等。
总之,纺织业污水处理是一个复杂而关键的环节,需要综合运用预处理、生物处理、化学处理和深度处理等技术手段,以达到环境保护和资源回收利用的目的。
纺织工业废水处理的方法纺织工业有很多工艺、技术、原材料。
羊毛、棉花、亚麻等天然的材料在纺织厂完全加工,象聚酷、尼龙、聚丙烯睛、聚乙烯、聚丙烯、粘胶等合成纤维在化工厂生产。
这些原料在纺织厂的湿处理一般限于染色和最终上浆。
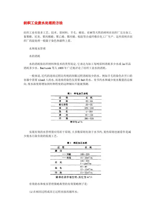
水和废水管理水的消耗水的消耗依纺织材料和技术的类型而定,它表达为加工每吨原料消耗多少水或lm织品消耗多少水。
Bartusek等人1985年广泛地评论了纺织工业水的消耗。
一般来说,近代的连续过程比传统的间歇过程消耗较少的水。
例如羊毛的染色在开口的容器中需要12om3八的水,而连续的染色仅需要5m3的水。
有节约水和减少废水数量的总倾向,废水浓度将增加到何种程度的这种倾向不能被预测.实现有效的水管理需应用若干原则,大多数原则有助于水节约,某些原则也被看作是减少废水污染负荷的低废工艺。
有效的水和废水管理策略典型的有效策略例子是:(1)在相同过程或其它过程直接再循环水;(2)中间处理之后废水再循环;(3)最终处理之后废水再循环;(4)再利用处理过的市政废水或工业废水;(5)用能再生的溶剂替代水;(6)增加纤维对纺织助剂、染料、抑制剂、软化剂、染色载体的亲和力;(7)改进助剂和其它化学品的去除性或降解性,为的是促进废水的再利用和再循环;(8)减少废水的盐度。
低废工艺的例子1.羊毛煮练原毛含有羊蜡(羊毛脂)、汗水、泥土、灰尘、很多动植物杂质。
在特定的清洁剂浴中煮练,脱除所有这些天然的杂质。
发现在部分脱除蜡和悬浮固体之后的净洗剂浴能够再循环到煮练,而且比新鲜的净洗剂浴更有效.用多级离心可部分分离出蜡和悬浮固体。
第一级分离出的泥浆或直接脱水或排入废水处理装置再加工。
第3级分离出的蜡(原羊毛脂)精制后作为商品出售。
含有残存羊毛脂浓度59/l的水再循环到煮练。
从废水中进一步脱除羊毛脂有若干方法。
连续的溶剂萃取(用己醇、氯仿、三氯乙烯、汽油)能够减少羊毛脂浓度90写或更多,回收到高质量的羊毛脂。
2.棉花丝光用2一26%浓度的氢氧化钠丝光棉花,使棉花柔软、有强度、对染料有亲和力。
纺织行业污水处理实施方案纺织工业污水中含有棉、毛及纺织品上洗脱的油类、脂类、盐类和纤维素。
以及在加工过程投加的各种浆料、染料、表面活性剂、助剂、酸、碱、盐等,因此,这类污水的成分比较复杂,污水中各类物质的变化很快。
纺织工业的加工对象与棉、毛、袜、丝绸、化纤等为主,每一种加工对象都有特殊的加工工艺及相应的浆料、染料、助剂。
如棉纺织工业污水主要来自退浆,煮炼、漂白、丝光、染色、印花等工序。
而毛纺织工业污水主要来自洗毛、染色、预缩工序。
仅纺织工业的加工手段就有针织、梭织之分,纺织工业的染整设备分为高温、高压的卷染机和高温、高压的筒子缸.针对如此复杂的情况,国内外研究开发了许多物理、化学,生物技术及其组合的处理工艺。
总体上说,纺织工业污水在技术路线上已有了突破,但是处理效果往往不能达到预期效果,这是当前纺织工业污水处理面临的实际问题。
清源环保科技有限公司及其合作单位,从事纺织工业污水处理近10年,承建印染污水处理工程160多项,累计处理印染污水能力达到每天50多万吨。
清源环保科技尝尽了开拓的艰辛,也品味到成功的喜悦.我们用4句话来概括我们对纺织工业污水处理的理解.这4句话是:对症下药,选准工艺;科学规范,措施到位;耐心细微,循序渐进;准确可靠,机电保证。
在我国仅凭“印染”两个字选工艺、选流程,并且做出工程来的例子经常可见。
印染污水非常复杂,没有完全相同的两种污水。
因此不仅要调查清楚印染的工艺、浆料、辅料及生产规律,才能着手选工艺技术,还要反复测定水质,完成小试后,才能确定工艺参数.这样工程成功的可能性就比较大。
环保产业是个新兴的行业,机械行业,化工行业那种科学严谨的工作作风值得学习。
环保产业内做工程经常是形似或名似,而非真正措施到位。
比如,厌氧工艺,关键点是传质反应过程,要让反应主体和物料充分接触。
如果在化学工业上,势必会选用大型的反应设备和强有力的混合手段,从而提高效率。
而且这个过程往往是可计量和可控制的.我们知道,生化工艺是纺织工业污水处理的重要工序,近年内的理论研究和实践都证明对处理印染污水十分有效,不可缺少。
纺织中污水处理流程及注意事项下载温馨提示:该文档是我店铺精心编制而成,希望大家下载以后,能够帮助大家解决实际的问题。
文档下载后可定制随意修改,请根据实际需要进行相应的调整和使用,谢谢!并且,本店铺为大家提供各种各样类型的实用资料,如教育随笔、日记赏析、句子摘抄、古诗大全、经典美文、话题作文、工作总结、词语解析、文案摘录、其他资料等等,如想了解不同资料格式和写法,敬请关注!Download tips: This document is carefully compiled by theeditor. I hope that after you download them,they can help yousolve practical problems. The document can be customized andmodified after downloading,please adjust and use it according toactual needs, thank you!In addition, our shop provides you with various types ofpractical materials,such as educational essays, diaryappreciation,sentence excerpts,ancient poems,classic articles,topic composition,work summary,word parsing,copy excerpts,other materials and so on,want to know different data formats andwriting methods,please pay attention!纺织工业在生产过程中会产生大量废水,这些废水中含有各种有害物质,如果不经过处理直接排放,将对环境造成严重污染。
MBR技术处理生活废水方案200m3/d北京精科华美科技发展有限公司2012-10MBR废水处理技术第一章MBR处理工艺段的方案1、概况:----------的中水回用系统,处理后的中水主要用于冲厕、绿化、景观等用水。
1.1原水水质和水量水源水质——中心淋浴产生的废水及倒班楼、公寓楼盥洗产生的废水进入处理站,主要污染指标参照以下数据设计:COD:180~360mg/lBOD5:120~230mg/l ,本小区处理后的中水主要用于办公楼、倒班宿舍冲厕及室外浇灌绿地、车库冲洗地面等用水,供水管道共用一根干管,由处理站内的变频泵供给;*本工程处理设施的能力为200m3/d ,每天设计运行时间20h,系统设计处理能力10m3/h。
表1 原水水质1.2设计出水水质该废水经过处理后出水水质达到生活杂用水水质标准CJ/T 48-1999水水质标准,主要指标如下:11.3工艺方案2MBR 废水处理技术3图1 MBR 处理工艺流程图图2 MBR 反应器示意图图3 MBR 系统工作示意图1.4 MBR 简介膜生物反应器(MBR )是高效膜分离技术与活性污泥法相结合的新型污水处理技术,可用于有机物含量较高的市政或工业废水处理。
虽然有氧MBR 过程的技术应用可以追溯到20世纪70年代,但是它在污水处理领域的大规模商业应循环水泵净水空气污水反 硝 化硝化膜 分 离用也是在过去的10年间刚刚开始的。
MBR是高效膜分离技术与生化技术相结合的新型污水处理技术。
它继承了膜分离技术和生化处理技术的特点并强化了生化处理效果。
1.4.1 与传统的活性污泥法相比,MBR具有以下优点:1)0.05微米膜过滤产水,出水悬浮物和浊度接近于零,可直接回用;2)与传统处理系统相比,可节省50%的土地使用面积;3)由于膜的高效截流作用,微生物完全截流在反应器内,实现了反应器水力停留时间(HRT)和污泥龄(SRT)的完全分离,使运行控制更加灵活稳定;4)反应器内的微生物浓度高达5000-8000毫克/升,生化效率高,耐冲击负荷强;5)泥龄(SRT)长,有利于增值缓慢的硝化细菌的截流、生长和繁殖,系统硝化效率得以提高;6)反应器在高容积负荷、低污泥负荷、长泥龄条件下运行,剩余污泥排放量少;7)膜分离使污水中的大分子难降解成分在生物反应器内有足够的停留时间,大大提高了难降解有机物的降解效率;8)系统自动化程度高,采用 PLC控制,可实现全程自动化控制;9)模块化设计,结构紧凑,占地面积小,运行费用低廉。
纺织印染废水处理解决方案一是通过工艺改造削减污染物的产生,二是重视废水和物料的循环利用。
随着纺织技术的进展,近年来,在以水为介质的传统染色体系上,建立了以有机溶剂为介质的溶剂染色技术体系,利用染料升华成气体的气相染色得到了进展。
由于溶剂染色法为干法染色,其结果是被染物仍处于干燥状态,省去了很多后处理步骤。
这些印染方法可以较大限度地削减废液的排放,避开纺织印染行业对水环境的严重污染。
棉纺织行业废水重要来自染整工段,包括退浆、煮练、漂白、丝光、染色、印花和后整理等。
织造工段废水排放量少。
(1)退浆废水染色前必需除去退浆废水棉织物上的浆粕和纤维本身的一些杂质。
退浆废水一般占废水总量的15%左右,污染物占总量的一半左右。
退浆废水为碱性有机废水,含有纸浆分解产物、纤维屑、酸、酶等多种污染物,废水呈淡黄色。
退浆废水的污染程度和性质因浆料种类而异:过去多采纳天然淀粉浆,淀粉浆的BOD5/CODcr值为0.3~0.5;目前广泛使用化学浆料(如PVA)的BOD5/CODcr值约为0.1;近年来,变性淀粉渐渐取代化学浆料。
变性淀粉的生化降解性特别好,BOD5/CODcr值为0.50.8。
(2)煮炼废水为保证漂白和染整废水的处理质量,应去除纤维中的棉蜡、油脂和果胶含氮化合物等杂质。
煮炼工艺一般采纳烧碱、肥皂、表面活性剂等水性溶剂,在1200C、pH值1013的条件下对棉纤维进行煮炼。
煮炼废水量大呈强碱性,碱浓度在0.3%左右,废水呈深褐色,BOD和COD均高达数千毫克/升。
(3)漂白废水漂白工艺一般采纳次氯酸钠、双氧水(过氧化氢)、亚氯酸钠等氧化剂去除纤维表面和内部的有色杂质,漂白织物。
由于过氧化氢在漂白废水中几乎完全分解,而次氯酸钠、亚氯酸钠等含氯漂白剂中的氯大部分在漂白过程中被分解,因此漂白废水的特点是量虽大,污染程度小,BOD5和CODcr低,基本属于清洁废水,可直接排放或回收利用。
(4)丝光废水丝光处理是将织物浸泡在氢氧化钠浓碱液中,目的是提高纤维的抗拉强度,加添纤维的表面光泽,降低织物的潜在缩水率,同时加添染料的亲和力。
纺织业污水处理纺织业污水处理是指对纺织工业所产生的废水进行处理,以减少对环境的污染和保护水资源。
纺织业是一个水耗量较大且废水排放量较高的行业,其废水中含有大量的有机物、颜料、染料、油脂、酸碱等污染物,如果不经过适当的处理,直接排放到环境中会对水体和生态系统造成严重的破坏。
为了解决纺织业污水处理的问题,需要采取一系列的措施和技术。
下面将详细介绍纺织业污水处理的标准格式文本。
1. 废水收集和预处理阶段:在纺织厂内,首先需要设置合理的废水收集系统,将产生的废水集中收集起来。
废水收集系统可以包括管道网络、收集池和沉淀池等设施。
在收集过程中,还需要进行初步的预处理,包括去除可沉淀物、固体颗粒和悬浮物等。
2. 生物处理阶段:生物处理是纺织业污水处理的核心环节之一。
通过利用微生物的作用,将废水中的有机物转化为无机物,从而达到净化废水的目的。
常见的生物处理方法包括活性污泥法、厌氧处理法和生物膜法等。
这些方法可以根据纺织厂废水的特点和处理要求进行选择。
3. 物理化学处理阶段:生物处理后的废水还需要进行进一步的物理化学处理,以去除残留的有机物、颜料、染料、油脂和酸碱等。
常见的物理化学处理方法包括混凝、絮凝、沉淀、吸附、氧化和膜分离等。
这些方法可以根据废水的特性和处理要求进行组合应用,以达到更好的处理效果。
4. 二次处理和消毒阶段:经过生物处理和物理化学处理后,废水中的污染物已经大大降低,但仍可能存在一些微量的有机物和细菌等。
为了进一步提高处理效果,可以进行二次处理,如活性炭吸附、臭氧氧化等。
此外,为了确保废水的安全排放,还需要进行消毒处理,常用的消毒方法包括紫外线照射和氯化等。
5. 污泥处理和资源化利用:在纺织业污水处理过程中,还会产生大量的污泥。
这些污泥中含有一定的有机物和养分,可以通过适当的处理和利用,实现资源化利用。
常见的污泥处理方法包括厌氧消化、好氧稳定化和干化等。
处理后的污泥可以作为肥料、填埋物或能源利用。
200吨每天废水处理技术方案1. 引言本文档旨在提供一种处理每天200吨废水的技术方案。
废水处理对于环境保护和可持续发展至关重要。
我们将介绍一个简单而有效的废水处理方案,旨在解决该规模的废水处理需求。
2. 废水处理技术方案基于规模和简单性的考虑,我们建议采用以下废水处理技术方案:2.1 初步处理- 废水集中进入预处理单元,通过筛网去除大颗粒物和悬浮物。
- 再经过沉淀池,利用重力作用沉淀去除悬浮物。
2.2 生物处理- 初步处理后的废水进入生物反应器,通过微生物的作用去除有机物。
- 我们建议采用活性污泥法,其中的微生物通过氧化代谢去除废水中的有机物。
2.3 深度处理- 生物反应后,废水进入深度处理单元,以去除残余的有机物和氮磷等营养成分。
- 我们建议采用曝气生物滤池,通过氧化和吸附等机制去除残余有机物和营养成分。
2.4 二次沉淀和消毒- 深度处理后的废水经过二次沉淀,以去除残余的悬浮物。
- 最后,废水需要经过消毒处理,以杀灭残留的细菌和病原体。
3. 设备和运维要求- 为了实施以上废水处理技术方案,需要以下设备:筛网、沉淀池、生物反应器、深度处理单元、二次沉淀池和消毒设备等。
具体设备规格和数量需根据实际情况进行设计。
- 运维人员需要具备相关废水处理知识和技能,以确保设备正常运行和废水处理效果。
4. 结论本文档介绍了一种针对每天200吨废水的处理技术方案。
通过初步处理、生物处理、深度处理以及二次沉淀和消毒等步骤,该方案可以有效地去除废水中的悬浮物、有机物和营养成分,并确保废水的安全排放。
具体设备和运维要求需要根据实际情况进行设计和调整。
以上是对200吨每天废水处理技术方案的简要介绍,旨在为废水处理项目提供初步指导和方向。
200T/D研磨废水处理设计方案设计编号:DY20170405-0200目录一、工程概况 (3)1.1、总则 (3)1.2、工程概述 (3)二、工艺设计原则及设计规范 (4)2.1、设计依据 (4)三、设计范围及原则 (5)3.1设计范围 (5)3.2设计原则 (5)四、工艺说明 (6)1.1工艺流程简图 (6)2.2工艺流程说明 (6)五、施工组织设计 (11)5.1施工准备 (12)5.2管理指标 (12)5.3施工方法和采取的技术措施 (14)5.4工程施工安全技术措施 (18)5.5安全注意事项 (20)六、售后服务承诺 (22)一、工程概况1.1、总则1.1-1、本规范书为研磨废水处理项目。
1.1-2、本规范书提出的设计,完全符合现项目的设计方案。
1.1-3、工程名称: 200T/D研磨废水处理方案。
1.2、工程概述甲方现已有一套研磨废水处理并回用的系统,原系统为50T/D的处理量,由于现排放废水量增加到200T/D,所以原废水处理系统需要改造,现对该废水项目做如下具体的改造方案设计,为贵司提供较为理想、投资省、处理效果好的工艺及设备。
二、工艺设计依据及设计规范2.1.设计依据建设单位提供的废水量及水质数据。
环保部门对污染治理的指示与要求。
GB8978-1996《污水综合排放标准》环境工程手册《水污染防治卷》相关设计参数。
《污水综合排放标准》GB8978-96《中华人民共和国环境保护法》《电镀废水治理设计规范》GBJ136《国家污水综合排放标准》GB8978《室外排水设计规范》GBJ14《给水排水设计手册》《建筑给水、排水设计手册》《城市区域环境噪声标准》GB3096《通用用电设备配电设计规范》GB50055《低压配电装置及线路设计规范》GBJ54《建筑结构荷载规范》GBJ9《水处理设备制造技术条件》JB/T2932《钢制焊接常压容器技术条件》JB2880《手工电焊焊接接头的基本形式尺寸》GB13985《水处理设备原材料入厂检验》ZBJ98004《水处理设备油漆包装技术条件》ZBJ98003三、设计范围与原则3.1、设计范围:1)、从污水车间排放口到回用系统。
纺织业污水处理一、背景介绍纺织业是一种典型的水污染行业,其生产过程中产生的大量废水含有有机物、颜料、染料、油脂等有害物质,对环境造成严重污染。
因此,纺织业污水处理成为了一个迫切的问题。
本文将详细介绍纺织业污水处理的标准格式。
二、污水处理工艺1. 初级处理初级处理是纺织业污水处理的第一步,主要目的是去除废水中的固体悬浮物和沉淀物。
常用的初级处理方法包括格栅过滤、沉淀池和气浮池。
格栅过滤可以去除较大的固体悬浮物,沉淀池可以使悬浮物沉淀到底部,气浮池可以通过注入气泡使悬浮物浮起并移除。
2. 中级处理中级处理是对初级处理后的废水进行进一步处理,主要目的是去除废水中的有机物和颜料等有害物质。
常用的中级处理方法包括活性污泥法、生物膜法和混凝沉淀法。
活性污泥法通过添加活性污泥来分解有机物,生物膜法通过在固体载体上生长微生物来降解有机物,混凝沉淀法通过添加混凝剂使有机物凝聚并沉淀。
3. 高级处理高级处理是对中级处理后的废水进行深度处理,主要目的是去除废水中的残余有机物和颜料等难降解的有害物质。
常用的高级处理方法包括活性炭吸附、臭氧氧化和紫外光解等。
活性炭吸附可以吸附废水中的有机物,臭氧氧化可以通过氧化反应降解有机物,紫外光解可以利用紫外光分解有机物。
三、污水处理设备1. 污水处理设备的选择在纺织业污水处理中,选择适合的污水处理设备非常重要。
应根据废水的水质、水量和处理要求来选择合适的设备。
常见的污水处理设备包括格栅过滤器、沉淀池、气浮池、活性污泥池、生物膜反应器、混凝沉淀池、活性炭吸附器、臭氧发生器和紫外光解设备等。
2. 设备操作和维护污水处理设备的正常操作和维护对于保证处理效果非常重要。
操作人员应定期检查设备的运行情况,及时清理设备内的污泥和固体悬浮物,调整设备的运行参数以保证处理效果。
同时,还需要对设备进行定期维护,如更换滤网、清洗管道、检修电气设备等。
四、污水处理效果监测为了确保纺织业污水处理的效果,需要进行污水处理效果监测。
纺织业污水处理一、背景介绍:纺织业是一个重要的制造业行业,但其生产过程中产生的大量废水对环境造成了严重的污染。
纺织废水含有有机物、颜料、染料、助剂等有害物质,如果直接排放到自然水体中,会对水质造成严重破坏,危害人类健康和生态环境。
因此,纺织业污水处理是一项紧迫的任务,旨在减少污染物的排放,保护环境和人类健康。
二、纺织业污水处理的目标:1. 减少有机物的浓度:通过适当的处理方法,将纺织废水中的有机物浓度降低到国家规定的排放标准以内。
2. 去除颜料和染料:采用有效的技术手段,将纺织废水中的颜料和染料去除,以减少对水体的颜色污染。
3. 降低总悬浮固体含量:通过沉淀、过滤等方法,将纺织废水中的悬浮固体含量降低到可接受的水平。
4. 控制化学需氧量(COD)和生化需氧量(BOD):确保纺织废水中的COD 和BOD浓度符合国家规定的排放标准,以减少对水体生态系统的影响。
5. 处理后的废水可循环利用:通过适当的处理工艺,使得处理后的纺织废水可以再次用于生产过程,实现废水的资源化利用。
三、纺织业污水处理的方法:1. 前处理:纺织废水经过初步处理,包括调节pH值、去除悬浮物、沉淀和过滤等步骤,以减少对后续处理单元的负担。
2. 生物处理:采用生物反应器,如活性污泥法、厌氧处理等,通过微生物的作用将有机物降解为无害的物质。
3. 物理化学处理:采用吸附、氧化、沉淀、膜分离等技术手段,去除废水中的颜料、染料、重金属等有害物质。
4. 深度处理:对处理后的废水进行进一步处理,以达到国家规定的排放标准。
常用的方法包括活性炭吸附、紫外线消毒等。
5. 循环利用:对处理后的废水进行再生利用,如用于冲洗、冷却、再生水等方面,减少淡水的消耗。
四、纺织业污水处理的技术创新:1. 高效吸附材料的研发:开发具有高吸附性能的材料,用于去除纺织废水中的颜料、染料等有害物质。
2. 生物处理工艺的优化:改进生物反应器的结构和操作条件,提高微生物的降解效率和稳定性。
某生活污水处理站工程技术方案编制单位:宜兴市万鹏环保科技有限公司编制日期:2015年6月目录1工程概况 (2)1.1工程名称 (2)1.2工程地点 (2)1.3工程简介 (2)1.4工程范围 (2)1.5设计原则 (2)1.6设计依据 (2)1.7设计参数 (3)2工艺选择 (4)2.1工艺选择原则 (4)2.2工艺选择 (4)2.3 MBR工艺介绍 (5)3工艺设计 (7)3.1工艺流程 (7)3.2工艺设计说明 (7)4主要构筑物及设备参数 (11)4.1主要构筑物一览表 (11)4.2主要设备一览表 (11)5工程设计说明 (12)5.1总图设计 (12)5.2结构设计 (12)5.4电气设计 (13)5.5自控设计 (14)6运行成本分析 (15)6.1人工费用 (15)6.2药剂费用 (15)6.3耗电费用 (15)6.4直接运行费用 (15)7效益分析 (16)7.1环境效益分析 (16)1工程概况1.1工程名称山东某生活污水处理站工程1.2工程地点山东1.3工程简介本项目中生活污水收集后直接排入污水处理站,生活污水排放量约200m3/d,污水处理后就近排入市政污水管网中。
1.4工程范围生活污水集中处理站的设计和建设、验收、保修(不含挖填土方费用)1.5设计原则●此污水处理工程以投资省,运转费用低,占地面积小为原则。
●处理系统先进,设备运行稳定可靠,维护简单、操作方便。
●污水处理系统不产生二次污染源污染环境。
●控制管理按处理工艺过程要求尽量考虑自控,降低运行操作的劳动强度,使污水处理站运行可靠、维护方便,提高污水处理站运行管理水平。
●使用一体化地下污水处理单元,所有设施埋地设置,地面仅留检修口用于运行维护。
●污水处理后可排放至湖泊、溪流或排放市政污水管网。
●污水处理要求启动时间短、可间断运行。
●处理站出水的主要水质指标需可以连续监控。
1.6设计依据●《室外排水设计规范》(GB50014-2002);●《城镇污水处理厂污染物排放标准》(GB18918-2002);●《建筑给水排水设计规范》(GB50015-2003);●《污水再生利用工程设计规范》(GB50335-2002);●《污水综合排放标准》(GB8978-1996);●《地表水环境质量标准》(GB3838-2002);●《江苏省环境工程设计管理规定和技术要求》(试行江苏省环保局1997)●其他相关标准及规范。
纺织厂的污水处理概述纺织厂是一个重要的制造业行业,但其生产过程中产生的大量废水对环境造成了严重污染。
为了保护环境和人类健康,纺织厂需要进行有效的污水处理。
本文将介绍纺织厂的污水处理方法和技术。
污水特性纺织厂的废水特点非常复杂,一般含有高浓度的有机物、色素、助剂和酸碱物质等。
这些废水不仅对自然环境有害,还对地下水资源造成威胁。
纺织厂的污水处理需要综合考虑污水的特性和目标排放标准。
初级处理纺织厂的污水处理过程通常包括初级、中级和高级处理。
初级处理主要是通过物理方法去除固体杂质和沉淀物。
主要方法包括格栅过滤、沉淀池和气浮池等。
格栅过滤用于去除大颗粒的固体杂质,沉淀池用于沉淀悬浮物,气浮池则通过气泡浮力将悬浮物从水中分离出来。
中级处理中级处理主要是通过化学方法去除废水中的有机物和色素等。
常见的方法包括氧化、中和、絮凝和激活污泥法等。
氧化法利用化学氧化剂将废水中的有机物氧化为无机物,中和法通过添加酸碱物质来调节废水的酸碱度,絮凝法则通过加入絮凝剂使废水中的悬浮物凝聚成团,激活污泥法则通过添加活性菌群促进废水中的有机物降解。
高级处理由于纺织厂废水的复杂性,常规的初级和中级处理不能完全达到排放标准。
高级处理是必要的。
常见的高级处理方法包括吸附、活性炭处理和生物膜反应器等。
吸附法通过活性炭或其他吸附剂去除废水中的有机物和色素,活性炭处理则利用活性炭对废水进行吸附和降解,生物膜反应器则通过将废水通过生物膜进行过滤和降解。
排放标准纺织厂需要按照当地的环境法规和排放标准对处理后的废水进行排放。
排放标准一般包括对COD(化学需氧量)、BOD(生化需氧量)、SS(悬浮物)、色度等指标的限制。
纺织厂需要与排污单位合作,建立废水监控和排污系统,确保废水的合规排放。
纺织厂的污水处理是一个复杂的过程,需要综合考虑废水的特性和排放标准。
通过合理选择和组合初级、中级和高级处理方法,纺织厂可以实现废水的有效处理和环境保护。
加强废水管理和监控,确保废水的合规排放,对于纺织厂的可持续发展也至关重要。
纺织业污水处理纺织业污水处理是指针对纺织企业生产过程中产生的废水进行处理,以减少对环境的污染和保护水资源。
纺织业是一个重要的工业部门,但由于其生产过程中使用大量的水和化学品,导致废水中含有大量的有机物、颜料、染料、重金属等有害物质,如果不经过适当的处理,直接排放到环境中会对水体和生态系统造成严重的危害。
纺织业污水处理的目标是将废水中的有害物质去除或降低到符合排放标准的水平,以确保排放的废水不会对环境和人类健康造成不良影响。
下面将详细介绍纺织业污水处理的标准格式。
一、污水处理工艺流程纺织业污水处理的工艺流程通常包括预处理、生物处理和深度处理三个阶段。
1. 预处理阶段:预处理主要是对废水进行初步处理,去除大颗粒物质和悬浮物,以减少对后续处理设备的负荷。
预处理过程包括格栅过滤、沉砂池和调节池等。
格栅过滤通过网格将较大的固体颗粒截留下来,沉砂池通过沉降将废水中的沙土等重颗粒物质去除,调节池用于平稳调节废水的流量和水质。
2. 生物处理阶段:生物处理是纺织业污水处理的核心环节,通过微生物的作用将废水中的有机物质降解为无害物质。
生物处理通常采用活性污泥法、生物膜法或厌氧处理等。
活性污泥法是最常用的一种方法,通过将废水与活性污泥充分接触,利用微生物的生物降解能力将有机物质降解为二氧化碳和水。
生物膜法是在载体上生长生物膜,通过膜上的微生物对废水进行处理。
厌氧处理则是在无氧条件下利用厌氧菌将有机物质转化为甲烷等可再利用的产物。
3. 深度处理阶段:深度处理主要是对生物处理后的废水进行进一步的净化和去除残留有机物质。
常见的深度处理方法包括活性炭吸附、高级氧化、深度过滤等。
活性炭吸附可以去除废水中的有机物质和染料等,高级氧化则通过添加氧化剂将废水中的有机物质氧化分解,深度过滤则通过滤料的作用去除废水中的微小悬浮物。
二、纺织业污水处理的标准要求纺织业污水处理的标准要求主要包括排放标准和处理效果要求两个方面。
1. 排放标准:纺织业污水处理后的排放水应符合国家和地方相关的环境保护法规和标准要求。
在含油废水中,油以4种状态存在:浮油、分散油、乳化油和溶解油。
进入水体的油大部分以浮油的形式存在,这种油的粒径较大,一般大于100um,占含油量的70%~80%,静置后能较快上浮,铺展在污水表明形成油膜,用一般重力分离设备即能去除;分散油以小油滴形状悬浮在污水中,油滴粒径在25~100um 之间,当其受到机械外力或较长时间静置时,油滴较为稳定,会聚合成较大的油滴上浮到水面,此状态的油也较易去除;溶解油是以分子状态或化学状态分散于水相中,非常稳定,用一般的物理方法无法去除,但其在水中的溶解度很小,大概为5~15mg/L。
乳化油一般呈碱性,油滴粒径大部分是2~3um,呈乳浊状或乳化状。
由于表面活性剂的存在,使得原本是非极性憎水性的油滴变成了带负电荷的胶核,带负电荷的胶核会吸附水中的正电荷离子或极性水分子形成胶体双电层结构。
这些油滴外面包有弹性的、一定厚度的双电层,与彼此所带的同性电荷相互排斥,阻止了油滴间相互聚合变大,使油滴能长期稳定的存在于水中,所以乳化液废水是属于比较难分离的一类。
不同型号的钢帘线拉丝产生的废水成分略有不同,多为高浓度乳化液,基本成分为合成油与水,通常也会有大量重金属的带入。
乳化液废水COD浓度一般较高,能达到40000~80000mg/L,油剂含量一般为20000~40000mg/L,并且含有较高浓度的锌和络合铜。
目前,乳化液废水的处理方法有物理法、物理化学法、化学法、生化法和膜分离等。
物理法物理法主要是利用油和水的密度差,在重力的作用下,对乳化液废水中的浮油和分散油进行重力分离。
物理分离法具体有重力分离法、粗粒化法和过滤法。
重力分离法:利用油水密度差和和油水互不相溶性进行油水分离。
包括浮上分离法、机械分离法和离心分离法。
浮上分离法为分散在水中的油珠在借助浮力作用下缓慢上浮、分层,油珠的上浮速度与油珠的粒径大小、油水密度差、流动状态及流体的粘度有关。
此类处理方法常见的设备有平流式隔油池、平板式隔油池、波纹斜板式隔油池、斜板式隔油池,处理后含油量为20~30mg/L。
纺织业污水处理一、背景介绍纺织业是一个重要的制造业领域,但其生产过程中产生的大量废水对环境造成了严重的污染。
纺织业废水主要含有有机物、颜料、染料、酸碱等有害物质,如果不经过有效的处理,将对水资源和生态环境造成严重影响。
因此,纺织业污水处理成为一项紧迫的任务,需要采取科学有效的措施来减少和处理污水,以保护环境和人类健康。
二、纺织业污水处理的目标1. 减少废水排放量:通过采取合理的生产工艺和设备,减少纺织企业废水的产生量,降低对环境的影响。
2. 提高废水处理效率:采用先进的废水处理技术和设备,确保废水中有害物质的去除率达到国家相关标准,保证处理后的废水符合排放标准,不对环境造成二次污染。
3. 实现资源化利用:对废水中的有机物、颜料等有价值成分进行回收和利用,减少资源浪费,提高经济效益。
三、纺织业污水处理的方法和技术1. 生产工艺改进:通过优化纺织生产工艺,减少废水产生量。
例如,采用低温染色工艺可以减少染料的使用量和废水产生量。
2. 废水预处理:采用物理、化学等方法对废水进行预处理,去除悬浮物、油脂、颜料等固体和液体杂质。
常用的预处理方法包括沉淀、过滤、调节pH值等。
3. 生物处理:利用生物活性物质(如细菌、藻类等)对废水中的有机物进行降解和转化。
常用的生物处理方法包括活性污泥法、生物膜法、人工湿地等。
4. 化学处理:利用化学药剂对废水中的有害物质进行沉淀、氧化、还原等反应,达到去除的目的。
常用的化学处理方法包括混凝、氧化、还原等。
5. 高级氧化技术:利用光催化、臭氧氧化等高级氧化技术对废水中的有机物进行降解和去除。
这些技术能够高效地分解有机物,提高废水处理效果。
6. 膜分离技术:利用微滤、超滤、反渗透等膜分离技术对废水进行处理和回收。
这些技术能够高效地去除废水中的悬浮物、颜料等有害物质,实现废水的资源化利用。
四、纺织业污水处理的案例1. 某纺织企业采用生物膜法处理废水,通过构建生物膜反应器,利用膜上附着的微生物对废水中的有机物进行降解。
浙江海利得新材料股份有限公司200吨/天帘子布生产废水处理工程设计方案宜兴市昌亚环保设备有限公司二零一二年二月目录一、工程概况 (3)二、废水水质(根据厂方提供)及排放要求 (4)三、设计依据 (5)四、设计规模 (5)五、设计原则 (5)六、处理工艺流程及流程说明 (6)七、主要构筑物设计参数 (18)八、处理效果(主要指标去除率,进水按最高值) (21)九、环境效果与运行经济分析 (22)十、电器控制 (23)十一、二次污染的防治 (23)十二、投资估算 (24)十四、质量保证及售后服务 (27)一、工程概况帘子布是用强力股线作经,用中、细支单纱作纬,织制的轮胎用骨架织物。
经线排列紧密,纬纱排列稀疏,状似帘子,故名。
帘子布用作轮胎等橡胶制品的骨架,使其承受巨大压力、冲击负荷和强烈震动。
帘子布是影响轮胎性能和寿命的重要材料。
经线(又称帘子线)承受负荷,纬纱固定经线位置。
对帘子线的要求是:①强度和初始模量高;②耐热;③耐疲劳;④结构稳定;⑤能和橡胶粘合。
帘子线有棉帘子线、粘胶丝帘子线、锦纶帘子线、钢丝帘子线等。
棉帘子线强度低,制造轮胎体需要较多层帘子布,使用中由于运动而产生的摩擦发热高,散热慢,因而应用逐渐减少。
高强胶粘丝帘子线具有耐疲劳、耐热、胎体变形小等优点,但由于粘胶丝易吸湿,使用中需保护轮胎使其表层完整无裂隙,以免受潮而使强度降低。
锦纶帘子线强度较高,制成胎体耐冲击、耐疲劳性能好,胎温上升少,但有热收缩的特性,胎体容易变形。
钢丝帘子线制成的胎体强度高,滚动损失小,耐冲击,耐磨性好,但刚性大,容易损伤车辆底盘机件。
此外,还有涤纶帘子线、玻璃纤维帘子线等。
20世纪70年代出现了芳纶帘子线(见芳香族聚酰胺纤维),具有高强度高模量、耐高温和尺寸稳定等优点,适用于工程车、飞机等对性能要求较高的轮胎。
公司产品以涤纶帘子布为主,每天总排放废水为200m3,废水主要包含浸胶工序生产的浸胶废液以及蒸熏工序中间隙排放的废水等,其中浸胶废液中含有大量的天然胶乳、间苯二酚、甲醛、氨、乙烯、丁苯等有毒有害物质,其生产废水中COD和浊度特别高。
该浸胶生产废水水质特点为色度高、CODcr高、低价硫浓度高,含悬浮物、浸胶残留物、无机盐等杂质。
全厂污水主要分三大类:第一类为污染程度相对较低的厕所、食堂、扫除等排水,另外再加上一部分清洗废水及部分汇流雨水,总设计日排水量约70m3/d。
第二类为浸胶生产废水,此浸胶废水COD高达50000mg/l左右需单独预处理后再排入调节池汇集;业主提供日排水量约20m3/d,按日排水量约20m3/d设计。
第三类为纺丝含油废水,业主提供日排水量约100m3/d,经过适当放大,设计日排水量110m3/d。
污水合计处理量为200m3/d(按排水量的100%计算,处理设施每天24小时连续运行)。
考虑排水的不均匀性和处理设施的预留处理量,对于几类排水的污水处理设施,设计处理能力分别确定为:生活污水:Qd=30m3/d,Qh=1.25m3/h。
浸胶废水:Qd=20m3/d, Qh=0.8m3/h。
喷淋废水:Qd=15m3/d, Qh=1.0m3/h。
纺丝废水:Qd=100m3/d, Qh=4.2m3/h。
(含油剂废水)生活污水:Qd=10m3/d,Qh=1.25m3/h。
初期雨水:Qd=30m3/d,Qh=1.25m3/h。
本公司根据该公司目前废水水质实际情况,结合目前国内先进处理工艺,进行综合考虑设计,使该公司的废水经系统处理后出水水质达到GB8978-1996《污水综合排放标准》三级标准。
二、废水水质(根据厂方提供)及排放要求1.水质情况注:排放出水水质采用“中华人民共和国《污水综合排放标准》(GB 8978-1996)”中的三级排放标准。
三、设计依据1.根据厂方提供的废水水质、水量;2.现场地形勘测合理安排废水处理设施;3.中华人民共和国综合污水排放标准,GB8978-96标准;4.中华人民共和国室外排水设计规范GBJl-4-87;5.中华人民共和国建筑给水排水规范。
6.供配电系统设计规范(GB50052-95)7.低压配电设计规范(GB50052-95)8.《工业企业厂噪声标准》(GBl2348-90)二级;9.我单位完成的同类工程所取得的实际经验和实际工程参数;四、设计规模根据该企业提供的水量:日处理量为200m3每小时处理量为8.5m3 /h(按每天运行24小时计算)。
五、设计原则l、执行国家环境保护的政策,符合国家的有关法规、规范及标准。
2、配合总体规划使工程建设与企业发展相协调,充分发挥建设项目的社会环境和经济效益。
3、积极采用技术先进、可靠、高效运行管理方便、维修维护简单的污水处理专用设备。
4、采用高效节能、简单易行的污水处理工艺,确保处理后水质稳定达标,节省工程投资,降低运行成本,并为交来发展留有余地。
5、处理产生后的残渣易处理,避免产生二次污染,并进行综合利用。
6、为确保污水处理系统的正常运转,供电系统需有较高的可靠性,必须采用双回路电源,同时污水处理站运行设备应有足够的备用率。
7、因地制宜,结合厂区环境要求,既治理了污水,又保护了环境。
8、在设计中选用实用,质量可靠的仪器仪表,仪器仪表可实现自控,以提高自动化水平,减少操作管理人员,保证处理效果。
9、设计中尽量选用低噪音节能的动力设备。
六、处理工艺流程及流程说明1、工艺流程图泵加氯化镁2、工艺流程说明2-1、浸胶废水收集池(砼结构)由于帘子布生产过程中浸胶废水属于间隙性排放的原因,所以该股废水需单独处理后再汇集到调节池;设计单独建设一浸胶废水收集池,由于该废水PH属于中性,不需进行PH调整后再处理,经收集后可直接由废水提升泵提升进入反应沉淀气浮池进行预处理。
废水提升泵(部分回流)型号: WQ5-10-0.75流量:5m3/h扬程:15m功率:0.75kw数量:2台(1用1备)制造商:上海制泵或同等2-2、反应沉淀气浮池(钢制防腐)本系统内分置三个不同部分,第一段为气浮池、第二部分为反应池、第三部分为沉淀池。
第一部分气浮池主要用来处理浸胶废水中的甲烷,第二部分反应池加入氯化镁用来处理浸胶废水中的氨氮,第三部分絮凝沉主要用于废水加药混凝反应后的泥水分离,主要采用普通竖式沉淀池。
设计反应沉淀气浮池外形尺寸为3500×1500×3500㎜。
反应沉淀气浮池(钢制防腐)外形尺寸 3500×1500×3500㎜处理量:0.85m3/h数量:1套制造商:宜兴昌亚2-3、厌氧池反应沉淀气浮池出水经过热交换器加热后由废水提升泵提升进入厌氧塔处理,设计厌氧塔外形尺寸为Ф3000×7500㎜,停留时间50小时,设计进水COD cr50000 mg/L有机负荷3kg/d.m3.COD。
卧式化工泵(部分回流)型号: ISWH25-160A流量:5m3/h扬程:26m功率:0.75kw数量:2台(1用1备)制造商:上海制泵或同等热交换器型号: BR-04流量: 5m3/h工作温度: 180℃(最高)工作压力: 1.2Mpa(最高)制造商:无锡锡惠厌氧塔(钢制防腐)外形尺寸Ф3000×7500㎜处理量:0.85m3/h数量:1套制造商:宜兴昌亚配套循环泵:型号: 50LW10-15-2.2数量: 2台 1用1备流量: 10m3/h扬程: 15m功率: 2.2KW2-4、调节池、预曝池(砼结构)由于管理、设备等原因,在帘子布生产过程中,产生的废水水质往往很不稳定生产车间会出现故障性的废水排放,这将会对后续处理工艺造成冲击负荷。
因此,设置预曝气调节池来调节水量、均匀水质,并且设计足够的停留时间来调节容量。
该池一方面具备预曝气功能,可吹脱废水中的氨氮及其他易挥发性物质,而且可氧化部分难分解的有机物,使污水能比较均匀地进入后续处理单元,提高整个系统的抗冲击性能并减小后续处理单元的设计规模。
另一方面用于充氧搅拌,以防止污水中悬浮颗粒长时间沉淀;为防止废水中的固体颗粒沉积在调节池内,在其底部设穿孔预曝气装置,使调节池内废水更加充分混合,且使废水中的浸胶残留物和有机物得到降解,同时也起到均衡水质效果。
预曝气调节反应池曝气装置采用风机及穿孔曝气管,曝气管道采用耐腐蚀的ABS管道制作。
本工程设计的预曝气调节反应池有效容积为200m3,停留时间为24h,调节预曝气反应池设置在地下,采用钢混结构,同时设置一超越排放口,满足紧急情况和检修、维护的排水要求。
◎ 设计参数设计水量:8.5m3/h停留时间:24.0h有效容积:200m3外形尺寸:12000×5000×4500mm有效水深:4000mm结构:钢混结构数量:1座2-5、废水提升泵调节池配备两台自吸式无堵塞排污泵,型号为:40ZW10-15,设计流量:10m3/h,扬程:15m,功率:2.2kw,一用一备,配套高低液位浮球控制水泵的起停。
2-6、加药装置加药装置设计共采用3套加药装置,药剂采用泵后经管道混合器混合反应后进入混凝气浮反应池;加药装置投加高效絮凝剂及助凝剂,该高效絮凝剂具有去除色度的效果同时还有起到混凝架桥作用及去除部分COD的作用。
2-7、混凝气浮反应池(钢结构)调节池的废水采用污水泵提升进入气浮反应池,首先在进水管道中投加高效絮凝剂剂使废水的PH值控制在7.5左右,这时废水中产生大量的絮凝体后进入气浮反应池中进行反应分离,从而使废水达到分离的作用,出水自流进入水解反应池;气浮反应池污泥经管道自流至污泥池。
2-8、水解酸化反应池(钢混结构)水解酸化反应池在兼氧的条件下将难生物降解的高分子有机物断链水解成小分子、易降解有机物。
本水解酸化反应池与理论上的厌氧反应器具有根本上的区别,厌氧反应池有酸化和产甲烷反应,本水解酸化反应池只控制到酸化水解阶段。
水解酸化反应池内分污泥床区和清水层区,待处理污水以及滤池反冲洗时脱落的剩余微生物膜由反应器底部进入池内,均匀地混合。
水解酸化反应池污泥床较厚,类似于过滤层,从而将进水中的颗粒物质与胶体物质迅速截留和吸附。
由于污泥床内含有高浓度的兼性微生物,在池内缺氧条件下,被截留下来的有机物质在大量水解—产酸菌作用下,将不溶性有机物水解为溶解性物质,将大分子、难于生物降解的物质转化为易于生物降解的物质;同时,沉淀池排出的剩余污泥(剩余微生物膜)菌体外多糖粘质层发生水解,使细胞壁打开,污泥液态化,重新回到污水处理系统中被好氧菌代谢。
由于水解酸化反应池的污泥龄较长,所以在本设计中,采用水解酸化反应池代替常规的初沉池,除达到截留污水中悬浮物的目的外,还具有部分生化处理和污泥减容稳定的功能。
水解酸化反应池设计停留时间为12.0h,泥龄一般12天左右,设计污泥混合区最高浓度20g/L。