生产部组织结构与责权
- 格式:docx
- 大小:52.35 KB
- 文档页数:1
各部门责权体系介绍1. 引言在组织机构中,各个部门承担着不同的职责和权力,形成了一个相对完整的责权体系。
各部门之间的合作与协调,对于组织的运转和发展具有重要意义。
本文将介绍典型企业中各部门的责权体系,以期帮助读者更好地了解企业内部机构的运作机制。
2. 人力资源部门人力资源部门是企业中负责管理和发展人力资源的重要部门。
它的职责包括岗位招聘、员工培训、绩效考核、薪酬福利管理等。
人力资源部门对于企业的发展具有重要的战略意义。
它承担着选拔优秀员工、培养和激励人才的责任,直接影响着企业的竞争力和发展潜力。
人力资源部门的权力主要体现在以下几个方面: - 根据公司发展战略制定人力资源规划和人员需求计划; - 负责招聘和选拔员工; - 组织和实施员工培训和发展计划; - 设计和管理薪酬福利制度; - 管理绩效考核和晋升制度。
3. 财务部门财务部门管理企业的财务资源,负责财务报表的编制和分析,以及财务决策的支持。
财务部门的职责主要包括预算编制、会计核算、资金管理、税务规划等。
财务部门的权力主要体现在以下几个方面: - 管理企业的资金流动,包括财务预算编制和资金筹措; - 负责企业的会计核算和财务报表的编制; - 统计和分析财务数据,为企业的决策提供支持; - 设计和管理内部控制制度,保护企业的财务安全。
4. 销售部门销售部门是企业中负责产品销售和市场拓展的部门。
它的职责包括市场调研、销售计划制定、客户关系管理等。
销售部门是企业实现销售目标的主要力量之一。
销售部门的权力主要体现在以下几个方面: - 研究市场需求,制定销售策略和计划; - 客户拓展和维护,建立良好的客户关系; - 销售业绩考核和激励机制的设计和管理; - 监控市场竞争态势,调整销售策略。
5. 运营部门运营部门负责企业的日常运营管理,包括生产、采购、物流、供应链管理等。
它的职责是确保企业的产品能够按时交付,并且具备高质量和高效率。
运营部门的权力主要体现在以下几个方面: - 生产计划的制定和执行,确保生产进度和产量; - 采购原材料和设备,管理供应商关系; - 设计和优化物流流程,确保产品的及时配送; - 管理供应链,优化整体运营效率。
更新家具组织构架与责权GXZQ –修订--21 / 6董事长营销中心(总监)生产中心(总监)行政中心(总监)销售部(经理)外贸部(经理)(助理)生产部(经理)品管部(经理)助理人事行政文秘(主管)安全环保车辆(主管)市场部(经理)营运部(经理)总务后勤前台公关(主管)工艺研发部(经理)财务中心(总监)财务部(经理)会计员出纳员核算员电子商务部(经理)OEM部(经理)采购部(经理)***部(经理)(助理)***部(经理)(助理)说明:此组织构架图,是依据公司产、销分离管理思路设计,由三大管理系统加财务中心构成,在金字塔管理原则前提下,部门设置尽量实行扁平化管理,各系统根据业务流程和服务范围,本着精简、高效、适用原则,自行设置岗位。
部门的设置,按企业发展进程陆续增设。
其中营销、生产系统自成体系,实行内部独立核算,互为客户关系;财务、行政为总体服务机构。
GXZQ –修订--22 / 61总经办组织构架与责权部门总经办部门负责人 董事长 直属领导 董事会 构架图部门编制董事长 1人 董事长助理1人副总 4人职责1.企业发展战略管理:主持制定企业中长期发展战略与企业发展战略目标;推动、监督企业中长期发展战略和目标的执行情况;根据企业内外部环境的变化,主持调整中长期发展战略并监督实施。
2.主持董事会及日常管理工作:定期召集董事和高层管理人员工作会议,组织讨论、决策、审批董事会会议纪要;负责执行股东大会各项决议及监督公司管理层的日常经营活动。
3.主持企业的重大决策活动:负责审议公司管理层提交的各项经营计划、发展规划、投资方案等文件。
4.聘任、考核及监督高层管理人员:负责拟订公司形式的调整、分立、变革、合并及设立分支机构等方案,决定公司内部管理机构的设置及高层管理人员的聘任、解聘、考核、奖惩,并决定薪酬等事项5.协调企业管理工作:协调企业与股东、高层管理人员之间的关系 ;对企业生产经营活动的分权、授权、做出规定;监督企业高管人员的工作,对渎职、失职的高管实施惩罚和处理。
安徽旗翔新能源有限公司现行组织机构图如下:(附部门职能说明书)(1)股东大会(2)董事会(3)监事(4)董事会秘书(5)测试部(6)软件部(7)硬件部(8)结构设计部(9)销售部(10)技术支持部(11)生产部(12)仓储部(13)品保部(14)财务部(15)采购部(16)人力资源部(17)行政部股东大会责权根据《公司章程》,股东大会是公司的权力机构,依法行使下列职权:(1)决定公司的经营方针和投资计划;(2)选举和更换董事和非由职工代表担任的监事,决定有关董事、监事的报酬事项;(3)审议批准董事会报告;(4)审议批准公司的年度财务预算方案、决算方案;(5)审议批准公司的利润分配方案和弥补亏损方案;(6)对公司增加或者减少注册资本作出决议;(7)对发行公司债券作出决议;(8)对公司合并、分立、解散、清算或者变更公司形式作出决议;(9)修改本章程;(10)对公司聘用、解聘会计师事务所作出决议;(11)审议公司在一年内购买、出售重大资产超过公司最近一期经审计总资产30%的事项;(12)审议批准变更募集资金用途事项;(13)审议股权激励计划;(14)审议法律、行政法规、部门规章或本章程规定应当由股东大会决定的其他事项。
董事会职权董事会行使以下权利:(1)召集股东大会,并向股东大会报告工作;(2)执行股东大会的决议;(3)决定公司的经营计划和投资方案;(4)制订公司的年度财务预算方案、决算方案;(5)制订公司的利润分配方案和弥补亏损方案;(6)制订公司增加或者减少注册资本、发行债券或其他证券及上市方案;(7)拟订公司重大收购、收购本公司股票或者合并、分立、解散及变更公司形式的方案;(8)在股东大会授权范围内,决定公司对外投资、收购出售资产、资产抵押、对外担保、委托理财、关联交易等事项;(9)决定公司内部管理机构的设置;(10)聘任或者解聘公司总经理、董事会秘书;根据总经理的提名,聘任或者解聘公司副总经理、总会计师等高级管理人员,并决定其报酬事项和奖惩事项;(11)制订公司的基本管理制度;(12)制订本章程的修改方案;(13)管理公司信息披露事项;(14)向股东大会提请聘请或更换为公司审计的会计师事务所;(15)听取公司总经理的工作汇报并检查总经理的工作;(16)法律、行政法规部门规章或《公司章程》授予的其他职权。
工厂组织结构及岗位职责说明(多篇)第1篇:工厂组织架构图及岗位职责说明工厂组织架构图及岗位职责说明出纳理经总财务副总行政部副总经理业务品质生产部工程部资材部市场厂长采购物控生管部装组组试测组装包生产工程件工程软件工程硬仓料辅Q A 会计后售勤后保内前台总务仓品成仓库仓子电I Q C Q E I P Q C 组包材塑胶件电子料为了质量管理体系的有效运行规定组织内部各职能部门和各级人员的岗位职责目的1 2 和适任条件以便于对人力资源的管理、信息的交流、加强沟通、增进理解、协调行动。
适用于公司内对质量管理体系的管理层、各职能部门和各级有关人员的岗位质量适用范围权限的规定以及各岗位的适任条件。
职责、总经理及副总经理主持公司生产经营及职责3 协助副总经理及总经理完成整个生产系统的管理厂长管理工作对所承担的工作全面负责。
抓好生产技术管理组织制定和完善和生产技术方面的各项管理制度1.优化流程完善制度。
技术标准和操作规程并抓好落实提高生产技术管理水平全面完成公司下达的各项生产任务搞好生产调度指挥协调平衡好全厂的生产做到2.和技术经济指标定期向总经理汇报工作。
抓好安3..安全稳定长期经济运行。
对长期影响生产的薄弱环节和关键问题要组织技术攻关对生产中发生的各类事故要及时组织有关人员进行分析查清原全工作确保完全生产无事故。
抓好质量和产量工作严格工艺指标提高4.因分清责任拿出合理的处理意见定出防范措施。
抓好技术改造积极采用先进技术发动职工广提合理化建议和技术革新项6.优质合格品率。
主持开好生产调度会、专题会、和各种例会检查督促会议指令的落实情况经常深入7.目。
车间、岗位监督检查工作抓好车间内部管理落实好每月生产工作计划抓好车间成本核算和考依照制度对检查中发现的问题实施考核9.抓好工艺纪律和生产区的现场管理。
8.核工作。
.要求相关部门配合相关工作的权力11.生产系统员工聘任、解聘的建议权。
10.的权力。
工程部的工作职责.生产工程师售后维修上级主管总经理厂长。
生产技术类部门组织结构与责权1.4.1 生产部组织结构与责权部门生产部部门负责人 生产部经理直属领导生产总监 部门组织结构图部门编制经理级1人主管级6人视情况而定职责 1.负责生产计划的制订与组织执行工作 2.全面负责企业生产系统的安全、平稳运行 3.负责生产的调度管理,保证生产任务得到执行 4.负责生产的成本控制,提高企业经济效益5.负责统计、汇总企业各项生产数据,定期向企业高层提供生产信息 权力 1.有对生产计划的执行权2.有对生产过程进行监督与指挥的权力 3.有对生产资源的调度权 4.有对部门内部员工的考核权5.有对部门内部员工聘任、解聘的建议权相关说明编制人数 审核人员 批准人员 编制日期审核日期批准日期生产部经理计划统计主管车间主任 动力设备主管动力设备专员生产调度主管成本管理主管成本管理专员班组长 生产调度专员计划统计专员 统计员物料供应主管物料供应专员部门技术部部门负责人 技术部经理直属领导技术总监 部门组织结构图部门编制经理级1人主管级7人视情况而定职责 1.负责企业所有产品的设计与研发管理工作 2.负责组织企业研发新产品的测试管理工作 3.负责企业研发新产品的工艺流程的设计工作 4.负责企业产品的技术改进、质量改进与控制工作 5.负责企业产品定额的研究及相关技术资料的整理工作 权力 1.有对企业产品研发、技术立项及相关管理问题的建议权 2.有对企业研发、技术改造项目及工艺操作标准的审核权 3.有对新技术、新工艺推广的检查权 4.有对部门内部员工的考核权5.有对部门内部员工聘任、解聘的建议权相关说明编制人数 审核人员 批准人员 编制日期审核日期批准日期技术部经理测试主管定额主管 工艺技术主管工艺专员技术资料主管设计主管设计师技术质量主管技术质量专员研发主管资料员 测试专员 研发专员定额专员部门研发部部门负责人 研发部经理直属领导技术总监 部门组织结构图部门编制经理级1人主管级5人视情况而定职责 1.负责企业产品研发计划的制订与实施 2.负责新产品研发阶段的测试、中试管理工作3.负责收集国内外同行业新技术、新工艺的相关资料,并对其组织进行研究 4.负责新产品的立项与试销等工作5.负责产品研发过程资料的收集与管理工作 权力 1.有对新产品开发计划及方案的审核权 2.有对企业研发方向的建议权 3.有对研发过程的监督权 4.有对部门内部员工的考核权5.有对部门内部员工聘任、解聘的建议权相关说明编制人数 审核人员 批准人员 编制日期审核日期批准日期研发部经理技术研究主管中试研究主管中试研究员分析测试主管分析测试专员产品开发主管 产品开发专员技术档案主管技术研究员档案管理员 研发立项主管研发立项专员产品试销专员产品试销主管部门产品部部门负责人 产品部经理直属领导总经理 部门组织结构图部门编制经理级1人主管级5人视情况而定职责1.负责制定企业产品规划框架,做好产品规划工作2.负责产品开发的前期市场调研,收集产品市场信息及资料的研究工作 3.负责组织协调产品的研发、生产及市场推广等工作 4.负责组织拟订产品上市计划及上市的组织协调工作 5.负责产品品牌的管理及维护工作 权力1.有对产品开发战略决策的参与权 2.有要求其他相关部门配合的权力 3.有对产品管理的自主权 4.有对部门内部员工的考核权5.有对部门内部员工聘任、解聘的建议权相关说明编制人数 审核人员 批准人员 编制日期审核日期批准日期产品部经理市场策划主管 产品规划主管产品规划专员产品上市主管产品上市专员市场研究主管市场研究专员产品品牌主管 市场策划专员产品品牌专员部门设备部部门负责人 设备部经理直属领导生产总监 部门组织结构图部门编制经理级1人主管级5人视情况而定职责 1.负责设备采购计划的编制与实施工作 2.负责设备日常养护计划的编制与实施工作 3.负责设备日常检修与动力系统的维护工作 4.负责设备档案的管理工作5.负责设备采购、维修等管理费用的控制工作 权力 1.有对各种设备购置申请的审核权 2.有对各种设备使用过程的核查权 3.有对重点设备引进、改进的建议权 4.有对部门内部人员的合理调度权 5.有对部门内部人员的考核权相关说明编制人数 审核人员 批准人员 编制日期审核日期批准日期设备部经理设备采购主管设备维修主管设备维修专员设备养护主管设备养护专员设备档案主管设备采购专员档案管理员 设备动力主管 设备动力专员部门设计部部门负责人 设计部经理直属领导技术总监 部门组织结构图部门编制经理级1人主管级5人视情况而定职责 1.负责组织新产品设计方案的制定与实施工作 2.负责产品生产工艺的设计工作 3.负责设计进度与质量的控制工作 4.负责设计图纸的绘制与出图管理工作 5.负责设计资料、档案的管理工作 权力 1.有对产品设计方向选择的建议权 2.有开展设计工作的自主权 3.有对设计方案、设计路线的审核权 4.有对部门内部员工的考核权5.有对部门内部员工聘任、解聘的建议权相关说明编制人数 审核人员 批准人员 编制日期审核日期批准日期设计部经理档案主管产品设计主管产品设计专员工艺设计主管工艺设计专员制图主管制图员档案管理员 工装设计主管 工装设计专员部门装配部部门负责人 装配部经理直属领导生产总监 部门组织结构图部门编制经理级1人主管级4人视情况而定职责1.负责产品装配图纸、装配流程的设计工作 2.负责产成品的安装调试工作3.负责产品的组装工作 4.负责产成品的包装及清洁工作 5.负责产品包装的设计工作 权力1.有对产品包装设计方案的审核权 2.有对产品装配设计方案的审核权3.有开展部门内部工作的自主权 4.有对部门内部员工的考核权5.有对部门内部员工聘任、解聘的建议权相关说明编制人数 审核人员 批准人员 编制日期审核日期批准日期装配部经理包装主管装配设计主管装配设计专员装配调试主管装配调试专员组装主管组装工包装设计专员包装工1.4.8 质量管理部组织结构与责权部门质量管理部部门负责人质量管理部经理直属领导生产总监 部门组织结构图部门编制经理级1人主管级5人视情况而定职责 1.负责来料、制程、成品的检验管理工作 2.负责产品质量、质量成本的控制工作 3.负责产品质量改进的管理工作4.负责企业质量管理体系的推进与维护工作 5.负责与产品质量相关的其他工作 权力 1.有对产品质量的监管权2.对违反质量管理制度的行为,有提请处罚的权力 3.有对质量计划、质量改进方案的审核权 4.有对部门内部员工的考核权5.有对部门内部员工聘任、解聘的建议权 相关说明编制人数 审核人员 批准人员 编制日期审核日期批准日期质量管理部经理质量改进主管质量体系主管质量体系专员成本控制主管成本控制专员质量检验主管制程质检员质量控制主管质量改进专员质量控制专员 来料质检员成品质检员。
部门组织结构与责权表
外来人员入厂安全须知
本公司为加强安全管理,预防安全事故的发生,特规定外来人员的入厂须知如下:
1.未经准许、未接受安全教育者不准入厂;
2. 不准在厂区内吸烟,不准携带火种;
3. 严禁随意开启和动用各种机械设备。
4. 严禁随意动用消防设备、器材。
5. 严禁酒后进入作业场所;
6. 严禁在作业场所拨打或接听电话;
7. 厂区内车辆行驶时速不得超过5公里/小时;
8. 外来人员未经安全部允许不得在厂区内拍照;
9. 外来人员进入车间参观,必须由本厂专业人员陪同。
10. 外来施工单位或人员在进入厂区施工作业前必须要经本公司安全部培训、审核批准,并接受本公司安全管理人员的安全监督。
生产部职责生产部工作职责管理权限:受分管副总经理委托,行使对产品生产过程中的管理权限,并承担执行公司规章制度、管理规程及工作指令的义务。
管理职能:合理地组织公司产品生产过程、综合平衡生产能力、科学地制定和执行生产作业计划、加强安全生产教育、开展积极地调度工作,以实现用最小合理地投入达到最大产出之管理目的,对所承担的工作负责。
1、坚决服从分管副总经理的指挥,认真执行其工作指令,一切管理行为向主管领导负责。
2、严格执行公司规章制度,认真履行其工作职责。
3、组织生产、设备、安全、环保等制度拟订、检查、监督、控制及执行。
4、负责编制年、季、月度和作业、设备维修计划,及时组织实施、检查、协调、考核。
5、负责设计工厂的改造计划、设计工厂的产品布局和工序间的协调。
6、密切配合营销部门,确保订、定产品合同的履行。
7、配合组织审定技术管理标准,编制生产工艺流程,审核新产品开发方案,并组织试生产,不断提高产品的市场竞争力。
8、负责抓好生产安全教育,加强安全生产的控制、实施、严格执行安全法规、生产操作规程,即时监督检查,确保安全生产,杜绝重大火灾、设备、人身伤亡事故的发生。
9、负责组织生产现场管理工作,重视环境保护工作,抓好劳动防护管理和制订环保措施计划。
10、及时编制年、季、月度生产统计报表。
认真做好生产统计核算基础管理工作,重视原始记录、台账、统计报表管理工作,确保统计核算规范化、统计数据的正确性。
11、抓好生产统计分析报告编制。
定期进行生产统计分析、经济活动分析报告会,总结经验、找出存在的问题,提出改进工作的意见和建议,为公司领导决策提供专题分析报告或综合分析资料。
12、负责做好生产设备、计量器具维护检修工作。
结合生产任务,合理的安排生产设备、计量器具计划,确保设备维护保修所须的正常时间。
13、负责做好生产调度管理工作。
强化调度管理、严肃调度纪律,提高调度人员生产专业知识和业务管理水平,平衡综合生产能力,合理安排生产作业时间,平衡用电、节约能源。
工厂组织架构图及岗位职责说明工厂组织框架图及岗位职责说明业务业务经理行政部财务经理会计总经理出纳厂长市场资材部工程部生产部品质部生管物控采购辅料仓硬件工程软件工程生产工程包装组测试组组装组QAIQCIPQC电子仓仓库成品仓总务前台内保后勤售后1目的为了质量管理体系的有效运行,规定组织内部各职能部门和各级人员的岗位质量职责和适任条件,以便于对人力资源的管理、信息的交流、加强沟通、增进理解、协调行动。
2适用范围适用于公司内对质量管理体系的管理层、各职能部门和各级有关人员的岗位质量职责、权限的规定,以及各岗位的适任条件。
3职责总经理: 1.贯彻执行国家有关法律、法规和有关质量方面的方针政策; 2.主持制订公司质量方针和质量目标,对质量承诺并确保实施; 3.坚持满足顾客要求的重要观念,建立质量管理体系; 4.任命企业相关负责人,确定各级机构和人员并明确规定各级职责、权限和相互关系,确保组织内的沟通有效性; 5.负责定期组织管理评审、确保质量管理体系持续的适宜、充分和有效; 6.审批重大质量政策及质量改进决策;7.授权质管部质量管理人员独立行使对产品质量进行监视、测量和报告的职能和权限。
业务副总一、管理1、负责制订年度、月度营销目标计划;2、负责跟进目标计划的实施;3、负责营销实绩的管理,并督导所属文员进行统计、归类并存档;4、负责监督所属部门对于营销目标的执行情况,并制订月度营销实绩报告;二、市场信息管理1、负责市场调查及预测工作的实施,制订应对准备策略;2、负责做好交易往来客户名簿的登记管理制度,并指导实施;3、负责做好竞争对手调查名簿的登记管理制度,并指导实施;4、负责依据市场状况和公司发展宗旨,对本行业市场信息及营销进行整合;三、绩效管理1、根据营销目标计划,制订月度考核计划,并配合行政部进行考核的实施;2、负责制订本部门的岗位责任制,辅助提升全体营销人员的业务素质水平;3、负责按计划完成每月货款回笼;4、负责收集产品信息,不定期征求客户对产品质量要求和其他质量信息,并反馈给公司质检部;5、负责监控营销项目的实施,督导下属工作的高效达成;6、负责在本部门推行目标管理模式,以推动公司经营的发展;四、对外、公关管理1、负责制订营销外务公关的管理制度,并推行;2、负责根据市场状况,整合市场信息,并提出相关措施;3、负责加强完善经销商,监控各类合约的签订、建档工作;4、负责对大中型客户的沟通与管理,做好服务跟踪;五、其他管理1、参与或主持相关的工作会议;2、负责在本部门推行企业文化管理体制;3、负责处理营销杂务,并做好营销策略参谋;4、负责所属人员的考核考评工作的实施;财务副总1.根据国家财务制度和财经法规,结合公司实际情况,制定适用的财务管理办法。
企业各部门职责和权力篇一:企业各部门职责和权限部门职责和权限一、行政部部门职责(一)部门主要职责1、内外部关系协调、上下级关系协调,处理突发事件。
2、负责各种重要文件、资料、材料的起草、发送、上报和归档保管,公司报刊杂志、邮件的收发与管理。
负责公司印鉴、领导印鉴、介绍信管理,及公司的保密与信访工作。
3、负责文书档案的管理和各类会议的组织管理。
4、负责党委、工会的各项工作的开展。
5、负责员工思想动态的了解、收集和汇报。
6、负责公司车辆的安全行驶、维护、保养、维修和派车管理。
7、负责公司和公司领导的通讯工具的管理。
8、负责门卫管理。
9、负责办公用品的发放。
10、负责企业文化建设工作。
11、负责制定公司人事政策和制度,建设和运行人力资源各项管理体系,储备人力、计算人力成本,监督、审核、指导各主管和主办的工作。
12、负责制定公司部门和员工绩效考核政策与制度,监督、审核、指导各部门的绩效考核工作。
13、开发管理:组织实施企业人才招聘工作,安排、调配新员工;控制、协调;实施绩效管理,组织职称评定;管理劳动合同,调配在职员工。
包括:聘用管理、绩效管理、异动管理、档案管理、计算开发成本等。
负责公司定岗定员的制定审核工作。
14、培训管理:预算培训经费,组织实施员工培训及专业技术人员培训的管理工作;审批员工继续教育、送外培训;接待外单位的培训、实习人员。
包括:组织培训、内部培训、培训效果管理、绩效管理、信息管理、培训成本等。
15、编制薪酬计划,提出薪酬控制方案。
16、福利管理:统筹员工保险方案;审批员工假别;监督管理劳动纪律,处理劳动争议,监督管理再就业服务中心和劳务市场。
包括:社会统筹、企业福利、劳动保护、福利成本、员工奖惩、日常事务等。
17、企业管理:负责企业战略规划及相关信息整理,对公司领导决策提供信息支撑;对企业各相关部门有监察、审计的职能。
18、负责公司各类文件、记录、合同和资料的归档管理。
19、负责公司的商标注册、管理、维权、转证等一系列工作。
目录第一章:生产部组织结构与责权第一节:生产部组织结构图第二节:生产部管理机构岗位责权1、生产计划管理机构的职责2、生产质量管理机构的职责3、生产计划管理机构的权力4、生产质量管理机构的权力第二章生产计划管理第一节:生产计划主管岗位职责第二节:生产计划专员岗位职责第三节:年度生产计划编制流程第四节:企业生产计划安排流程第五节:企业生产计划接单流程第三章生产车间管理第一节车间管理岗位职责一、生产部经理岗位职责二、车间主任岗位职责三、车间班组长岗位职责四、调度员岗位职责五、统计主管岗位职责六、生产部内勤岗位责任制七、预剥皮操作员岗位责任制八、红内脏操作员岗位责任制九、白内脏操作员岗位责任制十、带骨分割人员岗位责任制十一、吊挂剔骨员岗位责任制十二、去骨修肉人员岗位责任制十三、带骨修割人员岗位责任制十四、肉板、肉卷人员岗位责任制十五、一包组人员岗位责任制十六、入库组人员岗位责任制十七、冷库搬运人员岗位责任制十八、二次包装人员岗位责任制十九、卫生清扫员岗位责任制二十、洗衣员岗位责任制二十一、生产技术主管岗位职责第二节车间管理制度一、车间员工管理条例二、车间卫生管理条例三、员工考核管理制度四、车间生产管理制度第三节车间管理表格一、车间生产计划总表二、各车间生产统计表三、绩效考核表第四节车间管理流程一、生产车间计划管理流程二、车间生产目标管理流程三、车间生产调度管理流程四、生产车间进度控制流程五、班组生产任务安排流程第五节车间管理方案一、车间管理人员考核方案三、车间管理人员考核细则第四章生产质量管理第一节:生产车间质量管理岗位职责一、质量主任岗位职责二、质检员岗位职责第二节:质量管理制度一、质量日常检查制度二、不合格品管理办法三、质量管理培训制度四、全面质量管理提案制度第三节:质量管理表格一、过程检查记录表二、产品质量抽检记录表三、不合格品记录表四、不合格品处理记录表五、不合格产品退货统计表第四节:质量管理流程一、产品质量管理流程二、生产过程检验流程三、成品检验管理流程四、质量改进管理流程五、生产部与各部门之间手续传递流程第五节:质量管理方案第五章车间现场管理第一节:生产车间现场管理制度第二节:生产车间现场管理表格第三节:生产车间现场管理流程第四节:生产车间现场管理方案第一章生产部组织结构与责权一、生产部组织结构图二、生产部岗位职责1、生产计划管理机构的职责2、生产质量管理机构的职责3、生产计划管理机构的权力4、生产质量管理机构的权力第二章生产计划管理一、生产计划主管岗位职责统计主管岗位职责三、年度生产计划编制流程四、企业生产计划安排流程五、企业生产计划接单流程第三章生产车间管理第一节车间管理岗位职责一、生产部经理岗位职责二、车间主任岗位职责四、调度员岗位职责五、生产部内勤岗位责任制六、预剥皮操作员岗位责任制九、带骨分割人员岗位责任特制定此《条第1第2第3第4第5)。
安徽旗翔新能源有限公司现行组织机构图如下:(附部门职能说明书)(1)股东大会(2)董事会(3)监事(4)董事会秘书(5)测试部(6)软件部(7)硬件部(8)结构设计部(9)销售部(10)技术支持部(11)生产部(12)仓储部(13)品保部(14)财务部(15)采购部(16)人力资源部(17)行政部股东大会责权根据《公司章程》,股东大会是公司的权力机构,依法行使下列职权:(1)决定公司的经营方针和投资计划;(2)选举和更换董事和非由职工代表担任的监事,决定有关董事、监事的报酬事项;(3)审议批准董事会报告;(4)审议批准公司的年度财务预算方案、决算方案;(5)审议批准公司的利润分配方案和弥补亏损方案;(6)对公司增加或者减少注册资本作出决议;(7)对发行公司债券作出决议;(8)对公司合并、分立、解散、清算或者变更公司形式作出决议;(9)修改本章程;(10)对公司聘用、解聘会计师事务所作出决议;(11)审议公司在一年内购买、出售重大资产超过公司最近一期经审计总资产30%的事项;(12)审议批准变更募集资金用途事项;(13)审议股权激励计划;(14)审议法律、行政法规、部门规章或本章程规定应当由股东大会决定的其他事项。
董事会职权董事会行使以下权利:(1)召集股东大会,并向股东大会报告工作;(2)执行股东大会的决议;(3)决定公司的经营计划和投资方案;(4)制订公司的年度财务预算方案、决算方案;(5)制订公司的利润分配方案和弥补亏损方案;(6)制订公司增加或者减少注册资本、发行债券或其他证券及上市方案;(7)拟订公司重大收购、收购本公司股票或者合并、分立、解散及变更公司形式的方案;(8)在股东大会授权范围内,决定公司对外投资、收购出售资产、资产抵押、对外担保、委托理财、关联交易等事项;(9)决定公司内部管理机构的设置;(10)聘任或者解聘公司总经理、董事会秘书;根据总经理的提名,聘任或者解聘公司副总经理、总会计师等高级管理人员,并决定其报酬事项和奖惩事项;(11)制订公司的基本管理制度;(12)制订本章程的修改方案;(13)管理公司信息披露事项;(14)向股东大会提请聘请或更换为公司审计的会计师事务所;(15)听取公司总经理的工作汇报并检查总经理的工作;(16)法律、行政法规部门规章或《公司章程》授予的其他职权。
企业各部门主管责权范围一,生产部直接上级:公司分管生产副总直接下级:各车间主任主要负责公司制板车间、发泡修件车间、盖板车间、粉碎造粒车间、机修班的日常生产管理与生产统筹安排。
直接领导各车间主任、主管。
权利范围:A,行政权力范围1、有权提请公司人事部门任免、录用、辞退生产部下属车间主任。
2、有权通过车间主任提议,直接决定任免车间班组长。
3、有权根据生产部试用期员工表现向公司人事部门提出提前转正、申请延续试用期及辞退建议。
4、有权对生产部下属根据其表现结合公司各项奖惩制度,进行相应奖励与处罚决定,并报公司人事行政管理负责人审批执行。
5、有权根据生产实际情况结合公司规章制度,审批本部门员工事假时限。
B,业务权利范围1、有权根据公司及销售部门计划安排,调度生产部各车间进行材料领用及开机生产。
2、有权根据公司实际生产情况,调动公司内物流车辆,进行公司内部的材料、半成品的周转。
3、有权根据公司实际生产情况,申请供销部门增减外购生产所需材料。
4、有权根据公司实际生产情况,申请公司相关部门讨论增减操作岗位定额员工数量。
5、有权参与公司新产品定价及新产品员工计件工资定额制定讨论。
6、有权向公司提出生产合理化建议,以提高公司生产效率,降低公司生产成本。
责任范围:1、对生产部日常行政工作负责2、对安排组织公司正常生产任务,并保证生产产量与生产产品质量负责。
3、对掌握生产执行情况,保证公司正常生产交收、发放负责。
4、对生产部规章制度的建立、完善和推行负责。
5、对生产部下属各车间生产现场管理、工位器具管理和定置管理负责。
6、对生产部应推行的行业标准(TS16949)要求的程序推行负责。
7、对本部门与公司其他各部门之间协调、沟通、配合负责。
8、对本部门新进员工及技术操作人员的生产培训,以增强公司生产人员能力负责。
二,质量部直接上级:公司分管质量工作副总直接下级:质检员主要负责公司质量部的日常生产管理,领导本部门员工对公司产品进行质量检验。
部门责权体系1.销售部责权体系1.1部门架构1.2部门职责1. 负责拟定公司的营销治理制度,并组织落实;2. 负责进行市场调研,收集、统计、分析市场信息和销售情况,作出市场猜测,拟订年度销售谋划,依据销售猜测制定公司年度、月度生产谋划;3. 制定销售方案,并组织实施;执行各项市场推进谋划,并治理销售活动的过程及结果;4. 负责开展广告编辑,广告宣传;5. 负责市场开发,做好营销网络的建设;6. 主持公司各类产品的市场定位和价格决策;7.开发、选择与评估经销商;8. 跟踪销售合同执行过程,及时催收货款;9. 建立客户关系治理制度,处理用户投诉事宜;10. 建立要紧竞争对手、重点客户的档案;11. 提出新产品开发方向建议,编写相关分析报告;12. 负责营销团队建设及营销队伍的治理;13. 负责完成上级交办的其他工作事项。
1.3部门权限1. 有权制定年度营销谋划和月度销售谋划;2. 有权制定营销编辑方案;3. 有权制定促销方案; 销售部经理 南方市场大区经理 办事处经理 销售内勤 北方市场大区经理 区域经理业务员4. 有权选择经销商;5. 有权签订销售合同;6. 有权对产品价格的制定提出建议;7. 有权开展广告编辑和宣传;8. 有权使用部门预算内资金;9. 上级授予的其他权利。
2.生产部责权体系2.1部门架构2.2部门职责 1. 负责拟定生产治理制度、设备治理制度、正常生产治理制度,并组织落实;2. 定期盘点各分厂机器设备。
3. 依据公司整体年度经营目标制定各分厂季度、月度生产谋划;4. 负责建立生产过程本钱操纵体系;5. 负责分厂间的生产调度;6. 公司的生产预算操纵与治理;7. 对各分厂的日产量及原辅料、成品、包装等进行统计,编制日报表;8. 收集各分厂的生产统计报表,并编制汇总;9. 负责完成上级交办的其他工作事项。
2.3部门权限1. 有权制定生产谋划和生产作业谋划;2. 有权对各分厂下达生产任务;3. 上级授予的其他权利。
生产企业部门设置与职责一、部门名称:董事会(长)主要职责:1.决定公司的发展战略、规划、经营方针、计划和投资方案;2.制订公司的年度财务预算方案、决算方案;3.制定公司的利润分配方案和弥补亏损方案;4.制订公司增加或减少注册资本的方案以及发行公司债券的方案;5.决定公司重要资产的抵押、出租、发包和转让;6.拟订公司合并、分立、解散的方案;7.决定公司内部管理机构的设置、调整;8.聘任或解聘公司经理,根据经理的提名,聘任或解聘公司副经理、财务负责人,决定其报酬事项;9.制订公司章程修改方案;10.提出公司的破产申请;11.制定公司的基本管理制度;12.负责公司其他重大事项及方案的讨论、研究;二、部门名称:总经理直接上级:总经理办公会;直接下级:副总经理;管理权限:行使公司经营和发展的指挥权,主持公司的全盘工作责任范围:承担执行公司各项目标实现的责任主要岗位职责:1.坚持四项基本原则,认真贯彻执行党和政府的方针、政策、法令及规定、公司董事会等上级行政部门的指示、决议,领导整个公司的职工搞好各项工作。
2.总经理全面主持公司的行政工作,组织制定公司的机构设置和人员编制;向董事会提请聘任或者解聘公司副总经理、财务负责人;聘任或者解聘除应由董事会聘任或者解聘以外的负责管理人员。
对公司发生的重大事情进行奖惩。
3.总经理的岗位职责要求确定公司的发展方向和管理目标,组织制订公司的发展规划、年度工作计划,积极努力完成学院和董事会下达的各类任务。
4.总经理主持召开经理办公会议、中层干部会议;协调各行政机构的工作,发挥各职能部门的作用。
5.总经理负责组织制订和健全公司各项规章制度,积极进行各项改革,推行岗位责任制,不断全面提高公司管理水平。
6.总经理带领职工进一步推进后勤服务社会化改革,公司立足校园,面向社会,开拓创新,不断发展壮大。
7.总经理的职责还有加强公司职工队伍、干部队伍的建设,不断提高各类人员的政治素质和业务素质。
文件制修订记录★组织结构及质量体系图组织结构:★组织机构职责和权限(1)总经理a) 贯彻上级质量政策、法律法规,贯彻“质量第一”的思想。
b) 制定发布公司的质量方针、目标和质量规划。
c)按照国家质检总局的要求,结合公司的实际情况,组织建立公司文件化的质量体系,并批准、组织其实施,保持其有效性。
组织提供保证质量体系运行的充足的资源,建立与质量体系相适应的组织机构,规定其职责、权限和接口方法,及时正确的进行质量方面的决策,决定重大奖惩事宜。
d) 合理配置和调动企业的资源,规定各类人员的资格。
e)按一定时间间隔对质量体系进行评审。
监督质量体系的运行情况,检查监督指导体系运行,组织质量体系内审,制止和纠正不符合规定的行为,以备评审和体系改进的基础。
任命并领导具有资格的审核人员。
f)负责公司质量体系的有关事宜与外部各方的联络工作,代表公司对外提供质量保证。
⑵品管部a) 认真贯彻执行国家关于质量工作的方针政策、法律法规,做好企业管理及发展规划参谋,抓好企业的重量卫生管理工作,拟订工作计划,树立良好的企业形象,协助搞好卫生重量评审,明确各级人员的职责分工,负责组织协调、指导检查和考核各部门质量体系的运行,负责质量文件和质量记录的管理工作。
b)组织质量手册和质量体系文件的编写,并协调质量文件与各科室的接口工作。
c)协助经理按计划对各部门进行内部质量审核,督促有关部门对不合格项进行整改,并验证整改效果,及时向经理传递质量审核信息,为管理评审提供依据。
d)随时对各部门的质量体系各方面进行审核。
协助公司领导召开质量会议。
并协同各部门对出现的质量问题进行评审和处置。
e)搜集整理有关新行业、新产品等外部质量信息,并及时反馈内部质量信息,经汇总和分析,确定技术攻关课题。
在经理的领导下,负责新产品的设计开发和现有产品技术的不断改进。
针对产品现状和需要,进行质量策划,编制质量计划,做好产品技术攻关和技术革新项目鉴定,集中开发新行业新产品。
更新家具组织构架与责权GXZQ – 01 / 修订1 / 50董事长营销中心 (总经理)生产中心 (副总)行政中心 常务副总市场部(副总) 政府、商务综合部 (经理)助理生产技术部(总监)品管部 (经理)行政部 (经理)助理人事专员 (兼培训)行政专员 兼网管档前台 后勤 司机 机电 保安 保洁品管员工序主管 (员工)营销 业务员品牌研发部 (经理)OEM 专员工程部 主管物流部 主管下单 跟单员售后 专员八一门市 (经理)外贸部 (经理)采购中心 (经理)物控 (专员)材料库 (主管)财务中心 (总监)财务部 (经理)审计会计员 出纳员 核算员原辅材料 (库管)半成品 (库管)绩考 专员产品外观标书设计产品结构 设计(1)产品 安装工运输 驾驶员成品库 (主管)产品结构 设计(2)成品 库管员说明:此组织构架图,是依据公司产、销分离管理思路设计,其中营销、生产、采购三部门自成体系独立核算,互为客户关系;财务、行政为总体服务机构。
GXZQ – 01 / 修订1总经办组织构架与责权部门总经办部门负责人 董事长直属领导 董事会 构架图部门编制董事长 1人 董事长助理1人副总经理 4人职责 (KPI )1.召集股东大会,并向股东大会汇报董事工作2.负责执行股东大会各项决议及监督公司管理层的日常经营活动3.负责审议公司管理层提交的各项经营计划、发展规划、投资方案等文件4.负责拟订公司形式的调整、分立、变革、合并及设立分支机构等方案5.决定公司内部管理机构的设置及高层管理人员的聘任和解聘,并决定薪酬等事项权利1.有对公司内部日常经营管理的决策权2.有对企业业务执行情况的监督权3.有对外代表企业的权利4.有对各项经营计划、规划的审批权5.有对高级管理人员的任免权相关说明 具体工作详见“董事长职位说明书”编制人数 6 审核人员 邢大鹏 批准人员 编制日期 20120401审核日期20120401批准日期董事长营销副总 生产副总 财务总监 助理常务副总GXZQ – 01 /修订1.1董事长助理责权部门总经办部门负责人助理直属领导董事长构架图部门编制董事长助理1人职责(KPI)1.2.3.4.5.权利1.2.3.4.5.相关说明编制人数 1 审核人员邢大鹏批准人员编制日期20120401 审核日期20120401 批准日期董事长助理GXZQ – 01 / 修订2营销中心组织构架与责权部门营销中心部门负责人 总经理 直属领导 董事长 构架图部门编制总经理 1人 助理 1人副总级 视规模确定职责(KPI )1. 2.3. 4. 5. 权利1. 2.3. 4. 5.相关说明编制人数 审核人员 批准人员 编制日期审核日期批准日期总经理营销一部 营销二部 营销三部 助理营销N 部。
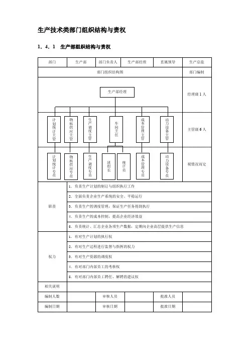
生产部组织结构与责权
部门 生产部 部门负责人
生产部经理 直属领导 生产总监 部门组织结构图
部门编制
经理级1人
1 •负责生产计划的制订与组织执行工作
2 •全面负责企业生产系统的安全、平稳运行
职责 3 •负责生产的调度管理,保证生产任务得到执行
4 .负责生产的成本控制,提高企业经济效益
5 •负责统计、汇总企业各项生产数据,定期向企业高层提供生产信息 1 •有对生产计划的执行权 2 •有对生产过程进行监督与指挥的权力
权力 3 •有对生产资源的调度权
4•有对部门内部员工的考核权 5 •有对部门内部员工聘任、解聘的建议权
编制人数
审核人员 批准人员
编制日期
审核日期 批准日期
生产部经理
计
划统
计
主管
计
划统
计
专员
主管级
视情况而定。