锅炉型号代号的意义解释
- 格式:doc
- 大小:52.00 KB
- 文档页数:4
燃煤、燃油、燃气、生物持锅炉型号豫园锅炉现有:(一)型号:锅炉号由三部分组成,各部分之间用短横线相连,如下面式样表示:型号的第一部分表示锅炉和燃烧设备的型式及锅炉容量,共分三段。
第一段用两个汉语拼音字母代表锅炉整体型式;第二段用一汉语拼音字母代表燃烧设备;第三段用阿拉伯数字表示蒸汽锅炉额定蒸发量t/h或热水锅炉额定热功率MW。
型号的第二部介质参数,共分两段(热水锅炉分三段),中间用斜线相连。
第一段表示客定蒸汽压力或允许工作压力;第二段表示过热蒸汽温度(蒸汽温度为饱和温度时不表示);热水锅炉第二段和第三段表示出水温度和进水温度。
型号的第三部分表示燃料种类,用汉语拼音字母代表,同时用罗马字母代表燃料品种分类。
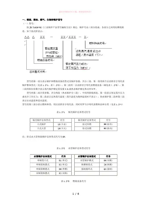
锅壳锅炉总体型式代号锅壳锅炉总体型式代号锅壳锅炉总体型式代号立式锅炉LS(立水)卧式外燃WW(卧外)立式火管LH(立火)卧式内燃WN(卧内)注:卧式水火管快装锅炉总体型式代号为DN。
水管锅炉总体型式代号水管锅炉总体型式代号水管锅炉总体型式代号单锅筒立式DL(单式)双管锅炉横式SH(双横)单锅筒纵置式DZ(单式)纵横锅筒式ZH(纵横)单锅筒横置式DH(单横)强制循环式QX(强制)双锅筒纵置式SZ(双纵)燃烧设备代号燃烧设备代号燃烧设备代号固定炉排G(固)抛煤机P(抛)固定双层炉排C(层)振动炉排Z(振)活动手摇炉排H(活)下饲炉排A(下)链条炉排L(链)沸腾炉F(沸)往复炉排W(往)室燃炉S(室)注:煤粉炉和燃油燃气锅炉属室燃炉,烯烧设备代号为S。
燃料品种代号燃料品种代号燃料品种代号燃料品种代号Ⅰ类劣质煤LⅠⅠ类烟煤AⅠ型煤XⅡ类劣质煤LⅡⅡ类烟煤AⅡ木材MⅠ类无烟煤WⅠⅢ类烟煤AⅢ稻糠DⅡ类无烟煤WⅠ褐煤H甘蔗渣GⅢ类无烟煤WⅡ贫煤P柴油YC重油YZ焦炉煤气QJ油母页岩YM天燃气QT液化石油气QY其他燃料T注:①小型燃油燃气锅炉一般适用多种燃料,故燃料代号通常均写成Y或Q;②在锅炉型号表示方法中,对常压热水锅炉,只须在型式代号之前加上常压代号C,并取消允许工作压力,其他表示方法不变。
锅炉型号和参数的具体含义
在日常监察工作中,经常会碰到锅炉的检查,也曾经被各种各样的型号弄得头晕脑涨的,为此特地在网上搜集了些锅炉的资料,供大家分享:
目前市面上的工业锅炉分为三大类;蒸汽锅炉、热水锅炉、有机热载体炉。
一、蒸汽锅炉型号由三部分组成,各部分之间由短横线相连
注释:1—锅炉型式 2—燃烧方式 3—额定蒸发量(t/h)
4—额定蒸汽压力 5—过热蒸汽温度 6—燃料种类
二、热水锅炉型号由三部分组成,各部分之间由短横线相连
注释:1—锅炉型式 2—燃烧方式 3—额定热功率(MW)
4—允许工作压力(MPa) 5—出/进水水温 6—燃料种类
其中锅炉形式的代号
其中燃烧方式的代号
其中燃烧种类的代号(一)
其中燃烧种类代号(二)
三、有机热载体炉分为液相炉和气相炉,型号由二部分组成,各部分之间由短横线相连
注释:1—炉型号代号 2—燃烧设备代号 3—炉体安置型式代号
4—额定热功率(KW) 5—燃料代号
其中炉型号代号
其中燃烧设备代号
其中炉体安置型式代号。
锅炉型号代号的意义解释工业锅炉分为四大类;蒸汽锅炉、热水锅炉、汽水两用型、有机热载体导热油炉。
蒸汽锅炉按燃烧介质的不同分为燃煤蒸汽锅炉,燃油蒸汽锅炉,电加热蒸汽锅炉及其它;热水锅炉按燃烧介质分为燃煤热水锅炉,燃油热水锅炉,电热水锅炉及其它。
注释:1—锅炉型式;2—燃烧方式;3—额定蒸发量(t/h);4—额定蒸汽压力;5—过热蒸汽温度;6—燃料种类举例。
DZL4-1.25-193-AII代表卧式快装燃煤蒸汽锅炉,DZ代表锅炉型式-单筒纵置式,L代表机械链条炉排,其额定蒸发量4t/h,额定工作压力1.25Mpa,饱和蒸汽温度193℃,A||代表二类烟煤为燃烧介质。
注释:1—锅炉型式;2—燃烧方式;3—额定热功率(MW);4—允许工作压力;5—出/进水水温;6—燃料种类。
举例CLSG0.7-95/70-AII代表立式常压燃煤热水锅炉,C代表常压,LS代表锅炉型式-立式水管型,G代表固定炉排,其额定功率是0.7Mw,出进水温度分别是95-70℃,AII代表燃烧介质是||类烟煤。
注释:1—炉型号代号;2—燃烧设备代号;3—炉体安置型式代号;4—额定热功率(KW);5—燃料代号。
举例YGL-1400代表立式有机热载体导热油炉其功率是1400Kw/h(相当于120x104Kcal/h,也叫120万大卡每小时)。
[炉型号代号分为液相炉(Y)、气相炉(Q)。
燃烧设备代号分为油燃烧器(Y)、气燃烧器(Q)、链条L及其它G。
燃烧种类代号六、锅炉比如:LSG0.5-0.4-170-AII含义是立式水管燃煤蒸汽锅炉,炉排固定,每小时蒸发量0.5T,额定蒸汽压力0.4Mpa,额定蒸汽温度170℃,燃烧介质二类烟煤。
一、燃煤、燃油、燃气、生物持锅炉型号(一)型号:按JB/T1626-92《工业锅炉产品型号编制方法》规定,锅炉号由三部分组成,各部分之间用短横线相连,如下面式样表示:型号的第一部分表示锅炉和燃烧设备的型式及锅炉容量,共分三段。
一、燃煤、燃油、燃气、生物持锅炉型号(一)型号:按JB/T1626-92《工业锅炉产品型号编制方法》规定,锅炉号由三部分组成,各部分之间用短横线相连,如下面式样表示:型号的第一部分表示锅炉和燃烧设备的型式及锅炉容量,共分三段。
第一段用两个汉语拼音字母代表锅炉整体型式(见表1.2-1、表1.2-2);第二段用一汉语拼音字母代表燃烧设备(邮包表1.2-3);第三段用阿拉伯数字表示蒸汽锅炉额定蒸发量t/h或热水锅炉额定热功率MW。
型号的第二部介质参数,共分两段(热水锅炉分三段),中间用斜线相连。
第一段表示客定蒸汽压力或允许工作压力;第二段表示过热蒸汽温度(蒸汽温度为饱和温度时不表示);热水锅炉第二段和第三段表示出水温度和进水温度。
型号的第三部分表示燃料种类,用汉语拼音字母代表,同时用罗马字母代表燃料品种分类(见表1.2-4)表1.2-1 锅壳锅炉总体型式代号注:卧式水火管快装锅炉总体型式代号为DN,表1.2-2 水管锅炉总体型式代号表1.2-3 燃烧设备代号注:煤粉炉和燃油燃气锅炉属室燃炉,烯烧设备代号为S。
表1.2-4 燃料品种代号注:①小型燃油燃气锅炉一般适用多种燃料,故燃料代号通常均写成Y或Q②在锅炉型号表示方法中,对常压热水锅炉,只须在型式代号之前加上常压代号C,并取消允许工作压力,其他表示方法不变。
(二)型号举例(见表1.2-5)表1.2-5 型号举例对于国外进口的锅炉,各国型号不一样,没有统一规定,可根据其产品样本、图纸资料、产品质量证明书等识别。
锅炉产品系列备注锅炉命名规则JB/T1626-2002燃烧设备代号燃料种类代号固定炉排GⅠ类烟煤AⅠ固定双层炉排CⅡ类烟煤AⅡ链条炉排L油Y室燃炉S气Q锅炉类别锅炉本体型式代号锅壳锅炉立式水管LS立式火管LH常压立式水管CSL水管锅炉单锅筒立式DZ余热锅炉命名规则JB/T9560-1999余热载体类别余热载体量名称代号单位名称单位气体Q(气)千立方米每小时×103m3/h1)液体Y(液)吨每小时t/h固体G(固)吨每小时t/h烟气分类特性代号含尘类C(尘)腐蚀类F(腐)粘结类Z(粘)注: 补燃代号以字母B表示电站锅炉产品型号编制方法JB/T 1617-1999 (代替JB1617-75)1.范围本标准规定了锅炉产品型号的编制方法。
锅炉型号代表的意思引言:在现代工业中,锅炉是一种重要的热能设备,用于产生蒸汽或热水,以供应工业生产或居民生活的热能需求。
不同型号的锅炉在设计和功能上有所不同,每个型号都代表着特定的意义和特点。
本文将探讨几种常见的锅炉型号,并解释它们代表的意义和特征。
一、WNS型燃气锅炉WNS型燃气锅炉是一种广泛应用于工业和民用领域的锅炉。
WNS代表“稳定燃烧、有效供热、安全可靠”。
这种锅炉采用燃气作为燃料,具有高热效率、低排放和自动控制等优点。
它的设计非常紧凑,适合安装在有限空间内。
WNS型燃气锅炉的最大特点是燃烧稳定,能够保持恒定的供热水平,确保生产或生活的连续性。
二、SZL型煤炭锅炉SZL型煤炭锅炉是一种适用于煤炭燃烧的锅炉。
SZL代表“层流燃烧,循环式供热,快速启动”的特点。
这种锅炉采用双筒水管结构,可以快速启动和停止,并且在工作过程中燃烧效率高,热效率佳。
SZL型煤炭锅炉适用于工业领域中需要大量蒸汽供应的场合,如纺织、化工和食品加工厂。
三、DZL型生物质锅炉DZL型生物质锅炉是一种利用生物质作为燃料的锅炉。
DZL代表“定热值燃烧、直立布置、链条炉排”的特点。
生物质锅炉可以利用农作物秸秆、木屑、麻杆等可再生能源,实现绿色环保的供热方式。
DZL型生物质锅炉具有使用方便、燃烧效率高等特点,因此在可再生能源发展的背景下,受到越来越多的关注。
四、YGW型导热油锅炉YGW型导热油锅炉是一种使用导热油作为传热介质的锅炉。
YGW代表“油管加热、高温工作、全自动控制”的特点。
导热油锅炉具有传热效果好、温度控制准确等优点,适用于各种需求较高的工业过程。
由于导热油的热稳定性较好,所以YGW型导热油锅炉在高温工作条件下具有较高的稳定性和可靠性。
五、YQW型燃油/燃气导热油锅炉YQW型燃油/燃气导热油锅炉是一种同时适用于燃油和燃气作为燃料的导热油锅炉。
YQW代表“油/气管加热、高效能、全自动控制”的特点。
这种锅炉适用于需要在燃料不足或无法使用某种燃料时进行切换的场合。
锅炉行业为了便于行业内部锅炉规格表达统计和书写方便,人为制定一些字母、特殊符号进行组合,表示特定的锅炉类别,以此区分蒸汽锅炉、热水锅炉、导热油炉等系列,锅炉型号代号解释如下:
一、蒸汽锅炉型号解释:
注释:1—锅炉型式;2—燃烧方式;3—额定蒸发量(t/h);4—额定蒸汽压力;5—过热蒸汽温度;6—燃料种类;举例DZL4-1.25-193-AII代表卧式快装燃煤蒸汽锅炉,DZ代表锅炉型式-单筒纵置式,L代表机械链条炉排,其额定蒸发量4t/h,额定工作压力1.25Mpa,饱和蒸汽温度193℃,AII代表二类烟煤为燃烧介质
二、热水锅炉型号解释:
注释:1—锅炉型式;2—燃烧方式;3—额定热功率(MW);4—允许工作压力;5—出/进水水温,6—燃料种类;举例CLSG0.7-95/70-AII代表立式常压燃煤热水锅炉,C代表常压,LS代表锅炉型式-立式水管型,G代表固定炉排,其额定功率是0.7Mw,出进水温度分别是95-70℃,AII代表燃烧介质是II类烟煤。
三、有机热载体炉型号解释:
注释:1—炉型号代号;2—燃烧设备代号;3—炉体安置型式代号;4—额定热功率(KW);5—燃料代号;举例YGL-1400代表立式有机热载体导热油炉其功率是1400Kw/h(相当于
120x104Kcal/h,也叫120万大卡每小时)。
[炉型号代号分为液相炉(Y)、气相炉(Q)。
燃烧设备代号分为油燃烧器(Y)、气燃烧器(Q)、链条L及其它G,]
四、锅炉型式代号
六、锅炉燃烧种类代号
燃烧种类代号(二)
比如:LSG0.5-0.4-170-AII含义是立式水管燃煤蒸汽锅炉,炉排固定,每小时蒸发量0.5T,额定蒸汽压力0.4Mpa,额定蒸汽温度170℃,燃烧介质二类烟煤。
一、燃煤、燃油、燃气、生物持锅炉型号(一)型号:按JB/T1626-92《工业锅炉产品型号编制方法》规定,锅炉号由三部分组成,各部分之间用短横线相连,如下面式样表示:型号的第一部分表示锅炉和燃烧设备的型式及锅炉容量,共分三段。
第一段用两个汉语拼音字母代表锅炉整体型式(见表1.2-1、表1.2-2);第二段用一汉语拼音字母代表燃烧设备(邮包表1.2-3);第三段用阿拉伯数字表示蒸汽锅炉额定蒸发量t/h或热水锅炉额定热功率MW。
型号的第二部介质参数,共分两段(热水锅炉分三段),中间用斜线相连。
第一段表示客定蒸汽压力或允许工作压力;第二段表示过热蒸汽温度(蒸汽温度为饱和温度时不表示);热水锅炉第二段和第三段表示出水温度和进水温度。
型号的第三部分表示燃料种类,用汉语拼音字母代表,同时用罗马字母代表燃料品种分类(见表1.2-4)表1.2-1 锅壳锅炉总体型式代号锅壳锅炉总体型式代号锅壳锅炉总体型式代号立式锅炉LS(立水) 卧式外燃WW(卧外)立式火管LH(立火) 卧式内燃WN(卧内)注:卧式水火管快装锅炉总体型式代号为DN,表1.2-2 水管锅炉总体型式代号水管锅炉总体型式代号水管锅炉总体型式代号单锅筒立式DL(单式) 双管锅炉横式SH(双横)单锅筒纵置式DZ(单式) 纵横锅筒式ZH(纵横)单锅筒横置式DH(单横) 强制循环式QX(强制)双锅筒纵置式SZ(双纵)表1.2-3 燃烧设备代号注:煤粉炉和燃油燃气锅炉属室燃炉,烯烧设备代号为S。
表1.2-4 燃料品种代号注:①小型燃油燃气锅炉一般适用多种燃料,故燃料代号通常均写成Y或Q②在锅炉型号表示方法中,对常压热水锅炉,只须在型式代号之前加上常压代号C,并取消允许工作压力,其他表示方法不变。
(二)型号举例(见表1.2-5)表1.2-5 型号举例对于国外进口的锅炉,各国型号不一样,没有统一规定,可根据其产品样本、图纸资料、产品质量证明书等识别。
锅炉产品系列-0.04-AⅡ-0.4-WIIY1-0.3-0.5备注锅炉命名规则JB/T1626-2002燃烧设备代号燃料种类代号固定炉排GⅠ类烟煤AⅠ固定双层炉排CⅡ类烟煤AⅡ链条炉排L油Y室燃炉S气Q锅炉类别锅炉本体型式代号锅壳锅炉立式水管LS立式火管LH常压立式水管CSL水管锅炉单锅筒立式DZ余热锅炉命名规则JB/T9560-1999余热载体类别余热载体量名称代号单位名称单位气体Q(气)千立方米每小时×103m3/h1)液体Y(液)吨每小时t/h固体G(固)吨每小时t/h烟气分类特性代号含尘类C(尘)腐蚀类F(腐)粘结类Z(粘)注: 补燃代号以字母B表示电站锅炉产品型号编制方法JB/T 1617-1999 (代替JB1617-75)1.范围本标准规定了锅炉产品型号的编制方法。
一.燃煤.燃油.燃气.生物持锅炉型号【2 】(一)型号:按JB/T162692《工业锅炉产品型号编制办法》划定,锅炉号由三部分构成,各部分之间用短横线相连,如下面式样表示:型号的第一部分表示锅炉和燃烧装备的型式及锅炉容量,共分三段.第一段用两个汉语拼音字母代表锅炉整体型式(见表1.21.表1.22);第二段用一汉语拼音字母代表燃烧装备(邮包表1.23);第三段用阿拉伯数字表示蒸汽锅炉额定蒸发量t/h或热水锅炉额定热功率MW.型号的第二部介质参数,共分两段(热水锅炉分三段),中央用斜线相连.第一段表示客定蒸汽压力或许可工作压力;第二段表示过热蒸汽温度(蒸汽温度为饱和温度时不表示);热水锅炉第二段和第三段表示出水温度和进水温度.型号的第三部分表示燃料种类,用汉语拼音字母代表,同时用罗马字母代表燃料品种分类(见表1.24)表1.21 锅壳锅炉总体型式代号锅壳锅炉总体型式代号锅壳锅炉总体型式代号立式锅炉LS(立水)卧式外燃WW(卧外)立式火管LH(立火)卧式内燃WN(卧内)注:卧式水火管快装锅炉总体型式代号为DN,表1.22 水管锅炉总体型式代号水管锅炉总体型式代号水管锅炉总体型式代号表1.23 燃烧装备代号注:煤粉炉和燃油燃气锅炉属室燃炉,烯烧装备代号为S.表1.24 燃料品种代号注:①小型燃油燃气锅炉一般实用多种燃料,故燃料代号平日均写成Y或Q②在锅炉型号表示办法中,对常压热水锅炉,只须在型式代号之前加上常压代号C,并撤消许可工作压力,其他表示办法不变.(二)型号举例(见表1.25)表1.25 型号举例对于国外进口的锅炉,列国型号不一样,没有同一划定,可依据其产品样本.图纸材料.产品德量证实书等辨认.锅炉产品系列CLSG0.6 90/20AII LSG0.20.04AIILSG0.50.4AIIQC6/5000.50.5 LSG0.260.04AⅡLHG0.50.4WIIY310.8Y10.30.5备注锅炉定名规矩 JB/T1626燃烧装备代号燃料种类代号固定炉排GⅠ类烟煤AⅠ固定双层炉排CⅡ类烟煤AⅡ链条炉排L油Y室燃炉S气Q锅炉类别锅炉本体型式代号锅壳锅炉立式水管LS立式火管LH常压立式水管CSL水管锅炉单锅筒立式DZ余热锅炉定名规矩 JB/T95601999余热载体类别余热载体量名称代号单位名称单位气体Q(气)千立方米每小时×103m3/h1)液体Y(液)吨每小时t/h固体G(固)吨每小时t/h烟气分类特征代号含尘类C(尘)腐化类F(腐)粘结类Z(粘)注: 补燃代号以字母B表示电站锅炉产品型号编制办法JB/T 16171999 (代替 JB161775)1.规模本标准划定了锅炉产品型号的编制办法.本标准实用于电站锅炉产品型号的编制.2.技巧请求2.1 电站锅炉产品型号由三部分构成,各部分之间用短横线相连,情势如下:2.2 产品型号第一部分:A——锅炉制作工场(公司)代号,由若干字母表示.2.3 产品型号第二部分由B和C两部分构成,中央用斜线离开,个中:B——锅炉额定蒸发量(或最大持续蒸发量),用阿拉伯数字表示,单位:t/h;C——锅炉额定介质出口压力,用阿拉伯数字表示,单位:MPa.2.4 产品型号第三部分由D和E两部分构成,个中:D——锅炉设计燃料代号,用汉语拼音字母表示,按下列划定:燃“煤”炉用“M”表示;燃“油”炉用“Y”表示;燃“气”炉用“Q”表示;燃其它燃料炉用“T”表示;对于原设计已斟酌可燃用两种燃料的锅炉,可用两种燃料代号并列,如可燃“煤”和“油”锅炉,用“MY”表示.可燃“油”和“气”锅炉,用“YQ”表示.E——锅炉变型设计次序号,一般用阿拉伯数字表示,具体数字由各厂(公司)自行肯定.2.5 电站锅炉产品型号编制示例:2.5.1 某公司制作的最大持续蒸发量670t/h,介质出口压力为13.7MPa的电站锅炉,设计燃料为煤的锅炉,第三次变型设计,其型号为: ××1025 / 18.3M003。
一、燃煤、燃油、燃气、生物持锅炉型号(一)型号:按JB/T1626-92《工业锅炉产品型号编制方法》规定,锅炉号由三部分组成,各部分之间用短横线相连,如下面式样表示:型号的第一部分表示锅炉和燃烧设备的型式及锅炉容量,共分三段。
第一段用两个汉语拼音字母代表锅炉整体型式(见表1.2-1、表1.2-2);第二段用一汉语拼音字母代表燃烧设备(邮包表1.2-3);第三段用阿拉伯数字表示蒸汽锅炉额定蒸发量t/h或热水锅炉额定热功率MW。
型号的第二部介质参数,共分两段(热水锅炉分三段),中间用斜线相连。
第一段表示客定蒸汽压力或允许工作压力;第二段表示过热蒸汽温度(蒸汽温度为饱和温度时不表示);热水锅炉第二段和第三段表示出水温度和进水温度。
型号的第三部分表示燃料种类,用汉语拼音字母代表,同时用罗马字母代表燃料品种分类(见表1.2-4)表1.2-1锅壳锅炉总体型式代号注:卧式水火管快装锅炉总体型式代号为DN,表1.2-2水管锅炉总体型式代号表1.2-3燃烧设备代号注:煤粉炉和燃油燃气锅炉属室燃炉,烯烧设备代号为S。
表1.2-4燃料品种代号注:①小型燃油燃气锅炉一般适用多种燃料,故燃料代号通常均写成Y或Q②在锅炉型号表示方法中,对常压热水锅炉,只须在型式代号之前加上常压代号C,并取消允许工作压力,其他表示方法不变。
(二)型号举例(见表1.2-5)表1.2-5型号举例对于国外进口的锅炉,各国型号不一样,没有统一规定,可根据其产品样本、图纸资料、产品质量证明书等识别。
锅炉产品系列备注锅炉命名规则 JB/T1626-2002燃烧设备代号燃料种类代号固定炉排GⅠ类烟煤AⅠ固定双层炉排CⅡ类烟煤AⅡ链条炉排L 油Y室燃炉S 气Q锅炉类别锅炉本体型式代号锅壳锅炉立式水管LS立式火管LH常压立式水管CSL水管锅炉单锅筒立式DZ余热锅炉命名规则 JB/T9560-1999余热载体类别余热载体量名称代号单位名称单位气体Q(气)千立方米每小时×103m3/h1)液体Y(液)吨每小时t/h固体G(固)吨每小时t/h烟气分类特性代号含尘类C(尘)腐蚀类F(腐)粘结类Z(粘)注:补燃代号以字母B表示电站锅炉产品型号编制方法JB/T 1617-1999 (代替 JB1617-75)1.范围本标准规定了锅炉产品型号的编制方法。
燃煤锅炉型号和参数及代表符号锅炉型号和参数符号意义工业锅炉产品共分三大类:蒸汽锅炉、热水锅炉、有机热载体炉△△△××-××/×××-××1234561——锅炉形式2——燃烧方式3——额定蒸发量(t/h)4——额定蒸汽压力5——过热蒸汽温度(饱和蒸汽不标)6——燃料种类2、热水锅炉产品型号由三部分组成,各部分之间用短横线相连,即:△△△××-××/×××-××1234561——锅炉形式2——燃烧方式3——额定热功率(MW)4——允许工作压力(热水)Mpa5——出水温度/进水温度℃6——燃料种类锅炉形式代号锅壳锅炉水管锅炉锅炉型式代号锅炉型式代号立式水管LS 单锅筒立式DL卧式外燃WW 单锅筒纵置式DZ立式火管LH 单锅筒横置式DH卧式内燃WN 双锅筒纵置式SZ双锅筒横置式SH强制循环式QX燃烧方式代号燃烧方式代号燃烧方式代号固定炉排G 振动炉排Z 固定双层炉排 C 下饲炉排 A 活动手摇炉排H 沸腾炉排 F 链条炉排L 半沸腾炉排 B 往复炉排W 室燃炉S 抛煤机P 旋风炉X 倒转炉排加抛煤机 D燃料种类代号燃料种类代号燃料种类代号Ⅰ类劣质煤LⅠ木柴M Ⅱ类劣质煤LⅡ稻糠 DⅠ类无烟煤WⅠ甘蔗渣GⅡ类无烟煤WⅡ柴油YC Ⅲ类无烟煤WⅢ重油YY Ⅰ类烟煤AⅠ天然气QT Ⅱ类烟煤AⅡ焦炉煤气QJⅢ类烟煤AⅢ液化石油气QY褐煤H 油母页岩YM贫煤P 其他燃料T型煤X3、有机热载体炉分液相炉和气相炉两类,有机热载体炉产品型号由二部分组成,二部分之间用短横线相连,即:△△△-△△123451——炉类型代号2——燃烧设备代号3——炉体安置型式代号4——额定热功率:KW 5——燃料代号炉类型代号按表1的规定表1 炉类型代号有机热载体炉类型代号液相炉Y气相炉Q燃烧设备代号按表2的规定表2 燃烧设备代号燃烧设备代号链条炉排L抛煤机炉排P其他炉排G油燃烧器Y气燃烧器Q炉体安置型式代号按表3的规定表3 炉体型式代号在机热戴本炉体安置型式代号立式L卧式W其他Q表4 燃料代号燃料类别类别代号品种品种代号煤类W 无烟煤W 烟煤 A 其他煤H油类Y柴油 C重油、渣油Z气类Q天然气T 焦炉煤气J 液化石油气Y。
一、燃煤、燃油、燃气、生物持锅炉型号(一)型号:按JB/T1626-92《工业锅炉产品型号编制方法》规定,锅炉号由三部分组成,各部分之间用短横线相连,如下面式样表示:型号的第一部分表示锅炉和燃烧设备的型式及锅炉容量,共分三段。
第一段用两个汉语拼音字母代表锅炉整体型式(见表1.2-1、表1.2-2);第二段用一汉语拼音字母代表燃烧设备(邮包表1.2-3);第三段用阿拉伯数字表示蒸汽锅炉额定蒸发量t/h或热水锅炉额定热功率MW。
型号的第二部介质参数,共分两段(热水锅炉分三段),中间用斜线相连。
第一段表示客定蒸汽压力或允许工作压力;第二段表示过热蒸汽温度(蒸汽温度为饱和温度时不表示);热水锅炉第二段和第三段表示出水温度和进水温度。
型号的第三部分表示燃料种类,用汉语拼音字母代表,同时用罗马字母代表燃料品种分类(见表1.2-4)表1.2-1 锅壳锅炉总体型式代号注:卧式水火管快装锅炉总体型式代号为DN,表1.2-2 水管锅炉总体型式代号表1.2-3 燃烧设备代号注:煤粉炉和燃油燃气锅炉属室燃炉,烯烧设备代号为S。
表1.2-4 燃料品种代号注:①小型燃油燃气锅炉一般适用多种燃料,故燃料代号通常均写成Y或Q②在锅炉型号表示方法中,对常压热水锅炉,只须在型式代号之前加上常压代号C,并取消允许工作压力,其他表示方法不变。
(二)型号举例(见表1.2-5)表1.2-5 型号举例对于国外进口的锅炉,各国型号不一样,没有统一规定,可根据其产品样本、图纸资料、产品质量证明书等识别。
锅炉产品系列备注锅炉命名规则JB/T1626-2002燃烧设备代号燃料种类代号固定炉排GⅠ类烟煤AⅠ固定双层炉排CⅡ类烟煤AⅡ链条炉排L油Y室燃炉S气Q锅炉类别锅炉本体型式代号锅壳锅炉立式水管LS立式火管LH常压立式水管CSL水管锅炉单锅筒立式DZ余热锅炉命名规则JB/T9560-1999余热载体类别余热载体量名称代号单位名称单位气体Q(气)千立方米每小时×103m3/h1)液体Y(液)吨每小时t/h固体G(固)吨每小时t/h烟气分类特性代号含尘类C(尘)腐蚀类F(腐)粘结类Z(粘)注: 补燃代号以字母B表示电站锅炉产品型号编制方法JB/T 1617-1999 (代替JB1617-75)1.范围本标准规定了锅炉产品型号的编制方法。
目前市面上的工业锅炉分为三大类;蒸汽锅炉、热水锅炉、有机热载体炉。
一、蒸汽锅炉型号由三部分组成,各部分之间由短横线相连
注释:1—锅炉型式2—燃烧方式3—额定蒸发量(t/h)4—额定蒸汽压力5—过热蒸汽温度6—燃料种类
二、热水锅炉型号由三部分组成,各部分之间由短横线相连
注释:1—锅炉型式2—燃烧方式3—额定热功率(MW)4—允许工作压力(MPa)5—出/进水水温6—燃料种类
其中锅炉形式的代号
其中燃烧方式的代号
其中燃烧种类的代号(一)
其中燃烧种类代号(二)
三、有机热载体炉分为液相炉和气相炉,型号由二部分组成,各部分之间由短横线相连
注释:1—炉型号代号2—燃烧设备代号3—炉体安置型式代号
4—额定热功率(KW)5—燃料代号
其中炉型号代号
其中燃烧设备代号
其中炉体安置型式代号。
五、锅炉型号表示方法锅炉型号由三部分组成,各部分之间用短横线相连第一部分:表示锅炉型式,燃烧方式和蒸发量,共分三段:第一段用两个汉语拼音字母代表锅炉本体型式;第二段用一个汉语拼音代表燃烧方式;第三段用阿拉伯数字表示蒸发量。
第二部分:表示蒸汽(或热水)参数,共分两段,中间一斜线分开。
第一段用阿拉伯数字表示额定蒸汽压力或允许工作压力;第二段用阿拉伯数字表示过热蒸汽(或热水)温度,饱和蒸汽二段第三部分:表示燃料种类,以拼音字母和罗马字分别代表燃料类别和分类。
举例:HL10---1.3---A : 双锅筒横置式链条炉排锅炉,额定蒸发量为10t/h,额定压力为1.25MPa,出口过热蒸汽温度为饱和温度,燃用Ⅱ类烟煤。
QXS120—0.8/130/80--Y : 强制循环室燃锅炉,额定热功率为120MW,允许工作压力为0.8MPa,出水温度130℃,进水温度为80℃,燃料为油。
二、炉膛几何特性尺寸的确定基本步骤:(1) 根据锅炉容量、蒸汽参数、燃料特性及燃烧方式,确定B 和 (2) 选定qR 、 qv 或qf 、qv ,再确定:R 、Vl 或F 、 Vl 及Hl ; (3)最后确定:炉膛宽度和炉膛深度,制定炉膛几何特性尺寸。
1.炉膛容积Vl ——炉子火床表面至出口烟窗间的容积底部——火床表面炉膛出口截面——出口烟窗第一排水管中心线所在表面四周及顶部2.炉膛周界面积Fl ——包围炉膛容积的所有周界封闭面积的总和火床面积R; 全部水冷壁面积 Fi=bili炉墙面积:前后墙、侧墙、炉顶; 出口烟窗面积国产电厂锅炉型号一般如下表示:△△-XXX/XXX -XXX/XXX -△X第一组符号是制造厂家的汉语拼音的缩写,如HG 表示哈尔滨锅炉厂,SG 表示上海锅炉厂,WG 表示武汉锅炉厂,DG 表示东方锅炉厂,BG 表示北京锅炉厂等。
第二组是数字,分子数字是锅炉容量,单位以t/h 表示;分母pnet ar Q ⋅⋅数字为锅炉出口过热蒸汽压力,单位以MPa[或kgf/cm2,表压]表示。
一、燃煤、燃油、燃气、生物持锅炉型号(一)型号:按JB/T1626-92《工业锅炉产品型号编制方法》规定,锅炉号由三部分组成,各部分之间用短横线相连,如下面式样表示:型号的第一部分表示锅炉和燃烧设备的型式及锅炉容量,共分三段。
第一段用两个汉语拼音字母代表锅炉整体型式(见表1.2-1、表1.2-2);第二段用一汉语拼音字母代表燃烧设备(邮包表1.2-3);第三段用阿拉伯数字表示蒸汽锅炉额定蒸发量t/h或热水锅炉额定热功率MW。
型号的第二部介质参数,共分两段(热水锅炉分三段),中间用斜线相连。
第一段表示客定蒸汽压力或允许工作压力;第二段表示过热蒸汽温度(蒸汽温度为饱和温度时不表示);热水锅炉第二段和第三段表示出水温度和进水温度。
型号的第三部分表示燃料种类,用汉语拼音字母代表,同时用罗马字母代表燃料品种分类(见表1.2-4)表1.2-1 锅壳锅炉总体型式代号注:卧式水火管快装锅炉总体型式代号为DN,表1.2-2 水管锅炉总体型式代号表1.2-3 燃烧设备代号注:煤粉炉和燃油燃气锅炉属室燃炉,烯烧设备代号为S。
表1.2-4 燃料品种代号注:①小型燃油燃气锅炉一般适用多种燃料,故燃料代号通常均写成Y或Q②在锅炉型号表示方法中,对常压热水锅炉,只须在型式代号之前加上常压代号C,并取消允许工作压力,其他表示方法不变。
(二)型号举例(见表1.2-5)表1.2-5 型号举例对于国外进口的锅炉,各国型号不一样,没有统一规定,可根据其产品样本、图纸资料、产品质量证明书等识别。
锅炉产品系列锅炉命名规则 JB/T1626-2002燃烧设备代号燃料种类代号固定炉排G Ⅰ类烟煤AⅠ固定双层炉排CⅡ类烟煤AⅡ链条炉排L油Y 室燃炉S气Q锅炉类别锅炉本体型式代号锅壳锅炉立式水管LS 立式火管LH 常压立式水管CSL水管锅炉单锅筒立式DZ余热锅炉命名规则 JB/T9560-1999余热载体类别余热载体量名称代号单位名称单位气体Q(气)千立方米每小时×103m3/h1)液体Y(液)吨每小时t/h固体G(固)吨每小时t/h烟气分类特性代号含尘类C(尘)腐蚀类F(腐)粘结类Z(粘)注: 补燃代号以字母B表示电站锅炉产品型号编制方法JB/T 1617-1999 (代替 JB1617-75)1.范围本标准规定了锅炉产品型号的编制方法。
一、燃煤、燃油、燃气、生物持锅炉型号(一)型号:按JB/T1626-92《工业锅炉产品型号编制方法》规定,锅炉号由三部分组成,各部分之间用短横线相连,如下面式样表示:型号的第一部分表示锅炉和燃烧设备的型式及锅炉容量,共分三段。
第一段用两个汉语拼音字母代表锅炉整体型式(见表1.2-1、表1.2-2);第二段用一汉语拼音字母代表燃烧设备(邮包表1.2-3);第三段用阿拉伯数字表示蒸汽锅炉额定蒸发量t/h或热水锅炉额定热功率MW。
型号的第二部介质参数,共分两段(热水锅炉分三段),中间用斜线相连。
第一段表示客定蒸汽压力或允许工作压力;第二段表示过热蒸汽温度(蒸汽温度为饱和温度时不表示);热水锅炉第二段和第三段表示出水温度和进水温度。
型号的第三部分表示燃料种类,用汉语拼音字母代表,同时用罗马字母代表燃料品种分类(见表1.2-4)表1.2-1 锅壳锅炉总体型式代号注:卧式水火管快装锅炉总体型式代号为DN,表1.2-2 水管锅炉总体型式代号表1.2-3 燃烧设备代号注:煤粉炉和燃油燃气锅炉属室燃炉,烯烧设备代号为S。
表1.2-4 燃料品种代号注:①小型燃油燃气锅炉一般适用多种燃料,故燃料代号通常均写成Y或Q②在锅炉型号表示方法中,对常压热水锅炉,只须在型式代号之前加上常压代号C,并取消允许工作压力,其他表示方法不变。
(二)型号举例(见表1.2-5)表1.2-5 型号举例对于国外进口的锅炉,各国型号不一样,没有统一规定,可根据其产品样本、图纸资料、产品质量证明书等识别。
锅炉产品系列备注锅炉命名规则JB/T1626-2002燃烧设备代号燃料种类代号固定炉排GⅠ类烟煤AⅠ固定双层炉排CⅡ类烟煤AⅡ链条炉排L油Y室燃炉S气Q锅炉类别锅炉本体型式代号锅壳锅炉立式水管LS立式火管LH常压立式水管CSL水管锅炉单锅筒立式DZ余热锅炉命名规则JB/T9560-1999余热载体类别余热载体量名称代号单位名称单位气体Q(气)千立方米每小时×103m3/h1)液体Y(液)吨每小时t/h固体G(固)吨每小时t/h烟气分类特性代号含尘类C(尘)腐蚀类F(腐)粘结类Z(粘)注: 补燃代号以字母B表示。
一、燃煤、燃油、燃气、生物持锅炉型号(一)型号:按JB/T1626-92《工业锅炉产品型号编制方法》规定,锅炉号由三部分组成,各部分之间用短横线相连,如下面式样表示:型号的第一部分表示锅炉和燃烧设备的型式及锅炉容量,共分三段。
第一段用两个汉语拼音字母代表锅炉整体型式(见表1.2-1、表1.2-2);第二段用一汉语拼音字母代表燃烧设备(邮包表1.2-3);第三段用阿拉伯数字表示蒸汽锅炉额定蒸发量t/h或热水锅炉额定热功率MW。
型号的第二部介质参数,共分两段(热水锅炉分三段),中间用斜线相连。
第一段表示客定蒸汽压力或允许工作压力;第二段表示过热蒸汽温度(蒸汽温度为饱和温度时不表示);热水锅炉第二段和第三段表示出水温度和进水温度。
型号的第三部分表示燃料种类,用汉语拼音字母代表,同时用罗马字母代表燃料品种分类(见表1.2-4)表1.2-1 锅壳锅炉总体型式代号注:卧式水火管快装锅炉总体型式代号为DN,表1.2-2 水管锅炉总体型式代号表1.2-3 燃烧设备代号注:煤粉炉和燃油燃气锅炉属室燃炉,烯烧设备代号为S。
表1.2-4 燃料品种代号注:①小型燃油燃气锅炉一般适用多种燃料,故燃料代号通常均写成Y或Q②在锅炉型号表示方法中,对常压热水锅炉,只须在型式代号之前加上常压代号C,并取消允许工作压力,其他表示方法不变。
(二)型号举例(见表1.2-5)表1.2-5 型号举例对于国外进口的锅炉,各国型号不一样,没有统一规定,可根据其产品样本、图纸资料、产品质量证明书等识别。
锅炉产品系列备注锅炉命名规则JB/T1626-2002燃烧设备代号燃料种类代号固定炉排GⅠ类烟煤AⅠ固定双层炉排CⅡ类烟煤AⅡ链条炉排L油Y室燃炉S气Q锅炉类别锅炉本体型式代号锅壳锅炉立式水管LS立式火管LH常压立式水管CSL水管锅炉单锅筒立式DZ余热锅炉命名规则JB/T9560-1999余热载体类别余热载体量名称代号单位名称单位气体Q(气)千立方米每小时×103m3/h1)液体Y(液)吨每小时t/h固体G(固)吨每小时t/h烟气分类特性代号含尘类C(尘)腐蚀类F(腐)粘结类Z(粘)注: 补燃代号以字母B表示电站锅炉产品型号编制方法JB/T 1617-1999 (代替JB1617-75)1.范围本标准规定了锅炉产品型号的编制方法。
锅炉型号代号的意义解释
工业锅炉分为四大类;蒸汽锅炉、热水锅炉、汽水两用型、有机热载体导热油炉。
蒸汽锅炉按燃烧介质的不同分为燃煤蒸汽锅炉,燃油蒸汽锅炉,电加热蒸汽锅炉及其它;热水锅炉按燃烧介质分为燃煤热水锅炉,燃油热水锅炉,电热水锅炉及其它。
一、蒸汽锅炉型号解释:三部分组成,之间由横线相连
注释:1—锅炉型式;2—燃烧方式;3—额定蒸发量(t/h);4—额定蒸汽压力;5—过热蒸汽温度;6—燃料种类举例。
DZL4-1.25-193-AII代表卧式快装燃煤蒸汽锅炉,DZ代表锅炉型式-单筒纵置式,L代表机械链条炉排,其额定蒸发量4t/h,额定工作压力1.25Mpa,饱和蒸汽温度193℃,A||代表二类烟煤为燃烧介质。
二、热水锅炉型号解释:三部分组成,之间由短横线相连
注释:1—锅炉型式;2—燃烧方式;3—额定热功率(MW);4—允许工作压力;5—出/进水水温;6—燃料种类。
举例CLSG0.7-95/70-AII代表立式常压燃煤热水锅炉,C代表常压,LS代表锅炉型式-立式水管型,G代表固定炉排,其额定功率是0.7Mw,出进水温度分别是95-70℃,AII代表燃烧介质是||类烟煤。
三、有机热载体炉型号解释:三部分组成,之间由短横线相连
注释:1—炉型号代号;2—燃烧设备代号;3—炉体安置型式代号;4—额定热功率(KW);5—燃料代号。
举例YGL-1400代表立式有机热载体导热油炉其功率是1400Kw/h(相当于120x104Kcal/h,也叫120万大卡每小时)。
[炉型号代号分为液相炉(Y)、气相炉(Q)。
燃烧设备代号分为油燃烧器(Y)、气燃烧器(Q)、链条L及其它G。
四、锅炉型式代号
五、锅炉燃烧方式代号
六、锅炉燃烧种类代号
燃烧种类代号(一)
燃烧种类代号(二)
比如:LSG0.5-0.4-170-AII含义是立式水管燃煤蒸汽锅炉,炉排固定,每小时蒸发量0.5T,额定蒸汽压力0.4Mpa,额定蒸汽温度170℃,燃烧介质二类烟煤。
Welcome To Download !!!
欢迎您的下载,资料仅供参考!。