双容积分离器工作原理与故障排除分解
- 格式:ppt
- 大小:2.77 MB
- 文档页数:17
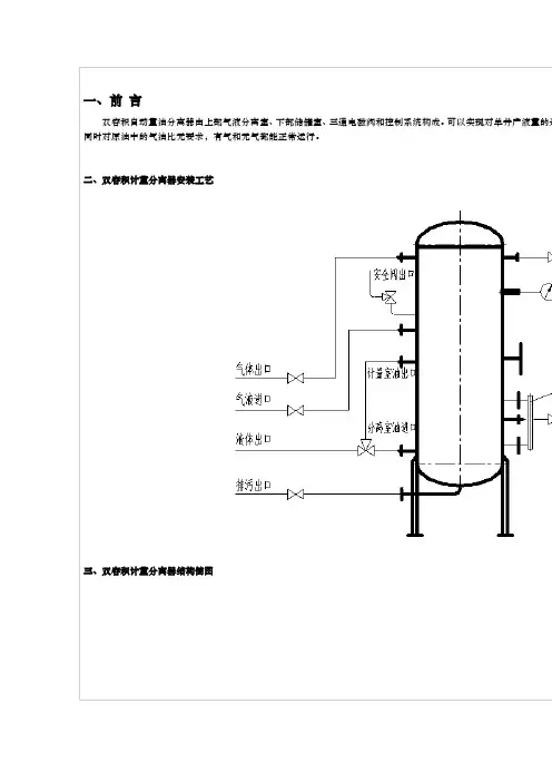
双容积分离器操作规程(一)准备工作1、检查电路系统各部分工作是否正常,压力表是否正常。
2、检查三相电磁阀、齿轮泵、单量仪各闸门是否灵活可靠。
3、检查热水循环管线是否畅通,排气闸门是否关闭,安全阀是否完好。
4、清洗齿轮泵的过滤器,按清洗过滤器操作进行。
5、打开齿轮泵进出口闸门,关闭旁通及标定闸门。
(二)正常使用1、设置好单量操作系统上的井号及其它相关参数。
2、打开双容积分离器进油闸门和上、下室连通闸门。
3、打开单量换热器进出口闸门。
4、改好总机关单井或井组单量流程。
5、观察双容积分离器压力表变化,当压力达到0. 1Mpa时,打开双容积分离器排气闸门和气液分离器进气闸门。
6、检查双容积分离器工作是否正常,分离器压力应稳定在0.15Mpa以下。
7、按站内单量操作规程进行。
(三)使用时检查工作1、检查双容积分离器压力是否正常。
2、检查电磁阀、齿轮泵工作是否正常,若不正常及时排除故障。
(四)标定1、准备2m3标准容器,摆放在标定头子下边。
2、卸开盲板,连接管线。
3、关闭齿轮泵出口闸门,打开标定闸门。
4、记录齿轮泵排液次数,一般标定7次。
5、用标定液量除以7次,除以上下液位之间的容积0. 2m3,得出的数据就是标定系数。
6、标定的系数乘以每次单量折算的液量就是该井的实际单量液量。
(五)安全阀的拆卸安装1、分离器安全阀每年校验一次,由区安全部门送到指定地点校验。
2、拆卸安全阀时,停止单量,关闭双容积分离器进出口闸门,缓慢打开放空阀放空分离器压力,拆卸后需要用盲板堵死,并挂出设备停用牌.3、校验完毕后安装安全阀前检查分离器压力是否放空,无误后拆卸盲板,装好安全阀。
分离器计量及维修保养操作规程分离器是一种常用的设备,用于将混合物中的组分分离出来。
为了确保分离器的有效使用和延长其使用寿命,需要进行计量和维修保养操作。
本文将介绍分离器的计量和维修保养操作规程。
一、计量操作规程:1. 首先,操作人员需要了解分离器的工作原理和使用方法。
熟悉分离器的各个部件和控制系统。
2. 在开始操作之前,必须检查分离器的工作状态。
检查分离器的电源是否正常,各个部件是否完好无损。
3. 操作人员需要准备好所需的样品,并将其放入合适的容器中。
确保样品的准备工作准确无误。
4. 操作人员需要根据实际情况设定好分离器的运行参数。
包括分离器的转速、离心力等。
5. 在设定好运行参数后,操作人员可以开始启动分离器。
确保启动过程平稳无误。
6. 在分离器运行过程中,操作人员需要定期检查分离效果。
观察样品的分离情况,确保分离效果达到预期。
7. 分离过程完成后,操作人员需要及时停止分离器。
关闭所有的操作系统,并检查分离器的工作状态。
8. 最后,操作人员需要将分离出来的组分进行收集和保存。
确保收集过程安全可靠。
二、维修保养操作规程:1. 操作人员需要定期检查分离器的各个部件和控制系统。
检查电源线、传动系统、控制面板等,确保其正常工作。
2. 定期清洁分离器的内外表面。
使用干净的布或棉纱蘸取适量酒精进行擦拭。
3. 操作人员需要定期检查分离器的润滑情况。
确保各个传动部件的润滑油是否足够。
4. 定期检查分离器的密封性能。
检查密封圈是否完好,如发现有损坏需及时更换。
5. 定期校准分离器的运行参数。
如转速、离心力等。
6. 定期维护分离器的电气系统。
检查电路连接是否松动,如发现异常需及时修复。
7. 保持分离器的工作环境清洁整洁。
确保周围无杂物,保证操作人员的安全。
8. 定期进行分离器的安全检查。
检查紧急停止装置、温度报警装置等是否正常运行。
以上就是分离器的计量和维修保养操作规程。
通过合理的计量操作和定期的维修保养,可以确保分离器的正常工作和延长使用寿命。
分离器常见故障及处理乳化液乳化液就是原油和地层水在共同的运动中,由于剧烈搅拌,使一种液体微小的液滴分散于另一种液体中所形成的混合物,这种混合物用普通机械方法不易分开。
在原油乳化液中,油或水别分散的球状微粒直径通常在10~1000um之间。
形成原油乳化液必须具备下列条件:①同时存在原油和水;②有剧烈搅拌,使一相液体破碎成微小的液滴分散于另一相液体中;③有乳化剂存在,使形成的乳化液具有一定的稳定性。
乳化液的类型就含有天然乳化剂,所以主要是从下面两方面进行:①控制油井出水,如采取分层开采、封堵水层、合理注水等措施来减少油井出水;②控制油流搅拌,如提高油田地面集输系统和分离器的压力,减小油嘴前后压差;尽量简化油气集输流程;减少弯头、三通、阀件等局部阻力及泵的数量。
另外,可往油井环形空间注入破乳剂,这不但能有效地阻止原油在井内乳化,往往还能使油井增产。
闭式排放系统闭式排放系统是平台油气生产系统的一个辅助系统,其作用如下:①接收生产管线、容器等设备在异常状态下安全卸压排出的原油或混合物;②接收油气生产设备停运后在压力下排放油气混合物;③将接收的混合液进行气液分离,气送至火炬烧掉,油回收至原油处理系统重新处理。
闭式排放系统主要由闭式排放罐和闭式排放泵组成,罐内液位的高低控制泵的停启,因此,闭式排放泵为间歇运行。
目前海上油田含油污水处理的主要方法海上油田污水处理设备选择的基本原则①满足油田最高峰污水处理量达标;②设备效率高、体积小、占地面积小;③结构简单,易操作;④价格便宜,经济效益好;⑤维修简便,免修期长等。
海上油田油、气、水计量常用流量计有涡轮流量计、刮板流量计、孔板流量计、电磁流量计、超声波流量计和质量流量计。
仪表压力分类在压力检测中,压力常分为表压、绝对压力、负压或真空度、差压(或压差)。
绝对压力是液体、气体或蒸汽所处空间的全部压力和。
表压和真空度是相对大气压力而言的,大气压力即地球表面空气柱重量所产生的压力。
分容柜原理与维修分容柜是一种常见的电力设备,它主要用于电力系统中的电容补偿和谐波滤波。
在电力系统中,分容柜起着非常重要的作用,它能够提高系统的功率因数,改善电网质量,减少电能损耗,保护设备,提高系统的稳定性和可靠性。
因此,了解分容柜的原理和维修方法对于保障电力系统的正常运行至关重要。
首先,我们来了解一下分容柜的原理。
分容柜是由电容器组成的,它的主要作用是在电力系统中进行无功功率的补偿。
在交流电路中,电容器能够储存电能,当系统中存在功率因数较低的负载时,电容器可以释放电能,提高系统的功率因数,从而改善电网质量。
此外,分容柜还可以用于谐波滤波,减少谐波对系统的影响,保护设备,提高系统的稳定性。
在使用分容柜的过程中,我们也需要了解一些常见的维修方法。
首先,定期检查分容柜的外观和接线端子,确保没有损坏或者松动的地方。
其次,要定期对分容柜进行电气参数的检测,包括电压、电流、功率因数等参数的测量,以确保分容柜的正常运行。
另外,定期清洁分容柜的表面和散热器,确保散热效果良好,防止过热损坏设备。
最后,定期对分容柜进行绝缘测试,确保设备的绝缘性能良好,防止因绝缘损坏导致的故障。
除了定期的维护工作,当分容柜出现故障时,我们也需要及时进行维修。
常见的故障包括电容器损坏、接线端子松动、散热器堵塞等。
在进行维修时,需要先切断电源,确保安全。
然后根据实际情况进行故障排查,找出故障原因并进行修复。
在更换电容器时,需要注意电容器的参数要与原来的一致,安装时要确保接线正确,避免接错导致设备损坏。
在维修过程中,要做好记录,以便日后的维护和管理。
总的来说,分容柜作为电力系统中的重要设备,其原理和维修方法的了解对于保障电力系统的正常运行至关重要。
只有深入了解分容柜的原理,定期进行维护和维修,才能确保分容柜的正常运行,提高电网质量,保护设备,提高系统的稳定性和可靠性。
希望以上内容能够对大家有所帮助。
分离器工作原理
分离器是一种用于分离复杂混合物的设备,它可以根据物质的不同特性将其分离成不同的组分。
以下是分离器的工作原理:
1. 密度分离原理:分离器可以利用物质的密度差异来实现分离。
当混合物经过分离器时,密度较大的组分会沉降到底部,而密度较小的组分则会浮在上层。
通过控制分离器的设计和操作参数,可以实现对不同密度组分的分离。
2. 惯性分离原理:分离器可以利用物质在惯性力作用下的不同行为实现分离。
当混合物经过分离器时,由于惯性力的作用,质量较大的组分会受到较大的惯性力,而质量较小的组分受到较小的惯性力。
这样,质量较大的组分会向外侧偏离,而质量较小的组分则会向内侧偏离,从而实现分离。
3. 溶解度分离原理:分离器可以利用物质在溶解度差异下的分离行为实现分离。
当混合物经过分离器时,溶解度较高的组分会溶解在溶液中,而溶解度较低的组分则会以固体或液滴的形式存在。
通过控制分离器的温度、压力和溶剂选择等条件,可以实现对不同溶解度组分的分离。
4. 蒸发分离原理:分离器可以利用物质的挥发性差异来实现分离。
当混合物经过分离器时,挥发性较高的组分会在较低温度下先蒸发出来,而挥发性较低的组分则会在较高温度下蒸发出来。
通过控制分离器的温度和压力,可以实现对不同挥发性组分的分离。
以上是分离器的一些常见工作原理。
不同类型的分离器可能会应用不同的原理或将多种原理结合起来进行分离。
双容积计量器在超稠油上的应用X迟洪军(中油辽河油田分公司,辽宁盘锦 124010) 摘 要:泡沫油计量是一项长期以来制约采油生产的技术难题,为解决这一技术难题,研制出可实现油井在线计量的差压式双容积油井计量器,经现场测试表明其性能可靠,可满足生产要求。
关键词:泡沫油;差压式;双容积;应用;效果分析 中图分类号:T H 715∶TE 863.1 文献标识码:A 文章编号:1006—7981(2012)09—0026—02 称重式翻斗计量器从03年开始应用于稠油在线计量,其最大的优点就是采用称重式计量,避免了由于原油体积、温度变化带来的误差,计量更加精确。
但在这种计量方式下,有一种工况无法计量即产出液含有泡沫油时。
为解决该生产技术难题,开展泡沫油计量技术研究与试验。
1 差压式双容积计量器的技术原理1.1 基本结构和设计参数图1 差压式双容积计量器结构图如图1所示,称重式油井计量器由罐体、加装在罐体上的高精度仪表和电动阀、控制系统、校验装置等主要部分组成。
1.2 差压式双容积计量器工作原理图2 系统基本原理图该系统装置的工作原理是:系统计量分离器采用两个相同的计量容器[1],计量容器顶部相连,罐体大小根据产液量而定,两台计量分离器下端分别安装两套高精度微压差变送器,实时监测罐内压力差,并将压力值通过P LC 计算得出产液重量。
系统运行时一个进油计量,一个压油(利用进油的分离器分离出的气体及自身高度)两罐循环使用,实现装置高精度连续计量[2]。
失为:306×0.1×4000元=12.24万元)。
避免回压过高造成躺井全年按5井次,单井检泵作业费按6.0万元计,节约检泵费用:5口×6.0万元/口=30万元;每口井检泵按3天计算,按照全厂单井平均产量3.0t /天计,单口井影响油量为:3×3.0=9.0t ,累计影响油量:9.0t ×5油井=45t 。
油价按目前国际油价4000元/t 来计算,合计18万;由此可见以上各种经济损失合计为+3+=60.24(万元)。
两相分离器启、停操作规程范本一、目的与范围为确保两相分离器的正常运行与安全操作,制定本规程。
二、定义1. 两相分离器:用于将混合废水中的液体和固体分离的设备。
2. 启动:指将两相分离器从停止状态转变为运行状态。
3. 停止:指将两相分离器从运行状态转变为停止状态。
三、操作程序1. 启动操作(1)操作人员需确认两相分离器周围无人,安全措施已准备就绪。
(2)检查两相分离器的电源及仪表是否正常运行。
(3)按照设备操作面板上的启动按钮,按下启动按钮,等待设备开始运行。
(4)在设备正常运行后,观察仪表指示是否正常,并确认分离效果良好。
2. 停止操作(1)操作人员需确认两相分离器周围无人,安全措施已准备就绪。
(2)在确认设备处于正常运行状态后,按下停止按钮。
(3)观察设备停止运行,并确认所有动作已停止。
(4)关闭设备的电源,并做好设备的封闭、清洁和维护工作。
四、安全注意事项1. 操作人员需熟悉两相分离器的工作原理、结构和操作方法,确保操作的正确性。
2. 操作人员需穿戴好个人防护装备,如安全帽、防护服等。
3. 在启动和停止操作前,需确认设备周围无人,确保人员安全。
4. 操作人员需严格按照操作程序进行操作,不得随意更改操作步骤。
5. 在操作过程中,如发现设备异常情况,应立即停止操作,并报告相关人员进行处理。
6. 操作结束后,应及时清理设备周围的杂物和污染物,保持设备的清洁与整洁。
五、操作记录每次进行两相分离器的启动和停止操作,应记录以下内容:1. 操作日期和时间;2. 操作人员姓名;3. 启动或停止操作的具体步骤;4. 运行过程中的异常情况和处理方法;5. 结束时设备的状态和下一步的维护计划。
六、操作培训与评估1. 操作人员需接受相应的培训,了解两相分离器的操作规程和安全事项。
2. 每位操作人员应定期进行操作技能的评估,并记录评估结果。
3. 对于未达标的操作人员,需进行再次培训和评估,直至能够熟练正确地操作设备为止。
常见的各种分离器原理,一起来了解一下编辑/资讯组公众号/空压机网常见的各种分离器原理当我们用管道输送介质时,如果介质中存在液态水,会加速管道的腐蚀;如果介质中存在固体杂质,会造成管道、设备的堵塞。
这些介质中的杂质不仅会降低管道的输送效率,损害设备的寿命,严重时还会发生安全事故。
分离器的出现很好的解决了问题。
分离器可以将介质中悬浮的固、液相杂质除去,降低管道及设备的输送负荷,减少腐蚀和堵塞的发生,保证管道与设备的安全可靠运行。
当然,也有一些分离器专门用于分离难分离的物料。
一起来看看吧!分离器有哪些种类呢?1按功能分类•计量分离器:主要完成油气水的初步分离并计量,一般属低压分离器。
•生产分离器:主要完成多口生产井集中进行初步分离后密闭输送,属中高压分离器。
2按工作原理分类重力式分离器:利用液体和气、固密度的不同而受到的重力的不同来实现分离。
旋风式分离器:利用液体和气、固做旋转运动时所受到的离心力不同来实现分离。
过滤式分离器:利用气流通道上的过滤元件或介质实现分离。
3按工作压力分类•真空分离器:<0.1MPa•低压分离器:<1.5MPa•中压分离器:1.5~6MPa•高压分离器:>6MPa重力式分离器重力式分离器根据功能可分为两相分离(气液分离)和三相分离(油气水分离)两种。
按形状又可分为立式分离器、卧式分离器及球形分离器。
卧式两相分离器分离原理:气液混合流体经气液进口进入分离器进行基本相分离,气体进入气体通道进行重力沉降分离出液滴,液体进入液体空间分离出气泡和固体杂质,气体在离开分离器之前经捕雾器除去小液滴后从出气口流出,液体从出液口流出。
立式两相分离器一般卧式三相分离器分离原理:气液混合流体经气液进口进入分离器进行基本相分离,气体进入气体通道通过整流和重力沉降,分离出液滴;液体进入液体空间分离出气泡,同时在重力条件下,油向上流动,水向下流动得以油水分离,气体在离开分离器之前经捕雾器除去小液滴后从出气口流出,油从顶部经过溢流隔板进入油槽并从出油口流出,水从排水口流出。