公共建筑节能设计文件检查表5-1
- 格式:docx
- 大小:13.95 KB
- 文档页数:5
附件1-1:
自查项目汇总表
市(县):
说明:1、表中“图审”“设计”“施工”填写执行建筑节能标准的情况,是否按照相关标准执行;
2、“综合评价”根据执行建筑节能标准情况,填写“合格”“基本合格”“不合格”。
- 1 -
附件1-2:
受检工程基本情况表
工程所在市(县):
检查组成员签字:检查日期:
附表1-3:
安徽省公共建筑节能设计文件检查表市(县)项目名称
检查组成员签字:日期:
附表1-4:
安徽省居住建筑节能设计文件检查表市(县)项目名称
检查组成员签字:日期:
附件1-5:
建筑节能工程施工质量检查表
检查组成员签字:检查日期:
附件1-6:
绿色建筑项目检查表
检查组成员签字:检查日期:。
整理人 尼克l13j51附件5-1:省直部门预算项目支出绩效评价报告(参考提纲)一、项目基本情况(一)项目概况。
(二)项目绩效目标。
1.项目绩效总目标。
2.项目绩效阶段性目标。
二、项目单位绩效报告情况。
三、绩效评价工作情况(一)绩效评价目的。
(二)绩效评价原则、评价指标体系(附表说明)、评价方法。
(三)绩效评价工作过程。
1.前期准备。
2.组织实施。
3.分析评价。
四、绩效评价指标分析情况(一)项目资金情况分析。
1.项目资金到位情况分析。
2.项目资金使用情况分析。
3.项目资金管理情况分析。
(二)项目实施情况分析。
1.项目组织情况分析。
2.项目管理情况分析。
(三)项目绩效情况分析。
1.项目经济性分析。
(1)项目成本(预算)控制情况。
(2)项目成本(预算)节约情况。
2.项目的效率性分析(1)项目的实施进度。
(2)项目完成质量。
3.项目的效益性分析(1)项目预期目标完成程度。
(2)项目实施对经济和社会的影响。
四、综合评价情况及评价结论(附相关评分表)。
五、绩效评价结果应用建议(以后年度预算安排、评价结果公开等)。
六、主要经验及做法、存在的问题和建议。
七、其他需说明的问题。
附件5-1福州市公共建筑节能设计文件检查表市、县项目名称检查组成员签字:检查日期:注:《公共建筑节能设计标准》GB50189-2015自2015年10月1日实施,各地可根据项目实施时间自行调整检查表。
附件5-2福州市居住建筑节能设计文件检查表市、县项目名称注:《福建省居住建筑节能设计标准》DBJ13-62-2014自2015年1月1日起实施,各地可根据项目实施时间自行调整检查表。
附件5-1:公共建筑节能设计文件检查表县市区湖南省株洲市株洲县项目名称公共建筑节能设计文件检查表附件5-2:公共建筑节能设计文件检查表(适用于2015年10月1日以后的设计项目)县市区湖南省株洲市株洲县项目名称公共建筑节能设计文件检查表(适用于2015年10月1日以后的设计项目)整理丨尼克本文档信息来自于网络,如您发现内容不准确或不完善,欢迎您联系我修正;如您发现内容涉嫌侵权,请与我们联系,我们将按照相关法律规定及时处理。
附表2:地级以上城市建设主管部门建筑节能检查评分表城市名称检查人员签名:年月日受检单位代表签名:年月日附表3:建筑节能基本情况统计表附表4:受检工程一览表(设计检查□施工检查□)城市名称:受检工程建筑节能基本情况表(设计检查)工程所在省(市、县):评价标准:设计文件完整,设计质量好,无违反标准规范条文,施工图审查把关严、程序完善的,评价为“好”;设计文件基本完整,无违反标准强制性条文,施工图审查程序基本完善的,评价为“中”;发现有违反标准强制性条文或弄虚作假的,评价为“差”。
检查组成员签字:检查日期:受检工程建筑节能基本情况表(施工检查)工程所在省(市、县):准规范条文,材料送检及节能验收程序符合要求的,评价为“好”;施工方案和现场施工图文件真实且基本齐全,能按图施工,无违反标准强制性条文,评价为“中”;发现不按图施工、违反标准强制性条文或弄虚作假的,评价为“差”。
检查组成员签字:检查日期:公共建筑节能设计文件检查表省(市、自治区)项目名称检查组成员签字:日期:附表6-2:居住建筑节能设计文件检查表(夏热冬暖地区)省(市、自治区)项目名称检查组成员签字:日期:附表7:建筑节能工程施工质量检查表工程所在地区:工程名称:检查组成员签字:检查日期:附表8:工程建设强制性标准执行情况检查表(施工部分)检查组成员签字:检查日期:年月日注:1、检查项目均满足工程建设强制性标准的,评价为“符合”;2、检查项目中有个别内容不满足工程建设强制性标准,但不影响结构安全和使用功能的,评价为“基本符合”;3、检查项目中多个不满足工程建设强制性标准,或有结构安全隐患或影响重要使用功能的,评价为“不符合”;4、(1)受检项目评价为“符合”项≥70%,没有“不符合”项,检查意见为“好”。
(2)受检项目评价为“符合”项≤70%,没有“不符合”项,检查意见为“中”。
(3)受检项目评价为“不符合”项≥1项,检查意见为“差”。
省建设厅08年度民用建筑节能设计及设计审查抽查汇总表第检查组组长(签名):广东省工程勘察设计市场专项检查统计表受检城市名称:市单位:家第检查组检查日期:2008年10月日检查组组长签名:检查组成员签名:附表11:受检企业不符合标准要求或违法违规情况统计表序号不符合标准要求或违法违规企业名称不符合标准要求或违法违规具体内容第检查组检查时间:2008年10月日检查组组长签名:检查组成员签名:附表12:工程勘察设计市场专项(资质)检查表第检查组检查时间:2008年10月日受检企业负责人签名:检查组成员签名:检查组组长签名:附表13:施工图审查机构资格情况等检查表机构名称检查日期资格认定情况机构类别审查业务范围认定书有效期~~资格条件情况专业总人数兼职人数60周岁以下人数结论标准现有缺少标准现有缺少标准现有缺少建筑结构结构cx给水排水暖通空调电气动力自控通信信号站场道路线路桥梁园林环保勘察施工图审查管理信息系统情况□已配置□已配置但未启用□未配置抽检项目情况项目名称项目规模是否超越范围审查第检查组检查时间:2008年10月日审查机构负责人签名:检查组成员签名:检查组组长签名:。
5.方茴说:“那时候我们不说爱,爱是多么遥远、多么沉重的字眼啊。
我们只说喜欢,就算喜欢也是偷偷摸摸的。
”6.方茴说:“我觉得之所以说相见不如怀念,是因为相见只能让人在现实面前无奈地哀悼伤痛,而怀念却可以把已经注定的谎言变成童话。
”7.在村头有一截巨大的雷击木,直径十几米,此时主干上唯一的柳条已经在朝霞中掩去了莹光,变得普普通通了。
8.这些孩子都很活泼与好动,即便吃饭时也都不太老实,不少人抱着陶碗从自家出来,凑到了一起。
9.石村周围草木丰茂,猛兽众多,可守着大山,村人的食物相对来说却算不上丰盛,只是一些粗麦饼、野果以及孩子们碗中少量的肉食。
表3公共及居住建筑节能设计文件检查表1.“噢,居然有土龙肉,给我一块!”2.老人们都笑了,自巨石上起身。
而那些身材健壮如虎的成年人则是一阵笑骂,数落着自己的孩子,拎着骨棒与阔剑也快步向自家中走去。
3.石村不是很大,男女老少加起来能有三百多人,屋子都是巨石砌成的,简朴而自然。
5.方茴说:“那时候我们不说爱,爱是多么遥远、多么沉重的字眼啊。
我们只说喜欢,就算喜欢也是偷偷摸摸的。
”6.方茴说:“我觉得之所以说相见不如怀念,是因为相见只能让人在现实面前无奈地哀悼伤痛,而怀念却可以把已经注定的谎言变成童话。
”7.在村头有一截巨大的雷击木,直径十几米,此时主干上唯一的柳条已经在朝霞中掩去了莹光,变得普普通通了。
8.这些孩子都很活泼与好动,即便吃饭时也都不太老实,不少人抱着陶碗从自家出来,凑到了一起。
9.石村周围草木丰茂,猛兽众多,可守着大山,村人的食物相对来说却算不上丰盛,只是一些粗麦饼、野果以及孩子们碗中少量的肉食。
1.“噢,居然有土龙肉,给我一块!”2.老人们都笑了,自巨石上起身。
而那些身材健壮如虎的成年人则是一阵笑骂,数落着自己的孩子,拎着骨棒与阔剑也快步向自家中走去。
3.石村不是很大,男女老少加起来能有三百多人,屋子都是巨石砌成的,简朴而自然。
5.方茴说:“那时候我们不说爱,爱是多么遥远、多么沉重的字眼啊。
附件1-1:
自查项目汇总表
市(县):
说明:1、表中“图审”“设计”“施工”填写执行建筑节能标准的情况,是否按照相关标准执行;
2、“综合评价”根据执行建筑节能标准情况,填写“合格”“基本合格”“不合格”。
附件1-2:
受检工程基本情况表
工程所在市(县):
检查组成员签字:检查日期:
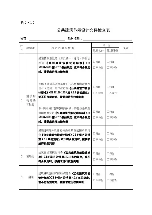
附表1-3:
安徽省公共建筑节能设计文件检查表市(县)项目名称
注:本表评价依据为《公共建筑节能设计标准》GB50189-2005、《建筑照明设计标准》GB50034-2004及《安徽省公共建筑节能设计标准》(简称《省标》)DB34/1467-2011。
检查组成员签字:日期:
附表1-4:
安徽省居住建筑节能设计文件检查表市(县)项目名称
检查组成员签字:日期:附件1-5:
建筑节能工程施工质量检查表市(县)工程名称
检查组成员签字:检查日期:
附件1-6:
绿色建筑项目检查表工程所在市(县):
检查组成员签字:检查日期:。
附件1全市建筑节能与勘察设计工作综合检查表(检查情况汇总表)主管部门(盖章):附件2全市建筑节能与勘察设计工作综合检查表(检查项目汇总表)附件3全市建筑节能与勘察设计工作综合检查表(建筑节能检查表)附表3-1建设行政主管部门检查用表部门名称: _________________________检查组成员签名:检查日期:评分说明1、 检查范围:主要针对各市和县(市、区)建设行政主管部门。
2、 本评分表主要围绕日常推进建筑节能主要方面工作进行评 分,具体包括政策法规、技术标准、行政监管及宣传培训四个方面, 同时考虑各地在推进建筑节能方面工作方法、侧重的不同,另设了抽查结果将作为对推进建筑节能工作的实际效果的评估计入,满分 为70分。
以上各部分总和为200分。
建筑节能创新举措的分值。
本次专项检查将对具体工程进行抽查,3、项目抽查的得分是所有单个项目的平均得分。
附表3-2受检工程基本情况表工程所在地:-----------检查组成员签字:检查日期:附表3-3居住建筑节能设计质量检查用表工程所在地_____________ 项目名称 __________________________________检查组成员签字:检查日期:附表3-4公共建筑节能设计质量检查用表项目所让地___________ 项目名称__________________________________检查组成员签字:检查日期:附表4全市建筑节能与勘察设计工作综合检查表(勘察单位检查用表)受检查工程所在县(区): ____________强制性标准执行情况附表5全市建筑节能与勘察设计工作综合检查表(设计单位检查用表)被检查工程所在市、县(市、区):___________________检查组成员签字: 检查日期:附表6全峭燃踏融畛检查表检查组成员签字:检查日期:附表7全市建帼脚畛检查表检查组成员签字: 检查日期:附件8全市建做麝"查表检查组成员签字:检查日期:。