各部位钢筋名称
- 格式:doc
- 大小:42.00 KB
- 文档页数:20
构造腰筋的作用:由于混凝土收缩量的增大,梁侧面很容易产生两头尖、中间宽像枣核状,上至板底,下至梁底筋处。
梁截面越高裂缝严重。
为了控制裂缝的产生,设置构造腰筋的配筋措施如下:“构造钢筋”纯粹是按构造设置,其作用类似板中的温度筋;都是为了控制裂缝的。
梁截面的腹板高度有二种情况:一种是独立梁,上面没有现浇板,截面的腹板高度取梁有效高度;第二种是当梁上有现浇板时取梁的净高。
这是设计和施工需要注意的问题。
当梁截面的腹板高度>450mm时,梁的侧面应配置构造筋(腰筋),构造腰筋间距不宜大于200mm。
需要注意的是****构造腰筋的搭接与锚固都是150mm。
受扭腰筋的作用:当梁截面上承受扭矩的时候,必须在梁的侧面设置受扭腰筋,受扭腰筋一般由图纸设计人、在图纸上明确标注。
与构造腰筋不同的是,受扭腰筋在端支座锚固同梁的下纵筋一样,是lae,当支座<lae时,担支座0.4lae,折拐15d。
其搭接长度是Lie。
砼受扭构件有两类:一类是有外荷载直接作用产生的扭转,其扭矩可由静力平衡条件求得,与构件的抗扭刚度无关,一般也称为平衡扭转。
如受檐口竖向荷载作用的挑檐梁,受水平制动力作用的吊车梁,截面上承受扭矩,都是这一类扭转。
另一类是超静定结构中由于变形的协调使截面产生的扭矩,称为协调扭矩。
如构件担有次梁的边框架梁。
由于次梁梁端的弯曲、转动、变形使得边框架梁产生扭转,截面承受扭矩。
钢筋名称解释1、纵筋所谓纵筋就沿梁竖向的上下部钢筋,但是腰筋除外。
/主筋都可以叫纵向钢筋(纵筋)/比较长的一般就是纵筋2、负筋负筋是负弯矩钢筋的简称,起的作用是抵抗负弯矩/负筋就是梁或板顶部或面部的钢筋,因为一般的力学把下侧底部受拉的弯距规定为正弯距方向,所以顶部就是负弯距./受力筋就是我们说的底筋(沿受力方向,挑板可是在上面)分布筋就是与受力筋垂直的那个筋(起固定,传力等作用)负筋就是支座处四分之一短跨那个筋(在受力筋上面)/不过悬挑结构以及阀板基础的梁、扳正好和上述相反/板或梁面层的钢筋就是负筋,用来抵抗负弯距用的,因为负弯距产生面层的拉应力/负筋是承受负弯矩的钢筋,一般在梁的上部靠近支座的部位或板的上部靠近支座部位。
钢筋图纸上表示方法及种类1.梁(主梁、次梁、地梁、圈梁)2.柱(受力柱、构造柱)3.板(单向板、双向板)一般情况下单向板我们很少接触。
梁的表示方法梁上主筋和梁下部筋的表示方法;(1).3Ф22;3Ф20 表示上部钢筋为3Ф22,下部钢筋为3Ф20.(2).2Ф12;3Ф18 表示上部钢筋为2Ф12,下部钢筋为3Ф18.(3).4Ф25;4Ф25 表示上部钢筋为4Ф25,下部钢筋为4Ф25.(4).3Ф25;5Ф25 表示上部钢筋为3Ф25,下部钢筋为5Ф25..梁上部钢筋表示方法标在梁上支座处(1).2Ф20 表示两根Ф20的钢筋,通长布置,用于双支箍。
(2).2Ф22+(4Ф12)表示2Ф22为通长,4Ф12架立筋,用于四肢箍。
(3).6Ф25 4/2 表示上部钢筋上排为4Ф25,下排为2Ф25。
(4).2Ф22+2Ф22 表示只有一排钢筋,两根在角部,两根在中部,均匀布置。
3.梁腰中钢筋表示方法:(1).G2Ф12 表示梁两侧的构造钢筋,每侧一根Ф12。
(2).G4Ф14 表示梁两侧的构造钢筋,每侧两根Ф14。
(3).N2Ф22 表示梁两侧的抗扭钢筋,每侧一根Ф22。
(4).N4Ф18 表示梁两侧的抗扭钢筋,每侧两根Ф18。
4.梁下部钢筋表示方法标在梁的下部(1).4Ф25 表示只有一排主筋(即受力筋),4Ф25全部伸入支座内。
(2).6Ф25 2/4 表示有两排钢筋,上排为2Ф25,下排为4Ф25,全部伸入支座。
(3).6Ф25(-2)/4 表示有两排钢筋,上排为2Ф25,不伸入支座,下排为4Ф25,全部伸入支座。
(4).2Ф25+3Ф22(-3)/5Ф25 表示有两排钢筋,上排为5根, 2Ф25,伸入支座,3Ф22,不伸入支座,下排为5Ф25,通长布置,全部伸入支座。
箍筋的表示方法1.Ф10@100/200(2)表示箍筋为Ф10,加密区间为100,非加密区间为200,全为双支箍。
2.Ф10@100/200(4)表示箍筋为Ф10,加密区间为100,非加密区间为200,全为四支箍。
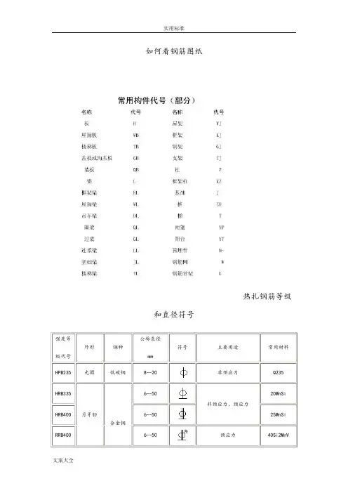
如何看钢筋图纸热扎钢筋等级和直径符号钢筋的标注在图样中一般采用引出线的方法,具体有以下两种标注方法:一般钢筋的表示方法常用构件的代号一、梁上主筋和梁下主筋同时表示方法:⑴3Φ22,3Φ20 表示上部钢筋为3Φ22, 下部钢筋为3Φ20。
⑵2φ12,3Φ18 表示上部钢筋为2φ12, 下部钢筋为3Φ18。
⑶4Φ25,4Φ25 表示上部钢筋为4Φ25, 下部钢筋为4Φ25。
⑷3Φ25,5Φ25 表示上部钢筋为3Φ25, 下部钢筋为5Φ25。
二、梁上部钢筋表示方法:(标在梁上支座处)⑴ 2Φ20 表示两根Φ20的钢筋,通长布置,用于双肢箍。
⑵ 2Φ22+(4Φ12)表示2Φ22 为通长,4φ12架立筋,用于六肢箍。
⑶ 6Φ25 4/2 表示上部钢筋上排为4Φ25,下排为2Φ25。
⑷ 2Φ22+ 2Φ22 表示只有一排钢筋,两根在角部,两根在中部,均匀布置。
三、梁腰中钢筋表示方法:⑴ G2φ12 表示梁两侧的构造钢筋,每侧一根φ12。
⑵ G4Φ14 表示梁两侧的构造钢筋,每侧两根Φ14。
⑶ N2Φ22 表示梁两侧的抗扭钢筋,每侧一根Φ22。
⑷ N4Φ18 表示梁两侧的抗扭钢筋,每侧两根Φ18。
四、梁下部钢筋表示方法:(标在梁的下部)⑴ 4Φ25 表示只有一排主筋,4Φ25 全部伸入支座内。
⑵ 6Φ25 2/4 表示有两排钢筋,上排筋为2Φ25,下排筋4Φ25。
⑶ 6Φ25 (-2 )/4 表示有两排钢筋,上排筋为2Φ25,不伸入支座,下排筋4Φ25,全部伸入支座。
⑷ 2Φ25 + 3Φ22(-3)/ 5Φ25 表示有两排筋,上排筋为5根。
2Φ25伸入支座,3Φ22,不伸入支座。
下排筋 5Φ25,通长布置。
一、箍筋表示方法:⑴φ10@100/200(2) 表示箍筋为φ10 ,加密区间距100,非加密区间距200,全为双肢箍。
⑵φ10@100/200(4) 表示箍筋为φ10 ,加密区间距100,非加密区间距200,全为四肢箍。
剪力墙钢筋计算在计算剪力墙钢筋时,需要考虑以下几个问题:(图18)1、剪力墙需要计算哪些钢筋?剪力墙主要有墙身、墙柱、墙梁、洞口四大部分构成,其中墙身钢筋包括水平筋、垂直筋、拉筋和洞口加强筋;墙柱包括暗柱和端柱两种类型,其钢筋主要有纵筋和箍筋;墙梁包括暗梁和连梁两种类型,其钢筋主要有纵筋和箍筋。
2、计算剪力墙墙身钢筋需要考虑以下几个因素:基础型式、中间层和顶层构造;墙柱、墙梁对墙身钢筋的影响。
(图18)一、墙身竖向筋计算(图19)(图20)(图21)(图22)(图26)二、墙身水平筋计算(图27)三、墙身拉筋计算(图28)(图29)(图30)四、暗柱钢筋计算剪力墙墙柱包括约束边缘暗柱YAZ、约束边缘端柱YDZ、约束边缘翼墙柱YYZ、约束边缘转角柱YJZ、构造边缘暗柱GAZ、构造边缘端柱GDZ、构造边缘翼墙柱GYZ、构造边缘转角柱GJZ(GB50010-2002P195、196、03G101-1P18、49、50)、非边缘暗柱AZ和扶壁柱FBZ共十类,在计算钢筋工程量时,只需要考虑为端柱和暗柱即可。
1、纵筋计算(03G101-1P12、18、49、50)由于剪力墙可视为由剪力墙柱、剪力墙身和剪力墙梁三类构件构成,因此暗柱纵向钢筋构造同墙身竖向筋。
(03G101-1P48)。
(图31)五、端柱钢筋计算通常情况下端柱、小墙肢(截面高度不大于截面厚度3倍的矩形截面独立墙肢)的竖向钢筋与箍筋构造与框架柱相同,其中抗震竖向钢筋构造详见03G101-1P36至P38页,箍筋构造详见P40;非抗震竖向箍筋构造详见03G101-1P42至P44页,箍筋构造详见P45页。
(03G101-1P48)六、剪力墙端为暗柱钢筋计算(图32)(图33)(图34)(图35)七、剪力墙端为端柱钢筋计算(图36)八、剪力墙开洞钢筋计算注:剪力墙开洞除了洞口加强纵筋构造外,还有连梁斜向交叉暗撑构造和连梁斜向交叉钢筋构造两种情况,连梁斜向交叉暗撑的及斜向交叉构造钢筋的纵筋锚固长度为:La E或La,斜向交叉暗撑的箍筋加密要求适用于抗震设计(03G101-1P52)。
如何看钢筋图纸热扎钢筋等级和直径符号强度等级代号外形钢种公称直径mm符号主要用途常用材料HPB235 光圆低碳钢8--20 非预应力Q235HRB335月牙肋合金钢6--50非预应力、预应力20MnSiHRB400 6--50 25MnSi RRB400 6--50 预应力40Si2MnV钢筋的标注在图样中一般采用引出线的方法,具体有以下两种标注方法:①标注钢筋的根数、直径和等级②标注钢筋的等级、直径和相邻钢筋中心距3Ф20:Ф8 @ 200:3:表示钢筋的根数Ф:表示钢筋等级直径符号20:表示钢筋直径Ф:表示钢筋等级直径符号8:表示钢筋直径@:相等中心距符号200:相邻钢筋的中心距(≤200mm)一般钢筋的表示方法名称图例名称图例名称图例钢筋断面带直钩的钢筋端部半圆形弯钩的钢筋塔接无弯钩的钢筋端部带丝扣钢筋端部半直钩的钢筋端部半圆形弯钩的钢筋端部无弯钩的钢筋塔接套管接头常用构件的代号序号名称代号序号名称代号序号名称代号1板B15吊车梁DL29基础J 2屋面板WB16圈梁QL30设备基础SJ 3空心板KB17过梁GL31桩ZH 4槽形板CB18连系梁LL32柱间支撑ZC一、梁上主筋和梁下主筋同时表示方法:⑴3Φ22,3Φ20 表示上部钢筋为3Φ22, 下部钢筋为3Φ20。
⑵2φ12,3Φ18 表示上部钢筋为2φ12, 下部钢筋为3Φ18。
⑶4Φ25,4Φ25 表示上部钢筋为4Φ25, 下部钢筋为4Φ25。
⑷3Φ25,5Φ25 表示上部钢筋为3Φ25, 下部钢筋为5Φ25。
二、梁上部钢筋表示方法:(标在梁上支座处)⑴2Φ20 表示两根Φ20的钢筋,通长布置,用于双肢箍。
⑵2Φ22+(4Φ12)表示2Φ22 为通长,4φ12架立筋,用于六肢箍。
⑶6Φ25 4/2 表示上部钢筋上排为4Φ25,下排为2Φ25。
⑷2Φ22+ 2Φ22 表示只有一排钢筋,两根在角部,两根在中部,均匀布置。
三、梁腰中钢筋表示方法:⑴G2φ12 表示梁两侧的构造钢筋,每侧一根φ12。
2014新规范钢筋符号⼤全及箍筋肢数表⽰热扎钢筋等级和直径符号强度等级代号外形钢种公称直径mm符号主要⽤途常⽤材料HPB300 光圆低碳钢6--22 ⾮预应⼒Q235 HRB335⽉⽛肋合⾦钢6--50⾮预应⼒、预应⼒20MnSi HRB400 6--50 25MnSi RRB400 6--50 预应⼒40Si2MnV钢筋的标注在图样中⼀般采⽤引出线的⽅法,具体有以下两种标注⽅法:①标注钢筋的根数、直径和等级②标注钢筋的等级、直径和相邻钢筋中⼼距3Ф20:Ф8 @ 200:3:表⽰钢筋的根数Ф:表⽰钢筋等级直径符号20:表⽰钢筋直径Ф:表⽰钢筋等级直径符号8:表⽰钢筋直径@:相等中⼼距符号200:相邻钢筋的中⼼距(≤200mm)⼀般钢筋的表⽰⽅法名称图例名称图例名称图例钢筋断⾯带直钩的钢筋端部半圆形弯钩的钢筋塔接⽆弯钩的钢筋端部带丝扣钢筋端部半直钩的钢筋端部半圆形弯钩的钢筋端部⽆弯钩的钢筋塔接套管接头常⽤构件的代号序号名称代号序号名称代号序号名称代号1板B15吊车梁DL29基础J 2屋⾯板WB16圈梁QL30设备基础SJ 3空⼼板KB17过梁GL31桩ZH 4槽形板CB18连系梁LL32柱间⽀撑ZC 5折板ZB19基础梁JL33垂直⽀撑CC 6密筋板MB20楼梯梁TL34⽔平⽀撑SC 7楼梯板TB21懔条LT35梯T 8盖板或沟盖板GB22屋架WJ36⾬蓬YP 9挡⾬板或⼝板檐板YB23托架TJ37阳台YT 10吊车安全⾛道板DB24天窗架CJ38梁垫LD 11墙板QB25框架KJ39预埋件M 12天沟板TGB26钢架GJ40天窗端壁TD 13梁L27⽀架ZJ41钢筋⽹W 14屋⾯梁WL28柱Z42钢筋⾻架G⼀、箍筋表⽰⽅法:⑴φ10@100/200(2) 表⽰箍筋为φ10 ,加密区间距100,⾮加密区间距200,全为双肢箍。
⑵φ10@100/200(4) 表⽰箍筋为φ10 ,加密区间距100,⾮加密区间距200,全为四肢箍。
如何看钢筋图纸常用构件代号(部分)热扎钢筋等级和直径符号钢筋的标注梁上主筋和梁下主筋同时表示方法 :二、 梁上部钢筋表示方法: (标在梁上支座处)⑴ 2Φ20 表示两根 Φ20 的钢筋,通长布置,用于双肢箍。
⑵ 2Φ22+(4Φ12) 表示 2Φ22 为通长, 4φ 12 架立筋,用于六肢箍 ⑶ 6Φ25 4/2 表示上部钢筋上排为 4Φ 25,下排为 2Φ25。
⑷ 2Φ22+ 2Φ 22 表示只有一排钢筋,两根在角部,两根在中部,均匀 布置。
梁腰中钢筋表示方法:⑴ G2φ 12 表示梁两侧的构造钢筋,每侧一根 φ 12。
⑵ G4Φ 14 表示梁两侧的构造钢筋,每侧两根 Φ14 ⑶ N2Φ 22 表示梁两侧的抗扭钢筋,每侧一根 Φ22 ⑷ N4Φ 18 表示梁两侧的抗扭钢筋,每侧两根 Φ18四、 梁下部钢筋表示方法: (标在梁的下部)⑴ 4Φ 25 表示只有一排主筋, 4Φ 25 全部伸入支座内。
⑵ 6Φ25 2/4 表示有两排钢筋,上排筋为 2Φ25,下排筋 4Φ 25。
⑶ 6Φ25 ( -2 )/4 表示有两排钢筋,上排筋为 2Φ25,不伸入支座, 下排筋 4Φ 25,全部伸入支座。
⑷ 2Φ25 + 3Φ22(-3)/ 5Φ25 表示有两排筋,上排筋为 5 根。
2Φ25 伸入支座, 3Φ22,不伸入支座。
下排筋 5Φ25,通长布置。
一、箍筋表示方法:⑴ φ 10@100/200(2) 表示箍筋为 φ 10 ,加密区间距 100 ,非加密区间距200,全 为双肢箍。
⑵ φ 10@100/200(4) 表示箍筋为 φ10 ,加密区间距 100,非加密区间距 200,全 为四肢箍。
⑶ φ 8@200(2) 表示箍筋为 φ8,间距为 200,双肢箍。
⑷ φ 8@100(4)/150(2) 表示箍筋为 φ 8,加密区间距 100,四肢箍,非加密区间距 150 , 双肢箍。
梁上主筋和梁下主筋同时表示方法⑴ 3Φ223Φ20 表示上部钢筋为 3Φ22, 下部钢筋为 3Φ20⑵2φ12, 3Φ18 表示上部钢筋为 2φ12, 下部钢筋为 3Φ18。
如何看钢筋图纸常用构件代号(部分)热扎钢筋等级和直径符号强度等级代号外形钢种公称直径mm符号主要用途常用材料HPB235 光圆低碳钢8--20 非预应力Q235HRB335月牙肋合金钢6--50非预应力、预应力20MnSiHRB4006--50 25MnSi RRB4006--50 预应力40Si2MnV 钢筋的标注在图样中一般采用引出线的方法,具体有以下两种标注方法:①标注钢筋的根数、直径和等级②标注钢筋的等级、直径和相邻钢筋中心距3Ф20:Ф8 @ 200:3:表示钢筋的根数Ф:表示钢筋等级直径符号20:表示钢筋直径Ф:表示钢筋等级直径符号8:表示钢筋直径@:相等中心距符号200:相邻钢筋的中心距(≤200mm)一般钢筋的表示方法名称图例名称图例名称图例钢筋断面带直钩的钢筋端部半圆形弯钩的钢筋塔接无弯钩的钢筋端部带丝扣钢筋端部半直钩的钢筋端部半圆形弯钩无弯钩的套管接头常用构件的代号一、梁上主筋和梁下主筋同时表示方法:⑴3Φ22,3Φ20 表示上部钢筋为3Φ22, 下部钢筋为3Φ20。
⑵2φ12,3Φ18 表示上部钢筋为2φ12, 下部钢筋为3Φ18。
⑶4Φ25,4Φ25 表示上部钢筋为4Φ25, 下部钢筋为4Φ25。
⑷3Φ25,5Φ25 表示上部钢筋为3Φ25, 下部钢筋为5Φ25。
二、梁上部钢筋表示方法:(标在梁上支座处)⑴2Φ20 表示两根Φ20的钢筋,通长布置,用于双肢箍。
⑵2Φ22+(4Φ12)表示2Φ22 为通长,4φ12架立筋,用于六肢箍。
⑶6Φ25 4/2 表示上部钢筋上排为4Φ25,下排为2Φ25。
⑷2Φ22+ 2Φ22 表示只有一排钢筋,两根在角部,两根在中部,均匀布置。
三、梁腰中钢筋表示方法:⑴G2φ12 表示梁两侧的构造钢筋,每侧一根φ12。
⑵G4Φ14 表示梁两侧的构造钢筋,每侧两根Φ14。
⑶N2Φ22 表示梁两侧的抗扭钢筋,每侧一根Φ22。
⑷N4Φ18 表示梁两侧的抗扭钢筋,每侧两根Φ18。
钢筋排布钢筋安排布置。
钢筋工程在施工中,详细具体的钢筋摆放、排列、定位、分布及绑扎。
事实上,钢筋排布并不是那么简单和轻而易举,虽然国家已经发布了若干有关钢筋工程方面的规范与图集,可是在实际操作中,还是有许多疑难问题一直争论不休,没能彻底解决,所以国家建筑标准设计研究院在2006年出台了《06G901-1混凝土结构施工钢筋排布规则与构造详图》(现浇混凝土框架、剪力墙、框架-剪力墙)图集。
这本图集才是钢筋工程关于钢筋排布最有说服力的法规文件。
2008年,国家建筑标准设计研究院又出台了一本《08G101-11.G101系列图集施工常见问题答疑解惑》,到此为止,钢筋排布在框架和剪力墙方面的所有困惑、疑难均已得到圆满的解答。
扁担筋支座上部非贯通纵筋的俗称在建筑工程中,为了承载支座反力也就是负弯矩力而设置的位于支座上部的非贯通短钢筋,人们习惯上叫它扁担筋,因其作用力酷似一根扁担而得名,中间挑起,两端悬浮。
扁担筋位置在第二排的叫作二排扁担筋。
扁担筋伸入两侧跨度内的长度是取两侧较大值并且相等。
吊筋在主梁中,承受次梁集中荷载的一种纵向受力钢筋。
形状为: ̄╲╱ ̄吊筋的计算规则有三:1. 上平直段的长度为该吊筋直径的20倍。
2. 当梁高≤800时,斜长的起弯角度为45度;梁高>800时,斜长的起弯角度为60度。
3. 下平直段的长度等于次梁宽度每侧加上50毫米。
主筋主筋:(zhu jin) main bar亦称纵向受力钢筋,仅在截面受拉区配置的受弯构件称单筋截面受弯构件,同时在截面受压区配置的称为双筋截面受弯构件。
因此主钢筋按其受力不同而有受拉及受压主钢筋两种。
受拉主钢筋系承受拉应力,受压主钢筋则承受压应力。
主筋泛指在混凝土构件中承受重力荷载的钢筋,相对于构造钢筋而言。
主筋在梁中有:梁上部、下部纵向受力钢筋;支座上部纵向贯通与非贯通受力钢筋;抗扭腰筋;主筋在板中有:板支座上部贯通与非贯通受力钢筋,下部纵向受力钢筋;主筋在墙中有:墙水平与竖向分布钢筋;主筋在柱中有:柱纵向受力钢筋;马凳广义为形状像马一样的凳子,狭义指在工程施工中,临时用于站人放料的凳子。
如何看钢筋图纸常用构件代号(部分)热扎钢筋等级和直径符号强度等级代号外形钢种公称直径mm符号主要用途常用材料HPB235 光圆低碳钢8--20 非预应力Q235HRB335月牙肋合金钢6--50非预应力、预应力20MnSiHRB4006--50 25MnSi RRB4006--50 预应力40Si2MnV 钢筋的标注在图样中一般采用引出线的方法,具体有以下两种标注方法:①标注钢筋的根数、直径和等级②标注钢筋的等级、直径和相邻钢筋中心距3Ф20:Ф8 @ 200:3:表示钢筋的根数Ф:表示钢筋等级直径符号20:表示钢筋直径Ф:表示钢筋等级直径符号8:表示钢筋直径@:相等中心距符号200:相邻钢筋的中心距(≤200mm)一般钢筋的表示方法名称图例名称图例名称图例钢筋断面带直钩的钢筋端部半圆形弯钩的钢筋塔接无弯钩的钢筋端部带丝扣钢筋端部半直钩的钢筋端部半圆形弯钩无弯钩的套管接头常用构件的代号一、梁上主筋和梁下主筋同时表示方法:⑴3Φ22,3Φ20 表示上部钢筋为3Φ22, 下部钢筋为3Φ20。
⑵2φ12,3Φ18 表示上部钢筋为2φ12, 下部钢筋为3Φ18。
⑶4Φ25,4Φ25 表示上部钢筋为4Φ25, 下部钢筋为4Φ25。
⑷3Φ25,5Φ25 表示上部钢筋为3Φ25, 下部钢筋为5Φ25。
二、梁上部钢筋表示方法:(标在梁上支座处)⑴2Φ20 表示两根Φ20的钢筋,通长布置,用于双肢箍。
⑵2Φ22+(4Φ12)表示2Φ22 为通长,4φ12架立筋,用于六肢箍。
⑶6Φ25 4/2 表示上部钢筋上排为4Φ25,下排为2Φ25。
⑷2Φ22+ 2Φ22 表示只有一排钢筋,两根在角部,两根在中部,均匀布置。
三、梁腰中钢筋表示方法:⑴G2φ12 表示梁两侧的构造钢筋,每侧一根φ12。
⑵G4Φ14 表示梁两侧的构造钢筋,每侧两根Φ14。
⑶N2Φ22 表示梁两侧的抗扭钢筋,每侧一根Φ22。
⑷N4Φ18 表示梁两侧的抗扭钢筋,每侧两根Φ18。
插筋和植筋,其实就是一个是在混凝土施工时同时施工,一个是混凝土施工完后再施工。
插筋一般是预留钢筋,为下一步施工作准备。
我们常采用有:1、基础部位混凝土施工时,一些非主要构件的钢筋可采用在混凝土初凝前插入到相应部位,如、构造柱的插筋、小型构件的预留筋等。
2、在楼层施工时,上部墙柱增加或上部墙柱的钢筋直径改变时,可采用插筋的方法进行施工,但要注意插筋长度不能在同一面上,要根据要求进行设置;3、一些小型构件在主体结构施工时不便于施工,需要预留插筋。
植植主要是在混凝土施工完的后期进行的。
在施工时要编制专项施工方案,报建设单位或监理单位审批后才能按方案进行施工。
一般主要有增加构件或工程构件加固时使用,另一种常用的情况就是墙柱拉结筋和构造柱或构造梁施工时采用。
前一种情况一般要求专业公司施工,后一种一般只要有可靠的技术保证措施,可按施工组织施工即可。
但要注意的是,植筋一般都要求进行拉拔试验,合格后才能进行下一步施工工序。
拉结筋拉结筋,竖向一般是500一道,水平方向一般是砌体均分就可以了。
墙体拉结筋连接可以有植筋、预埋、绑扎等方式。
普通每500高设一道拉结筋。
也就是0.5米。
在抗震地区,板底设有圈梁时,预制板应在板端每块板缝处设1Φ8的拉接钢筋,中间墙处钢筋每边伸入板中1000mm,端墙处伸入墙中并弯折。
板跨大于4.8m的,还应在顺板跨方向靠墙边的第一块预制板的侧面,按1000mm的间距用1Φ8的钢筋拉接,一端通过板上伸入到第一、二块板间的板缝向下弯折,另一端伸入墙体内弯折。
抗震等级7度及以下地区,上述拉接筋不必与圈梁拉接;8、9度地区,除设上述拉接筋外,还应在板下圈梁中预埋钢筋与上述拉接筋相连。
拉结筋是建筑工程中钢筋类型的一种,把它砌到墙的里面,摆在砖层当中起连接砌体防止开裂的作用。
拉结筋通常用直径6.5毫米细钢筋制成,多用在砖墙的L转角和T字转角处,每隔500毫米放一层,每层每125毫米宽度范围内放一根。
长度按规范。
第三章剪力墙钢筋计算在计算剪力墙钢筋时,需要考虑以下几个问题:(图18)1、剪力墙需要计算哪些钢筋?剪力墙主要有墙身、墙柱、墙梁、洞口四大部分构成,其中墙身钢筋包括水平筋、垂直筋、拉筋和洞口加强筋;墙柱包括暗柱和端柱两种类型,其钢筋主要有纵筋和箍筋;墙梁包括暗梁和连梁两种类型,其钢筋主要有纵筋和箍筋。
2、计算剪力墙墙身钢筋需要考虑以下几个因素:基础型式、中间层和顶层构造;墙柱、墙梁对墙身钢筋的影响。
(图18)一、墙身竖向筋计算当基础梁顶与基础板顶一平时:基础插筋长度=基础高度-保护层+基础底部图22 弯折a+伸出基础顶面外露长度+与上层钢筋连接(图19)(图20)(图21)(图22)钢筋部位及其名称计算公式说明附图中间层竖向钢筋长度=层高-露出本层的高度+伸出本层楼面外露长度+与上层钢筋连接04G101-3P48注:如采用焊接时,搭接长度为0图24图25 (图24)(图25)钢筋部位及其名称计算公式说明附图顶层竖向钢筋长度=层高-露出本层的高度-板厚+锚固lae(la)04G101-3P48图26(图26)二、墙身水平筋计算钢筋部位及其名称计算公式说明附图内侧钢筋长度=墙长-保护层+15d-保护层+15d 03G101-1P47剪力墙钢筋配置若多于两排,中间排水平筋端部构造图27同内侧钢筋(03G101-1P47注5)外侧钢筋外侧钢筋连续通过,则水平筋伸至墙对边,长度=墙长-2*保护层03G101-1P47根数基础层:在基础部位布置间距小于等于500且不小于两道水平分布筋与拉筋04G101-3P32、45 楼层:(层高-水平分布筋间距)/间距+1 03G101-1P47(图27)三、墙身拉筋计算钢筋部位及其名称计算公式说明附图拉筋长度=墙厚-2*保护层+max(75+1.9d,11.9d)*2+2d04G101-3P48 图28 根数=(墙面积-门洞总面积-暗柱所占面积-暗梁面积-连梁所占面积)/(横向间距*纵向间距)当剪力墙竖向钢筋为多排布置时,拉筋的个数与剪力墙竖向钢筋的排数无关。
如何看钢筋图纸热扎钢筋等级和直径符号强度等级代号外形钢种公称直径mm符号主要用途常用材料HPB235 光圆低碳钢8--20 非预应力Q235HRB335月牙肋合金钢6--50非预应力、预应力20MnSiHRB400 6--50 25MnSi RRB400 6--50 预应力40Si2MnV钢筋的标注在图样中一般采用引出线的方法,具体有以下两种标注方法:①标注钢筋的根数、直径和等级②标注钢筋的等级、直径和相邻钢筋中心距3Ф20:Ф8 @ 200:3:表示钢筋的根数Ф:表示钢筋等级直径符号20:表示钢筋直径Ф:表示钢筋等级直径符号8:表示钢筋直径@:相等中心距符号200:相邻钢筋的中心距(≤200mm)一般钢筋的表示方法名称图例名称图例名称图例钢筋断面带直钩的钢筋端部半圆形弯钩的钢筋塔接无弯钩的钢筋端部带丝扣钢筋端部半直钩的钢筋端部半圆形弯钩的钢筋端部无弯钩的钢筋塔接套管接头常用构件的代号序号名称代号序号名称代号序号名称代号1板B15吊车梁DL29基础J 2屋面板WB16圈梁QL30设备基础SJ 3空心板KB17过梁GL31桩ZH 4槽形板CB18连系梁LL32柱间支撑ZC一、梁上主筋和梁下主筋同时表示方法:⑴3Φ22,3Φ20 表示上部钢筋为3Φ22, 下部钢筋为3Φ20。
⑵2φ12,3Φ18 表示上部钢筋为2φ12, 下部钢筋为3Φ18。
⑶4Φ25,4Φ25 表示上部钢筋为4Φ25, 下部钢筋为4Φ25。
⑷3Φ25,5Φ25 表示上部钢筋为3Φ25, 下部钢筋为5Φ25。
二、梁上部钢筋表示方法:(标在梁上支座处)⑴2Φ20 表示两根Φ20的钢筋,通长布置,用于双肢箍。
⑵2Φ22+(4Φ12)表示2Φ22 为通长,4φ12架立筋,用于六肢箍。
⑶6Φ25 4/2 表示上部钢筋上排为4Φ25,下排为2Φ25。
⑷2Φ22+ 2Φ22 表示只有一排钢筋,两根在角部,两根在中部,均匀布置。
三、梁腰中钢筋表示方法:⑴G2φ12 表示梁两侧的构造钢筋,每侧一根φ12。
如何看钢筋图纸热扎钢筋等级和直径符号钢筋的标注在图样中一般采用引出线的方法,具体有以下两种标注方法:一般钢筋的表示方法常用构件的代号一、梁上主筋和梁下主筋同时表示方法:⑴3Φ22,3Φ20 表示上部钢筋为3Φ22, 下部钢筋为3Φ20。
⑵2φ12,3Φ18 表示上部钢筋为2φ12, 下部钢筋为3Φ18。
⑶4Φ25,4Φ25 表示上部钢筋为4Φ25, 下部钢筋为4Φ25。
⑷3Φ25,5Φ25 表示上部钢筋为3Φ25, 下部钢筋为5Φ25。
二、梁上部钢筋表示方法:(标在梁上支座处)⑴2Φ20 表示两根Φ20的钢筋,通长布置,用于双肢箍。
⑵2Φ22+(4Φ12)表示2Φ22 为通长,4φ12架立筋,用于六肢箍。
⑶6Φ25 4/2 表示上部钢筋上排为4Φ25,下排为2Φ25。
⑷2Φ22+ 2Φ22 表示只有一排钢筋,两根在角部,两根在中部,均匀布置。
三、梁腰中钢筋表示方法:⑴G2φ12 表示梁两侧的构造钢筋,每侧一根φ12。
⑵G4Φ14 表示梁两侧的构造钢筋,每侧两根Φ14。
⑶N2Φ22 表示梁两侧的抗扭钢筋,每侧一根Φ22。
⑷N4Φ18 表示梁两侧的抗扭钢筋,每侧两根Φ18。
四、梁下部钢筋表示方法:(标在梁的下部)⑴4Φ25 表示只有一排主筋,4Φ25 全部伸入支座内。
⑵6Φ25 2/4 表示有两排钢筋,上排筋为2Φ25,下排筋4Φ25。
⑶6Φ25 (-2 )/4 表示有两排钢筋,上排筋为2Φ25,不伸入支座,下排筋4Φ25,全部伸入支座。
⑷2Φ25 + 3Φ22(-3)/ 5Φ25 表示有两排筋,上排筋为5根。
2Φ25伸入支座,3Φ22,不伸入支座。
下排筋5Φ25,通长布置。
一、箍筋表示方法:⑴φ10@100/200(2) 表示箍筋为φ10 ,加密区间距100,非加密区间距200,全为双肢箍。
⑵φ10@100/200(4) 表示箍筋为φ10 ,加密区间距100,非加密区间距200,全为四肢箍。
⑶φ8@200(2) 表示箍筋为φ8,间距为200,双肢箍。
1、抗拉强度之马矢奏春创作当钢材屈服到一定水平后, 由于内部晶粒重新排列, 其抵当变形能力又重新提高, 此时变形虽然发展很快, 但却只能随着应力的提高而提高, 直至应力达最年夜值.尔后, 钢材抵当变形的能力明显降低, 并在最薄弱处发生较年夜的塑性变形, 此处试件截面迅速缩小, 呈现颈缩现象, 直至断裂破坏.钢材受拉断裂前的最年夜应力值称为强度极限或抗拉强度.2、屈服强度当应力超越弹性极限后, 变形增加较快, 此时除发生弹性变形外, 还发生部份塑性变形.当应力到达B点后, 塑性应急剧增加, 曲线呈现一个摆荡的小平台, 这种现象称为屈服.这一阶段的最年夜、最小应力分别称为上屈服点和下屈服点.由于下屈服点的数值较为稳定, 因此以它作为资料抗力的指标, 称为屈服点或屈服强度. 3、所谓屈服, 是指到达一定的变形应力之后, 金属开始从弹性状态非均匀的向弹-塑性状态过渡, 它标识表记标帜着宏观塑性变形的开始.扣筋是板的负筋,两头弯是扣在模板上的俗称扣筋支座有负筋,是相对而言的,一般应该是指梁的支座部位用以抵消负弯矩的钢筋, 俗称担担筋.一般结构构件受力弯矩分正弯矩和负弯矩,抵当负弯矩所配备的钢筋称为负筋,一般指板、梁的上部钢筋, 有些上部配置的构造钢筋习惯上也称为负筋.当梁、板的上部钢筋通长时, 年夜家也习惯地称之为上部钢筋.受力筋就是放在下排主要受力用的, 而分布筋则是放在受力钢筋之上起一个将力均匀传递给受力筋.分布筋呈现在板中, 安插在受力钢筋的内侧, 与受力钢筋垂直.作用是固定受力钢筋的位置并将板上的荷载分散到受力钢筋上,同时也能防止因混凝土的收缩和温度变动等原因, 在垂直于受力钢筋方向发生的裂缝.架立钢筋设置在梁的受压区外边缘两侧, 用来固定箍筋和形成钢筋骨架.如受压区配有纵向受压钢筋时, 则可不再配置架立钢筋.架立钢筋的直径与梁的跨度有关.通筋?是通长筋还是贯通筋?通长钢筋就是指在所标的区段内通长设置, 直径可以不相同, 可以采纳搭接连接形式, 保证梁各个部位的这个部份钢筋都能发挥其抗拉强度, 而且两端应按受拉锚固的钢筋.贯通筋是指贯穿于构件(如梁)整个长度的钢筋, 中间既不弯起也不中断, 当钢筋过长时可以搭接或焊接, 但不改变直径.贯通筋既可以是受力钢筋, 也可以是架力钢筋.构造筋:满足构造要求, 对不容易计算和没有考虑进去的各种因素, 所设置的钢筋为构造钢筋.架立筋主要是梁中固定间距和受力筋位置所配置的钢筋.受力筋:通过力学结构计算, 对受弯剪压扭拉等受力部位或构件配置的钢筋, 主要用来接受荷载, 满足结构功能.分布筋:设置在现浇板中, 用来固定受力钢筋, 抵当在计算时忽略的弯矩和各种不确定内力, 这就是属于构造钢筋.负筋:负筋是接受负弯矩的钢筋,一般在梁的上部靠近支座的部位或板的上部靠近支座部位.明白这些, 得学点结构力学的知识.分布筋, 在进行结构力学受力计算时不考虑.仅仅依照规范安插.他的作用有两点:1、把受力钢筋连接起来, 方便绑扎, 固定受力钢筋的位置;2, 当混凝土受力时, 将力传递给附近的受力筋, 共同承当外力.分布筋罕见的是在长条状的板中(四边都有支座, 如长方形房间), 若板的长宽比超越1∶2, 短边钢筋受力是长边钢筋的8倍.此时, 短钢筋是受力主筋, 长钢筋基本是分布筋.这很容易理解, 当你要搭木板过一个长方形坑时, 你从知识也会选择把板子搭在宽度较小的方向.可是板式楼梯和预制多孔板, 长钢筋是主筋, 因为长钢筋的两端才有支座.这时候, 短钢筋是分布筋.对外挑板(例如悬挑屋面板, 挑阳台板, 檐口板), 上部外伸出去的受拉钢筋是受力主筋.明白了这些知识, 在钢筋施工时要注意, 受力主筋要靠混凝土的外沿, 充沛发挥主筋的作用(力臂长).楼梯的主筋在下, 分布筋在上.挑檐板的主筋在上, 分布筋在下.长方形房间楼面下部钢筋, 长筋(分布筋)在上, 短筋(分布筋)在下.整体现浇楼面板, 沿梁或者下部的墙体长度方向都有负弯矩筋, 负弯矩筋在上, 分布筋在下.什么是负筋?……..负筋就是接受负弯矩的钢筋.一般认为梁或板上部受拉是负弯矩,而这种受力情况一般呈现在支座部位, 所以负筋也就是支座部位的受力钢筋, 位于梁或板截面的上部.架立筋是不受力的, 仅仅为了施工方便, 支撑其他钢筋用, 以便形成钢筋网或者钢筋笼, 在许多处所都有用到.分布筋是混凝土楼板中的不受力钢筋, 例如单向板不受力方向的钢筋, 或者板跨中的上部钢筋.分布筋可以起到架立作用, 同时还具有防止楼板因热胀冷缩开裂的作用.板筋就是楼板中所有钢筋的总称什么是单向板双向板?混凝土结构中板的形式根据受力特点分为单向板和双向板只在一个方向弯曲或主要在一个方向弯曲的板成为单向板如果俩个方向都存在弯曲, 且不能忽略任意一个方向的板称作双向板其实简单点你就这样想拿一块纸把四个边固定住如果纸是那种长条形的它就向短边的方向弯曲如果这个纸是长边和短边差未几的矩形或者就是正方形的手帕, 把四个边固定住然后观察它不是中间下陷俩个方向都弯曲吗?这就好比是单向板和双向板的区别.其实平时判定的时候如果板的长边为L02 短边为L01 若长边比短边小于或即是 2 按单向板计算如长边比短边年夜于2小于 3 宜按双向板计算. 若长边和短边之比年夜于即是 3 就按双向板计算找本混凝土结构设计的书应该都有的所谓单向板.双向板, 是以计算方法来区分的.板的长宽比在1:2以内时, 可以把弯距分配给两个方向的钢筋, 这样两个方向的钢筋都是主筋, 两个方向的钢筋都是受力钢筋.而单向板只是短跨方向受力, 长跨方向的受力可以忽略不计, 主要是短跨受力, 把宽度方向的钢筋作为主筋计算, 长度方向的钢筋是不计算其受力的.什么是单向板,什么是双向板,配筋里标的是螺纹16间距150,双层双向,这个双层双向是什么意思?楼板一般是四边支承, 根据其受力特点和支领情况, 又可分为单向板和双向板.在板的受力和传力过程中, 板的长边尺寸L2与短边尺寸L1的比值年夜小, 决定了板的受力情况.《混凝土结构设计规范》GB50010规定:沿两对边支承的板应按单向板计算;对四边支承的板, 当长边与短边比值年夜于3时, 可按沿短边方向的单向板计算;当长边与短边比值小于3时, 宜按双向板计算;当长边与短边比值介于2与3之间时, 亦可按沿短边方向的单向板计算, 但应沿长边方向安插足够数量的构造钢筋;当长边与短边比值小于2时, 应按双向板计算.双层双向是指板的布筋有上层面筋, 下层底筋;每层都有横向和纵向钢筋.单向板和双向板是简称, 是指板内的钢筋是按单层双向还是双层双向安插, 配筋里标的是螺纹16间距150,双层双向:是指板底筋与板面筋都是螺纹16间距150, 双层双向是指底层和面层, X轴和Y轴两个方向答:单向板就是指双方向受力的板, 双向板指的是两个方向受力的板.双层双向是指底筋和面筋两个方向都安插钢筋.单向板可以理解成只在一个方向(X方向或Y方向)受力的板, 而双向板则是指两个方向均受力的板.配筋里标注的双层双向是指板的底层X方向Y方向均配置螺纹16间距150的钢筋, 同时, 板的上层X方向Y方向也均配置螺纹16间距150的钢筋.(即双层钢筋网蓖子)单向板是指长短边比值年夜于或即是3, 双向板是指长短边比值小于2.长短边比值年夜于2而小于3时, 按双向板处置.螺纹16间距150,双层双向,这个双层双向是什么意思?答:就是两个方向, 即x、y两个反方向, 每个方向两层钢筋, 共计4层钢筋单向板和双向板的受力筋放在什么位置(上还是下)?回答1:1单向板钢筋, 短的钢筋为受力筋应放在下面, 长的称分布筋应放在短钢筋的上面.如是地下室底板或承台底钢筋则反之.2.双向板的钢筋也是把短的钢筋放在下面, 长的放在短钢筋的上面.从设计计算受力情况看一般短跨比长跨的跨中弯矩要年夜, 所以短钢筋放在下面对受力更有利(板的受压区高度高更能充沛利用钢筋的拉力).如果双向板两方向跨度相等, 则没有很严格的规定.回答2:1、主筋放在下边, 不论单向板还是双向板, 都是短跨受力年夜.主筋平行短跨设置.(个人总结:主筋应放在受力方向的下边一个部位上, 如力来自上, 则放在下边, 如力来自下(如地基), 则放在上边一个的部位)什么是插筋和植筋?插筋是在砼浇筑之前将柱的纵筋绑扎在基础内,植筋是砼已浇筑, 而钢筋遗漏, 然后钻孔用结构胶将钢筋植于孔内.腰筋腰筋又称“腹筋”分二种:一种为抗扭筋, 在图纸上以N开头, 一种为构造配筋以G开头.梁的抗扭它在设计上属构造配筋, 即力学上不用设计计算具体力的年夜小, 按国家设计规范的构造要求查得此数据.当梁高年夜到一定要求时, 就得加设腰筋, 按几多、加多年夜规格按构造要求规范查得.抗扭腰筋的锚固长度按规范或图集受力钢筋要求设置, 构造配筋的锚固长度按12d且≥150mm要求设置.负筋支座有负筋,是相对而言的,一般应该是指梁的支座部位用以抵消负弯矩的钢筋, 俗称担担筋.一般结构构件受力弯矩分正弯矩和负弯矩,抵当负弯矩所配备的钢筋称为负筋,一般指板、梁的上部钢筋, 有些上部配置的构造钢筋习惯上也称为负筋.当梁、板的上部钢筋通长时, 年夜家也习惯地称之为上部钢筋.分布筋分布筋呈现在板中, 安插在受力钢筋的内侧, 与受力钢筋垂直.作用是固定受力钢筋的位置并将板上的荷载分散到受力钢筋上, 同时也能防止因混凝土的收缩和温度变动等原因, 在垂直于受力钢筋方向发生的裂缝.在剪力墙上, 墙梁与墙柱之外的墙体纵筋横筋亦称作分布筋, 在03G101-1框架剪力墙图集中, 就有剪力墙水平分布筋与剪力墙竖向分布筋的构造做法.负弯矩1、什么是负弯矩:在弯矩图上(如果你学过结构力学你可以跳过这一部份), 向上弯起的弯矩是正弯矩, 反之, 向下弯起的弯矩就是负弯矩;打个比如, 你用手拗一只筷子, 向下拗的时候, 是筷子下部先断;这是正弯矩, 向上拗的时候, 是是筷子上部先断, 这是负弯矩;明白了正负弯的区别, 你就可以往下看了;2、为抵当负弯矩而设置的钢筋就叫负弯矩筋, 在工地上经常简称为“负筋”, 一般来说, 常碰到的负弯矩筋有两种, 一种是楼板与梁交接的处所, 也就是楼板“生根”的处所, 在这个处所, 在楼板受力的影响下, 应该是梁面受力, 对楼板来说, 这就是负弯矩筋, 一般长度为跨过梁面1米左右;另一种就是梁的支座处, 因为梁支端两端受向下的弯矩, 在梁支座处, 存在负弯矩, 这是一个关键部位, 常按锚固要求放一定的负筋, 在工地施工傍边, 这是一个很重要也很严格的检查要点, 它一定不能少, 因为它太重要了!弯矩在建筑力学里界说的时候`任何的构件当弯曲的方向朝下的时候为正弯矩`当弯曲方向向上的时候为负``在楼板中配置负矩筋`其实就是为了防止楼板因为自重发生的力招致支座发生向上弯曲而设计``就像楼板当板跨年夜于6米的时候板中心要有一个千分之二的起拱``悬挑构件配置负弯矩筋的位置一般都在悬挑梁的位置上``向悬挑板和相反方向伸展`钢筋的弯起在受弯件配筋中有.一般应在梁跨的四分之一边跨以内, 该处是梁斜截面剪力最年夜的部位, 既构件的正负弯矩转折处.板、柱配筋中一般不会有.过去在梁中罕见设计配有弯起筋俗称元宝筋.现在可能是钢筋产量年夜了, 有钱了吧, 钢筋弯起筋很少被设计采纳了.弯起位置一般由设计人确定.板中配筋有一种特殊情况配弯起筋, 但于梁中的弯起筋分歧, 板中配筋弯起由底铁中的底铁酿成底铁中的上铁, 是在刀把形板的变截面处.单向板在此变了方向, 所以要求钢筋要“弯起”.弯起筋是指框架主次梁交接处的吊筋!悬臂梁前端弯折部位!鸭筋!部份桩基承台梁中部弯起元宝筋!弯起筋主要是起梁抗扭作用!。
钢筋在图纸上的表示方法及种类钢筋图纸上表示方法及种类1.梁(主梁、次梁、地梁、圈梁)2.柱(受力柱、构造柱)3.板(单向板、双向板)一般情况下单向板我们很少接触。
梁的表示方法梁上主筋和梁下部筋的表示方法;(1).3Ф22;3Ф20 表示上部钢筋为3Ф22,下部钢筋为3Ф20.(2).2Ф12;3Ф18 表示上部钢筋为2Ф12,下部钢筋为3Ф18.(3).4Ф25;4Ф25 表示上部钢筋为4Ф25,下部钢筋为4Ф25.(4).3Ф25;5Ф25 表示上部钢筋为3Ф25,下部钢筋为5Ф25..梁上部钢筋表示方法标在梁上支座处(1).2Ф20 表示两根Ф20的钢筋,通长布置,用于双支箍。
(2).2Ф22+(4Ф12)表示2Ф22为通长,4Ф12架立筋,用于四肢箍。
(3).6Ф25 4/2 表示上部钢筋上排为4Ф25,下排为2Ф25。
(4).2Ф22+2Ф22 表示只有一排钢筋,两根在角部,两根在中部,均匀布置。
3.梁腰中钢筋表示方法:(1).G2Ф12 表示梁两侧的构造钢筋,每侧一根Ф12。
(2).G4Ф14 表示梁两侧的构造钢筋,每侧两根Ф14。
(3).N2Ф22 表示梁两侧的抗扭钢筋,每侧一根Ф22。
(4).N4Ф18 表示梁两侧的抗扭钢筋,每侧两根Ф18。
4.梁下部钢筋表示方法标在梁的下部(1).4Ф25 表示只有一排主筋(即受力筋),4Ф25全部伸入支座内。
(2).6Ф25 2/4 表示有两排钢筋,上排为2Ф25,下排为4Ф25,全部伸入支座。
(3).6Ф25(-2)/4 表示有两排钢筋,上排为2Ф25,不伸入支座,下排为4Ф25,全部伸入支座。
(4).2Ф25+3Ф22(-3)/5Ф25 表示有两排钢筋,上排为5根, 2Ф25,伸入支座,3Ф22,不伸入支座,下排为5Ф25,通长布置,全部伸入支座。
箍筋的表示方法1.Ф10@100/200(2)表示箍筋为Ф10,加密区间为100,非加密区间为200,全为双支箍。
1、纵筋所谓纵筋就沿梁竖向的上下部钢筋,但是腰筋除外。
主筋都可以叫纵向钢筋(纵筋)比较长的一般就是纵筋2、负筋负筋是负弯矩钢筋的简称,起的作用是抵抗负弯矩负筋就是梁或板顶部或面部的钢筋,因为一般的力学把下侧底部受拉的弯距规定为正弯距方向,所以顶部就是负弯距.受力筋就是我们说的底筋(沿受力方向,挑板可是在上面)分布筋就是与受力筋垂直的那个筋(起固定,传力等作用)负筋就是支座处四分之一短跨那个筋(在受力筋上面)不过悬挑结构以及阀板基础的梁、扳正好和上述相反板或梁面层的钢筋就是负筋,用来抵抗负弯距用的,因为负弯距产生面层的拉应力负筋是承受负弯矩的钢筋,一般在梁的上部靠近支座的部位或板的上部靠近支座部位。
3、架立筋一般的说,架立筋是梁中用来架立箍筋的,差不多出现在三肢箍以上的梁,就是两边的筋是通过了,中部筋只有附加筋(也就是我们说的挑筋),如果没有架立筋的话,中部的那肢箍筋没法绑了,所以出现了架立筋.就是将梁中的箍筋架起来形成笼体的筋。
长钢筋就是指在所标的区段内通长设置,直径可以不相同,可以采用搭接连接形式,保证梁各个部位的这个部分钢筋都能发挥其抗拉强度,而且两端应按受拉锚固的钢筋。
架立筋主要是梁中固定间距和受力筋位置所配置的钢筋。
(固定梁内受力筋和箍筋位置,构成梁内骨架的钢筋。
)4、贯通筋贯通筋是指贯穿于构件(如梁)整个长度的钢筋,中间既不弯起也不中断,当钢筋过长时可以搭接或焊接,但不改变直径。
贯通筋既可以是受力钢筋,也可以是架力钢筋。
5、构造筋构造筋:满足构造要求,对不易计算和没有考虑进去的各种因素,所设置的钢筋为构造钢筋。
(因构造要求或施工安装需要而配置的,如腰筋、预埋锚固筋等。
)6、受力筋受力筋:通过力学结构计算,对受弯剪压扭拉等受力部位或构件配置的钢筋,主要用来承受荷载,满足结构功能。
(构件中承受拉压应力的钢筋,梁、板中的受力筋根据其形状分为直筋和弯筋。
)7、分布筋分布筋:设置在现浇板中,用来固定受力钢筋,抵抗在计算时忽略的弯矩和各种不确定内力,这就是属于构造钢筋。
(板内固定受力筋位置的钢筋,与受力筋方向垂直,可抵抗热胀冷缩引起的温度变形。
)8、架立筋和贯通筋有什么区别1)、梁往往并非一跨,而是多跨.贯通筋就是通长筋,一直穿过多跨.中间接头需要绑扎或机械连接,质量确有保证时也可用焊接.2)、梁的集中标注中必注贯通筋.贯通筋是纵筋,是梁最重要的受力筋.3)、梁的的支座需要附加筋和负筋,此类钢筋往往伸入相邻跨三分之一处截断,不是贯通筋.4)、非贯通筋应原位标注.多数时候也是受力筋.5)、梁的箍筋为多肢,上下筋不能满足肢数要求时,需要增加架立筋.架立筋计算时不考虑受力,仅为满足箍筋肢数要求,保证梁的整体性,图纸上不需要标注.6)、梁的侧面有时需要增加构造筋,抗扭钢筋等等,集中标注必注.9、什么是架立筋跨度腰筋架立筋就是本身不受力,但是为了梁钢筋绑扎施工需要所设置的构造配筋,直径不会太大跨度---------指建筑物承载上部重力的任意两个支承点之间的净空距离.腰筋---------混凝土梁内布筋中布置于两侧的中间部位(相当与人的腰部)的钢筋,根据梁的高度,每侧1--N根;主要功能是起围护作用,增强梁的整体性.10、吊筋吊筋就是在主、次梁交接处在主梁上加设的承受次梁传递集中力的一种构造筋,可参考一下03G101-1图集62、63、64页的有关说明。
吊筋是混凝土主梁和支梁相交部位设置的"加力筋"形状呈~\/~型,起增强剪切力作用(箍筋承受剪力或扭力的钢筋,并固定受力筋和架立筋位置,用于梁或柱内。
)11、纵向钢筋?沿着构件的受力钢筋叫纵向钢筋,另一就是横向钢筋或箍筋,不论柱、梁、墙都一样。
柱和梁的钢筋通长的都为纵向钢筋,板上的钢筋有横向和纵向之分在构造手册里看到横向钢筋指的是箍筋和吊筋,横向钢筋主要是为了抗剪和抗扭,而且还有附加横向钢筋的选用原则平法里面的:受力的叫纵向钢筋~~纵向钢筋为受力筋,所谓的横向的钢筋为分布筋,梁板的受力筋为受弯,柱的受力筋为受压弯。
纵向的就是受力构件的钢筋钢筋基础知识§1-1 钢筋的分类钢筋由于品种、规格、型号的不同和在构件中所起的作用不同,在施工中常常有不同的叫法。
对一个钢筋工来说,只有熟悉钢筋的分类,才能比较清楚地了解钢筋的性能和在构件中所起的作用,在钢筋加工和安装过程中不致发生差错。
钢筋的分类方法很多,主要有以下几种:一、按钢筋在构件中的作用分1、受力筋:是指构件中根据计算确定的主要钢筋,包括有:受拉筋、弯起筋、受压筋等。
2、构造钢筋:是指构件中根据构造要求设置的钢筋,包括有:分布筋、箍筋、架立筋、横筋、腰筋等。
二、按钢筋的外形分1、光圆钢筋:钢筋表面光滑无纹路,主要用于分布筋、箍筋、墙板钢筋等。
直径6-10mm 时一般做成盘圆,直径12mm以上为直条。
2、变形钢筋:钢筋表面刻有不同的纹路,增强了钢筋与混凝土的粘结力,主要用于柱、梁等构件中的受力筋。
变形钢筋的出厂长度有9m、12m两种规格。
3、钢丝:分冷拔低碳钢丝和碳素高强钢丝两种,直径均在5mm以下。
4、钢绞线:有3股和7股两种,常用于预应力钢筋混凝土构件中三、按钢筋的强度分在钢筋混凝土结构中常用的是热轧钢筋,热轧钢筋按强度可分为四级,HPB235(Ⅰ级钢),其屈服强度标准值为235MPa;HRB335(Ⅱ级钢),其屈服强度标准值为335MPa;HRB400(Ⅲ级钢),其屈服强度标准值为400MPa;RRB400(Ⅳ级钢),其屈服强度标准值为400MPa。
现浇楼板的钢筋和梁柱的箍筋多采用HPB235级钢筋;梁柱的受力钢筋多采用HRB335、HRB400、RRB400级钢筋。
§1-2钢筋混凝土结构原理混凝土和天然石材一样,是一种脆性材料,钢筋是一种弹性材料,如果将钢筋放到混凝土中就可运用到工程结构上的重要部位。
这种配有钢筋的混凝土叫做钢筋混凝土。
一、钢筋混凝土结构的工作原理为什么要将钢筋和混凝土这两种材料结合在一起工作呢?其目的是为了充分利用材料的各自优点,提高结构承载能力。
因为混凝土的抗压能力较强,而抗拉能力却很弱。
钢筋的抗拉和抗压能力都很强。
把这两种材料结合在一起共同工作,充分发挥了混凝土的抗压性能和钢筋的抗拉性能。
我们把凡是由钢筋和混凝土组成的结构构件统称为钢筋混凝土结构。
钢筋和混凝土这两种物理力学性能截然不同的材料为什么能够结合在一起共同工作呢?这主要是由于(1)硬化后的混凝土与钢筋表面有很强的粘结力;(2)钢筋和混凝土之间有较接近的温度膨胀系数,不会因温度变化产生变形不同步,从而使钢筋与混凝土之间产生错动;(3)混凝土包裹在钢筋表面,能防止钢筋锈蚀,起保护作用。
混凝土本身对钢筋无腐蚀作用,从而保证了钢筋混凝土构件的耐久性。
二、钢筋混凝土结构的优点钢筋混凝土结构有着许多的优点:(1)能充分利用材料的力学性能,提高构件的承载能力,使混凝土应用范围得到拓宽。
(2)耐久性好,几乎不需要维修和养护。
(3)施工时能就地利用水泥、砂子、石子等地方材料,可节约钢材。
(4)可根据设计意图随意造型,适应性较强。
(5)具有良好的耐火性和抗震性。
钢筋混凝土结构正是由于有着这许多的优点,所以已被广泛应用在房屋建筑、市政、道路、桥梁、隧道等许多土建工程中。
§1-3钢筋在构件中的配置在建筑施工中,用钢筋混凝土制成的常用构件有梁、板、墙、柱等,这些构件由于在建筑中发挥的作用不同,所以在其内部配置的钢筋也不尽相同。
(一)梁内钢筋的配置梁在钢筋混凝土构件中属于受弯构件。
在其内部配置的钢筋主要有:纵向受力钢筋、弯起钢筋、箍筋和架立筋等。
1、纵向受力钢筋:布置在梁的受拉区,主要作用是承受由弯矩在梁内产生的拉力。
2、弯起钢筋:弯起段用来承受弯矩和剪力产生的主拉应力,弯起后的水平段可承受支座处的负弯矩,跨中水平段用来承受弯矩产生的拉力。
弯起钢筋的弯起角度有45º和60º两种。
3、箍筋:主要用来承受由剪力和弯矩在梁内产生的主拉应力,固定纵向受力钢筋,与其它钢筋一起形成钢筋骨架。
钢箍的形式分开口式和封闭式两种。
一般常用的是封闭式。
4、架立筋:设置在梁的受压区外缘两侧,用来固定箍筋和形成钢筋骨架。
(二)板内钢筋的配置板在钢筋混凝土构件中属于受弯构件。
板内配置有受力钢筋和分布钢筋两种。
1、受力钢筋:沿板的跨度方向在受拉区配置。
单向板沿短向布置,四边支承板,沿长短边方向均应布置受力筋。
2、分布筋:布置在受力筋的内侧,与受力筋垂直。
分布筋的作用是将板面上的荷载均匀地传给受力钢筋,同时在浇注混凝土时固定受力筋的位置,且能抵抗温度应力和收缩应力。
(三)柱内钢筋的配置柱在钢筋混凝土构件中起受压、受弯作用。
柱根据外形不同有普通箍筋柱和螺旋箍筋柱两种。
柱内配置的钢筋有纵向钢筋和箍筋。
纵向钢筋主要起承受压力的作用,箍筋起限制横向变形,有助抗压强度提高,对纵向钢筋定位并与纵筋形成钢筋骨架的作用。
柱内箍筋应采用封闭式。
(四)墙内钢筋的配置钢筋混凝土墙内根据需要可配置单层或双层钢筋网片,墙体钢筋网片主要由竖筋和横筋组成。
竖筋的作用主要是承受水平荷载对墙体产生的拉应力,横筋主要用来固定竖筋的位置并承受一定的剪力作用。
在设置双层钢筋网片的墙体中,为了保证两钢筋网片的正确位置,通常应在两片钢筋网片之间设置撑铁。
第二章钢筋工识图与配料§2—1 钢筋工识图钢筋工要完成钢筋加工和安装任务,必须学会看懂图纸。
这是首要的任务。
土建工程施工图,一般可分为建筑施工图和结构施工图两大类。
结构施工图包括结构平面图和构件详图两部分。
其中钢筋混凝土结构施工图部分对钢筋工来说,是必须学会看懂的,否则就无法进行钢筋加工和安装。
一、看图步骤和方法一个单位工程的施工图纸,少至几张几十张,多则上百张。
这么多的图纸要有步骤地看,有重点地看,相互联系起来看,才能把它看懂,才能在施工中不出差错。
在一套图纸中,一般在首页有总说明,每张图纸中一般又有附注或局部说明。
在总说明中一般包括:设计依据、设计原则、技术经济指标,结构特征、构件选型、采用材料施工要求、注意事项等内容。
图中附注是对图中某些表达不清楚的地方或特定部位的要求加以补充和说明,它是图纸中不可缺少的部分。
在看图前,首先应看首页总说明。
看了总说明,就会对整个工程有一个初步的较为完整的概念。
在看图过程中,应注意每张图中的附注。
这对看懂施工图是会有好处的。
施工图反映了建筑物的外貌和内部结构型式、具体做法。
它是施工的依据。
在看图时,不能把建筑施工图和结构施工图割裂开,要联系起来看,参照着看。
也就是说,在看建筑施工图时,要联想到结构型式;在看结构施工图时,要知道构件布置在建筑图中什么位置。
同时看图要有侧重,对钢筋工来说,就必须把结构平面布置图和构件详图看懂,才能正确地进行钢筋加工和安装。