(完整word版)资产管理人员绩效考核方案-范本
- 格式:doc
- 大小:60.01 KB
- 文档页数:4
固定资产管理人员绩效考核方案固定资产管理人员是企业中负责管理固定资产的重要岗位之一,其工作质量和绩效直接影响企业的资产管理效果和经营成果。
为了更有效地考核固定资产管理人员的绩效,制定一个科学合理、量化明确的绩效考核方案是必要的。
下面是一个固定资产管理人员绩效考核方案的示例,供参考:一、考核目标和指标1.资产使用效率指标:固定资产利用率。
根据企业规模和行业特点确定合理的利用率目标,并定期进行检查,判断资产是否得到合理利用。
2.资产价值保值增值指标:资产价值增长率。
通过分析资产价值增长情况,评估管理人员的资产保值和增值能力。
3.资产管理成本指标:资产管理费用占总资产比例。
评估资产管理人员管理资产的成本效益,以及对资产管理费用的控制能力。
4.资产保护与维修指标:资产故障率、维修及维护成本占总资产比例。
评估资产管理人员的资产保护和维修能力,以及对维修成本的控制能力。
5.合规管理指标:固定资产管理相关政策和法规的合规程度。
评估资产管理人员的法律法规意识和遵守程度。
二、考核方法和流程1.制定考核周期和频率。
一般以年为考核周期,每季度进行一次绩效评估。
2.收集数据和信息。
资产管理人员需要提供相应的资产管理数据和信息,包括资产利用率、资产价值增长情况、资产管理费用、维修及维护成本等。
3.考核评分。
根据各项指标的完成情况和绩效考核标准,对资产管理人员进行评分。
评分可以采用定量评估和定性评估相结合的方式,确保绩效评估的公正性和客观性。
4.反馈和沟通。
将绩效评估结果及时反馈给被考核人员,并进行解读和讨论,帮助其了解自身的绩效表现,增强绩效改进意识。
5.奖惩机制。
对于表现优异的资产管理人员,可以给予奖励和激励;对于绩效不达标的,可以采取相应的惩罚措施,并提供改进建议和培训支持。
三、考核评价和改进措施1.定期评估和调整绩效考核标准。
根据企业发展和经营需要,及时调整考核指标和权重,确保绩效考核与企业目标一致。
2.建立绩效改进机制。
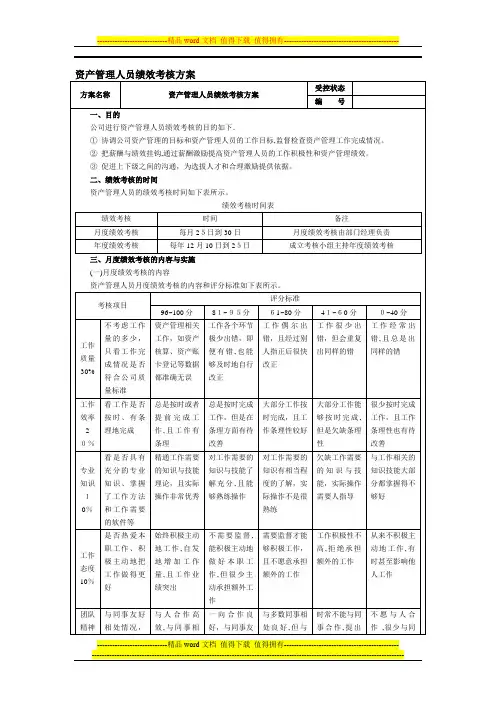
财产管理人员绩效查核方案受控状态方案名称财产管理人员绩效查核方案编号一、目的企业进行财产管理人员绩效查核的目的以下。
①协调企业财产管理的目标和财产管理人员的工作目标,监察检查财产管理工作达成状况。
②把薪酬与绩效挂钩,经过薪酬激励提升财产管理人员的工作踊跃性和财产管理绩效。
③促使上下级之间的交流,为选拔人材和合理激励供给依照。
二、绩效查核的时间财产管理人员的绩效查核时间以下表所示。
绩效查核时间表绩效查核时间备注月度绩效查核每个月 1 日到 10 日月度绩效查核由部门经理负责年度绩效查核每年 12 月 10 日到 25 日人力资源部建立查核小组主持年度绩效查核三、月度绩效查核的内容与实行(一)月度绩效查核的内容财产管理人员月度绩效查核的内容和评分标准以下表所示。
评分标准查核项目96~100 分81~95 分61~80 分41~60 分0~40 分不考虑工作财产管理有关工作各个环节工作偶尔出工作很少出工作经常出量的多少,工作,如财产极少犯错,即错,且经过别错,但会重复错,且老是出工作只看工作完核算、财产账便有错,也能人指正后很快出相同的错相同的错质量成状况能否卡登记等数据够实时地自行更正30%符合企业质都正确无误更正量标准工作效率20% 看工作能否老是准时或许按时、有条提前完成工理地达成作,且工作有老是准时达成工作,可是在条理方面有待大多半工作按时达成,且工作条理性较好大多半工作能极少准时达成够准时达成,工作,且工作可是短缺条理条理性也有待条理改良性改良看能否拥有精晓工作需要对工作需要的对工作需要的短缺工作需要与工作有关的充分的专业的知识与技术知识与技术了知识有相当程的知识与技知识技术大部专业知识、掌握理论,且实质解充足,且能度的认识,实能,实质操作分都掌握得不知识了工作方法操作特别优异够娴熟操作际操作不是很需要人指导够好10%和工作需要娴熟的软件等是否热爱本一直踊跃主动不需要监察,需要监察才能工作踊跃性不素来不踊跃主职工作、积地工作,自觉能踊跃主动地够踊跃工作,高,拒绝肩负动地工作,有工作极主动地把地增加工作做好本职工且不肯意肩负额外的工作时甚至影响他态度工作做得更量,且工作业作,但极少主额外的工作人工作10%好绩突出动肩负额外工作与同事友善与人合作高一向合作良与多半同事相常常不可以与同不愿与人合团队相处状况,效,与同事相好,与同事友处优异,但与事合作,提出作,极少与同精神是否主动与处和睦,能主好相处,踊跃个别同事有小建议的态度或事交流交流5% 人合作,帮动帮助同事解回应同事的求的摩擦方式欠佳助他人决问题助责任对工作的责责任心强,工对工作仔细负对工作仔细负工作责任心不有机会就偷感任感及勤恳作勤勤奋恳责,可是有时责,极少闲谈强懒,不把工作5% 程度需要人提示或打扰他人放在心上是否勇于创决心创新,工愿意运用和提有时提出新想因循保守,墨拒绝创新,敌创新新,提出新作中不停提出出新想法、新法、新举措、守成规视新方法、观能力的、更有效和运用新想举措新工作方法点5%的工作方法法、新举措是否主动学自动自觉地学可以自动自觉踊跃参加企业可以掌握新知学习热情不学习习,且快速习,可以很快地学习,可是组织的培训,识,可是不可以高,学习效率精神掌握新知识地汲取和运用在知识应用方可以掌握和运很快地运用到很低5%新知识面需要提升用新知识工作中工作考虑工作质达成的工作量工作量高出大准时达成企业工作量有时低极少准时达成量量,看工作比要求的多家的均匀水平要求的工作量于均匀水平企业要求的工5% 量的多少作量出勤工作纪律从未告假、迟从未告假,但有时告假、迟有时告假、迟常常告假、迟率性、迟到早到或早走有时迟到或早到或早走,但到或早走,但到或早走5% 退次数等退原因合理原因不合理(二)月度绩效查核结果等级区分财产管理类人员的绩效查核得分为各查核项目得分与其权重之积的总和,其等级区分与赏罚标准以下表所示。
资产管理人员绩效考核一、目的公司进行资产管理人员绩效考核的目的如下。
1.协调公司资产管理的目标和资产管理人员的工作目标,监督检查资产管理工作完成情况。
2.把薪酬与绩效挂钩,通过薪酬激励提高资产管理人员的工作积极性和资产管理绩效。
3.促进上下级之间的沟通,为选拔人才和合理激励提供依据。
二、绩效考核的时间资产管理人员的绩效考核时间如下表所示。
三、月度绩效考核的内容与实施(一)月度绩效考核的内容资产管理人员月度绩效考核的内容和评分标准如下表所示。
(二)月度绩效考核结果等级划分资产管理类人员的绩效考核得分为各考核项目得分与其权重之积的总和,其等级划分与奖惩标准如下表所示。
月度绩效考核等级划分表(三)月度绩效考核的实施资产管理人员的月度绩效考核由部门经理负责,其考核主要由以下三部分组成。
1. 部门经理根据岗位通用评价标准和岗位职责标准,对资产管理人员进行初步评价。
2. 部门经理根据月初资产管理人员上交的工作计划和工作目标,对资产管理人员进行考评打分。
3. 人力资源部根据部门经理提交的月度绩效考核资料和公司规定的岗位绩效要素,对资产管理人员的绩效考核结果进行核定,并负责结果的统计和发布。
四、年度绩效考核的实施资产管理人员的年度绩效考核由人力资源部组建绩效考核小组进行。
年度绩效考核是对月度绩效考核的汇总,其得分为年度12个月绩效考核得分之和的平均数。
年度绩效考核的等级划分,如下表所示。
年度绩效考核等级划分表五、绩效考核结果应用1. 部门经理依据绩效考核的结果选拔优秀人才、辞退不称职人员,并且有针对性地制订员工培训计划,指导资产管理人员学习和成长。
2. 公司通过调整和改善绩效目标,引导资产管理人员调整工作重心,把工作做得更好。
六、绩效结果反馈绩效考核结果反馈是部门经理或绩效考核小组成员,与资产管理人员就绩效考核的结果进行沟通,其目的是引导被考核者做出客观、正确的自我评价,帮助资产管理人员解决工作中存在的问题。
因此,绩效考核结果反馈应该注意以下问题。