电梯定期检验收费标准
- 格式:doc
- 大小:77.50 KB
- 文档页数:1
北京市特种设备检验检测收费标准(试行)一、锅炉检验收费标准(一)锅炉产品制造质量监督检验收费标准。
注:(1)表中D为锅炉容量(t/h);(2)热水锅炉按0.7MW相当于1t/h计算;(3)单台锅炉监检费低于260元的按260元收取;(4)散装及组装锅炉应扣除送引风机、烟囱、水处理设备、炉排、平台扶梯、钢架等部件的价格。
(二)锅炉安装质量监督检验收费标准。
注:(1)散装锅炉安装监检收费按上表收费标准加收20%;(2)台锅炉安装监检费低于260元的按260元收取。
(三)锅炉定期检验收费标准。
注:(1)本表为工作压力小于或等于1.25MPa锅炉定期检验收费标准,工作压力大于1.25MPa 的锅炉定期检验收费按上述收费标准加收30%;(2)强度校核收费,200元/台(D≤6)、300元/台(D>6);(3)每四台模块锅炉( D≤0.2)为一组,每组检验费按上表D<1收取;(4)锅炉化学清洗监督检验收费标准执行锅炉内部检验收费标准。
(四)锅炉修理、改造质量监督检验收费标准。
锅炉修理、改造监督检验费按材料费和工程施工费的3%收取。
注:单台监检费低于260元的按260元收取。
(五)电站锅炉产品制造质量监督检验收费标准。
注:(1)电站锅炉本体出厂价格应扣除随锅炉供应的鼓、引风机、烟囱、除尘器、水泵、水处理设备、炉排、平台扶梯、钢架等附属设施;(2)新产品试制及按国外标准制造在国内使用的电站锅炉,按上述收费标准加收10%。
(六)电站锅炉安装质量监督检验收费标准。
(七)电站锅炉定期检验收费标准注:强度校核收费按外部检验的50%收取。
(八)电站锅炉修理、改造质量监督检验收费标准。
电站锅炉修理、改造监督检验费按工程施工费的0.8% 收取。
注:单台监检费低于500元的按500元收取。
(九)进出口锅炉安全质量监督检验收费标准。
注:(1)单台监检费低于200元的按200元收取;(2)锅炉销售价为锅炉本体价格,不包括运费等其他费用。
电梯定期检验收费标准
首先,根据《特种设备安全法》和《电梯维护管理规定》,电梯定期检验是一
项必要的程序,旨在检查电梯的各项安全设备和运行状况,确保电梯在使用过程中不会出现故障和安全隐患。
定期检验的频率一般为每年一次,对于一些老旧电梯或者运行频繁的电梯,也可以根据实际情况增加检验频率。
其次,电梯定期检验的收费标准主要包括两部分,一部分是检验费用,另一部
分是维护费用。
检验费用是指对电梯进行定期检验所需的人工、设备、材料等费用,一般按照电梯的规模、型号和使用频率等因素进行计算。
而维护费用则是指在检验过程中发现的一些小故障和损坏所需的维修费用,这部分费用一般是根据实际情况进行收费。
另外,为了保障用户的利益,我公司还制定了一些优惠政策,比如对于长期合
作的客户可以享受一定的折扣,对于多台电梯同时检验也可以享受批量优惠等。
同时,我们也提供了灵活的付款方式,可以选择一次性付清或者分期付款,以便更好地满足客户的需求。
最后,我们也建议用户在选择电梯定期检验服务提供商时,不要只看价格,更
要注重服务质量和技术实力。
因为电梯的安全性是无法妥协的,一个靠谱的检验服务提供商可以为用户提供更加放心的服务,减少电梯故障和事故的发生。
总之,电梯定期检验是保障电梯安全运行的重要环节,而收费标准则是保障用
户权益的重要保障。
我们将坚持以用户需求为中心,提供优质的服务,为社会各界提供更加安全可靠的电梯使用环境。
希望广大用户能够重视电梯安全,选择合适的定期检验服务,共同维护城市交通安全。
—1—附件:内蒙古自治区特种设备检验检测收费标准一、机电类特种设备检验(一)电梯定期检验注:1.电梯6层以上每增加1层按上述收费标准加收10%,超出15层时每增加1层按上述收费标准加收15%;杂 物电梯5层以上每增加1层按上述收费标准加收10%;每增加一个贯通门按上述收费标准加收10%;楼层 间距大于4米时,每增加4米(不足4米按4米计算)按增加1层计算;2.自动扶梯提升高度>4米时,每增加1米(不足1米按1米计算),加收10%;自动人行道运行长度>8米时 每增加2米(不足2米按2米计算),加收10%;公共交通型加收30%;3.货梯超过2吨时,每增加1吨(不足1吨按1吨计算)加收10%;4.微机控制的电梯加收10%;集选、并联控制的电梯加收30%;梯群控制的电梯加收40%;5.特种电梯(船舶、防爆、消防、液压、汽车用电梯等)按相应检验收费的2倍收取;6.定期检验周期为1年1次。
(二)起重机械定期检验1.桥、门、门座式起重机定期检验注:1.起重机吨位每增加5吨(不足5吨按5吨计算)按上述收费标准加收10%;幅度、跨度大于10.5米时,每增 加3米(不足 3米按3米计算)按上述收费标准加收10%;起升高度大于4米,每增加2米按上述收费标准 加收10%,不足2米按2米计算; 2.架桥机按桥门定期的2倍收取;3.带有电梯升降结构的按上述收费标准加收20%;4.凡有副钩、抓斗、电磁吸盘、夹钳、双小车、双司机室等起重机按上述收费标准加收30%;5.防爆型、冶金型(包括吊运融熔金属、炽热金属、炽热非金属的起重机)、绝缘型、非标起重机按相应检 验收费的2倍收取;6.桥式起重机、门式起机、门座式起重机定期检验周期每2年1次,吊运熔融金属的起重机,每年1次。
2.塔式起重机定期检验注:1.工作幅度大于20米时,每增加10米按上述收费标准加收10%(不足10米按10米计算);2.起重力矩大于40吨·米的,每增加20吨·米,按上述收费标准加收10%;3.当高度超过10米时,每增加2.5米(不足2.5米按2.5米计算)或一个标准节按上述收费标准加收10%;4.自升式塔机按上述收费标准加收50%,行走式塔机按上述收费标准加收30%,带有电梯升降机的按上述收费标准加收20%;5.定期检验周期为1年1次。
注:1、D 为锅炉蒸发量(小型和常压热水锅炉也按蒸发量折算)。
2、热水锅炉以每 0 。
7 兆瓦(60×104卡/时)折算为蒸发量 1 吨/时。
3 、 锅炉整机指不包括鼓、引风机、给水泵、除尘器以及水处理设备。
4 、 销售价含材料费和安全附件。
收费标准(元/台) 按产品销售价 1.0% 按产品销售价 1.2% 按产品销售价 1.4%汽(火)车槽车 按产品销售价 1 。
5%注: 1、容器类别按《压力容器安全技术监察规程》规定进行分类。
一、二、三类压力容器产品销售价含材料费和安全附件,不包括填充物料.2、汽(火)车槽车、按罐体(含安全附件)的销售价计算收费。
3、散装、组装大型容器(包括球罐)的现场监检,按设备总价的1.5%或者安装工程总费用的 3%收取。
4、不锈钢及有色金属容器制作的设备按上述标准的50%收取。
5、医用氧舱安装监检费按产品销售安装价的 1 。
5%收取。
1、凡新、改、扩建压力管道的安装监检,按其工程总造价(含材料费)的 2~3%收取。
(1)、工程总造价在 100 万元以下(含 100 万元),按 3%收取,且不低于 1000 元。
(2)、工程总造价在 100 万元至 300 万元(含 300 万元),按 2.5 %收取。
(3)、工程总造价在 300 万以上,按 2 %收取。
2 、压力管道元件制作按其销售价收取, A 、B 级分别收取 3%和 4%。
注:各类钢瓶、实行批量性监督检验时,按该批产品总数销售价计收.收费标准(元/只) 按产品销售价 0.8% 按产品销售价 0 。
6% 按产品销售价 0 。
7%气瓶类别 焊接、无缝钢瓶 液化石油气钢瓶 溶解乙炔气钢瓶收费标准(元/台)按锅炉整机销售价 1 。
4%按锅炉整机销售价 1 。
2% 按锅炉整机销售价 1 。
0%锅炉蒸发量(吨/时)D ≤1 1<D ≤4 D >4备注 每台至少 60 元 每台至少 100 元 每台至少 150 元产品名称 一类压力容器 二类压力容器 三类压力容器注:安装(含修理改造)工程费为安装合同确定的总费用(含材料费)。
附件1:内蒙古自治区特种设备资格审查检验检测收费标准一、设计、制造、安装、维修保养、修理(改造)资格审查费注:以上费用不含专家、评审机构评审费、交通费、旅差费、补助费等其它费用。
二、特种设备检测检验收费 (一)电梯定期检验收费标准注:电梯5层以上每增加1层加收10%;每增加一个贯通门加收10%。
(楼层间距 大于4米时,每增加4米(不足4米按4米计算)按增加1层计算);2.自动扶梯提升高度>4米时,每增加1米(不足1米按1米计算)加收10%;自动人行道运行长度>8米时,每增加2米(不足2米按2米计算)加收10%;公共交通型加收30%;3.货梯超过2吨时,每增加1吨(不足1吨按1吨计算)加收10%;4.微机控制的电梯加收10%;集选、并联控制的电梯加收30%;梯群控制的电梯加收40%;进口电梯加收50%;5.特种电梯(船舶、防爆、液压、汽车用电梯等)按相应检验收费的3倍收取;6.环境污染、噪声、高温、粉尘、化工等环境用电梯,加收30%检验费;7.登机电梯检验按客梯收费标准收取检验费;8.检验不合格的设备,整改复检一次,费用按检验费的20-50%收取; 9.不包括单项检验收费;10.超过检验周期时,按监督检验进行收费。
(二)起重机械定期检验收费标准1.桥、门、门座式起重机定期检验收费标准注:(1米时,每增加3米(不足3米按3米计算)加收10%检验费;起升高度大于4米,每增加2米加收10%检验费,不足2米按2米计算;(2)架桥机跨度大于20米时,每增加10米加收10%检验费,不足10米按10米计算; (3)凡有副钩、抓斗、电磁吸盘、夹钳、双小车、双司机室起重机加收30%检验费;(4)带有电梯升降结构的加收20%检验费;(5)防爆型、冶金型(包括吊运融熔金属、炽热金属、炽热非金属的起重机)、绝缘型、非标起重机按相应检验收费的2倍收取;(6)露天作业、高温有毒有害作业场所起重机加收30%检验费;(7)场桥、岸桥、集装箱起重机、绳索起重机按桥、门式起重机收费标准收取检验费; (8)检验不合格的设备,整改复检一次,费用按检验费的20-50%收取; (9)超过检验周期时,按监督检验进行收费。
新疆维吾尔自治区特种设备质量安全行政事业性收费标准第一部分机电类特种设备检验收费部分(电梯、起重机械、客运索道、游乐设施及相关部分)一、电梯检验(一)电梯定期检验、监督检验收费标准设备类别检收验费类标别准客梯(含乘客电梯、医梯和客货梯)货梯、杂物梯自动扶梯、自动人行道8层(含8层)以下8层以上自动扶梯:提升高度≤6m自动人行道:运行长度≤20m提升高度>6m的自动扶梯运行长度>20m的自动人行道定期检验600元/台以8层为基础,,每增加1层,加收30元450元/台450元/台以450元/台为基础,提升高度每增加1米加收30元以450元/台为基础,运行长度每增加1米加收30元监督检验安装检验按电梯总价的1.1%收取按电梯总价的1.1%收取按电梯总价的1%收取按自动扶梯、自动人行道总价1%收取改造、大修检验在定期检验收费基础上加收50%在定期检验收费基础上加收50%在定期检验收费基础上加收50%在定期检验收费基础上加收50%注:(1)信号控制电梯按上表标准加收10%;(2)集选控制电梯按上表标准加收15%;(3)机群控制电梯按上表标准加收20% ;(4)总价含设备购置费、安装费;(5)对于停用一年以上或超期未进行检验的,再次使用前应按法规、标准规定进行检验,并按定期检验基础上加收30%检验费用。
二、起重机械检验(一) 桥、门式等(元/台)吨t≤55<t≤1010<t≤2020<t≤3030<t≤5050<t≤100t>100位(t)检设验备收费标准类类别别定期检验桥式起重机400 450 500 600 650 800 900 门式起重机400 450 500 600 650 900 1000 流动式起重机350 400 450 500 550 650 900 门座起重机350 400 450 450 500 500 650 桅杆起重机300 300 300 300 350 350 400 随车起重机350 300 350 300缆索起重机300 300 350 350电动葫芦及其他类200 350 400 450监督检验安装检验新竣工安装的起重机验收检验收费在定期检验基础上加收50%收取;流动式起重机、履带、铁路起重机等新购置车辆首次检验按以上标准加收50%。
山东省特种设备检验检测收费标准(电梯部分节选)2017年6月19日,由山东省物价局、山东省财政厅共同批准自2017年7月1日开始执行,有效期至2020年6月30日止。
六、电梯定期检验收费标准(一)特种设备检验周期应严格按照相关检验安全技术规范规定的检验周期执行,检验检测项目按照相关检验安全技术规范或标准规定的项目执行。
按照安全技术规范或标准规定需要进行必要的无损检测、材料力学性能检测、材料化学成分分析检测、金相检测和安全附件校验的,按规定的收费项目、收费标准另行计收专项检测费。
制造监督检验费用按台或安全技术规范规定的批次收取;安装监督检验费用按台收取;改造、修理监督检验费用按施工项目收取;定期检验费按台(只、辆)收取;检测费用按收费标准规定的计量单位收取。
(二)特种设备在安装、修理、改造后经检验不合格及定期检验不合格应当复检的,检验费按收费标准的20%收取。
同年度内或同一次改造、重大修理的仅限收取第一次的复检费用,复检费用由责任方承担。
对新安装、改造或重大维修的特种设备,收取相关监督检验费用的,同年度内不得再收取定检费用。
特种设备的零配件更换、维修费用据实收取。
(三)电梯、大型游乐设施、客运索道的安装、改造和重大修理监督检验及起重机械的首次定期检验,按照定期检验收费标准的1.2倍收取。
(四)检验前的准备、清理以及检验后的处理费用均由受检单位承担,如:设备除锈、除垢;管道、系统隔离;炉墙、保温层、容器衬垫的拆装;脚手架的搭拆;耐压试验、气密试验所需介质;盛装易燃、有毒或窒息性介质容器检验前的置换、中和、消毒、清洗及检验过程监测;移动式压力容器抽真空、充氮保护、喷漆等。
(五)符合有关标准,属于高温、粉尘作业环境,或需接触、进入有毒、易燃、易爆介质设备内部的,加收30%;属于高处作业的,加收30%。
(六)设备出厂价格指产品本体(含内件)及附件的出厂价格。
安装、改造和重大修理监督检验及相关检验项目检验费的核算,现场施工总造价不包括设备本体和部件价格。
附件:内蒙古自治区特种设备检验检测收费标准、机电类特种设备检验 (一)电梯定期检验注:1.电梯 6 层以上每增加 1 层按上述收费标准加收 10%,超出 15层时每增加 1 层按上述收费标准加收15%;杂 物电梯 5 层以上每增加 1 层按上述收费标准加收 10%;每增加一个贯通门按上述收费标准加收 10%;楼层 间距大于 4米时,每增加 4米(不足 4米按 4 米计算)按增加 1层计算;2. 自动扶梯提升高度> 4米时,每增加 1米(不足 1 米按 1米计算),加收 10%;自动人行道运行长度> 8米时 每增加 2 米(不足 2 米按 2 米计算 ),加收 10%;公共交通型加收 30%;3. 货梯超过 2吨时,每增加 1吨(不足1吨按1吨计算 )加收10%;4. 微机控制的电梯加收 10%;集选、并联控制的电梯加收 30%;梯群控制的电梯加收 40%;5. 特种电梯(船舶、防爆、消防、液压、汽车用电梯等)按相应检验收费的 2 倍收取;6. 定期检验周期为 1 年 1 次。
(二)起重机械定期检验1. 桥、门、门座式起重机定期检验1.5(55)10%10.5 米时,每增加 3 米(不足 3米按 3 米计算)按上述收费标准加收 10%;起升高度大于 4 米,每增加 2米按上述收费标准 加收 10%,不足 2 米按 2 米计算; 2. 架桥机按桥门定期的 2 倍收取; 3. 带有电梯升降结构的按上述收费标准加收 20%; 4. 凡有副钩、抓斗、电磁吸盘、夹钳、双小车、双司机室等起重机按上述收费标准加收 30%;5. 防爆型、冶金型(包括吊运融熔金属、炽热金属、炽热非金属的起重机)、绝缘型、非标起重机按相应检验收费的 2 倍收取;6.桥式起重机、门式起机、门座式起重机定期检验周期每 2 年 1 次,吊运熔融金属的起重机,每年 1 次。
2.塔式起重机定期检验注: 1.工作幅度大于20米时,每增加10米按上述收费标准加收10%(不足10米按10米计算);2.起重力矩大于40 吨·米的,每增加20 吨·米,按上述收费标准加收10%;3.当高度超过10 米时,每增加 2.5 米(不足 2.5 米按 2.5 米计算)或一个标准节按上述收费标准加收10%;4.自升式塔机按上述收费标准加收50% ,行走式塔机按上述收费标准加收30%,带有电梯升降机的按上述收费标准加收20%;5.定期检验周期为 1 年 1 次。
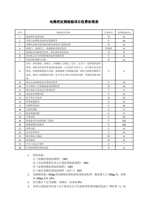
电梯类定期检验项目收费标准表序号检验项目名称计算单位收费标准(元)1 超速保护装置试验项24.2 导线与电缆检查或补偿装置检查台10.3 切断电动机电流或制动器电流的电气装置试验项24.4 玻璃门、玻璃层门、玻璃板装设情况检查层或套 6.5 强制驱动电梯使用条件、制动部件情况检查项8.6 电动机运行时间限制器或监控装置试验台24.7 沉降试验或耐压试验项41.8 台阶;滑轮磨损、检修门、护脚板尺寸测定;信号;安全门;旋转部件防护检查;旋转部件防护检查接地连通性;安全防护空间尺寸;安全警示标志或图案;扶梯围裙板接头间隙、梯级踏板与围裙板间隙;梳齿与踏板齿槽啮合深度、梳齿与齿槽底面间隙;扶手带支承架与轨道面间隙;护壁板间隙及厚度。
点 3.9 液压站及附属设备安装情况检查台24.10 单向阀或下行阀或限速切断阀检查项10.11 液压油缸安装及运行情况检查个17.12 油温监控装置试验台13.13 扶手带安全检查条10.14 检修装置检查台24.15 扶梯桁架结构台50.16 光照度测量点17.17 紧急救援装置台8.18 空载试验台20.19 限速器动作速度校验(现场)只240.20 超载装置性能测试台168.21 消防功能台41.22 技术资料检查台24.23 钢丝绳张力测试根 6.24 速度测试项24.25 开关门及运行噪声点7.26 自动扶梯制停距离试验项41.1.检验依据:①《电梯监督检验规程》-2002②《自动扶梯和自动人行道监督检验规程》-2002③《杂物电梯监督检验规程》-2003④《液压电梯监督检验规程(试行)》-20022.电梯载重量≤500kg的电梯按收费标准逐项累加收费,载重量大于500kg的,每增加500kg加收10%;3.停层数以7层为基数,每增加一层加收6%;1.未列入的检验项目按《关于职业安全卫生检验等收费问题的复函》(粤价费(1)函[1993]37号)文执行。
编制:特种设备网。
电梯检验收费标准————————————————————————————————作者:————————————————————————————————日期:(1)客梯验收检验收费标准客梯(含消防梯.观景梯.液压梯)单位: 元/台载重层数500KG1000KG1500KG2000KG2500KG3000KG 21675 1825 1975 2125 227524253 1750 1900 2050 2200 235025004 1825 1975 2125 2275242525755 1900 2050 2200 2350250026506 1975 2125 22752425257527257 205022002350250026502800821252275242525752725287592200235025002650280029501022752425257527252875302511235025002650280029503100122425257527252875302531751325002650280029503100325014257527252875302531753325152650280029503100325034001627252875302531753325347517280029503100325034003550182875302531753325347536251929503100325034003550370020302531753325347536253775加一层加75加75加75加75加75加75说明: 每增加500公斤加收150元(2)货梯验收检验收费标准货梯(含液压货梯)单位: 元/台载重层数500KG1000KG1500KG2000KG2500KG3000KG 21000 1000 1000 1050 120013503 1000 1000 1000 1125127514254 1000 1000 1050 1200135015005 1000 1000 11251275142515756 1000 1050 12001350150016507 1000112512751425157517258105012001350150016501800 9112512751425157517251875 10120013501500165018001950 11127514251575172518752025 12135015001650180019502100 13142515751725187520252175 14150016501800195021002250 15157517251875202521752325 16165018001950210022502400 17172518752025217523252475 18180019502100225024002550 19187520252175232524752625 20195021002250240025502700加一层加75加75加75加75加75加75说明: 每增加500公斤加收150元(3)扶梯,简易梯,杂物梯验收检验收费标准单位: 元/台杂物梯1000扶梯1950简易梯1000人行道(m) 10m内11~20 21~30 31~40 41~50 51~60 61~70 71~80 81~90 91~100 100以上19502000205021002150220022502300235024002450说明: 每增加10米加收50元(4)电梯定期检验收费标准客梯、货梯(含消防梯、观景梯、液压梯)单位: 元/台载重层数500KG1000KG1500KG2000KG2500KG3000KG备注1--764070476883289696086787428068709349989716780844908972103610754818882946101010741179285692098410481112128308949581022108611501386893299610601124118814906970103410981162122615944100810721136120012641698210461110117412381302171020108411481212127613401810581122118612501314137819109611601224128813521416201134119812621326139014542111721236130013641428149222121012741338140214661530231248131213761440150415682412861350141414781542160625132413881452151615801644加一层加38加38加38加38加38加38杂物梯370扶梯520简易梯500人行道(m) 10m内11~221~30 31~40 41~50 51~60 61~70 71~80 81~90 91~100 100以上10m以内为520元,超过10m的,每增加1~10m,增收50元520 570 620 670 720 770 820 870 920 970 1020说明: 每增加500公斤加收64元。
电梯类定期检验工程收费标准表五电梯
①?电梯监督检验规程?-2002
②?自动扶梯和自动人行道监督检验规程?-2002
③?杂物电梯监督检验规程?-2003
④?液压电梯监督检验规程〔试行〕?-2002
2.电梯载重量≤500kg的电梯按收费标准逐项累加收费,载重量大于500kg的,每增
加500kg加收10%;
3.停层数以7层为基数,每增加一层加收6%;
4.未列进的检验工程按?关于职业平安卫生检验等收费咨询题的复函?〔粤价费〔1〕
函[1993]37号〕文执行。
2、质量监督检验收费总额少于1000元的,按1000元收取;
3、电梯安装〔移装〕、组装、改造和重大维修的工艺图纸审查费按工程总造价的1.5%
计收;
4、国家电梯监督检验规程(标准)对相应的检验工程变更名称时,而该工程的检验内容
全然不变时参照本标准实行。
由于电梯产品质量监督检验的检验工程是依据电梯型式试验规程制定的,检验方法以及检验设备相同,因此电梯型式试验收费可参照电梯产品质量监督检验收费标准执行。
附件1深圳市机电类特种设备检验收费价格表(2006)深圳市特种设备安全检验研究院目录1. 客梯验收检验收费标准;2. 货梯验收检验收费标准;3. 扶梯,简易梯,杂物梯验收检验收费标准;4. 电梯(含客梯,货梯,扶梯,简易梯,杂物梯,人行道)定期检验收费标准;5. 起重机验收检验收费标准;6. 桥(门)式验收检验收费标准(QD,ME,MG,MBG,MH);7. 桥式(双梁)(LH,QD,ME,MG,MBG,MH)等定期检验收费标准;8. 桥式(单梁)(LD,LDA,LDT,LX,CD,MD,CDE,MDE)等定期检验收费标准;9. 门式,门座,岸桥,场桥,正面吊,电动葫芦定期检验收费标准;10. 流动式起重机定期检验收费标准;11. 厂内机动车辆检验收费标准。
(1)客梯验收检验收费标准客梯(含消防梯.观景梯.液压梯)说明: 每增加500公斤加收150元(2)货梯验收检验收费标准货梯(含液压货梯)说明: 每增加500公斤加收150元(3)扶梯,简易梯,杂物梯验收检验收费标准说明: 每增加10米加收50元(4)电梯定期检验收费标准客梯、货梯(含消防梯、观景梯、液压梯)说明: 每增加500公斤加收64元(5)起重机验收检验收费标准(6)桥(门)式验收检验收费标准(QD,ME,MG,MBG,MH)(7)桥式(双梁)LH,QD,ME,MG,MBG,MH等定期检验收费标准(8)桥式(单梁)LD,LDA,LDT,LX,CD,MD,CDE,MDE等定期检验收费标准(9)门式,门座,岸桥,场桥,正面吊,电动葫芦定期检验收费标准正面吊起重量大于5T,每增5T加收10%,则额定起重量与实际收费表如下:(10)流动式起重机定期检验收费标准(11)厂内机动车辆检验收费标准。
电梯定期检验收费标准
苏价费【1997】37号/苏财综【1997】4号/苏劳护【1996】64号
苏价费函【2004】227号/苏财综【2004】168号
○1在用电梯限速器检验收费标准:1、送检:220元/台2、上门检:300元/台
○2其他说明:1、环境处于露天、高温(37℃以上)、有毒的分别按50、100、150元/人的标准加收,加收的人数不得超过3人。
2、被检单位要求在法定节假日安排检验的,按规定标准可加收5%的费用。
3、定期检验不合格再次检验的,再次检验的费用按照标准的50%收取。
4、因受检单位原因造成误工,误工费按照检验检测费用的50%收取。
□注:江苏省特种设备安全监督检验研究院宿迁分院账户信息:
户名:江苏省特种设备安全监督检验研究院宿迁分院
帐号:1116030009000086856 开户行:中国工商银行宿迁分行幸福路支行。