砌体结构 配筋砌体构件的承载力计算
- 格式:ppt
- 大小:266.50 KB
- 文档页数:17
{例题2-10}某带壁柱墙,截面尺寸如图2-26所示,采用烧结普通砖MU10、水泥混合砂浆M5砌筑,施工质量控制等级为B级。
墙上支撑截面尺寸为200mm X 500mm的钢筋混凝土梁,梁端搁置长度为370mm,梁端支承压力设计值为75KN,上部轴向力设计值为170KN。
试验算梁端支承处砌体的局部受压承载力。
解题思路:该墙为T形截面,应注意T型截面时影响砌体局部抗压强度的计算面积A0的确定方法。
未设置垫块时,A0中英包括医院部分的面积;设置刚性垫块后,A0只取壁柱范围内的面积,而不应计入翼缘部分的面积。
{解}本题属图2-18(b)情况的局部受压由表2-3,f=1.50MPaA0=0.37X0.37+2X0.155XO.24=0.2113㎡(见图2-26a)按式(2-54),并取=0.7,得=0.7x1.77x1.50x0.036x1000=66.9KN<75KN。
故梁端支承处砌体的局部受压不安全。
现设置370mmX370mmX180mm的预制混凝土块(见图2-26b),其尺寸符合刚性垫块的要求且垫块伸入翼缘内的长度符合要求。
的作用点由刚性垫块时梁端有效支承长度确定,= =0.33,由表2-12,=5.9,按式(2-62)=0.7x1.0x1.50x0.1369x1000=143.7KN>143.4kn.梁端支撑处砌体局部受压安全。
{例题2-11}某窗间墙截面尺寸为1000mm X 190mm,采用混凝土小型空心砌块MU7.5、水泥混合砂浆Mb5砌筑,施工质量控制等级为B级。
墙上支撑截面尺寸为200mm X 400mm 的钢筋混凝土梁,梁端支承压力设计值为50KN,上部轴向力设计值为90KN。
式验算梁端支撑处砌体的局部受压承载力{解}本题属于2-18(a)情况的局部受压。
由表2-5,f=1.71MPaA0=(b+2h)h=(0.2+2x019)x0.19=0.1102㎡由式(2-53), = = =153mm= =0.153x0.2=0.0306㎡对于未灌孔混凝土砌块砌体,取γ=1.0按式(2-54)并取=0.7,得=0.7x1.0x1.71x0.0306x1000=36.6KN<50KN。
第三章 无筋砌体构件承载力的计算3.1柱截面面积A=0.37×0.49=0.1813m 2<0.3 m 2砌体强度设计值应乘以调整系数γa γa =0.7+0.1813=0.8813查表2-8得砌体抗压强度设计值1.83Mpa ,f =0.8813×1.83=1.613Mpa7.1037.06.31.10=⨯==h H βγβ 查表3.1得:ϕ= 0.8525 kN N kN N fA 1403.249103.249101813.0613.18525.036=>=⨯=⨯⨯⨯=ϕ满足要求。
3.2(1)沿截面长边方向按偏心受压验算 偏心距mm y mm N M e 1863106.06.03210350102.1136=⨯=<=⨯⨯== 0516.062032==h e 548.1362070002.10=⨯==h H βγβ 查表3.1得:ϕ= 0.6681 柱截面面积A=0.49×0.62=0.3038m 2>0.3 m 2 γa =1.0查表2-9得砌体抗压强度设计值为2.07Mpa , f =1.0×2.07=2.07 MpakN N kN N fA 35015.4201015.420103038.007.26681.036=>=⨯=⨯⨯⨯=ϕ满足要求。
(2)沿截面短边方向按轴心受压验算14.1749070002.10=⨯==h H βγβ 查表3-1得:φ0= 0.6915因为φ0>φ,故轴心受压满足要求。
3.3(1)截面几何特征值计算截面面积A=2×0.24+0.49×0. 5=0.725m 2>0.3m 2,取γa =1.0 截面重心位置m y 245.0725.025.024.05.049.012.024.021=⎪⎭⎫ ⎝⎛+⨯⨯+⨯⨯= y 2=0.74-0.245=0.495m截面惯性矩()()232325.0495.05.049.0125.049.012.0245.024.021224.02-⨯⨯+⨯+-⨯⨯+⨯=I =0.02961m 4截面回转半径 m A I i 202.0725.002961.0=== T 形截面折算厚度h T =3.5i=3.5×0.202=0.707m(2)承载力m y m N M e 147.0245.06.06.01159.0630731=⨯=<=== 164.0707.01159.0==T h e 22.12707.02.72.10=⨯==T h H βγβ 查表3-1得:ϕ= 0.4832 查表2-7得砌体抗压强度设计值f =2.07Mpa则承载力为 kN kN N fA 63016.7251016.72510725.007.24832.036>=⨯=⨯⨯⨯=ϕ3.4(1)查表2-8得砌体抗压强度设计值f =1.83 Mpa砌体的局部受压面积A l =0.2×0.24=0.048m 2影响砌体抗压强度的计算面积A 0=(0.2+2×0.24)×0.24=0.1632m 2(2)砌体局部抗压强度提高系数 5.1542.11048.01632.035.01135.010>=-+=-+=l A A γ 取5.1=γ (3)砌体局部受压承载力kNN kN N fA l 13576.1311076.13110048.083.15.136=≈=⨯=⨯⨯⨯=γ%5%46.2%10076.13176.131135<=⨯- 承载力基本满足要求。
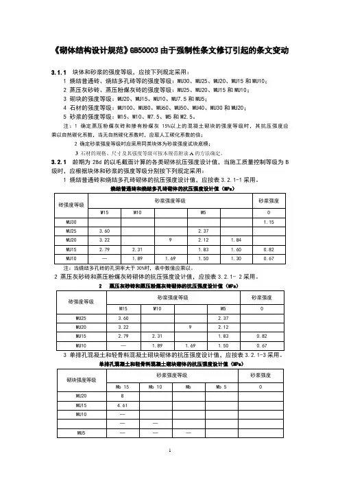
《砌体结构设计规范》GB50003由于强制性条文修订引起的条文变动3.1.1 块体和砂浆的强度等级,应按下列规定采用:1 烧结普通砖、烧结多孔砖等的强度等级:MU30、MU25、MU20、MU15和MU10;2 蒸压灰砂砖、蒸压粉煤灰砖的强度等级:MU25、MU20、MU15和MU10;3 砌块的强度等级:MU20、MU15、MU10、MU7.5和MU5;4 石材的强度等级:MU100、MU80、MU60、MU50、MU40、MU30和MU20;5 砂浆的强度等级:M15、M10、M7.5、M5和M2.5。
注:1 确定蒸压粉煤灰砖和掺有粉煤灰15%以上的混凝土砌块的强度等级时,其抗压强度应乘以自然碳化系数,当无自然碳化系数时,应取人工碳化系数的倍;2 确定砂浆强度等级时应采用同类块体为砂浆强度试块底模;3 石材的规格、尺寸及其强度等级可按本规范附录A的方法确定。
3.2.1 龄期为28d的以毛截面计算的各类砌体抗压强度设计值,当施工质量控制等级为B 级时,应根据块体和砂浆的强度等级分别按下列规定采用:1 烧结普通砖和烧结多孔砖砌体的抗压强度设计值,应按表3.2.1-1采用。
烧结普通砖和烧结多孔砖砌体的抗压强度设计值(MPa)注:当烧结多孔砖的孔洞率大于30%时,表中数值应乘以。
2 蒸压灰砂砖和蒸压粉煤灰砖砌体的抗压强度设计值,应按表3.2.1- 2采用。
2 蒸压灰砂砖和蒸压粉煤灰砖砌体的抗压强度设计值(MPa)3 单排孔混凝土和轻骨料混凝土砌块砌体的抗压强度设计值,应按表3.2.1-3采用。
单排孔混凝土和轻骨料混凝土砌块砌体的抗压强度设计值(MPa)注:1 对错孔砌筑的砌体,应按表中数值乘以0.8;2 对独立柱或厚度为双排组砌的砌块砌体,应按表中数值乘以0.7;3 对T 型截面砌体,应按表中数值乘以0.85;4 表中轻骨料混凝土砌块为煤矸石和水泥煤渣混凝土砌块。
4 砌块砌体的灌孔混凝土强度等级不应低于Cb20,也不应低于1.5倍的块体强度等级。
版权说明:本课件仅供用于非赢利教育目的4 砌体结构构件的承载力PPT: soilfoundation@ (password:foundation)周葆春土木工程学院Email:zhoubcxynu@14 砌体结构构件的承载力4.1 无筋砌体构件的受压承载力4.2 无筋砌体局部受压承载力计算4.3 砌体轴心受拉、受弯、受剪承载力计算4.4 配筋砌体构件24.3 砌体轴心受拉、受弯、受剪承载力计算4.3.1 轴心受拉构件4.3.2 受弯构件4.3.3 受剪构件341 适用范围对圆形水池或筒仓,在液体或松散材料的侧压力下,壁内只产生环向拉力时,可采用砌体结构。
圆形砌体水池池壁的受力4.3.1 轴心受拉构件561 适用范围在弯矩作用下的砌体,如砖砌平拱过梁和挡土墙等,均属受弯构件。
2 砖砌体受弯构件的破坏形态:①沿齿缝、沿砖块和竖向灰缝截面弯曲受拉破坏②沿通缝截面弯曲受拉破坏③支座处受剪破坏(a)过梁沿齿缝破坏受弯构件(b)挡土墙沿齿缝破坏(c)挡土墙沿砖和竖向灰缝破坏(d) 挡土墙沿通缝破坏4.3.2 受弯构件74.3.3 受剪构件试验研究在受剪构件中,除水平剪力外,往往还作用有垂直压力。
因此,砌体沿水平灰缝的抗剪承载力,取决于沿砌体灰缝截面破坏时的抗剪承载力和作用在截面上的垂直压力所产生摩擦力的总和。
试验研究表明,当构件水平截面上作用有压应力时,砌体抗剪承载力有明显地提高,计算时应考虑剪压的复合作用。
891011Thanks for attention!12。
配筋砌体结构构件承载力计算
配筋砌体结构是一种常见的建筑结构形式,其主要是通过在砌体构件中加入钢筋以提高承载力和抗震性能。
在进行配筋砌体结构构件的承载力计算时,需要考虑砌体的强度、钢筋的强度以及构件的几何形状等因素。
下面将详细介绍配筋砌体结构构件承载力计算的相关内容。
首先,需要了解几个关键概念:
1.配筋率:指构件中钢筋的截面积与构件截面积之比。
2.强度增长系数:砌体受压构件由于受到钢筋的约束,其承载能力较无钢筋构件有较大的增长。
为了考虑这个增长的影响,会引入一个强度增长系数。
1.确定构件的几何形状和配筋形式。
2.根据设计要求和材料属性,选取砌体和钢筋的强度等级。
3.根据构件要求和受力情况,做出假设和约束条件。
4.计算构件的自重和附加荷载,包括垂直荷载和水平荷载。
5.根据荷载的大小和分布情况,计算构件的等效荷载。
6.计算构件的抗震强度,包括承载力和剪切强度等。
7.检查构件的外观尺寸和配筋率是否满足规范要求。
8.进行构件的强度校核,包括构件的受拉强度和受压强度等。
9.根据校核结果进行构件设计调整和优化。
在实际计算中,可以通过软件进行计算和分析,如有限元分析软件或钢筋混凝土结构设计软件等,以提高计算效率和准确性。
同时,需要遵循相关规范和标准的要求,确保结构的安全性和可靠性。
总之,配筋砌体结构构件的承载力计算是一个复杂的过程,需要考虑多个因素的综合影响。
通过合理的假设和准确的计算,可以为砌体结构的设计和施工提供科学的依据,从而确保建筑结构的安全性和稳定性。