木门窗安装工程检验批质量验收记录表样本
- 格式:docx
- 大小:13.06 KB
- 文档页数:4
门窗检验批验收记录表
1. 概述
本文档记录了门窗检验批的验收记录,是为了确保门窗质量符合标准要求而进行的检验步骤和结果记录。
2. 检验批信息
2.1 检验批编号
- 检验批编号:[填写检验批编号]
2.2 检验批类型
- 检验批类型:[填写检验批类型,如门窗类型]
2.3 生产单位信息
- 生产单位名称:[填写生产单位名称]
- 生产单位地址:[填写生产单位地址]
- 联系人:[填写生产单位联系人]
- 联系[填写生产单位联系电话]
3. 检验项目
3.1 项目1
- 项目名称:[填写检验项目名称]
- 检验标准:[填写相应标准]
- 检验结果:[填写检验结果,合格/不合格]
3.2 项目2
- 项目名称:[填写检验项目名称]
- 检验标准:[填写相应标准]
- 检验结果:[填写检验结果,合格/不合格] [继续添加检验项目,按照相同格式进行填写]
4. 检验人员信息
4.1 检验员信息
- 检验员姓名:[填写检验员姓名]
- 职务:[填写检验员职务]
4.2 复核人信息
- 复核人姓名:[填写复核人姓名]
- 职务:[填写复核人职务]
5. 检验日期及备注
5.1 检验日期
- 检验日期:[填写检验日期]
5.2 备注
[填写任何需要备注的信息]
---
以上是门窗检验批验收记录表的内容。
请注意,这份文档为参考模板,具体内容请根据具体情况进行修改和填写。
门窗检验批的验收过程中应严格按照相关标准进行检验,确保门窗质量符合要求,以提供安全、可靠的产品。
木质门窗安装工程检验批质量验收记录
项目基本信息
- 工程名称:
- 项目地点:
- 项目负责人:
- 施工单位:
- 监理单位:
- 检验单位:
一、检验依据
根据《建设工程质量检验与评定规程》(GB-2011)的相关要求,进行木质门窗安装工程的质量验收。
二、检验内容
对以下项目进行检验:
1. 门窗材料的合格证明;
2. 门窗尺寸和形状是否符合设计要求;
3. 门窗的安装位置是否正确;
4. 门窗边缘是否密封良好;
5. 门窗运行是否灵活、平稳;
6. 门窗是否符合耐火、防盗等相关要求。
三、检验结果
经检验,木质门窗安装工程如下:
1. 材料合格证明齐全;
2. 门窗尺寸和形状符合设计要求;
3. 门窗的安装位置正确;
4. 门窗边缘密封良好,无明显裂缝;
5. 门窗运行灵活、平稳;
6. 门窗符合耐火、防盗等相关要求。
四、不合格项处理
经检验,木质门窗安装工程未发现不合格项,验收结果合格。
五、检验结论
根据检验结果,经确认,木质门窗安装工程质量验收合格。
六、备注
(此处可填写与验收有关的其他信息)
七、检验单位意见
检验单位负责人签名:日期:
八、项目负责人意见项目负责人签名:
日期:
九、监理单位意见
监理单位负责人签名:日期:。
门窗安装工程检验批质量验收记录门窗安装工程检验批质量验收记录
1. 基本信息
- 项目名称:[项目名称]
- 工程地点:[工程地点]
- 受检单位:[受检单位]
- 检验日期:[检验日期]
2. 验收内容
2.1 门窗材料验收情况
- 门窗型号:[门窗型号]
- 材料规格:[材料规格]
- 验收数量:[验收数量]
- 确认合格数量:[确认合格数量]
- 不合格情况说明:[不合格情况说明]
2.2 门窗安装质量检验
- 安装位置:[安装位置]
- 确认安装合格数量:[确认安装合格数量]
- 合格情况说明:[合格情况说明]
- 不合格情况说明:[不合格情况说明]
3. 检验结果
根据对上述内容的详细检验,以下为本次门窗安装工程的质量验收结果:
- 门窗材料验收情况:合格/不合格
- 门窗安装质量验收情况:合格/不合格
4. 验收结论
根据本次门窗安装工程的检验结果,结论如下:
- 若门窗材料验收情况和门窗安装质量验收情况都合格,则验
收结论为合格。
- 若门窗材料验收情况或门窗安装质量验收情况有不合格情况,则验收结论为不合格。
5. 备注
[备注内容]
6. 检验员签名
检验员:[检验员姓名]
签名:[检验员签名]
日期:[日期]
7. 受检单位承认与接受
本次检验结果经受检单位确认与接受。
受检单位:[受检单位名称]
签名:[受检单位签名] 日期:[日期]。
木门窗安装检验批质量验收记录注:本表内容的填写需依据《现场验收检验批检查原始记录》。
本检验批质量验收的规范依据见本页背面。
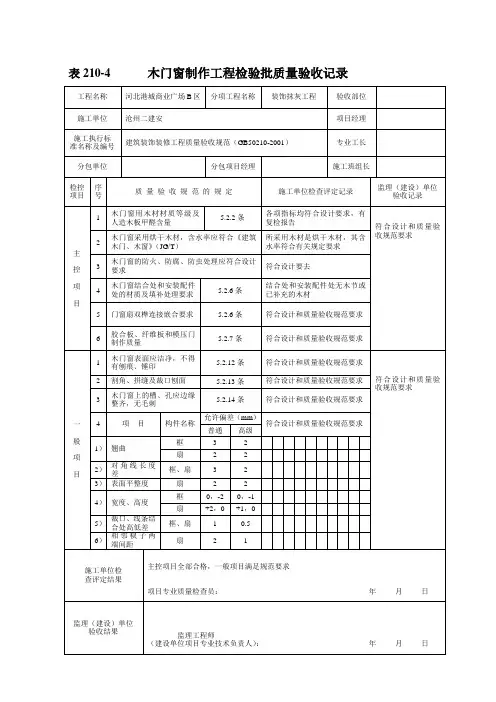
填写说明一、填写依据1 《建筑装饰装修工程质量验收规范》GB50210-2001。
2 《建筑工程施工质量验收统一标准》GB50300-2013。
二、检验批划分各分项工程的检验批应按下列规定划分:1 同一品种、类型和规格的木门窗、金属门窗、塑料门窗及门窗玻璃每100樘应划分为一个检验批,不足100樘也应划分为一个检验批。
2 同一品种、类型和规格的特种门每50樘应划分为一个检验批,不足50樘也应划分为一个检验批。
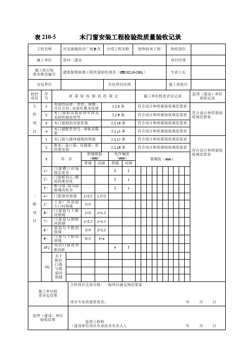
三、GB50210-2001规范摘要主控项目5.2.8 木门窗的品种、类型、规格、开启方向、安装位置及连接方式应符合设计要求。
检验方法:观察;尺量检查;检查成品门的产品合格证书。
5.2.9 木门窗框的安装必须牢固。
预埋木砖的防腐处理、木门窗框固定点的数量、位置及固定方法应符合设计要求。
检验方法:观察;手扳检查;检查隐蔽工程验收记录和施工记录。
5.2.10 木门窗扇必须安装牢固,并应开关灵活,关闭严密,无倒翘。
检验方法:观察;开启和关闭检查;手扳检查。
5.2.11 木门窗配件的型号、规格、数量应符合设计要求,安装应牢固,位置应正确,功能应满足使用要求。
检验方法:观察;开启和关闭检查;手扳检查。
一般项目5.2.15 木门窗与墙体间缝隙的填嵌材料应符合设计要求,填嵌应饱满。
寒冷地区外门窗(或门窗框)与砌体间的空隙应填充保温材料。
检验方法:轻敲门窗框检查;检查隐蔽工程验收记录和施工记录。
5.2.16 木门窗批水、盖口条、压缝条、密封条安装应顺直,与门窗结合应牢固、严密。
检验方法:观察;手扳检查。
5.2.18 木门窗安装的留缝限值、允许偏差和检验方法应符合表5.2.18的规定。
木门窗安装工程检验批质量验收记录表
GB50210 —
(n )
030301 □
030301
主控项目
1、木门窗的品种、类型、规格、开启方向、安装位置及连接方式应符合设计要求。
观察
和尺量检查。
2、木门窗框的安装必须牢固。
预埋木砖的防腐处理、木门窗框固定点的数量、位置及固定方法应符合设计要求。
观察和手扳检查。
3、木门窗扇必须安装牢固,并应开关灵活,关闭严密,无倒翘。
观察、开启、关闭和手扳检查。
4、木门窗配件的型号、规格、数量应符合设计要求,安装应牢固,位置应正确,功能应满足使用要求。
观察、开启、关闭和手扳检查。
一般项目
1、木门窗与墙体间缝隙的填嵌材料应符合设计要求,填嵌应饱满。
寒冷地区外门窗(或门窗框)与砌体间的空隙应填充保温材料。
轻敲门窗框检查;检查隐蔽工程验收记录和施工记录。
2、木门窗批水、盖口条、压缝条、密封条的安装应顺直,与门窗结合应牢固、严密。
观察和手扳检查。
3、安装留缝隙值及允许偏差符合下表规定。