超声波检测仪校验
- 格式:doc
- 大小:130.00 KB
- 文档页数:6
№:×××××-×共×页×××××非金属超声波检测仪校验校验报告×××××××工程检测有限公司×年×月×日试验:编写:审核:批准:1、目的校验检测设备,保证试验检测的准确性和稳定性。
2、校验依据CECS21:2000《超声法检测混凝土缺陷技术规程》3、被校仪器名称编号××××非金属超声波检测仪仪器编号:××××××4、超声波检测仪的校验4.1方法:超声仪声时计量检验按“时—距”法测量空气声速的实测值v s,并与空气声速标准计算值v c相比较二者之间的相对误差不大于±0.5%,即可定为合格。
图1 19℃所测空气声速的“时—距”图4.2步骤:4.2.1将一对平面换能器置于桌面上如图2,并在换能器下面垫以海发射换能器接收换能器刻度尺泡沫塑料水平桌面棉或泡沫塑料并保持两个换能器的轴线重合及辐射面相互平行,同时换能器的辐射面相互对准;图2 换能器移动示意图4.2.2将换能器,接于超声仪器上,并以间距为50、100、150、200、250、300、350、400、450、500mm 依次放置在空气中,在保持首波幅度一致的条件下,读取各间距所对应的声时值t1、t2、t3……tn。
;4.2.3测点数应不少于10个。
4.2.4以测距li 为纵坐标,以声时读数ti 为横坐标,绘制“时-距”坐标图(,或用回归分析法求出li 与ti 之间的回归直线方程l=a+bt (式中a 、b 为待求的回归系数)。
坐标图中直线AB 的斜率“Δl/Δt ”或直线方程的回归系数“b ”即为空气声速的实测值v s(精确至0.1m/s)。
(完整word版)超声波检查仪质量控制规程超声波检查仪质量控制规程1. 引言本质量控制规程适用于超声波检查仪的质量控制过程。
超声波检查仪是一种用于医学诊断的重要设备,质量控制的有效实施可以确保仪器的准确性和可靠性。
本规程旨在规定超声波检查仪质量控制的具体要求和操作流程。
2. 质量控制要求2.1 设备校准要求超声波检查仪应按照制造商提供的校准方法进行校准,确保其工作参数的准确性和稳定性。
校准应定期进行,并记录检查仪的校准日期和结果。
2.2 仪器维护要求超声波检查仪应按照制造商提供的维护手册进行定期维护。
对于维护任务,应有专门的维护人员负责,定期进行维护并记录维护日期和维护内容。
2.3 环境要求超声波检查仪的使用环境应符合以下要求:- 温度:在15℃-30℃范围内,相对湿度在30%-75%之间;- 电源:电源电压稳定,电源线接地良好;- 噪音:环境噪音应控制在较低水平。
2.4 操作要求超声波检查仪的操作人员应具备合格的操作证书,并严格按照操作手册进行操作。
操作过程中,应保持仪器干净整洁,避免与其他设备或物品相互干扰。
2.5 质量记录要求所有超声波检查仪的校准、维护和操作记录都应保存完整并可追溯。
记录内容包括但不限于校准日期、校准结果、维护日期、维护内容、操作人员等。
记录应具备可读性,且存档时间不少于两年。
3. 质量控制流程3.1 校准流程3.1.1 根据制造商提供的校准方法,准备所需校准工具和标准样品。
3.1.2 按照校准方法,对超声波检查仪进行校准。
3.1.3 记录校准日期和结果,保存校准记录。
3.1.4 定期进行仪器校准,周期根据实际情况确定。
3.2 维护流程3.2.1 按照制造商提供的维护手册,准备所需维护工具和材料。
3.2.2 按照维护手册,进行超声波检查仪的定期维护,包括清洁、润滑、更换零部件等。
3.2.3 记录维护日期和内容,保存维护记录。
3.2.4 定期进行仪器维护,周期根据实际情况确定。
超声波探伤仪检定规程引言超声波探伤仪是一种广泛应用于工业领域的检测设备,用于检测材料内部的缺陷或异物。
为了保证超声波探伤仪的准确性和可靠性,需要进行定期的检定。
本文将详细介绍超声波探伤仪检定的规程和步骤。
检定目的超声波探伤仪的检定旨在验证设备的测量准确性、敏感度以及其他性能指标,以确保其在实际使用中能够正常工作并正确地检测缺陷和异物。
检定方法选择超声波探伤仪的检定方法应选择符合国家标准或行业规范的方法,并根据设备的特点和用途进行合理的调整。
一般常用的检定方法有以下几种:1.回波幅值检定–使用标准试块进行测量,通过比对回波信号的幅值与试块设定值的差异,评估超声波探伤仪的测量准确性。
2.分辨力检定–采用不同直径的孔板进行检测,通过分析超声波探测到的信号的清晰度和分辨能力,评估设备的敏感度和分辨力。
3.脉冲重复频率检定–通过测量超声波探测仪器的脉冲重复频率,以判断设备的工作频率是否符合规定要求。
检定设备准备在进行超声波探伤仪的检定之前,需要做好以下准备工作:1.检定仪器和设备:–确保超声波探伤仪器的正常工作状态,包括电源供应、传感器的连接和校准等。
2.校准试块和标准器件:–准备一套标准试块,并根据规定的要求进行校准。
3.测试环境准备:–确保测试环境符合要求,包括温度、湿度和电磁干扰等。
检定步骤步骤一:回波幅值检定1.首先,选取一块符合要求的标准试块,并进行相关的校准工作。
2.将标准试块放置在检测台上,并调整超声波探测器的位置和角度,使其与试块表面垂直。
3.使用超声波探测仪器进行扫描,记录所得的回波信号的幅值。
4.将记录的回波信号与试块的设定值进行比对,计算出差异,并判断是否符合要求。
步骤二:分辨力检定1.准备一组具有不同直径的孔板,并确保其直径和深度的测量准确性。
2.将孔板放置在检测台上,并使用超声波探测仪器进行扫描。
3.观察和记录超声波探测到的信号,并评估其清晰度和分辨能力。
4.根据观察结果,判断设备的分辨力是否达到要求。
超声波测厚仪校验规程 JLXY04-2005
1. 编制依据:
超声波测厚仪使用手册。
2. 适用范围:
对新购或年检的超声波测厚仪进行校验。
3. 技术要求
精度:1.2mm~200mm ±(0.5%厚度值+0.1mm)
4. 校验项目
4.1 外观
4.2 测量精度
5. 校验用器材
5.1 标准试块
6. 校验方法
6.1 外观检查
配件齐全,外观不得有硬碰伤和变形,所有紧固件及接口件不得松脱和脱落。
6.2 测量精度
取最大误差. ︱仪器示值-标称值︱=误差
7.校验报告
7.1 最大误差在允许值范围内,则该超声波测厚仪合格;
最大误差超出说明书要求则为不合格;
校验合格的仪器,应出具校验报告,校验不合格的仪器不得使用.
7.2 超声波测厚仪校验周期为1年。
当测厚仪存放时间超过1年时,使用前必须重新校验。
当被测量材料的声速与普通钢声速(5900m/s)不同时,应用已知厚度的被测材料重新校验。
超声波测厚仪校验记录
超声波测厚仪校验报告。
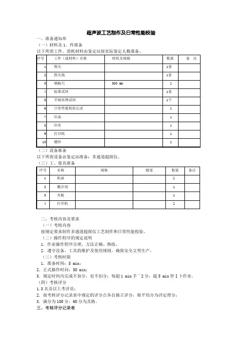
超声波工艺制作及日常性能校验
一、准备通知单
(一)材料及1.件准备
以下所需工件、消耗材料由鉴定站按实际鉴定人数准备。
(二)设备准备
以下所需设备由鉴定站准备:多通道超探仪。
(三)工、量具准备
二、考核内容及要求
(一)考核内容
按规定要求制作多通道超探仪工艺制作和日常性能校验。
(二)操作程序的规定说明
1.作业操作程序合理,方法正确、熟练。
2.遵守没备、工具的维护及使用规则,确保安全文明生产。
(三)考核时限
1.准备时间:5 min;
2.正式操作时问:50 min;
3.规定时间内完成不加分,也不扣分;每超1 min手¨2分,超5 min停I卜作业。
(四)考核评分
1.3名及以上考评员;
2.按考核评分记录表中规定的评分点各自独立评分,取平均分为评定得分;
3.满分为100分,60分为及格。
三、考核评分记录表
单位:姓名:考号:考核口期:年月日
考评员考评组长签字签字。
数字式超声探伤仪校准规程1.范围本操作规程适用于A型脉冲反射式手动超声探伤仪的校准和检定;以此来确定超声波设备的有效性,2.检定周期与内容2.1每三个月对仪器的盲区(仅限直探头)、灵敏度余量和分辨力进行一次核查并记录。
2.2每六个月对仪器和探头组合性能中的水平线性和垂直线性进行一次运行核查并记录。
2.3每年至少对超声仪器和探头组合性能中的水平线性、垂直线性、组合频率、盲区(仅限直探头)、灵敏度余量、分辨力以及仪器的衰减器精度,进行一次校准并记录。
3.参考标准3.1JB/T10062-1999《超声检测用探头性能测试方法》3.2JB/T9214-2010A型脉冲反射式超声波系统工作性能测试方法3.3NB/T47013.3-2015承压设备无损检测4.人员职责4.1仪器检定应由超声Ⅱ级及以上人员负责组织实施。
4.2应由至少为超声Ⅱ级人员负责实施自检并出具自检报告,由超声III级负责自检报告的审核。
4.3校准与核查人员应熟悉A型脉冲反射式超声探伤仪的结构、工作原理和使用方法,熟悉本规程引用的相关标准,能正确按本规程方法进行检定工作并填写检定记录。
5.设备与器材超声波探伤仪,2.5PΦ1400纵波直探探头(日常使用纵波直探头),2.5P13×13K2横波斜探头,DB-P型试块,CSK-ⅠA型标准试块,耦合剂。
6.测试内容垂直线性,水平线性,动态范围,灵敏度余量,仪器噪声电平,分辨力,组合频率,盲区。
7.测试方法7.1垂直线性误差测试7.1.1JB/T9214-2010《A型脉冲反射式超声检测系统工作性能测试方法》规定垂直线性误差≤5%。
7.1.2垂直线性定义:仪器垂直线性是示波屏上波高与探头接收的信号幅值之间成正比的程度,它取决于仪器放大器的性能。
垂直线性用垂直线性误差表示。
垂直线性影响缺陷的检出和定量。
7.1.3测试设备与器材(1)2.5PΦ1400纵波直探探头(日常使用纵波直探头)(2)耦合剂(3)超声波探伤仪(4)DB-P型试块7.1.4测试步骤(1)将仪器与探头连接,将探头用恒定压力压在试块上,参见图1,中间加适当的耦合剂,以保持稳定的声耦合,并将平底孔的回波调至屏幕上时基线的适当位置,使用衰减器使孔的回波高度恰为100%满刻度,此时衰减作为“0”Db,且衰减器至少还应有30dB的衰减余量。
超声波在仪器仪表校准中如何提高校准效率在当今的工业生产和科学研究中,仪器仪表的准确性和可靠性至关重要。
而校准工作则是确保仪器仪表性能的关键环节。
超声波作为一种先进的检测技术,在仪器仪表校准中发挥着越来越重要的作用。
如何充分利用超声波技术提高校准效率,成为了一个值得深入探讨的课题。
首先,我们需要了解超声波校准的基本原理。
超声波是一种频率高于20kHz 的机械波,它在介质中传播时具有良好的指向性和穿透能力。
在仪器仪表校准中,通常利用超声波的传播速度和反射特性来测量距离、厚度、液位等参数,并与标准值进行比较,从而实现校准。
要提高超声波在仪器仪表校准中的效率,选择合适的超声波设备是关键。
市场上的超声波校准设备种类繁多,性能各异。
在选择时,需要考虑校准的精度要求、测量范围、工作环境等因素。
例如,对于高精度的仪器仪表校准,应选择具有高分辨率和低测量误差的超声波设备;而对于恶劣的工作环境,如高温、高压、腐蚀等条件,需要选择具有相应防护等级和耐用性的设备。
优化校准流程也是提高效率的重要途径。
在进行超声波校准时,可以事先制定详细的校准计划,合理安排校准顺序和时间。
例如,对于多个需要校准的仪器仪表,可以按照其重要性和使用频率进行排序,优先校准关键设备。
同时,在校准过程中,应尽量减少不必要的操作步骤,提高工作的连贯性和流畅性。
此外,提高操作人员的技能水平对于提升校准效率也至关重要。
操作人员需要熟悉超声波校准设备的操作方法和工作原理,掌握正确的测量技巧和数据处理方法。
定期进行培训和技术交流,让操作人员了解最新的校准技术和行业标准,能够有效地提高他们的工作效率和校准质量。
在校准过程中,数据的准确采集和处理是非常重要的环节。
采用先进的数据采集系统,能够快速、准确地获取超声波测量数据。
同时,利用高效的数据处理软件,对采集到的数据进行自动分析和计算,减少人工处理的时间和误差。
例如,通过软件可以实现对数据的自动筛选、拟合和统计分析,快速得出校准结果。
超声波探伤仪校验规程 JLXY02-20231.编制依据:JB/T9214-1999 A 型脉冲反射式超声波探伤仪系统性能测试方法和JB/T4730-2023 承压设备无损检测。
2.适用范围:A 型脉冲反射式超声波探伤仪的校验。
3.技术要求3.1垂直线性误差≤5%。
3.2动态范围≥26dB。
3.3水平线性误差≤1%。
3.4灵敏度余量﹥10dB。
4.校验工程4.1外观4.2垂直线性误差4.3动态范围4.4水平线性误差4.5. 灵敏度余量5.校验用器材5.1 探头:2.5P10×12K2 HB-50 专用直探头5.2 试块:CSK-ⅠA,CSK-ⅢA6.校验方法6.1外观检查配件齐全,外表不得有硬的碰伤和变形,全部紧固件不得松动和脱落。
6.2垂直线性误差校验6.2.1连接HB-50 专用直探头,抑制关,调整衰减器和增益使荧光屏上显示波形其中之一为垂直刻度的100%,且衰减器至少有30dB 的衰减余量,设该波为H。
6.2.2调整衰减器,依次登记每次衰减2dB 时H 波的幅度值,直至衰减26dB。
然后将H波幅度实测值与表 6.2.2中的理论值相比较,最大正偏差d+与最大负偏差d-确实定值之和为垂直线性误差△d。
6.3动态范围校验6.3.1连接HB-50 专用直探头,调整探伤仪衰减器和增益使荧光屏上显示的波形中之一为垂直刻度的100%,且衰减器至少有30dB的衰减余量。
表6.2.2衰减量dB 0246810 12波高理论值%100 79.4 63.1 50.1 39.8 31.6 25.1衰减量dB 14 16 18 20 22 24 26波高理论值%20.0 15.8 12.5 10.0 7.9 6.3 5.06.3.2调整衰减器,读取幅度自垂直刻度的100%下降至刚能识别的最小值时的调整量,为探伤仪的动态范围。
6.4水平线性误差校验6.4.1连接HB-50 专用直探头,调整探伤仪使其显示屡次底波。
超声波探伤机季度性能校验
一、准备通知单
(一)材料及工件准备
以下所需T件、消耗材料由鉴定站按实际鉴定人数准备。
(二)设备准备
以下所需设备由鉴定站准备:多通道超探仪。
(三)工、量具准备
二、考核内容及要求
(一)考核内容
按规定要求对超声波探伤仪器进行季度性能校验并作好记录。
(二)操作程序的规定说明
1.作业操作程序合理,方法正确、熟练。
2.遵守设备、工具的维护及使用规则,确保安全文明生产。
(i)考核时限
1.准备时间:5 min;
2.正式操作时间:40 min;
3.规定时间内完成不加分,也不扣分。
每超1 min扣2分,超5 min停止作业。
(四)考核评分
1.3名及以上考评员;
2.按考核评分记录表中规定的评分点各自独立评分,取平均分为评定得分;3.满分为100分,60分为及格。
三、考核评分记录表
单位:姓名:考号:考核日期:年月日
考评员考评组长签字签字。
^:XXXXX -X共X页xxxxx非金属超声波检测仪校验校验报告XXXXXXX工程检测有限公司^:XXXXX -X共X页X年X月X日试验:编写: 审核: 批准:1、目的校验检测设备,保证试验检测的准确性和稳定性。
2、校验依据CECS21: 2000《超声法检测混凝土缺陷技术规程》3、被校仪器名称编号XXXX非金属超声波检测仪仪器编号:XXXXXX4、超声波检测仪的校验4.1方法:超声仪声时计量检验按“时一距”法测量空气声速的实测值v s,并与空气声速标准计算值v c相比较二者之间的相对误差不大于士0.5%,即可定为合格。
图1 19 C所测空气声速的“时一距”图4.2步骤:4.2.1将一对平面换能器置于桌面上如图2,并在换能器下面垫以海棉或泡沫塑料并保持两个换能器的轴线重合及辐射面相互平行,同时换能器的辐射面相互对准;图2换能器移动示意图4.2.2将换能器,接于超声仪器上,并以间距为50、100、150、200、250、300、350、400、450、500mm依次放置在空气中,在保持首波幅度一致的条件下,读取各间距所对应的声时值t1、t2、t3……tr。
4.2.3测点数应不少于10个。
4.2.4以测距li为纵坐标,以声时读数ti为横坐标,绘制“时-距”坐标图(,或用回归分析法求出li与ti之间的回归直线方程匸a+bt (式中a、b为待求的回归系数)。
坐标图中直线AB的斜率“ △ l/ A t”或直线方程的回归系数“ b” 即为空气声速的实测值V s(精确至0.1m/s)。
测量空气的温度Tk (准确至0.5C)按下式计算的空气声速标准值v c 相比较,V c=331.4 1 (3.3.1)式中331.4-0C时空气的声速(m/s);v c--温度为Tk度的空气声速(m/s);Tk--被测空气的温度「C)4.2.5超声仪波幅计量检验。
可将屏幕显示的首波幅度调至一定高度,然后把一起衰减系统的衰减量增加或减少6dB,此时屏幕波幅高度应降低一半或升高一倍。
超声波探伤仪校准方法
超声波探伤仪的校准方法主要包括以下步骤:
1. 校准前的准备:确保探伤仪、标准试块和测量设备的完好性,同时要调整好背景和照明系统,确保测试环境符合要求。
2. 入射点的测试:调节探伤仪的发射强度,使被测探头阻尼值接近其等效阻抗值。
然后在声束方向与试块侧面积保持平行的条件下滑动探头,使试块
R100mm圆弧面的第一次回波幅度最高。
调节衰减器使回波幅度为垂直刻
度的50%,在得到R100mm圆弧面的最高回波时,读取与该圆弧中心记号对应的探头侧面的刻度,作为入射点,读数精确到。
3. K值的测试:折射角γ或K值变化直接影响超声波进入工件角度和波传播,为后续缺陷定位提供有效数据支撑,因此在探头使用前和使用后均需分别测量两参数值。
4. 校准后的确认:完成校准后,需要检查探伤仪的性能是否正常,如有问题应及时处理和调整。
需要注意的是,具体的校准步骤和方法可能因不同的仪器和标准而有所差异,因此在进行校准时应遵循相应的标准和规范,以确保测试结果的准确性和可靠性。
超声探伤仪校验规程1.目的:确保UT检测的质量活动所使用的超声探伤仪性能的符合性和有效性。
2.范围:本校验属于仪器使用性能年度例行校验,适用于A型脉冲反射式超声探伤仪的校准和检定,有效期为一年。
3.引用标准3.1《A型脉冲反射式超声探伤仪通用技术条件》(JB/T10061-1999)3.2《无损检测名词术语》(JB3111-82)3.3《压力容器无损检测》(JB4730-94)3.4《超声探伤用探头性能测试方法》(JB/T10062-1999)3.5《超声探伤用1号标准试块技术条件》(JB/T10063-1999)3.6《A型脉冲反射式超声波系统工作性能测试方法》(JB/T9214-1999)4.职责4.1应由总师负责领导,并负责对校验报告的签发。
4.2由UTⅢ级人员负责组织指导校验人员实施校验,并负责校验报告的审核。
4.3校验人员应由UTⅢ级人员提出,并报站长批准。
校验人员应熟悉A型脉冲反射式超声探伤仪的结构、工作原理和使用方法,熟悉本规程的引用标准,能正确按本规程方法进行校验工作,编制校验报告。
5.校验用标准试块及器具(应是计量部门检定合格的)5.1各种不同频率的常用直探头和斜探头(不须检定)5.2CSK-IA标准试块。
5.3不同规格的对比试块(均为炭钢锻制件)5.3.1JB4730-94规定的阶梯试块(DB-D1试块)φ)5.3.2Z20-1(251⨯⨯22580Φφ)Z20-2(25⨯⨯22580Φ2φ)Z20-4(25⨯⨯80Φ22545.4探头压块:保持探头在试块上的固定压力、重量为1kg6.校验6.1垂直线性误差测试:6.1.1测试设备a.各种频率的常用直探头b.对比试块:Z20-2或Z20-4c.探头压块6.1.2测试步骤a.连接探头与仪器“发”位置,并用探头压块将探头固定在Z20-2试块上并对准Φ2孔,调节探伤仪使示波屏上显示的孔的反射波幅度为垂直刻度的100%(满刻度),且衰减器至少有30d B余量;b.调节衰减器,依次记下每衰减2d B时孔波幅度的百分数,直至衰减到26d B,然后将孔波幅度实测值与表中的理论值相比较,取最大正偏差d(+)与最大负偏差d.在工作频率范围内,改用不同频率的探头,重复b 、c 方法进行测试。
超声波测厚仪校准方法嘿,你要是在工业检测或者材料测量领域混过,那肯定听说过超声波测厚仪这玩意儿。
这就好比医生的听诊器,是我们了解材料厚度的得力助手呢。
今天呀,我就来给你唠唠这超声波测厚仪的校准方法,这可重要得很呐!咱先得知道,为啥要校准这测厚仪呢?你想啊,如果这个测厚仪不准,就像你拿了个不准的秤去称东西,那得出的结果肯定是错得离谱啊。
在工业生产里,材料厚度的数据不准确,那可能就会导致整个工程出大问题,这可绝不是闹着玩的!那校准这超声波测厚仪得有些啥准备呢?首先得有标准试块。
这标准试块就像是一把标准的尺子,专门用来衡量测厚仪准不准的。
而且这试块的厚度得是精确知道的,就像我们知道1米到底有多长一样精确。
我有个朋友小李,他刚开始搞这个超声波测厚仪校准的时候,就没太重视标准试块,随便拿了个不太靠谱的试块,结果校准出来的数据那叫一个乱啊,自己还纳闷儿怎么回事呢。
这就是告诉我们,标准试块可是校准的关键,可不能马虎对待。
拿到标准试块后,就开始动手校准啦。
把测厚仪的探头擦干净,这就好比你要写字,得先把笔擦干净一样。
要是探头上有脏东西,就像有东西挡着眼睛一样,那测出来的数据肯定不准啊。
然后在标准试块上涂上适量的耦合剂。
耦合剂这东西就像是一个桥梁,把探头和试块连接起来,让超声波能顺利地在它们之间传播。
你要是耦合剂涂得太多或者太少,就像桥修得歪歪扭扭的,超声波传输就会受影响。
我记得有次和老张一起校准的时候,他就涂耦合剂涂得太多了,结果测出来的数据波动很大。
老张还嘟囔着:“这是咋回事啊?”我就跟他说:“你看你,耦合剂都快成糊了,能测准才怪呢!”探头放在标准试块上的时候也要注意姿势哦。
要放得平稳、垂直,就像盖房子打地基得打得平平整整一样。
要是探头歪了,那超声波传播的路径就不对了,就像你开车走歪路一样,肯定到不了正确的目的地。
我有次看到一个新手小王校准的时候,探头就没放好,测出来的数据跟标准值差了好多。
我就跟他说:“小王啊,你这探头放得就像个醉汉似的,怎么能测准呢?”接下来就是调整测厚仪的参数了。
超声波探伤校验规程
1 适用范围
本规程适用于本公司新购置和使用中的超声波探伤仪与探头的系统性能的检验。
2 检验周期
2.1探伤仪性能(水平线性、垂直线性、动态范围)每隔半年进行校验一次;2.2探伤仪和探头的系统性能(灵敏度余量、始脉冲宽度及盲区、分辨力)使用前需进行校验,相关数据录入报告即可,不需专门检验报告。
3 人员要求
3.1超声波探伤仪校验人员都应经过专业培训,并持有国家质量技术监督局的Ⅱ级或Ⅱ级以上的超声波检验人员资格证书;
3.2超声波探伤仪校验人员应熟悉设备的各部分的作用及本规程;
3.3超声波探伤仪校验人员应严格按照本规程操作超声波探伤仪,并对设备使用的安全性负责。
4 认可需用标准器具
4.1标准试块CSK-ⅠA试块及200/Ф2平底孔试块;
4.2所用试块必须是具有相应认证企业生产。
5 操作步骤
5.1.垂直线性
5.1.1.用5MHZ或其它频率的常用直探头,用压块将探头固定在200/Ф2平底孔试块上并对准Φ2孔(或其它试块25mm底面)。
调节探伤仪使示波屏上显示的孔的反射波幅度为垂直刻度的100%(满刻度),作为“0”dB,且衰减器至少有30dB余量;
5.1.2.调节增益,依次记下每衰减2dB时相应的波高值Hi,并将实测相对波高值填入表1中,直至底波消失。
表一。
精心整理质量规范超声波仪器和探头的使用校验1.目的和用途校检所有使用的超声波检测设备都必须定期校检,仪器和探头的日校和周校都必须由通过超声认证的人员来完成,本规范描述了该校验的方法。
2.标准参考3.4.5.6.目视检查探头和连接线是否有损坏或磨损;检查电路连接的稳定性;如果探头底面锲块磨损太.扭曲或者不均匀则需要研磨。
底面磨损不允许超过下面的厚度,是指从磨损最低处到探头壳平面的距离。
●Krautkr?merSWB-探头:1mm.●Krautkr?merMWB-探头:1mm.●Krautkr?merWB/WK-探头:2mm.当达到这个限度时,要废弃或者更换探头底面锲块。
对于可更换的锲块,晶片和锲块之间要有足够的机油以保证良好的耦合。
6.2入射点的测量用V1和V2试块来测量探头的入射点,要注意探头的入射点回随着探头底面锲块的厚度不同而变化的;入射点不是很严格,但是要在±1mm公差范围6.3折射角的测量折射角通常用V1来测量,但也可以用TIF试快来测定。
用TIF试块的时候,获取25mm深处来的反射体最大回波,读取声程距离,扩散角可以通过公式来计算。
者丢弃。
高,记6dB,如果使用数字超声波仪器,波宽可以用图2.图3所示的闸门来测量,设置仪器TOF=flank。
图2图3例如:EB=102.4-100.4=2.0mm对照设备初始测量值,如果偏差超过50%要寻找纠正偏差原因或者更换探头。
7.直探头目视检查探头和连接线是否有损坏或磨损;检查电路的稳定性;如果保护膜有损伤则要更换,晶片和保护膜间的油中不能有间隙,更换其中的油通常是必须的。
7.2用标准反射体测量灵敏度数值。
.(见图使用和测量水平线性时相同的时基范围和探头,找到TIF试块上深度为35mm处的3mm孔的最高反射波,调至80%屏高。
9.整理结果并归档初始测量数值记录表应该与超声波仪器一起保存。
定期校检的数字记录也应该与超声波仪器一起保存。
当记录表填满后,新的记录表应该与初始记录值的复印件放在一起,并且归档在质量部门可靠的地方。
超声波检测仪的校准及核查浅析超声检测在承压设备检验过程中起到至关重要的作用,仪器设备的可靠性直接影响结果判定的准确性。
本文着重介绍超声检测过程中仪器设备的检定、校准、运行核查等要求。
关键词:无损检测、检定、校准1.检定校准的重要性TSG Z7003《特种设备检验检测机构质量管理体系要求》中第十九条和RB/T214《检验检测机构资质认定能力评价-检验检测机构通用要求》中的4.4.3规定:对检验检测结果有显著影响的设备,包括辅助设备应进行检定或校准。
对检验检测结果有显著影响的设备主要有三种:(1)用于直接测量被测量的设备;(2)用于修正测量值的设备;(3)通过多个量计算获得测量结果的设备。
超声检测结果直接影响检验结果的判定,所以校准及运行核查非常重要。
2.超声检测仪校准的实施要求校准的目的是对照计量标准,评定测量装置的示值误差,属于自下而上量值溯源的过程。
校准除评定测量装置的示值误差,也可以表示为修正值或校准因子。
校准不具有强制性,属于组织自愿的溯源行为。
这是一种技术活动。
校准可选择中国合格评定国家认可委认可的校准机构,也可由本单位(具备相应能力)自行开展;但是内校准的前提是需要组织建标。
核查:一般由单位自行开展。
校准周期由组织根据使用计量器具的需要自行确定。
校准周期的确定原则应是在尽可能减少测量设备在使用中的风险的同时,维持最小的校准费用。
过长的校准周期会导致设备失准或失效;过短的校准周期会增加校准费用及成本。
可以根据计量器具使用的频次或风险程度确定校准的周期。
CNAS-TRL-004:2017《测量设备校准周期的确定和调整方法指南》中规定初始校准后、经一定时间间隔再校准:1)若校准结果位于最大允许误差的80%内,则后续的校准周期可延长;仪器校准周期不宜超过3年。
2)若校准结果超出最大允许误差,则后续校准周期应缩短。
期间核查也称为“运行检查”或“中间核查”,通常我们是根据自身规定的程序和日程对其、检测仪器,包括标准物质.在两次定期检定/校准之间间隔内,采用一次或几次适当的技术核查方法进行检查,看看设备是否始终保持着检定/校准时准确度,它不是再检定/校准,而是用简单,适当的方法,考核仪器设备稳定性,检查其变化情况.并非所有的仪器设备都要进行期间核查,究竟哪些仪器设备需要期间核查?期间核査的重点是:不太稳定、使用频率高、使用条件恶劣、容易产生漂移、因出现过载可能造成损坏的、能力验证结果有问题、对检测数据有疑问、单纯校准不能保证在有效期内正确可靠的仪器设备。
№:×××××-×共×页×××××非金属超声波检测仪校验
校验报告
×××××××工程检测有限公司
×年×月×日
试验:编写:审核:批准:
1、目的
校验检测设备,保证试验检测的准确性和稳定性。
2、校验依据
CECS21:2000《超声法检测混凝土缺陷技术规程》
3、被校仪器名称编号
××××非金属超声波检测仪
仪器编号:××××××
4、超声波检测仪的校验
4.1方法:超声仪声时计量检验按“时—距”法测量空气声速的实测值v s,并与空气声速标准计算值v c相比较二者之间的相对误差不大于±0.5%,即可定为合格。
图1 19℃所测空气声速的“时—距”图
4.2步骤:
4.2.1将一对平面换能器置于桌面上如图2,并在换能器下面垫以海棉或泡沫塑料并保持两个换能器的轴线重合及辐射面相互平行,同时换能器的辐射面相互对准;
发射换能器
接收换能器
刻度尺
泡沫塑料
水平桌面
图2 换能器移动示意图
4.2.2将换能器,接于超声仪器上,并以间距为50、100、150、200、250、300、350、400、450、500mm 依次放置在空气中,在保持首波幅度一致的条件下,读取各间距所对应的声时值t1、t2、t3……tn 。
; 4.2.3测点数应不少于10个。
4.2.4以测距li 为纵坐标,以声时读数ti 为横坐标,绘制“时-距”坐标图(,或用回归分析法求出li 与ti 之间的回归直线方程l=a+bt (式中a 、b 为待求的回归系数)。
坐标图中直线AB 的斜率“Δl/Δt ”或直线方程的回归系数“b ”即为空气声速的实测值v s
(精确至0.1m/s)。
测量空气的温度Tk (准确至0.5℃)按下式计算的空气声速标准值v c
相比较,
v c
=331.4Tk .00367
.01 (3.3.1) 式中 331.4-0℃时空气的声速(m/s ); v c
--温度为Tk 度的空气声速(m/s ); Tk--被测空气的温度(℃)
4.2.5 超声仪波幅计量检验。
可将屏幕显示的首波幅度调至一定高度,然后把一起衰减系统的衰减量增加或减少6dB,此时屏幕波幅高度应降低一半或升高一倍。
4.2.6空气声速实测值v s
与空气声速标准值c v 之间的相对误差er 按下
式计算:
%100/)(⨯-=c
s c r v v v e 通过上式计算的相对误差er 应不大于±0.5%,否则仪器计时系统不正常。