公称直径与英寸对照表
- 格式:doc
- 大小:29.50 KB
- 文档页数:2
英制与公制对照表公称管子尺寸和公称直径管道尺寸(英制与公制对照表)英寸是长度单位。
1 英寸= 2.539999918 厘米(公分)。
英寸或[吋]是使用于联合王国(UK,即英国(英联邦)、其前殖民地的长度单位。
美国等国家也使用它。
在台湾与香港,“英寸”通常写作“吋”。
英寸的常用简写为[in]或["]“吋”是近代新造的字,念作“英寸”,属汉字中一字念两音的字,其他如“浬”念作“海里”等,借用中国传统的长度单位“寸”,并加口旁以示区别。
一、尺寸:DN15(4分管)、DN20(6分管)、DN25(1寸管)、DN32(1寸2管)、DN40(1寸半管)、DN50(2寸管)、DN65(2寸半管)、DN80(3寸管)、DN100(4寸管)、DN125(5寸管)、DN150(6寸管)、DN200(8寸管)、DN250(10寸管)等。
二、把1英寸分成8等分: 1/8 1/4 3/8 1/2 5/8 3/4 7/8 英寸。
相当于通常说的1分管到7分管,更小的尺寸用1/16、1/32、1/64来表示,单位还是英寸。
如果分母和分子能够约分(如分子是2、4、8、16、32)就应该约分。
英寸的表示是在右上角打上两撇,如1/2"如DN25(25mm,下同)的水管就是英制1"的水管,也是以前的8分水管。
DN15的水管就是英制1/2"的水管,也是以前的4分水管。
如DN20的水管就是英制3/4"的水管,也是以前的6分水管外径与DN,NB的关系如下:公称管子尺寸(NPS)/in0.250.50.751.1.251.52.2.53.4.6.公称直径(DN)/mm 6152253245658100150公称管子尺寸(NPS)/in8.10.012.014.016.018.020.024.036.042.048.0公称直径(DN)/mm20025030035040045050060090010001200 管子规格及有关数据公称直径英寸外径近似内径壁厚相当于无缝管普厚/加厚mm "mm mm mm mm 15 4分21.25 15 2.75/3.25 22 20 6分26.75 20 2.75/3.5 25 25 1寸33.5 25 3.25/4 32 32 1.2寸42.25 32 3.25/4 38 40 1.5寸48 40 3.5/4.25 45 50 2寸60 50 3.5/4.5 57 70 2.5寸75.5 70 3.75/4.5 76 80 3 88.5 80 4/4.75 89 100 4 114 106 4/5.0 108 125 5 140 131 5/5.5 133 150 6 165 156 5/5.5 159 200 8 219 207 6 219 250 10 273 259 7 273 300 12 325 309 8 435 350 14 377 9 485 400 16 426 9 535 450 18 478 9 590 500 20 529 9 640 600 24 630 10 755 700 28 720 10 860 800 32 820 975国际管道尺寸对照表N. DINCHSTANDARDMETRICINCHCOPPERPVCPE DUCTILE15A1/2" 21.7 20 21.5-22.0 2220 A 3/4" 27.2/28.526 27.0-27.6 26251" 34.0 30 28.230 32 34.0-34.7 34A 432 A 1-1/4" 42.7 38 34.5935 38 42.0-42.8 4840 A 1-1/2" 48.6 44.5 40.9545 48 48.0-48.9 6050 A 2" 60.6 57.0 54.0555 60 60.0-61.1 7665 A 2-1/2" 76.3 76.1 66.7570 76 76.0-77.3 8980 A 3" 89.1 88.9 79.8585 89 89.0-90.5 9890A3-1/2" 101.610 0A 4" 114.3 108.0 106.27110 114114.0-115.9 11812 5A 5" 139.8 133.0 131.67140 14140.0-142.3 14415 0A 6" 165.2 159.0 157.68160 165165.0-167.6 17020 0A 8" 216.3 219.0 208.48216216.0-218.8 22225 0A 10" 267.4 267.0 260.50267267.0-270.1 27430 0A 12" 318.5 323.9 312.11318318.0-321.3 32635 0A 14" 355.6 368.0 363.7237840 0A 16" 406.4 419.0 414.5242945 0A 18" 457.2 457.2 465.3248050 0A 20" 508.0 508.0 516.9453255 0A 22" 558.8 558.0 567.7460 0A 24" 609.6 619.0 619.35635650A26" 660.4700A28" 711.2DN公称直径不锈钢无缝管尺寸对照表发布人:周涛发布时间:2011年5月5日已被浏览 1008 次一般来说,管子的直径可分为外径、内径、公称直径。
英寸是长度单位。
1 英寸= 2.539999918 厘米(公分)。
英寸或[吋]是使用于联合王国(UK,即英国(英联邦)的长度单位。
美国等国家也使用它。
在台湾与香港,“英寸”通常写作“吋”。
英寸的常用简写为[in]或["]“吋”是近代新造的字,念作“英寸”,属汉字中一字念两音的字,其他如“浬”念作“海里”等,借用中国传统的长度单位“寸”,并加口旁以示区别。
一、尺寸:
DN15(4分管)、DN20(6分管)、DN25(1寸管)、DN32(1寸2管)、DN40(1寸半管)、DN50(2寸管)、DN65(2寸半管)、DN80(3寸管)、DN100(4寸管)、DN125(5寸管)、DN150(6寸管)、DN200(8寸管)、DN250(10寸管)等。
二、把1英寸分成8等分: 1/8 1/4 3/8 1/2 5/8 3/4 7/8 英寸。
相当于通常说的1分管到7分管,更小的尺寸用1/16、1/32、1/64来表示,单位还是英寸。
如果分母和分子能够约分(如分子是2、4、8、16、32)就应该约分。
英寸的表示是在右上角打上两撇,如1/2"
如DN25(25mm,下同)的水管就是英制1"的水管,也是以前的8分水管。
DN15的水管就是英制1/2"的水管,也是以前的4分水管。
如DN20的水管就是英制3/4"的水管,也是以前的6分水管。
DN|英寸|公称外径对照DN|英寸|公称外径之间的关系见下表:1英尺=12英寸1英寸=8英分(称呼不同,单位不同,尺寸也就不一样)压力管道标准规格DN-公称直径Ф-外径大外径系列(焊管)DN15-ф22mm,DN20-ф27mmDN25-ф34mm,DN32-ф42mmDN40-ф48mm,DN50-ф60mmDN65-ф76(73)mm ,DN80-ф89mm DN100-ф114mm,DN125-ф140mm DN150-ф168mm,DN200-ф219mm DN250-ф273mm,DN300-ф324mm DN350-ф360mm,DN400-ф406mm DN450-ф457mm,DN500-ф508mm DN600-ф610mm,小外径系列(无缝管)DN15-ф18mm,DN20-ф25mmDN25-ф32mm,DN32-ф38mmDN40-ф45mm,DN50-ф57mmDN65-ф73mm,DN80-ф89mmDN100-ф108mm,DN125-ф133mm DN150-ф159mm,DN200-ф219m m DN250-ф273mm,DN300-ф325m工程管径对照表1 英寸=25.4毫米=8英分1/2 是四分(4英分) DN153/4 是六分(6英分) DN202分管DN84分管DN156分管DN201′ DN251.2′ DN321.5′ DN402′ DN502.5′ DN653′ DN804′ DN1005′ DN1256′ DN1508′ DN20010′ DN25012′ DN300GB/T50106-20012.4.1管径:管径一般用ф、DN、De来表示,单位是mm,用英制单位时,需要换算。
称呼不同,单位不同,尺寸也就不一样(见上表)。
2.4.2管径的表达方式应符合下列规定:1 水、煤气输送钢管(镀锌或非镀锌)、铸铁管等管材,管径宜以公称直径DN表示;2 无缝钢管、焊接钢管(直缝或螺旋缝)、铜管、不锈钢管等管材,管径宜以外径ф×壁厚表示;3 钢筋混凝土(或混凝土)管、陶土管、耐酸陶瓷管、缸瓦管等管材,管径宜以内径D表示;4 塑料管材(PVC、PP、PPR)规格用de表示(GB 5836.1-92),5 当设计均用公称直径DN表示管径时,应有公称直径DN与相应产品规格对照表。
管径公制及英制的对照表
公称直径(nominal diameter),又称平均外径(mean outside diameter)。
这是缘自金属管的管璧很薄,管外径与管内径相差无几,所以取管的外径与管的内径之平均值当作管径称呼.
因为单位有公制(mm)及英制(inch)的区分,所以有下列的称呼方法。
1。
以公制(mm)为基准,称 DN (metric unit)公制单位
2。
以英制(inch)为基准,称NB(inch unit)英寸单位
3. DN (nominal diameter公称内径),NB (nominal bore公称内径),OD (outside diameter外径)
英制管径和公制管径的换算方法
一、管的直径指的是管的内径。
由于壁厚不一样,如4分管外径有多种。
4分、6分、1寸是英制说法。
4分管1\2"-—-管径12。
5mm6分管3\4”-——管径19mm1吋管1”———管径25。
4mm
二、换算方法:
1。
4分管是G1/2英寸的俗称。
2。
工程上管子的公称尺寸表示它的内径,这里表示内径1/2英寸,在公制管中圆整为15mm。
三、水管的4分、6分、1寸等指的是内径,大约15mm、20mm,25mm;8分为一寸,所以4分、6分管又称为1/2、3/4;20mm对应4分管一般用于塑料管材,指的是管材的外径,实际的通径与4分管对应;所以新型管材的规格跟镀锌管相比要放大一个规格.
管径公制及英制对照表
1英寸=8英分=25。
4mm,4分=12.7mm=半寸,6分=19.05mm=3/4寸。
管径公制及英制的对照表
公称直径(nominal diameter) ,又称平均外径(mean outside diameter) 。
这是缘自金属管的管璧很薄,管外径与管内径相差无几,所以取管的外径与管的内径之平均值当作管径称呼。
因为单位有公制(mm)及英制(inch)的区分,所以有下列的称呼方法。
1. 以公制(mm)为基准,称DN (metric unit) 公制单位
2. 以英制(inch)为基准,称NB(inch unit) 英寸单位
3. DN (nominal diameter 公称内径),NB (nominal bore 公称内径),OD
(outside diameter 外径)
英制管径和公制管径的换算方法
一、管的直径指的是管的内径。
由于壁厚不一样,如4 分管外径有多种。
4 分、6分、1寸是英制说法。
4分管1\2"---管径分管3\4"---管径19mm寸管1"--- 管径
二、换算方法:
1.4分管是G1/2英寸的俗称。
2. 工程上管子的公称尺寸表示它的内径,这里表示内径1/2 英寸,在公制管中圆整为15mm。
三、水管的4分、6分、1寸等指的是内径,大约15mm 20mm 25mr p 8分为一寸,所以4分、6分管又称为1/2、3/4 ;20mn对应4分管一般用于塑料管材,指的是管材的外径,实际的通径与4 分管对应;所以新型管材的规格跟镀锌管相比要放大一个规格。
管径公制及英制对照表。
英寸是长度单位。
1英寸=2.539999918厘米(公分)。
英寸或[吋]是使用于联合王国(UK,即英国(英联邦)的长度单位。
美国等国家也使用它。
在台湾与香港,“英寸”通常写作“吋”。
英寸的常用简写为[in]或["]“吋”是近代新造的字念作“英寸”属汉字中一字念两音的字,其他如“浬” 念作“海里”等,借用中国传统的长度单位“寸”,并加口旁以示区别。
一、尺寸:
DN15(4 分管)、DN20(6 分管)、DN25(1 寸管)、DN32(1 寸2 管)、DN40(1 寸半管)、DN50(2寸管)、DN65(2寸半管)、DN80(3寸管)、DN100(4寸管)、DN125(5 寸管)、DN150(6 寸管)、DN200(8 寸管)、DN250(10 寸管)等。
二、把1英寸分成8等分:1/8 1/4 3/8 1/2 5/8 3/4 7/8 英寸。
相当于通常说的1分管到7分管,更小的尺寸用1/16、1/32、1/64来表示,单位还是英寸。
如果分母和分子能够约分(如分子是2、4、8、16、32)就应该约分。
英寸的表示是在右上角打上两撇,如1/2"
如DN25(25mm,下同)的水管就是英制1"的水管,也是以前的8分水管。
DN15的水管就是英制1/2"的水管,也是以前的4分水管。
如DN20的水管就是英制3/4"的水管,也是以前的6分水管
外径与DN,NB的关系如下:。
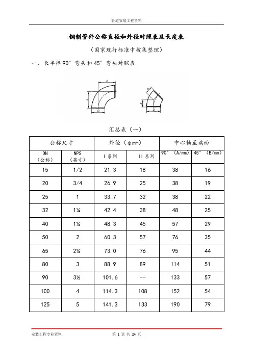
钢制管件公称直径和外径对照表及长度表(国家现行标准中搜集整理)一、长半径90°弯头和45°弯头对照表汇总表(一)公称尺寸外径(φmm)中心轴至端面DN (公称)NPS(英寸)I系列II系列90°(A/mm)45°(B/mm)15 1/2 21.3 18 38 16 20 3/4 26.9 25 38 19 25 133.7 32 38 22 32 1¼42.4 38 48 25 40 1½48.3 45 57 29 50 2 60.3 57 76 35 65 2½73.0 76 95 44 80 3 88.9 89 114 51 90 3½101.6 -- 133 57 100 4 114.3 108 152 54 125 5 141.3 133 190 79汇总表(二)汇总表(三)公称尺寸外径(φmm)中心轴至端面DN (公称)NPS(英寸)I系列II系列90°(A/mm)45°(B/mm)1050 42 1067 -- 1600 660 1100 44 1118 -- 1676 695 1150 46 1168 -- 3753 727 1200 48 1219 -- 1829 759 1300 52 1321 -- 1981 821 1400 52 1422 -- 2134 884 1500 60 1524 -- 2286 947二、长半径90°(异径)弯头对照表汇总表(一)汇总表(二)汇总表(三)三、长半径180°弯头对照表汇总表(一)公称尺寸坡口处外径φmm 中心至中心O/mm背部至端面K/mmDN 英寸I系列II系列I系列II系列15 1/2 21.3 18 76 48 47 20 3/4 26.9 25 76 51 51 25 1 33.7 32 76 56 54 32 1¼42.4 38 95 70 67 40 1½48.3 45 114 83 80 50 2 60.3 57 152 106 105 65 2½73 76 190 132 133 80 3 88.9 89 229 159 159 90 3½101.6 -- 267 184 -- 100 4 114.3 108 305 210 206 125 5 141.3 133 381 262 257 150 6 168.3 159 457 313 308 200 8 219.1 219 610 414 414 250 10 273 273 762 518 518 300 12 323.9 325 914 619 620 350 14 355.6 377 1067 711 722 400 16 406.4 426 1219 813 823 450 18 457 480 1372 914 925 500 20 508 530 1524 1016 1026 550 22 559 -- 1676 1118 -- 600 24 610 630 1829 1219 1229四、短半径90°弯头尺寸对照表汇总表(一)公称尺寸坡口处外径φ/mm 中心至端面A/mm DN 英寸I系列II系列25 1 33.7 32 2532 1¾42.4 38 3240 1½48.3 45 3850 2 60.3 57 5165 2½73 76 6480 3 88.9 89 7690 3½101.6 -- 89100 4 114.3 108 102125 5 141.3 133 127150 6 168.3 159 152300 8 219.1 219 203250 10 273 273 254300 12 323.9 325 305350 14 355.6 377 356400 16 406.4 426 406450 18 457 480 457500 20 508 530 508550 22 559 -- 559600 24 610 630 610五、短半径180°弯头寸对照表汇总表(一)公称尺寸坡口处外径φmm 中心至中心O/mm背部至端面K/mmDN 英寸I系列II系列I系列II系列25 1 33.7 32 51 41 41 32 1¼42.4 38 64 52 51 40 1½48.3 45 76 62 61 50 2 60.3 57 102 81 79 65 2½73 76 127 100 102 80 3 88.9 89 152 121 121 90 3½101.5 -- 178 140 -- 100 4 114.3 108 203 159 156 125 5 114.3 133 254 197 194 150 6 168.3 159 305 237 232 200 8 219.1 219 406 313 313 250 10 273 273 508 391 391 300 12 323.9 325 610 467 467 350 14 355.6 377 711 533 544 400 16 406.4 426 813 610 619 450 18 457 480 914 686 697 500 20 508 530 1016 762 773 550 22 559 -- 1118 838 - 600 24 610 630 1219 914 925六、90°和45°3D弯头对照表汇总表(一)公称尺寸坡口处外径(φmm)中心至端面长度DN 英寸I系列II系列90°弯头A/mm45°弯头B/mm20 3/4 26.9 25 57 24 25 1 33.7 32 76 31 32 1¼42.4 38 95 39 40 1½48.3 45 114 47 50 2 60.3 57 152 63 65 2½73 76 190 79 80 3 88.9 89 329 95 90 3½101.6 -- 267 111 100 4 114.3 108 305 127 125 5 141.3 133 381 157 150 6 168.3 159 457 189 200 8 219.1 219 610 252 250 10 273 273 762 316 300 12 323.9 325 914 37890°和45°3D弯头对照表汇总表(二)钢制管件公称直径和外径对照表及长度表七、等径三通和四通尺寸对照表分项汇总表(一)公称尺寸坡口处外径(φ/mm)中心至端面DN 英寸I系列II系列主管 C/mm 支管M/mm15 ½21.3 18 25 2520 3/4 26.9 255 29 2925 1 33.7 32 38 3832 1¼42.4 38 48 4840 1½48.3 45 57 5750 2 60.3 57 64 6465 2½73 76 76 7680 3 88.9 89 86 8690 3½101.6 -- 95 95100 4 114.3 108 105 105 125 5 141.3 133 124 124 150 6 168.3 159 143 143 200 8 219.1 219 178 178 250 10 273 273 216 216 300 12 323.9 325 254 254等径三通和四通尺寸对照表分项汇总表(二)钢制管件公称直径和外径对照表及长度表八、管帽尺寸对照表分项汇总表(一)公称尺寸坡口处外径D/mm 高度Eᵅ/mm高度为E时壁厚mm高度E1ᵇ/mmDN 英寸I系列II系列15 1/2 21.3 18 25 4.57 25 20 3/4 26.9 25 25 3.81 25 25 1 33.7 32 38 4.57 38 32 1¼42.4 38 38 4.83 38 40 1½48.3 45 38 5.08 38 50 2 60.3 57 38 5.59 44 65 2½73 76 38 7.11 51 80 3 88.9 89 51 7.62 64 90 3½101.6 -- 64 8.13 76 100 4 114.3 108 64 8.64 76 125 5 141.3 133 76 9.65 89 150 6 168.3 159 89 10.92 102 200 8 219.1 219 102 12.7 127 250 10 273 273 127 12.7 152 300 12 323.9 325 152 12.7 178管帽尺寸对照表分项汇总表(二)钢制管件公称直径和外径对照表及长度表九、异径管件公称DN直径、英寸和外径对照表及长度分项汇总表(一)公称尺寸坡口处外径管件长度H/mm 大端D/mm 小端D/mmDN 英寸I系列II系列I系列II系列20*15 3/4*1/2 26.9 25 21.3 18 38 20*10 3/4*3/8 26.9 25 17.2 14 38 25*20 1*3/4 33.7 32 26.9 25 51 25*15 1*1/2 33.7 32 21.3 18 51 32*25 1½*1 42.4 38 33.7 32 51 32*20 1½*3/4 42.4 38 26.9 25 51 32*15 1½*1/2 42.4 38 21.3 18 51 40*32 1½*1¼48.3 45 42.4 38 64 40*25 1½*1 48.3 45 33.7 32 64 40*20 1½*3/4 48.3 45 26.9 25 64 40*15 1½*1/2 48.3 45 21.3 18 64 50*40 2*1½60.3 57 48.3 45 76 50*32 2*1½60.3 57 42.4 38 76分项汇总表(二)分项汇总表(三)分项汇总表(四)分项汇总表(五)分项汇总表(六)分项汇总表(七)异径管件公称DN直径英寸和外径对照表及长度分项汇总表(八)异径管件公称DN直径英寸和外径对照表及长度分项汇总表(九)。
DN|英寸|公称外径对照 DN|英寸|公称外径之间的关系见下表:俗称英寸in.公称通径DN公称外径mm4分1/2DN 15φ206分3/4DN 20φ251寸1DN 25φ321寸211/4DN 32φ401寸半11/2DN 40φ502寸2DN 50φ632寸半21/2DN 65φ753寸3DN 80φ904寸4DN 100φ1105寸5DN 125φ1406寸6DN 150φ1608寸8DN 200φ219公称通径DN是管路系统中所有管路附件用数字表示的尺寸,公称通径是供参考用的一个方便的圆整数,与加工尺寸仅呈不严格的关系。
公称通径用字母“DN”后面紧跟一个数字标志。
公称通径(nominal diameter),又称平均外径(mean outsidediameter)。
这是缘自金属管的管璧很薄,管外径与管内径相差无几,所以取管的外径与管的内径之平均值当作管径称呼。
DN是公称通径,公称通径(或叫公称直径),就是各种管子与管路附件的通用口径。
同一公称直径的管子与管路附件均能相互连接,具有互换性.它不是实际意义上的管道外径或内径,虽然其数值跟管道内径较为接近或相等;为了使管子、管件连接尺寸统一,采用公称直径(也称公称口径、公称通径)。
例如焊接钢管按厚度可分为薄壁钢管、普通钢管和加厚钢管。
其公称直径不是外径,也不是内径,而是近似普通钢管内径的一个名义尺寸。
每一公称直径,对应一个外径,其内径数值随厚度不同而不同。
公称直径可用公制mm表示,也可用英制in表示。
管路附件也用公称直径表示,意义同有缝管。
DN|英寸|公称外径对照DN|英寸|公称外径之间的关系见下表:俗称(英制)英寸in.DN(mm)公称外径mm 4分1/215φ206分3/420φ251寸125φ321寸211/432φ401寸半11/240φ502寸250φ632寸半21/265φ753寸380φ904寸4100φ1105寸5125φ1406寸6150φ1608寸8200φ21910寸10250φ27312寸12300φ3251英尺=12英寸1英寸=8英分(称呼不同,单位不同,尺寸也就不一样)压力管道标准规格DN-公称直径Ф-外径大外径系列(焊管)DN15-ф22mm,DN20-ф27mmDN25-ф34mm,DN32-ф42mmDN40-ф48mm,DN50-ф60mmDN65-ф76(73)mm,DN80-ф89mm DN100-ф114mm,DN125-ф140mm DN150-ф168mm,DN200-ф219mm DN250-ф273mm,DN300-ф324mm DN350-ф360mm,DN400-ф406mm DN450-ф457mm,DN500-ф508mm DN600-ф610mm,小外径系列(无缝管)DN15-ф18mm,DN20-ф25mmDN25-ф32mm,DN32-ф38mmDN40-ф45mm,DN50-ф57mmDN65-ф73mm,DN80-ф89mmDN100-ф108mm,DN125-ф133mm DN150-ф159mm,DN200-ф219mm DN250-ф273mm,DN300-ф325m工程管径对照表1 英寸=25.4毫米=8英分1/2 是四分(4英分) DN153/4 是六分(6英分) DN202分管DN84分管DN156分管DN201′DN251.2′DN321.5′DN402′DN502.5′DN653′DN804′DN1005′DN1256′DN1508′DN20010′DN25012′DN300GB/T50106-20012.4.1管径:管径一般用ф、DN、De来表示,单位是mm,用英制单位时,需要换算。
管道尺寸(英制与公制对照表)
英寸是长度单位。
1英寸=厘米(公分)。
英寸或[吋]是使用于联合王国(UK,即英国(英联邦)的长度单位。
美国等国家也使用它。
一、尺寸:
DN15(4 分管)、DN20( 6 分管)、DN25( 1 寸管)、DN32 (1 寸2 管)、DN40( 1 寸半管)、DN50(2 寸管)、DN65( 2 寸半管)、DN80 (3 寸管)、DN100(4 寸管)、DN125 (5 寸管)、DN150 (6 寸管)、DN200 ( 8 寸管)、DN250 (10 寸管)等。
二、把1英寸分成8等分:1/8 1/4 3/8 1/2 5/8 3/4 7/8 英寸。
相当于通常说的1分管到7分管,更小的尺寸用1/16、1/32、1/64来表示,单位还是英
寸。
如果分母和分子能够约分(如分子是2、4、8、16、32)就应该约分。
英寸的表示是在右上角打上两撇,如1/2"
如DN25 (25mm下同)的水管就是英制1"的水管,也是以前的8分水管。
DN15的水管就是英制1/2"的水管,也是以前的4分水管。
如DN20的水管就是英制3/4"的水管,也是以前的6分水管。
DN| 【2 】英寸|公称外径对比DN|英寸|公称外径之间的关系见下表:压力管道标准规格DN-公称直径Ф-外径大外径系列DN15-ф22mm,DN20-ф27mmDN25-ф34mm,DN32-ф42mmDN40-ф48mm,DN50-ф60mmDN65-ф76(73)mm ,DN80-ф89mm DN100-ф114mm,DN125-ф140mm DN150-ф168mm,DN200-ф219mm DN250-ф273mm,DN300-ф324mm DN350-ф360mm,DN400-ф406mm DN450-ф457mm,DN500-ф508mm DN600-ф610mm,小外径系列DN15-ф18mm,DN20-ф25mmDN25-ф32mm,DN32-ф38mmDN40-ф45mm,DN50-ф57mmDN65-ф73mm,DN80-ф89mmDN100-ф108mm,DN125-ф133mm DN150-ф159mm,DN200-ф219mmDN250-ф273mm,DN300-ф325mmDN350-ф377mm工程管径对比表1 英寸=25.4毫米=8英分1/2 是四分(4英分) DN15 3/4 是六分(6英分) DN20 2分担 DN84分担 DN156分担 DN201′ DN251.2′ DN321.5′ DN402′ DN502.5′ DN653′ DN804′ DN1005′ DN1256′ DN1508′ DN20010′ DN25012′ DN300GB/T50106-20012.4管径2.4.1管径应以mm为单位.2.4.2管径的表达方法应相符下列划定:1 水煤气输送钢管(镀锌或非镀锌).铸铁管等管材,管径宜以公称直径DN表示;2 无缝钢管.焊接钢管(直缝或螺旋缝).铜管.不锈钢管等管材,管径宜以外径×壁厚表示;3 钢筋混凝土(或混凝土)管.陶土管.耐酸陶瓷管.缸瓦管等管材,管径宜以内径d表示;4 塑料管材,管径宜按产品标准的办法表示;5 当设计均用公称直径DN表示管径时,应有公称直径DN与响应产品规格对比表.建筑排水用硬聚氯乙烯管材规格用de(公称外径)×e(公称壁厚)表示(GB 5836.1-92)给水用聚丙烯(PP)管材规格用de×e表示(公称外径×壁厚).关于DN与De的差别:1.DN是指管道的公称直径,留意:这既不是外径也不是内径;应当与管道工程成长初期与英制单位有关;平日用来描写镀锌钢管,它与英制单位的对应关系如下:4分担:4/8英寸:DN15;6分担:6/8英寸:DN20;1寸管:1英寸:DN25;寸二管:1又1/4英寸:DN32;寸半管:1又1/2英寸:DN40;两寸管:2英寸:DN50;三寸管:3英寸:DN80(许多地方也标为DN75);四寸管:4英寸:DN100;De主如果指管道外径,一般采用De标注的,均须要标注成外径X壁厚的情势;重要用于描写:无缝钢管.PVC等塑料管道.和其他须要明白壁厚的管材.拿镀锌焊接钢管为例,用DN.De两种标注办法如下:DN20 De25X2.5mmDN25 De32X3mmDN32 De40X4mmDN40 De50X4mm等等......我们习惯于应用DN来标注焊接钢管,在不涉及到壁厚的情形下很少应用De来标注管道;但是标注塑料管就又是别的一回事了;照样跟行业习惯有关,现实施工进程中我们简单称呼的20.25.32等管道均是指De,而不是指DN,这里相差一个规格呢.不搞清晰很轻易在采购.施工进程中造成损掉.两种管道材料的衔接方法不外乎:丝扣衔接及法兰衔接.其他衔接方法就用得很少了.镀锌钢管.PPR管均能采用以上两种衔接,只是小于50的管道用丝扣较便利,大于50的用法兰比较靠得住.留意:假如是两种不同材质的金属管道相连,要斟酌是否会产生原电池反响,不然会加快活泼金属材料管道的腐化速度,最好要用法兰衔接,并用橡胶垫片类的绝缘材质将两种金属分离隔,包括螺栓都要用垫片分隔,避免接触工程管径对比表(常用)压力管道标准压力管道标准压力管道标准规格DN-公称直径Ф-外径大外径系列DN15-ф22mm,DN20-ф27mmDN25-ф34mm,DN32-ф42mmDN40-ф48mm,DN50-ф60mmDN65-ф76(73)mm ,DN80-ф89mmDN100-ф114mm,DN125-ф140mmDN150-ф168mm,DN200-ф219mmDN250-ф273mm,DN300-ф324mmDN350-ф360mm,DN400-ф406mmDN450-ф457mm,DN500-ф508mmDN600-ф610mm,小外径系列DN15-ф18mm,DN20-ф25mmDN25-ф32mm,DN32-ф38mmDN40-ф45mm,DN50-ф57mmDN65-ф73mm,DN80-ф89mmDN100-ф108mm,DN125-ф133mmDN150-ф159mm,DN200-ф219mmDN250-ф273mm,DN300-ф325mmDN350-ф377mm,工程管径对比表(常用)管道外径与公称直径的关系管道外径与公称直径的关系一般来说,管子的直径可分为外径.内径.公称直径.管材为无缝钢管的管子的外径用字母D来表示,厥后附加外直径的尺寸和壁厚,例如外径为108的无缝钢管,壁厚为5MM,用D108*5表示,塑料管也用外径表示,如De63,其他如钢筋混凝土管.铸铁管.镀锌钢管等采用DN表示,在设计图纸中一般采用公称直径来表示,公称直径是为了设计制作和维修的便利工资地划定的一种标准,也较公称通径,是管子(或者管件)的规格名称.管子的公称直径和其内径.外径都不相等,例如:公称直径为100MM的无缝钢管邮102*5.108*5等好几种,108为管子的外径,5表示管子的壁厚,是以,该钢管的内径为(108*5-5)=98MM,但是它不完整等于钢管外径减两倍壁厚之差,也可以说,公称直径是接近于内径,但是又不等于内径的一种管子直径的规格名称,在设计图纸中所以要用公称直径,目标是为了依据公称直径可以肯定管子.管件.阀门.法兰.垫片等构造尺寸与衔接尺寸,公称直径采用符号DN表示,假如在设计图纸中采用外径表示,也应当作出管道规格对比表,表明某种管道的公称直径,壁厚.规格DN-公称直径Ф-外径DN15-ф22mm,DN20-ф27mmDN25-ф34mm,DN32-ф42mmDN40-ф48mm,DN50-ф60mmDN65-ф76(73)mm,DN80-ф89mmDN100-ф114mm,DN125-ф140mmDN150-ф168mm,DN200-ф219mmDN250-ф273mm,DN300-ф324mmDN350-ф360mm,DN400-ф406mmDN450-ф457mm,DN500-ф508mmDN600-ф610mm,DN15-ф18mm,DN20-ф25mmDN25-ф32mm,DN32-ф38mmDN40-ф45mm,DN50-ф57mmDN65-ф73mm,DN80-ф89mmDN100-ф108mm,DN125-ф133mmDN150-ф159mm,DN200-ф219mmDN250-ф273mm,DN300-ф325mmDN350-ф377mm,DN400-ф426mmDN450-ф480mm,DN500-ф530mmDN600-ф630mm,。
DN是公称通径,公称通径(或叫公称直径),就是各种管子与管路附件的通用口径。
同一公称直径的管子与管路附件均能相互连接,具有互换性.它不是实际意义上的管道外径或径,虽然其数值跟管道径较为接近或相等;
为了使管子、管件连接尺寸统一,采用公称直径(也称公称口径、公称通径)。
例如焊接钢管按厚度可分为薄壁钢管、普通钢管和加厚钢管。
其公称直径不是外径,也不是径,而是近似普通钢管径的一个名义尺寸。
每一公称直径,对应一个外径,其径数值随厚度不同而不同。
公称直径可用公制mm表示,也可用英制in表示。
管路附件也用公称直径表示,意义同有缝管。
管道尺寸(英制与公制对照表)
英寸是长度单位。
1 英寸= 2.539999918 厘米(公分)。
英寸或[吋]是使用于联合王国(UK,即英国(英联邦)、其前殖民地的长度单位。
美国等国家也使用它。
在台湾与香港,“英寸”通常写作“吋”。
英寸的常用简写为[in]或["]。
吋”是近代新造的字,念作“英寸”,属汉字中一字念两音的字,其他如“浬”念作“海里”等,借用中国传统的长度单位“寸”,并加口旁以示区别。
一、尺寸:
DN15(4分管)、DN20(6分管)、DN25(1寸管)、DN32(1寸2管)、DN40(1寸半管)、DN50(2寸管)、DN65(2寸半管)、DN80(3寸管)、DN100(4寸管)、DN125(5寸管)、DN150(6寸管)、DN200(8寸管)、DN250(10寸管)等。
二、把1英寸分成8等分;
1/8 1/4 3/8 1/2 5/8 3/4 7/8 英寸。
相当于通常说的1分管到7分管,更小的尺寸用1/16、1/32、1/64来表示,单位还是英寸。
英寸的表示是在右上角打上两撇,如1/2"
如DN25(25mm,下同)的水管就是英制1"的水管,也是以前的8分水管。
DN15的水管就是英制1/2"的水管,也是以前的4分水管。
如DN20的水管就是英制3/4"的水管,也是以前的6分水管。