GSM短信控制卡参数说明-4
- 格式:doc
- 大小:31.50 KB
- 文档页数:1
GSM模块短信AT指令集GSM模块短信AT指令集概述:AT指令基本格式:AT+XXX=XX 指令最后须加个回车字符,即0x0D,'\r'.一般返回OK字符串。
例:ATATOK上面一次通行改成十六进制为发送:41 54 0D收到:41 54 0D 0D 0A 4F 4B 0D 0A下面列出常用不可见字符:表示字符十六进制意义'\r' 0x0D 回车'\n' 0x0A 换行0x20 空格0x1A 文件结束符1.短信模式设置1.发英文短信:AT + CMGF = 1 //设置为TEXT模式AT + CSMP = 17,167,0,0 //设置TEXT模式参数,最后一个为数据编码类型,0表示默认字符集(GSM)。
AT + CSCS = GSM //设置为GSM字符集AT + CMGS = XXXXX //XXXX为要发送短信的目标号码>"TEST LINE" //空格开始,CTRL+Z结束,中间为要发送的字符串下面是一个发送短信的实例:ATOKAT+CMGF=1OKAT+CMGS=135******** > YOUR SISTER+CMGS: 145OK发送完毕2.发送短信3.接收短信AT+CNMI=2,1 //设置接收短信模式,收到短信后存储至SIM 卡,并通知串口有新短信,如下+CMTI: "SM",6 //这条表示有新消息,已经存在sim卡中索引为6的位置AT+CSCS=GSMAT+CMGL=ALL //使用状态查看短消息,"ALL","REC READ", "REC UNREAD"3种模式,可看多条AT+CMGR=1//利用索引查看短信息,取值从1开始,和数组类似。
仅看一条短信.下面是使用命令查看索引为6的短信AT+CMGR=6+CMGR: "REC UNREAD","+86135********",,"11/11/28,23:02:15+32"nimaOK4.删除短信Sim卡中短信满了之后便不会接收新短信,应该注意。
GSM-0404短信模块说明书北京聚英翱翔电子有限责任公司2015年08月目录一、产品特点 (1)二、产品功能 (1)三、产品选型 (1)四、主要参数 (1)五、输入输出接线 (2)1、继电器接线说明 (3)2、有源开关量接线示意图 (3)3、无源开关量接线示意图 (4)六、短信指令说明 (4)1、基本设置指令 (4)2、基本操作指令 (6)七、常见问题与解决方法 (7)一、产品特点●供电7-30V;●具有报警功能;●可设置主人和成员;●支持多种短信语言控制。
二、产品功能●4路光耦输入(5-24V);●4路继电器输出。
三、产品选型型号modbus RS232RS485USB WiFi短信GSM0404短信模块1四、主要参数参数说明触点容量10A/30VDC10A/250VAC耐久性10万次数据接口SIM卡额定电压DC7-30V电源指示1路红色LED指示(不通信时常亮,通信时闪烁)通讯指示与电源指示灯共用输出指示4路红色LED指示温度范围工业级,-35℃~85℃尺寸145*94*41mm重量330g五、接口说明引脚说明:序号引脚说明1+电源正极2-电源负极5IN1第一路开关量输入6IN2第二路开关量输入7IN3第三路开关量输入8IN4第四路开关量输入9COM-无源输入时使用,具体查看输入接线图10常开第一路继电器输出常开端11公共端第一路继电器输出公共端12常闭第一路继电器输出常闭端13常开第二路继电器输出常开端14公共端第二路继电器输出公共端15常闭第二路继电器输出常闭端16常开第三路继电器输出常开端17公共端第三路继电器输出公共端18常闭第三路继电器输出常闭端19常开第四路继电器输出常开端20公共端第四路继电器输出公共端21常闭第四路继电器输出常闭端六、输入输出接线1、继电器接线说明2、有源开关量(NPN型低电平)接线示意图3、无源开关量(干接点)接线示意图七、短信指令说明1、基本设置指令1.主人设置和查询1)设置主人(开机十分钟内设置主人)发送短信:设置主人回传短信:主人:13811xxxxxx2)查询主人发送短信:查询主人回传短信:主人:13811xxxxxx2.设置成员A组只有主人方可设置成员。
GSM短信和GPRS LED控制卡,可以显示单条短信和多条短信的内容,最多可显示50条信息(每条300个汉字的信息内容)。
为了控制显示屏,提供以下功能:
1、增加新短信
2、删除旧短信
3、设定显示屏的系统时间
4、设定显示屏的参数
5、设用户信任号码(必须来自有效的手机号码,短信才会接收)
6、防止垃圾短信(短信过滤),增加密码和特殊软件功能
7、定时开关机,,显示屏分区功能
8、可设置立即显示短信功能
EASY-60系统运行稳定,显示环节运用动态扫描减少LED工作时间,延长寿命且节能,支持多种显示接口08和12接口,支持多种扫描格式1/4,1/8,1/16等格式,可接收气象信息,可分区显示,操作简单,体积较小,实用性强。
能清晰准确的接收汉字与气象信息,且成本较低,可用于车载小屏广告信息的发布,也可用于偏远地区的政策宣传。
EASY-60应用领域广泛,气象预警,公交车,的士,移动营业厅,学校校园,社区广告等信息显示,已在湖北,四川,重庆,北京,上海等地应用。
可支持GSM和GPRS的通讯功能
在的士屏上,支持一键式触发报警功能。
EASY-60采用GSM模块单模设计,控制和显示一体方式,性能高,稳定性和扩展性强,GSM无线数据接收速度远高于竞争对手外挂CPU的方式,价格也低于同类竞争对手的产品,也可以根据客户要求定制.
规格:64*1024 单色64*512双色32*1024双
板载二个08接口支持P6,户内5.0 3.75 3.0的卡
板载四个12接口,支持P10的卡
支持扫描:1/16, 1/8, 1/4扫描方式。
用户使用手册GSM—LED显示屏短信控制卡:存储容量为99条短信6000个字符。
每条短信内容最长62个汉字或字符(含系统命令),超长则自动删除超出部分。
可以通过两种方式设定屏幕参数: 一:连接电脑串口;二:发短信。
短信卡的使用请按如下三步进行:第一步:上电前的准备工作:控制卡在使用前,请先确定如下三点:1.GSM模块是否已连接好?2.SIM是否已正确插入?3.天线转接线及天线是否已连接好?若已上3点没有确定,可能会导致控制卡不能正常工作。
第二步:上电阶段:控制卡在上电后,需要一段时间进行GSM模块的初始化及连接网络。
在该过程中,显示屏会给出相应的提示文字显示模块的初始化的三个阶段:阶段一:文字提示“模块初始化中”,大约3-5s;阶段二:文字提示“正在搜索网络”,搜索时间由现场的网络强度决定。
一般1-3s 即可搜索到网络。
阶段三:文字提示现场网络及信号情况,如下:“网络连接:已连接”。
“信号强度:强”。
说明:控制卡第一次使用时,在上电初始化过程中,若提示文字显示乱码等,建议先用串口设置好屏的参数,以便观察上电初始化的进度。
可能遇到的问题:1.一直停留在阶段一,即文字提示“模块初始化中”。
可能的原因:GSM模块与控制卡的40pin排线没有连接好或连接不正确。
2.文字提示“手机卡未插好”,可能的原因:手机卡没有放置好或者手机卡与卡座接触不良。
3.阶段三文字提示:“网络连接:失败”或者“信号强度:无”,可能的原因:天线没有连接或者没有连接好,请检查。
第三步:指令测试:前2步成功执行后,就可以开始发送指令进行显示数据的发送了。
具体指令的使用,请参考下面的指令部分:指令格式:密码+ 命令 + 参数 + 数据。
各部分解释如下:密码:固定为“短信屏”三个字。
命令: 1.屏参(设置屏幕参数);2.发送(发送需显示的数据);3.校时(用于校正时间);4.删除(删除控制卡上指定页的显示内容);5.清空(删除控制卡所有的显示内容);6.信任(设置一个可信任的号码,该功能可用于接收气象信息等);7.倒计时(显示倒计时节目)。
GSM模块SMS相关AT命令使用说明关键词:GSM AT凡是利用GSM模块二次开发的,不管是用来做公话,还是GPRS通信,其中短消息基本都要使用的。
本文大致介绍一下短消息相关的AT命令使用方法。
详细的AT指令说明,可以参考07.05,或者西门子MC35I的AT手册,西门子手册感觉还是很不错的。
由于本文表达的错误给您带来的物资损失和精神损伤,本人概不负责。
1、短消息的格式我所见到的模块短消息基本都提供2种格式,TEXT和PDU。
文本模式相对来说比较简单,特别适合传输那些字符什么的,对于老外来说,基本就发26个字幕,简直太方便了。
PDU 模式需要进行编码,目前的汉字传输好多都采用PDU模式。
由于本人对PDU和怎么发汉字基本一窍不通,这段就暂时忽略了。
一般模块默认的都是PDU模式,你可以使用如下命令切换到TEXT模式:AT+CMGF=1如果想再切换到PDU模式,使用:AT+CMGF=0即可,以下短消息发送AND读取都采用TEXT模式,因为PDU我不是很懂。
2、怎样给我发送一条短消息?现在你手里有了G网模块,但首先你要确保如下操作已经完成:1)模块上电并且AT命令同你的PC串口通信顺畅。
2)SIM卡没有欠费,并且已经登陆GSM网络(可以使用A T+CREG?查询,如果返回1或者5表示正常)。
3)A T+CMGF=1设置完毕。
有了以上的过程,那么你就可以给我发信息了,你要使用的AT命令是:AT+CMGS。
假如我的手机号是:136********(后四位是假的)。
1)从串口输入:A T+CMGS=”136********”然后按回车键。
2)这个时候你可以看到有个大于号‘>’弹出,提示你可以输入消息的内容了。
假如你想发送“hello world”,直接在’>’后面输入即可,输入完了后按’CTRL^Z”,稍微等一下,你的信息也就发出去了,如果编程好像是0x1B(记不清了,你可以查下ASCII表)。
全部过程如下:1AT+CMGS="136********"> hello world+CMGS: 199OK你需要一直等到OK返回,才能确定是成功发出,中间的那个东西可以先不管。
GSM-SMS遥控器功能规格描述一.总述GSM-SMS遥控器有两款产品,针对不同的应用。
一款为SMS-001,通过发射红外码来遥控空调器;一款为SMS-002,遥控单相电源(含交流电,直流电)的开启和关闭。
两款产品的共同点如下:1.a.1直接使用市电,通过电插头从墙上的电源插座取单相交流电用,电压有100~130V, 200~240V 两种;1.a.2有后备锂离子电池(3.7V)和充电保护电路(充电限制电压4.2V),当市电掉电时系统自动切换到锂离子电池供电,发SMS短信告知用户市电断了;1.a.3 当SIM卡被GSM网络运营商禁用了部分功能(例如当用户因欠费,SIM卡呼出受限)时,发SMS短信报警;1.a.4内置温度传感器,当温度降到45°F (7°C)时,发SMS短信做低温报警;当温度升到85°F (29°C)时,发SMS短信做低高温报警。
温度值可由用户校验;1.a.5用户输入STATUS命令,系统将回馈当前温度,GSM网络信号强度,供电电源状态(是市电还是电池,电池消耗了百分之几),SIM卡上余额等;1.a.6 标配GSM模块为SIMCOM340DZ, 天线为内置PCB天线;但由于成本压力,保留使用wavecom 2C2 旧模块,外置天线的通讯方案;1.a.7 模块化设计,电路板分成几个小块:GSM通讯模块,MCU控制板,电源板等;1.a.8 升级维护接口,可通过USB2.0数据线与电脑相连,通过电脑完成fireware的升级,flash 内容的更新;1.a.9 标配蜂鸣器,升级维护时提示用,SMS-001学习红外码时用;1.a.10 标配微型麦克风,电话拨号后可以监听房间动静;1.a.11指示灯用比较柔和,暗淡的LED,因为两款产品插入到墙上的电源插座后,基本上不会再动了,在夜晚若太亮会影响睡眠;1.a.12 温度传感器放在外壳的后盖上,微型麦克风放在外壳的前盖上;1.a.13 都支持扩展detector,实现安防功能;两款产品的不同点如下:1.b.1 两款产品的外壳后盖相同,但前盖不同;1.b.2 SMS-002必备单相交流电输出, SMS-001没有,在同一位置放红外接收头;1.b.3 SMS-002 必备microrelay, SMS-001必备红外发射管,两者使用底盖的同一位置,都是3.5mm插孔;1.b.4 SMS-002 的基本功能要求如下:Output power socket and microrelay output controlAppliance control over SMS, by call or manuallyRemote power turnon/turnoff of 230V appliance, max 16ARemote power turnon/turnoff of output circuit up to 48VRemote power turnoff for specified timeRemote appliance restartRemote appliance status switch (turnon to turnoff or back)Remote temperature measuringThermostat featureSchedulerAlarm detection- External detector of motion, gas, fire, water; not included with product- External detector of opened door, window, shake detector; not included with product- other external detectorMonitoring of sound1.b.5 SMS-001的基本功能要求如下:可以储存至少7组红外码,红外码可在出厂前写入到flash,也可以让用户通过红外接收头自行输入到flash;Remote control over SMS, by call or manuallyRemote temperature measuringThermostat feature(通过发红外码实现)SchedulerAlarm detection- External detector of motion, gas, fire, water; not included with product- External detector of opened door, window, shake detector; not included with product- other external detectorMonitoring of sound。
1.时间提前量TAMS与BTS的距离用TA(一个单位的TA约对应于550米)表示2.小区重选滞后CRH.3.小区重选偏移(2dB) CROC2=C1+CRO PT不等于31;C2=C1-CRO PT=31(即不想让该小区重选,CRO的值改大,PT 改成31:一般情况下PT都不为31.C2(小区重选参数)C2越大,起呼就占用该小区;C1(小区选择参数)例如开机时,C1越大,就驻留该小区。
C1=手机接收的实际电平-MS最小接收电平。
4.小区重选惩罚时间(秒)(PT)5.小区所在层6.基站色码BCC7.MS最大重发次数8.最小接入信号电平9.小区优先级11.小区间切换磁滞12 PBGT切换门限13层间切换门限14.层间切换磁滞单位dB缺省值3解释不同层或优先级间小区切换时的磁滞值,以限制层间的乒乓切换。
服务小区的层间切换门限=配置的“层间切换门限”-“层间切换磁滞”邻近小区的层间切换门限=配置的“层间切换门限”+“邻区级层间切换磁滞”-64。
0~63对应-110~-47dBm。
注意无15. CGI(Cell Global Identification--全球小区识别)CGI 是所有GSM PLMN 中小区的唯一标识,是在位置区识别LAI 的基础上再加上小区识别CI 构成的。
CGI=MCC+MNC+LAC+CI=LAI+CIMCC:Mobile Country Code,移动国家码,三个数字,如中国为460。
MNC:Mobile Network Code,移动网号,两个数字,如中国移动的MNC 为00LAC:位置区码CI:小区识别16 TMSI是为了加强系统的保密性而在VLR 内分配的临时用户识别,它在某一VLR 区域内与IMSI 唯一对应。
17. IMSI是GSM 系统分配给移动用户(MS)的唯一的识别号,此码在所有位置,包括在漫游区都是有效的。
18.BSIC(基站识别色码)=NCC+BCCNCC:网络色码,。
GSM参数设置详解GSM参数设置详解第一节介绍频率、频点的概念1、频率这里指无线信号的发射频率。
包含:手机发给基站的上行信号和基站发给手机的下行信号;GSM900的工作频段为890~960MHz,GSM1800的工作频段为1710~1880;其中:Uplink Downlink GSM 900 890~915 MHz 935~960 MHz 移动台向基站发信号的上行链路频段;基站向移动台发信号的下行链路频段;GSM 1800 1710~1785 MHz 1805~1880 MHz。
2、频点频点是给固定频率的编号。
频率间隔都为200KHz。
这样就依照200KHz的频率间隔从890MHz、890.2MHz、890.4MHz、890.6MHz、890.8MHz、891MHz …… 915MHz分为125个无线频率段,并对每个频段进行编号,从1、2、3、4 …… 125;这些对固定频率的编号就是我们所说的频点;反过来说:频点是对固定频率的编号。
在GSM网络中我们用频点取代频率来指定收发信机组的发射频率。
比如说:指定一个载波的频点为3,就是说该载波将接受频率为890.4MHz的上行信号并以935.4MHz的频率发射信号。
GSM900的频段可以分成125个频点(实际可用124个)。
其中1~95属于中国移动、96~124属于中国联通。
第二节 BCCH与TCH载波的概念1、BCCH与TCH载波的概念依据物理信道所传递的信息内容不同,将物理信道分为不同类的逻辑信道;包含节制信道和业务信道用于发送节制信息的载点我们叫做主频,即BCCHNO;用于发送话音、数据信息的频点我们叫做TCH频点,即TCH。
2、BCCH载波与TCH载波的区别BCCH载波:由于测量的正确性需求(切换机制的须要)与广播节制信道的工作模式,BCCH载波必需一直坚持最大功率发射(所有时隙),所以其输出能量是恒定不变的,从另一角度上看,它造成的干扰也是最严重的,整个无线网络最大的干扰源由BCCH载波所造成。
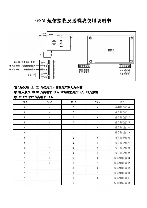
GSM短信接收发送模块使用说明书输入触发端(1,2)为低电平,若触碰VDD时为报警①输入触发:IN-ST为高电平(1),若触碰低电平(0)时为报警②IN-A~D平时为高电平(1)。
IN-D IN-C IN-B IN-A动作0000发编码短信0 0001发自编短信1 0010发自编短信2 0011发自编短信3 0100发自编短信4 0101发自编短信5 0110发自编短信6 0111发自编短信7 1000发自编短信8 1001发自编短信9 1010发自编短信10 1011发自编短信11 1100发自编短信12 1101发自编短信13 1110发自编短信14 1111发自编短信15注:“0”是低电平(GND),“1”是高电平(4.3V)。
以上状态要报短信,A、B、C、D要常期连接,IN-ST碰触低电平(GND)报警发出短信,如发自编短信“8”。
A、B、C接“0”(低电平、GND),D接“1”(高电平4.3V)。
IN-ST触碰“0”,触发报警,灯亮发出自编短信“8”。
②输出:接收到确定短信后,OUT-ST输出高电平5ms注:手机编辑短信四位密码P0~PF任意一条发到本模块上,收到后输出端A、B、C、D对应,输出高、低电平并OUT-ST输出高电平(5ms)1.安装使用说明·开机前必须安装上GSM天线·系统分机安装前应先安装SIM卡,用户需自行购买有金额支持的GSM网SIM卡,不设开机密码和开机PIN码,用户应首选当地GSM网络信号优质者之SIM卡为宜。
·将GSM网SIM卡插入系统分机的手机卡座内,按OPEN方向移动SIM卡座,插入SIM卡,反方向移动(LOCK 方向)锁紧SIM卡。
注:使用SIM卡前,应保证该SIM卡在手机上能正常接收和发送短信息。
应在关掉电源时,才能插入SIM卡,通电开机延迟1分钟后,红色指示灯每四秒闪动一次,为GSM 网络在线指示才能正常设置使用。
·本机开机时,绿色指示灯常亮,红色指示灯连续闪动,延时后绿色指示灯熄灭。
TF-GSM卡简化操作说明书一,发送信息指令1,简化发送:格式:*#1A nnn内容*#1A : 固定存在nnn:代表信息ID,有效范围为000 – 999,长3位内容: 要显示的内容,最长63个字符例:*#1A000欢迎使用GSM短信卡2,普通发送:格式:*#1B nnn I J K L 内容*#1B :固定存在nnn :信息IDI:追加总数,默认填0J :显示特技,0 – 9 (参照附表)K :速度,0-9数字越大越慢L :停留时间,0-9内容:要显示的内容例:*#1B0010821这里是第001条信息,特技=下雨,速度=2,停留时间=1二,格式详细说明1,“*#1”:此为固定存在,每条合法的指令必须以这3个字母开头,否则被丢弃2,“信息ID”:有效范围000-399,最多可存400条信息,播放时从小到大轮流播放3,“追加总数”:0=不追加。
1-2代表信息需要追加1或2次才完整。
A/B代表时间信息4,“显示特技”:有效范围: 数字0-9,小写字母a-z,大写字母A-I,具体含义请参照附表5,“速度”:0-9-Z,数字越大越慢6,“停留时间”:0-9-X,0-9代表0-9秒,A=10秒,B=15秒,C=20秒以此类推(字母从10秒开始,每个递增5秒),最大为X。
三,其他指令格式删除一条信息:*#1(固定3字) + GDEL(固定4字) + 信息ID(3字)删除全部信息:*#1(固定3字) + HALL(固定4字) + 999(固定3字)校时:*#1(固定3字) + ITIM(固定4字) + 年月日时分秒星期(15字)-- 如:201107181301385 代表2011年7月18日13时01分38秒星期五屏参设置:*#1(固定3字) + LSET(固定4字) + 屏宽点数(4字) + ‘x’(小写,固定存在) + 屏高点数(3字) + ‘,’(固定存在) + 颜色类型(1字) + 数据极性(1字) + OE极性(1字) + 扫描方式(2字) + 行顺序(1字)扫描方式含义:00=16扫(室内常规),41=4扫(P10单红常规)例:*#1LSET0128x016,101410设置为8字条屏(128点*16点),P10单红扫描方式(4.1),数据极性=0,OE极性=1例:*#1LSET0128x016,200000 设置为8字条屏,室内16扫,数据和OE均为低四,指令返回1,本节内容仅规定了指令返回的格式,但是收到指令后,是否回复短信,取决于回显等级。
GSM模块使用文档(短信息部分)GSM模块使用文档(短信息部分)1.概述AT命令:GSM模块与计算机之间的通信协议是一些AT指令集。
每个指令以AT+开头,以回车结尾。
每个命令执行成功与否都有相应的返回。
其他一些非预期的信息(如有人拨号进来、线路无信号等),模块将有对应的一些信息提示,接收端可做相应的处理。
控制符:结束符()十六进制的0x0D发送符()十六进制的0x1A2.常用命令2.1开机首先,要插入SIM卡(插卡时要断开电源),接好天线和电源,等信号指示灯开始闪动时表示模块已经开机,并且注册GSM网络成功。
此时模块处于待机状态,当有用户拨号进来时,串口将有相应的提示信息。
要测试模块在此地的信号强度,可发送命令:AT+CSQ+(返回若含99则表示无信号)。
2.2设置1.设置发送短信息的模式:AT+CMGF=0+0代表PDU模式;1代表Text模式。
2.设置短信息接收模式直接串口接收:AT+CNMI=2,2,0,0,0+有短信息来时,不经过SIM卡,直接写串口(如果此时端口没打开,则该短信息有可能丢失)。
通过SIM卡接收:AT+CNMI=2,1,0,0,0+这是缺省设置,主动去读SIM卡中的短信息(建议使用该参数)。
详细信息参见(298页)3.保存当前模块的参数设置:AT&W+详细参数设置参见32页2.3发送短信息CMGS2.3.1用Text 模式发送短信息格式(只能发送160个英文字符)at+cmgf=1 //发送模式设置,设为文本模式OKAT+CMGS=”139********”Send Message by Text-Mode // 目的手机号码|结束符|内容 |发送符|+CMGS: 199 //发送返回OK参考285页2.3.2用PDU发送短信息格式(参考SMS_PDU-mode)at+cmgf=0 //发送模式设置,设为PDU模式OKAT+CMGS=//不包含SMSC 的长度00 //SMSC长度,此处省略SMSC11 //FO00 //TP-MR0D //号码长度91 //Type ofAddress68 //中国的国际区号<手机号码编码>00 //PID08 //编码模式:08为Unicode编码,00为Bit7编码,15为Bit8编码A7 //有效期<短信息内容编码后的字节数(ff:两位的十六进制)><短信息内容编码> //Unicode或Bit7或Bit8TPDU的组成的几点说明1. DA目的地址2. ASCII编码3. 中文编码DA 目的地址(参考SMS_PDU-mode 3.1)例子:0D91683106318834F9 ; 86136013884390D(13) Address Length目的电话长度91 Type of Address683106318834F9 8613601388439采用Semi-octet representation (参考SMS_PDU-mode 4.5)Bit7编码用户数据如果为非中文,可采用7-bits characters 7位编码法此时将dcs=00(参考SMS_PDU-mode 4.6)中文编码用户数据如果为中文,可采用UCS2编码法此时将dcs=08将中文直接转换成UniCode。
目录目录 (1)一、第三层信息(GSM Layer 3 )的分类 (3)1. CC层 (3)2、MM层 (4)3、RR层 (4)二、接续流程 (5)2.1、移动主叫流程 (5)2.1.1、信道请求Channel Request(Rach)MS→BTS (7)2.1.2 申请信道Channel Required( BTS→BSC) (7)2.1.3 信道激活Channel Activation (BSC→BTS) (7)2.1.4信道激活证实Channel Activation ACK(BTS→BSC) (7)2.1.5 立即指配命令immediate assignment (BSC→BTS) (7)2.1.6 立即指配immediate assignment (BTS→MS) AGCH (7)2.1.7 CM业务请求CM service request (MS→BTS→BSC→MSC) (8)2.1.8 无编号确认UA(SDCCH) (8)2.1.9 鉴权Authentication Request MSC→BSC→BTS→MS (8)2.1.10 TMSI再分配命令TMSI Reallocation (9)2.1.11 建立Setup (9)2.1.12呼叫接续Call Proceeding (9)2.1.13指配请求Assigment Activation BSC→BTS (10)2.1.14 信道激活Assigment Activation ACK BTS→BSC (10)2.1.15 分配命令Assigment Command (10)2.1.16 SABM(设置异步平衡模式)Layer2 (FACCH) (10)2.1.17 建立指示Establish Indication BTS→BSC (11)2.1.19 分配完成Assigment Complete (11)2.21振铃提醒Alerting (11)2.22连接Connect (11)2.1.24测量报告Measurement Report (11)2.1.25撤销连接Disconnect (11)2.1.26 释放Release (12)2.1.27 释放完成Release Complete (12)2.1.28 清除命令Clear command (12)2.1.29 释放信道Channel Release (12)2.1.30 DEACTIVE_SACCH(慢速随路控制信道) (12)2.1.31 DISC (12)2.1.32 UA (12)2.1.33 释放指示 (12)2.1.34 RF信道释放 (12)2.1.35 RF信道释放确认 (12)2.1.36 清除完成 (12)2.1.37 SCCP释放 (12)2.1.38 SCCP释放确认 (12)2.2、手机被叫流程的区别 (13)三、第三层(Layer 3)信令详解 (15)1、System Information Type1 (15)2、System Information Type2 (16)3、System Information Type2ter (17)4、System Information Type 3 (18)5、System Information Type 4 (20)6、System Information Type 5 (21)7、System Information Type 5ter (22)8、System Information Type 6 (22)9、System Information Type 7、8 (23)10、Paging Requst type1 (23)11、Synch Channel Information (24)12、其他: (24)四、常见原因值 (28)1、Channel Release信令里面的Cause(事件号) (28)编号 (29)原因 (29)2、disconnect断开原因 (30)一、第三层信息(GSM Layer 3 )的分类GSM移动无线接口第三层的信息有很多种,而我们在路测中主要是处理一些故障,所以一般只显示常用的几种,包括无线资源管理(RR)移动性管理(MM)、呼叫控制(CC)三方面信息。
前言感谢您使用本公司的HB-GSM短信系统,短信系统使用便捷,性能可靠,直接使用手机短信或是飞信(仅适用移动卡)发送要显示的内容或是命令信息即可!随时随地轻松更新显示屏显示信息,长短信息指令轻松切换,总有一种让你感觉舒心便捷。
显示字体根据您的需要,轻松定制,更加的人性化。
本说明仅适用HB-GSM短信系统,由于时间仓促水平有限,讲解可能存在一些语言表述上的问题,不能做到面面俱到,衷心感谢您提出宝贵意见,我们将积极予以修正!新版HB-GSM 短信系统使用说明一、准备工作:1、一条可连接LED 屏和控制卡的灰色16芯扁排线,用户自备。
2、一张开通可接收GSM 短信的SIM 卡(SIM 卡使用联通或移动均可,无需开通任何业务,只要保持该卡不欠费,能正常接收短信即可)。
3、 供电电源 本系统至少需要5V-(1A-1.5A)电流。
二、连接控制系统如下图:系统连线完毕并且确认SIM 卡插入到SIM 卡座中,预以通电,短信模块将启动,联网成功后,大约6秒钟后信号指示灯会从快节奏闪烁进入到有节奏的闪烁,此时系统运行正常可以发送目标内容到SIM 卡,短信系统正确接收并解码后,会将正确的信息显示到显示屏幕上。
备注:拨码开关的正确设定决定了屏幕信息是否显示正确。
三、使用步骤:3.1 插入SIM 卡短信系统标准配件中,不包含SIM 卡。
您在使用本短信系统前,正确插入SIM 卡到SIM卡底座上。
您可以根据SIM 卡的缺口和SIM 卡座上的缺口方向进行插入。
3.2 连接显示屏短信系统目前支持12接口和08接口两种。
您可以根据显示屏接口和短信系统上对应的排针连接即可!3.3 短信系统上电在正确插入SIM 卡,并且SIM 卡不欠费不处于盲区的情况下,给短信系统上电。
此时显示屏幕上显示“启动中” 字样。
若屏幕上无显示内容,请检查:电源正极(5V ) 电源负极 与单元板连接处 主板电源指示灯信号指示灯 SIM 卡座板电源指示灯 天线转接线及天线头08接口模式下OE 位置3.3.1显示屏是否上电。
GSM/GPRS MODEM 产品说明一、 产品介绍KTR-GSM-1型GSM/GPRS MODEM 采用西门子公司的TC35/MC35无线模块,集成了RS232接口以及SIM 卡,可以在PC 机上用AT 命令通过串口对它进行设置。
这使它成为在声音和数据通讯上通用的一个GSM 双频终端产品。
注:配置有两个SIM 卡座,但不能同时使用,只能有一个卡座装SIM 卡。
二、 应用范围GSM 模块在短信息方面的应用最具优势,短消息具有随时在线(Always Online )、不需拨号、价格便宜、覆盖范围广等特点,特别适合于需频繁传送小流量数据的应用,如车辆调度/安全/导航,监控/监测等领域。
1、GSM/SMS 机房监控和远程维护管理系统银行储蓄点机房监控;通信行业远端无人值守站机房监控和远程维护(如移动通信基站、微波站、光纤中继站等);其他无人值守点(如仓库、办公楼等)监控;2、GSM/SMS/GPS 移动车辆监控调度系统公安、110、交警车辆监控调度;银行运钞车、邮政运输车监控调度;出租车管理调度; 公交车辆调度和指示;集团车辆监控调度;3、GSM/SMS 移动性数据查询系统移动性证卷交易和信息查询;公安移动性数据(身份证、犯罪档案等)查询;交警移动性数据(车辆、司机档案等)查询;通信维护人员线路资料查询;其他外勤人员移动性数据查询;三、正确使用GSM 模块的步骤1.将SIM 卡插入SIM 卡插槽中用笔尖按动SIM卡插槽左边锁扣,使SIM 卡插槽弹出。
将SIM卡按照插槽的形状平方好,金属接触面朝下,然后锁住插槽。
注意:在对SIM卡进行插拔时要确定电源是断开的,否则会损坏SIM卡。
2.通过RS232 串行线将GSM 模块与电脑连接确定GSM 模块的电源是断开的,将提供的RS232串行线(交叉线)的一端连接到GSM模块的接口上,另一端连接到计算机的串口上。
3.接通电源GSM模块的供电(直流供电):电压:9~12V 1A4.测试在超级终端里,用AT指令测试发送短信息,AT指令参见相关文档。
GSM短信控制卡(LED无线控制卡)参数说明
GSM短信控制卡(LED无线控制卡)主要是用来通过短信的方式来修改显示屏的节目,非常适合布线麻烦的地方使用,而且不受距离限制。
应用领域:控制面积灵活,显示功能丰富,不想通过连线来更改显示屏的内容
要求使用方便,维护简单的地方。
GSM短信控制卡与LED条屏U盘控制卡相比的共同点:
1:都是无线LED显示屏控制卡
2:操作方面都比较简单
他们之间的不同点:
1:GSM控制卡,不受距离的限制,在任何一个地方都可以更改显示屏的显示内容LED U盘控制卡,必须要到显示的安装地方通过插入U盘才能更改显示内容2:GSM短信控制器,是需要插入手机卡,而控制卡上有手机接收模块,初次使用成本比U盘控制卡要高些,但比GPRS无线LED显示屏控制卡,就要低一些3:采用GSM短信控制卡生产的LED显示屏,可以通过手机发短信,或者飞信软件来更改显示屏的显示内容,U盘控制卡则不行
4:GSM短信控制卡的使用很简单,不要服务器,而GPRS无线控制卡需要进行繁琐的参数设置;有的是域名解析的。
无线GSM控制卡的参数:最大点数单色:1024×64点
双色:1024×32点512×64点
如果需要支持128点高,需要和研色科技联系。
支持3种字体大小:16*16 24*24 32*32 三种字体
支持语言:中文,泰文,英文
如需要支持其他国家语言,可以联系研色科技进行产品开发。
显示适配卡:板载2组08和4组12显示接口,无须另配显示适配卡
远程开关:支持软件强制开关机和定时开关机
节目数量:支持99条信息
设置屏参:可以通过LED条屏控制软件来设置显示屏屏参数
推荐阅读:LED显示屏GSM短信控制卡
推荐阅读:LED显示屏U盘控制卡
推荐阅读:LED显示屏控制卡。