建筑起重司索信号工职业技能培训课程标准
- 格式:xlsx
- 大小:10.91 KB
- 文档页数:2
建筑索信号工培训计划一、培训背景建筑索信号工是建筑行业中的重要岗位,负责搭建、维护和拆除建筑物的索信号系统,确保建筑工地的安全和顺利进行。
随着建筑行业的快速发展,建筑索信号工的需求日益增加,因此对建筑索信号工进行系统的培训显得尤为重要。
二、培训目标1. 确保建筑索信号工具有足够的技能和知识,能够熟练操作索信号设备,保障建筑工地的安全;2. 提高建筑索信号工的安全意识,确保他们能够正确使用个人防护装备和遵守相关安全规定;3. 帮助建筑索信号工了解建筑材料和工具的基本知识,提高他们的专业素养;4. 培养建筑索信号工的团队精神和协作能力,确保他们能够和其他建筑工人紧密配合,完成工作任务。
三、培训内容1. 理论知识培训:包括索信号系统的原理和结构、施工安全知识、建筑材料和工具的基本知识等;2. 技能培训:包括索信号设备的操作技能、紧急救援技能、团队合作技能等;3. 安全培训:包括个人防护装备的正确使用、施工现场安全规定、应急处理措施等;4. 实操训练:包括模拟建筑工地场景下的实际操作训练,确保建筑索信号工能够在实际工作中熟练掌握所学知识和技能。
四、培训方式1. 在岗培训:建筑索信号工可以通过师傅带教的方式进行在岗培训,学习实操技能和经验;2. 学校培训:建筑索信号工可以参加相关培训课程,在学校里系统学习理论知识和技能;3. 线上培训:利用互联网平台进行在线学习,学员可以随时随地学习相关知识。
五、培训计划1. 第一阶段(1个月):理论知识培训- 学习索信号系统的原理和结构- 学习建筑施工安全知识- 学习建筑材料和工具的基本知识2. 第二阶段(2个月):技能培训- 学习索信号设备的操作技能- 学习紧急救援技能- 学习团队合作技能3. 第三阶段(15天):安全培训- 学习个人防护装备的正确使用- 学习施工现场安全规定- 学习应急处理措施4. 第四阶段(2个月):实操训练- 在建筑工地进行模拟实际操作训练- 学习并掌握在施工现场的实际工作技能六、培训评估在培训结束后,对建筑索信号工进行综合评估,包括理论知识考核、技能操作考核、安全知识考核以及实操训练考核。
起重工职业技能提升培训计划
一、培训目的及任务
通过本级别专业理论知识学习和操作技能训练,培训对象能够全面地了解机械、电气、液压方面的基础知识;掌握吊车工中级工相应的理论知识与技能知识;能够独立完成各种大型复杂零件的吊装操作,起重设备的维护和保养等一般性工作。
二、培训目标及要求
1.理论知识培训目标:
依据《吊车工国家职业标准》中对中级吊车工的理论知识要求,通过培训使培训对象掌握吊车工的职业道德和职业守则、安全文明生产与环境保护知识、机电控制基本知识、复杂零件的捆绑及地面和空中翻转指挥的应用、机械、电气、液压、力学方面的基础知识等。
2.操作技能培训目标:
依据《吊车工国家职业标准》中对中级吊车工的操作技能要求,掌握常用吊车的操作和维护保养方法;能独立操作一般冶金、铸造和锻造吊车,配合锻打和浇注工作。
做到起落和翻转平稳、位置准确;掌握两台吊车配合时起吊同一物体的方法,做到起落翻转平稳;能够解决常用吊车吊运方面的技术问题;具备根据吊车运行中的声音和异常现象准确判断和排除故障的技能。
三、培训教师
培训中、高级人员的教师应取得本职业技师及以上职业资格证书或相关专业中级及以上专业技术职称任职资格。
四、培训时间及地点
五、课时分配
共260课时,其中理论教学52课时;天车实操教学208课时。
六、课程安排表
理论课安排表
实训安排表
2021年10月12日。
起重信号工培训计划一、培训目标本培训计划的目标是培养起重信号工的专业能力和技能,使其能够熟练掌握起重信号的标准动作和指令,确保起重作业的安全和高效进行。
二、培训对象本培训计划适用于所有需要成为合格起重信号工的员工,包括施工现场作业人员、起重机械操作人员等。
三、培训内容1. 起重信号的基本知识介绍- 起重信号的定义和作用- 起重信号的种类和分类- 起重信号的标准动作和指令2. 起重信号的标准动作和指令- 握手信号- 吊装信号- 限制信号- 急停信号- 紧急撤退信号3. 起重信号的操作技能培训- 实际操作演练- 模拟场景练习- 起重信号的常见误解和解决方法- 起重信号的应急处理和危险预防四、培训方式1. 理论培训- 通过课堂讲解、视频教学等方式,讲解起重信号的基本知识和标准动作指令,使学员掌握起重信号的理论知识。
2. 实操培训- 安排实际操作演练和模拟场景练习,让学员通过实际操作,熟练掌握起重信号的操作技能。
3. 案例分析- 分析起重信号的误解和应急处理案例,让学员了解起重信号的应用场景和注意事项,提高应对突发情况的能力。
五、培训时间安排本培训计划将安排一个月的时间进行培训,其中包括理论培训、实操培训和案例分析等内容。
- 理论培训:2周- 实操培训:1周- 案例分析:1周六、考核评估1. 理论考核- 考核内容:起重信号的基本知识和标准动作指令- 考核形式:笔试2. 实操考核- 考核内容:实际操作演练和模拟场景练习- 考核形式:实际操作3. 综合考核- 考核内容:起重信号的应用能力和应急处理能力- 考核形式:综合考核四、培训方案1. 培训前准备- 培训教材的准备- 培训设备和场地的准备- 培训教师的选拔和培训2. 培训具体安排- 确定培训时间表和课程安排- 安排教学内容和教学方式- 安排培训考核和评估3. 培训后跟踪- 组织培训结业式- 对培训效果进行评估和总结- 培训员工签订协议并跟踪管理五、培训收益经过本培训计划的学习和实践,学员将具备以下能力和收益:- 熟练掌握起重信号的基本知识和标准动作指令- 具备起重信号的操作技能和经验- 增强起重信号的应用能力和应急处理能力- 提高起重作业的安全性和高效性六、培训风险- 学员对培训内容的理解和掌握程度不同- 学员对起重信号的应用能力和应急处理能力有待提高- 培训的实际效果可能不如预期七、培训后的跟踪和管理- 培训结业后,对学员进行定期跟踪和管理,了解其在实际工作中的表现和应用情况- 根据学员的实际情况,提供必要的辅导和帮助,以确保其在实际工作中能够有效运用起重信号的知识和技能八、总结通过本培训计划,预计能使学员有效掌握起重信号的基本知识和操作技能,从而提高起重作业的安全性和高效性,为企业的发展和员工的职业发展提供有力的支持和保障。
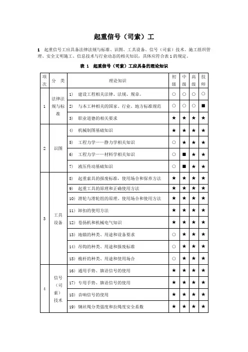
起重信号(司索)工1 起重信号工应具备法律法规与标准、识图、工具设备、信号(司索)技术、施工组织管理、安全文明施工、信息技术与行业动态的相关知识,具体应符合表1的规定。
表 1 起重信号(司索)工应具备的理论知识注:表中符号“-”表示不作要求;“○”表示了解;“■”表示熟悉:“★”表示掌握。
2 起重信号(司索)工应具备施工准备、吊装检查、吊装指挥、建筑起重机械的使用维修、建筑起重机械检查、安全文明施工、技术创新的相关技能,具体应符合表2的规定。
表 2 起重信号工应具备的操作技能3 起重信号(司索)工能力测试包括理论知识和操作技能两部分内容,具体应符合表3的规定。
表 3 起重信号(司索)工专业能力测试权重4 起重信号(司索)工申报各等级的职业技能评价,应符合下列条件之一:1 职业技能五级(初级工)1) 具有初中文化程度及以上,在本工种或相关工种连续工作1年(含)以上;2) 具有初中文化程度及以上,本工种或相关工种学徒期满。
2 职业技能四级(中级工)1) 取得本工种职业技能五级证书,连续从事本工种或相关工种工作1年(含)以上;2)取得本工种中等以上职业学校本专业或相关专业毕业证书。
3 职业技能三级(高级工)1) 取得本工种职业技能四级证书后,连续从事本工种或相关工种工作2年(含)以上;2) 取得本工种高等职业技术学院本专业或相关专业毕业证书;3) 取得本工种中等以上职业学校本专业毕业证书,连续从事本工种或相关工种工作1年(含)以上。
4 职业技能二级(技师)1) 取得本工种职业技能三级证书后,连续从事本工种或相关工种工作2年(含)以上;2) 取得本工种职业技能三级证书的高等职业学院本专业或相关专业毕业生,连续从事本工种或相关工种工作1年(含)以上。
起重司索工安全培训教材一、起重司索工的工作职责和要求起重司索工是负责操作和维护各类起重设备的专业人员,他们需要具备以下职责和要求:1. 熟练操作起重设备:起重司索工需要熟练掌握各类起重设备的操作方法,包括起重机、吊车、升降机等。
他们应该了解设备的结构和工作原理,能够准确、灵活地操纵设备进行各种起重作业。
2. 维护和检修设备:起重司索工需要具备基本的设备维护和检修能力。
他们应该经常检查设备的机械零部件和电气系统,及时发现并修复问题,确保设备的正常运行和安全性。
3. 遵守安全操作规程:起重司索工必须严格遵守安全操作规程,确保自己和他人的安全。
他们应该正确使用安全防护设备,如安全帽、安全带等,并注意作业现场的安全状况,杜绝事故和伤害的发生。
4. 配合团队合作:起重司索工经常需要与其他工种的人员进行配合,共同完成复杂的起重任务。
他们应该具备团队合作精神,积极沟通协调,确保工作的高效进行。
二、起重设备操作安全要点1. 确保设备稳定:起重司索工在操作起重设备之前,必须先确保设备的基础牢固稳定,不得在坚固性差的地方进行起重作业。
当设备处于移动状态时,操作员要时刻保持良好的平衡,防止设备倾覆。
2. 负重合理:在起重作业中,起重司索工必须按照设备的额定负载来进行工作,严禁超负荷作业。
超负荷作业会导致设备的结构破坏、材料疲劳,增加设备故障和事故的风险。
3. 吊装物品固定牢固:起重司索工在进行吊装作业时,需要将被吊物品牢固绑扎,确保它们不会在操作过程中脱落。
同时,在吊装过程中要保持缓慢而平稳的动作,避免产生冲击力和碰撞,以减少被吊物品的损坏和人员受伤的可能性。
4. 注意天气影响:起重司索工在恶劣天气条件下进行作业时,必须格外谨慎。
例如,在大风天气下,起重司索工应暂停作业,避免发生意外事故。
三、设备检修与维护1. 定期检查设备:起重司索工应该定期检查起重设备的机械部件、电气设备、液压系统等,确认其正常运行。
检查内容包括机械零部件的磨损程度、液压系统的油位和密封性等。
塔吊司机信号工培训标题:塔吊司机信号工培训一、概述塔吊司机信号工培训是一项重要的职业培训项目,旨在培养具备专业知识和技能的塔吊司机和信号工。
该培训项目通过系统的理论学习和实践操作,使学员能够熟练掌握塔吊的驾驶和操作技能,确保工程项目的顺利进行。
本文将详细介绍塔吊司机信号工培训的目标、培训内容、培训方式、培训师资等方面的内容。
二、培训目标1. 掌握塔吊的基本结构和工作原理,了解塔吊的各类参数和技术性能。
2. 学会塔吊的驾驶和操作技能,能够独立完成塔吊的吊装作业。
3. 熟悉塔吊的安全操作规程,掌握塔吊的安全防护措施。
4. 学会塔吊的维护保养知识,能够对塔吊进行日常检查和维护。
5. 掌握信号工的基本职责和工作方法,能够与塔吊司机进行有效的沟通和协作。
三、培训内容1. 塔吊的基本知识:介绍塔吊的分类、结构、工作原理、技术参数等。
2. 塔吊的驾驶和操作技能:学习塔吊的启动、运行、停止、转向等操作方法,掌握吊装作业的技巧。
3. 塔吊的安全操作规程:学习塔吊的安全操作规程,了解塔吊的安全防护措施,掌握事故应急预案。
4. 塔吊的维护保养知识:学习塔吊的日常检查、保养和维护方法,了解塔吊的故障排除技巧。
5. 信号工的基本知识:介绍信号工的职责、工作方法、信号设备的使用等。
四、培训方式1. 理论教学:采用课堂讲授、案例分析、小组讨论等形式,使学员掌握塔吊的基本知识和操作技能。
2. 实践操作:安排学员到实训基地进行实地操作,使学员能够熟练掌握塔吊的驾驶和操作技巧。
3. 模拟演练:利用模拟软件或设备,让学员进行模拟操作,提高学员的操作熟练度和应急处理能力。
4. 师傅带徒弟:安排经验丰富的塔吊司机和信号工担任师傅,对学员进行一对一的辅导和指导。
五、培训师资1. 理论教师:聘请具有丰富教学经验和专业知识的教师,负责理论教学和案例分析。
2. 实操教练:聘请经验丰富的塔吊司机和信号工,负责实践操作指导和模拟演练。
3. 技术专家:邀请塔吊生产厂家或行业专家,进行技术交流和指导。
起重信号工安全培训计划一、培训背景起重信号工是重要的职业之一,在工地施工中承担着起重设备操作信号传递、协助驾驶员进行吊装作业等重要职责。
然而,由于起重作业的特殊性,起重信号工在工作时面临着较高的安全风险。
为了保障起重信号工的安全,提高其专业技能水平,本公司决定开展起重信号工安全培训工作。
二、培训目标1.使起重信号工具备相关安全知识和技能,提高起重信号工的安全防范意识和事故应急处理能力;2.培养起重信号工的规范操作习惯,提高其作业质量和效率;3.提升起重信号工的职业素养和专业技能,更好地适应企业发展的需求。
三、培训内容(一)理论知识培训1.起重信号工的基本职责和操作规程;2.起重设备的相关知识,包括各类起重机的结构特点和工作原理;3.安全生产法律法规、安全操作规程、事故案例分析等相关法律法规的学习。
(二)实际操作培训1.实际操作场景模拟练习,包括信号动作的指导、无线电通讯的应用以及吊装准备、吊装过程中的协助和安全保障等方面的综合训练;2.相关起重设备的操作演练和维护保养;3.危险源识别和事故应急处置演练。
(三)安全文明培训1.安全生产意识的培养,包括安全意识、安全责任、安全信仰的宣传教育;2.职业道德和职业素养教育,强调起重信号工的职业操守和形象。
四、培训方式采用集中培训和现场实际演练相结合的方式,由专业的起重设备操作员和安全员进行现场指导,实时指导操作、纠正错误操作,确保培训效果。
五、培训周期本次起重信号工安全培训计划为期3个月,分为理论学习和实际操作两个阶段。
其中,理论学习阶段持续1个月,实际操作阶段持续2个月。
六、培训目标评定通过理论考试和实际操作考核,对参加起重信号工安全培训的人员进行综合评定,达到合格标准的人员方可获得起重信号工安全培训证书。
七、培训效果评估在培训结束后,组织对参与培训的起重信号工进行效果评估,对培训过程进行总结,为今后的培训提供经验借鉴。
八、培训安排1.起重信号工安全培训实施组织机构组织机构:由公司安全生产部门牵头组织,安排专业的起重设备操作员和安全员进行培训;协调机构:公司相关部门共同协作,包括人力资源部门、生产管理部门等;具体责任人:公司安全生产部门负责起重信号工安全培训的实施组织,人力资源部门负责报名、培训费用和人员督促。
第四部分起重工培训大纲本起重工培训大纲,明确了起重工安全操作技术培训的对象、目的、要求和内容。
一、培训要求1、理论与技能相结合,牢固树立“安全第一”的观念。
2、实施以岗位操作技能为重点上岗培训。
加强综合能力的训练。
3、强化岗位操作规程的教育,达到“熟知、熟用”的目的。
4、加强有关安全生产的法律法规教育;5、进行职业道德、基本技术理论知识的培训。
6、在训练培训过程中,要切实加强相应的安全保护措施。
7、培训教师应具备相应的上岗资格。
8、应具备与该工种培训相适应的教学设施、场地、设备、器材等。
9、采用经政府主观部门审批的培训大纲,培训教材、考试标准。
二、培训目标使培训对象掌握起重工的安全技术理论和安全操作技能。
具备独立操作的能力。
三、培训内容(一)、安全技术理论1、起重工的基本概念。
⑴、起重工的基本型号和分类。
⑵、起重工的基本技术参数,包括额定起重量、起升高度、最大回转半径、额定工作速度、额定起重力矩、幅度等。
⑶、起重工的基本构造、组成。
包括其金属结构、工作机构、电器设备、控制系统等。
⑷、起重工的基础知识。
2、起重工的基础知识。
⑴、电学基本知识。
电的基本概念、交流电、起重工控制系统的电器、电气设备的安全操作规则等。
⑵、结合起重工,了解液压传动的基本知识。
包括动力、控制、工作执行部分以及辅助部分等。
⑶、力学的基本概念。
包括力的基本概念、力学的基本定律、重力和重心的概念、力学的单位等。
3、起重工的安全技术要求、主要零部件。
包括吊钩、钢丝绳、制动机构、减速机构、升降机构、卷筒机构等。
4、起重工的安全技术要求。
包括起升机构、金属结构、电气设备的安全技术要求等。
5、起重工的安全技术操作规程。
6、起重工常见的鼓掌判断、排除方法。
包括起重工不能启动,溜沟、溜车、打不开制动器阀、安全装置不灵敏或失效等。
7、起重工的维护与保养常识。
8、掌握起重工的易损件的更换、报废标准。
易损件包括吊钩、制动器、钢丝绳、滑轮、卷筒等。
9、起重工的安全防护装置结构、性能、工作原理等。
建设行业职业技能培训计划与培训大纲中级建筑起重司索信号工培训计划一、培训目的本计划根据建设部颁布的《安装起重工职业技能标准》,参照《建筑起重司索信号工安全技术教学大纲》(试行)编写。
通过培训,使学员掌握中级职业资格的技术理论知识和操作技能,掌握本岗位的职业要求,熟悉施工基础知识,为参加职业技能岗位鉴定做好准备,为升入高级工打下基础。
二、培训内容及要求(一)培训内容1.基础知识2.柱子的吊装3.吊车梁的吊装4.屋架的吊装5.设备的吊装6.起重吊运指挥信号7.起重吊装专项施工方案(二)培训要求培训要结合目前我区建筑施工生产需要和建筑一线生产操作人员的实际情况,要注重基本操作技能的训练,理论知识不宜过深,不苛求系统性和完整性。
做到理论知识与技能训练相结合,使学员达到本等级的职业技能岗位要求。
三、培训课时分配总课时:160课时理论知识授课:48课时实际操作授课:112课时理论知识课与实操课课时比例3:7中级建筑起重司索信号工理论培训大纲一、培训目的本大纲是依据《中级建筑起重司索信号工培训计划》编写的,通过培训,使学员掌握力学基础知识,掌握柱、吊车梁、屋架等建筑构件和设备的吊装工艺、了解起重吊装施工方案编制等起重专业技术理论。
为参加职业技能岗位鉴定做好准备。
二、培训内容、培训要求及课时分配中级建筑起重司索信号工实操培训大纲一、培训目的本大纲是依据《中级建筑起重司索信号工培训计划》编写的。
通过培训,使学员掌握基本受力计算;根据起重作业要求正确选择、使用工程起重机,合理运用起重机具;熟悉起重吊装工艺,指挥起重机进行大型设备、建筑构件的整体搬运、吊装就位、校正固定;达到中级工的技能水平,为参加职业技能鉴定的实操考核做好准备。
二、实操项目、技能要求及课时分配三、主要设备、工具及材料(一)吊件1.10m以下立柱(矩形牛腿柱、工字型柱、双肢柱各一根)2.普通吊车梁(规格自选)3.16m以下跨距屋架(钢筋混凝土屋架(拱形)和钢屋架各一棍)4.25t以下设备(箱型容器、带锥度筒形容器、薄壁管等)(二)设备(能够满足对上述构件进行吊装作业的起重机)1.塔式起重机一台2.汽车起重机或轮胎起重机一台(三)吊索、吊具1.满足上述物体绑扎、吊挂的钢丝绳吊索2.吊钩、吊链、吊环、螺旋扣及平衡梁等吊具、吊索及常用端部配件(四)工具开口扳手(或梅花扳手活扳手)、口笛、指挥旗帜等(五)量具游标卡尺、钢卷尺四、实操场地、工位要求1.培训前期安排在培训单位专用实操场地,视学员人数设置工位数量,根据理论教学进度进行相应的实操技能训练。
建筑起重司索信号工培训教案(一)建筑起重司索信号工培训教案一、教学目标•理解建筑起重司索信号工的职责和重要性•掌握常见的索信号及其含义•学会正确使用索信号进行起重操作•培养责任心和团队合作精神二、教学内容1. 建筑起重司索信号工的职责•掌握相关法规和标准,了解索信号工的法律责任和职责•熟悉建筑起重设备的操作和使用方法•确保起重作业的安全与效率2. 常见的索信号及其含义•停止信号:手臂水平移动,两手交叉成X字形,表示立即停止操作•吊起信号:右手高举,表示起重物开始吊起•放下信号:左手高举,表示起重物开始放下•缓慢信号:右手水平划动,表示起重操作要慢慢进行•加速信号:右手快速划动,表示起重操作要加速进行3. 使用索信号进行起重操作•确保站在司机可见的位置,保持良好的沟通•使用正确的姿势和手势进行索信号操作•根据起重作业的需要及时发出相应的信号•在操作过程中与司机保持良好的配合和沟通4. 培养责任心和团队合作精神•强调起重作业的安全第一,培养工作中的细心和谨慎•强调团队合作的重要性,鼓励同事之间的相互支持和合作•鼓励学生主动提问和分享经验,促进学习和成长三、教学步骤1. 概念讲解•介绍建筑起重司索信号工的职责和重要性•简要介绍常见的索信号及其含义2. 示范演示•教师进行示范,展示正确的姿势和手势•演示不同信号的使用方法和场景3. 学生练习•学生两两配对进行练习,模拟起重作业中的通讯和配合•学生轮流担任司索信号工和起重操作员的角色4. 知识巩固•进行集体讨论,让学生分享自己的经验和体会•强调起重作业的安全注意事项和技巧5. 总结和评价•教师总结本节课的教学内容,强调重点和难点•对学生的表现进行评价和鼓励四、教学资源•讲义:提供索信号的手势和含义说明•视频教学:示范演示和操作技巧演示五、课后作业•自行查找相关法规和标准,了解建筑起重司索信号工的法律责任和职责•思考在起重作业中如何更好地与司机配合和沟通。
建设行业职业技能培训计划与培训大纲初级建筑起重司索信号工培训计划一、培训目的本计划根据建设部颁布的《安装起重工职业技能标准》,参照《建筑起重司索信号工安全技术教学大纲》(试行)编写。
通过培训,使学员掌握初级工应知的基本理论知识和基本的操作技能,掌握建筑起重司索信号工的安全操作规程,能够配合起重机司机安全完成一般物体的吊运操作。
为参加职业技能岗位鉴定和投身建设行业做好准备。
二、培训内容及要求(一)培训内容1.建筑识图2.基础知识3.常用吊索、吊具4.常用起重机具5.常用起重机械6.起重吊装作业7.起重吊运指挥信号8.起重作业安全管理9.起重事故案例分析(二)培训要求培训要结合目前我区建筑施工生产需要和建筑一线生产操作人员的实际情况,要注重基本操作技能的训练,理论知识不宜过深,不苛求系统性和完整性。
做到理论知识与技能训练相结合,使学员达到本等级的职业技能岗位要求。
三、培训课时分配总课时:200课时理论知识授课:60课时实际操作授课:140课时理论知识课与实操课课时比例为 3 :7初级建筑起重司索信号工理论培训大纲一、培训目的本大纲依据《初级建筑起重司索信号工培训计划》编写的。
通过培训,使学员了解识图的基本知识;掌握力学基础知识,了解机械基础、电工学、液压传动、金属材料等基础知识;了解起重机械的分类、构造和基本参数;掌握起重吊具、索具的安全技术要求。
在理论知识方面达到初级工的技术水平,为参加职业技能鉴定的理论考试做好准备,同时为掌握操作技能打下理论基础。
二、培训内容、培训要求及课时分配初级建筑起重司索信号工实操培训大纲一、培训目的本大纲是依据《初级建筑起重司索信号工培训计划》编写的。
通过培训,使学员能够计算物体的质量和重力、判断物体的重心、正确选择吊点;计算钢丝绳吊索的受力,正确选择钢丝绳吊索,进行物体的绑扎、吊挂;掌握起重吊运指挥信号,安全完成一般物体的吊运操作;达到初级建筑起重司索信号工的技能水平,为参加职业技能鉴定的实操考核做好准备。
塔吊司机信号工培训1. 引言塔吊司机和信号工是在建筑工地上非常重要的角色。
塔吊司机操作着塔吊,搬运各种建筑材料,而信号工则为塔吊司机提供指挥和信号。
在一个建筑工地上,塔吊司机和信号工必须密切合作,以确保安全、高效地完成工作。
本文将介绍塔吊司机和信号工的工作职责和培训过程,帮助读者了解塔吊司机和信号工的工作特点以及如何成为一名成功的塔吊司机或信号工。
2. 塔吊司机的工作职责塔吊司机是指驾驶塔吊的专业技术员工。
塔吊司机负责控制新增加、提名高度、回车等操作,从而保证塔吊准确地完成各项工作任务。
2.1 工作环境塔吊司机的工作环境需要特别注意安全。
在施工现场,塔吊司机需要在高处和狭窄的工作平台上操作塔吊,因为这种工作环境的特殊性,即使是最小的差错也会带来灾难性后果。
2.2 工作任务塔吊司机需要完成下列任务:•安装和拆卸塔吊•实现塔吊预定的高度和角度,控制准确度达到毫米级•对塔吊进行检查•安全操作2.3 技能要求成为合格的塔吊司机需要具备以下技能:•经验丰富:拥有多年塔吊操作经验的司机比初学者更有优势。
•聚精会神:操作塔吊需要脑子清晰、注意力集中,这是塔吊司机必备的能力之一。
•技术熟练:控制塔吊需要精密的技术和科学的方法。
塔吊司机需要通过培训和不断实践提高技术水平。
•安全意识:无论何时,都要始终保持安全意识。
3. 信号工的工作职责信号工是施工现场上的指挥员,负责为塔吊司机提供指挥和信号。
信号工需要掌握各种手势,并能够与塔吊司机沟通。
3.1 工作环境信号工需要在高处、狭窄的工作平台、各种气象条件下工作。
因此,信号工的工作环境是特别危险的,需要具备高强度的体力、高度的集中力和丰富的经验来完成任务。
3.2 工作任务信号工需要完成以下任务:•提供指令和信号,以确保塔吊的搬运和安全。
•与塔吊司机、协调员和其他工人沟通。
•对塔吊和周围环境进行检查,以确保安全操作。
3.3 技能要求成为一名合格的信号工需要具备以下技能:•技术熟练:信号工需要掌握各种工具操作和手势,以及如何与塔吊司机沟通。
信号工及起重机操纵员安全教育培训表
培训目的
本培训旨在提高信号工及起重机操纵员的安全意识和操作技能,以确保他们在工作时能正确地进行信号操作和起重机操纵,最大程
度地避免事故和伤害的发生。
培训内容
1. 安全意识教育
- 解释并强调工作场所的安全意识重要性。
- 介绍各种安全风险和事故可能性。
- 强调个人责任和团队合作的重要性。
2. 信号操作培训
- 介绍标准的信号操作手势和符号。
- 解释各种信号表示的含义和使用方法。
- 练正确的信号操作技巧。
3. 起重机操纵培训
- 介绍起重机的基本构造和工作原理。
- 解释各种控制装置和指示器的作用。
- 强调正确的起重机操作方法和步骤。
4. 安全规程和操作程序
- 详细介绍工作场所的安全规程和操作程序。
- 解释各种安全设备和防护装置的使用方法。
- 强调遵守规则和程序的重要性。
5. 实际操作训练
- 提供实际操作机会,让信号工和起重机操纵员实践所学的技能。
- 监督和指导他们在实际操作中的表现。
- 提供反馈和建议,帮助他们改进操作技巧。
培训评估
- 通过书面考试评估学员对培训内容的理解和掌握程度。
- 进行实际操作评估,评估学员在实际工作场景中的操作能力和安全意识。
培训证书
- 完成培训并通过评估的学员将获得信号工及起重机操纵员安全培训证书。
以上为《信号工及起重机操纵员安全教育培训表》内容,希望能够对信号工和起重机操纵员的安全教育培训提供一定的指导和参考。
建筑施工现场特种作业人员塔司、司索、信号工安全技术培训培训目的《中华人民共和国刑法》为了认真贯彻执行“安全第一,预防为主、综合治理” 的方针和《安全生产法》、《建筑工程安全生产管理条例》,严格按照操作规程和规章制度进行塔吊指挥作业,杜绝各种塔吊作业安全事故及隐患的发生,使项目现场塔吊司机和信号工更全面地掌握指挥技能,提高安全意识,做到安全高效,避免安全事故的发生。
我们要学习、我们要充电、我们要掌握⏹《中华人民共和国特种设备安全法》主席令第4号⏹《特种设备安全监督条例》⏹《建筑起重机械安全监督管理规定》住建部166号⏹《建筑施工安全检查标准》JGJ59-2011⏹《塔式起重机安全规程》GB5144⏹《建筑施工塔式起重机安装、使用、拆卸安全技术规程》JGJ196因为塔吊是危大工程因为我是特殊工种为什么要忽视信号、司索工的存在?信号、司索工是塔司的眼睛,是现场起重安全的监护人。
吊物绑扎牢固,不得钩挂其它杂物,离地安全确认后才能起吊,这些都是司索工做的工作。
一个好的司索工能避免很多的安全事故。
信号、司索很辛苦,要多问,多跑,多沟通。
还要协调各班组,充分利用塔吊的起吊能力。
监护现场工人的安全,谨防高空落物伤害。
信号索工必须具备:从事信号、司索的工作人员,必须责任心强、能适应高处作业,并经专业安全技术培训考试合格,取得特种作业上岗证后方可持证上岗;定期参加培训、教育活动,增强本岗位业务能力信号、司索工应当能够掌握并熟悉运用:旗语、哨语和手势、对讲机四种指挥方法;信号、司索工要在每天上岗前先检查起重用的吊索具,保证吊索具安全有效并对其安全技术状况负责;吊装作业的基本知识吊装作业的基本知识●1、穿绳:确定吊物重心,选好挂绳位置,使用卡环时,严禁卡环侧向受力。
穿绳应用铁钩,不得将手臂伸到吊物下面。
吊运棱角坚硬或易滑的吊物,必须加衬垫,用套索;●2、挂绳:应按顺序挂绳,吊绳不得相互挤压、交叉、扭压、绞拧。
一般吊物可用兜挂法,必须保护吊物平衡;对于易滚、易滑或超长货物,宜采用绳索方法,使用卡环锁紧吊绳;●3、试吊:吊绳套挂牢固,起重机缓慢起升,将吊绳绷紧稍停,起升不得过高;在将物体吊离地面20~50公分时,要注意停车检查:●(1)起重机的稳定性●(2)制动器的可靠性●(3)绑扎的牢固性;试吊中,指挥信号工、挂钩工、司机必须协调配合。