自粘聚合物改性沥青防水卷材
- 格式:doc
- 大小:33.00 KB
- 文档页数:2
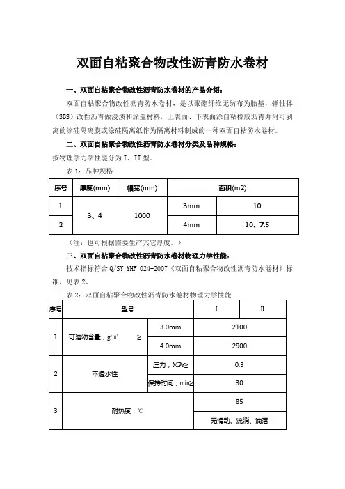
双面自粘聚合物改性沥青防水卷材
一、双面自粘聚合物改性沥青防水卷材的产品介绍:
双面自粘聚合物改性沥青防水卷材,是以聚酯纤维无纺布为胎基,弹性体(SBS)改性沥青做浸渍和涂盖材料,上表面、下表面涂自粘橡胶沥青并附可剥离的涂硅隔离膜或涂硅隔离纸作为隔离材料制成的一种双面自粘防水卷材。
二、双面自粘聚合物改性沥青防水卷材分类及品种规格:
按物理学力学性能分为I、II型。
表1:品种规格
四、双面自粘聚合物改性沥青防水卷材特点:
·不动用明火,对环境无污染,属于环保型产品;
·聚酯胎抗拉强度高、延伸率较大,对基层伸缩和开裂变形适用能力强;
·以SBS改性沥青做涂覆材料,耐高低温性能好;
·粘结性能好,卷材接缝自身粘接与卷材寿命同步。
五、双面自粘聚合物改性沥青防水卷材适用范围
适用于工业与民用建筑以及明挖法地铁、隧道以及水池、水渠等地下工程的防水、防渗、防潮。
实力厂家推荐:
潍坊市旭彩防水材料有限公司位于“中国防水产业基地”--山东省寿光市,是一家集防水材料的科研开发、生产销售、设计施工于一体的生产企业。
公司设备先进、技术力量雄厚、产品种类齐全,公司主要生产销售各类防水材料:SBS、APP改性沥青防水卷材、耐根穿刺防水卷材、单组分/双组份防水涂料、高分子聚乙烯丙纶、强力交叉膜自粘防水卷材、PVC及TPO防水材料。
双面自粘聚合物改性沥青防水卷材一、产品介绍:双面自粘聚合物改性沥青防水卷材,是以聚酯纤维无纺布为胎基,弹性体(SBS)改性沥青做浸渍和涂盖材料,上表面、下表面涂自粘橡胶沥青并附可剥离的涂硅隔离膜或涂硅隔离纸作为隔离材料制成的一种双面自粘防水卷材。
二、分类及品种规格:按物理学力学性能分为I、II型。
表1:品种规格四、特点:·不动用明火,对环境无污染,属于环保型产品;·聚酯胎抗拉强度高、延伸率较大,对基层伸缩和开裂变形适用能力强;·以SBS改性沥青做涂覆材料,耐高低温性能好;·粘结性能好,卷材接缝自身粘接与卷材寿命同步。
五、适用范围适用于工业与民用建筑以及明挖法地铁、隧道以及水池、水渠等地下工程的防水、防渗、防潮。
六、系统选材要点·Ⅰ型卷材:具有较高拉力和一定延伸率,低温柔度也较好,适用于一般建筑和较寒冷地区做屋面防水层。
·Ⅱ型卷材:具有高抗拉强度,较大伸长率和优异的耐高低温性能,适用于防水等级为Ⅰ、Ⅱ级的屋面和地下工程的防水,严寒地区尤其应选用Ⅱ型。
·可单独使用,也可与其他卷材复合使用,单层使用时,卷材厚度应不小于3mm,双层使用时每层卷材厚度不应小于2mm。
七、施工方法:本产品可用满粘法、预铺反粘法、湿铺法施工,详见《自粘结卷材防水系统介绍及施工说明》实力厂家推荐:潍坊市旭彩防水材料有限公司位于“中国防水产业基地”--山东省寿光市,是一家集防水材料的科研开发、生产销售、设计施工于一体的生产企业。
公司设备先进、技术力量雄厚、产品种类齐全,公司主要生产销售各类防水材料:SBS、APP改性沥青防水卷材、耐根穿刺防水卷材、单组分/双组份防水涂料、高分子聚乙烯丙纶、强力交叉膜自粘防水卷材、PVC及TPO防水材料。
自粘聚合物防水卷材凭据差别用途,上外貌可分别笼罩高密度聚乙稀膜(PE)、丙烯编织物(PP)、铝箔(AL),下外貌为断绝膜制成的新型防水质料。
3.0厚自粘聚合物改性沥青防水卷材是一种根据特别配方合成的自粘聚合物改性橡胶沥青制成能自粘的防水卷材。
具有施工方便,卷材可直接粘附于基层,冷施工、环保等特点。
众所周知,地下防水与屋面防水有所差别,屋面防水层是先做主体布局,后做防水,以是防水层能精细粘贴在砼布局外貌。
地下防水工程先做垫层,再做防水,然后浇筑布局砼。
二、实用范畴1. 外貌为聚乙烯膜的防水卷材普遍用于各种修建的非袒露屋面、地下和室内工程,于明挖地铁、隧道、池塘、沟渠等工程防水。
尤实在用于禁绝动用明火的工程;2. 改性沥青防水卷材实用于各种修建的外露防水工程;3. 双面自粘卷材仅用于帮助防水,也可用于两种不相容质料防水层交代处的粘接和密封.三、产物分类自粘橡胶沥青防水卷材可分为一下几种厚度(mm)1.2mm,1.5mm,2.0mm宽度(mm) 1000mm1. 高分子金属铝箔防水卷材;2. 双面自粘防水卷材;3. 自粘SBS改性沥青防水卷材;4. HDPE复合金属铝箔防水卷材;5. 高分子双面自粘防水卷材.四、自粘聚合物防水卷材施工方法:A:湿铺法1.清算基面:下层外貌应坚固、洁净。
并充实湿润无积水。
2.抹水泥浆粘贴层:抹水泥浆于下层上,水泥浆的宽度比自粘防水卷材的长、短边各宽出300mm,并使用导轨包管水泥浆的平整度。
(注:水泥浆的厚度为3-5mm。
)3.揭失防水卷材下外貌的断绝质料,将卷材平铺在水泥浆上,卷材于卷材之间平行对接,对接缝应控制在3-5mm以内。
(也可接纳搭接方法,将搭接处的断绝纸揭失,卷材与卷材间举行粘贴约莫60-80mm)。
用木抹子或橡胶板拍打卷材上外貌、排气、提浆。
使卷材与水泥浆精细粘贴。
4.晾放24-48小时。
温度越高所需时间越短。
5.接口密封:可接纳附加自粘密封带密封。
对接口密封时,先将卷材搭接部位上外貌的断绝纸揭除,再粘贴自粘密封带密封。
自粘聚合物改性沥青聚酯胎防水卷材1.产品分类按卷材物理力学性能分为Ⅰ型和Ⅱ型。
2.规格幅宽:1000㎜厚度:厚度分为1.5㎜、2㎜和3㎜。
每卷面积:10㎡、15㎡。
3.相关标准3.1产品执行标准:JC898-2002《自粘聚合物改性沥青聚酯胎防水卷材》3.2设计及施工规范:GB50108—2001《地下工程防水技术规范》GB50208—2002《地下防水工程质量验收规范》GB50345—2004《屋面工程技术规范》GB50207—2002《屋面工程质量验收规范》GB50300—2001《建筑工程施工质量验收统一标准》4.与相关产品的比较与SBS改性沥青卷材相比,自粘聚酯胎卷材本身具有自粘合的功能,施工简便,容易形成全封闭的整体防水层;在材性方面,其拉力、耐热度较低,低温柔度略好。
5.选用要点5.1 I型卷材具有低温柔性好,延伸率较大等特点,但以塑料膜或细砂为覆面的卷材耐热度较低。
仅适用于一般及中档建筑屋面(有刚性保护层的)及地下防水工程。
天津本地多用I型5.2 Ⅱ型卷材拉力较I型卷材大,低温柔性更好。
适用于寒冷地区中、高档建筑屋面及地下防水工程。
5.3 单层使用时,厚度不应小于3mm;二道及二道以上设防时,屋面工程防水每层卷材厚度不应小于2mm;地下工程防水不得小于3㎜。
5.4 当用于地下工程时,应满足水蒸气透湿率≤5.7×10-9g/(㎡•s•Pa)的要求。
5.5 铝箔面卷材用于屋面防水,可直接外露使用,但应满足人工气候加速老化性能的指标要求。
5.6 聚乙烯膜和细砂面卷材用于屋面防水,需要做保护层。
5.7 1.5㎜厚自粘卷材仅用于辅助防水。
自粘型防水卷材是一种改性沥青防水板质量的聚酯,玻璃垫,或玻璃纤维增强聚酯感到作为垫,苯乙烯丁二烯苯乙烯的防水卷材。
它可以与水或者是活跃的化学物质材料还有包含渗透到混凝土内部的水,形成不溶性晶体,所以可以在混凝土通道堵塞毛孔。
厚度有1.2mm、1.5mm、2.0mm三种规范。
规范: 1.5厚,2.0厚,1.2厚重量: 45kg别的:单面,双面,I型,II型,湿铺,预铺,湿铺法,湿铺式,预铺法,预铺式一,商品图片二,施工方法1,自粘聚合物防水卷材准平面的处理→刷处理剂底部平面的治疗(附层)→→节点细节了PCM膜→半头治疗→防水层检验→保护层的施工2,湿铺设方法:该防水卷材基准平面的处理→刮涂和制备的聚合物水泥砂浆(砂)→节点细节处理(附加层)→了PCM膜→半头治疗→防水层检验→保护层的施工3,粘贴方法:防水卷材基准平面处理→节点细节处理(附加层)→参考平面弹性定位→了PCM膜→删除隔离膜→浇注混凝土versa粘贴方法(隧道施工中常用):门安装、钻井和挂膜→→准备悬挂和固定膜→施工→下一块膜膜和膜焊接→粘贴双面自粘的密封条→去除膜表面的隔离膜→接受检查4,自粘聚合物防水卷材机械固定法清理基准平面膜→粘贴密封指甲的部分和大腿上膜的长期和短期→节点增强处理→接受检查三,注意事项1,该防水卷材基准平面治疗:基础表面应光滑,硬,没有灰尘,没有污染,没有宽松的对象,基面应干燥使用湿铺设方法时,湿铺设方法要求基准平面应光滑,无渗漏,无水。
2,刷牙处理剂裁膜时,处理剂是应该搅拌均匀,涂膜刷均匀,干燥后,其他过程不需要基准平面处理剂。
3,节点细节处理:首先应该做密封管部分,然后粘贴连接层。
角落的位置,如内部与外部的角落,仰角,伸缩缝、施工缝和其他地方粘贴附加层。
水平和垂直的宽度都是一般大于250毫米。
四,储存:1,膜密封胶应存放在干燥、通风的环境中,防止暴露太阳和雨,应该配备必要的消防设施。
2,把膜平整的地方,不允许倾斜或按交叉水平。
自粘聚合物改性沥青防水卷材技术交底介绍自粘聚合物改性沥青防水卷材是现代建筑防水材料的一种,具有防水、防潮、防湿、防腐、防酸碱等优异性能,被广泛应用于建筑屋面、地下室、隧道、桥梁、水利、道路等领域。
本文将就自粘聚合物改性沥青防水卷材的技术要点进行交底。
原理自粘聚合物改性沥青防水卷材是采用高分子自粘剂和改性沥青生产,具有优异的自粘性能和抗老化性能。
其自粘性原理在于自粘剂的热熔性质,当温度达到一定程度时,自粘剂表面附着的脱粘剂分子会被热力激活,形成高分子链,形成自粘属性。
改性沥青在自粘基材的基础上,可提高防水卷材的耐老化性和耐温性。
技术要点1. 底面处理底层表面必须干燥、平整、坚实、无尘土、无油污,如底层表面不平整,可采用3-5mm的砂浆找平。
同时,对于混凝土基层应进行除油、切割、打磨、清扫等处理,以确保防水卷材可以充分与基底粘结,形成牢固的防水层。
2. 边缘处理防水卷材的边缘处理是影响防水整体效果的关键节点,必须严格按照规范进行处理。
首先,应在边缘处加工出钩形或扣槽,以使两张防水卷材能够咬合牢固。
其次,在边缘处应用专业胶粘剂将两张防水卷材牢固粘结,以确保在施工过程中不会拉松。
3. 热风枪施工自粘聚合物改性沥青防水卷材在施工过程中,需要使用热风枪进行加热。
加热温度需要按照现场实际情况,调整温度大小适宜,以确保自粘剂可以完全激活。
同时,在加热过程中建议采用“一遍式”施工,即先将两张防水卷材用胶带粘好,然后一次性进行加热操作,可有效提高施工效率和防水质量。
4. 防水卷材拼接处理防水卷材拼接处需要采用专业的胶粘剂进行处理。
在拼接处理过程中,应严格按照厂家要求,使用合适的胶粘剂和方法,确保拼接处平整牢固,不会出现漏水情况。
自粘聚合物改性沥青防水卷材具有优异的防水和防老化性能,在建筑屋面、地下室、隧道、桥梁、水利、道路等领域得到了广泛应用。
施工过程中,需要注意底面处理、边缘处理、热风枪施工、防水卷材拼接处理等技术要点,才能保证防水卷材的施工质量和防水效果。
自粘聚合物改性沥青防水卷材规范沥青防水卷材是在传统的防水材料基础上发展起来的新型建材,它因其自身特性而受到市场的青睐,从而不断推动了制造工业的发展。
随着市场需求的不断变化,自粘聚合物改性沥青防水卷材也成为市场竞争的一大亮点,从而对该产品的制造要求更高,有必要针对该产品制定规范。
一、适用范围本规范适用于自粘聚合物改性沥青防水卷材,不适用于其他类型的防水卷材。
二、技术要求1、自粘聚合物改性沥青防水卷材表面应平整光滑,检验时总厚度应≥1.2mm;2、聚合物改性沥青防水卷材表面对水对抗性应达到水密度≤0.3kg/㎡,同时耐热温度必须不低于100℃;3、聚合物改性沥青防水卷材表面应无明显粘接剂分层或破裂,应有良好的弹性及拉伸性能;4、聚合物改性沥青防水卷材表面能够耐受温度超过120℃,具备压缩弹性和高拉伸强度;5、聚合物改性沥青防水卷材表面不得有明显的毛刺,裂痕,断层或其它异常缺陷,表面不得有碱度变化引起的颜色变化。
三、检验方法1、厚度测量:使用厚度计测量沥青防水卷材的厚度,它的总厚度应大于1.2mm;2、水密度测试:使用水密度测试仪测量沥青防水卷材表面对水的对抗性,水密度必须小于等于0.3kg/㎡;3、耐热性能检验:使用耐热仪检测沥青防水卷材表面对高温的耐受性,其耐热温度必须大于等于100℃;4、拉伸性能检验:使用拉伸机检测沥青防水卷材的拉伸性能,其拉伸强度必须不低于400N/㎡;5、色彩检测:使用色彩检测仪检测沥青防水卷材表面的色彩,其色彩不得受到碱度等异常因素影响而导致色彩变化。
四、环境保护自粘聚合物改性沥青防水卷材是一种绿色环保的建材,在运输、安装以及使用过程中,确保无污染环境,如发现有污染则立即处理并消除。
五、质量控制质量控制方面,应遵循相关质量标准,严格控制生产的质量,确保自粘聚合物改性沥青防水卷材具备良好的质量和性能。
总之,为了更好地应用自粘聚合物改性沥青防水卷材,应科学地制定规范,以保证该产品具备良好的品质,以满足市场需求。
第二节自粘聚合物改性沥青聚酯胎防水卷材施工工艺(一)施工准备(1)材料准备:做好防水材料的供材计划及进场质量检查。
主材:自粘聚合物改性沥青聚酯胎防水卷材序号配套材料名称材料简介作用及用法1 基层处理剂一般为石油沥青基,外观呈黑褐色,易涂刷、易渗透增强防水材料与基层的粘接力,中和基层灰尘,在防水层施工前,预先涂刷在基层上的涂料。
2 密封膏/密封材料改性沥青密封材料,以沥青为基料,用适量高分子聚合物进行改性;加以填充料和其他化学制剂配置而成的膏状密封材料用于卷材末端收头的密封和搭接缝边缘的密封,也可用于分隔缝、变形缝的嵌缝。
3 沥青涂料用于复杂细部附加防水处理4 金属压条、固定螺钉、固定件、金属箍用于固定卷材末端收头(2)人员准备:配置有资质的项目班子,防水施工工人做到持证上岗。
落实施工技术方案,完成施工技术交底。
做好三级教育培训。
(4)现场准备:完成现场勘查,做好现场规划。
(5)资料准备:及时收集、填写、制作、归档工程资料。
(6)施工机具及防护用具准备:序号工具名称规格/单位数量用途示意图1手提式吹 风机普通 300w 2清理基层 清除接缝内灰尘2 扫帚 同一般日用的 2 清扫基层3 钢丝刷 普通或电动 2 清除基层灰浆、浮浆4小平铲(腻子刀)刃口宽度(mm )25、35、45、50、65、75、90、100 刃口厚度(mm ) 0.4软性;0.6硬性4 有软硬两种,软性适合调制弹性密封膏,硬性适合于清理基层5电锤、电动螺丝刀普通2/2机械固定6铁桶、 塑料桶普通4 装密封材料、溶剂、基层处理剂量、涂料等7 木棒 1.2m2 盛装、搅拌基层处理剂8 滚动刷Φ600*250mm Φ60*125mm2 涂刷基层处理剂9 毛刷 涂刷基层处理剂 2 涂刷基层处理剂10 剪刀 普通 2 裁剪卷材11 壁纸刻刀 普通 4 裁剪卷材12 盒尺/卷尺 3m 、30m 2 现场测量13 卷材弹线器 普通 1 规划布置卷材14 热风焊机 普通 1低温气候下(搭接)辅助加热、搭接缝处受灰尘污染后用或特殊部位的加强处理15铁抹子普通(同抹灰工常用工具)3 压实卷材搭接边及修补基层和处理卷材收头等细部处理16 钢压辊 φ300mm 2 热熔后压实搭接缝17 小压辊 φ50mm 2 热熔后局部压实18铁辊 300mm 长,30kg 重1滚轧大面卷材19 嵌缝枪 普通 2嵌填密封膏的等密封材料20 嵌缝刀 普通 2嵌填密封膏的等密封材料21 橡胶刮板100mm*200mm 或自制2 刮涂配套涂料22手推车 普通1 物料运输23 灭火器 普通 4 消防器材24工作服等金盾专用按需劳保用品25 安全帽、手套、口罩等普通按需劳保用品(二)工艺流程基层清理检查→涂刷基层处理剂→细部节点附加增强处理→定位弹线试铺→铺贴自粘卷材→搭接、收头处理→密封检查、修补、自检→防水层质量验收。
4.自粘聚合物改性沥青防水卷材(水利)4.1施工准备(1)自粘聚合物改性沥青防水卷材:具有产品合格证和出场的检测报告。
(2)基层已清理干净,冷底子油已涂刷均匀。
(3)防水施工人员必须认真熟悉施工场地,同技术人员做好技术交底工作,在铺贴卷材前,应会同有关施工技术人员,对基层进行复查,看是否符合防水卷材施工条件,达到要求方可进行防水卷材施工,确定铺贴方案。
4.2施工要求(1)可在潮湿或干燥的砖石、砂浆、混凝土等基面上施工.(2)不能在0℃以下或在雨中施工,不要在特别潮湿又不通风的环境中施工,否则影响成膜。
(3)基层面及预留处的处理:基面必须平整、牢固、干净、无明水、无渗漏,凹凸不平及裂缝处必须先找平,渗漏处必须先进行堵漏处理。
用吹尘机清理基面,除去表面浮尘,水平表面抹平并压光,有孔洞、蜂窝、破碎和渗漏等缺陷的基面应进行修补,基层基面可潮湿但不得积明水。
4.3防水施工工艺及质量控制4.3.1基层要求及处理(1)基层必须牢固,无松动、起砂等缺陷。
基层表面应平整洁净、均匀一致。
(2)必须将突出基层表面的异物、砂浆疙瘩等铲除,并将尘土杂物清除干净,最好用高压空气进行清理。
(3)基层应干燥,含水率宜小于9%,测定方法是:将1m见方的三元乙丙橡胶卷材覆盖在基层表面上,静置2-3h,若覆盖处的基层表面无水印,且紧贴基层一侧的卷材亦无凝结水痕,即为基层含水率小于9%。
4.3.2搭接缝粘贴(1)铺设平面卷材:先将卷材沿基准线空铺在基面上,细心校正卷材位置,相邻第二幅卷材在长边方向与第一幅卷材的搭接宽度不小于70mm,搭接时先撕掉卷材搭接处的隔离膜,注意保证搭接边干净、干燥,搭接边在粘合时应及时排出搭接边中的气泡,并用压辊压实粘牢。
(2)铺设立面卷材:将卷材沿基准线铺设于基层上,卷材的塑料板(光面)面向永久性围护结构,白色颗粒层面向施工人员。
采用机械固定方式把卷材钉固定于基面上,卷材钉固定位置应在距卷材预留自粘边的外边缘10mm处。
自粘聚合物改性沥青防水卷材标准自粘聚合物改性沥青防水卷材是一种应用广泛的建筑防水材料,具有良好的抗渗透性能和耐老化性能,被广泛应用于各种建筑工程中。
为了保证自粘聚合物改性沥青防水卷材的质量和性能,制定了相应的标准,以便对其进行质量控制和技术评定。
一、技术要求。
1. 自粘聚合物改性沥青防水卷材应符合国家相关标准的规定,其基材、胶粘剂、保护层等各项指标应符合要求。
2. 自粘聚合物改性沥青防水卷材的粘结性能应符合要求,能够在施工过程中牢固粘贴在基层上,并且具有良好的耐水性能。
3. 自粘聚合物改性沥青防水卷材的抗拉强度、断裂伸长率等力学性能应符合要求,能够满足建筑工程的使用要求。
4. 自粘聚合物改性沥青防水卷材的耐老化性能应符合要求,能够在长期使用过程中保持稳定的性能。
二、检测方法。
1. 自粘聚合物改性沥青防水卷材的基材、胶粘剂、保护层等各项指标的检测方法应符合国家相关标准的规定,确保检测结果准确可靠。
2. 自粘聚合物改性沥青防水卷材的粘结性能检测方法应包括剥离强度、剥离长度等指标的测定,以确保其在施工过程中的粘贴性能。
3. 自粘聚合物改性沥青防水卷材的力学性能检测方法应包括抗拉强度、断裂伸长率等指标的测定,以确保其满足建筑工程的使用要求。
4. 自粘聚合物改性沥青防水卷材的耐老化性能检测方法应包括人工老化试验、加速老化试验等,以确保其在长期使用过程中的稳定性能。
三、质量控制。
1. 生产企业应建立健全的质量管理体系,对原材料进行严格把控,确保自粘聚合物改性沥青防水卷材的质量稳定可靠。
2. 生产企业应加强对生产工艺的管理,确保自粘聚合物改性沥青防水卷材的生产过程符合相关标准的要求。
3. 生产企业应建立完善的产品质量追溯体系,对每批产品进行追溯管理,确保产品质量可追溯。
四、应用范围。
自粘聚合物改性沥青防水卷材适用于各种建筑工程中的屋面、地下室、隧道、桥梁等防水工程,能够有效防止地下水、雨水等渗透,保护建筑结构的安全。
自粘聚合物改性沥青防水卷材施工工艺一、施工条件1、机具准备a、基层清理机具:小平铲、吹灰器、扫帚;b、涂刷基层处理剂机具:滚刷、毛刷;c、铺贴自粘卷材机具:弹线盒、壁纸刀、剪刀、压辊、喷灯(备用);d、其它机具:足量配备。
2、基层准备a、基层应坚实、干燥、平整、无灰尘、无油污,凹凸不平和裂缝处应用聚合物砂浆补平,施工前清理、清扫干净,必要时用吸尘器或高压吹尘机吹净;b、平立面交接处、转折处、阴阳角、管根等均应做成均匀一致、平整光滑的圆角,圆弧半径不小于50mm;c、基层应相对表干,无明水、无积水;d、出基层的构件安装完毕后方可进行防水施工;e、施工现场安全防护设施齐全,按规定放置消防器材;f、基层应会同监理工程师验收合格后方可进行防水的施工。
二、防水卷材自粘法施工工艺1、施工搭接施工时,相邻两幅卷材的搭接要错开,错开长度不小于1500mm,一般搭接长度为80mm。
a、卷材搭接宽度应符合相关规范要求,特别重要或对搭接有特殊要求时,接缝宽度按设计要求。
b、搭接缝的粘结:卷材搭接缝的粘结,采用专用压辊在上层卷材的顶面均匀用力使压,以边缘呈密实粘合为准。
2、卷材施工流程施工准备→基层处理→涂刷基层处理剂(湿铺时刮素水泥浆)→细部附加防水层施工→弹基准线→大面自粘卷材铺贴→排气压实→ 搭接缝压实和边缘密封→立面卷材收头固定和卷材密封膏封闭→质检→保护层施工3、施工工艺a、施工准备:包括主材辅材和系统配套材料;技术方案、作业条件和防水基层。
施工机具:清理基层用铁锹、扫帚、吹灰器、手锤、钢凿;卷材铺贴用剪刀、卷尺、弹线盒、刮板、毛刷、压辊(滚筒)、手辊。
b、基层处理:基层应坚实、平整、无明水、灰尘和油污,凹凸不平和裂缝处应用聚合物砂浆补平,施工前应对基层检查和验收,符合要求后进行清理和清扫,必要时用吸尘器或高压吹尘机吹净。
c、涂刷基层处理剂:在铺贴卷材前,基层表面应涂刷雨虹BPS-201基层处理剂,涂刷应均匀并完全覆盖所有待粘贴卷材部位,不得漏涂和堆积。
自粘聚合物改性沥青防水卷材1、产品简介自粘聚合物改性沥青防水卷材是以合成橡胶、树脂、沥青等为基料,以增塑剂、增粘剂及无机填料为辅料,采用聚酯毡为胎体,以聚乙烯膜、丙纶布、铝箔、石英砂、矿物粒料(片)为表面材料(或双面自粘型),粘接面采用防粘隔离层经特殊工艺制作的自粘防水卷材。
2、产品特点:(1)具有粘接性能强、延伸性能好、自愈性能强、高低温性能稳定等优点;(2)表面材料的多样化能符合各种观感的要求;(3)材料稳定性能好,具有很好的耐腐蚀性,使用寿命长;(4)优异的抗拉性能,能适应基层的变形或开裂而不会出现卷材撕裂;(5)冷施工操作安全、简便,对环境无污染。
特别适用于不允许采用明火施工。
3、适用范围:地下室、地铁、隧道、车库、水池、屋面等。
4、性能指标:(执行标准GB/T 23441—2009)表2物理力学性能(1)基层要求1)基层养护满足设计和规范要求。
防水工程施工前,应对前项工程进行质量验收,合格后方可施工。
2)各种预埋管件按设计及规范要求事先预埋,并做好密封处理。
3)基层表面已清理干净,并基本平整,无明显突出部位。
4)基面阴阳转角抹成圆弧形,阴角最小半径50mm,阳角最小半径20mm。
5)施工时基面无明水,如有积水部位,则扫除积水后即可施工。
(2)工艺流程基层清理、湿润—→定位弹线—→抹水泥(砂)浆—→大面铺贴防水卷材—→提浆、排气—→长、短边搭接—→组织验收(3)施工步骤1)基层清理、湿润:用扫帚、铁铲等工具将基层表面的灰尘、杂物清理干净,干燥的基面需预先洒水润湿,但不得残留积水。
(基层清理)2)定位弹线。
3)抹水泥(砂)浆:其厚度视基层平整情况而定,铺抹时应注意压实、抹平。
铺抹水泥(砂)浆的宽度比卷材的长、短边宜各宽出100~300m,并在铺抹过程中注意保证平整度。
注:若基面平整,采用干粘法。
4)大面铺贴防水卷材:揭除防水卷材下表面隔离膜,将防水卷材铺贴在已抹水泥(砂)浆的基层上。
5)提浆、排气:用木抹子或橡胶板拍打卷材表面,提浆,排出卷材下表面的空气,使卷材与水泥(砂)浆紧密贴合。
自粘聚合物改性沥青防水卷材技术交底三篇篇一:自粘聚合物改性沥青防水卷材技术交底篇二:聚合物改性沥青防水卷材技术交底交底内容:粘防水卷材一-节点密封一-工作面移交2、基层要求1)基层养护至规定龄期。
2)基层表面平整、干燥,并已清理干净。
3)阴阳转角抹成圆弧形。
3、施工方法1)基层清理干净后,用自粘防水卷材配套基层处理剂涂刷于基层上,晾放至指触不粘(不粘脚)。
2)节点部位按规范或设讣要求进行防水加强处理。
3)根据现场实际情况,安排好铺贴顺序及方向,宜在基层上弹线,以便第一幅卷材定位准确。
4)将卷材粘结面对准基准线平铺在基面上,从一端将隔离纸从背面揭起,两人拉住揭下的隔离纸均匀用力向后(或山上而下)拉,慢慢将整幅长的隔离纸全部拉出,同时将揭掉隔离纸的部分粘贴在基层上。
在拉铺卷材时,应随时注意与基准线对齐,速度不宜过快,以免出现偏差难以纠正。
卷材粘贴时,不得用力拉伸。
卷材粘贴后,随即用胶翟(或刮板)用力向前、向外侧滚(赶)压,排出空气,使之牢固粘贴在基层上。
5)搭接铺贴下一幅卷材时,将位于下层的卷材搭接部位的透明隔离膜揭起,将上层卷材平服粘贴在下层卷材上。
各层卷材,短边搭接长度为100mm,长边搭接长度为lOOmmo6)相对薄弱的部位(即卷材收头部位、卷材剪裁较多的异形部位等)应采用专用密封膏密封。
注:湿铺法:基层处理一-抹聚合物水泥(砂浆)一-揭除隔离层一-铺贴卷材排气粘合。
4、质量标准4. 1保证项目:4.1.1卷材和胶结材料的品种、牌号及配合比,必须符合设计要求和有关技术规范、标准的规定。
4.1.2卷材防水层及其变形缝,檐口、泛水、水落口、预埋件等处的细部做法, 必须符合设计要求和屋面工程技术规范的规定。
4. 1. 3屋面卷材防水层严禁有渗漏现象。
4.2基本项目:4. 2.1铺贴卷材防水层的基层应符合排水要求,平整洁净,无起砂、空鼓和松动现象,阴阳角处应呈圆弧形或钝角;防水层无积水现象。
4.2.2卷材防水层铺贴和搭接、收头,应符合设讣要求和屋面工程技术规范的规定,且应粘结牢固,无空裂、损伤、滑移、翘边、起泡、皱折等缺陷。
自粘聚合物改性沥青建筑防水卷材施工
概述:
自粘聚合物改性沥青建筑防水卷材施工是一种常用的防水材料应用技术。
本文档旨在介绍自粘聚合物改性沥青建筑防水卷材施工的步骤和注意事项。
步骤:
1. 准备工作:
- 确保施工表面平整、洁净,并去除任何杂物。
- 检查施工区域是否存在可能影响防水效果的漏水点,并进行修复。
- 检查所用材料的质量和规格是否符合要求。
2. 底层处理:
- 使用底层涂料进行表面处理,提高粘附性和耐水性。
- 将底层涂料均匀涂布在施工表面,确保其完全干燥。
3. 防水层施工:
- 根据施工要求,将自粘聚合物改性沥青建筑防水卷材平整粘
贴在底层处理后的表面上。
- 保证防水卷材的粘附性和整体性,并尽量避免产生皱纹和气泡。
- 在接缝处进行热风枪加热处理,确保接缝处紧密连接,并避
免水分渗透。
4. 清理和检查:
- 施工完成后,及时清理施工现场的杂物和垃圾。
- 对施工质量进行检查,确保防水层完好无损。
注意事项:
- 在施工过程中,注意安全措施,避免发生事故。
- 按照产品说明书中的要求使用材料,并确保其过期日期有效。
- 避免施工过程中的高温、低温和湿度极端环境,以免影响防
水效果。
- 在施工前,进行必要的施工方案设计和材料选型。
总结:
自粘聚合物改性沥青建筑防水卷材施工是一项重要的建筑工程技术,具有耐久、抗老化和防水效果好等特点。
正确施工并注意以上步骤和注意事项,可以确保防水层的质量和使用寿命。
以上为自粘聚合物改性沥青建筑防水卷材施工的简要介绍,希望对您有所帮助。
自粘聚合物改性沥青防水卷材施工流程介绍本文档旨在提供自粘聚合物改性沥青防水卷材的施工流程和注意事项。
自粘聚合物改性沥青防水卷材是一种常用于建筑工程中的防水材料,能够有效防止水的渗透和泄漏,具有较好的耐久性和抗老化性能。
施工准备在开始施工之前,需要做好以下准备工作:1. 检查施工区域,确保表面平整、干燥且无明显的杂物和污渍。
2. 清除施工区域的尘土和杂物,保持干净整洁。
3. 使用合适的工具和设备,如滚筒、刮板等。
施工步骤1. 将自粘聚合物改性沥青防水卷材从卷筒上卷放到施工区域。
2. 按照预定的铺设方向,将卷材在施工区域上逐渐铺展开来。
3. 确保卷材与基层之间紧密贴合,没有明显的空隙。
4. 使用滚筒或类似工具,沿着卷材的边缘进行轻微压实,确保卷材的粘合性能得到充分发挥。
5. 如有需要,根据具体情况进行卷材的修剪和连接处理,确保施工区域的完整性和连续性。
6. 在施工区域架设安全网或警示标志,确保施工过程中的安全。
注意事项在进行自粘聚合物改性沥青防水卷材施工时,需要注意以下事项:1. 确保施工区域的温度适宜,一般在5-35摄氏度之间。
2. 需要避免施工区域受到雨水、雪水、油污等污染物的影响。
3. 施工结束后,对施工区域进行清理和检查,确保无残留物和施工质量符合要求。
4. 如有需要,可以使用专门的防水胶进行卷材接缝处的处理。
5. 所有材料和工具需与规范要求相符,并进行必要的检验和测试。
以上是自粘聚合物改性沥青防水卷材的施工流程和注意事项,希望对您有所帮助。
*[LLM]: Master of Laws。
自粘聚合物改性沥青防水卷材施工方案第一节依据及相关标准1.《地下工程防水技术规范》(GB 50108)2.《屋面工程技术规范》(GB 50345)3。
《地下防水工程质量验收规范》(GB 50208)4。
《屋面防水工程质量验收规范》(GB 50207)第二节防水卷材及配套系统材料(一)防水卷材主体材料自粘聚合物改性沥青防水卷材(无胎体)是以SBS等合成橡胶、增粘剂及优质道路石油沥青等配制成的自粘橡胶沥青为基料,聚乙烯膜、聚酯膜或硅质隔离膜为隔离层制成的防水卷材.该类防水卷材产品性能执行《自粘聚合物改性沥青防水卷材》(GB 23441)标准的要求. (二)辅助材料基层处理剂:要求使用与卷材相容的基层处理剂,由防水材料生产的厂家提供;改性沥青密封材料:主要用于卷材末端收头密封、卷材搭接缝边缘密封,也可用于分隔缝、变形缝的嵌缝;金属压条、钉子等:用于卷材末端收头固定.(三)主要机具1.清理基层工具扫帚、勾刀、钢丝刷等2。
铺贴卷材工具弹线器、盒尺、滚红、刮辊、压锟等。
第三节防水施工流程清理基层→涂刷基层处理剂→铺贴附加层卷材→铺贴自粘橡胶沥青防水卷材→卷材搭接缝的粘结和密封→防水层质量检查及质量处理→蓄水试验→竣工验收。
第四节施工准备(一)技术准备1.施工之前应根据施工图纸,依据相关规范编制防水施工技术方案,方案应通过审核与审批后才能指导施工。
2。
施工前,应组织工人进行培训,并进行技术交底和安全交底.(二)材料准备1.卷材外观质量、规格、物理性能应符合《自粘聚合物改性沥青防水卷材》国家标准.2.施工前,材料厂家应提供防水材料的出厂合格证、质量检测报告。
并且每批次材料进入现场,监理应先抽样进行复试,复试合格后才能使用。
(三)劳动力准备1。
施工作业工人必须持证上岗。
2.作业班组应统一着装,佩戴安全帽、手套等必需的劳动保护器具.(四)施工机具准备1。
高压吹风机、扫帚、小铲刀;2。
滚刷、毛刷、电热风焊枪;3。
卷尺、专用弹线器、压辊、卷材剪、壁纸刀、专用搭接缝检测钩、灭火器等。
自粘聚合物改性沥青防水卷材
自粘聚合物改性沥青防水卷材(一下简称N类)是以SBS 等合成橡胶、优质道路沥青及增粘剂为基料,以聚粘膜(PET)、聚乙烯膜(PE)、铝箔或涂硅隔离膜为防粘层而制成的自粘聚合物改性沥青无胎基防水卷材。
自粘聚合物改性沥青聚酯胎防水卷材(以下简称PY类)是以长丝聚酯毡为胎基,以增粘聚合物改性沥青为浸涂材料,上表面覆以聚乙烯膜、细砂、页岩、铝箔或隔离膜为隔离层,下表面覆涂硅隔离膜为防粘层而制成的自粘聚合物改性沥青聚酯胎防水卷材。
它使用范围有非外露的屋面、地下工程防水;
水渠、游泳池等市政工程防水;
明挖法的地铁工程防水等;
特别适用于不能动用明火的防水工程。
优异的低温性能更适宜寒冷地区使用。
这种防水卷材有两种,分为N类和PY类,
N类产品按性能分为I类和II类,产品按上表面材料分为聚乙烯膜(PE)、聚酯膜(PET)、无膜双面自粘(D)
PY 类产品按性能分为I型和II型。
产品按上表面材料分为聚乙烯膜(PE)、细砂(S)、无膜双面自粘(D)
N类特点是
冷施工:不动用明火、不使用粘接剂、节能、环保、低碳、经济;
卓越的粘结性能,长期处于粘弾状态,确保防水层的整体性;
高延伸性能,优异的剪切应变性;
优异的低温性能;
PY类特点是
冷施工:不动用明火、不使用粘接剂、节能、环保、低碳、经济;
粘结性能优异:与基层粘结性能优异,避免了窜水现象的发生。
具有自愈功能,接缝自身粘接可与卷材同寿命;
抗拉强度高、延伸率大、抗耐穿刺、耐腐蚀能力强;
优异的低温性能;
宽幅卷材材料施工损耗少,施工更便捷。
这种防水卷材具有良好的性能,无毒无害。