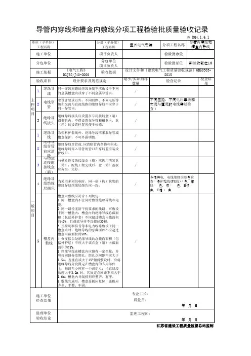
导管内穿线和槽盒内敷线检验批质量验收记录
- 格式:xlsx
- 大小:17.48 KB
- 文档页数:1
管内穿线和槽盒内敷线检验批质量验收记录管内穿线和槽盒内敷线是施工中常见的电气安装工作,对于确保电气设备的正常运行和使用安全具有重要作用。
为了保证施工质量,需要进行管内穿线和槽盒内敷线的检验批质量验收记录。
以下是一份1200字以上的管内穿线和槽盒内敷线检验批质量验收记录:一、项目概况项目名称:XX工程项目地点:XXX施工单位:XXX监理单位:XXX质检单位:XXX施工日期:XXXX年XX月XX日二、验收内容1.管内穿线2.槽盒内敷线三、验收标准1.符合国家相关电气安全标准2.管内穿线要求整齐,线缆保护措施到位3.槽盒内敷线接头牢固可靠,线缆固定牢固四、验收要点1.规格型号验收:核对线缆规格型号是否符合设计要求。
2.线缆包装验收:检查线缆包装是否完整无损。
3.线缆外观验收:检查线缆外观是否平整,裸露部分是否完好,无挤压、打结、破损等情况。
4.绝缘层质量验收:检查绝缘层是否均匀,无明显鳞状剥落、裂痕等情况。
5.线芯颜色验收:确认线芯颜色标识是否正确。
6.线缆弯曲半径验收:计算线缆的弯曲半径是否符合要求。
7.穿线工艺验收:检查管道内穿线的工艺是否正确,是否有截面损坏、破坏电缆绝缘等情况。
8.线缆保护验收:检验线缆保护措施是否到位,如套管、路面隧道等。
9.接头质量验收:检查接头的质量,包括固定牢固、焊接质量、绝缘层是否完好等。
10.线缆固定验收:检验线缆固定是否牢固,无松动、脱落等情况。
五、验收结果1.管内穿线:检验合格2.槽盒内敷线:检验合格六、存在问题及整改措施1.存在问题:XXX整改措施:XXX2.存在问题:XXX整改措施:XXX七、验收结论经对管内穿线和槽盒内敷线进行质量验收,符合相关标准和要求,验收结果为合格。
八、质量保证书本质量验收记录作为本工程的质量保证书,具有法律效力。
九、检查人员签名施工单位(盖章):__________________监理单位(盖章):__________________质检单位(盖章):__________________。
电线电缆穿管和线槽敷线安装工程检验批质量验收记录日期:2024年X月X日项目名称:XXX工程总包单位:XXX公司施工单位:XXX公司监理单位:XXX公司一、工程概况:该工程是电线电缆穿管和线槽敷线安装工程,总长XXX米。
按照设计要求和施工图纸,本次验收主要检查穿管安装和线槽敷设工艺是否符合规范要求,以及工程质量是否符合标准。
二、检验批次及工程部位:本次检验共分为X个批次进行,主要包括穿管安装和线槽敷设两个部分。
具体批次如下:1.穿管安装:批次一、批次二、批次三、..2.线槽敷设:批次一、批次二、批次三、..三、检验方法和标准:1.检验方法:现场实地检查和测量、抽样送验等方式。
2.检验标准:按照国家标准《电线电缆穿管和线槽敷设技术规范》(GB/TXXXX)和设计要求进行验收。
四、检验结果:1.穿管安装:批次一:a.穿管工艺:施工人员按照设计要求和规范进行穿管,管道连接牢固,且无明显倾斜。
b.管道标识:每根穿过的管道都标有规范要求的标识,清晰易读。
c.管道保护:穿过的管道有适当的保护措施,避免机械损伤。
结论:穿管安装工艺符合规范要求,质量合格。
批次二:a.穿管工艺:施工人员按照设计要求和规范进行穿管,管道连接牢固,且无明显倾斜。
b.管道标识:标识清晰,易读,与设计图纸一致。
c.管道保护:穿过的管道有适当的保护措施,避免机械损伤。
结论:穿管安装工艺符合规范要求,质量合格。
2.线槽敷设:批次一:a.线槽尺寸:线槽尺寸符合设计要求,且无明显变形、裂缝等缺陷。
b.线槽固定:线槽固定牢固,无松动现象。
c.线槽标识:每个线槽都标有规范要求的标识,清晰易读。
结论:线槽敷设工艺符合规范要求,质量合格。
批次二:a.线槽尺寸:线槽尺寸符合设计要求,且无明显变形、裂缝等缺陷。
b.线槽固定:线槽固定牢固,无松动现象。
c.线槽标识:标识清晰,易读,与设计图纸一致。
结论:线槽敷设工艺符合规范要求,质量合格。
五、存在问题及处理意见:1.检验过程中,未发现存在重大质量问题。
导管内穿线和槽盒内敷线检验批质量验收记录导管内穿线和槽盒内敷线是建筑、电气等工程中常见的施工工作,为了保证施工质量,需要进行质量验收。
下面是导管内穿线和槽盒内敷线检验批质量验收记录的最新版,包括文档的标题、目的、范围、检查项目、检查方法、记录和报告要求等内容。
1.标题:2.目的:确保导管内穿线和槽盒内敷线工程质量符合相关标准和要求。
3.范围:本次质量验收适用于所有导管内穿线和槽盒内敷线的施工工序。
4.检查项目:4.1导管内穿线4.2槽盒内敷线5.检查方法:5.1现场检查5.2抽样检验5.3实测实量6.记录和报告要求:6.1记录环节6.1.1记录人员应当对导管内穿线和槽盒内敷线进行细致的检查,并记录下检查结果。
6.1.2记录内容应包括:施工单位名称、施工日期、检查项目、检查结果、问题描述等。
6.1.3记录人员应当及时汇总检查结果,并准备检验批质量验收报告。
6.2报告环节6.2.1检验批质量验收报告应由专业人员编写,内容应真实、准确、完整。
6.2.2报告内容应包括:施工单位概况、施工工序、质量验收内容、发现的问题及处理措施、合格数量和不合格数量统计、质量验收的评价意见等。
6.2.3技术负责人应对检验批质量验收报告进行审核,并签署意见。
7.1报告审核应由项目技术负责人负责。
7.2审核内容应包括:报告中的各项内容是否真实准确;问题描述和处理措施是否合理;评价意见是否明确等。
8.问题整改:8.1对于不合格的导管内穿线和槽盒内敷线,应及时通知施工单位进行整改。
8.2整改内容应包括:对问题的具体描述、整改的具体措施及负责人、整改的时间要求、整改后的复检等。
9.质量验收评价:9.1根据导管内穿线和槽盒内敷线的质量验收情况,对施工单位的工作进行评价。
9.2评价应包括:施工单位的工作态度、技术水平、工作质量以及与业主、监理单位的沟通等。
10.附件:以上便是导管内穿线和槽盒内敷线检验批质量验收记录的最新版,1500字以上的文档。