城镇道路分部检验批分项划分
- 格式:pdf
- 大小:374.82 KB
- 文档页数:4
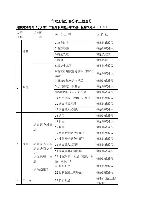
单位工程(子单位分部工程工程)道路路基道路基层道路面层道路工程广场与停车场人行道人行地道结构人行地道道路工程结构子分部工程分项工程检验批划分土方路基、石方路基、每侧流水施工段做一个路基处理、路肩检验批为宜石灰土基层、石灰粉煤灰稳定砂砾(碎石)基层、石灰粉煤灰钢渣基层、水泥每侧流水施工段做一个稳定土类基层、级配砂砾(碎检验批为宜石)基层、级配碎石(碎砾石)基层、沥青碎石基层、沥青贯入式基层沥青混合料面透层、粘层、封层、热每侧流水施工段做一个拌沥青混合料面层、冷拌沥层检验批为宜青混合料面层沥青贯入式与沥青贯入式面层、沥青每侧流水施工段做一个沥青表面处治表面处治面层检验批为宜面层水泥混凝土面水泥混凝土面层(模板、每侧流水施工段做一个层钢筋、混凝土)检验批为宜铺砌式面层料石面层、预制混凝土每侧流水施工段做一个砌块面层检验批为宜料石面层、预制混凝土每个广场或自然划分的砌块面层、沥青混合料面层、区段水泥混凝土面层料石人行道铺砌面层(含盲道砖)、混凝土预制每侧路段 300~500米块人行道铺砌面层(含盲道做一个检验批为宜砖)、沥青混合料铺筑面层现浇钢筋混凝地基、垫层、防水、基础(模板、钢筋、混凝土)、土人行地道结每座通道或分段墙体与顶板(模板、钢筋、构混凝土)预制安装钢筋墙板与顶部构件预制、地基、垫层、防水、基础(模混凝土人行地每座通道或分段板、钢筋、混凝土)、墙板道结构安装、顶板安装砌筑墙体、钢顶部构件预制、地基、防水、基础(模板、钢筋、筋混凝土顶板每座通道或分段人行地道结构混凝土)、墙体砌筑、顶部构件与顶板安装、顶部现浇挡土墙附属构筑物土方工程预制管开槽施工主体结构给排水管道工程管渠(廊)工程现浇钢筋混凝土挡土墙装配式钢筋混凝土挡土墙砌筑挡土墙加筋土挡土墙金属类管、混凝土类管、预应力钢筒混凝土管、化学建材管现浇钢筋混凝土管渠、装配式混凝土管渠、砌筑管渠(模板、钢筋、混凝土)地基、基础、墙(模板、钢筋、混凝土)、滤层及泄每道墙体或分段水孔、回填土、帽石、栏杆挡土墙板预制、地基、基础、墙(模板、钢筋、混凝土)、墙板安装(含焊接)每道墙体或分段滤层及泄水孔、回填土、帽石、栏杆地基、基础(砌筑、混凝土)、墙体砌筑、滤层及每道墙体或分段泄水孔、回填土、帽石地基、基础(模板、钢筋、混凝土)、加筋挡土墙每道墙体或分段砌块与筋带安装、滤层及泄水孔、回填土、帽石、栏杆路缘石、雨水支管与雨水口、排(截)水沟、倒虹每侧路段 300~500米管及涵洞、护坡、隔离墩、或每座结构中央分隔带、防撞栏、护栏、声屏障(砌体、金属)、防做一个检验批为宜眩板沟槽土方(沟槽开挖、沟槽支撑、沟槽回填);基应与下列检验批对应坑土方(基坑开挖、基坑支护、基坑回填)可选择下列方式划分:管道基础、管道接口连 1 、按流水施工长接、管道铺设、管道防腐层度;2、排水管道按井段;(管道内防腐层、钢管外防给水管道按一定长度连腐层)、钢管阴极保护续施工段或自然划分段(路段); 4 、其他便于过程质量控制方法管道基础、现浇钢筋混凝土管渠(钢筋、模板、混凝土、变形缝)、装配式混每节管渠(廊)或每凝土管渠(预制构件安装、个流水施工段管渠(廊)变形缝)、砌筑管渠(砖石砌筑、变形缝)、管道内防腐层、管廊内管道安装给排水管道工程工作井工作井围护结构、工作井每座井管道接口连接、顶管管道顶管顶进:每 100(钢筋混凝土管、钢管)、米;顶管管道防腐层(管道内防腐层、垂直顶升:每个顶升钢管外防腐层)、钢管阴极保护、垂直顶升管管片制作、掘进及管片盾构掘进:每100 环;盾构拼装、二次内衬(钢筋、混二次内衬:每施工作业断凝土)、管道防腐层、垂直面;垂直顶升:每个顶升不开槽施工主顶升管体结构暗挖:每施工作业土层开挖、初期衬砌、防断面;浅埋暗挖水层、二次内衬、管道防腐垂直顶升:每个顶层、垂直顶升升管管道接口连接、定向钻管定向钻道、钢管防腐层(内防腐层、每 100米外防腐层)、钢管阴极保护管道接口连接、夯管管夯管道、钢管防腐层(内防腐层、每 100米外防腐层)、钢管阴极保护基槽浚挖及管基处理、管每 100 米(分段拼组对拼装沉管道接口连接、管道防腐层、装按每段,且不大于 100管道沉放、稳管及回填米)沉管工程基槽浚挖及管基处理、预制钢筋混凝预制钢筋混凝土管节制作(钢筋、模板、混凝土)、每节预制钢筋混凝土管土沉管管节接口预制加工、管道沉放、稳管及回填桥管工程附属构筑物工程扩大基础桥梁工程地基与基础沉入桩管道接口连接、管道防腐每跨或每 100米;分层(内防腐层、外防腐层)、段拼装按每跨或每段,且桥管管道不大于 100 米井室(现浇混凝土结构、同一结构类型的附砖砌结构、预制拼装结构)、属构筑物不大于10 个雨水口及支连管、支墩基坑开挖、地基、混凝土垫层、现浇混凝土(模板与每个基坑支架、钢筋、混凝土)、砌体、土方回填预制桩(模板、钢筋、混每根桩凝土、预应力混凝土)、钢管桩、沉桩机械成孔、人工挖孔、钢灌注桩筋笼制作与安装、混凝土灌每根桩注沉井制作(模板与支架、沉井钢筋、混凝土、钢壳)、浮运、下沉就位、清基与填充地下连续墙成槽、钢筋骨架、水下混凝土地基与基础承台模板与支架、钢筋、混凝土砌体墩台石砌体、砌块砌体现浇混凝土墩模板、钢筋、混凝土、预台应力混凝土墩台预制混凝土柱(模板、钢预制混凝土柱筋、混凝土、预应力混凝土)、安装台背填土填土盖梁模板与支架、钢筋、混凝土、预应力混凝土支座垫石混凝土、支座安装、桥梁工程挡块混凝土现浇混凝土索塔(模板与索塔支架、钢筋、混凝土、预应力混凝土)、钢构件安装锚固体系制作、锚固体系锚锭安装、锚锭混凝土(模板与支架、钢筋、混凝土)、锚索张拉与压浆每节、座每个施工段每个承台每个砌筑段、浇筑段、施工段或每个墩台、每个安装段 ( 件)每个盖梁每个支座每个浇筑段、每根钢构件每个制作件、安装件、基础支架上浇筑混凝土梁(板)装配式钢筋混凝土梁(板)桥跨承重结构悬臂浇筑预应力混凝土梁模板与支架、钢筋、混凝每孔、联、施工段土、预应力混凝土预制梁(板)(模板与支架、钢筋、混凝土、预应力每片梁混凝土)、安装梁(板)0#段(模板与支架、钢筋、混凝土、预应力混凝土)、每个浇筑段悬浇段(挂蓝、模板、钢筋、混凝土、预应力混凝土)悬臂拼装预应力混凝土梁顶推施工混凝土梁钢梁结合梁桥跨承重结构拱部与拱上结构桥梁工程斜拉桥的主梁与拉索0#段(模板与支架、钢筋、混凝土、预应力混凝土)、梁段预制(模板与支架、钢筋、混凝土)、拼装梁段、施加预应力台座系统、导梁、梁段预制(模板与支架、钢筋、混凝土、预应力混凝土)、顶推梁段、施加预应力钢梁加工、现场安装钢梁安装、预应力钢筋混凝土梁预制 ( 模板与支架、钢筋、混凝土、预应力混凝土 ) 、预制梁安装、混凝土结构浇筑 ( 模板与支架、钢筋、混凝土、预应力混凝土)砌筑拱圈、现浇混凝土拱圈、劲性骨架混凝土拱圈、装配式混凝土拱部结构、钢管混凝土拱( 拱肋安装、混凝土压注) 、吊杆、系杆拱、转体施工、拱上结构0#段混凝土浇筑、悬臂浇筑混凝土主梁、支架上浇筑混凝土主梁、悬臂拼装混凝土主梁、悬拼钢箱梁、支架上安装钢箱梁、结合梁、拉索安装每个拼装段每节段每个制作段、孔、联每段、孔每个砌筑段、安装段、浇筑段、施工段每个浇筑段、制作段、安装段、施工段悬索桥的加劲梁与缆索顶进箱涵桥面系索鞍安装、主缆架设、主每个制作段、安装段、缆防护、索夹和吊施工段索安装、加劲梁段拼装工作坑、滑板、箱涵预制( 模板与支架、钢筋、每坑、每制作节、顶进节混凝土 ) 、箱涵顶进排水设施、防水层、桥面铺装层 ( 沥青混合料每个施工段、每孔铺装、混凝土铺装一模板、钢筋、混凝土 ) 、伸缩装置、地袱和缘石与挂板、防护设施、人行道隔声与防眩装置、梯道( 砌体;混凝土—模板与支架、钢筋、混凝土;钢结构 ) 、附属结构桥头搭板 ( 模板、钢筋、混凝土 ) 、防冲刷结构、照明、挡土墙等每砌筑段、浇筑段、安装段、每座构筑物装饰与装修水泥砂浆抹面、饰面板、每跨、侧、饰面饰面砖和涂装引道应符合《城镇道路工程施工与质量验收规范》CJJ1-2008的有关规定冲孔灌注桩(冲孔施工、灌注桩钢筋笼、灌注桩混凝土浇筑)、水泥旋喷桩施工、水泥搅拌桩施工、钢筋混凝深基坑支护土冠梁(钢筋、模板、混凝每根或每个施工段土浇筑)、钢柱支撑制作、钢柱安装、钢筋混凝土系梁支撑(模板及支架、钢筋、混凝土浇筑)基坑开挖隧道工程深基坑支护及土方工程土方开挖土方开挖、边坡处理按分层开挖深度不大于 1米为宜边坡土钉墙(边坡喷射混凝土、绑扎钢筋网、安装土边坡防护钉墙锚固钢筋、边坡再次喷每层施工段射混凝土)、锚杆施工(钻孔、安装锚杆、高压注浆)降水井钻孔、无缝钢管开孔加工、无缝钢管外包铁丝井点降水网和塑料网、无缝钢管安装、每个施工段钢管外周边降水井内填碎石砾料、安装潜水泵、连接排水管道、安装降水控制系统隧道主体结构底板垫层混凝土、底板现地下人行通道浇混凝土结构(钢筋、模板、隧道主体结构混凝土浇筑)、侧墙现浇混结构每个部位的每个施工段工程凝土结构(钢筋、模板及支水泵房主体结撑、混凝土浇筑)、楼板现构浇混凝土结构(钢筋、模板盾构掘进隧道工程及支架、混凝土浇筑)顶板现浇混凝土结构(钢筋、模板及支架、混凝土浇筑)、底板压重混凝土、中央防撞墙、混凝土护墙等施工段橡胶止水带、水泥砂浆找平层、底板防水层、防水工程底板防水保护层、外墙壁防每个部位的每个施工段水层、外墙壁防水保护层、顶板上部防水层隧道回填闭口段隧道两侧回填、顶每侧流水施工段做一个板上路基回填检验批为宜检修道、排水沟、排水管、附属结构搭板楼梯、雨棚、护栏、各每个部位的每个施工段种预埋管件、通风设施等道路及附属工应符合《城镇道路工程施工与质量验收规范》CJJ 程1-2008的有关规定装饰与装修饰面板、饰面砖、涂装、按部位和做法划分不锈钢件、玻璃等预制钢筋混凝土管片制管片制作及拼作(预埋件、模具、钢筋、混凝土)、预制钢筋混凝土每个施工段装管片拼装与安装、钢管片制管片工程作、钢管片拼装与安装管片防水管片自防水、防水密封条每个施工段安装盾构工作井盾构始发工作井、盾构接每个井收工作井、中间井盾构基座设置、临时钢管盾构施工片组装、反力架安装、盾构盾构掘进施工组装调试、盾构掘进施工、每个施工段盾构拆卸、吊运管片、出渣土壁后注浆注浆调制、注浆作业每个施工段隧道防水接缝防水、特殊部位防水每个施工段电杆基坑开挖、电杆埋照明工程架空线路设、电杆的横担安装、绝缘每个施工段子与拉线安装、导线架设电线电缆敷设(直埋聚氯低压电线电缆乙烯护套铠装电缆、过路镀每个施工段线路锌套管埋设及穿线、塑料套管埋设及穿线)基础型钢安装、配电柜配电装置与控(箱、盘)安装、配电柜(箱、每个施工段制盘)电器安装、二次回路结线、路灯控制系统安全保护接零和接地保护、接地装每个施工段置路灯基础挖土、路灯基础路灯基础锚固螺栓制作、路灯基础锚每个施工段固螺栓安装、路灯基础模板、路灯基础混凝土浇筑路灯安装中杆灯和高杆灯制作,中杆灯和高杆灯安装;单挑路灯安装灯、双挑灯和庭院灯制作,每个施工段单挑灯、双挑灯和庭院灯安装喷淋及滴灌系统种植土铺设及绿化工程整型植树及种花草砌筑电力管沟电力管沟工程过路玻璃钢管电力排管沟槽开挖、喷淋及滴灌系统安装、沟槽回填回填种植土、外观整型植穴挖掘、植树填土、树体临时加固、栽花种草、修剪、浇水、维护沟槽开挖、地基处理、混凝土垫层、管沟砌筑、安装电缆沟支架、管沟墙体顶部压梁(钢筋、模板、混凝土浇筑)、管沟内抹灰、管沟上盖预制混凝土板、管沟两侧回填土、管沟检查井、管沟工作井沟槽开挖、地基处理、混凝土垫层、砌筑支承敦、填筑石屑垫层浇水沉实、安放玻璃钢管与电力管沟连接、再填筑石屑垫层浇水沉实、再安放玻璃钢管、再填筑石屑垫层浇水沉实、再安放玻按中央分隔带花槽、路边花基、外侧绿化带等每个施工段划分为宜每个施工段每个施工段过河引管电力排管标线标志交通控制系统交通信号装置交通工程交通管线交通控制箱配电系统其他设施璃钢管、再填筑石屑垫层浇水沉实、铺设道路结构层机械引管钻机施工、制作过河管道、过河引管、同两每个施工段侧电力管沟连接各种标线每个施工段分左右幅各种标志每个施工段分左右幅交通控制系统每个施工段交通信号装置每个施工段电线和电缆护管敷设、电每个施工段线电缆穿线交通控制箱配电系统、接零每个施工段和接地保护、接地装置车障柱、盲人过街声控设每个施工段施参照:《城镇道路工程施工与质量验收规范》CJJ 1-2008;《给水排水管道工程施工及验收规范》 GB 50268-2008;《城市桥梁工程施工与质量验收规范》CJJ 2-2008;《城市道路照明工程施工及验收规程》 CJJ89-2001;《城市绿化工程施工及验收规范》 CJJ/T82-99;《道路交通标志和标线》 GB 5768-1999。
道路工程分部、分项检验批划分
一、依照施工图设计文件、合同约定、施工组织设计及项目特点,依据《城镇道路工程施工与质量验收》(C1-2008)的规定,在本工程施工前,现在将各分部工程、分项工程的检验批按照如下原则划分:
(1)施工段的划分:本项目部负责施工上杭县紫金路(水西渡大桥-北环路)紫金中路(北环路-人民路)改造工程,车行道按每400m和200m为一施工段,人行道每侧按400m为一个施工段机型施工。
(2)车行道砂砾垫层:因本工程为局部铣刨原混凝土路面,水西渡大桥-北环路路面状况较好,每侧400m为一个检验批;北环路-人民路路面状况较差,每200m为一个检验批。
(3)车行道水泥稳定基层:因本工程为局部铣刨原混凝土路面,水西渡大桥-北环路路面状况较好,每侧400m为一个检验批;北环路-人民路路面状况较差,每200m为一个检验批。
(4)车行道水泥混凝土面层:因本工程为局部铣刨原混凝土路面,水西渡大桥-北环路路面状况较好,每侧400m为一个检验批;北环路-人民路路面状况较差,每200m为一个检验批。
(5)车行道改性沥青混凝土面层:每侧400m为一个检验批。
(6)人行道砂砾垫层:每侧400m一个检验批。
(7)人行道C15素砼土基层:每侧400m一个检验批。
(8)人行道铺火烧板面砖:每侧400m一个检验批。
(9)人行道路缘石:每侧400m一个检验批。
(10)道路标志牌:每侧800m一个检验批。
(11)道路路灯:每侧800m一个检验批。
(12)电力电缆管:300m为一个检验批。
二、根据本工程实际情况,具体检验批划分计划如下:。
道路工程分部、分项检验批划分
一、依照施工图设计文件、合同约定、施工组织设计及项目特点,依据《城镇道路工程施工与质量验收》(C1-2008)的规定,在本工程施工前,现在将各分部工程、分项工程的检验批按照如下原则划分:
(1)施工段的划分:本项目部负责施工上杭县紫金路(水西渡大桥-北环路)紫金中路(北环路-人民路)改造工程,车行道按每400m和200m为一施工段,人行道每侧按400m为一个施工段机型施工。
(2)车行道砂砾垫层:因本工程为局部铣刨原混凝土路面,水西渡大桥-北环路路面状况较好,每侧400m为一个检验批;北环路-人民路路面状况较差,每200m为一个检验批。
(3)车行道水泥稳定基层:因本工程为局部铣刨原混凝土路面,水西渡大桥-北环路路面状况较好,每侧400m为一个检验批;北环路-人民路路面状况较差,每200m为一个检验批。
(4)车行道水泥混凝土面层:因本工程为局部铣刨原混凝土路面,水西渡大桥-北环路路面状况较好,每侧400m为一个检验批;北环路-人民路路面状况较差,每200m为一个检验批。
(5)车行道改性沥青混凝土面层:每侧400m为一个检验批。
(6)人行道砂砾垫层:每侧400m一个检验批。
(7)人行道C15素砼土基层:每侧400m一个检验批。
(8)人行道铺火烧板面砖:每侧400m一个检验批。
(9)人行道路缘石:每侧400m一个检验批。
(10)道路标志牌:每侧800m一个检验批。
(11)道路路灯:每侧800m一个检验批。
(12)电力电缆管:300m为一个检验批。
二、根据本工程实际情况,具体检验批划分计划如下:。
桥梁和城市道路分部分项检验批划分什么是分部分项检验批划分?分部分项检验批划分是一种按照工程项目中的分部分项进行检验的方法。
在工程项目中,分部分项是指对整体工程进行拆分,将其划分为若干个部分,每个部分可以单独进行施工或检验。
分部分项检验批划分就是针对每个分部分项,将其进行有效的检验和审核,以确保整个工程项目的质量和安全。
桥梁和城市道路的分部分项检验批划分桥梁和城市道路是工程项目中的重要部分,其建设需要严格的质量控制和安全保障。
对于这些工程项目,分部分项检验批划分是必不可少的。
桥梁工程中的分部分项检验批划分桥梁工程中,分部分项检验批划分主要包括:•桥基工程:包括桥墩、桥台等基础部分,需要对其进行检测,以确保其承载能力和稳定性。
•桥面工程:包括桥面铺装和防水处理等部分,需要进行水泥砂浆的配合比检测、铺装层的厚度和均匀度检测,并对其进行防水测试。
•桥梁结构:包括上部结构和下部结构的各个部分,需要对其进行承载能力、稳定性、抗震性等方面的检测和评估。
城市道路工程中的分部分项检验批划分城市道路工程中,分部分项检验批划分主要包括:•道路基础工程:包括道路沉降测量、压实度检测等,确保其坚固耐用。
•路面铺装工程:包括路面材料的选择和铺装质量的检测,确保路面的平整度和耐久性。
•交通设施:包括交通标志、交通信号灯、路灯等设施的安装,确保交通安全和便利。
分部分项检验批划分的重要性分部分项检验批划分是工程建设中保证质量、安全、效益的重要手段。
它可以有效地确保工程项目的合规性和稳定性,避免出现质量问题、安全事故和资金浪费等问题。
此外,分部分项检验批划分也可以在施工和验收过程中提高工程项目的管理效率和协调性,促进各参与方的合作和沟通,进一步保障了工程项目的顺利完成。
分部分项检验批划分是保证工程项目质量和安全重要的手段,特别对于桥梁和城市道路等大型工程项目来说更是不可或缺的。
在工程项目中,我们必须重视分部分项检验批划分的作用,认真执行,并不断优化和完善。
城镇道路工程子单位、分部、子分部、分项、查验批工程的区分子单位工程序号分部工程宜按每一条路段进行区分子分部工程分项工程查验批每条路或路段(办理段)灵活车道、非灵活车道、人行道每侧宜按长度200m 为一个查验批1路基————土方路基、石方路基、路基办理、路肩石灰土基层、石灰粉煤灰稳固砂砾(碎石)基层、石灰粉煤灰钢渣基层、水泥稳固土类基层级配砂砾(砾石)基层、级配碎石(碎砾石)基层沥青碎石基层、沥青贯入式基层透层、粘层、封层、热拌沥青混合料面层、冷拌沥青混淆料面层沥青贯入式面层、沥青表面处分面层水泥混凝土面层(模板、钢筋、混凝土)料石面层、预制混凝土砌块面层土方路基、碎石基层、混凝土基石灰、水泥稳定类基层2基层级配砂砾(碎石)类基层沥青碎石基层沥青混淆料面层沥青贯入式3面层与沥青表面处分面层水泥混凝土面层铺砌式面层每条路或路段灵活车道、非灵活车道、人行道每侧宜按长度200m 为一个查验批每条路或路段灵活车道、非灵活车道、人行道每侧宜按长度 200m 为一个查验批4广场与停车场层、石灰粉煤灰稳固砂砾(碎石)————基层、料石面层、预制混凝土砌块面层、沥青混淆料面层、水泥混凝土面层土方路基、碎石基层、混凝土基层、石灰粉煤灰稳固砂砾(碎石)基层、料石人行道铺砌面层(含盲道砖)、预制混凝土砌块铺砌人行道面层(含盲道砖)、沥青混淆料铺筑面层现浇钢筋混凝土人行地道构造预制安装钢地基、防水、基础(模板、钢筋、混凝土)、墙与顶板(模板、钢筋、混凝土)墙与顶部构件预制、地基、防水、基础(模板、钢筋、混凝土)、墙板、顶板安装顶部构件预制、地基、防水、基础(模板、钢筋、混凝土)、墙体砌筑、顶部构件、顶板安装、顶部现浇(模板、钢筋、混凝土)每座通道宜按长度 50m 为一个查验批每侧路段宜按 xx200m 为一个查验批按面积 500 ㎡为一个查验批 5 人行道————6人行地道3 / 5构造筋混凝土人行地道构造砌筑墙体、钢筋混凝土顶板构造人行地道构造序号分部工程子分部工程分项工程地基、基础、墙(模板、钢筋、混凝土)、滤层、泄水xx、回填土、帽石、栏杆挡土墙板预制、地基、基础(模板、钢筋、混凝土)、墙板安装(含焊接 )、滤层、泄水 xx、回填土、帽石、栏杆、地基、基础(模板、钢筋、混查验批现浇钢筋混凝土挡土墙挡装置式钢筋混凝土挡土墙7挡土墙砌筑挡土墙每道墙体(两沉降缝之间)为一个查验批凝土)、墙体砌筑、滤层、泄水xx、回填土、帽石、栏杆地基、基础(模板、钢筋、混凝加筋土挡土墙土)、加筋挡土墙砌块与筋带安装、滤层、泄水xx、回填土、帽石、栏杆路缘石、雨水支管与雨水口、排8 隶属修建物————(截)水渠、倒虹管及涵洞、护坡、隔绝墩、隔绝栅、护栏、声屏障(砌体、金属)、防眩板每条路或每侧路段宜按长度200m 范围内的数目为一个查验批。
沥青贯入式与沥青表面处治面层沥青贯入式面层、沥青表面处治面层水泥混凝土面层水泥混凝土面层(模板、钢筋、混凝土)铺砌式面层料石面层、预制混凝土砌块面层人行道料石人行道铺砌面层(含盲道砖)、混凝土预制块人行道铺砌面层(含盲道砖)、沥青混合料铺筑面层现浇钢筋混凝土人行地道结构地基、垫层、防水、基础(模板、钢筋、混凝土)、墙体与琐板(模板、钢筋、混凝土)城镇市政道路、给排水、桥梁、隧道、照明、绿化、电力管沟、交单位工程、分部工程、分项工程、检验批的划分参考表单位工程(子单位工程)分部工程子分部工程分项工程道路工程道路路基挖方、填方、路床、路肩、软土路基、土方路基、石方路基、路基处理、路肩道路基层石灰土基层、石灰粉煤灰稳定砂砾(碎石)基层、石灰粉煤灰钢渣基层、水泥稳定土类基层、级配彤、砂砾石基层、级配碎石(碎砾石)基层、沥青碎石基层、沥青混合料,沥青贯入式基层道路面层沥青混合料面层透层、粘层、封层、热拌沥青混合料而层、冷拌沥青混合料面层广场与停车场料石面层、预制混凝土砌块面层、沥青混合料面层、水泥混凝土面层市政与支架、钢筋、混凝土)、砌体、土方回填沉入桩预制桩(模板、钢筋、混凝土、预应力混凝土)、钢管桩、沉桩灌注桩沉井沉井制作(模板与支架、钢筋、混凝土、钢壳)、浮运、下沉就位、清基与填充现浇混凝土墩台模板、钢筋、混凝土、预应力混凝土预制混凝土桩预制混凝土柱(模板、钢筋、混凝土、预应力混凝土)、安装台背填土填土盖梁模板与支架、钢筋、混凝土、预应力混凝土支座垫石混凝土、支座安装、挡块混凝土索塔现浇混凝土索塔(模板与支架、钢筋、混凝土、预应力混凝土)、钢构件安装锚锭锚固体系制作、锚固体系安装、锚徒混凝土(模板与支架、钢筋、混凝土)、锚索张拉与压浆桥梁工程墩台砌体墩台石砌体、砌块砌体桥梁工程地基与基础扩大基础基坑开挖、地基、混凝土垫层、现浇混凝土(模板与支架、钢筋、混凝土)、砌体、土方回填机械成孔、人工挖孔、钢筋笼制作与安装、混凝土灌注地下连续墙成槽、钢筋骨架、水下混凝土承台模板与支架、钢筋、混凝土钢梁钢梁加工、现场安装桥梁工程桥跨承重结构顶推施工混凝土梁台座系统、导梁、梁段预制(模板与支架、钢筋、混凝土、预应力混凝土)、顶推梁段、施加预应力结合梁钢梁安装、预应力钢筋混凝土梁预制模板与支架、钢筋、混凝土、预应力混凝土)、预制梁安装、混凝土结构浇筑(模板与支架、钢筋、混凝土、预应力混凝土)拱部与拱上结构砌筑拱圈、现浇混凝土拱圈、劲性骨架混凝土拱圈、装配式混凝土拱部结构、钢管混凝土拱(拱肋安装、混凝土压注)、吊杆、系杆拱、转体施工、拱上结构斜拉桥的主梁与拉索0#段混凝土浇筑、悬臂浇筑混凝土主梁、支架上浇筑混凝土主梁、悬臂拼装混凝土主梁、悬拼钢箱梁、支架上安装钢箱梁、结合梁、拉索安装桥跨承重结构支架上浇筑混凝土梁(板)模板与支架、钢筋、混凝土、预应力混凝土装配式钢筋混凝土梁(板)预制梁(板)(模板与支架、钢筋、混凝土、预应力混凝土)、安装梁(板)悬臂浇筑预应力混凝土梁0#段(模板与支架、钢筋、混凝土、预应力混i疑土)、悬浇段(挂蓝、模板、钢筋、混凝土、预应力混凝土)悬臂拼装预应力混凝土梁0#段(模板与支架、钢筋、混凝土、预应力混凝土)、梁段预制(模板与支架、钢筋、混凝土)、拼装梁段、施加预应力悬索桥的加劲梁与缆索索鞍安装、主缆架设、主缆防护、索夹和吊索安装、加劲梁段拼装顶进箱涵工作坑、滑板、箱涵预制(模板与支架、钢筋、混凝土)、箱涵顶进装饰与装修水泥砂浆抹面、饰面板、饰面砖和涂装引道土方开挖土方开挖、边坡处理坑开挖深基坑支护及土方工程深基坑支护冲孔灌注桩(冲孔施工、灌注桩钢筋笼、灌注桩混凝土浇筑)、水泥旋喷桩施工、水泥搅拌桩施工钢筋混凝土冠梁(钢筋、模板、混凝土浇筑)、钢柱支撑制作、钢柱安装、钢筋混凝土系梁支撑(模板及支架、钢筋、混凝土浇筑)边坡防护边坡土钉墙(边坡喷射混凝土、绑扎钢筋网、安装土钉墙锚固钢筋、边坡再次喷射混凝土)、锚杆施工(钻孔、安装锚杆、高压注浆)井点降水降水井钻孔、无缝钢管开孔加工、无缝钢管外包铁丝网和l塑料网、无缝钢管安装、钢管外周边降水井内填碎石砾料、安装潜水泵、连接排水管道、安装降水控制系统桥梁工程桥面系排水设施、防水层、桥面铺装层(沥青混合料铺装、混凝土铺装一模板、钢筋、混凝土)、伸缩装置、地袱和缘石与挂板、防护设施、人行道附属结构隔声与防眩装置、梯道(砌体:混凝土一模板与支架、钢筋、混凝土:钢结构)、桥头搭板(模板、钢筋、混凝土)、防冲刷结构、照明、挡土地等应符合《城镇道路工程施工与质量验收规隧道回填闭口段隧道两侧回填、琐板上路基回填附属结构检修道、排水沟、排水管、搭板楼梯、雨棚、护栏、各种预埋管件、通风设施等道路及附属工程装饰与装修饰面板、饰面砖、涂装、不锈钢件、玻璃等管片防水管片自防水、防水密封条安装壁后注浆注浆调制、注浆作业盾构掘进隧道工程管片工程管片和l 作及拼装预制钢筋混凝土管片制作(预坝件、模具、钢筋、混凝土)、预制钢筋混凝土管片拼装与安装、钢管片制作、钢管片拼装与安装盾构施工盾构工作井盾构始发工作井、盾构接收工作井、中间井盾构掘进施工盾构基座设置、临时钢管片组装、反力架安装、盾构组装调试、盾构掘进施工、盾构拆卸、吊运管片、出渣土基坑开挖隧道工程管开孔加工、无缝钢管外包铁丝网和l 塑料网、无缝钢管安装、钢管外周边降水井内填碎石砾料、安装潜水泵、连接排水管道、安装降水控制系统隧道主体结构工程隧道主体结构她下人行通道结构水泵房主体结构底板垫层混凝土、底板现浇混凝土结构(钢筋、模板、混凝土浇筑)、侧墙现浇混凝土结构(钢筋、模板及支撑、混凝土浇筑、楼板现浇混凝土结构(钢筋、模板及支架、混凝土浇筑)顶板现浇混凝土结构(钢筋、模板及支架、混凝土浇筑)、底板压重混凝土、中央防撞墙、混凝土护墙等防水工程施工段橡胶止水带、水泥砂浆找平层、底板防水层、底板防水保护层、外墙壁防水层、外墙壁防水保护层、顶板上都防水层应符合《城镇道路工程施工与质量验收规范》CJJ1-200市政CJJ2-2008,《城市道路照明工程施工及验收规程》 CJJ89 2001, 《城市绿化工程施工及验收规范》 CJJ/T82-99: 《道路交通标志和标线》 GB 5768-1注:1 大型顶管工程、大型沉管工程、大型桥管工程及盾构、浅埋暗挖管道工程,可设独立的单位工程;2 大型顶管工程:指管道一次顶进长度大于300m的管道工程;3 大型沉管工程:指预制钢筋混凝土管沉管工程;对于成品管组对拼装的沉管工程,应为多年平均水位水面宽度不小于200m,或多年平100~200m之间,且相应水深不小于5m;4 大型桥管工程:总跨长度不小于300m或主跨长度不小于100m;5 土方工程中涉及地基处理、基坑支护等,可按现行国家标准《建筑地基基础工程施工质量验收规范》GB 50202等相关规定执行;6 桥管的地基与基础、下部结构工程,可按桥梁工程规范的有关规定执行;7 工作井的地基与基础、围护结构工程,可按现行国家标准《建筑地基基础工程施工质量验收规范》GB 50202、《混凝土结构工程施工CB 50204、《地下防水工程质量验收规范》GB 50208、《给水排水构筑物工程施工及验收规范》GB 50141等相关规定执行。