采煤专业质量标准化检查表
- 格式:doc
- 大小:77.00 KB
- 文档页数:7
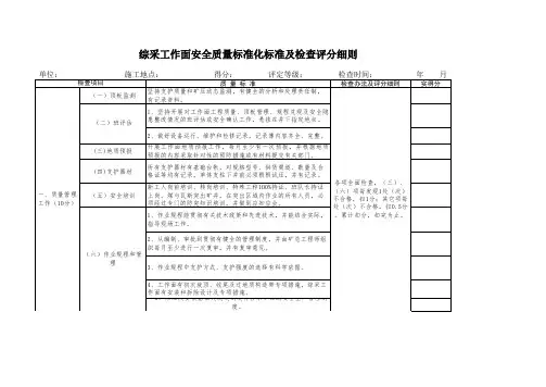
综采工作面(采煤专业)回撤安全质量标准化检查表工作面编号:施工区队:考核时间:总分:100分项目检查项目及标准标准分评分办法扣分实际得分(一)软件管理(10分)1.规程、措施必须有审批、贯彻学习、签字并考试,有成绩、试卷 2 一处不合格扣1分,扣完为止2.班检记录填写规范、及时、真实有效,隐患闭环管理 2 一处不合格扣1分,扣完为止3.工作面各设备运转记录、检修记录填写认真及时 2 一处不合格扣1分,扣完为止4.顶板动态监测、锚杆应力监测,有定期观测记录,图牌齐全、清晰、完好 2 一处不合格扣1分,扣完为止5.工作面各设备操作规程和施工图牌齐全、清晰、完好 2 一处不合格扣1分,扣完为止(二)挂网(15分)1.挂网期间保证工作面断面、坡度达到《回撤措施》的规定,调平调直,无浮货 2 一处不合格扣1分,扣完为止2.挂网紧贴围岩,网与网连接符合规定,不能出现漏顶 2 一处不合格扣1分,扣完为止3.锚杆、锚索安设符合作业规程规定 3 一处不合格扣1分,扣完为止4.钢丝绳铺设符合作业规程规定,固定牢固,钢丝绳间的距离不得超过700mm,扣距不得超过300mm 2一处不合格扣1分,扣完为止5.贴帮柱架设齐全,无卸液现象,要有防倒绳,架设在实底,迎山角度符合要求,失效的贴帮柱及时更换,工字钢梁搭接符合要求 2一处不合格扣1分,扣完为止6.回撤出口扩大支护符合规程规定,锚杆、锚索安设符合标准 2 一处不合格扣1分,扣完为止7.木垛架设牢固,位置适当,与顶板接实 2 一处不合格扣1分,扣完为止(三)回撤采煤机、刮板输送机(10分)1.采煤机必须开至工作面上端头顶板完好处拆卸,采煤机、工作面刮板输送机打零位并断电 2一处不合格扣1分,扣完为止2.拆卸工作应按规定顺序依次进行拆卸,装车外运 2 一处不合格扣1分,扣完为止3.首先将链子解开、拉出、装车,再依次将电动机、减速机、机尾、中部槽、机头解开、装车、运输 2一处不合格扣1分,扣完为止4.溜槽解体向上拽出时不超过4节溜槽 2 一处不合格扣1分,扣完为止5.电缆槽、销排必须全部回收 2 一处不合格扣1分,扣完为止(四)回撤液压支架(10分)1.撤出时,必须按作业规程规定的顺序进行回撤 2 一处不合格扣1分,扣完为止2.装车时,必须按上齐螺丝,紧固好压板 2 一处不合格扣1分,扣完为止3.撤出后,先拉移动掩护支架在回支柱及工字钢 2 一处不合格扣1分,扣完为止4.支架出列后,在撤出支架位置架设走向棚,每撤出一部支架至少架设4根木点柱,点柱钢丝绳2 一处不合格扣1分,扣完为止5.支架回撤到上出口附近,注意观察顶板,必要时加设临时支护 2 一处不合格扣1分,扣完为止(五)绞车硐室(5分)1.绞车硐室规格符合规程规定,支护符合规定 2 一处不合格扣1分,扣完为止2.绞车基础尺寸、强度符合标准 1 一处不合格扣1分,扣完为止3.绞车要有“四压两戗”和地锚固定 1 一处不合格扣1分,扣完为止4.绞车安装距离满足要求,安设牢固 1 一处不合格扣1分,扣完为止(六)安全管理(22分)1.各种检测仪表设置合理,准确、齐全 2 一处不合格扣1分,扣完为止2.运送拉移所用的链、环、绳销要使用符合标准要求,经检测的合格品 2 一处不合格扣1分,扣完为止3.支柱不超高使用,用护绳拴牢 2 一处不合格扣1分,扣完为止4.起吊、支撑器具满足承载要求 2 一处不合格扣1分,扣完为止5.机械设备的外露旋转部位按规定加装防护罩 2 一处不合格扣1分,扣完为止6.调度绞车安装平稳,位置适当,距轨道外缘不小于700mm,长期固定运输绞车有基础,临时经常性移挪的绞车可用地锚及压、戗柱固定(四压两戗),并牢固可靠 2一处不合格扣1分,扣完为止7.各类绞车完好、安全防护装置齐全、有效;绞车钢绳、钩头完好 2 一处不合格扣1分,扣完为止8.无极绳绞车安装必须符合规程规定要求,张紧制动装置安全有效可靠,托轮、压绳轮齐全、完好 2一处不合格扣1分,扣完为止9.所有绞车必须悬挂管理牌板,明确规定挂车数,开关上架,有远方操作按钮,双向对打声光信号 2一处不合格扣1分,扣完为止10.安全出口畅通,净高、净宽符合规定 2 一处不合格扣1分,扣完为止11.顶板支护完好,随时观察安全出口的压力情况,必要时加强支护 2 一处不合格扣1分,扣完为止(七)铺设混凝土地面(8分)1.混凝土地面规格符合设计要求 2 一处不合格扣1分,扣完为止2.混凝土必须使用搅拌机搅拌,配比符合规定,浇筑使用震动棒 2 一处不合格扣1分,扣完为止3.混凝土铺设严格按设计尺寸施工 2 一处不合格扣1分,扣完为止4.保证混凝土达到规定强度后方可使用 2 一处不合格扣1分,扣完为止(八)文明生产(20分)1.巷道内无淤泥积水、无浮货、无杂物堆积、水沟畅通 3 一处不合格扣1分,扣完为止2.设备和材料分类码放在距安全出口20m以外的安全地点,整齐有序,不影响运输及行人;油脂集中分类摆放,挂牌编号管理,不漏油、不洒油;材料码放整齐,挂牌管理,标识准确5 一处不合格扣1分,扣完为止3.管线吊挂整齐,成直线 2 一处不合格扣1分,扣完为止4.皮带机下无浮货杂物,架间、架前的浮煤、浮矸必须清理干净 2 一处不合格扣1分,扣完为止5.工作面支架干净、无杂物、积水 2 一处不合格扣1分,扣完为止6.液压支架内无杂物,浮矸不埋压管路和液压件 2 一处不合格扣1分,扣完为止7.工作面、泵站、休息地点、油脂库等场所有照明,照明符合规定 2 一处不合格扣1分,扣完为止考核人员签字考核得分。
拜城县辖区煤矿月度安全质量标准化自检考核表煤矿通风专业考核评分矿长签字:专业分管负责人签字:日期:年月日矿长签字:专业分管负责人签字:日期:年月日矿长签字:专业分管负责人签字:日期:年月日矿长签字:专业分管负责人签字:日期:年月日煤矿地测防治水(含防冲)技术管理安全质量标准化考核评分矿长签字:专业分管负责人签字:日期:年月日煤矿地质安全质量标准化考核评分矿长签字:专业分管负责人签字:日期:年月日煤矿测量安全质量标准化考核评分矿长签字:专业分管负责人签字:日期:年月日煤矿防治水安全质量标准化考核评分矿长签字:专业分管负责人签字:日期:年月日煤矿防治冲击地压安全质量标准化考核评分矿长签字:专业分管负责人签字:日期:年月日拜城县辖区煤矿月度安全质量标准化自检考核表煤矿采煤安全质量标准化考核评分矿长签字:专业分管负责人签字:日期:年月日矿长签字:专业分管负责人签字:日期:年月日煤矿掘进安全质量标准化考核评分矿长签字:专业分管负责人签字:日期:年月日矿长签字:专业分管负责人签字:日期:年月日矿长签字:专业分管负责人签字:日期:年月日煤矿机电安全质量标准化考核评分矿长签字:专业分管负责人签字:日期:年月日矿长签字:专业分管负责人签字:日期:年月日矿长签字:专业分管负责人签字:日期:年月日煤矿运输安全质量标准化考核评分矿长签字:专业分管负责人签字:日期:年月日矿长签字:专业分管负责人签字:日期:年月日矿长签字:专业分管负责人签字:日期:年月日煤矿安全管理安全质量标准化评分表矿长签字:专业分管负责人签字:日期:年月日矿长签字:专业分管负责人签字:日期:年月日矿长签字:专业分管负责人签字:日期:年月日煤矿职业卫生安全质量标准化考核评分矿长签字:专业分管负责人签字:日期:年月日矿长签字:专业分管负责人签字:日期:年月日矿长签字:专业分管负责人签字:日期:年月日煤矿应急救援安全质量标准化考核评分矿长签字:专业分管负责人签字:日期:年月日矿长签字:专业分管负责人签字:日期:年月日煤矿调度安全质量标准化考核评分矿长签字:专业分管负责人签字:日期:年月日矿长签字:专业分管负责人签字:日期:年月日矿长签字:专业分管负责人签字:日期:年月日煤矿地面设施安全质量标准化考核评分矿长签字:专业分管负责人签字:日期:年月日矿长签字:专业分管负责人签字:日期:年月日。
煤矿地面标准化标准及检查评分表煤矿名称:检查日期:年月日检查人员:评定等级:壁式采煤工作面安全质量标准化标准及检查评级表工作面名称:1465采煤工作面检查日期:2011年01月08日表2—12、作业规程的3种图纸:巷道布置图、采场支护图、避灾路线图。
3、巷道的“三无”:无积水(长5m,深0.2m),无浮碴,无杂物。
检查人员:评定等级:水平分层采煤工作面质量标准及检查评级表工作面名称:检查日期:年月日注:作业规程6项内容:地质情况,巷道布置,回采工艺,顶板管理,生产系统,安技措施;三种图纸:巷道布置图、采场支护图、避灾路线图。
检查人员:评定等级:可缩性U型钢架棚巷道工程质量标准及检查评级表架棚(工字钢)巷道工程质量标准及检查评级表裸体工程质量标准及检查评级表巷道名称:检查工程量:检查日期:年月日检查人员:评定等级:锚喷巷道工程质量标准及检查评级表检查人员:评定等级:砌碹巷道工程质量标准及检查评级表检查人员:评定等级:掘进文明生产标准及检查评分表注:在临时轨道检查项目中,列出轨道和刮板机2个内容,只要求检查其中的一项内容。
检查人员:评定等级:机电安全质量标准化标准及检查评分表煤矿名称:检查时间:年月日检查人员:评定等级:运输安全质量标准化标准及检查评分表煤矿名称:检查时间:年月日检查人员:评定等级:通风质量标准化标准及检查评分表煤矿名称:检查时间:年月日检查人员:评定等级:安全管理质量标准化标准及检查评分表检查人员:评定等级:地测防治水安全质量标准化标准及考核评分办法煤矿名称:检查日期:年月日序号项目名称及标准要求标准分评分办法检查记录实得分三矿井防治水301 每年编制防治水措施和计划,并成立了防治水组织机构3 缺一项扣0.5分2 有专门的防水队伍(3人以上) 4 缺1人扣1分3 有专门的探放水措施和台帐4 缺一项扣0.5分4 有老窿水威胁的矿井应在采掘工程平面图上详细标明老窿水区域、地点和积水量,并标定探水警戒线3有图纸但资料不全的,缺一项扣0.5分5 井下水仓容量、水泵功率和数量、水管型号和趟数符合设计要求4其中一项不符合设计要求的扣0.5分6 水仓每年至少清理一次 3 未清理的扣3分7 巷道水沟经常保持畅通 3 有一条巷道水沟不畅通的扣0.5分8 有专用的探放水钻机 2 无专用探水钻扣2分9 大水矿井要有完善的井上下水情观测系统,并坚持观测2无观测系统的扣2分,有观测系统但未坚持观测的扣0.5分10 防水闸门每年试关一次 2 未进行试验的扣2分检查人员:评定等级:。
5.1采煤专业安全质量标准化自评采煤专业安全质量标准化自评情况见下页表5-1和表5-2所示。
表5-1 采煤专业安全质量标准化自评表检查项目检查小项及质量标准检查方法标准分评分办法实得分不相关分拆算得分一、质量管理工作1.坚持支护质量检测并有健全的分析和处理制度,有记录资料2、坚持开展对工作面工程质量、顶板管理、规程兑现工作3、开展工作面地质预报工作,每月至少有一次预报,重大地质灾害向有关部门报告4、有合格的作业规程和管理制度(1)作业规程能贯彻有关技术政策和先进技术,并能结合实际,指导现场工作(2)从编制、审批到贯彻有健全的管理制度,并由矿总工程师组织每月至少进行一次检查,并有检查总结(3)作业规程中支护方式、支护强度和顶板控制的选择有科学依据(4)工作面有初次放顶、收尾及过地质构造带专项措施5、所有支护器材有基础台账,对规格型号、供货渠道、数量及合格证等均有记录各项全面检查,地面检查作业规程和有关资料,并与井下对照检查10分1小项3分2小项1分3小项1分4小项4分(分项各1分)5小项1分二、顶板管理1、综采工作面支架前梁接顶严实,工作面顶板不出现台阶下沉。
顶底板移近量按采高≤100mm/m2、机道梁端至煤壁顶板冒落高度不大于200mm,综采不大于300mm3、不准随意留煤顶开采,必须留煤顶,托夹矸开采时,必须有经审批的专项措施4、严格按照作业规程中规定的顶板控制方法管理顶板1小项全面检查,出现台阶下沉该小项不得分。
一架接顶不实扣0.5分,扣完为止2、3小项沿工作面匀选5点和在各点间任选5点,共10点。
量机道和放顶处顶底板高差计算合格率。
三点不合格时该小项为零分4小项全面检查,出现煤顶为不合格10分1、2、3、4小项各为2.5分检查项目检查小项及质量标准检查方法标准分评分办法实得分不相关分拆算得分三、工作面支护一、单体液压支柱支护:1、新设支柱初撑力:单体液压支柱φ80mm≥60kN,φ100mm≥90kN2、支柱全部编号管理,牌号清晰,不缺梁、少柱3、工作面支柱要打成直线,其偏差不超过±100mm(局部变化地区可加柱)。
煤矿安全质量标准化检查表格一、安全管理安全管理安全质量标准化标准及考核评分表(满分100分)考评得分:考评人员:考评时间:年月日二、采煤炮采采工作面安全质量标准化标准及考核评分表(满分100分)工作面名称:考评得分:考评人员:考评时间:年月日高档普采工作面安全质量标准化标准及考核评分表(满分100分)工作面名称:考评得分:考评人员:考评时间:年月日综采工作面安全质量标准化标准及考核评分表(满分100分)工作面名称:考评得分:考评人员:考评时间:年月日说明:1、检查范围为采煤工作面及进、回风巷(与进、回风石门连接的所有巷道)。
2、采煤安全质量标准化满分100分。
扣分原则:本项分数扣完为止,缺项不扣分。
炮采与高档普采标准第三大项中的并列分项只评其中一个分项,另一分项不评分。
3、此标准适用于贵州省境内长壁全部陷落采煤方法。
其他正规采煤方法由各县(市、区)煤炭行业主管部门参照本标准编制相应的安全质量标准化标准实施,并报省煤矿安全质量标准化工作领导小组办公室备案。
三、掘进掘进安全质量标准化标准及考核评分表(满分100分)考评得分:考评人员:考评时间:年月日说明:1.检查项不存在自然得分,小项分扣完为止;2.要紧巷道是指开拓、准备巷道,要紧巷道务必按中腰线标准检查评分;3.矿掘进安全质量标准化得分为矿检查掘进工作面的平均分。
附表一:刚性支架支护巷道检查评分表考评人员:检查时间:年月日附表二:可缩性U 型钢支架支护巷道检查评分表考评人员:检查时间:年月日附表三:锚杆支护巷道检查评分表考评人员:检查时间:年月日附表四:喷射混凝土支护巷道检查评分表考评人员:检查时间:年月日附表五:钢筋网喷射混凝土支护巷道检查评分表考评人员:检查时间:年月日附表六:砌块支护巷道检查评分表考评人员:检查时间:年月日附表七:混凝土浇注支护巷道检查评分表考评人员:检查时间:年月日附表八:附属工程检查评分表水沟:矿施工单位:巷道名称:考评人员:检查时间:年月日台阶:矿施工单位:巷道名称:考评人员:检查时间:年月日地坪:矿施工单位:巷道名称:考评人员:检查时间:年月日四、机电机电安全质量标准化标准及考核评分表(满分100分)考评得分:。
煤矿采煤安全质量标准化标准及检查评分表
被检单位: 检查人: 检查日期: 陪检人: 标准分:实得分:
注:1.
2.表中无明确涉及内容,均以作业规程为准考核。
3.采面有以下情况,在本表考评总分基础上加重扣除分数(可重复累计扣除):
(1)两巷(超前支护段以外区域)实际断面锚网支护巷道小于8m2、“U”型钢支护或梯形支护巷道小于6 m2,累计长度达到20m以上的扣8分;累计超过50m的,下达停产通知单,限期整改。
(2)采面超前支护段长度20m,巷道中宽2.6m,高度1.8m,单体柱工作阻力不低于50KN(累计2棵),有1项不符合要求扣5分;
(3)采面上下出口(缺口)达不到作业规程规定的,扣5分;
(4)采面端头支护(上下机头到巷帮间支护,含跨运输机大梁支护)不符合作业规程或专项措施要求,扣3分;
(5)两巷顶板与采面顶板错差超过500mm,一处扣3分,累计扣分;
(6)采面有1架以上顶板冒落高度达到1m,维护效果差的,扣3分。