散水做法
- 格式:doc
- 大小:35.00 KB
- 文档页数:3
散水做法及规范散水是一种有效的浇水方法,它可以迅速将水分均匀地分散到植物的根部,促进植物的生长和发育。
然而,如果散水不当,不仅会造成浪费水资源,还可能对植物和环境造成不良影响。
因此,散水需要遵循一定的做法和规范。
首先,选择合适的时间进行散水。
一般来说,早上和傍晚是最适合的时间段。
早上散水可以避免落在叶片上的水在太阳暴晒下蒸发,而傍晚则是因为气温较低,可以减少水分流失。
此外,避免在中午时分散水,因为这个时候阳光直射,水分很容易被蒸发掉。
其次,根据植物的需水情况确定散水的频率和时间。
不同的植物对水分的需求不同,一般而言,大型绿叶植物和蔬菜类植物需要更多的水。
可以通过观察土壤湿度来判断是否需要浇水,如果土壤表面看不见水迹,并且稍微插入土壤中也感觉干燥,那就是需要浇水了。
同时,不同季节和气候条件下的散水也有所不同,夏季和干燥地区需要更加频繁地浇水。
再次,掌握适当的散水方法。
避免使用喷头,因为这样会使水分集中在某一区域,造成浪费。
应该采用喷水器、喷雾器或滴灌系统等方式进行散水,并将水分均匀地覆盖在植物的根部周围。
同时,要注意控制水的流速和水压,使水滴均匀细小,不会对植物造成伤害。
此外,要合理利用雨水进行散水。
在下雨天和下雨后,可以适当减少散水的频率和时间。
将雨水收集起来,用于植物的浇水。
这样不仅可以节约水资源,还可以提供一种自然的水源,对植物生长更为有益。
最后,要注意保护土壤和环境。
散水时要避免过度浇水,以免造成水分渗透不良或积水现象。
过度浇水不仅浪费水资源,还会导致植物烂根和土壤酸化等问题。
另外,散水时要避免将水分直接喷洒到植物的叶片上,以免造成叶子烧伤。
散水的过程中,要注意水流的控制和方向,避免水流冲刷土壤和植物根部。
同时,也要注意水的质量,避免使用过多的化学肥料和农药,以免对土壤和植物造成污染。
综上所述,散水是一项重要的园艺工作,合理的散水做法可以提高植物的生长和发育。
同时,遵循散水的规范可以节约水资源,保护土壤和环境。
2、当做分项工程施工技术交底时,应填写“分项工程名称”栏,其他技术交底可不填写。
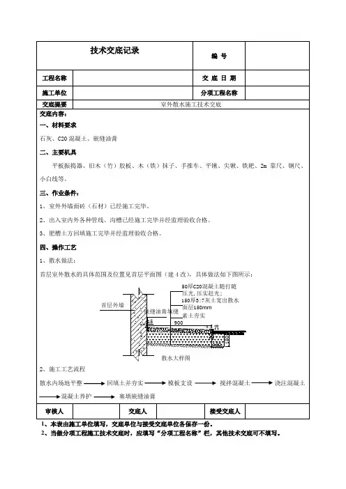
交底内容:3、首层室外散水出外墙外侧干挂石材外表面的宽度为900mm(对南北两侧大阳台而言,出阳台装饰外表面的宽度为900mm),散水与石材外表面的交接处留15宽20mm深的伸缩缝,缝隙内用柔性嵌缝油膏填缝,缝内填嵌均匀密实,散水平面至少压外墙石材3-5mm,散水内侧最高处标高为-0.39m,散水外侧最低处标高为-0.42m,散水向外找坡坡度约为4%。
4、砼散水转角及沿散水长度方向每6m均留设20×20mm(宽×深)的伸缩缝,转角处伸缩缝与外墙面(包括阳台外阳角)成45度角,其它部位伸缩缝与外墙面垂直,伸缩缝位置避免设在明装雨水管部位。
5、散水施工前,回填素土及3:7灰土必须分层回填并仔细夯实,每层回填厚度不大于20cm,回填时,每层至少夯实达到三遍,打夯一夯压半夯,夯夯相接,纵横交叉,分层夯打,不留间隙,在墙边、边角、阴阳转角、管边等无法用打夯机夯实的部位人工用木夯夯实。
6、模板支设时,根据散水的厚度裁切好模板的尺寸,模板高度超出散水厚度50mm,模板侧面采用废旧20钢筋@600进行加固,钢筋深入夯实土内不小于30mm。
7、散水C20砼配合比如下:水泥:砂子:石子:水=1:1.6:3.0:0.57,即100KgP.032.5普通硅酸盐水泥需用中砂160Kg、碎石300Kg、自来水57Kg。
散水C20砼用机械搅拌均匀密实,搅拌时间不少于150s。
7、地面混凝土表面收完后必须用木抹子搓压表面,防止混凝土表面出现裂缝。
在初凝前,用木抹子拍压两至三遍,搓成麻面,以闭合收水裂缝,然后用铁抹子压光,在混凝土终凝前用铁抹子三次压光。
8、养护:浇筑完毕约12~14小时后,砼达到终凝后视天气情况铺一层塑料薄膜和一层50厚阻燃纤维被进行养护(当日平均气温低于5℃时,不得浇水),同时,由专人负责成品保护,严禁上人踩压,养护时间不少于7d,当抗压强度达到5Mpa后方准上人,方可正常使用。
细石混凝土散水做法-概述说明以及解释1.引言1.1 概述细石混凝土散水是一种用于改善混凝土表面性能的技术,通过在混凝土施工后,在表面进行喷水处理,使混凝土表面形成一层细小的水膜。
这种水膜能够有效减少混凝土表面的收缩和开裂,提高混凝土的强度和耐久性。
细石混凝土散水的做法简单,通常是在混凝土初凝后的适当时间(一般为1-2小时)进行施工。
使用喷水枪或喷洒设备,均匀地将水喷洒在混凝土表面,形成一层细小的水膜。
喷水时要注意水量的控制,不能过量使混凝土表面积水,也不能过少导致水膜形成不均匀。
一般来说,水量控制在每平方米1-2升之间为宜。
细石混凝土散水的原理主要是利用水分渗透混凝土的微细孔隙,填充其中的空隙,并与水泥胶凝体发生反应,增加胶结材料的黏结力,提高混凝土的密实性和耐久性。
此外,水膜的形成还能够减缓混凝土表面的干缩速度,防止开裂的发生。
细石混凝土散水在工程实践中得到了广泛的应用。
它不仅适用于各种类型的混凝土结构,如地面、墙面、铺装等,也适用于不同的施工环境,如室内、室外等。
在高温干燥环境下,散水能够有效控制混凝土水分的流失,防止裂缝的产生;在冷却施工中,散水可以减缓混凝土的温度上升速度,避免温度差引起的开裂问题。
尽管细石混凝土散水存在一定的施工难度和成本,但是其具有明显的优势和应用前景。
随着对混凝土品质和性能要求的不断提高,细石混凝土散水作为一种简单有效的表面处理技术,将会在混凝土施工中得到更广泛的应用和推广。
1.2文章结构文章结构部分的内容可以包括以下内容:文章的结构是指整篇文章的组织和安排方式。
一个良好的结构能够使读者更好地理解和掌握文章的内容。
本文将按照以下方式组织文章:1. 引言:介绍细石混凝土散水的背景和重要性。
简要概述本文的主题和目的,引起读者的兴趣。
2. 正文:分为两个部分,分别阐述细石混凝土散水的原理和步骤。
2.1 细石混凝土散水的原理:详细解释细石混凝土散水的工作原理,包括水分的渗透和蒸发过程,以及细石在混凝土中的作用等。
混凝土散水构造做法1. 引言混凝土在建筑及基础工程中的应用广泛,它具有较高的强度和耐久性。
然而,由于气候因素和外部环境的影响,混凝土结构在长期使用过程中可能会受到温度和湿度的影响而出现开裂的问题。
为了减少这种问题的发生,混凝土散水构造被广泛采用。
本文将详细探讨混凝土散水构造的做法。
2. 混凝土散水构造的定义混凝土散水构造是指在混凝土结构的表面增加一个散水层,通过水的持续循环来降低混凝土结构的温度,并减少温度变化引起的开裂问题。
散水构造通常由喷淋系统、排水系统和保温层组成。
2.1 喷淋系统喷淋系统是混凝土散水构造的核心部分,它通过将水均匀喷洒在混凝土表面来降低结构温度。
喷淋系统通常由喷淋管道、喷嘴和控制系统组成。
水源可以是自来水或回收水。
2.2 排水系统排水系统用来收集喷淋系统中产生的过剩水分,以免水分对混凝土结构产生负面影响。
排水系统通常由排水管道和排水口组成,它们被设计为能够有效排除多余的水分。
2.3 保温层保温层是用来减少混凝土散水构造散热的一层材料。
它可以是绝缘材料,如泡沫板或岩棉,也可以是具有良好保温性能的其他材料。
保温层的设计和选择应该考虑结构的特点和环境条件。
3. 混凝土散水构造的施工步骤3.1 施工前准备在进行混凝土散水构造的施工前,需要进行相关的准备工作。
包括确定散水构造的设计方案和施工流程,选择合适的喷淋系统和排水系统,准备所需的施工材料和设备。
3.2 喷淋系统的安装首先,根据设计方案确定喷淋系统需要安装的位置和喷嘴的数量。
然后,安装喷淋管道和喷嘴,并将其连接到水源和控制系统。
确保喷嘴的位置均匀分布,并进行测试以确保水分均匀喷洒在混凝土表面。
3.3 排水系统的安装将排水管道连接到喷淋系统的排水口,并确保排水系统能够有效排除多余的水分。
检查排水系统的连接是否牢固,并进行测试以确保排水畅通。
3.4 保温层的安装根据保温层的设计和选择,安装保温层材料,并确保其覆盖混凝土散水构造的表面。
02J01散⽔与坡道做法散-1散1 卵⽯(碎⽯)灌浆散⽔1、80厚卵⽯(碎⽯)1:2.5砂浆灌缝2、素⼟夯实向外坡5%散2 混凝⼟散⽔1、60厚C20混凝⼟撒1:1⽔泥砂⼦,压实赶光2、素⼟夯实向外坡5%散3 细⽯混凝⼟散⽔1、60厚C20细⽯混凝⼟撒1:1⽔泥砂⼦,压实赶光2、素⼟夯实向外坡5%散4 花岗岩铺⾯散⽔1、20厚花岗岩办铺⾯,(正、背及四周边须满涂防污剂,灌稀⽔泥浆擦缝)2、撒素⽔泥⾯(洒适量清⽔)3、30厚1:3⼲硬性⽔泥砂浆粘结层4、素⽔泥浆⼀道(内掺建筑胶)5、50厚C20混凝⼟垫层6、素⼟夯实,向外坡5%坡道坡-1坡1 ⽔刷⾖⽯坡道1、20厚1:2⽔泥⾖⽯抹⾯,⽤湿刷把浆刷去微露⼩⾖⽯,坡道两边留20宽不刷2、⽔泥浆结合层⼀道(内掺建筑胶)3、60厚C20细⽯混凝⼟4、150厚5-32卵⽯灌M5混合砂浆5、素⼟夯实(坡度按⼯程设计)坡2 ⽔刷⾖⽯坡道1、20厚1:2⽔泥⾖⽯抹⾯,⽤湿刷把浆刷去微露⼩⾖⽯,坡道两边留20宽不刷2、⽔泥浆结合层⼀道(内掺建筑胶)3、100厚C20细⽯混凝⼟4、200厚5-32卵⽯灌M5混合砂浆5、素⼟夯实(坡度按⼯程设计)坡3 混凝⼟防滑坡道1、60厚C20细⽯混凝⼟随打随抹平,(Φ20螺纹钢筋压制成半圆形防滑槽,间距50-100)2、150厚5-32卵⽯灌M5混合砂浆3、素⼟夯实(坡度按⼯程设计)坡-2坡4 混凝⼟防滑坡道1、100厚C20细⽯混凝⼟随打随抹平,(Φ20螺纹钢筋压制成半圆形防滑槽,间距50-100)2、200厚5-32卵⽯灌M5混合砂浆3、素⼟夯实(坡度按⼯程设计)坡5 ⽔泥姜搓坡道1、30厚1:2⽔泥砂浆抹⾯,作出60宽7深锯齿2、⽔泥浆结合层⼀道(内掺建筑胶)3、60厚C20细⽯混凝⼟4、150厚5-32卵⽯灌M5混合砂浆5、素⼟夯实(坡度按⼯程设计)坡6 花岗岩条⽯坡道1、100厚花岗岩条⽯⾯层,表⾯剁平(三道成活)2、30厚1:2⼲硬性⽔泥砂浆结合层3、⽔泥浆结合层⼀道(内掺建筑胶)4、60厚C20细⽯混凝⼟5、150厚5-32卵⽯灌M5混合砂浆6、素⼟夯实(坡度按⼯程设计)坡7 花岗岩坡道1、50厚花岗岩⾯层,表⾯剁平(三道成活)2、30厚1:2⼲硬性⽔泥砂浆结合层3、⽔泥浆结合层⼀道(内掺建筑胶)4、60厚C20细⽯混凝⼟5、150厚5-32卵⽯灌M5混合砂浆6、素⼟夯实(坡度按⼯程设计)坡-3坡8 细⽯混凝⼟坡道1、60厚C20混凝⼟随打随抹平,划出纹道2、150厚5-32卵⽯灌M5混合砂浆3、素⼟夯实(坡度按⼯程设计)坡9 混凝⼟坡道1、100厚C25混凝⼟随打随抹平,划出纹道2、200厚5-32卵⽯灌M5混合砂浆3、素⼟夯实(坡度按⼯程设计)坡10 楼层坡道1、50厚C20混凝⼟随打随抹平,划出纹道2、钢筋混凝⼟架空坡道基层按⼯程设计坡11 ⿇⽯(⼴场)砖坡道1、18厚⿇⽯(⼴场)砖铺⾯,1:1⽔泥砂浆勾缝2、撒⽔泥⾯(洒适量清⽔)3、25厚1:3⼲硬性⽔泥砂浆结合层4、⽔泥浆结合层⼀道(内掺建筑胶)5、100厚C20细⽯混凝⼟6、200厚5-32卵⽯灌M5混合砂浆7、素⼟夯实(坡度按⼯程设计)M5混合砂浆配合⽐。
室外散水专项施工方案目录一、情况说明 (2)二、施工准备 (2)三、散水施工做法 (2)四、散水施工工艺要求 (3)五、质量要求 (4)六、成品保护 (4)七、安全保证措施 (4)一、情况说明由于本工程室外工程正在施工,为了保证与室外工程同步进行,项目开始进行针对散水施工。
由于本工程散水施工于室外回填土上,回填土深度较厚为了保证本工程散水施工质量特制定此散水施工方案。
二、施工准备1、技术准备(1)组织施工技术熟悉施工设计变更,查阅相关的施工技术资料及施工方法,做好各项工序的预检和隐蔽检查验收记录。
(2)对项目管理人员和施工人员进行技术交底。
2、材料准备(1)现场细石混凝土保证强度及施工质量。
(2)材料要按照相关的规定和要求进行存放、保管。
3、工具准备铁锹、扫帚、墨斗、钢丝钳、震动蛙式打夯机、电钻、小车、抹子、打磨抹子(或砂纸)、压子、阴阳角抿子、托线板、靠尺等。
三、散水施工做法1、针对市政回填土未夯实现场需将此部位回填土进行返挖重新夯实处理,原市政回填土由-3.05m开始回填至室外完成面标高-1.45m(相对于砖混室内±0标高)。
本工程室外散水施工将楼外边线开始2m范围回填土重新返挖,即自-1.45m开始返挖,由于楼周边存在室外出户管道为了防止管道破坏,本次散水施工将返挖至-2.45m位置。
开挖采用机械配合人工进行施工,现场预留500mm人工挖图层,防止机械对出户管道破坏。
由于开挖期间对防水保护层造成不同程度的破坏,现场机械将产生降耗施工,现场需使用人工针对外墙保护层进行开挖以及恢复后续保护层。
散水施工具体做法详见附图一。
2、开挖完成后采用人工进行夯实,回填采用素土回填,回填方式采用人工回填,回填土每300mm回填一层,每层回填完成后使用人工进行夯实。
最后一步300mm回填土采用3:7灰土回填并夯实。
以上施工均采用人工回填及夯实。
3、针对散水施工位置进行防线施工,将散水位置洒线做好尺寸标注,核实现场散水施工标高。
室外散水工程施工方案及工艺方法
一、施工前准备工作
1.确定工程范围和设计方案,制定施工计划;
2.安排人员,分工合理,确定各个工作岗位的责任和任务;
4.做好现场安全防护工作,确保工人和设备的安全;
5.清理施工区域,清除障碍物。
二、散水喷头安装
1.根据设计方案和工程图纸确定喷头的位置,标注好喷头的位置;
2.在喷头位置挖掘合适大小的管沟,确保喷头能够嵌入地下;
3.将喷头按照设计要求固定在喷头位置,确保喷头与地面齐平;
4.将喷头与水管连接,使用密封胶进行密封,确保连接处不漏水。
三、水管敷设
1.根据设计方案确定水管的走向和敷设方式;
2.在需要敷设水管的区域进行地面切割,开挖合适大小的水沟;
3.将水管依次敷设在水沟内,保持管道的平整和稳定;
4.对水管的连接处进行密封,防止漏水;
5.在水管的末端装上水龙头,用于供水。
四、管道连接及调试
1.完成水管敷设后,进行管道的连接;
2.采用专用接头和连接件将喷头与水管连接起来;
3.对连接处进行漏水测试,确保连接处不漏水;
4.启动供水系统,进行喷头的调试,根据需要调整喷头的喷洒范围和喷水量。
五、施工安全注意事项
1.施工现场应设置安全警示标志,引导工人和行人注意施工区域;
2.工人应佩戴个人防护装备,如安全帽、防滑鞋等;
3.施工过程中注意防止杂物掉落到散水管道内,防止堵塞;
4.施工过程中要注意用电安全,及时处理电源线的接头和漏电情况。
以上是室外散水工程施工方案及工艺方法的一般步骤,具体的施工方案和工艺方法还需根据具体情况进行调整和完善。
同时,在施工过程中应严格按照相关规范和标准进行施工,确保工程质量和安全。
混凝土散水构造做法
混凝土散水构造做法
混凝土散水构造是一种常见的建筑结构,它可以有效地防止建筑物在暴雨天气中受到水灾的影响。
下面将介绍混凝土散水构造的做法。
首先,混凝土散水构造需要在建筑物的屋顶或墙面上设置排水口。
排水口的数量和位置应根据建筑物的大小和形状进行合理的规划。
排水口的直径一般为50mm至100mm,可以根据需要进行调整。
其次,混凝土散水构造需要在排水口周围设置散水板。
散水板的作用是将水流引导到排水口,防止水流在建筑物表面滞留。
散水板的材料可以选择铝合金、不锈钢或塑料等材料,具体选择应根据建筑物的使用环境和预算进行考虑。
最后,混凝土散水构造需要在排水口下方设置排水管道。
排水管道的材料可以选择PVC管道、铸铁管道或钢管道等材料,具体选择应根据建筑物的使用环境和预算进行考虑。
排水管道的直径应根据排水口的直径和建筑物的大小进行合理的规划。
需要注意的是,混凝土散水构造的施工应按照相关的建筑规范和标准
进行,确保施工质量和安全性。
在施工过程中,应注意排水口和散水
板的安装位置和角度,以确保水流能够顺畅地流入排水口。
同时,排
水管道的施工应注意管道的坡度和连接处的密封性,以确保排水畅通。
总之,混凝土散水构造是一种有效的防水措施,可以保护建筑物免受
水灾的影响。
在施工过程中,应注意规范和标准,确保施工质量和安
全性。
房屋四周可采取散水或明沟排除雨水。
当屋面为有组织排水时一般设明沟或暗沟,也可设散水。
屋面为无组织排水时一般设散水,但应加滴水砖(石)带。
散水的做法通常是在素土夯实上铺三合土、混凝土等材料,厚度60~70mm。
散水应设不小于3%的排水坡。
散水宽度一般0.6~1.0m。
散水与外墙交接处应设分格缝,分格缝用弹性材料嵌缝,防止外墙下沉时将散水拉裂。
散水整体面层纵向距离每隔6~12m做一道伸缩缝。
明沟的构造做法可用砖砌、石砌、混凝土现浇,沟底应做纵坡,坡度为0.5%~1%,宽度为20~350mm。
散水防水做法散水防水是一种常见的防水方法,广泛应用于建筑、道路、地下管道等领域。
它通过喷洒水雾或水流的方式,形成一层保护层,以防止水分侵入。
本文将介绍散水防水的原理、施工方法以及适用范围。
一、散水防水的原理散水防水是利用水的特性来实现防水效果的一种方法。
当水以喷雾或水流的形式覆盖在被防水物体的表面时,水的表面张力会形成一层保护层,防止水分渗透。
此外,散水还可以通过降低表面温度来减少水分蒸发,从而起到防水的作用。
二、散水防水的施工方法1. 准备工作:在进行散水防水之前,需要对施工场地进行清理和准备。
确保施工场地平整、无杂物,并清除潜在的阻碍施工的障碍物。
2. 设计方案:根据实际需要,制定散水防水的设计方案。
包括喷洒水雾的位置、喷洒强度、喷洒时间等参数。
3. 安装设备:根据设计方案,安装散水防水所需的设备。
常见的设备包括水泵、喷头、管道等。
4. 调试设备:在进行正式施工之前,需要对设备进行调试,确保喷洒水雾的效果和强度符合设计要求。
5. 施工过程:根据设计方案,按照预定的时间和强度进行散水防水。
确保整个施工过程均匀、稳定。
6. 检查验收:施工完成后,进行散水防水效果的检查和验收。
检查是否存在漏水、渗水等问题,并及时修复。
三、散水防水的适用范围散水防水适用于各种建筑、道路、地下管道等需要防水的领域。
具体适用范围包括但不限于以下几个方面:1. 建筑物防水:散水防水可用于建筑物的屋顶、墙体、地下室等部位的防水。
通过喷洒水雾或水流,形成一层保护层,防止水分渗透。
2. 道路防水:散水防水可用于道路的防水。
在道路表面喷洒水雾或水流,可减少路面温度,延长道路使用寿命。
3. 地下管道防水:散水防水可用于地下管道的防水。
通过喷洒水雾或水流,形成一层保护层,防止地下水渗入管道。
4. 其他领域:散水防水还可用于其他需要防水的领域,如储水池、隧道等。
四、散水防水的优点散水防水具有以下优点:1. 施工简便:散水防水的施工相对简便,不需要复杂的设备和技术。
混凝土散水构造做法
混凝土散水构造是一种常见的建筑结构,它主要用于建筑物的屋顶、地面和墙体等部位。
这种构造的主要特点是可以有效地防止水的渗透和漏水现象,从而保证建筑物的结构安全和稳定性。
混凝土散水构造的制作过程非常简单,首先需要准备好混凝土材料,然后将其倒入模具中进行浇筑。
在浇筑过程中,需要注意混凝土的密实性和均匀性,以确保构造的质量和稳定性。
浇筑完成后,需要进行养护和加固,以提高其耐久性和抗压性能。
混凝土散水构造的优点在于其具有较高的防水性能和耐久性能,可以有效地防止水的渗透和漏水现象,从而保证建筑物的结构安全和稳定性。
此外,混凝土散水构造还具有较高的抗压性能和耐久性能,可以承受较大的荷载和压力,从而保证建筑物的结构稳定性和安全性。
混凝土散水构造是一种非常实用和有效的建筑结构,可以有效地防止水的渗透和漏水现象,从而保证建筑物的结构安全和稳定性。
此外,混凝土散水构造还具有较高的抗压性能和耐久性能,可以承受较大的荷载和压力,从而保证建筑物的结构稳定性和安全性。
因此,在建筑物的设计和施工过程中,混凝土散水构造是一种非常值得推广和应用的建筑结构。
散水是与外墙勒脚垂直交接倾斜的室外地面部分,用以排除雨水,保护墙基免受雨水侵蚀。
散水的宽度应根据土壤性质、气候条件、建筑物的高度和屋面排水形式确定,一般为600mm~1000mm。
当屋面采用无组织排水时,散水宽度应大于檐口挑出长度200mm~300mm。
为保证排水顺畅,一般散水的坡度为3%~5%左右,散水外缘高出室外地坪30mm~50mm。
散水常用材料为混凝土、水泥砂浆、卵石、块石等。
另外,在年降雨量较大的地区可采用明沟排水。
明沟是将雨水导入城市地下排水管网的排水设施。
一般在年降雨量为900mm以上的地区采用明沟排除建筑物周边的雨水。
明沟宽一般为200mm左右,材料为混凝土、砖等。
建筑中,为防止房屋沉降后,散水或明沟与勒脚结合处出现裂缝,在此部位应设缝,用弹性材料进行柔性连接。
做法:一、施工准备(一)作业条件1、外墙装饰已基本完工,外脚手架已拆除,散水基底标高尺寸均经过检查,并已办完隐、预检手续。
2、散水应分块浇筑,分块长度不大于6米,留缝位置应考虑建筑整体效果。
3、根据标高线钉好水平桩。
4、核对混凝土的配合比,检查后台磅秤,进行开盘交底,散水混凝土强度不小于C15。
5、散水尺寸应按设计图纸要求,图纸中未明确时,一般灰土垫层宽度不小于800mm,厚度不小于150mm,混凝土宽度不小于600mm,厚度不小于50mm。
(二)材质要求1、土:宜优先使用基槽中挖出的土,或土质与之相似的粘土、亚粘土,不得含有有机杂质,使用前宜过筛,其粒径不大于15mm,含水量以12%~15%为宜(手感可捏成团,轻掰即散)。
2、石灰:应用块灰或生石灰粉,使用前充分熟化,不得含有未熟化生石灰块,其粒径不大于5mm,也不得含有过多水份。
3、水泥:宜用32.5级及其以上硅酸盐、普通硅酸盐或矿渣硅酸盐水泥,宜选用同一批号,颜色一致。
4、砂:中砂或粗砂,含泥量不大于5%。
5、石子:卵石或碎石,粒径O.5~2.Ocm,含泥量不大于2%。
种植散水,正式名称为“暗埋式混凝土散水”,适用于沿建筑物外墙周围有做绿化要求的散水。
具体做法为:1.外墙与室外地坪接触的部分(地坪以下)刷1.5厚聚合物水泥防水涂料。
2.素土夯实,向外坡4%3.80厚C15混凝土4.≥200厚草皮及种植土(种植土厚度根据植物品种调整)普通散水与外墙接触部分,只需在角部填塞嵌缝油膏或沥青胶泥,无需在墙面下部刷防水涂料。
1封闭楼梯间门的开启方向?(逃生的方向,向外)2窗的面积怎么确定?(窗地比或者窗墙面积比,房间的作用)3散水,基础梁的防冻胀怎么考虑?(散水600-1000)4泛水高度(大于等于250)5楼梯平台宽度(大于楼梯段的宽度,且大于1100)6梯段宽度如何确定(梯段的宽度根据人流,按百人指标计算)7房间门的数量如何确定(根据人流,防火规范)8什么是开间,进深(这就是横向、竖向的问题,相信你能知道)9每个雨水口负担汇水面积(这是个公式,有点长,写不上)10雨水口艰巨(有挑檐和排水沟的小于等于24m,无挑檐小于等于15m)11散水宽(600-1000)12地层保温如何考虑?(这个要得是当地的节能指标)13屋面防水等级及防水层道数?14室外台阶的相关尺寸(踏高150mm,踏面300mm。
一般)15楼梯平台梁的净高,梯段下净高(到梁高不能大于2000mm,梯段不能大于2200mm)16山墙雨水管距离山墙距离(500mm)17雨水口聚散水面距离18屋面个七层位置19隔气层20墙身水平防潮层位置,做法(-60mm处,20mm厚1:2水泥砂浆)21散水和勒角之间为什么留缝?缝隙如何处理?是因为如果连成一体,当主体发生沉降会把散水拉裂做油膏填缝22屋面排水方式分类(有组织和无组织排水)23开间,谨慎应满足的模数(100mm)24楼梯踏步设计有个经验公式是什么(2r+g=600~630)25平台梁下作主要出入口,如果平台梁下净高不足2米,如何解决(两种办法,1就是加大室内外高差,2就是抬高一楼休息平台的高度)26一跑梯段连续踏步数不超过多少?不少于多少?(3-18)27基础梁和三水下有个300-500厚炉渣垫层是为了防冻胀的,这个要记住28散水和勒角之间为什么留缝?为什么?(就是现在所说的热桥)29什么是圈梁,过梁,作用是什么?(过梁是支撑门窗洞口上部的砌块或者梁板传来的荷载,把这些荷载分布到周围的墙上的一种建筑构造;圈梁是沿着外墙四周及部分内墙在水平方向设置的连续的、且闭合的梁)30墙体加固措施有哪些(1增加壁柱和门垛,2设置圈梁,3设置构造柱等等)31变形缝的分类和作用(伸缩缝、抗震缝、沉降缝)32什么是耐火极限(在标准耐火试验条件下,建筑物或者构筑物的配件从受到火的作用起、到失去稳定性、完整性时止步的这段时间,用小时表示)33什么是建筑模数,基本模数?(建筑模数分为分模数、导出模数、基本模数。
散水构造的做法散水构造(SPR)是一种常用于植物生长的灌溉系统。
它通过将水流均匀分散到广泛的区域来保持土壤湿度和植物的健康。
与其他传统的灌溉方式相比,SPR系统具有低耗能、低成本、易于使用、降低渗漏等优点,越来越受到人们的青睐。
在建造SPR系统之前,我们需要了解如何制造SPR系统跟什么是SPR系统。
什么是散水构造?散水构造简称SPR,是一种用于灌溉的节水技术。
摩擦在止口板上的水与喷口相互作用,产生锐利的细水流,通过内部渠道传输到无数小水流,在植物的根部被吸收,从而使植物生长的一种方式。
1.准备工作首先,要确定需要灌溉的区域大小和所需的喷头数量。
选择好喷头后,我们需要有一些基本的工具,如电钻、手钻、扳手等。
2.制作喷头首先,准备好用来加工塑料和木材的材料和工具,包括钻头和螺钉等。
然后按照所选的喷头尺寸和数量,制作相应的零件。
3.安装喷头将制作好的喷头与塑料管相连接,并安装在灌溉区的适当位置。
特别是要注意喷头的均匀布置和修补喷头超出的湿度问题。
4.修剪管道在喷头安装完毕之后,我们需要对管道进行修剪和调整,以确保水流能够流经整个灌溉区域。
5.连接水源最后,将SPR系统连接到水源,以便于为散水构造提供水源。
确保连接好后没有泄漏,然后打开水龙头并测试系统。
使用散水构造要注意的问题:-安装喷头时切记要坚持均匀和密集的排列,防止出现干燥的空隙。
-定期检查水管是否受损或磨损,如果有磨损要及时更换。
-每次使用散水构造之前,都要开启喷水器几分钟进行冲洗,以排出水管中的不洁物。
-当使用杀虫剂或其他化学品时,要特别注意控制灌溉区域。
总之,散水构造灌溉系统是一种有效的灌溉方式,既适用于大规模农业、公园、花园,也适用于家庭菜园等小规模驻地。
只要妥善维护,可以长期使用,节约水源,减少水浪费,帮助植物健康成长。
•施工准备
o作业条件
▪墙装饰已基本完工,外脚手架已拆除,散水基底标高、尺寸
均经过检查,并已办完隐、预检手续。
▪散水应分块浇筑,分块长度不大于6m,留缝位置应考虑建
筑整体效果。
▪根据标高线钉好水平桩。
▪核对混凝土的配合比,检查后台磅秤,进行开盘交底,散水
混凝土强度不小于C15。
▪散水尺寸应按设计图纸要求,图纸中未明确时,一般灰土垫
层宽度不小于800mm,厚度不小于150mm,混凝土宽度不小
于600mm。
厚度不小于50mm。
o材料要求
▪土:宜优先使用基槽中挖出的土,或土质与之相似的粘土、
亚粘土,不得含有有机杂质,使用前宜过筛,其粒径不大于
15mm,含水量以12%~15%为宜(手感可捏成团,轻掰即散)。
▪石灰:应用块灰或生石灰粉,使用前充分熟化,不得含有未
熟化生石灰块,其粒径不大于5mm,也不得含有过多水分。
▪水泥:宜用32.5级及其以上硅酸盐、普通硅酸盐或矿渣硅
酸盐水泥,宜选用同一水泥厂生产同期出厂的同品种、同强
度等级、同一出厂编号的水泥。
▪砂:中砂或粗砂,含泥量不大于3%。
▪石子:卵石或碎石,粒径5~20mm,含泥量不大于2%。
o施工机具
铁锹、筛子(5mm)、小推车、振捣器、刮杠、木抹子、铁抹子尺板、小水筒、鬃刷子、沥青锅、小馏子(用方钢或钢筋制作等)。
•
质量要求
具体要求请参照本书“箱型基础工程”章节中“混凝土工程”相应部分。
•
工艺流程
场地平整→灰土垫层→支模→混凝土浇筑→表面压光→拆模→侧帮压光→沥青砂填缝→修整养护→完成
•
操作工艺
o平整场地
根据散水基底标高钉好水平控制桩,在散水垫层宽度加200mm范围内拉线控制,用平锹将地铲平,如土质松软,应先夯砸不少于三遍。
•
灰土垫层施工
灰土垫层一般采用3:7次土垫层(或依据施工图纸)按规定夯实至设计干密度。
•
支模板
根据散水的外形尺寸支好侧模,放好分隔缝模板,分隔模板用木模时两面应用木刨刨光,支设时要拉通线、抄平,做到通顺、平直、坡向正确(向外坡4%),严禁用砌砖代替模板。
•
散水与建筑物外墙分离,分隔缝宽20mm,沿外墙一周做到整齐一致,纵
向6m左右设分隔缝一道,房屋转角处与外墙呈45°角,分隔缝宽20mm,分隔缝应避开雨落管,以防雨水从分隔缝内渗入基础。
•混凝土的拌制
要认真按混凝土的配合比投料,每盘投料顺序为;石子→水泥→沙子→水,应严格控制坍落度(以30~50mm为宜),搅拌要均匀,搅拌时间不少于9Os。
•
混凝土的浇筑
o清除模板内的杂物,办好隐、预检手续,可适当湿润模板及灰土垫层,但水不可过多,以地面不留积水为宜。
o一般采用平板式振捣器,振实压光,应随打随抹,一次完成,提倡用原浆压光。
•当散水有一定强度时(表面仍湿润,但用手轻按已按不出手印),拆除侧模,起出分格条,随即用砂浆抹平压光侧边,并用阳角馏子将散水棱角
馏直、压光,包括分格缝处棱角,侧边及分格缝内与散水大面的质量要
求相同,也要见光,棱角顺直、整齐。
•养护已抹平压光的混凝土应在12h左右用湿锯末覆盖,养护不少于7d。
•沥青灌缝
养护期满后,分隔缝内清理干净,用1:2沥青砂浆填塞(宜掺适量滑石粉以便操作),填塞时分隔缝两边粘贴3cm宽美纹纸,既可防止沥青污染散水表面,也可使分隔缝内沥青砂浆平直、美观。
分隔缝要勾抹烫压平整,可用□14~□16方钢或用ф10~ф12光圆钢筋砸扁做成小镏子,用火烫红后用来烫压分隔缝。
如上口留出1.5cm左右用油膏填嵌则感观更佳,烫压好后,沥青砂浆应低于散水面3~5mm,使分隔缝处棱角更加突出,更显散水特色(分隔缝处棱角施工务必精工细作,棱角顺直、整齐才显美观)。
•
冬雨期施工时应另行编制季节性施工方案,采取有效措施,以确保散水
质量。
•成品保护
o注意外墙面保护,必要时立木板遮挡。
o严禁在巳完成的散水上拌和砂浆,以兔污染外墙和散水。
o在覆盖养护期应有专人负责淋水,保持锯末湿润,早期严禁上人。
•应注意的质量问题
o混凝土不密实:主要是由于漏振和振捣不密实,或配合比不准造成。
o表面不平标高不准:水平标高线桩不准,操作时未认真找平。
o侧边与大面颜色不一致:主要是由于拆模过晚,后抹的侧边与先抹的大面颜色不一,需掌握好拆模时间。
分格缝填塞不直、污染:填塞沥青砂浆时一定要认真细致,为防止污染可将分格缝两边覆盖,分格缝内沥青砂浆一定要勾抹烫压平整。
•
表面不规则裂缝:一是由于不是原浆压光,表面浆皮风裂所致;二是由于3:7灰土垫层施工不认真,或肥槽回填时未夯实所致,故在施工前一定要做好施工隐、预检工作。
本书中未涉及块料面层散水,施工中如遇到请参照相应施工质量验收规范及工艺标准。