高落差长配管安装形式对空调系统的影响_徐亮
- 格式:pdf
- 大小:1.71 MB
- 文档页数:5
长配管、高落差对机房空调性能影响作者:黄德勇来源:《大东方》2017年第07期摘要:机房空调在实际工程运用中经常出现长配管、高落差的工况,为探明长配管、高落差对机房空调系统影响,设计了名义制冷量为25kW的列间机房空调系统,并在100m长配管、30m高落差的条件下进行无外扰性能实验,结果表明:(1)在室外机高于室内机的30m 正落差,100m长配管工况下,机房空调系统几乎没有管道压力损失,系统膨胀阀前压力近似等于排气压力,功率与标准配管相当;(2)在室外机低于室内机的30m负落差,100m长配管工况下,机房空调系统管路压力损失很大,且近似等于垂直方向上压降,功耗大幅增加;该结论对于强化长配管、高落差机房空调系统的工程施工与运维管理具有重要意义。
关键词:制冷系统;长配管;高落差;能耗一、引言长配管蒸气压缩式制冷系统已相当普遍。
例如,用于全年供冷的机房空调,以及在商用和住宅建筑中广泛应用的多联式空调(热泵)系统等,它们都具有长配管特点,均需在施工现场,用液体连接管和气体连接管将室内机组和室外机组连接而成为一个制冷系统,并在现场补充制冷剂充注量。
由于空调设备中制冷剂管道会产生压力降及热量损失,一般将冷凝器、蒸发器直接与压缩机相连,冷凝器和蒸发器之间的距离不大。
在有些情况下(如数据中心),受空间、美观等其他限制,室外冷凝器要通过长配管与压缩机连接,特别是着商业建筑和住宅楼房高层的增多,这种长配管的要求越来越多。
为此,本文对一台25kW长配管、高落差机房空调系统在焓差实验室进行无外扰、定转速条件下的性能实验,并通过实验数据分析长配管、高落差对机房空调制冷系统的影响。
二、长配管制冷系统的实验设计(一)列间机房空调工作原理列间机房空调又称为行级机房空调(下面简称:机房空调)。
将机房空调按一定布局穿插在数据中心服务器中间,通过封闭、隔离的冷、热通道为服务器散热。
由于其直接处理服务器排放的高温空气,故机房空调的进风温度相对于传统机房空调更高,通常可以达到38℃左右。
关于分体式空调的配管长和高低差商用分体式空调机为了解决中小规模大楼及大空间的空气调节,正在开发使连接室内机和室外机的配管尽可能长,有更大高低差的空调。
把配管变长的话能够允许多大程度的能力减少,对于把配管变长时的冷媒追加充注量气液分离器的容量要足够大,加大配管的高低差时就有必要使润滑油能回到紧缩机。
加大粗管(气管)的直径的话,冷媒速度会降低,能力减少虽不明显但回油就会变得不好。
因为加速冷媒流速就会产生冷媒流速声音,所以就有必要在冷媒配管管径的选定上考虑上述因素。
(气管的冷媒流速5~15m/秒)长配管・加大高低差时的问题①机组间的冷媒配管越长能力减少越多由空调厂商决定能力减少到什么程度②机组间的冷媒配管越长,追加冷媒充注量越多有必要增加气液分离器的容量③机组间的冷媒配管越长,紧缩机的回油变得越差安装油分离器,气管适合的管径,追加捕油器就是必要的1.配管长度和能力减少的关系冷媒在流经连接室外机和室内机的配管的时候,由于配管阻力,配管出口处的冷媒压力比入口处的冷媒压力要变低。
这种压力变低是冷媒流速越快、配管越长变得越大,使空调能力变低。
在制冷运转时,粗管中流的是低温・低压的气体,在制热运转时是高温・高压的气体。
因为制冷运转时的气体的比体积要比制热时大,所以冷媒流速变快压力损失变大。
因此制冷时能力的减少要比制热时大制冷时的能力降低量以S公司为例Q=0.189(L-5)+0.015H室外机在上Q=0.189(L-5)―0.004H室外机在下制热时的能力降低量以S公司为例Q=0.053(L-5)+0.015HL:配管长m适用于5m以上H:室内机和室外机的高低差m2. 高低差和回油给紧缩机摺动部供油的润滑油的一部份是从紧缩机的排气管来的,此处的回油变差的话就会引发紧缩机内润滑油不足、摺动部异样磨耗、出异样音、抱轴等。
配管内的润滑油在冷媒是液体的时候溶入液体冷媒移动,在气管内润滑油是分离开来随着气体的流速来移动的。
配管长度对VRV空调系统制冷性能影响的分析配管长度对VRV空调系统制冷性有何影响,必须在已有的VRV空调系统的实验中,对不同作用域的制冷性和能效比进行系统的测试。
本文主要分析了配管长度对VRV系统制冷和能效比的影响、配管长度和室内外机的高差对系统效率的影响以及室内机间距对VRV系统性能的影响等,通过具体分析和探讨,达到最终对系统的制冷性影响的结果,并通过对空调的合理使用,高效的提高空调制冷性能和能效比。
标签:配管长度;VRV空调系统;制冷性能;能效比当前的VRV空调系统呈现出系统容量不断增大、配管长度也日趋变长以及空调系统配置中的室内及数量明显增多的主要趋势,正是因为这些明显的变化趋势,VRV空调系统的作用域问题就随之产生。
配管长度、室内外机高度差以及室内机的间距都是整个VRV空调系统的作用域问题范围之内的因素。
但是由于空调在运作过程中受到很多影响如配管长度及分歧管的距离等因素,所以相关专家通过实验对此进行了一系列的实验,通过作用域、配管长度对制冷性能及能效比的作用进行了系统细致的研究分析。
在现阶段,有很多专家对空调部分的负荷情况,采用相关模拟软件研究各种不同的情况对性能造成的不同影响。
1、具体实验装置的操作此次试验主要为了研究配管长度和室内机间距对VRV空调系统制冷性能的影响,而影响整个实验的主要因素是配管长度和室内机间距的具体确定[1]。
实验装置的系统图如下所示:实验中按照室内外机负荷率的具体情况对不同情况下的负荷程度进行系统的测试,当然,在不同的负荷情况下,都会将室内机的组合方式进行不同的调整,具体研究配管长度及室内机间距对整个VRV空调系统的性能造成不同影响。
2、配管长度和室外机与室内机之间的高差从上表可以得出,最大的配管长度范围是100m至150m,室内机高差范围是15m至50m不等。
配管长度的最大差可以达到50m,室内机最大高差的最大差是35m,室内外机最大高差都是50m,两者基本相同。
大容量多联机配管长度对机组性能影响分析发布时间:2021-10-28T07:06:21.079Z 来源:《科学与技术》2021年第29卷16期作者:黄进[导读] 在空调产业链中,多联机是一项重要设备。
黄进广东美的制冷设备有限公司 528311 摘要:在空调产业链中,多联机是一项重要设备。
我国对多联机进行了多年的研发制造,如今已形成了一套完整的理论体系。
多联机在传统制冷系统的基础上兼具了响应速度快、节省空间、成本低、稳定性好,便于安装维修等优点。
随着地球能源的日益紧张,如何节约能源也成为多联机开发制造必须考虑的因素之一。
本文就更节省能源的大容量多联机及配管长度对其性能的影响进行了研究。
关键词:多联机;配管长度;机组性能经过多年研究,我国在普通多联机的基础上进行创新,发明了可用于制冷和供暖的多功能多联机以及可更换冷热空气的新风多联机。
充分体现了多联机的多功能扩展性。
随着经济的不断发展,多联机被广泛应用在现代生活中,秉持着节约能源,共创绿色生活的理念,因同等工作强度要求下,大容量多联机比多台普通多联机配合工作更加节能,所以大容量多联机的开发成为空调行业的又一重点。
然而多联机的控制系统由多项设备组成,大容量多联机的设备复杂性易造成能源浪费,在实际应用中必需考虑配管长度对机组性能的影响以控制大容量多联机的能源利用率。
1.大容量多联机控制系统简介随着多联机的广泛应用,大容量多联机因其室内机组与室外机组的可配套性而备受欢迎。
但由于多联机的控制系统过于复杂,在实际操作中往往难以把控其精确操作。
多联机主要由压缩机,蒸发器,冷凝设备组成。
大容量多联机则是在其基础上进行机组并联扩展或增加压缩机数量以增大容量,而随着容量的增加,对多联机的控制就越困难,配管长度对其的影响是研发人员控制大容量多联机的主要切入点。
配管长度既决定了多联机的工作损失,也能在一定程度上控制多联机控制系统的复杂性。
如何对多联机机组进行高效,易控制的组合是大容量多联机的开发思路。
暖通工程中空调制冷管道安装技术要点综述暖通工程中空调制冷管道的安装技术是一项关键性工作,直接影响到空调系统的运行效果和能耗。
下面将综述空调制冷管道安装的一些技术要点。
安装空调制冷管道前,需要进行管道的布置设计。
布置设计要符合空调系统的设计要求,包括管道的走向、布置间距等。
合理的布置设计能够减少管道的阻力损失、提高制冷效果。
安装管道时需要注意管道的安装位置和支架的设置。
管道的安装位置应尽量避免暴露在阳光直射下或者潮湿的地方,避免受到外力的损坏。
支架的设置要均匀且稳固,能够承受管道的重量,防止管道出现下垂或者脱落的情况。
管道的连接也是安装过程中需要注意的一点。
管道之间的连接应采用密封且牢固的连接方式,避免制冷剂泄漏。
常用的连接方式有焊接、咬合以及螺纹连接等。
在连接过程中,需要对连接部位进行检测,确保密封性能良好。
第四,管道的施工要保证管道的尺寸和截面形状的精确性。
管道的尺寸和截面形状的不准确会导致管道的阻力增加,影响空调系统的制冷效果。
在施工过程中应采用精确的切割和连接方法,避免管道出现变形或者错位。
第五,管道安装完成后,需要进行压力测试和真空抽取。
压力测试可以检测管道是否存在漏气现象,确保系统的密封性;真空抽取可以排除管道内的杂质和气体,提高制冷效果。
安装完成后需要进行管道的绝热保护。
绝热保护可以减少管道的热损失,提高能源利用效率。
常用的绝热材料有橡胶和泡沫塑料等,选择合适的绝热材料进行包裹。
空调制冷管道安装技术的要点包括布置设计、位置设置、连接方式、施工精确性、测试与排气以及绝热保护等。
合理的安装技术能够保证管道的正常运行,提高空调系统的性能效果。
2023年公用设备工程师之专业知识(暖通空调专业)精选试题及答案一单选题(共180题)1、地源热泵系统涵盖的范围为( )。
A.地埋管热泵、地下水热泵、地表水热泵和地热水热泵系统B.地埋管热泵、地下水热泵和地表水热泵系统C.地埋管热泵、地下水热泵、地表水热泵和污水源热泵系统D.地埋管热泵、地下水热泵、地表水热泵和水环系统【答案】 B2、有关通风机的论述,下列哪一种说法是错误的?( )A.通风机的全压等于出口气流全压与进口气流全压之差B.通风机的全压等于出口气流全压C.通风机的轴功率大于有效功率D.通风机的风压系指全压,为动压和静压之和【答案】 B3、对于无坡敷设的热水管道,管中水的流速应不小于( )。
A.0.25m/sB.0.35m/sC.0.4m/sD.0.5m/s【答案】 A4、螺杆式冷水机组一般用于单级负荷在( )kW之间。
A.100~1000B.120~1200C.130~1300D.140~1400【答案】 B5、下列确定全面通风量方法的叙述中,( )是错误的。
A.按某种有害物的发生量、该种有害物进风浓度和室内允许浓度计算所需通风量B.室内同时产生多种有害物时,应按上述方法分别计算通风量C.有害物发生量无法确定时,参照经验数据采用换气次数法计算通风量D.取上述方法计算所得风量中的最大值作为设计通风量【答案】 D6、某热水供暖系统的供暖管道施工说明,下列哪一项是错误的?( )A.气、水在水平管道内逆向流动时,管道坡度是5‰B.气、水在水平管道内同向流动时,管道坡度是3‰C.连接散热器的支管管道坡度是1%D.公称管径为80mm的镀锌钢管应采用焊接【答案】 D7、临界温度离工作温度越近则( )。
A.节流损失增大,过热损失减小B.节流损失减小,过热损失增大C.节流损失和过热损失都增大D.节流损失和过热损失都减小【答案】 C8、热水系统的循环水泵吸入口与出口的压力差值,应为下列哪一项?( )A.系统静压力B.系统工作压力C.系统的阻力D.系统的静压与阻力之差【答案】 C9、关于溴化锂吸收式机组的说法,下列哪一项是错误的?A.制冷量相同时,溴化锂吸收式机组比离心式冷水机组冷却水量大B.冷水出口温度上升时,机组热力系数增加C.当有足够电力供应时,宜采用专配锅炉为驱动热源的溴化锂吸收式机组D.冷却水温度过低时,机组中浓溶液可能产生结晶【答案】 C10、建筑屋面雨水管道的设计流态宜采用( )。
施工工艺对建筑通风与空调系统的影响与提升在现代社会,建筑物的通风与空调系统是保证室内空气质量和舒适度的重要组成部分。
而这些系统的实施过程中所采用的施工工艺将直接影响到系统的效果。
本文将探讨施工工艺对建筑通风与空调系统的影响,并提出一些提升系统性能的方法。
一、施工工艺对通风与空调系统的影响1.管道布局与安装通风与空调系统中的管道布局和安装对系统的效果具有重要影响。
合理的管道布局可以使风量均匀分布,避免死角和温差过大的情况出现。
而管道的安装质量直接决定了管道的密封性和稳定性。
不合理的布局和粗糙的安装容易导致空气流动不畅,影响通风与空调系统的正常运行。
2.设备选择和安装通风与空调设备的选择和安装也是施工过程中关键的环节。
优质的设备可以提供更好的通风和空调效果,而设备的安装质量则决定了其运行的稳定性和效率。
正确的设备选择和合理的安装位置可以减少系统能耗,提高系统的性能。
3.隔墙与隔音隔墙在建筑通风与空调系统中起到了重要的作用。
合理设置隔墙可以减少噪音和异味的传播,保证室内的舒适度。
而不合理的隔墙设计和施工可能导致噪音污染和空气交叉污染等问题的出现,降低系统的效果。
二、提升建筑通风与空调系统的方法1.优化施工工艺通过优化施工工艺,可以减少系统中的质量问题和安装错误。
建筑施工单位应加强对施工人员的培训,提高他们的专业水平,确保施工质量。
此外,使用先进的施工工具和技术,可以提高施工效率和质量。
2.加强施工管理施工管理是保证施工工艺影响最小化的重要手段。
建筑施工单位应制定详细的施工计划和施工标准,严格执行。
加强对施工过程的监督和检查,及时发现并纠正施工中存在的问题,确保施工质量。
3.引入先进技术随着科技的发展,建筑通风与空调系统的施工工艺也在不断地更新和改进。
引入先进的施工技术和设备,如3D打印技术、智能控制系统等,可以提高施工质量和效率,促进系统性能的提升。
4.持续改进建筑通风与空调系统的施工工艺需要持续改进和优化。
管道布局对暖通系统性能的影响分析暖通系统是建筑物中不可或缺的一部分,它负责调节室内温度、湿度和空气质量,以提供舒适的室内环境。
而管道布局作为暖通系统中的重要组成部分,对系统的性能有着直接的影响。
本文将从多个角度探讨管道布局对暖通系统性能的影响。
首先,管道布局对暖通系统的能效有着重要影响。
合理的管道布局可以减少管道的阻力和压降,提高系统的能效。
例如,在供暖系统中,通过将主管道与支管道的布局设计得合理,可以减少管道的长度和弯头的数量,从而减小水泵的功耗。
此外,合理的管道布局还可以减少冷凝水的回流,提高系统的热交换效率。
因此,在设计暖通系统时,应根据建筑物的结构和需求,合理规划管道布局,以提高系统的能效。
其次,管道布局对暖通系统的运行稳定性和可靠性有着重要影响。
不合理的管道布局容易导致水流速度不均匀,产生噪音和振动,甚至引起管道漏水等问题。
这些问题不仅会影响系统的正常运行,还会增加系统的维护成本。
因此,在设计管道布局时,应考虑管道直径、支管道的数量和位置等因素,以保证水流的平稳和稳定。
另外,管道布局还对暖通系统的维护和清洁有着重要影响。
合理的管道布局可以方便系统的检修和维护。
例如,通过设置检修门和阀门,可以方便对管道进行清洗和维修。
此外,合理的管道布局还可以减少管道内的积水和污垢,降低系统的清洁难度。
因此,在设计管道布局时,应考虑到系统的维护和清洁需求,以提高系统的可维护性和清洁性。
此外,管道布局还对暖通系统的空气流通和室内空气质量有着重要影响。
合理的管道布局可以保证空气在建筑物内的均匀分布,避免出现死角和冷热区域。
同时,合理的管道布局还可以减少管道内的积尘和异味,提高室内空气质量。
因此,在设计管道布局时,应考虑到空气流通和室内空气质量的要求,以提高系统的舒适性和健康性。
最后,管道布局还对暖通系统的成本和施工周期有着重要影响。
不合理的管道布局可能导致管道长度过长、材料浪费和施工周期延长等问题。
因此,在设计管道布局时,应充分考虑施工的可行性和经济性,以降低系统的成本和施工周期。
多联机空调落差安装施工工法多联机空调落差安装施工工法一、前言多联机空调落差安装施工工法是一种可以解决多联机空调系统中落差问题的施工工艺。
在多户家庭或办公楼内,由于楼层高度不同,安装多联机空调系统时经常会出现高层空调制冷能力较强,而低层空调制冷能力不足的情况。
该工法通过合理设置内外机的连接管道,调整管道长度和倾斜度,从而实现多联机空调系统内的温度均衡,并提高空调系统的制冷效果和舒适度。
二、工法特点1. 适用范围广:该工法适用于不同类型的建筑物,如高层住宅、商业建筑和办公楼等。
2. 解决落差问题:通过调整管道长度和倾斜度,解决多联机空调系统中高低层落差问题,实现温度均衡。
3. 提高制冷效果:通过优化管道设计和调整空调系统参数,提高多联机空调系统的制冷效果,提供更加舒适的室内环境。
三、适应范围多联机空调落差安装施工工法适用于以下情况:1. 建筑物楼层高度不同,需要解决多联机空调系统内高低层温度差异问题。
2. 多层住宅、商业建筑和办公楼等需要安装多联机空调系统的场所。
四、工艺原理该工法的工艺原理主要包括以下几个方面:1. 管道设计与布置:合理设计和布置连接管道,通过调整管道长度和倾斜度,降低高低层之间的温度差异。
2. 空调系统参数调整:根据建筑物的楼层高度差异,调整空调系统的工作参数,如回风温度、送风速度和制冷量等,以实现空调系统的制冷效果和温度均衡。
3. 空调系统运行监测:在施工阶段和施工完成后,对空调系统进行运行监测,确保系统的稳定运行和温度均衡。
五、施工工艺1. 确定内外机的安装位置:根据建筑物的楼层高度差异和实际情况,确定内外机的安装位置,并考虑管道的走向和长度。
2. 管道连接:根据安装位置设计,连接内外机之间的管道,确保连接牢固且密封良好。
3. 管道调整:根据高低层之间的温度差异,调整管道的长度和倾斜度,使制冷剂流动更加平稳和均衡。
4. 系统安装与调试:安装和调试空调系统,包括连接管道、安装室内机和室外机、连接电源和运行调试等。
管道安装规范要求在暖通空调工程中的应用随着现代建筑技术的不断发展和空调系统在生活中的广泛应用,暖通空调工程中管道安装的规范要求显得尤为重要。
合理的管道安装除了可以确保系统的正常运行,还可以提高系统的效率和寿命。
本文将就管道安装规范要求在暖通空调工程中的应用进行探讨。
1. 管道材料的选用管道安装的首要任务是确保管道的牢固和密封性,因此,在选择管道材料时,需要考虑其耐压、耐腐蚀、耐高温和耐磨损等特性。
常用的管道材料有铜管、PP-R管、PVC管等。
根据实际工程需求选择合适的管道材料,以提高系统的使用寿命和稳定性。
2. 管道布局设计管道布局设计是管道安装的重要环节。
合理的管道布局可以提高管道系统的运行效率和节约空间。
在进行管道布局设计时,需要充分考虑系统的功能要求、建筑结构和实际施工条件等因素,合理安排管道的走向和连接方式,减少管道长度和弯头数量,以提高系统的工作效率。
3. 管道的固定和支撑为了确保管道的牢固和稳定,管道安装中必须进行固定和支撑。
固定和支撑方式根据不同的管道材料和管道走向使用不同的固定和支撑配件。
固定点的设置要均匀合理,保证管道的垂直和水平度,减少管道的位移和振动,确保系统的正常运行。
4. 管道的密封管道的密封性是管道安装中必须重视的一个环节。
当管道运行时,如果出现泄漏现象,不仅影响系统的工作效果,还可能对周围环境造成污染。
因此,在进行管道安装时,应确保管道连接处的密封性,可以使用密封垫、密封胶等辅助材料,确保管道连接的牢固和密封。
5. 管道的标识和管理为了方便维护和管理管道系统,管道安装后需要进行标识。
标识内容包括管道名称、流体介质、流向、压力等相关信息。
标识可以使用永久性的标识牌或者标贴,确保标识内容清晰可见,方便工程人员进行后期维护和管理。
总之,暖通空调工程中管道安装规范要求的合理应用对于保障系统的正常运行和提高系统的效率至关重要。
通过合理选择管道材料、设计合理的布局、确保管道的牢固和密封以及进行管道的标识和管理,可以有效提高暖通空调系统的使用寿命和稳定性。
空调风管水管的布置要求空调的风管得合理布局。
你要知道,风管不是想怎么装就怎么装的,它得根据房子的格局和空调的类型来决定。
比如说,有些家庭装修时,空调的位置可能就会选择在窗台或者阳台那一块。
如果这个风管设计不合理,风的流动就会受到影响,可能会出现冷热不均的情况,做饭时厨房热得像蒸笼,卧室却冷得像冰窖。
风管要走得巧,别让每个房间都觉得像走进了“天气预报”里的不同气候区。
空调风管的位置也不能太低。
你想啊,风管如果安装得离地太近,岂不是家里走来走去都能撞到?人家说“高处不胜寒”,可是低处实在让人烦!风管的直径要合适,太大了浪费材料,太小了又不够风力。
这就像做饭,火候掌握不好,做出的菜要么太生要么太熟,吃了都不合适。
水管的布置也非常讲究。
你看,水管走得不对,万一有漏水的情况,那可就麻烦了。
想象一下,天花板上滴滴答答的水声,想想都让人心慌。
尤其是空调的冷凝水管,要特别注意。
这个水管是用来排水的,不然冷凝水堆积起来,室内墙壁上说不定就会长出“水珠子”,你家洗手间的墙上就成了“天然水景”。
冷凝水管的坡度一定要合理,太平了水流不出去,结果还是积水;太陡了,水流得太快,根本不给你留个缓冲时间,麻烦不说还容易损坏管道。
别小看这冷凝水管,它可不是摆设,真出了问题,最怕的就是墙体渗水,最后全家人的“洗浴体验”就变得尴尬了。
说到水管的材质,这个也得讲究。
你要是用了劣质的水管,水管可能几个月就开始老化,渗水、爆裂就像常规节目一样,放几次就习惯了。
好水管的材质不仅能保证水流顺畅,还能避免因温度变化产生的膨胀或收缩,像那种耐高温的管子,特别适合夏天的空调系统,能保持长期稳定的运行,给你带来更好的生活体验。
更别说,有些水管还具备抗紫外线的功能,不怕太阳晒,保证管道寿命更长。
水管的走向同样不能随意。
你要是把水管装到地板下或者天花板上,怕是有一天就成了“藏雷区”。
万一有个啥小问题,水管一漏水,搞不好整个家都成了“水上乐园”,你说这事能不头疼吗?水管最好走在墙内,既不碍事,又方便检修,最关键的是,能减少维修时的麻烦。
建筑暖通施工技术的关键问题徐亮发表时间:2018-10-10T16:53:44.310Z 来源:《防护工程》2018年第13期作者:徐亮[导读] 建筑学上暖通施工技术似乎一直可有可无,尽管它和我们的生活是如此的贴近徐亮吉林省艺砼建筑设计有限公司吉林长春 130000摘要:建筑学上暖通施工技术似乎一直可有可无,尽管它和我们的生活是如此的贴近,我们拥抱温暖,我们也享受清爽,而这些生活的快感都源于暖通施工技术的背后支持,当我们的出行生活不再因温度的差别而困扰时,我们不得不承认,暖通工程如润物细无声一般,悄然进入我们的生活,细雨无声,暖通工程和风吹过,而泽厚大地,我们都知道,一栋建筑的成品质量如室内温度的控制、修复的便捷简单、使用期限的范围等等一系列的问题,其关键要素就在于其建筑暖通施工技术如何,当然,这种技术也和我们的生活质量息息相关,为此我们将探讨有关暖通施工技术的一些看法和观点。
关键词:建筑暖通;施工技术;关键问题;分析;暖通是建筑施工的重要组成部分,整体建筑质量在一定程度上与建筑暖通施工技术水平有关。
所以必须要对建筑暖通施工技术予以充分重视。
然而,在实际工作过程中,建筑暖通施工技术中仍存在几个关键问题制约着暖通施工质量的提升。
一、建筑暖通施工技术存在的问题1.空调管线与设备的定位问题。
在进行暖通空调的安装过程中,管线与设备的定位是一个难题,也是最常出现问题的环节。
一些综合性的建筑物,本身就事先具备管线安装的空间,在建筑设计之处这些就已经是想好的,比如送回风管、排水管、消防管等等的专业管线通道。
2.设备噪音问题。
设备噪音主要来自于设备安装噪音,设备内部零件的碰撞等,也是噪音产生的原因。
其中安装过程中国出现的噪音很多情况下无可避免,但设备内部零件出现噪音那就有可能是没固定牢靠,或者在安装过程中造成内部零件的损坏等等,不过也有可能是生产过程中某个环节出现了问题,组装过程中出现纰漏等。
暖通空调本身还涉及到了建筑与结构的专业,因此,设备噪声的控制还需要结合其他专业的特点进行解决。
长配管、高落差空调系统的计算机仿真与试验研究
易佳婷;刘小冲
【期刊名称】《西安航空技术高等专科学校学报》
【年(卷),期】2006(024)001
【摘要】空调系统在长配管、高落差情况下其运行性能和可靠性会受到影响.建立数学模型预测长配管、高落差空调系统的性能,可以提供给用户准确的性能资料,指导用户合理安装空调器,提高产品的可靠性.
【总页数】3页(P43-45)
【作者】易佳婷;刘小冲
【作者单位】西安航空技术高等专科学校,动力工程系,陕西,西安,710077;西安航空技术高等专科学校,动力工程系,陕西,西安,710077
【正文语种】中文
【中图分类】TU831.6
【相关文献】
1.超高落差长输供水工程减压消能方案优选实例研究 [J], 唐迪;刁美玲;王婷婷
2.高落差长配管安装形式对空调系统的影响 [J], 徐亮;张蕾;米廷灿
3.超高落差长输供水工程减压消能方案优选实例研究 [J], 唐迪;刁美玲;王婷婷;
4.探析长陡坡高落差卷扬机安装及运行安全研究 [J], 万樽;段贵晋;张财全
5.探析长陡坡高落差卷扬机安装及运行安全研究 [J], 万樽;段贵晋;张财全
因版权原因,仅展示原文概要,查看原文内容请购买。
N ew T echnology & N ew P roduct一、引言家用空调器在室内外机高差较大,配管长度较长的安装条件下,对空调系统性能有一定的影响。
目前,国内主要空调厂商对家用空调器在室内外机安装高差和连接配管长度方面没有统一的限制,类似可供参考的试验结果及分析比较少。
故本文通过实际安装的空调器进行试验分析。
本文重点介绍空调器在高落差长配管的安装形式下,管路压损对空调系统的影响,并且提出相应高落差长配管安装形式对空调系统的影响的对策。
同时介绍高落差长配管安装情况下的压缩机回油及压缩机启动现象分析。
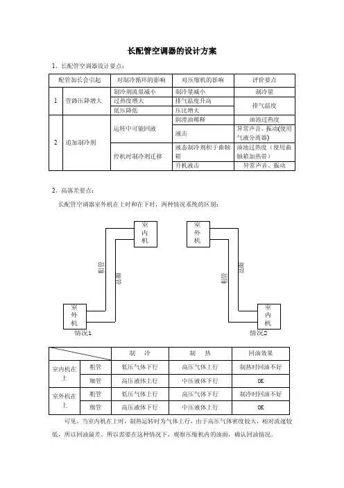
二、高落差长配管安装形式对空调系统的影响空调器的高落差长配管有两种安装形式:室外机在下、室内机在上和室外机在上、室内机在下。
对上述两种安装形式对空调系统的影响及相应的对策归纳如表1所示。
三、高落差长配管安装形式下空调器的试验这次进行高落差长配管试验的空调器有两台:分别为室外机低置和室外机高置两种形式。
图1为表1图1 试验空调器安装示意上述两台空调器连接管路的温度、压力测压点布置示意。
进行试验的空调器均选取为3.8kW 定速柜机,压缩机选用3.8kW 滚动转子式压缩机。
mmN ew T echnology & N ew P roduct根据3.8kW 定速柜机的安装要求,室外机高置形式的空调器:每隔一定的高度设置一回油弯,保证空调器停机后启动瞬间,压缩机能吸到足够的润滑油,而不至于发生缺油咬缸现象。
同时确定其加液量:一定管长(20m )以内不需增加制冷机;该长度以外的,按照每米增加120g 制冷剂的要求添加冷媒量。
以上内容见表2所列。
四、高落差长配管安装形式下空调器试验结果分析高落差长配管安装形式下的两台3.8kW 空调器:室外机低置和室外机高置两种形式,分别安装在不同地点进行寿命考核。
上述两台高落差长配管安装形式下空调器的制冷运行工况,室外工况条件:28~37℃,两台空调器运行时间为5月份~8月份。
表3为制冷运行的一些数据测试结果,数据采集点位置见图1所示。
以下分析制冷工况下,室内外机连接的管路压损。
1. 通过lg P -h 图分析制冷工况压损对空调系统影响室外机在下、室内机在上的高低落差长配管试验中,上下连接管的管路压损是系统中的主要压损。
制冷工况下,由于上下连接管路大落差,管路较长,受重力影响的压损占上下管路压损的绝大部分,该压损使蒸发压力大幅下降(见表3),进一步使蒸发温度下降,压缩机吸气比容u 1上升,制冷剂单位容积制冷能力 下降。
同时,在高落差长配管试验中,一般会通过多增加制冷剂来保证空调器冷量,这就使压缩机排气压力上升。
因比容u 1增大,h 1-h 4减小,故单位容积制冷能力q u 下降。
同时压缩机排气压力上升,空调系统冷凝压力上升,压缩机功耗w c = h 2'-h 1'增加,压缩机制冷能整体制冷性能下降。
2. 高落差长配管安装形式对空调系统影响(1) 空调器实际运行中管路大压损对空调系统的影响① 室内外机安装形式不同,管路压损影响程度不同。
由于制冷机流向不同,液态制冷机受重力影响的重力压损对管路压损的作用不同。
由上述数据推算,室外机低置安装形式的高落差长配管空调系统的竖直管路每米平均压损较室外机高置安装形式的高落差长配管空调系统的竖直管路每米平均压损大,前者的竖直管每米平均压损为0.016MPa/m ,而后者为0.009MPa/m ,相对小些。
由此可知,室外机低置安装形式的高落差长配管空调系统可适当地降低安装高度,减轻压缩机排气压力的负担。
表2表3图2 lg P -h 图②管路大压损使压缩机运行条件苛刻高落差长配管安装形式的空调器,由于配管较长,高度相差较大,为了保证空调器的制冷量,一般会多增加制冷机,这就使压缩机排气压力升高,在恶劣(超高温气候)工况下,空调系统易发生频繁保护停机现象。
同时,高落差长配管试验中,由于配管较长,管路大压损使压缩机吸气压力、吸气温度较低,室外机高置安装形式的高落差长配管试验中,室内外机连接管路较长(45~50m),管路压损较大:液管平均压损为0.007MPa/m,气管平均压损为0.0018MPa/m,压缩机吸气平均压力为0.36MPa(绝对压力),吸气平均温度为-4℃。
过低的吸气温度,不利于压缩机长期运转,并且使空调系统整体性能下降。
高落差长配管试验中的压缩机压比较大(排气压力较高、吸气压力较低),增加压缩机的设计成本。
表3中,室外机高置形式的空调器制冷运行,压缩机压比达5.1。
其解决方法为:(a) 提高压缩机可靠性设计压缩机设计中,适当提高压缩机的耐高压能力。
同时在满足压缩机的高压比情况下,充分考虑压缩机的性能、结构设计等。
在设计中,可参考以下关系式:空调过负荷工况下的排气压力(焓差室测得)+每米落差平均压损×落差高度值+每米水平平均压损×水平配管长度(焓差室测试以外新增加的水平配管长度)≤压缩机设计的过负荷压力。
(b) 适当放大空调器室外侧换热器的面积空调系统设计过程中,适当放大室外侧换热器面积,在一定范围内可降低压缩机排气压力。
(2) 室外机低置安装形式的高落差长配管空调器易发生冷媒侵入现象室外机在下,室内机在上,空调器制冷运行停机后,未进入室内蒸发器的液体氟利昂流入处于低位的室外机换热器。
由于高低落差大(13~15m),长配管内的液体氟利昂较多,在重力影响下,大量液态氟利昂进入压缩机腔体,发生冷媒侵入现象,压缩机启动时易造成液击现象。
防止启动瞬间液击现象的方法为:(a) 压缩机配置电加热带空调器停机开启前,对压缩机壳底进行预热,使压缩机腔体内的液态氟利昂能气化为气态氟利昂,避免启动瞬间的液击现象。
(b) 空调系统添加辅助储液器可考虑在室外换热器(冷凝器)出口节流装置后加设一辅助储液器。
停机后,长配管液管内未来得及蒸发的液态氟利昂可倒流入辅助储液器,防止进入压缩机腔体内造成液击现象,见图3(a)。
同时也可考虑在压缩机吸气储液器前加设一辅助储液器。
停机后,回气管内大量液态氟利昂可流入辅助储液器,而不是进入压缩机腔体造成积液,可防止压缩机启动时的因积液而造成的液击现象发生,见图3(b)。
在高落差长配管、室外机低置安装形式的试(a)冷凝器后增辅助储液器(b)压缩机前辅助储液器图3 添加辅助储液器示意N ew T echnology & N ew P roduct验中,观察到视镜压缩机在启动前的油液分层现象。
分析压缩机腔体内启动前的油液分层原因:空调器长时间停机,随着夜间温度的降低,气态氟利昂冷凝为液体状态,大量液体氟利昂与冷冻油互溶,积聚在压缩机腔体下部。
常温状态(20℃)下,氟利昂密度1.21×103kg/m3大于冷冻油密度0.92×103kg/m3,长时间的停置,使油液逐渐发生分层现象。
压缩机腔体内发生油、液发生分层现象后,压缩机再次启动时因液击缺油而堵转(集尘圈高度的位置是液态氟利昂,油泵上的是液态氟利昂,而不是油),该种现象对压缩机可靠性危害较大。
故对于较大的空调系统(充液量较多、配管长度较长的空调系统),压缩机宜配置电加热既可防止压缩机启动瞬间的液击现象,又可防止压缩机腔体内油液分层现象的发生。
(3) 室外机高置形式的高落差长配管空调系统回油较苛刻制冷运行工况,因室外机位于高位,室内机向高位的室外机上行回气需克服大落差造成的重力压损,回油较困难。
室外机高置安装形式下,改善压缩机回油困难的方法:(a) 压缩机排气侧加设油分离器,减少润滑油在空调系统内的循环;(b) 空调系统定期进行回油操作;(c) 压缩机吸气管尽量设置成“粗、大、低”的形式,保障启动供油;(d) 室内外机竖向的连接管每隔一定的高度设置一回油弯。
室外机高置的安装形式中,竖向连接管每隔10m设置一折弯半径为50~150mm的S形回油弯。
同时在室外机进管处,同样设置一折弯半径为50~150mm的U形回油弯,保障压缩机启动瞬间能吸到充分的润滑油,压缩机能正常启动运转。
上述室外机低置和室外机高置两种安装形式下的高落差长配管试验中,空调系统回油情况良好,运转至今无回油不良现象发生(压缩机咬缸现象)。
五、小结1. 高落差长配管试验管路压损情况总的来说,高落差长配管试验中管路压损较大,压缩机吸气压力、吸气温度过低,压缩机压比上升,空调系统性能下降。
(1) 室外机低置安装形式的高落差长配管试验中,制冷工况下的重力压损对竖直管路压损是递增作用,对空调系统影响较大,制热工况下的重力压损对竖直管路压损是递减作用,对空调系统影响相对较小。
(2) 室外机高置安装形式的高落差长配管试验中,制热工况下的重力压损对空调系统影响较大,制冷工况下的重力压损对空调系统影响相对较小。
2. 高落差长配管试验液击情况高落差长配管安装形式的空调器,长时间停机后的启动瞬间易发生压缩机液击现象。
(1) 吸气侧添加大容量的辅助储液器可减轻液击现象的发生。
(2) 压缩机配置电加热可防止压缩机腔体内油液分层现象发生,同时也可减轻压缩机启动瞬间液击现象的发生。
3. 高落差长配管试验空调系统回油情况室外机高置安装形式的高落差长配管空调器回油相对较困难。
在竖直安装管路较长的情况下,宜每隔一定的高度(10m左右)设置一回油弯,保证压缩机启动瞬间的供油情况。