杀虫气雾剂生产设备及配方介绍
- 格式:docx
- 大小:201.40 KB
- 文档页数:8
气雾剂生产设备简介气雾剂是一种适用于喷洒液体的装置,主要用于医药、化妆品、消防、清洁等领域。
气雾剂生产设备是制造气雾剂的关键设备,在生产过程中起着至关重要的作用。
本文将介绍气雾剂生产设备的原理、工作流程、主要组成部分和常见的使用注意事项。
原理气雾剂生产设备主要通过将压缩气体和液体原料混合,形成高压下的混合物,然后通过喷雾嘴将混合物雾化成微粒状,并通过气雾剂容器喷射出去。
主要的原理包括压缩气体供应、液体原料供给、混合和喷雾。
压缩气体供应气雾剂生产设备需要提供压缩气体作为动力源,一般使用压缩空气或氮气。
压缩气体通过供气系统引入设备,经过调节和净化后,进入混合室,与液体原料进行混合。
液体原料供给液体原料通过输送系统供给到混合室,以一定的流量和压力进入混合室与压缩气体混合。
液体原料可以是溶液、悬浊液或乳液等。
混合压缩气体和液体原料在混合室中进行混合,一般采用机械搅拌或喷射混合的方式,确保混合均匀。
在混合过程中,可根据需要添加药物或其他添加剂,以满足气雾剂的特殊要求。
喷雾混合后的气雾剂通过喷雾嘴雾化成微粒状,喷雾嘴设计及喷雾参数的调整会影响雾化效果。
一般情况下,喷雾嘴采用特殊的结构设计,能够产生细密均匀的雾化效果。
工作流程气雾剂生产设备的工作流程可以分为五个主要步骤:准备工作、原料供给、混合、喷雾和包装。
下面将对各个步骤进行详细介绍。
准备工作在开始生产之前,需要对设备进行检查和准备工作。
包括清洁设备、确认工艺参数、检查气源和原料供给管道等。
原料供给将制备好的液体原料(例如,药物溶液)通过输送系统输送到混合室,控制流量和压力,确保连续稳定地供给液体原料。
混合液体原料与压缩气体在混合室中充分混合,确保混合均匀。
根据需要添加药物或其他添加剂,并进行机械搅拌或喷射混合,使混合更加均匀。
喷雾混合后的气雾剂通过喷雾嘴雾化成微粒状,形成均匀的雾化效果。
喷雾嘴的设计和调整是影响喷雾质量的关键因素。
包装喷雾嘴喷出的气雾剂由包装机器收集,并装入气雾剂容器中。
杀虫气雾剂成分引言杀虫气雾剂是一种常见的家用杀虫剂,广泛应用于家庭、农业和公共场所。
它通过喷射气雾形式将活性成分释放到空气中,有效地杀灭害虫。
本文将深入探讨杀虫气雾剂的成分,包括活性成分、溶剂、稳定剂等,并介绍其作用机制和使用注意事项。
1. 活性成分杀虫气雾剂的活性成分是能够有效杀灭害虫的化学物质。
常见的活性成分包括以下几类:•氯氟烃类:如滴滴涕、杀蚊灵等。
这类化合物具有较高的毒杀作用,对多种害虫有很好的效果。
•吡虫啉类:如敌百虫、乐果等。
这类化合物具有广谱杀虫作用,对多种害虫都有很好的效果。
•氨基甲酸酯类:如马拉硫磷等。
这类化合物具有较强的触杀作用,对多种害虫有很好的效果。
•硫酸盐类:如硫磺、硫酸锌等。
这类化合物具有杀灭病原微生物的作用,对某些害虫也有一定的杀灭效果。
2. 溶剂溶剂是杀虫气雾剂中的载体,用于将活性成分溶解并形成气雾。
常见的溶剂包括以下几种:•水:作为一种环保、无毒的溶剂,水在杀虫气雾剂中广泛使用。
它能够有效地溶解多种活性成分,并且对人体和环境无害。
•石油烃类:如丙烷、异丁烷等。
这类溶剂具有较好的挥发性和扩散性,能够使活性成分快速释放到空气中。
•乙醇:乙醇是一种常见的有机溶剂,具有良好的溶解性和挥发性。
它能够有效地将活性成分溶解,并在喷射后迅速挥发。
3. 稳定剂稳定剂在杀虫气雾剂中起到保持活性成分稳定性的作用,防止其在储存和使用过程中分解或失活。
常见的稳定剂包括以下几种:•抗氧化剂:如BHT、维生素E等。
这类化合物能够有效地抑制活性成分的氧化反应,延长其有效期。
•防腐剂:如苯甲酸钠、对羟基苯甲酸等。
这类化合物能够抑制细菌和真菌的生长,保持杀虫气雾剂的稳定性。
•pH调节剂:如碳酸钠、柠檬酸等。
调节杀虫气雾剂的pH值可以提高活性成分的稳定性,并增强其杀虫效果。
4. 作用机制杀虫气雾剂通过喷射气雾形式将活性成分释放到空气中,它们通过以下几种方式发挥杀虫作用:•触杀作用:活性成分能够直接接触到害虫的外壳或体液,破坏其生理结构或代谢过程,导致害虫死亡。
杀飞虫气雾剂配方【转贴】杀飞虫气雾剂配方一、概述从技术上讲,杀飞虫气雾剂于1943年首先商品化.在第二次世界大战期间,硕重的·害虫炸弹”被运到在南太平洋诸岛上供与日本兵及蚊子作斗争的美国海军陆战队使用.顶、底部凸出的喷雾器大约有2.25 mm厚.能耐的压力超过14.9 MPa.在那决战争期间,大约生产了5000万罐这些原始的气雾剂。
它们的成功激起两个美国制罐公司试图开发供民用的轻质气雾罐的兴趣.1946年初,大陆制罐公司的HmyE.Peterson和他的研究组创造了第一个这种轻质气雾罐.大约在同时,皇冠公司Ear[J,Graham领导的另一组设计出一种两片轻质气雾罐。
两种罐的顶部都焊有简单的气雾阀。
对生产气雾剂来说仍有许多障碍.例如必须开发灌装这些新气雾罐的设备,需要一种机器在一40'C时将气雾剂料液装进气雾罐,随后也在一40℃加入CFC抛射剂.需要高度专业化的设施以每分钟大约30 ks的速率将料液和抛射剂冷却到这个温度.同时,必须使政府运输部门确信,这种新的气雾剂在用卡车和火车运输时是安全的。
最后必须使经销商确信.杀飞虫气雾剂在商业上将取得成功.所有这些以及其他的活动大概花了一年,就在这段时间里,大陆制罐公司在他们芝加哥的一个厂里建造安装了第一条气雾罐生产线。
1946年2月16日第一批22000罐离开这条生产线被运送到250 hm外的丹维尔灌装厂。
第二天开始生产第一批供民用的气雾剂.之后大约在6个月内杀飞虫气雾剂是惟一的气雾剂产品。
以后两个公司开始销售配方非常相似的空气清新剂,由此开始了气雾剂产品的多样化,出现了数以万计的不同的气雾剂产品.这种多样化趋势一直持续到今天.民用杀飞虫气雾剂的原意是在大约4 mX4m的房间里喷10,,这特杀死房间里几乎所有的飞虫.产品的测试方法和规格都是基于这个假设制订的.但是,消费者有他们自己的想法.如果他们看到惹人厌恶的昆虫,他们会直接对着它喷.希望看着它立刻跌倒并死亡。
杀虫气雾剂配方及使用注意夏季天气炎热,蚊、蝇、蟑螂等害虫活动频繁,经常骚扰人们正常的生活起居。
为了对付这些让人烦恼的“家伙”,杀虫气雾剂是夏季家庭中必不可少的物品。
但是人们对于杀虫气雾剂配方、产品性能、具体正确使用方法并不是很了解或不知道,那小编今天和大家一起来学习和了解一下相关知识吧,具体如下:1、杀虫气雾剂配方杀虫气雾剂具有快速、高效、杀虫谱广和使用方便等优点,为防制蚊、蝇和蟑螂等有害生物起到了重要作用。
杀虫气雾剂是将杀虫剂的有效成分与辅助剂(稳定剂、防腐剂)以及无嗅煤油、酒精等溶剂和抛射剂、香精等配制而成。
拟除虫菊酯类杀虫剂具有击倒快、杀伤力强的特点,是常用杀虫气雾剂的主要成分。
主要品种有氯菊酯、胺菊酯、氯氰菊酯等。
目前市场上气雾剂的品种很多,不同配方的品种防制效果会有差异。
1.1气雾剂的组成气雾剂由气雾罐, 喷液和抛射剂三部分组成。
1.1.1气雾罐气雾罐系先进包装产品,它由罐体与喷射阀组成。
罐体采用优质马口铁, 挤压缩口成型。
无渗漏, 内壁涂有耐腐蚀树脂, 外部为彩色印刷, 清漆罩光, 色彩鲜艳夺目, 耐 12kg /cm 2 的压力。
喷射阀雾化效果很好, 一秒钟可以达一亿个以上微粒。
安全性好可保证正常的运输灌装和使用。
1.1.2喷液1.1.2.1气雾杀虫剂的选择与混配当前在害虫普遍对有机磷杀虫剂产生抗药性的情况下, 拟除虫菊酯类化合物成为首选替代杀虫剂。
拟除虫菊酯类化合物与有机磷杀虫剂之间没有交互抗性。
拟除虫菊酯类杀虫剂在气雾剂中多数为二元或多元混配, 一般选用具有击倒作用的生物丙烯菊酯、胺菊酯和具有致死作用的氯菊酯进行混配。
复配的杀虫剂既有较快的击倒效果, 又有较强的杀灭作用, 三者取长补短可大大提高杀虫效果。
当前在害虫普遍对有机磷杀虫剂产生抗药性的情况下, 拟除虫菊酯类化合物成为首选替代杀虫剂。
拟除虫菊酯类化合物与有机磷杀虫剂之间没有交互抗性。
拟除虫菊酯类杀虫剂在气雾剂中多数为二元或多元混配, 一般选用具有击倒作用的生物丙烯菊酯、胺菊酯和具有致死作用的氯菊酯进行混配。
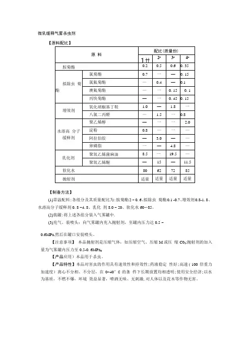
微乳缓释气雾杀虫剂
【原料配比】
【制备方法】
(1)常温配料:各组分及其质量配比为:胺菊酯2 ~ 0. 6、拟除虫菊酯0.1 -0.7、增效剂0.8-1. 8、水溶高分子缓释剂0. 8 ~4. 8、乳化剂8.0 ~ 20、软化水60〜85。
(2)装罐:将上述各组分装入气雾罐中.
(3)充气、装喷头:向气雾罐内充入抛射剂,至罐内压力达0.5 ~
0.6MPa,然后在罐口安装喷头。
【注意事项】本品抛射剂是压缩气体,如压缩空气、压缩M或压缩C02;抛射剂的加入量为气雾罐内压力至0.5-0. 6MPa0
【产品应用)本品用于杀虫。
【产品特性】本品对害虫的作用具有速效性和持效性;药液稳定性好;高速(100倍重力加速度)离心不分相、不分层,在0~40°C的条件下长期放置均相透明;使用安全经济;以水为基质,不燃不爆,环境效益显著,喷洒无味、无刺激,对人体以及花木等作物无害。
杀虫气雾剂是一种常见的家用杀虫剂,用于灭除室内的各类昆虫,如蚊子、苍蝇、蟑螂等。
其主要成分通常包括以下几种:
1. 杀虫剂活性成分:通常是化学合成的杀虫剂,常见的活性成分包括氨基甲酸酯类、氨基磷酸酯类、拟除虫菊酯类等。
这些活性成分对昆虫具有高效的毒杀作用,能迅速灭除害虫。
2. 溶剂:用于溶解杀虫剂活性成分,使其成为可喷雾或喷射的液体形式。
常见的溶剂包括丙酮、丁酮、二甲基甲酰胺等。
3. 压力剂:用于增加杀虫气雾剂的压力,使其能够喷出细小的雾状颗粒。
常见的压力剂包括液化石油气(LPG)或丙烷、丁烷等。
4. 香精或香料:为了遮蔽杀虫气雾剂的刺激气味,增加其香味,通常会添加香精或香料,使其更具可接受性。
请注意,杀虫气雾剂中的活性成分具有一定毒性,使用时需要注意安全,避免直接接触皮肤和口腔,也要确保室内通风良好。
在使用之前,最好仔细阅读产品标签和使用说明,按照正确的方法使用,以确保安全和有效的使用。
同时,尽量避免在食品、餐具
1/ 2
和儿童玩具等接触频繁的地方使用杀虫气雾剂。
2/ 2。
杀虫气雾剂的成分详解杀虫气雾剂作为一种常见的家用杀虫剂,被广泛应用于家庭和办公场所,用于杀灭各类害虫。
它的主要特点是便捷、高效,并且可以有效消除隐蔽的害虫。
在这篇文章中,我将详细介绍杀虫气雾剂的成分,以及这些成分的作用和安全性。
一、主要成分1. 杀虫剂杀虫剂是杀虫气雾剂的核心成分,它们是直接用于杀灭害虫的化学物质。
常见的杀虫剂有氯仿、溴氰菊酯、氟虫腈、拟除虫菊酯等。
不同的杀虫剂有不同的作用机制和杀虫谱,在不同种类的害虫上有不同的效果。
选择使用何种杀虫剂要根据目标害虫种类进行严密评估。
2. 扩散剂扩散剂是使杀虫剂均匀、迅速扩散到目标区域的物质。
常用的扩散剂有丙二醇、乙二醇、甘油等。
它们可以将杀虫剂快速分散在空气中,并在短时间内覆盖整个房间,从而达到更好的杀虫效果。
3. 溶剂溶剂常用于稀释杀虫剂的浓度,同时也有助于杀虫剂的溶解和分散。
常见的溶剂有氯化甲烷、醇类溶剂等。
溶剂的选择应当考虑到对人体和环境的安全性。
4. 驱逐剂驱逐剂可通过其气味或刺激性作用驱使害虫逃离目标区域,增强杀虫效果。
某些驱逐剂还可以起到抑制害虫生长繁殖的作用。
常见的驱逐剂有樟脑、香精油等。
5. 抑制剂抑制剂可阻止害虫的生长发育或干扰其生命活动,从而达到控制害虫数量的目的。
常见的抑制剂有生长调节剂、发育抑制剂等。
抑制剂的使用可以有效地减少害虫的繁殖和扩散。
二、作用机制杀虫气雾剂的成分的不同作用机制共同协同作用,达到杀灭害虫的效果。
1. 神经毒性作用一些杀虫剂通过影响害虫的神经系统,干扰其神经传导,导致其麻痹和死亡。
这些杀虫剂可以影响害虫的神经细胞兴奋性、突触传递等关键过程,最终导致害虫的神经功能紊乱,失去活动力。
2. 细胞毒性作用其他一些杀虫剂则对害虫细胞产生毒性作用。
这些杀虫剂可破坏害虫的细胞膜或细胞器,阻碍其正常代谢和生命活动,从而导致其死亡。
3. 生长调节作用生长调节剂作为一类特殊的杀虫剂,可阻止害虫的正常生长和发育,使其无法完成世代传播。
杀飞虫气雾剂配方【转贴】杀飞虫气雾剂配方一、概述从技术上讲,杀飞虫气雾剂于1943年首先商品化.在第二次世界大战期间,硕重的·害虫炸弹”被运到在南太平洋诸岛上供与日本兵与蚊子作斗争的美国海军陆战队使用.顶、底部凸出的喷雾器大约有2.25 mm厚.能耐的压力超过14.9 MPa.在那决战争期间,大约生产了5000万罐这些原始的气雾剂。
它们的成功激起两个美国制罐公司试图开发供民用的轻质气雾罐的兴趣.1946年初,大陆制罐公司的HmyE.Peterson和他的研究组创造了第一个这种轻质气雾罐.大约在同时,皇冠公司Ear[J,Graham领导的另一组设计出一种两片轻质气雾罐。
两种罐的顶部都焊有简单的气雾阀。
对生产气雾剂来说仍有许多障碍.例如必须开发灌装这些新气雾罐的设备,需要一种机器在一40'C时将气雾剂料液装进气雾罐,随后也在一40℃加入CFC抛射剂.需要高度专业化的设施以每分钟大约30 ks的速率将料液和抛射剂冷却到这个温度.同时,必须使政府运输部门确信,这种新的气雾剂在用卡车和火车运输时是安全的。
最后必须使经销商确信.杀飞虫气雾剂在商业上将取得成功.所有这些以与其他的活动大概花了一年,就在这段时间里,大陆制罐公司在他们芝加哥的一个厂里建造安装了第一条气雾罐生产线。
1946年2月16日第一批22000罐离开这条生产线被运送到250 hm外的丹维尔灌装厂。
第二天开始生产第一批供民用的气雾剂.之后大约在6个月内杀飞虫气雾剂是惟一的气雾剂产品。
以后两个公司开始销售配方非常相似的空气清新剂,由此开始了气雾剂产品的多样化,出现了数以万计的不同的气雾剂产品.这种多样化趋势一直持续到今天.民用杀飞虫气雾剂的原意是在大约4 mX4m的房间里喷10,,这特杀死房间里几乎所有的飞虫.产品的测试方法和规格都是基于这个假设制订的.但是,消费者有他们自己的想法.如果他们看到惹人厌恶的昆虫,他们会直接对着它喷.希望看着它立刻跌倒并死亡。
杀虫气雾剂生产设备及配方介绍
————————————————————————————————作者:————————————————————————————————日期:
ﻩ
杀虫气雾剂生产设备及配方介绍
谈到杀虫气雾剂,可以说大家对它既熟悉又陌生。
熟悉的是用于消灭蚊子、苍蝇、蟑螂及其它害虫,已成为居家必备之生活用品。
陌生的是杀虫气雾剂配方、产品特性、以及具体使用注意等。
随着杀虫气雾剂配方技术的发展,刹虫气雾剂产品性能得到显著提升,产品体系越来越完善,可以满足人们杀虫的需求。
一、杀虫气雾剂简介
卫生杀虫气雾剂,自1982年在我国首次研制成功以来,由于其杀灭效果好,便于携带、使用、储存、奏效迅速、准确等各种独特优点而得到迅速地发展。
气雾剂是指原液和抛射剂一同装封在带有阀门的耐压罐中,使用时以雾状形式喷射出的制剂(原液) 。
喷射出来的微形雾粒称为气溶胶。
喷雾剂不用抛射剂而是利用手工压气来喷射的。
杀虫气雾剂的生物效果是衡量气雾剂产品质量的主要根据。
杀虫有效成份和剂量又是影响生物效果的重要因素。
杀虫有效成份通常总是以击倒型杀虫剂与致死型杀虫剂复配的方式使用。
二、杀虫气雾剂配方
一种杀虫剂的配方首先要考虑其使用的对象的生物学特点,以便选择最合适用的有效成份。
可以按杀虫对象把家庭用气雾杀虫剂分为两种。
(1)用于飞行昆虫的气雾杀虫剂(苍蝇、蚊子等)。
(2)用于爬行昆虫的气雾杀虫剂(蟑螂、臭虫等)。
目前, 适用于制造气溶胶杀虫剂的有效成份,可选择有机磷化合物、氨基甲酸盐、天然除虫菊、化学除虫菊、增效剂等。
由于天然除虫菊、化学除虫菊与增效剂的毒性低,效力高,使用安全,所以这些产品在家庭中被普遍选用。
增效剂的作用是在使用较低剂量的情况下增加杀虫剂的效力。
增效剂一般采用胡椒基丁醚。
为了取得最佳杀虫效果和降低成本, 必须确定杀虫剂与增效剂之间的配比,一般为1∶3 到1∶10 之间。
杀虫剂配方可以分为(油基杀虫剂和水基杀虫剂) 两大类。
油基杀虫剂的活性剂, 溶解在做为载体的溶剂里, 它由推进剂的压力被雾化, 水基杀虫剂里的活性剂则是油水乳化液。
除了杀虫剂的有效成份本身作用以外, 气雾罐的阀,推进剂的压力,喷头的类型和添加剂整个系统所产生的颗粒大小对于杀虫剂的效力也产生极其重要影响。
对于飞行昆虫的气雾杀虫剂,其雾化颗粒的直径跟杀虫效果有非常密切的关系。
在正常情况下, 喷射颗粒有一部分微小颗粒,挥发太快, 没有效力。
而另一部分由于颗粒太大很快就落下, 碰不到昆虫。
其余大部分颗粒的直径是合适的, 有效力的。
对于苍蝇最有效的颗粒直径大约为30Lm ;对于蚊子最有效的颗粒直径为15到20Lm; 对于蟑螂直接喷射时大约为50到80Lm。
以下是气溶胶杀虫剂配方的实例。
(1) 家用油基气溶胶杀虫剂(w %)
胺菊酯0.25
胡椒基丁醚1.25
脱臭煤油48.3
香精0.25
丙丁烷液化气50 (2) 用于杀灭家蝇及蚊子的油基气溶胶杀虫剂(w% ) 天然除虫菊(25%)0.2ﻩ
胺菊酯0.2
胡椒基丁醚 1.0
脱臭煤油48.4
香精0.2
丙丁烷50.0 (3) 杀蚊专用油基气溶胶杀虫剂(w% )
生物丙烯菊酯0.15
胡椒基丁醚0.90
脱臭煤油38.95
二氯甲烷10.0
丙丁烷50.0(4)用于杀灭家蝇与蚊子的水基气溶胶杀虫剂(w % )天然除虫菊酯(25%)0.60
胺菊酯0.20
胡椒基丁醚1.00 ﻩ
抗氧化剂0.02ﻩﻩ
脱臭煤油5.68
无离子水52.0
乳化剂0.50
丙丁烷40.0
(5)杀爬虫气溶胶杀虫剂(w %)
氯菊酯0.30
胺菊酯0.15
胡椒基丁醚0.60
脱臭煤油68.95
丙丁烷30.0
杀虫气雾剂是室内防制医学昆虫的重要杀虫剂剂型,对蚊、蝇、蟑螂等医学昆虫的防制效果,不仅关系到人们的生活质量,而且关系到虫媒疾病的有效控制,以及应对突发灾害事件后的杀虫防病工作。
企业在选择配方的设计时,应该进一步对使用环境、生产成本等进行周密调查研究,以达到经济效益、环境效益和社会效益的有机统一。
三、使用注意事项
杀虫气雾剂虽然成为了人们用来对付蚊、蝇、蟑螂等害虫的骚扰,但是和普通日用品不同,杀虫气雾剂具有一定的毒性,如不注意,容易危及家人和孩子的健康。
所以为了安全起见,应当注意正确的使用方法,具体如下:
首先,正确的使用方法应该是:对准害虫直接喷射,或者关闭门窗,向空间各方向随意喷射,使房间内布满药雾,数分钟内可使蚊蝇等飞虫死亡,10分钟后打开门窗,通风后方可进入
室内。
对于蟑螂等爬虫,则应将气雾均匀地喷在其出没、停留、栖息处,欲保持药效持久,喷后不宜抹去。
由于任何杀虫剂对人体都具有一定的毒性,现国际上广泛使用的是拟除虫菊酯类的卫生杀虫剂,人体如长期接触会造成神经系统毒性,引起头晕、头痛等症状。
1)、在喷药雾之前,必须先把所有食物、水源、碗柜密封,最好在人们进餐之后使用,避免污染,而且要将药罐置于儿童接触不到的位置。
2)、应该做好防护,最好能穿上长袖衣服,戴上口罩,防止皮肤或呼吸道中毒。
3)、不要过量使用。
许多人为了增强杀虫效果而加大使用剂量,但这样同时也容易导致中毒。
如果发现家人或小孩有头晕恶心、视力模糊、皮肤刺痛等症状,应当及时离开使用过杀虫剂的环境,严重的要及时送到医院治疗。
4)、由于杀虫气雾剂属于压力包装,因此要避免猛烈撞击以及高温环境。
另外,部分产品是使用易燃的有机物作溶剂,不要将其对着火源喷射,以免发生危险。
四、杀虫气雾剂生产设备
随着杀虫气雾剂配方技术的不断发展和完善,无论是室内防制效果还是模拟现场防制效果都非常优良,让更多接受并使用。
那杀虫气雾剂是如何生产和灌装的呢?要用到哪些设备呢?具体如下:
气雾剂(含推进剂):该类型产品一般是铁罐包装,由马可铁罐、阀门、喷嘴、外盖等组成。
具体的灌装流程是先灌装液体原料,再上阀门封口,然后填充推进剂气体,最后上喷嘴外盖等等。
下图是一款小型全自动杀虫气雾剂生产设备。
该机是一款小型全自动型的,由一台灌液机、自动上阀门机、一台封口机、一台充气机组成,结合在一个工作台面上。
该机纯气动设备,无需用电,空气压缩机带动,运行压力在0.75-0.9Mpa,具有耗气量少的特点,和以往的半自动设备相比,该机采用直线式推瓶系统替代原有人工传递,运行中可以选择点动和自动模式。
该机在设计上具有结构新颖,占地面积小,独创的直线推瓶系统。
还可以增配理瓶机、压喷嘴机、扣外盖机等,构成一条小型的迷你型流水线,生产速度日产量可达6000-8000罐/天,按8小时工作时间计算。
该机已广泛应用在日化、汽车用品、清洁卫生、工业与建筑、食品与药品等相关行业,如保湿喷雾,表板蜡、化清剂、空气清新剂、自喷漆、卡式炉火锅气、高山旅游罐、等气雾剂产品的灌装生产。
结语:以上就是有关杀虫气雾剂配方、使用注意及生产设备的详细介绍,希望对您有用。