最新各内开关接线图
- 格式:doc
- 大小:426.00 KB
- 文档页数:12
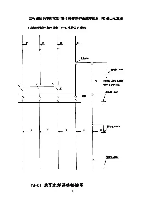
三相四线供电时局部TN-S接零保护系统零线N、PE引出示意图(引出线形成三相五线制TN—S接零保护系统)
YJ-01 总配电箱系统接线图
注:本箱由终端型箱变引入
正面
PE 接地极背面
HR5-400/30
DZ20L-400/3300 PE 接地
YJ-02 总配电箱系统接线图
注:本箱由环网型箱变引入
YJLV-3*240 PE-
EJ-01 分配电箱系统接线图注:本箱由环网型箱变引入
EJ-02 分配电箱系统接线图注:该箱由EJ-09号箱下线引入
3L
里程
PE
EJ-03 分配电箱系统接线图
注:本箱由EJ-03号箱引入
CDB2-125-BVR2*16 –WL1
125A
EJ-04 分配电箱系统接线图注:本箱从EJ-09 号电箱引入
N—端子排
EJ-05 分配电箱系统接线图
注:本电箱为加工棚各机具开关箱分配箱,由EJ-04号箱引入
N-端子排
注:本箱总线由EJ-04号箱引入
SJ-01开关箱系统接线图。
电气接线图大全包含开关接线图断路器、接触器控制回路接线图,电机逆转、正转原理接线图,电表进出接线图,电路开关接线图,电热偶接线图,希望能帮到想学这些专业的朋友。
一、开关接线图二三开连体单控开关接线图四开连体单控开关接线图一开五孔单控插座接线图二开五孔单控插座接线图一开双控开关接线图二三开单控开关接线图四开单控开关接线图一开五孔单控插座接线图二三开双控开关接线图一开多控开关接线图两开多控开关接线图三开多控开关接线图二、断路器、接触器控制回路:三:热电偶:aaæeacc, vawJwaüîäüx-—四、电能表:三相四线电度表互感器接线电源线从互感器P1进的接线方式电源线从互感器P2进的接线方式三相四线电度表互感器接线电源线从互感器P1进的接线方式WÆÆxk.æÆÆP1Æś#.ÆÆÆŒ三相三线电度表接互感器电路单相电能表的接线电源从P1进电源线从P2穿过(逆穿)接线图汇总3œMec A aA a e& œ ! 3-v64sæAÆæaemM3个单相电度表互感器接线电源线从P1面穿过P1互感器二次线端接电流表不分彼此Æ%&—›>•ñś3żï36*&-ï"•śüJ•::ć !x› c&"Æ.W%P1W五、其他:单相电机顺逆转控制控制顺逆转QS —30AHY2—30HY2—30M€s•&t›L iIü+tt5€J=#Je 1a•«ł• ı›ü»ïïw›«oï电葫芦吊机六、电动机:KM1 KM2CJ10- 10&m&KM1延时JTX-2CH3BA—8 DH48S—1Z(JSS48A—JS14P220VTL —Q5MY1 ,JTX —2CDFI&6ØKM1 J0KM3 01KM2 10KT KM2KM3KM1七、日光灯类:双联开关的2种双控电路(如图)两种控制方式(如图)桥式全波整流滤波电路(如图)通电延时亮灯(如图)延时断电(如图)延时通断不断循环且达到设置循环数断电(如图)灯延时熄灭(如图)传统镇流器和电子镇流器(如图)延时通断不断循环且达到设置循环数断电(如图)2灯循环点亮(如图)循环流水灯(如图)时间断电器断电延时控制(如图)通电延时断电(如图)AH3—3通电延时亮灯(如图)桥式全波整流滤波电路(如图)延时通、断循环运行(如图)2灯循环亮、熄(如图)时间继电器断电延时控制(如图)。
开关、电机、断路器、电热偶、电表接线图大全(135张图)
这是非常齐全的一篇电工接线图的文章,包含开关接线图断路器、接触器控制回路接线图,电机逆转、正转原理接线图,电表进出接线图,电路开关接线图,电热偶接线图,希望能帮到想学这些专业的朋友,不是专业的也可以看一下懂得这些原理,以免家里电路有问题的时候出现手忙脚乱的现象,但是前提必须在安全的情况下动手去做,毕竟比较危险,电不能开玩笑的。
一、开关接线图一开单控开关接线图
二三开连体单控开关接线图
一开五孔单控插座接线图
一开双控开关接线图
四开单控开关接线图
二三开双控开关接线图
二、断路器、接触器控制回路:
三:热电偶:
四、电能表:
三相四线电度表互感器接线
电源线从互感器P1进的接线方式
电源线从互感器P2进的接线方式
三相四线电度表互感器接线
电源线从互感器P1进的接线方式
三相三线电度表接互感器电路
单相电能表的接线
电源从P1进
电源线从P2穿过(逆穿)接线图
汇总
3个单相电度表互感器接线
电源线从P1面穿过
互感器二次线端接电流表不分彼此
五、其他:单相电机顺逆转控制
控制顺逆转
电葫芦吊机
六、电动机:。
瑞基(开关型)EMG(开关型)开指令5、35关指令5、33开指令20、4关指令20、3全开8、9全关6、7全开5、9全关5、7故障44、4321,1三代远控19、20故障5、10远控5、12短接4与365与34(自保持)阀位23(+)、24(—)停止令20、2电源1、2、3短接21与1电源以实际为准2、4、8或4、5、6杨修LK (开关型)开指令3、4关指令2、4EMG(调节型)全开17、18全关5、6指令22(+)、24(—)阀位23(+)、24(—)故障9、21远控10、11故障5、10远控5、12短接(自保持)19、20短接21与120与2电源22、23、24电源以实际为准2、4、8或4、5、6反馈J20.J21也要有跳线注意:有时加指令为开路,需检查板子J11.J12.J13.J14.J15.J17.J18的要有跳线上仪一体化(60系列)SIPOS(专业型)开指令37、39关指令38、39指令x3.1 14(+)、15(—)阀位x3.1 1(+)、2(—)全开12、13全关28、29远控x2 13、14 输出4 NO故障41、42远控33、34故障x2 19、20 输出5 NC电源1(U)、2(V)、3(W)电源L1、L2、L3需更改RemoteContorl(远程控制类型)设为PoscntrCurrlnp杨修2SB35系列(调节型)(位置控制器模拟量给定)指令14(+)、15(—)关指令阀位13(+)、14(—)远控输出节点BinaryOutput4设为Ready+Remote触点类型NO故障9、10远控11、12电源22、23、24SIPOS(经济型)短接开指令X3.1 3、5关指令X3.1 3、4(紧急X3.1 3.7X3.2 20-18短接)上仪(Rotork)调节型停止令X3.1 3、6指令26(+)、27(—)阀位22(+)23(—)全开X2 1、2全关X2 5、6故障42、43远控42、44故障X2 19、20远控X2 13、14电源1、2、3短接X3.1 18、19电源L1、L2、L3Rotork调节型DIP拨码开关2.3.6设ON指令26(+)、27(—)阀位22(+)、23(—)故障42、43远控10、11白云(江苏常州)DZWZ120短接4与415与39开指令 A 1、2关指令 A 1、3电源1、2、3停止令 A 1、44—20mA反馈 A 5、6X3.2 18-19其中远控设S3触点功能为RE触点方式为NO全开 B 1、2(7、8)全关B 3、4(11、12)电源9(N)、10(A)、11(B)、12©Rotork开关型(IQ)此电源要三相四线开指令5、35关指令5、33全开8、9全关6、7弗瑞格斯(FRESSR开关型)故障42、43远控10、11开指令40、28关指令40、26短接4与365与34停止令40、27电源1、2、3全开6、7全关4、5其中远控设S3触点功能为RE触点方式为NO故障8、9?短接41与21具体设置数参考说明书类似于ROTORK扬州恒春(CKDJ开关型)开指令1、11关指令2、11兰陵停止令3、11开指令1,4b全开17、18全关19、20关指令1,5b故障15、16全开8,92,3(蓝屏)短接5与12全关11,125,6故障1,27,8远控4,511,12其他具体设置参考说明书短接扬州恒春(CKD开关型)auma开指令3,11开指令21、4关指令19、4关指令2,11停止令20、4全开39,40全开12、13全关6、7全关35,36故障15、16故障14,15短接17与536与537与4远控6,10电源1、2、3液晶drehmo指令x1:25+,26-其他具体设置参考说明书反馈x1:23+,24-开1.3天津北方宇通(802.10-0.5CP)关 1.4开指令9、7关指令8、7开反馈5,6注意:二级菜单NL设为OF就地点动,ON就地自保持,NR设为OF远程开关量点动, ON远程开关量自保持。
双控开关、三控开关及日光灯接线图双控开关接线图
三控开关接线图
日光灯接线图
日光灯的工作原理
简单的日光灯电路由灯管、启辉器和镇流器等组成,如上图所示。
日光灯管的内壁涂有一层荧光物质,管两端装有灯丝电极,灯丝上涂有受热后易发射电子的氧化物,管内充有稀薄的惰性气体和水银蒸气。
镇流器是一个带有铁心的电感线圈。
启辉器由一个辉光管(管内由固定触头和倒U形双金属片构成)和一个小容量的电容组成,装在一个圆柱形的外壳内。
当接通电源时,由于灯管没有点燃,启辉器的辉光管上(管内的固定触头与倒U形双金属片之间)因承受了220V的电源电压而辉光放电,使倒U形双金属片受热弯曲而与固定触头接触,电流通过镇流器及灯管两端的灯丝及启辉器构成回路。
灯丝因有电流(启动电流)流过被加热而发射电子。
同时,启辉器中的倒U形双金属片由于辉光放电结束而冷却,与固定触头分离,使电路突然断开。
在此瞬间,镇流器产生的较高感应电压与电源电压一齐(约
400--600V)加在灯管的两端,迫使管内发生弧光放电而发光。
灯管点燃后,由于镇流器的限流作用,使得灯管两端的电压较低(30W灯管约100V左右),而启辉器与灯管并联,较低的电压不能使启辉器再次动作。
日光灯镇流器的作用
日光灯镇流器是指电感式镇流器,它起着以下三个作用:
⑴启动过程中,限制预热电流,防止预热电流过大而烧毁灯丝,而又保证灯丝具有热电发射能力。
⑵建立脉冲高电势。
启辉器两个电极跳开瞬间,在灯管两端就建立了脉冲高电势,使灯管点燃。
⑶稳定工作电流,保持稳定放电。
开关电源电路接线图----147eee82-715e-11ec-8cba-
7cb59b590d7d
开关-电源原理以及接线图
电源模块:24V电源至5V电源
1.焊接时,二极管m7、ss24、钽电容、电解电容务必注意正负极。
2.调试时,将24V连接到J3端子上,测量M7和lm2596-5引脚的电压值,测量钽电容器C3的电压值,检查J4端子是否为5V。
3.24v接入端子接任意一个标志为24v的端子都可。
MOS晶体管接地端子开关模块
1.焊接时注意稳压二极管d5正负极务必正确,
否则,电压过高,可能会导致电击
穿mos管;三极管t1为9013npn型管,不要与9012混淆。
2.24V灯泡的一端连接到端子的24V,另一端连接到相应的继电器。
在gph2_6中,输入高电平和低电平以打开和关闭MOS晶体管,24V灯泡将打开和关闭。
继电器220v交流电开关模块
三极管T3是9012npn型晶体管,不应与9013混淆。
接通电源后,在GPIO中输入高电平和低电平,以听到继电器开关的咔哒声。
1.三极管驱动继电器原理,电阻阻值的确定计算公式。
2.MOS管的工作原理和齐纳二极管的功能。
各内开关接线图
各内开关接线图
交流接触器两个控制按钮接线图
电动机正反转控制接线图,而且是采用按钮加接触器辅助触电的双重互锁,带自保持的控制方式,控制回路电压为线电压。
从原理上看是没有问题的,能够实现基本功能。
但是我觉得热继电器的常闭接点一般都接在接触器线圈与电源“2”之间,这样做的目的是当热继电器动作以后其常闭接点断开,此时整个控制回路除了SB1的一端(“1”)以及热继电器常闭接点的一端(“2”)带电以外,其他元件都不带电,特别是接触器的线圈是不带电的,既有效的减少了人员因为检查动作原因而触电的危险又能使线圈彻底断电。
因为通常热继电器动作都是由于主回路电流长时间过大,使得继电器内双金属片温度达到动作值后保护动作而切断主回路,达到保护电动机以及接触器的目的。
那就在远方再设置一套用来控制正反转的启动按钮与图中对应的SB1 SB2并联,停止按钮和SB3串联就行了。
HY2-15倒顺开关接线图
倒正开关接三相比较简单,一边三接点接三相电源,另一边接三相电机。
接单相的比较麻烦,如图,
补充回答:
接单相电机如图;
图1图2是一般单相电机正反转盒内接线图,
图1正转;黑U1与红V1 连接,绿Z2与黄U2连接,
图2反转;黑U1与绿Z2连接,红V1与黄U2连接;
单相电机正反转盒内接出4根线,黑U1 红V1 绿Z2 黄U2 进入倒顺开关,如上图;
外接电源AB两根线接1 和 6,4和5用一段导线相连,其他2 3 5 6 接单相电机正反转盒内接出的4根线,黑U1 红V1 绿Z2 黄U2
按图接好通电即可到顺使用了。
带接触器的自锁按钮接线图
给排水泵控制箱接线图
风机盘管温控器接线图
电动机正、反向点对控制接线示意图
点动控制电路是在需要设备动作时按下控制按钮SB,接触器KM线圈得电主触点闭合设备开始工作,松开按钮后接触器线圈断电,主触头断开设备停止。
此种控制方法多用于小型起吊设备的电动机控制。
电动机正、反向点动控制电路电气原理图三相异步电动机点动控制电路的检查和试
点动控制电路是在需要设备动作时按下控制按钮SB,接触器KM线圈得电主触点闭合设备开始工作,松开按钮后接触器线圈断电,主触头断开设备停止。
此种控制方法多用于小型起吊设备的电动机控制。
电动机正、反向点动控制电路电气原理图
三相异步电动机点动控制电路的检查和试车
常规检查有
1、对照原理图,接线图逐线检查,核对线号。
防止导线错接和漏接。
2、检查所有端子接线接触情况,排除虚接处。
3、用万用表检查不带电进行。
摘下接触器的灭弧罩,以便用手操作来模拟触点分合动作,用万用表测量时,将万用表挡位开关置于R×1挡。
(1)检查主电路;取下辅助电路熔体FU,用万用表表笔分别测量开关下端子U~V、U~W、U、一W:之间的电阻,结果均应为断路,电阻应无穷大
(R=∞)。
若某次测量的结果的电阻较小或为零,则说明所测两相之间的接线有短路点,应仔细逐相检查排除短路点。
方法是用手按压接触器触头架,使接触器三极主触点闭合,重复上述测量,可分别测得电动机各相绕的阻值。
若某测量结果为断路(R=∞)则应仔细检查所测两相之间的各段接线。
例如测量V~W之间电阻值R=∞则说明主电路B、C两相之间的接线有断路处。
可将―支表笔接与空气开关QF的V处,另一只表笔依次测V相各段导线两端端子,均应测得R=0,再将表笔移到W相各段导线两端测量,则分别测得电动机―相绕组的阻值,这样即可准确地查出断路点,并予以排除。
(2)检查辅助电路,装好辅助电路的熔体FU,用万用表表笔接开关端子V、W(辅助电路电源线)处,应测得为断路;按下SB1、SB2,应分测得接触器KM1和KM2线圈电阻。
若侧的为断路,应在互锁接点的两端测量,用以判断互锁接点是否接触良好。
4、通电试车
完成上述检查后,清点工具材料,清理安装板上的线头杂物,检查三相电源,在有人监护下执行安全规程的有关规定通电试车,拆除与电动机定子绕组的接线。
(1)空载试验:接通电源开关QF,按下SB1按钮,接触器KM1立即动作,松开SB1则KM1应立即断电复位,按下SB2按钮,接触器KM2立即动作,松开SB1或SB2,KM1或KM2应立即断电复位,此时应认真观察KM主触头动作是否正常,细听接触器线圈通电运行声音是否正常。
反复做几次试验,检查线路动作是否可靠。
(2)互锁检查:接通电源开关QF,按下SB1按钮,接触器KM1立即动作,此时再按下SB2按钮,KM2不应动作,同样按下SB2按钮,接触器KM2立即动作,再按下SB1按钮,KM1不应动作。
有动作则表明互锁接点接线有错,应检查改正后再试验。
(3)带负荷试车:切断电源接上电动机定子绕组引线,装好灭弧罩,重新通电试车,按下点动控制按钮,接触器KM动作,观察电动机起动和运行情况,松开按钮SB观察,电动机能否停车。
试车中如发现接触器振动,发出噪声,接触器主触点燃弧严重,以及电动机嗡嗡响,转不起来,应立即停车进行检查,重新检查电源电压,导线,各连接点开关接触是否有虚接,停电检查电动机绕组有无断线,必要时拆开接触器检查电磁机构,排除故障后重新试车。
交流接触器实物连接图。