中外常用模具钢性能对照
- 格式:xls
- 大小:32.50 KB
- 文档页数:3
塑胶模具常用钢材(一)C45 W 中炭钢美国标准编号:AISI 1050 ~ 1055;日本标准编号:S50C ~ S55C德国标准编号:1.1730。
中炭钢或45# 钢香港称为王牌钢,此钢材的硬度为:HB170 ~ HB220,价格便宜,加工容易,在模具上用作模架,顶柱,及一些不重要的零件上,市场上一般标准模架是采用此种钢材;(二)40 CrMn Mo 7 预硬塑胶模具钢美国、日本、新加坡、香港、中国标准编号:AISI P20,德国及有些欧洲国家编号:DIN:1.2311、1.2378、1.2312。
此种钢是预硬钢,一般不适宜热处理,但是可以氮化处理,此钢种的硬度差距也很大,由280HRC ~ 400视乎那间钢厂的标准,由于已作预硬处理,机械切削也不太困难,所以很合适做一些中下价模具的镶件,有些生产大批量的模具模架也采用此钢材(有些客户指定要用此钢作模架),好处是硬度比中炭钢高,变形也比中炭钢稳定,P20此种钢由于在塑胶模具被广泛采用,所以品牌也很多,其中在华南地区较为普遍的品牌有:ASSAB 一胜百牌,瑞典产的有两种不同硬度,718S HB290~HB330(330~340HRC)、718H HB330~HB370 (340~380HRC)。
大同钢厂,日本产:NAK 80(硬度400HRC+20)及NAK55(硬度400HRC+20)两种,一般情况下,NAK 80做定模镶件,NAK55做动模镶件,要留意NAK55 不能直接做EDM皮纹,据钢材代理解释是含硫的关系,所以EDM后留有条纹的;德胜钢厂THYSSEN ,德国产,有好几种编号:GS-711(硬度340~360HRC)、GS738(硬度320~350HRC)、GS808VAR(硬度380~420HRC)、GS318(硬度290~330HRC)、GS312(硬度290~330HRC),GS312含硫不能做EDM纹,在欧洲做模架较为普遍,GS312的Code 为40 Cr MN Mo S8,百禄(BOHLER)奥国产,编号有:M261(380~420HRC)、M238(360~420HRC)、M202(290~330HRC),M202不能做EDM纹,也是含硫,尚有其他品牌,不能尽录。
常用模具钢材料对照及特性模具钢是用于制造模具的专用钢材,具有高硬度、高强度、高热导性和良好的耐磨性等优点。
根据使用要求和工作环境的不同,常用的模具钢材料有很多种。
下面是一些常见的模具钢材料的对照及其特性:1.SA840SA840是一种超高强度的合金模具钢,具有良好的耐蚀性和磨削性能,适用于制造大型模具和要求高精度的模具。
它的主要特点是硬度高、韧性好、抗压力强,可以有效地抵抗应力和磨损。
2.S50CS50C是一种碳素结构钢,具有良好的切削性能。
它的主要特点是硬度高、强度大、耐磨性好,适用于制造低要求的模具和中小型模具。
此外,S50C也具有良好的热处理性能,可以通过热处理来改变其力学性能。
3.718718是一种高强度的合金模具钢,具有良好的抗磨性和耐蚀性。
它的主要特点是硬度高、耐磨性好、抗拉强度大,适用于制造高要求的模具和具有复杂形状的模具。
718还具有较好的热处理性能和热稳定性,可以在高温环境下保持较好的性能。
4.P20P20是一种普通的塑料模具钢,具有良好的耐腐蚀性和耐磨性。
它的主要特点是硬度适中、韧性好、耐磨性较强,适用于制造中小型塑料模具和注塑模具。
P20具有很好的加工性能,容易切削和加工成形。
5.H13H13是一种热工具模具钢,具有良好的耐高温性和耐热疲劳性。
它的主要特点是硬度高、强度大、抗热冲击能力强,适用于制造高温工作模具和需要具备较长工作寿命的模具。
H13还具有优良的抗冲击性能和耐磨性,能够在恶劣环境下稳定工作。
总结:常用的模具钢材料有SA840、S50C、718、P20和H13等,它们具有不同的特点和适用范围。
选择适合的模具钢材料要根据具体的工作要求、工作环境和成本等因素来综合考虑,以确保模具具有良好的性能和寿命。
通常使用的各种模具钢材的对比与性能你了解多少各种模具钢材的对比与性能:1.塑料模具钢:3Cr2Mo:国牌号,同于瑞典的618,同美国的P20,交货时可预硬至HRC30~36,或是退火至HB<235(HRC22预硬材料可以免除热处理,永不变形,适合电蚀加工,易于镜面抛光.常用于热塑性塑料料的注塑模,吹塑模和挤压模.3Cr2NiMo:国牌号,同瑞典的718钢,美国的P20+NI钢,交货时预硬至HRC30到36,己预硬不需要再淬硬,永不变形,适合于电蚀加工易镜面抛光处理,综合力学性能好,可再加硬至HRC>40.常用于有镜面抛光要求的大型塑料模具.SUS420J2:为麻田散铁系SUS不锈钢种,相当于国产4Cr13钢.瑞典的S136钢,美国的S42000钢,交货时预硬至HRC30~36,或是退火HB<235,即HRC22.性能不锈耐腐蚀,预硬钢免除热处理,永不变形;退火钢淬火回火后硬度高达HRC>50,有超镜面加工性能.常用于有腐蚀气体的含氟塑料或是添加阻燃剂的有腐蚀的塑料模具.其成分:C-0.26~0.4,Si-1.0以下,Mn-1.0以下,P-0.04以下,S-0.03以下,Ni-0.06以下,Cr-12.0到14.03Cr17Mo:国牌号,同瑞典的168钢,交货时预硬至HRC30~36,或退火HB<285,即HRC30.为不锈耐腐蚀钢,抗腐蚀性能好, 耐磨性能高,退火料淬火回火后硬度可达HRC46~48,常用于高防腐蚀及需要镜面抛光的模具,特别适合于用PVC料.NAK80:相当于国产钢种10Ni3MnCuAl,交货时时效硬化,硬度达HRC36~43.可免除热处理,永不变形,表面至中心硬度均匀,电蚀加工性能良好.常用于镜面要求的摄影机,收音机,音响设备和透明罩以及胶片等.2.冷作模具钢:SKS3:同国产9CrWMn,美国的o1,瑞典的df-2.见前所述SKD1:高碳高铬工具钢,具有较高的淬透性,较小的淬火变形性.淬火硬度达:HRC>60,耐磨性能好.相当于中国牌号的Cr12,瑞典的XW-5,美国的D3钢种.交货状态:退火处理HB267~217(HRC28~18用于冲击负载较小的冷冲模,拉伸模,压印模和冷切剪模.SKD1属冷轧金属模用SKS系列合金工具钢,成分:C-1.8~2.4,Si-0.4以下,Mn-0.6以下,P/S-0.03以下,Cr- 12.0~15.0可用于拉线模与抽拉模.SKD11:同国产的Cr12Mo1V1,或是Cr12Mo1V,以及美国的D2钢,见上所述.另外热处理后性能:淬火温度1010度,淬火介质为空气,回火温度为204度,回火持硬度HRC58~60.DC-53:有高淬透性,高硬度,高耐磨共晶碳化物均匀,韧性高,不易开裂.HRC>62.相当国牌号中的Cr8Mo1V1,适用于高韧性,高耐磨性的深冲模及花模.交货时退火处理:硬度HB<255(HRC25) 6Cr5MnSi:国牌号,退火状态硬度低,易于加工,液火硬度高,HRC>58,韧性和耐磨性能好,适用于雕花模,油压印模,压机模,切边模, 压制钛金属,不锈钢等材料.交货时退火处理:硬度HB<220(HRC18)3.热作模具钢:SKD61:同国产4Cr5MoSiV1,瑞典的8407,美国的H13,见上所述,另外热处理后性能:淬火温度1010度,淬火介质为油,回火温度为550度,回火后硬度为HRC53~55SKD5:为SKS合金工具钢系中的热轧金属模用钢,在高温下有较高的强度和硬度,抵抗冷热交变的耐疲劳性能好.相当国牌号:3Cr2W8V.也同美国的H21钢种,成分为: C-0.25~0.35,Si-0.4 以下,Mn-0.5 以下,P/S-0.03 以下,Cr-2.0~3.0,W-9.0~10.0,V- 0.3~0.5.适用于制作高温下高应力,但不受冲击负荷的凸模,凹模;也可供作同时承受较大的压应力,弯应力和拉应力的模具.如冲模,压铸模,押出模. 交货时退火处理,硬度HB<255.即HRC25.SKT4:也为SKS合金工具钢系中热轧金属模用钢,有良好的淬火性能,韧性,强度和耐磨性好,在室温和在500~600度时的力学性能几乎相同,相当于国牌号:5CrNiMo,同美国的L6 钢种.成分如下:C-0.5~0.6,Si-0.35 以下,Mn-0.6~1.0,P/S-0.03 以下,Ni- 1.3~2.0,Cr-0.7~1.0,Mo-0.2~0.5,可用来作各种大中型锻模,以及模块.交货时为退火处理:硬度HB241~197,即硬度HRC23~12SKD6:也为SKS合金工具钢系中热轧金属模用钢,空冷硬化钢,中温作业下有很好的韧性,较好的热强度,热疲劳性能和一定的耐磨性.相当国牌号中:4Cr5MoSiV,同美国的H11,成分为:C-0.32~0.42,Si-0.8~1.2,Mn-0.5以下,P/S-0.03以下,Cr- 1.0~1.5,V-0.3~0.5,适用于制造铝铸件的压铸模,热挤压模和穿孔用的工具及压力机锻模,塑料模.如冲模,压铸模,押出模.交货时退火处理,硬度HB<235,即HRC22.。
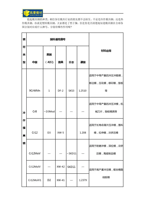
提起模具钢的种类,相信各位模具行业的朋友都不会陌生。
不论是冷作模具钢,还是热作模具钢,亦或是塑料模具钢,大家都是了然于胸。
但是你是否清楚地知道模具钢在全球各国分别对应着什么牌号,分别有哪些作用呢?钢材类型国际通用牌号材料应用中国美国(AISI)瑞典日本德国冷作模具钢9CrWMn1DF-2SKS3 1.2510适用于中等产量的冲压冲裁模,修边模,压花模,移印模,垫板等Cr8~D3Mod———适用于中等产量的冲压冲模,机械刀片,垫板模具等Cr12D3XW-5 1.208适用于长寿命薄片压冲模,落料模,拉伸模,冷挤压模Cr12MoV——~SKD11—适用于耐磨冲模,深拉模,冷挤压模,陶瓷制品模Cr12MolV—XW-42SKD11—适用于高产量冲压模,槎丝模路线板模Cr12MolV1D2XW-41— 1.2379Cr8Mo2VSi—ASSAB88DC53—比D2韧性更佳鉻钢,高温回火后仍可达HRC60-62.更适于电火花线切割加工深拉模、冲头等。
6Cr5MnSi—635ISC22—适用于冷挤压模(镜架挤压成形模),汽车外覆盖件成型模(火焰淬火性能良好)W6Mo5Cr4V2M2KM-2SKH51 1.3343适用于薄片高产量冲裁模具W18Cr4V T12750SKH2 1.3355适用于高速切削工具、各种钻头、拉刀、铣刀热作模具钢4Cr5MoSiV1H138402— 1.2344适用于锌合金压铸模,铝合金浇注模,塑胶硬模,斜顶等H13 ESR—SKD61—适用于塑胶硬模,铝、锌合金压铸模H13 ESR—— 1.2344ESR超细化H138407————8418——适用于铝、锌、镁合金压铸模,压铸模部件,铝合金挤压模,塑胶硬模4Cr5MoSiV H13+S FDAC—快速成型热作模具用钢,也适用于塑胶硬模,斜顶,预硬无需再加硬即可直接加工3Cr2Mo8V H212730SKD5 1.2581适用于型腔简单的热作模具,耐高温性能由于H13,韧性低于H13钢塑料模具钢————P20-M中小型塑胶模具下模,实验模3Cr2Mo P20618PDS3 1.2311长期生产塑胶模具钢3Cr2MnNiMo P20+Ni718——长期生产优质塑胶模具钢,高磨光度性能良好—— 1.2738718ESR——经真空脱气及ESR电渣重溶,抛光性、蚀纹性良好,适用于表面要求较好的塑胶模具SM2P21优化—NAK80—抛光、蚀纹性良好,适用于液晶电视机面板模,表面光洁度高的塑胶模具4Cr13420—— 1.2083适用普通弱酸环境下生产的塑胶模具,抛光度尚可4Cr13ESR420ESR—— 1.2083ESR 适合于PA、POM等未添加阻燃剂的热塑酸性塑胶模具,抛光性能优4Cr13V ESR420ESR+V S136HPM38—要求较高的镜面模具,医疗产品模具,适合POM、PA、PC、PMMA等塑胶模具4Cr17168改良—G-STAR 1.2316高光洁度防酸性塑胶模具9Cr18Mo——SUS440C 1.2316适用于高酸性高硬度要求的塑胶模具,封装模具,切粒刀,餐刀、挤出机螺杆及料管,轴承组件、辊子、阀件等。
模具钢材材料常用型号以及特性汇总分享模具的材料选择好不好,直接影响到产品的制造周期,也就是开模数,也会影响到产品的表面处理工艺,有些材料不能做镜面高光处理,有些材料则强度会弱,不适合做插穿的镶件等。
1.Code:P1-P19H1-H19Wx:Sx:Shock Resisting SteelOx:OilHardening Steel (油钢)Ax:AirHardening SteelDx:High Carbon, High Chromium Steel(铬钢)2.德国标准DINCode:1.2738:Low carbon, high alloy (P20 - 塑胶模钢)1.23111.23121.20831.23161.23431.23441.25101.23793.Code:SxxC:Plain Carbon steel(黄牌 - S55C)SUSxx:Stainless Steel (抗酸钢- 420)SCrx:Chromium SteelSCMx:Chromium Molybdenum Steel(P20)SKx:Carbon Tool SteelSKSx:Low Alloy Steel (油钢 - O1)SKD11:MediumHigh Alloy Steel(铬钢- D2)SKD6:SKD61SKHxxSUMx:SUJx:A冷冲压模具、冷拉深模具、压印模具、冷挤压模具、螺纹压制模具和粉末压制模具等。
冷作模具钢的范围很广,.从各种碳素工具钢、合金工具钢、高速工具钢到粉末高速工具钢和粉末高合金模具钢。
冷作模具钢具是真空脱气精炼钢,内质纯净,机械加工性良好,切削明显提高,淬透性良好,空冷淬硬不易出现淬裂,耐磨性极为优异,韧性良好,可用作不锈钢及高硬度材料的冲裁模。
1.抗磨损冷作模具钢6Cr4W3MoVNb、6W6Mo5Cr4V、7Cr7Mo3V2Si、Cr4W2MoV、Cr5Mo1V、Cr6WV、Cr12、Cr12MoV、Cr12W、Cr12Mo1V1。
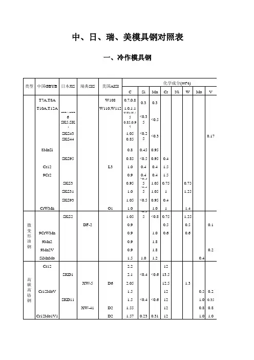
第五节常用模具钢料特性与用途一、各国钢材标准简介及常用模具钢牌号对照表:●美国—AISI/SAE/ASTM;德国—DIN;日本—JIS;中国—GB;法国—AFNOR。
●日本JIS标准钢料的命名:SXXC:普通碳钢,如S55C;Stainless steel SKD11:铬钢D2SUSXX:不锈钢(420) SKD6:中高合金钢H11;Medium high alloy steel SCrXX:铬钢;Plain carbon steel SKD61:中高合金钢H13;Medium high alloy steel SCMX:铬钼钢(P20)SKHXX:高速钢M2SKX:碳素工具钢;Carbon tool steel SUMX:易切削钢;Free cutting steelSKSX:油钢O1;低合金钢Low alloy steel SUJX:轴承钢。
Bearing steel●德国标准DIN:1.2738:低碳高合金(P20塑胶模具钢) 1.2343:铬基(铬基H11热作钢)1.2311:低碳高合金(P20塑胶模具钢) 1.2344:铬基(铬基H13热作钢)1.2312:低碳高合金,易切削(P20易切削钢)1.2510:低合金(O1油钢)1.2083:不锈钢(420-抗酸钢) 1.2379:高碳高铬钢(D2铬钢)1.2316:高性能不锈钢(420-高抗酸钢)●美国标准(AISI):P1-P19 Low Carbon Steel低碳钢Dx High Carbon,High Chromium Steel高铬钢P20-39 Low Carbon,High Alloy steel低碳钢,1.2344:铬基(铬基H13热作钢)高合金钢(塑胶模钢);H11-H19 Chromium base铬基热作钢Ox Oil Hardening Steel;油硬化钢Ax Air Hardening Steel;气硬化钢;2XX,3XX,4XX,6XX Stainless Steel不锈钢W x Water Hardening Steel;水硬化钢Mx Molybdenum base钼基高速钢(H.S.S)High Speed SteelDx High Carbon,High Chromium Steel高铬钢Sx Shock Resisting Steel;抗冲击钢●常用模具钢牌号对照表AISI美国(ASTM) JIS日本德国DIN 中国GBO1 SKS3 1.2510 9CrWMnO2 SKS93 1.2842 9Mn2VA2 SKD12 1.2363 Cr5Mo1VD3 SKD1 1.2080 Cr12(D2) (SKD11) 1.2436 Cr12MoVD2 SKD11 1.2379 Cr12Mo1V1- SKT3 - 5CrMnMoL6 SKT4 1.2713 5CrNiMoH11 SKD6 1.2343 4Cr5MoSiVH13 SKD61 1.2344 4Cr5MoSiV1H21 SKD5 1.2581 3Cr2W8VP20 SCM系 1.2311 3Cr2MoP20+Ni - 1.2738 3Cr2Ni Mo420 SUS420J2 1.4028 3Cr13440C SUS440C 1.4215 9Cr18MoM2 SKH51(SKH9) 1.3343 W6Cr5Mo4V2M3 SKH52 1.3345 W6Cr4Mo5V3M35 SKH55 1.3243 W6Cr4Mo5V2Co5M42 SKH59 1.3247 W2Cr4Mo9VCo8F1 1.2516。
史上最全的中外模具钢资料,不是最全你别转!模具,工业生产上用以注塑、吹塑、挤出、压铸或锻压成型、冶炼、冲压等方法得到所需产品的各种模子和工具,这种工具由各种零件构成,不同的模具由不同的零件构成。
常用模具钢牌号对照表GB 中国ASTM美国JIS日本DIN德国9CrWMn O1 SKS3 1.25109Mn2V O2 SKS93 1.2842Cr5Mo1V A2 SKD12 1.2363Cr12 D3 SKD1 1.2080Cr12MoV (D2) (SKD11) 1.2436Cr12Mo1V1 D2 SKD11 1.23795CrMnMo —SKT3 —5CrNiMo L6 SKT4 1.27134Cr5MoSiV H11 SKD6 1.23434Cr5MoSiV1 H13 SKD61 1.23443Cr2W8V H21 SKD5 1.25813Cr2Mo P20 SCM系 1.23113Cr2NiMo P20+Ni — 1.27383Cr13 420 SUS420J2 1.40289Cr18Mo 440C SUS440C 1.4125W6Cr5Mo4V2 M2SKH51(SKH9)1.3343W6Mo5Cr4V3 M3 SKH52 1.3345W6Mo5Cr4V2Co5 M35 SKH55 1.3243W2Mo9Cr4VCo8 M42 SKH59 1.3247 素有“工业之母”的称号。
模具是精密工具,形状复杂,承受坯料的胀力,对结构强度、刚度、表面硬度、表面粗糙度和加工精度都有较高要求,模具生产的发展水平是机械制造水平的重要标志之一。
模具钢的综合性能对比牌号耐磨性韧性红硬性尺寸稳定性切削性磨削性O1 42 50 10 55 75 93 A2 53 50 20 80 50 55 D2 70 32 23 90 35 25 D3 85 20 20 65 30 15 H11 38 90 37 85 75 85 H13 40 88 40 85 70 85 M2 70 40 75 40 35 35 M42 88 37 90 40 30 38 M3 95 30 85 40 25 10成型模模具材料选用:模具名称使用条件推荐使用钢号代用钢号工作硬度(HRC)轻载(拉延模) (拉深模)简单圆筒浅拉深T10A Cr2 60~62 成形浅拉深MnCrWV 9Mn2V,CrWMn 60~62 大批量用落料或拉延复合模(普通材料拉伸)Cr12MoV Cr6WV 58~60重载拉延模大批量小型拉延模SiMnMo Cr12 60~62 大批量大、中型拉延模Ni-Cr 合金铸铁球墨铸铁45~50 耐热钢、不锈钢拉延模Cr12MoV(大型)65~67(渗氮)CrW5(小型) GT-15 64~66弯曲、翻边模轻型、简单T10A9CrWMn57~60 简单易裂T7A 54~56 轻型复杂MnCrWV 57~60 大量生产用Cr12MoV 57~60高强度钢板及奥氏体钢板Cr12MoV 65~67(渗氮)大中型弯板机通用模具互换性要求严格、形状复杂5CrMnMo 5CrNiMo 42~48 常用冷作模具材料选用:材料类别材料牌号标准号性能比较耐磨性韧性切削加工性淬火不变形性回火稳定性淬硬深度碳素工具钢T7GB1298-86差较好好较差差水淬(15~ 18)mm 油淬(5~7)mmT10较差中等好较差差T12较差中等好较差差合金工具钢9SiCr、Cr2GB1299-85中等中等较好中等较差油淬(40~ 50)mm 9Mn2V中等中等较好较好差油淬≤30mm CrWMn中等中等中等中等较差油淬≤60mm9CrWMn中等中等中等中等较差油淬(40~ 50)mm Cr12 好差较差好较好油淬≤200mmCr12MoV 好差较差较好油淬(200~ 300)mmCr4W2MoV较好较差中等中等φ(150×150)mm 可内外淬硬达60HRC 空淬(40~50)mm6W6Mo5Cr4V较好较好中等中等中等较深SiMnMoYB/Z10-76较好中等较好较好较差较浅轴承钢GCr15 YB9-88中等中等较好中等较差油淬(30~ 35)mm高速工具钢W18Cr4VYB12-77较好较差较差中等好深W6Mo5Cr4V2较好中等较差中等好深基体钢6Cr4Mo3Ni2WV-较好较好中等中等好深65Cr4W3Mo2VNb-较好较好中等较好中等空淬≤50mm 油淬≤80mm普通硬质合金YG3XYB849-75最好差差不经热处理,无变形最好,可达 (800~900)℃不经热处理,内外硬度均匀一致YG6 差YG8、YG8C 差YG15 差YG20C、YG25 差钢结硬质合金YE65(GT35)YE50(GW50)-好较差,但优于普通硬质合金可机械加工可热处理,几乎不变形好深冲裁模模具材料选用:模具类型工作条件推荐选用的材料牌号硬度(HRC) 中、小批量生产大量生产凸模凹模硅钢片冲模形状简单,冲裁硅钢薄板厚度≤1mm 的凸、凹模CrWMn、Cr6WV、(Cr12)、 (Cr12MoV)YG15、YG20 或 YG25硬质合金;YE50 或YE65 钢结硬质合金(另附模套,模套材料可采用中碳钢或T10A)60~62 60~64 形状复杂,冲裁硅钢薄板厚度≤1mm 的凸、凹模Cr6WV、(Cr12)、Cr4W2MoV、Cr2Mn2SiWMoV、(Cr12MoV)钢板落料、冲形状简单,冲裁材料厚度T10A、9Mn2V、YG15、YG20 或 YG25 薄板(≤4mm):薄板(≤4mm):孔 模 ≤4mm 的凸、凹 模9SiCr 、GCr15硬质合金;YE50 或 YE65 钢结硬质合 金(另附模套,模 套材料可采用中 碳钢或 T10A)58~60 厚板:<56 60~62 厚板:<56 形状复杂,冲裁材料 厚度≤4mm 的凸、凹 模CrWMn 、9CrWMn 、 9Mn2V 、Cr6WV冲裁材料厚度> 4mm ,载荷较重的凸、 凹模 (Cr12)、 (Cr12MoV)、 Cr4W2MoV 、 Cr2Mn2SiWMoV 、 5CrW2Si 同上,但模套材料 需采用中碳合金 钢 冲头 轻载荷(冲裁薄板, 厚度≤4mm) T7A 、T10A 、φ<5mm: φ>10mm: 52~56; 56~60-重载荷(冲裁薄板, 厚度>4mm)W18Cr4V 、 W6Mo5Cr4V2、 6W6Mo5Cr4V剪刀(切 断模)剪切薄板(厚度≤4mm)T10A 、T12A 、 9Mn2V 、GCr1545~50;54~58-剪切薄板的长剪刀CrWMn 、9CrWMn 、 9Mn2V 、GCr15、 Cr2Mn2SiWMoV剪切厚板(厚度> 4mm) 5CrW2Si 、 Cr4W2MoV 、 (Cr12MoV)60~64修(切) 边模形状简单的T10A 、T12A 、 9Mn2V 、GCr1556~60 58~62形状较复杂的CrWMn 、9Mn2V 、 Cr2Mn2SiWMoV冲剪模模具材料选用:模具名称使用条件 推荐使用钢号代用钢号 工作硬度(HRC)直 剪 刃 (长剪刃) 薄板(<3mm) MnCrWV T8A 、9CrWMn 57~60 中板(3~10mm) 9SiCr T10A 、5CrWMn 56~58 厚板(>10mm) 5CrW2Si 5SiMnMoV52~56 及不锈、耐热薄板Cr12MoV - 57~59 圆 剪 刃 (圆盘剪)薄板9SiCrCr12MoV57~60中板5CrW2Si - 52~56 硅钢片Cr12MoV - 57~60成型剪刀圆钢(一般) T8A 8Cr3、Cr12MoV 54~58 (小型高寿命) 6W6Mo5Cr4V - 58~60 型钢5CrW2Si 5CrNiMo 52~56 废钢5CrMnMo 5CrMnMoV 48~53穿孔冲头薄板、中板T10A T8A、60Si2Mn 54~58 厚板5CrW2Si 6CrW2Si 52~56 奥氏体钢薄板Cr12MoV W18Cr4V 58~60 高强度钢板65Nb 6W6Mo5Cr4V 58~60 偏心载荷55SiMoV 5SiMnMoV 57~60冲模工作零件材料选用:模具类型凹凸模使用条件选用材料热处理(硬度)HRC冲裁模冲件厚度t≤3mm,形状简单,批量中等T10A(9Mn2V)凸模58~60凹模 60~62 冲件厚度t≤3mm,形状复杂或冲件厚度 t>3mmGCr15凸模58~60凹模 62~62 要求寿命长W18Cr4V、120Cr4W2MoV、W6Mo5Cr4V2凸模60~62凹模 61~63GW50 69~72YG15、YG20加热冲裁3Cr2W8、5CrNiMo、6Cr4Mo3Ni2WV(CG-2)凸模48~52凹模 51~53弯曲模模具材料选用:模具类型凹凸模使用条件选用材料热处理(硬度)HRC弯曲模一般弯曲T10A 56~60 形状复杂,高耐磨性Cr12,Cr12MoV,CrWMn 58~62要求寿命特长GW50 64~66 YG10,YG15加热弯曲5CrNiMo,5CrNiTi 52~56 大型拉延模模具材料选用:凸模、凹模、凸凹模使用条件材料选用热处理(硬度)HRC 中小批量生产QT600-3 197~269HB大批量生产镍铬铸铁钼铬铸铁钼钒铸铁40~45 55~60 50~55锻模模具材料选用:钢种特点及主要用途5CrNiMo 淬透性、回火稳定性较好,用于锤锻模、机锻模、螺旋压力机锻模、校正模4CrMnSiMoV2 淬透性好,用于中小型锤锻模、螺旋压力机锻模4Cr2MoVNi 淬透性好,用于大型锤锻模和 200mm 以上的机锻模3Cr2WMoVNi 回火稳定性好,用于 200mm 以下的机锻模8Cr3 强度高,多用于平锻模、切边模粉末冶金模压模材料选用:零件名称选用材料热处理要求其它技术要求碳素工具钢:T10A,T12A 钢:60~63HRC 1. 平磨后退磁钢结硬质合金: 2. 粗糙度要求:合金工具钢:GCr15,Cr12,Cr12Mo,64~72HRC 工作面:Rα 0.4~0.1μm凹模芯棒Cr12W,Cr12MoV,9CrSi,CrWMn,CrW5 高速钢:W18Cr4V,W9Cr4V,W12Cr4V4Mo 硬质合金:钢结硬质合金,YG15,YG8硬质合金:88~90HRA(钢的细长芯棒可降至 55~配合面及定位面:Rα1.6~0.4μm 非配合面:(芯棒用硬质合金时,一般为钢与硬合58HRC,带接杆芯Rα 3.2~1.6μm金的焊接镶接形式)棒连接处局部 3. 工作面及配合面公差35~40HRC)等级: IT5~IT7模冲碳素工具钢:T8A,T10A 合金工具钢:GCr15,Cr12,Cr12Mo,9CrSi,CrWMn,CrW556~60HRC1. 平磨后退磁2. 粗糙度要求:工作面:Rα 0.8~0.4μm配合面及定位面:Rα 0.4~0.1μm 非配合面:Rα 3.2~0.8μm3. 工作面及配合面公差等级:IT5~IT7粉压模模具材料选用:模具名称使用条件推荐使用钢号代用钢号工作硬度(HRC)粉末冶金压模简单凹模Cr12MoV W18Cr4V 62~64复杂凹模3Cr2W8 64~66(渗氮) 简单凸模Cr12MoV MnCrWV 58~62复杂凸模Cr6WV Cr2 54~56一般型芯W6Mo5Cr4V2 M18Cr4V 60~62耐火材料压模模板20Cr Cr12MoV (渗碳)60~6260~62陶瓷压模简单Cr2 T10复杂Cr12MoV CrWMn、Cr12 58~62拉拔模模具材料选用:模具名称使用条件推荐使用钢号代用钢号工作硬度(HRC)钢管、圆钢冷拔模强烈磨损、咬合及张应力作用特殊形状规格T10、Cr2、45、 Cr12MoV石墨钢、Cr12(碳氮共渗淬火)61~63(渗硼淬火)40~45(心部)61~63(表面)拉深模模具材料热处理要求:凸模、凹模、凸凹模使用条件材料选用热处理(硬度)HRC一般拉深的凸模和凹模T10A 凸模 58~62 凹模 60~64多工序拉深级进模的凸模和凹模Cr12、Cr12MoV 凸模 58~62 凹模 60~64要求耐磨的凹模Cr12、Cr12MoV 凹模 62~64 YG10、YG15冲压不锈钢材料用拉深凸模W18Cr4V 凸模 62~64 冲压不锈钢材料用拉深凹模YG8、YG15材料拉深时加热,凸模和凹模5CrNiMo、5CrNiTi 52~5 拉深模模具材料选用:零件名称工作条件推荐选用的材料牌号硬度(HRC) 制品类别拉深材料小量生产 (<1万件)中批量生产 (<10 万件)大量生产 (1 百万件)凹模小型铝合金或铜合金T10A、GCr15CrWMn 9CrWMnCrWMn、9CrWMn Cr6WV Cr6WV、 Cr4W2MoV Cr12MoV 60~64 深冲用钢T10A(镀铬)Cr6WV(氮化)Cr4W2MoV(氮化)Cr12MoV(氮化) YG 类硬质奥氏体不锈钢铝青铜 QAl9-4 合金⑥ 钢结硬质合金⑥大、中型⑤铝合金或铜合金低合金铸铁①低合金铸铁① 镶嵌模块:Cr6WV④Cr4W2MoV④镶嵌模块:Cr6WV④Cr4W2MoV④深冲用钢奥氏体不锈钢低合金铸铁②镶嵌青铜:铝青铜④QAl9-4镶嵌模块: Cr6WV(氮化)④ Cr4W2MoV(氮化)④ 铝青铜 QAl9-4④镶嵌模块: Cr6WV(氮化)④Cr4W2MoV(氮化)④Cr12MoV(氮化)④W18Cr4V(氮化)④冲头(凸模)③小型T10A40Cr(渗碳)T10A Cr6WV Cr6WV、 Cr4W2MoV Cr12MoV58~62 大、中型⑤低合金铸铁②CrWMn、9CrWMn Cr6WV、 Cr4W2MoV Cr12MoV压边圈小型T10ACrWMn 9CrWMnT10ACrWMn 9CrWMnT10ACrWMn 9CrWMn54~58 大/中型⑤低合金铸铁①低合金铸铁①CrWMn 9CrWMn① 合金铸铁成分:C3%、Si1.6%、Cr0.4%、Mo0.4%,摩擦面进行火焰淬火。
12种模具常用钢材第九章塑胶模具常用钢材(一)C45 W 中炭钢美国标准编号:AISI 1050 ~ 1055;日本标准编号:S50C ~ S55C德国标准编号:1.1730。
中炭钢或45# 钢香港称为王牌钢,此钢材的硬度为:HB170 ~ HB220,价格便宜,加工容易,在模具上用作模架,顶柱,及一些不重要的零件上,市场上一般标准模架是采用此种钢材;(二)40 CrMn Mo 7 预硬塑胶模具钢美国、日本、新加坡、香港、中国标准编号:AISI P20,德国及有些欧洲国家编号:DIN:1.2311、1.2378、1.2312。
此种钢是预硬钢,一般不适宜热处理,但是可以氮化处理,此钢种的硬度差距也很大,由280HRC ~ 400视乎那间钢厂的标准,由于已作预硬处理,机械切削也不太困难,所以很合适做一些中下价模具的镶件,有些生产大批量的模具模架也采用此钢材(有些客户指定要用此钢作模架),好处是硬度比中炭钢高,变形也比中炭钢稳定,P20此种钢由于在塑胶模具被广泛采用,所以品牌也很多,其中在华南地区较为普遍的品牌有:ASSAB 一胜百牌,瑞典产的有两种不同硬度,718S HB290~HB330(330~340HRC)、718H HB330~HB370 (340~380HRC)。
大同钢厂,日本产:NAK 80(硬度400HRC+20)及NAK55(硬度400HRC+20)两种,一般情况下,NAK 80做定模镶件,NAK55做动模镶件,要留意NAK55 不能直接做EDM 皮纹,据钢材代理解释是含硫的关系,所以EDM后留有条纹的;德胜钢厂THYSSEN ,德国产,有好几种编号:GS-711(硬度340~360HRC)、GS738(硬度320~350HRC)、GS808VAR(硬度380~420HRC)、GS318(硬度290~330HRC)、GS312(硬度290~330HRC),GS312含硫不能做EDM纹,在欧洲做模架较为普遍,GS312的Code 为40 Cr MN Mo S8,百禄(BOHLER)奥国产,编号有:M261(380~420HRC)、M238(360~420HRC)、M202(290~330HRC),M202不能做EDM 纹,也是含硫,尚有其他品牌,不能尽录。
热作模具钢是指适宜于制作对金属进行热变形加工的模具用的合金工具钢,如热锻模、热挤压模、压铸模、热镦模等。
模具钢牌号对照是根据国内外对模具钢的不同需求、对同一类别的钢材国内外不同命名而做的归类,大大提高了模具钢的应用效率。
各国钢牌号,均有各国家标准钢牌号和生产厂家标准钢牌号。
国内外的钢牌号,均可找到与其对应的中国标准钢牌号。
国内外常见热作模具钢牌号一览表:性能要求:热作模具在工作时承受着很大的冲击力,模腔和高温金属接触,反复地加热和冷却,其使用条件极其恶劣。
为了满足热作模具的使用要求,热作模具钢应具备下列基本特性:(1)较高的高温强度和良好的韧性。
热作模具,尤其是热锻模,工作时承受很大的冲击力,而且冲击频率很高,如果模具没有高的强度和良好的韧性,就容易开裂。
(2)良好的耐磨性能,由于热作模具丁作时除受到毛坯变形时产生摩擦磨损之外,还受到高温氧化腐蚀和氧化铁屑的研磨,所以需要热作模具钢有较高的硬度和抗黏附性。
(3)高的热稳定性。
热稳定性是指钢材在高温下可长时间保持其常温力学性能的能力。
热作模具工作时,接触的是炽热的金属,甚至是液态金属,所以模具表面温度很高,一般为400~700℃。
这就要求热作模具钢在高温下不发生热化,具有高的热稳定性,否则模具就会发生塑性变形,造成堆塌而失效。
(4)优良的耐热疲劳性,热作模具的工作特点是反复受热受冷,模具一时受热膨胀,一时又冷却收缩,形成很大的热应力,而且这种热应力是方向相反,交替产生的。
在反复热应力作用下,模具表面会形成网状裂纹(龟裂),这种现象称为热疲劳,模具因热疲劳而过早地断裂,是热作模具失效的主要原因之一。
所以热作模具钢必须要有良好的热疲劳性。
(5)高淬透性。
热作模具一般尺寸比较大,热锻模尤其是这样,为了使整个模具截面的力学性能均匀,这就要求热作模具钢有高的淬透性能。
(6)良好的导热性。
为了使模具不致积热过多,导致力学性能下降,要尽可能降低模面温度,减小模具内部的温差,这就要求热作模具钢要有良好的导热件能。