农村饮水安全工程项目质量评定表
- 格式:doc
- 大小:904.50 KB
- 文档页数:56
第一部分
质
量
评
定
通
用
表
格
水利水电工程
表0.1 工程项目施工质量评定表
表0.2 单位工程施工质量评定表
表0.2.1 单位工程施工质量检验与评定资料核查表
续表0.2.1
水利水电工程
续表0.2.2
水利水电工程
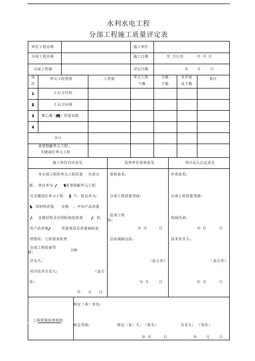
表0.3 分部工程施工质量评定表
水利水电工程
表0.4 重要隐蔽(关键部位)单元工程质量等级签证表
第二部分
质
量
评
定
专
用
表
格
水利水电工程
表1.1 土方开挖单元工程施工质量验收评定表
水利水电工程
表1.1.1 表土及土质岸坡清理工序施工质量验收评定表
水利水电工程
表1.1.2 软基或土质岸坡开挖工序施工质量验收评定表
土方回填单元工程施工质量验收评定表
水利水电工程
表2.1 普通混凝土单元工程施工质量验收评定表
水利水电工程
表2.1.1 基础面、施工缝处理工序施工质量验收评定表
水利水电工程
表2.1.2 模板制作及安装工序施工质量验收评定表
表2.1.3 钢筋制作及安装工序施工质量验收评定表
续表2.1.3
水利水电工程
表2.1.4 预埋件制作及安装工序施工质量验收评定表
续表2.1.4
水利水电工程
表2.1.5 混凝土浇筑工序施工质量验收评定表
表2.1.6 混凝土外观质量检查工序施工质量验收评定表
水利水电工程
水利水电工程
水利水电工程
闸阀安装单元工程质量检测评定表。
附件A施工质量评定表及填表说明《施工质量评定表及填表说明》(简称《质评表》)依据《水利水电工程施工质量检验与评定规程》(SL176-2007)、《村镇供水工程技术规范》(LS310-2004)、《村镇供水工程施工质量验收规程》(LS688-2013)的有关规定,参照水利部《水利水电工程单元工程施工质量验收评定表及填表说明》的表式及相关要求编制,分为单位工程施工质量评定表、单位工程外观质量评定表、分部工程施工质量评定表、单元(工序)工程施工质量评定表四类表式及说明,对于工程建设中《质评表》未涉及到的单元(工序)工程,由项目法人、监理、施工单位,依据设计、规范要求及合同中约定的质量条款,参照《质评表》的表式及要求拟定并报监督单位备案。
《质评表》是检验与评定施工质量及工程验收的基础资料,是施工质量控制过程的真实反映,也是进行工程维修和事故处理的重要凭证。
工程竣工验收后,《质评表》作为档案资料长期保存。
本《质评表》为农村饮水安全工程建设、监理、施工、质量监督和质量检测技术人员参考使用填表基本规定1.单元(工序)工程施工质量验收评定应在熟练掌握《机井技术规范》(SL256-2000)、《村镇供水工程技术规范》(LS310-2004)、《村镇供水工程施工质量验收规程》(LS688-2013)和有关工程施工规程规范及相关规定的基础上进行。
2.单元(工序)工程完工后,应根据现场检验结果及时、客观、真实地填写《质评表》。
3.验收评定表与备查资料的制备规格采用国际标准A4(210mm×297mm)。
验收评定表一式四份,签字、复印后盖章;备查资料一式二份。
手签一份(原件)单独装订。
单元和工序质评表可以加盖工程项目经理部章和工程监理部章。
5.验收评定表中的检查(检测)记录可以使用黑色水笔手写,字迹应清晰工整;也可以使用激光打印机打印,输入内容的字体应与表格固有字体不同,以示区别,字号相同或相近,匀称为宜。
质量意见、质量结论及签字部分(包括日期)不可打印。
附件A施工质量评定表及填表说明《施工质量评定表及填表说明》(简称《质评表》)依据《水利水电工程施工质量检验与评定规程》(SL176-2007)、《村镇供水工程技术规范》(LS310-2004)、《村镇供水工程施工质量验收规程》(LS688-2013)的有关规定,参照水利部《水利水电工程单元工程施工质量验收评定表及填表说明》的表式及相关要求编制,分为单位工程施工质量评定表、单位工程外观质量评定表、分部工程施工质量评定表、单元(工序)工程施工质量评定表四类表式及说明,对于工程建设中《质评表》未涉及到的单元(工序)工程,由项目法人、监理、施工单位,依据设计、规范要求及合同中约定的质量条款,参照《质评表》的表式及要求拟定并报监督单位备案。
《质评表》是检验与评定施工质量及工程验收的基础资料,是施工质量控制过程的真实反映,也是进行工程维修和事故处理的重要凭证。
工程竣工验收后,《质评表》作为档案资料长期保存。
本《质评表》为农村饮水安全工程建设、监理、施工、质量监督和质量检测技术人员参考使用填表基本规定1.单元(工序)工程施工质量验收评定应在熟练掌握《机井技术规范》(SL256-2000)、《村镇供水工程技术规范》(LS310-2004)、《村镇供水工程施工质量验收规程》(LS688-2013)和有关工程施工规程规范及相关规定的基础上进行。
2.单元(工序)工程完工后,应根据现场检验结果及时、客观、真实地填写《质评表》。
3.验收评定表与备查资料的制备规格采用国际标准A4(210mm×297mm)。
验收评定表一式四份,签字、复印后盖章;备查资料一式二份。
手签一份(原件)单独装订。
单元和工序质评表可以加盖工程项目经理部章和工程监理部章。
5.验收评定表中的检查(检测)记录可以使用黑色水笔手写,字迹应清晰工整;也可以使用激光打印机打印,输入内容的字体应与表格固有字体不同,以示区别,字号相同或相近,匀称为宜。
质量意见、质量结论及签字部分(包括日期)不可打印。
泸州市农村饮水安全工程质量评定表1、饮水安全工程项目划分表(00)2、饮水安全工程外观质量评定表(01)3、饮水安全工程基础(隐藏)工程验收报告单(02)4、饮水安全工程单位质量评定表(03)5、饮水安全工程土方开挖单元工程质量评定表6、饮水安全工程石方开挖单元工程质量评定表7、饮水安全工程软基开挖单元工程质量评定表8、饮水安全工程坡面清理及开挖单元工程质量评定表9、饮水安全工程填土单元工程质量评定表10、饮水安全工程现浇铪管道单元工程质量评定表11、饮水安全管道支座、支墩单元工程质量评定表12、饮水安全工程混凝土单元工程质量评定表13、饮水安全工程砼基础面或施工缝处理工序质量评定表14、饮水安全工程混凝土浇筑工序质量评定表16、15、饮水安全工程排架(桁架)混凝土浇筑工序质量评定表饮水安全工程混凝土现浇梁浇筑工序质量评定表17、饮水安全工程砌石单元工程质量评定表18、饮水安全工程浆砌石层面处理工序质量评定表19、饮水安全工程浆砌石勾缝工序质量评定表20、饮水安全工程浆砌石基础砌筑工序质量评定表21、饮水安全工程浆砌石表面加工工序质量评定表22、饮水安全工程房屋地面工程质量评定表23、饮水安全工程房屋门窗质量评定表24、饮水安全工程房屋砌砖质量评定表25、饮水安全工程房屋屋面工程质量评定表26、饮水安全工程房屋室内外饰工程质量评定表27、饮水安全工程土建结构净水设备单元工程质量评定表28、饮水安全工程一体化净水器安装单元工程质量评定表29、饮水安全工程塑料管道安装单元工程质量评定表30、饮水安全工程铸铁上水管安装单元工程质量评定表31、饮水安全工程水泵、电机及附属设备安装单元工程质量评定表32、饮水安全工程闸阀、管件安装单元工程质量评定表33、饮水安全工程砼拌和质量评定表34、饮水安全工程砼拌和物质量评定表35、饮水安全工程砼试块质量评定表36、饮水安全工程水泥砂浆质量评定表37、饮水安全工程钢筋工序质量评定表38、饮水安全工程砼模板工序质量评定表泸州市农村饮水安全工程表00 项目划分表注:每处集中供水站为一个单位工程,划分为5个分部工程;每个分部工程依照具体情况划分为若干个单元工程,最少不低于3个泸州市农村饮水安全工程表01 外观质量评定表泸州市农村饮水安全工程续表01 外观质量评定表.检测数量:全面检查后,抽测且各项许多于点;2.检测:由施工单位、建设单位、质监单位分不评分;3.以三组以上的平均分数为准。
主要检査项目全部符合质量标准0—般检査项目 质量标准。
启 动试运行建设(监理)单位年月曰 单位工程名称单元工程量分部工程名称施工单位单元工程名称检脸日期 年月日次检查项目质量标准检验记录结论一般规定油箱及所有的附件应齐全,无锈蚀或机械 损伤,无渗漏现象。
各连接部位螺栓应齐全, 固定良好。
套管农而无裂缝、伤痕,充油套管 无渗油现象,油位指示正常器 身 检查△ 2,铁芯应无变形和多点接地。
铁辄与夹件,夹件 打螺杆等处的绝缘应完好,连接部位应紧固线圈 绝缘层应完好无损,各组线圈扑F 列应整齐” 间隙均匀,油路畅通。
压钉应紧固,绝缘良好, 阴松螺母锁紧2°引出线△绝缘包扎应紧固,无破损、拧弯现象。
固定牢固,校核绝缘距离符合设计要求。
引岀 线裸露部分应无毛刺或尖角,焊接良好。
△引 出线与套管的接线应正确,连接牢固△变压器汕 应符合《规范》@第叭条的要求T 变压器与母 线或电缆的连接 应符合❺sw 第m 条、第E 条、第W 条的 有关规宦£△变压器整 体密封检查符合0表0的要求△相位检査必须与电网相位一致额左电压下 的冲击合闸试验 试验,次,应无异常现象检验结果共检验 项,合格 项,其中优良 项,优良率% 表“评定意见变压器安装单元工程质量评定表单元工程质量等级施工单位 年月曰水利水电工程闸阀安装单元工程质量检测评定表表》铅丝石笼砌筑单元工程质量评定表第六十节输电线路安装单元工程质量评定表填表时应遵守“填表基本规定X并符合以下要求。
C)单位工程名称、分部工程名称、单元工程名称填写与《水利水电工程质量评定表填写说明与示例》柑同0适用于农ffl配套工程。
工序工程量:填写本单元安装量(%)。
S验记录:填写实际测量检査结果。
1验结果合格项数,指达到合格及以上质量标准的项目个数。
工序工程质量标准。
J合格:主要项目达到质量评定标准,二的缺陷,经处理已消除.达到质量标准要求。
或J优良:主要项目达到质量评圧标.、; 二________________ _______各验收项目应符介验收规范要求•时支术参数达到或优于设il •规泄。
单元工程质量等级施工单位年月曰水利水电工程闸阀安装单元工程质量检测评定表I三」主要检查项目全部符合质量标准.一般检查项目质量标准。
启动 试运行建设(监理)单位年月曰表33单位工程名称单元工程量分部工程名称施工单位单元工程名称检验日期年月曰项次检查项目质量标准检验记录结论1 一般规定 油箱及所有的附件应齐全,无锈蚀或机械损伤,无渗漏现象。
各连接部位螺栓应齐全,固定良好。
套管表面无裂缝、伤痕,充油套管无渗油现象,油位指示正常2 器身检查△2。
1铁芯 应无变形和多点接地。
铁轭与夹件,夹件与螺杆等处的绝缘应完好,连接部位应紧固△2.2线圈绝缘层应完好无损,各组线圈排列应整齐,间隙均匀,油路畅通•压钉应紧固,绝缘良好,防松螺母锁紧2.3引出线△绝缘包扎应紧固,无破损、拧弯现象•固定牢固,校核绝缘距离符合设计要求•引出线裸露部分应无毛刺或尖角,焊接良好。
△引出线与套管的接线应正确,连接牢固3 △变压器油应符合《规范》GB50150—91第6.0.12条的要求4 变压器与母线或电缆的连接 应符合GBJ149-90第2。
1.8条、第2。
2。
2条、第2.3.2条的有关规定5 △变压器整体密封检杳 符合GB50150—91,表19。
0.1的要求6 △相位检查必须与电网相位一致7额定电压下的冲击合闸试验 试验5次,应无异常现象检验结果共检验项,合格项,其中优良项,优良率%评定意见铅丝石笼砌筑单元工程质量评定表填表时应遵守“填表基本规定”,并符合以下要求。
(1)单位工程名称、分部工程名称、单元工程名称填写与《水利水电工程质量评定表填写说明与示例》相同。
(2)适用于农田配套工程。
(3)工序工程量:填写本单元安装量(km).(4)检验记录:填写实际测量检查结果。
(5)检验结果合格项数,指达到合格及以上质量标准的项目个数.(6)工序工程质量标准。
1)合格:主要项目达到质量评定标准,一般检查项目基本符合质量标准要求。
在交接验收过程中发现的缺陷,经处理已消除,达到质量标准要求。
xxx 市 2022 年农村饮水安全工程单元工程质量评定表目录序号12345678910111213141516单元工程质量评定表格名称土方挖填单元工程质量评定表(村内)土方问题单元工程质量评定表(村外)大口井单元工程质量评定表机井房单元工程质量评定表管道单元工程质量评定表(村内)管道单元工程质量评定表(村外)阀门井单元工程质量评定表扬水站单元工程质量评定表清水池单元工程质量评定表(混凝土)清水池单元工程质量评定表(砖砌筑)备注xxx2022 年农村饮水安全工程土石方挖填单元工程质量评定表(村外)单位工程名称分部工程名称单元工程名称、部位项次 检 测 项 目1 △深度2 宽度3 长度项次 检 查 项 目1 管道埋深度2 回填土3 管道底部沙土铺设4 穿越公路套管检测结果质 量 标 准≥100cm符合设计值符合设计值标准≥80cm符合设计要求不少于 10cm符合设计要求共检测评 定 意 见单元工程量施工单位检验日期实 测 值 (单位:mm)点,其中合格 点,合格率年 月 日量测值合格率 (%)%单元工程质量等级主要检查项目全部符合质量标准。
普通检查项目 符合 质量标准。
检测项目实 测点合格率 %建设施工单位 2022 年 月 日 (监理) 年 月 日单位xxx2022 年农村饮水安全工程合格数 (点)土石方挖填单元工程质量评定表(村内)单位工程名称分部工程名称单元工程名称、部位项次 检 测 项 目1 △深度2 宽度3 长度项次 检 查 项 目1 管道埋深度2 回填土3 管道底部沙土铺设单元工程量施工单位检验日期实 测 值 (单位: mm)年 月量测值合格数 (点)日合格率 (%)检测结果共检测 点,其中合格 点,合格率 %评 定 意 见单元工程质量等级主要检查项目全部符合质量标准。
普通检查项目 符合 质量标准。
检测项目实 测点合格率 %建设施工单位 2022 年 月 日 (监理) 年 月 日单位xxx2022 年农村饮水安全工程质 量 标 准≥90cm符合设计值符合设计值标准≥70cm符合设计要求不少于 10cm大口井单元工程质量评定表单位工程名称分部工程名称单元工程名称、部位项 次 1 2 3项次 1234检查项目△砂浆强度砖的品种、强度井壁面检测项目井顶高程大口井深度大口井直径出水量检测结果评主要检查项目全部符合质量标准, 实测点合格率 %质 量 标符合设计及规范要求符合设计及规范要求应平整垂直,粘结坚固, 裂缝现象单元工程量施工单位检验日期准不得有空鼓、允许偏差 (mm)±101010实 测 值合格数 (点)合格率(%)共检测 点,其中合格 点,合格率 %单元工程质量等级质量标准。
分部工程施工质量评定表
管道安装单元工程质量评定表
管道沟开挖工序质量评定表
PVC(PE)管道安装工序质量评定表
安全饮水工程
管道试验评定表
安全饮水工程
土方回填工序质量评定表
安全饮水工程
入户自来水单元工程质量评定表
安全饮水工程
基础开挖工序质量评定表
水盆安装工序质量评定表
浆砌砖墙工序质量评定表
安全饮水工程
站杆制作安装工序质量评定表
安全饮水工程
土方回填工序质量评定表
安全饮水工程
管道试验评定表
安全饮水工程
水表池单元工程质量评定表
安全饮水工程
基础开挖工序质量评定表
浆砌井壁工序质量评定表
安全饮水工程
管网管件安装工序质量评定表
安全饮水工程
土方回填工序质量评定表
安全饮水工程
管道试验评定表
安全饮水工程
安全饮水工程
基础开挖工序质量评定表
浆砌井壁工序质量评定表
安全饮水工程
管网管件安装工序质量评定表
安全饮水工程
土方回填工序质量评定表
安全饮水工程
管道试验评定表。
水利水电工程分部工程施工质量评定表水利水电工程分部工程施工质量评定表水利水电工程分部工程施工质量评定表水利水电工程分部工程施工质量评定表水利水电工程分部工程施工质量评定表水利水电工程分部工程施工质量评定表重要隐蔽单元工程、 关键部位单元工程施工单位自评意见监理单位复核意见项目法人认定意见本分部工程的单元工程质量 全部合复核意见:审查意见:格。
优良率为 / % 重要隐蔽单元工程及关键部位单元工程/ 个,优良率为/分部工程质量等级:分部工程质量等级:%□原材料质量/ , 中间产品质量 / ,金属结构及启闭机制造质量/ ,机电产监理工程师:现场代表:品质量 合格。
质量事故及质量缺陷处年月日年月日理情况:总监或副总监:技术负责人:分部工程质量等级:合格评定人:(盖公章)(盖公章)项目技术负责人:(盖公章)年月日年 月日年 月 日核定(备)意见:工程质量监督机构核定等级:核定(备)人: (签名)负责人:(签名)年月 日年月日水利水电工程 分部工程施工质量评定表水利水电工程分部工程施工质量评定表合计重要隐蔽单元工程、关键部位单元工程水利水电工程分部工程施工质量评定表水利水电工程分部工程施工质量评定表水利水电工程分部工程施工质量评定表水利水电工程分部工程施工质量评定表水利水电工程分部工程施工质量评定表水利水电工程分部工程施工质量评定表水利水电工程分部工程施工质量评定表。
附表1:水池(修复、加盖)单元工程质量评定表单位工程名称单元工程量分部工程名称施工单位单元工程部位施工日期年月日~年月日项次项目名称质量标准检验结果评定1水泥砂浆按设计配合比制作,强度和抗渗等级符合设计要求按设计配合比制作,强度和抗渗等级符合设计要求合格2抹面厚度厚度均匀一致,符合设计厚度厚度均匀一致,符合设计厚度合格3防渗效果无渗漏无渗漏合格4裂缝无大裂纹,不允许有贯穿性裂缝无大裂纹,不允许有贯穿性裂缝合格主盖板模板稳定性、刚盖板模板稳定性、刚度和强度符盖板模板稳定性、刚度和强度符5合格控度、强度合施工技术规范要求合施工技术规范要求项目6钢筋钢筋的规格、数量、品种、尺寸、安装位置符合设计图纸要求钢筋的规格、数量、品种、尺寸、安装位置符合设计图纸要求合格7盖板混凝土振捣优良:有次序,无漏振合格:无架空漏振无架空漏振合格优良:任一组抗压强度最低不得8盖板混凝土低于设计强度的90%合格:任一组抗压强度最低不低任一组抗压强度最低不低于设计强度的85%。
合格于设计强度的85%。
1抹面保护、养护保护、养护良好,无破损保护、养护良好,无破损合格2抹面缺陷无漏抹、空鼓、脱壳、无挂浆、大面平整无漏抹、空鼓、脱壳、无挂浆、大面平整合格一3盖板模板表面表面光洁,无污物表面光洁,无污物合格般项4钢筋绑扎接头,在构件受拉区中不超过25%,在受压区不超过5%绑扎接头,在构件受拉区中不超过25%,在受压区不超过5%合格目优良:混凝土表面保持湿润,无5盖板混凝土养护时干时湿的现象,有保温保湿措施合格:混凝土表面保持湿润,混凝土表面保持湿润,但局部有时干时湿的现象合格但局部有时干时湿的现象主控项目结果合格,一般项目逐项检验合格。
单元质量等级评定为:合格施工单位质量自评意见(签字,加盖公章)年月日经抽检并查验相关检验报告和检验资料,主控项目结果合格,一般项目逐项检验合格。
单元质量等级评定为:合格监理单位复核意见(签字,加盖公章)年月日附表2:水池(防渗)单元工程质量评定表单位工程名称单元工程量分部工程名称施工单位单元工程部位施工日期年月日~年月日项次项目名称质量标准检验结果评定1水泥砂浆按设计配合比制作,强度和抗渗等级符合设计要求按设计配合比制作,强度和抗渗等级符合设计要求合格2抹面厚度厚度均匀一致,符合设计厚度厚度均匀一致,符合设计厚度合格3防渗效果无渗漏无渗漏合格4裂缝无大裂纹,不允许有贯穿性裂缝无大裂纹,不允许有贯穿性裂缝合格主控5 盖板模板稳定性、刚度、强度盖板模板稳定性、刚度和强度符合施工技术规范要求盖板模板稳定性、刚度和强度符合施工技术规范要求合格项目6钢筋7盖板混凝土振捣钢筋的规格、数量、品种、尺寸、安装位置符合设计图纸要求优良:有次序,无漏振合格:无架空漏振钢筋的规格、数量、品种、尺寸、合格安装位置符合设计图纸要求无架空漏振合格优良:任一组抗压强度最低不得8盖板混凝土低于设计强度的90%合格:任一组抗压强度最低不低于设计强度的85%。
泸州市农村饮水安全工程质量评定表
1、饮水安全工程项目划分表(00)
2、饮水安全工程外观质量评定表(01)
3、饮水安全工程基础(隐藏)工程验收报告单(02)
4、饮水安全工程单位质量评定表(03)
5、饮水安全工程土方开挖单元工程质量评定表
6、饮水安全工程石方开挖单元工程质量评定表
7、饮水安全工程软基开挖单元工程质量评定表
8、饮水安全工程坡面清理及开挖单元工程质量评定表
9、饮水安全工程填土单元工程质量评定表
10、饮水安全工程现浇铪管道单元工程质量评定表
11、饮水安全管道支座、支墩单元工程质量评定表
12、饮水安全工程混凝土单元工程质量评定表
13、饮水安全工程砼基础面或施工缝处理工序质量评定表
14、饮水安全工程混凝土浇筑工序质量评定表
15、饮水安全工程排架(桁架)混凝土浇筑工序质量评定表16、饮水安全工程混凝土现浇梁浇筑工序质量评定表
17、饮水安全工程砌石单元工程质量评定表
18、饮水安全工程浆砌石层面处理工序质量评定表
19、饮水安全工程浆砌石勾缝工序质量评定表
20、饮水安全工程浆砌石基础砌筑工序质量评定表
21、饮水安全工程浆砌石表面加工工序质量评定表
22、饮水安全工程房屋地面工程质量评定表
23、饮水安全工程房屋门窗质量评定表
24、饮水安全工程房屋砌砖质量评定表
25、饮水安全工程房屋屋面工程质量评定表
26、饮水安全工程房屋室内外饰工程质量评定表
27、饮水安全工程土建结构净水设备单元工程质量评定表
28、饮水安全工程一体化净水器安装单元工程质量评定表
29、饮水安全工程塑料管道安装单元工程质量评定表
30、饮水安全工程铸铁上水管安装单元工程质量评定表
31、饮水安全工程水泵、电机及附属设备安装单元工程质量评定表
32、饮水安全工程闸阀、管件安装单元工程质量评定表
33、饮水安全工程砼拌和质量评定表
34、饮水安全工程砼拌和物质量评定表
35、饮水安全工程砼试块质量评定表
36、饮水安全工程水泥砂浆质量评定表
37、饮水安全工程钢筋工序质量评定表
38、饮水安全工程砼模板工序质量评定表
泸州市农村饮水安全工程
表00 项目划分表
注:每处集中供水站为一个单位工程,划分为5个分部工程;每个
分部工程依照具体情况划分为若干个单元工程,最少不低于3个。
泸州市农村饮水安全工程表01 外观质量评定表
泸州市农村饮水安全工程
续表01 外观质量评定表
1.检测数量:全面检查后,抽测25%,且各项许多于10点;2.检测:由施工单位、建设单位、质监单位分不评分;
3.以三组以上的平均分数为准。
填表日期:年月日
泸州市农村饮水安全工程
表02 基础(隐蔽)工程验收报告单
填表日期:年月日
泸州市农村饮水安全工程表03 单位工程质量评定表
泸州市农村饮水安全工程土方开挖单元工程质量评定表
泸州市农村饮水安全工程石方开挖单元工程质量评定表
泸州市农村饮水安全工程软基开挖单元工程质量评定表
泸州市农村饮水安全工程
坡面清理及开挖单元工程质量评定表。