人教版八年级物理上册 期末试卷模拟训练(Word版 含解析)
- 格式:doc
- 大小:1.62 MB
- 文档页数:30
八年级物理上册期末试卷模拟训练(Word版含解析)一、初二物理声现象实验易错压轴题(难)1.同学们围绕着水瓶发声的有关问题进行了以下探究。
(提出问题)敲瓶(瓶内含水)时发出的声音主要是由什么振动产生的?(猜想与假设)A.瓶子振动;B.瓶内水振动;C.瓶内空气柱振动(进行实验)(1)将瓶子装满水后用筷子敲击瓶子,瓶子仍能发出声音,故可以将猜想________排除。
(2)将瓶内水全部倒出后用筷子敲击瓶子,瓶子仍能发出声音,故可以将猜想________排除。
(得出结论)由上述实验分析可知,敲瓶发声,主要是由________振动产生的。
(提出新的问题)(1)瓶子发声的音调跟瓶内水的多少有什么关系?(2)随着瓶内水的增多,敲瓶发声的音调变化和吹瓶发声的音调变化又有何不同呢?(设计实验)(1)如图甲所示,先将8个空的玻璃瓶子放到桌子上一字摆开,再向瓶内注入不等量的水,从左到右,瓶内注入的水逐渐增多,最后用筷子从左到右依次敲击瓶口,同时用耳朵仔细听,辨别音调的高低。
(2)用嘴从左到右依次吹瓶口,同时用耳朵仔细听,辨别音调的高低。
(再得出结论)(1)敲瓶发声的音调随着瓶内水的增多而变______(选填高或低)。
(2)吹瓶发声的音调随着瓶内水的增多而变______(选填高或低)。
(拓展应用)如图乙所示. 用嘴分别对着5个高度不同的小瓶的瓶口吹气,发现瓶子越高,发出声音的音调越低。
(1)用嘴对着5个小瓶的瓶口吹气,5个小瓶均发出声音,则发出的声音是由________的振动产生的。
(2)5个小瓶产生的声音音调不同,其原因是________________。
【答案】C B瓶子低高瓶内空气柱空气柱的长短、粗细不同,导致空气柱振动的频率不同【解析】【分析】【详解】[1]将瓶子装满水后,瓶内没有空气,用筷子敲击瓶子,瓶子仍能发出声音,说明敲瓶时发出的声音不是由空气柱的振动产生的。
所以可以将猜想C排除。
[2]将瓶内水全部倒出后,瓶内没有水,用筷子敲击瓶子,瓶子仍能发出声音,说明敲瓶时发出的声音不是由瓶内水振动产生的。
八年级物理上册期末试卷模拟训练(Word版含解析)一、初二物理声现象实验易错压轴题(难)1.噪声是一种严重的环境污染,小明想比较几种材料(毛衣、报纸、棉花、泡沫塑料)的隔音性能,来选择一种隔音性能好的材料做耳罩的填充物,实验器材除了待检测的材料外,还有:音叉、机械闹钟、鞋盒,完成下面各题:(1)本实验中适合做声源的是________ .(2)小明将声源放入鞋盒内,在其四周塞满待测材料,再盖上盒盖,他设想了两种实验比较方案,你认为最佳的是________ .A.让人站在距鞋盒一定距离外,比较所听见声音的响度B.让人一边听声音,一边向后退,直至听不见声音为止,比较此处距鞋盒的距离(3)下面的表格是为了上述两种实验方案而设计的,其中与方案B对应的是________ .(4)待测材料隔声性能由好到差的排列顺序为________ .【答案】机械闹钟B表二棉花泡沫毛衣报纸【解析】【分析】【详解】(1)发声体需要持续发声,所以音叉不合适,应该选择机械闹钟;(2)比较响度依靠感觉,不够准确;听不见声音的距离比较准确而且容易进行比较,隔音性能好,响度越小,听不见声音的距离就越小;隔音性能差,响度越大,听不见声音的距离就越大,因此选B.(3)表二比较的是距离,所以其中与方案B对应的是表二.(4)隔音性能好,响度越小,听不见声音的距离就越小;隔音性能差,响度越大,听不见声音的距离就越大.距离由短到长依次是棉花泡沫毛衣报纸,因此隔声性能由好到差应该是棉花泡沫毛衣报纸.2.在学习二胡演奏过程中,小明发现琴弦发出的声音音调高低受各种因素的影响,他决定对此进行研究,经过和同学们讨论提出了以下几种猜想:猜想一:琴弦发出声音的音调高低,可能与琴弦的横截面积有关猜想二:琴弦发出声音的音调高低,可能与琴弦的长短有关猜想三:琴弦发出声音的音调高低,可能与琴弦的材料有关猜想四:琴弦发出声音的音调高低,可能与琴弦的松紧有关为了验证上述猜想是否正确,他和同学们找到了表所列4种规格的琴弦,进行实验.(1)为了验证_____,应选编号A,C的两种规格的琴弦进行实验.(2)为了验证猜想一,应选编号_____的两种规格的琴弦进行实验.(3)在验证猜想三时,小明发现粗心的同学没有把表中的数据填全,表中①的位置所缺数据是_____.(4)小明在这个探究实验中,选编号B,C的两种规格的琴弦进行实验,同组同学说不能证明以上猜想,其理论依据是没有采用_____的研究方法..(5)综上分析,同样用力时,琴弦的长短,横截面积,材料和松紧都影响弦振动的_____,因此琴弦发出声音的音调高低不同.【答案】二 A、B 55 控制变量法频率【解析】(1)因A、C材料相同,横截面积相同,长度不同,选编号A,C的两种规格的琴弦进行实验是为了验证猜想二:琴弦发出声音的音调高低,可能与琴弦的长短有关;(2)为验证猜想一,应选择长度和材料都相同,而横截面积不同的琴弦A. B进行研究.(3)如果验证猜想三,即琴弦发出声音的音调高低,可能与琴弦的材料有关;应控制长度和横截面积相同,而琴弦的材料不同,故应选B. D进行探究,则表格①的位置所缺数据是55;(4)本实验中有三个变量,应用控制变量法研究,即控制两个变量相同,研究与第三个变量的关系,编号B,C的两种规格的琴弦,材料相同,长度和横截面积都不同,三个变量中有两个不同,不符合控制变量法,故不能证明以上猜想.(5)综上分析,同样用力时,琴弦的长短,横截面积,材料和松紧都影响弦振动的频率,因此琴弦发出声音的音调高低不同.点睛:解决此类多因素问题时,常采用控制变量法进行分析解答,即当研究与其中一个因素的关系时,要控制其他因素不变.3.(1)把正在发声的手机放在玻璃罩内(如图甲所示),逐渐抽出其中的空气听到的声音越来越小,最后几乎听不到铃声,这说明______.(2)图乙是探究“”的实验装置图,把平面镜放在水平桌面上,再把一张可以沿ON 向前或向后折的纸板竖直地立在平面镜上,纸板上的ON垂直于镜面。
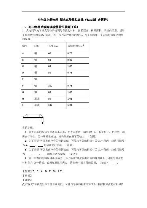
八年级上册物理期末试卷模拟训练(Word版含解析)一、初二物理声现象实验易错压轴题(难)1.大海同学为了探究琴弦的音调与音弦的材料、张紧程度、横截面积、长短的关系,设计了如图所示的实验,采用了表一所列各种规格的琴弦、几个钩码和一个能够测量振动频率的仪器.编号材料长度/cm 横截面积/mm2A 铜60 0.76B 铜60 0.89C 铜60 1.02D 铜80 0.76E 铜F 铜100 0.76G 钢80 1.02H 尼龙80 1.02I 尼龙100 1.02实验步骤:(1)在大木板的两边立起两块小木板,在大木板的一端牢牢钉人一根大钉子,把弦的一端绑在钉子上,另一端垂在桌边,把钩码绑在垂下的弦上.(如图)(2)为了验证“琴弦发出声音的音调高低,可能与琴弦的粗细有关”这一猜想,应选用编号为A、____ 、____ 的琴弦进行实验.(如表)(3)为了验证“琴弦发出声音的音调高低,可能与琴弦的长短有关”这一猜想,应选用编号为____ 、____ 、____ 的琴弦进行实验.(如表)(4)表一中有的材料规格还没填全,为了验证“琴弦发出声音的音调高低.可能与琴弦的材料有关”这一猜想,必须知道该项内容.请在表中填上所缺数据.(如表)______、______【答案】B C A D F80 1.02【解析】【详解】(2)在探究“琴弦发出声音的音调高低,可能与琴弦的粗细有关”时,要控制琴弦的材料和长度相同,故选A. B. C的琴弦进行实验;(3)探究“琴弦发出声音的音调高低,可能与琴弦的长短有关”时,应控制琴弦的材料和横截面积相同,所以选A. D. F的琴弦进行实验;(4)为了验证“琴弦发出声音的音调高低。
可能与琴弦的材料有关”时,应控制琴弦的长度和横截面积相同,材料不同,符合条件的只有G、H,所以D项中应是:80;1.02.2.小明同学在学习完课本上“探究声音的响度与哪些因素有关”的实验后,回到家中想用铁脸盆和水等材料来做这个实验,请帮助她完成探究报告.(1)提出问题:声音的响度与振幅有什么关系?(2)猜想与假设:______________.(3)进行实验与收集证据:A.需要实验器材:铁脸盆、水、钢勺.B.在铁脸盆中装入适量的水,用钢勺轻敲铁脸盆,会发现铁脸盆中的水在跳动.C.用较大的力敲铁脸盆,发现铁脸盆中的水跳动比步骤B中的水跳动________(选填“高”“低”或“不变”).(4)结论:通过分析,结合提出的问题,你能初步得出结论:___________________.(5)评估:你还可以用这些器材来探究什么问题____________?(写出探究的问题即可)【答案】振幅越大,响度越大高响度与振幅有关,振幅越大,响度越大声音是怎样产生的或音调高低与水多少有关吗?【解析】【分析】【详解】(2)本题所研究的问题是声音的响度与振幅有什么关系?因此,可以猜想:振幅越大,响度越大;(3)根据实验现象可知,用较大的力敲铁脸盆,发现铁脸盆中的水跳动比步骤B中的水跳动高;(4)通过实验分析,我们可以得出的结论是:响度与振幅有关,振幅越大,响度越大;(5) 因为实验中可以看到水的跳动,故还可以用这些器材来研究:声音怎样产生;另外在水盆中将入不同深度的水时,盆的振动频率会变化,所以还可以研究:音调高低与水的多少有关吗?3.探究响度与什么因素有关器材:音叉,橡皮槌,铁架台,硬泡沫塑料小球,细线等.操作:(1)如图所示用细线栓在硬泡沫塑料小球,悬挂在铁架台上,小球的作用是_______________________;(2)用橡皮槌轻轻敲击音叉使它振动后,发出一个较小的声音.让音叉一臂的外侧靠近并接触小球(如图),可以看到小球被音叉弹开一个__________(填“较大”或“较小”)的角度;(3)以橡皮槌用力敲击音叉,可听到较响的声音,且让音叉一臂的外侧接触小球,可看到小球被音叉弹开一个________(填“较大”或“较小”)的角度.说明:声源发出声音的响度与_________有关.除此之外响度还与_________有关.(4)如果在真空中做这个实验,小球________(选“能”或“不能”)弹开.【答案】将微小的振动放大,便于观察较小较大振幅距离发声体的远近能【解析】【分析】【详解】(1)因为音叉的振动我们看不到,把小球悬挂在铁架台上是为了把音叉的振动传给小球,用小球可以放大音叉的振动,所以小球的作用是将微小的振动放大,便于观察;(2)当轻轻敲击音叉时因为音叉振动幅度小,所以发出较小的声音,振动的音叉接触小球会把小球弹起较小的角度;(3)当用力敲击音叉发出较响的声音,音叉振动剧烈,接触小球会把小球弹起更大的角度,这说明响度与振幅有关,响度的大小还与距离发声体的远近有关;(4)如果在真空中做这个实验,音叉能振动,小球也能被弹开,但听不到声音.4.为了探究声音产生的原因,小明和小丽一起做了几个实验:小明把手放在喉咙处,大声讲话,感觉喉头振动了;小丽把发声的音叉放在水中,可以激起水花.(1)通过对上面的种种实验现象的分析,能得出声音是由______产生.(2)小华同学,用手敲鼓,他知道声音是由鼓面的______发出的,但是他看到鼓面几乎没有什.为了使看到的实验现象更明显,他在鼓面上撒些小纸团,撒小纸团目的是______.么异样(3)小明、小丽等同学在探究上述问题之后,又提出这样一个问题:声音是怎样从发声物体传播到远处的?针对这一问题,他们经过认真地思考,提出了两种猜想:①声音要传播出去,需要别的物质做媒介;②声音要传播出去,不需要什么物质做媒介.究竟哪一种猜想是正确的呢?小明他们进行了如下的实验:a.把正在响铃的手机放在玻璃罩内,再逐渐抽出玻璃罩内空气的过程中,会听到铃声逐渐______.b.再打开阀门,让空气逐渐进入玻璃罩内,又会听到铃声逐渐______.c.推理过程:玻璃罩内空气越少,传出的声音越______,如果玻璃罩内抽成真空后,就听不到手机响铃的声音了.d.结论:______.由此现象可以推得猜想______是正确的.【答案】振动振动发声振动转换成鼓面上小纸屑的振动易于观察减小变大小声音的传播需要介质,真空不能传声①【解析】【详解】(1)[1]讲话是声带的振动,音叉发声使水振动,都能证明声音是由物体振动产生的。
物理八年级上册期末试卷模拟训练(Word版含解析)一、初二物理声现象实验易错压轴题(难)1.根据如图所示的实验情景,回答问题:(1)如图①所示的实验现象表明:________.(2)如图②所示,从左向右敲击瓶子时,各瓶发音的音调变化是:________.(选填“由高变低”或“由低变高”)(3)如图③所示,用手指轻叩课桌,使正坐在对面的同学刚好听不到叩击声,再让对面的同学将耳朵紧贴在桌面上,用同样的力度轻叩课桌,这时对面的同学则能听到叩击声.这个实验表明:________(4)如图④所示,正在发声的手机悬挂在密闭的广口瓶内,将瓶内的空气不断抽出时,手机铃声逐渐变小.由这个实验事实得到的推论是:________.(5)如图⑤所示,我们把水倒入瓶中时,通常根据声音的________来判断瓶中水的多少.【答案】声音由物体振动产生由高变低固体传声效果比空气好真空不能传声音调变化【解析】【详解】(1)小纸片的跳动是由于扬声器振动造成的,扬声器发出声音的原因正是由于里边纸盆的振动;所以如图①所示的实验现象表明:声音由物体振动产生;(2)敲击瓶子时,声音主要是瓶身和水柱振动发出的,瓶中盛水越多,瓶子和水的质量越大,越难振动,音调越低,因此从左向右敲打瓶子,音调由高变低;(3)敲课桌的另一端的时候,耳朵贴在桌面上是靠固体传播声音;耳朵离开桌子的时候靠空气传播声音,固体传声效果比气体好,所以耳朵紧贴在桌面上,用同样的力度轻叩课桌,这时对面的同学则能听到叩击声.(4)当用抽气机不断抽气时,手机播放的音乐声逐渐减弱,经过科学推理可得:真空不能传声;(5)往暖水瓶中灌水时,是由暖水瓶内的空气柱振动发出声音,水越来越多,空气柱越来越短,越容易振动,音调越高.所以可以通过发出声音的音调变化来判断暖水瓶中水的多少.2.如图所示,小明和小刚用细棉线连接了两个纸杯制成了一个“土电话”。
⑴他们用“土电话”能实现10m间的通话,这表明 ___________。
人教版物理八年级上册全册全套试卷模拟训练(Word版含解析)一、初二物理机械运动实验易错压轴题(难)1.小明同学测小车的平均速度,请帮助他完成下列问题:(1)测平均速度需要的测量工具是______和______;该实验依据的原理是___________;(2)小车所放的斜面应保持较____(填“大”或“小”)的坡度,这样小车在斜面上运动时间会____(填“长”或“短”)些,便于测量时间;(3)如图所示,斜面长1.6 m,测得小车从斜面顶端运动到底端所用的时间是5 s。
如果在斜面的中点装上金属片,测得小车从斜面顶端运动到金属片的时间为2.8 s。
请计算出小车通过上半段的平均速度v2为___________m/s;(保留两位小数)(4)小车从斜面顶端运动到底端过程中,小车做的是_________(填“匀速”或“变速”)直线运动。
【来源】甘肃省定西市临洮县2019-2020学年八年级(上)期中考试物理试题【答案】刻度尺停表svt小长 0.29 变速【解析】【分析】【详解】(1)[1][2][3]测小车平均速度的实验原理就是速度的计算公式=svt测量路程和时间需要的仪器是刻度尺和钟表;(2)[4][5]在小车能下滑的情况下,使用的斜面的坡度较小,小车下滑的速度变化较慢,在斜面上运动的时间较长,这样便于测量时间;(3)[6]如图所示,斜面长1.6 m,测得小车从斜面顶端运动到底端所用的时间是5 s。
如果在斜面的中点装上金属片,测得小车从斜面顶端运动到金属片的时间为2.8 s。
请计算出小车通过上半段的平均速度v2为20.8m===0.29m/s2.8ssvt(4)[7]小车从斜面顶端运动到底端过程中,在前一半路程和后一半路程需要的时间不同,所以,小车做的是变速直线运动。
2.如图甲是“测量物体运动的平均速度”实验;(1)这个实验的原理是___________;小球从A处沿斜面由静止开始滚下,频闪照相机记录了小球在相同时间内通过的路程,如图甲所示,小球在做___________(选填“加速”“减速”或“匀速”)运动;(2)实验数据如下表所示,小球在BC段的平均速度为___________ m/s,比较AC段与CD段的平均速度得v AC_____v CD(选填“>”“<”或“=”);路程运动时间平均速度经过某点时的速度s AB=0.3m t AB=0.5s v AB=0.6m/s v B=1.2m/ss BC=0.9m t BC=0.5s v BC=v C=2.4m/ss CD=1.5m t CD=0.5s v CD=3m/s v D=3.6m/s(3)为进一步探究小球在斜面上运动的速度与时间的关系,根据表中数据作出了v-t图像,如图乙所示,假设斜面足够长,小球从A处滚下,经过2s到达E点(图甲中未画出),则该小球经过E点时的速度为___________ m/s。
八年级上册物理期末试卷模拟训练(Word版含解析)一、初二物理声现象实验易错压轴题(难)1.如图所示,用手拨动塑料尺(1)发出的声音是由塑料尺_____产生的(2)如图a所示,用较小的力轻拨塑料尺;如图b所示,用较大的力重拨塑料尺.从a到b,塑料尺发出声音的_____变大(3)如图c到图d,拨塑料尺的力不变,使塑料尺伸出桌面的长度变长,用仪器测得c图实验声音为1.3×10■,d图实验声音为1.2×102■,两个数据的单位是_____可见随着塑料尺伸出桌面的长度变长,发出声音的_____变小(4)如图c到图f,拨塑料尺的力不变,塑料尺伸出桌面的长度不变,在塑料尺右端开小孔,开孔前后、两次发声的波形图象如图所示.可见结构的不同,会导致发出声音的_____改变.【答案】振动响度 Hz 音调音色【解析】【分析】【详解】(1)声音由振动产生,所以塑料尺发出的声音是由塑料尺振动产生的;(2)如图a所示,用较小的力轻拨塑料尺;如图b所示,用较大的力重拨塑料尺,即两次尺子伸出桌面的长度相同,尺子的振动幅度不同,振幅决定响度,所以从a到b,塑料尺发出声音的响度变大;(3)如图c到图d,拨塑料尺的力不变,使塑料尺伸出桌面的长度变长,用仪器测得c图实验声音为1.3×102,d图实验声音为1.2×102,两个数据的单位是Hz,即声音振动的频率,频率决定音调,所以可知随着塑料尺伸出桌面的长度变长,发出声音的音调变低;(4)如图c到图f,拨塑料尺的力不变,塑料尺伸出桌面的长度不变,在塑料尺右端开小孔,开孔前后、两次发声的波形图象如图所示,产生的声音波形发生了细微的变化,这些波形的细微变化,决定的是声音的音色,所以可知结构的不同,会导致发出声音的音色改变.2.小明在吉他演奏中发现,琴弦发出的音调与弦线的长度、粗细和张力有关.于是他想(1)利用弦音计做研究,如图所示,其中a、b、c、d四根弦线的张力相同.①若他选择b、d两弦线做实验,则研究的目的是探究音调与弦线_____的关系.②若他要研究音调与弦线粗细的关系,则应选择_____和_____两弦线做实验.③小明研究后得出结论:在其他条件相同的情况下,弦线越长,发出的音调越低;弦线越粗,发出的音调越低.(2)请你据如图判断,在张力相同的情况下,分别按住A点、B点、C点后拨动琴弦,发出的音调最高的是按住_____点,最低的是按住_____点.【答案】长度 a b A B【解析】【分析】【详解】(1)弦乐器的音调与弦的长短粗细和张力有关,在研究弦乐器的音调与哪些因素有关时,用到的实验方法为控制变量法,若他选择b、d两弦线做实验,两者的粗细和张力相同,所以研究的目的是探究音调与弦线长度的关系.若他要研究音调与弦线粗细的关系,应该控制他们的长度和张力相同,满足该条件的是a和b两弦线.(2)按住AC两点比较,按住A点时弦较短,所以发出的音调较高的是按住A,发出的音调较低的是按住C按住BC两点比较,按住B点时弦较粗,所以发出的音调较高的是按住C,发出的音调较低的是按住B,所以分别按住A点、B点、C点后拨动琴弦,发出的音调最高的是按住A点,最低的是按住B点.3.阅读下面的短文潜艇的“耳目”﹣﹣声呐潜艇最大的特点是它的隐蔽性,作战时需要长时间在水下潜航,这就决定它不能浮出水面使用雷达观察,而只能依靠声呐进行探测,所以声呐在潜艇上的重要性更为突出,被称为潜艇的“耳目”。
人教版八年级物理上册期末模拟检测试卷带答案一、选择题1.以下活动中,用来探究影响音调高低因素的是( )A.图甲将发声的音叉触及面颊B.图乙用大小不同的力敲鼓C.图丙将发声手机置于密闭瓶内并抽气D.图丁改变钢尺伸出桌面的长度用相同大小的力按动钢尺2.雨后的山林中,鸟鸣清脆,溪水潺潺,微风轻拂,树枝摇曳……关于此环境中的声现象,下列说法正确的是()A.鸟鸣声、流水声不是由振动产生的B.人们主要通过音调分辨鸟鸣声和流水声C.鸟鸣声和流水声在空气中传播速度一定不同D.茂密的树林具有吸声、消声的作用3.夏季,每当“回潮天气”到来时,室内的墙壁和地板都非常潮湿,甚至会“出水”。
下列现象与室内“出水”的形成原因相同的是()A.春天,封冻的江河开始解冻B.酷夏,洒在地上的水很快干了C.深秋,早晨路边的小草上有许多水珠D.寒冬,冰冻的衣服也会变干4.下列数据中,最接近生活实际的是()A.物理课本的长度大约是60cmB.小明同学的体积为0.05m3C.干松木的密度大约是6g/cm3D.一只一次性水杯的容积约是600mL5.汽车在人们的生活中发挥着越来越大的作用,下列关于汽车的说法正确的是()A.汽车的导航仪是利用接收卫星发射的超声波工作的B.汽车的倒车雷达是利用超声波回声定位工作的C.汽车的防冻液的熔点较高,可以保持在低温天气时冷却系统不凝固D.汽车的后视镜相当于凹面镜利用光的反射原理来扩大司机的观察视野6.下列哪个属于光的反射()A.树叶在阳光下成的影子 B.铅笔在玻璃后成的像C.山的倒影D.雨后形成的彩虹7.光的世界丰富多彩,光学器件在我们的生活、学习中有着广泛应用.下列说法中符合实际的是A.远视眼镜利用了凸透镜对光线的发散作用B.照像时,要想使照片中的树木变大,应该远离树木C.借助放大镜看地图时,地图到放大镜的距离应大于一倍焦距D.显微镜的目镜相当于放大镜8.近年来,青少年学生中近视眼呈上升趋势,而且从小学五、六年级开始,其近视率明显上升。
人教版八年级上册物理期末试卷模拟训练(Word版含解析)一、初二物理机械运动实验易错压轴题(难)1.如图甲是测平均速度的实验装置。
(1)实验的原理是___________;(2)实验中为了便于测量小车的运动时间,斜面应保持___________(选填“较小”或“较大”)坡度;(3)由实验测量可知,小车通过上半程的平均速度___________(选填“小于”“大于”或“等于”)小车通过下半程的平均速度,表明小车做的是___________(选填“匀速”或“加速”)运动;(4)实验过程中某一时刻秒表示数如图乙所示,则读数为___________s。
【来源】山东省潍坊市昌乐县2019-2020学年八年级(上)期中学业质量检测物理试题【答案】svt=较小小于加速 337.5s【解析】【分析】(1)实验的原理是svt =。
(2)若要计时方便,应使所用的时间长些。
(3)小车在下滑过程中做加速运动。
(4)秒表的中间的表盘代表分钟,周围的大表盘代表秒,秒表读数是两个表盘的示数之和。
【详解】(1)[1]测平均速度的实验原理是svt =。
(2)[2]斜面坡度越大,小车沿斜面向下加速运动越快,过某点的时间会越短,计时会越困难,所以为使计时方便,斜面坡度应较小。
(3)[3][4]由实验测量可知,小车通过上半程的平均速度小于小车通过下半程的平均速度,小车做的是加速运动。
(4)[5]由图可知:在秒表的中间表盘上,1min中间有两个小格,所以一个小格代表0.5min,指针在“5”和“6”之间,所以分针指示的时间为5min;偏向“6”一侧,说明大表盘的读数应读大于30s;在秒表的大表盘上,1s之间有10个小格,所以一个小格代表0.1s,指针在37.5s处,所以秒针指示的时间为37.5s,则该秒表的读数为5min+37.5s=300s+37.5s=337.5s2.某小组同学探究小车沿斜面运动时的速度变化,其实验装置如图所示,把小车放在斜面顶端A处。
八年级物理上册期末试卷模拟训练(Word版含解析)一、初二物理声现象实验易错压轴题(难)1.大海同学为了探究琴弦的音调与音弦的材料、张紧程度、横截面积、长短的关系,设计了如图所示的实验,采用了表一所列各种规格的琴弦、几个钩码和一个能够测量振动频率的仪器.编号材料长度/cm 横截面积/mm2A 铜60 0.76B 铜60 0.89C 铜60 1.02D 铜80 0.76E 铜F 铜100 0.76G 钢80 1.02H 尼龙80 1.02I 尼龙100 1.02实验步骤:(1)在大木板的两边立起两块小木板,在大木板的一端牢牢钉人一根大钉子,把弦的一端绑在钉子上,另一端垂在桌边,把钩码绑在垂下的弦上.(如图)(2)为了验证“琴弦发出声音的音调高低,可能与琴弦的粗细有关”这一猜想,应选用编号为A、____ 、____ 的琴弦进行实验.(如表)(3)为了验证“琴弦发出声音的音调高低,可能与琴弦的长短有关”这一猜想,应选用编号为____ 、____ 、____ 的琴弦进行实验.(如表)(4)表一中有的材料规格还没填全,为了验证“琴弦发出声音的音调高低.可能与琴弦的材料有关”这一猜想,必须知道该项内容.请在表中填上所缺数据.(如表)______、______【答案】B C A D F80 1.02【解析】【详解】(2)在探究“琴弦发出声音的音调高低,可能与琴弦的粗细有关”时,要控制琴弦的材料和长度相同,故选A. B. C的琴弦进行实验;(3)探究“琴弦发出声音的音调高低,可能与琴弦的长短有关”时,应控制琴弦的材料和横截面积相同,所以选A. D. F的琴弦进行实验;(4)为了验证“琴弦发出声音的音调高低。
可能与琴弦的材料有关”时,应控制琴弦的长度和横截面积相同,材料不同,符合条件的只有G、H,所以D项中应是:80;1.02.2.小明同学在学习完课本上“探究声音的响度与哪些因素有关”的实验后,回到家中想用铁脸盆和水等材料来做这个实验,请帮助她完成探究报告.(1)提出问题:声音的响度与振幅有什么关系?(2)猜想与假设:______________.(3)进行实验与收集证据:A.需要实验器材:铁脸盆、水、钢勺.B.在铁脸盆中装入适量的水,用钢勺轻敲铁脸盆,会发现铁脸盆中的水在跳动.C.用较大的力敲铁脸盆,发现铁脸盆中的水跳动比步骤B中的水跳动________(选填“高”“低”或“不变”).(4)结论:通过分析,结合提出的问题,你能初步得出结论:___________________.(5)评估:你还可以用这些器材来探究什么问题____________?(写出探究的问题即可)【答案】振幅越大,响度越大高响度与振幅有关,振幅越大,响度越大声音是怎样产生的或音调高低与水多少有关吗?【解析】【分析】【详解】(2)本题所研究的问题是声音的响度与振幅有什么关系?因此,可以猜想:振幅越大,响度越大;(3)根据实验现象可知,用较大的力敲铁脸盆,发现铁脸盆中的水跳动比步骤B中的水跳动高;(4)通过实验分析,我们可以得出的结论是:响度与振幅有关,振幅越大,响度越大;(5) 因为实验中可以看到水的跳动,故还可以用这些器材来研究:声音怎样产生;另外在水盆中将入不同深度的水时,盆的振动频率会变化,所以还可以研究:音调高低与水的多少有关吗?3.观察如图所示实验,请按要求回答:图甲:该装置能探究声音是由___________产生的,还能探究声音的__________和__________的关系.图乙:敲响右边的音叉,左边完全相同的音叉也会发声,说明声音可以在________中传播;左边竖直悬挂的乒乓球跳了起来,可以说明声音能传递_______.【答案】物体的振动响度振幅空气能量【解析】【详解】图甲:装置演示的是,当音叉发声时,小球会被弹开,所以能探究声音是由振动产生的;当音叉响度越大,即振幅越大时,小球被弹开的幅度越大,所以还能探究声音的响度和振幅的关系.图乙:敲响右边的音叉,左边完全相同的音叉也会发声,因为两音叉并没有接触,中间隔着空气,说明声音可以在空气中传播;左边竖直悬挂的乒乓球跳了起来,是声波传递的能量对乒乓球做了功,可以说明声音能传递能量.4.在学习《声的世界》时,有几个相关的实验(1)如图 1 所示,当敲响音叉后用悬吊着的乒乓球接触发声的叉股时,乒乓球会被弹起,这个实验说明一切正在发声的物体都在________;在实验中,乒乓球的作用是_________________________,我们把不可见、不易见的现象转换成可见、易见的现象;这种物理方法称为___________法.(选填“转换”或“归纳”或“控制变量”法)(2)如图 2 所示,将一把钢尺压在桌面上,一部分伸出桌面,用手拨动其伸出桌外的一端,轻拨与重拨钢尺,则钢尺发出声音的_______不同;改变钢尺伸出桌面的长度,保持尺的振动幅度不变,则钢尺发出声音的_______不同.(均选填“响度”、“音调”和“音色”.)【答案】振动将微小的振动放大转换响度音调【解析】【分析】(1)声音是由物体振动产生的,在探究声音的振动时,通过乒乓球来放大音叉的振动,属转换法的运用;(2)声音的响度与发声体的振幅有关,声音的音调与发声体振动的频率有关.【详解】(1)图1中,当敲响音叉后用悬吊着的乒乓球接触发声的叉股时,乒乓球会被弹起,这个实验说明一切正在发声的物体都在振动;用乒乓球的振动呈现音叉的振动,可以将微小的振动放大,便于观察。
人教版八年级物理上册全册全套试卷模拟训练(Word版含解析)一、初二物理机械运动实验易错压轴题(难)1.细心的小轩发现水箱接口处使用不同水管,出水口水流喷射的远近不同.于是,小轩想探究“水压相同时影响水管出水口水流速度大小的因素”。
为此,他提出了三个猜想:①与水管的长度有关;②与水管的内径大小有关;③与水管的材质有关.为了验证猜想,小轩设计如图所示实验装置。
(1)实验过程中,需控制水箱中水的深度不变,从而使接口处水的压强________。
保持出水口的高度h不变,通过____________来反映出水口水流速度的大小.在接口处接材质相同的不同水管多次实验,实验数据如下表:实验序号长度l(cm)内径d(cm)喷射距离s(cm)1401.0142 1.5163 2.0204701.0125 1.5156 2.01771001.0118 1.5139 2.014(2)实验需要的测量工具是________。
(3)比较序号________可得到的初步结论是:当材质和内径一定时,水管长度越长,出水口水流速度越小;比较序号1、2、3可得到的初步结论是:当材质和长度一定时,_____。
(4)综上所述,当其他条件一定时,水管长度越长,内径越小,出水口水流速度________。
(5)为验证猜想③,接下来的操作应该为_____________。
【来源】【专题】备战2020届中考物理二轮复习题型专练题型08-创新探究题【答案】不变喷射距离刻度尺 1、4、7或2、5、8或3、6、9 水管内径越大,出水口水流速度越大越小用内径和长度相同,材质不同的水管多次实验【解析】【分析】【详解】(1)[1]液体压强与液体的深度有关。
使接口处水的压强不变,需控制水箱中水的深度不变。
[2]水流速度的越大喷射距离越远,可以通过喷射的距离反映水流的速度。
(2)[3]实验中需要刻度尺测量水管长度、水管内径、喷射距离。
(3)[4]比较1、4、7或2、5、8或3、6、9发现实验中水管材质和内径相同,而水管长度不同,水管长度越长喷射距离越短,说明当材质和内径一定时,水管长度越长,出水口水流速度越小。
八年级物理上册期末试卷模拟训练(Word版含解析)一、初二物理声现象实验易错压轴题(难)1.噪声是一种严重的环境污染,李明想制作一个防噪声的耳罩,他通过比较几种材料(衣服、锡箔纸、泡沫塑料)的隔音性能,来选择一种隔音性能好的材料做耳罩的填充物。
实验器材除了待检测的材料外,还有:音叉、机械闹钟、鞋盒。
(1)在本实验中适合作声源的是_____,另一个仪器不适合作声源的理由是___(2)李明将声源放入鞋盒内,在其四周塞满待测填充材料,他设想了以下A、B两种实验方案.你认为最佳的是________方案。
A.让人站在距鞋盒一定的距离处,比较所听见声音的响度B.让人一边听声音,一边向后退,直至听不见声音为止,比较此处距鞋盒的距离实验中测得的数据如下表所示,则待测材料中隔音性能最好的是____________。
(3)实验过程中应将声源响度________(选填“调大”或“调小”),因为铃声响度越大时,人要听不到声音时与声源的距离将越_____(选填大或小),导致实验在教室中难以进行.同时在比较不同材料时铃声响度应____(选填“随材料而改变”或“保持不变”),这种物理方法叫_______。
(4)小红从家中也找出下列一些材料开始探究:一张报纸、一件羽绒服、一个薄塑料袋、一些泡沫板,李明认为小红选择这些材料直接进行实验存在一个明显问题,不能有效地说明这些材料的隔声性能,请指出这个明显的问题:_______。
(5)对材料进行科学调整后,他们通过探究得到如下实验数据:由此数据可将这些材料隔声性能最好的是____________。
【答案】机械闹钟音叉发出的声音不稳定,不能持续发声B泡沫塑料调小大保持不变控制变量法没有控制材料厚度相同羽绒服【解析】【分析】【详解】(1)[1][2]机械闹钟,发出的声音稳定,能持续发声,所以选用机械闹钟,而音叉发出的声音不稳定,不能持续发声,所以不选用音叉。
(2)[3]A方案中,由于人耳听到的响度无法测量,只能凭感觉判断,没有可靠的实验数据;在B方案中,通过比较到鞋盒的距离判断隔音效果,因为距离可以测量,有可靠地实验数据,能够较好的判断隔音效果。
人教版八年级物理上册期末模拟试题附答案一、选择题1.如图所示,将钢尺一端紧压在桌面上,另一端伸出桌面,保持钢尺伸出桌面的长度相同,用大小不同的力拨动钢尺,钢尺会发出不同的声音,此处“不同”是指声音的()A.响度B.音色C.音调D.速度2.控制噪声是城市环保主要项目之一,下列措施不能减弱噪声的是()A.市区内禁止机动车鸣笛B.规划时,工业区与居住区离得很近C.在汽车的排气管上装消声器D.城市街道两旁和空地多种草、多植树3.对下列现象解释正确的()A.冬天,戴眼镜的人从室外进入温暖的室内,镜片会“模糊”,这是液化现象B.夏天刚开始吃冰棒时会感觉“粘”舌头,这是舌头上的水遇冷凝华造成的C.用久的灯泡壁会变黑是因为钨丝先熔化后凝华D.舞台上用干冰制造白雾是利用干冰汽化吸热,使空气遇冷液化成小水珠4.对物理量的估测,是一种良好的学习习惯,也是学好物理的基本功之一。
下列物理量最接近实际的是()A.你所在考场温度约45℃B.你所用的新2B铅笔长度约18cmC.中期体育测试中,你跑完1km所用时间约为1min14sD.你步行的速度约是10m/s5.在“探究水沸腾时温度变化特点”的实验中,分别观察到如图所示的情景。
下列说法正确的是()A .沸腾是只发生在液体表面的剧烈汽化现象B .“白气”是液态小水滴,它是水汽化形成的C .甲图是水沸腾前的情景,乙图是水沸腾时的情景D .乙图中气泡变小,是气泡中的水蒸气液化导致的6.经常提到的①小孔成像,②平面镜成像,③手影,④水面折枝,其中( ) A .属于实像的有①②③B .属于虚像的有①②④C .由光的反射而成的像有①②D .由光的折射形成的像只有④ 7.如图所示,一块玻璃砖内有一个类似凸透镜的空气泡,你猜猜看,当平行光线穿过它后,光线会( )A .发散B .会聚C .仍平行D .不改变方向8.现代生活,智能手机给人们带来了许多便利,但长时间盯着手机屏幕,容易导致视力下降。
人教版初二上册期末模拟物理试题附答案一、选择题1.生活中经常用“高”来形容声音,下面说法中的“高”所描述的声音特性与其它三个不同的是()A.男高音歌唱家B.引吭高歌C.请勿在公共场合高声喧哗D.不敢高声语,恐惊天上人2.如图所示的四幅图,下列说法中正确的是( )A.甲图中,城市某些路段两旁的透明板墙可以减小噪声污染B.乙图中,敲鼓时用力越大,所发声音的音调越高C.丙图中,随着向外不断抽气,正在发声的手机铃声越来越大D.丁图中,卡片在梳子上划动得越快,听到的声音就越响3.如图所示的物理现象,其中与我们冬天用嘴向手“哈气”取暖的物态变化相同的是()A.雪人变小B.热风很快使手变干C.洗浴时玻璃上形成水雾 D.白雪开始消融4.下列估值最不合理的是()A.中学生课桌高度约为15dmB.一位初二的学生的脉搏跳动10次的时间约为12sC.某人对者山崖大喊一声,过了3s听到回声,则人距离山崖约510mD.让人感觉温暖又舒适的房间温度是23℃5.在保温杯中装适量0℃的水,从冰箱的冷冻室里取出一小块冻了很长时间的冰,放到保温杯中,设保温杯是绝热的。
过一段时间,冰和水的温度相同。
在这个过程中()A.水的质量增大B.冰的质量增大C.水的温度降低D.冰水质量都不变6.下列关于光现象,说法错误的是()A.雨后彩虹属于光的色散现象B.生活中我们看到的月食、日食是因为光的折射C.我们看到本身不发光的物体是因为光在物体表面发生反射的缘故D.在河岸边看到“鱼在云中游”的奇景,“鱼”和“云”分别是折射和反射形成的7.放在凸透镜主轴上焦点以内的点光源S发出的光。
通过凸透镜后的光路如图所示。
则下列说法正确的是()A.凸透镜可以对光线起发散作用B.凸透镜只对平行于主光轴的光线起会聚作用C.通过凸透镜后的光线是发散的,因为凸透镜的作用是对光线起发散作用D.通过凸透镜后的光线发散程度比原来小,仍然是会聚的一种现象8.经过再三考虑,小皓还是放弃了手术,配了一副近视眼镜,世界重新变得清晰起来。
人教版八年级物理上册期末试卷模拟训练(Word版含解析)一、初二物理机械运动实验易错压轴题(难)1.如图,在斜面上测量小车运动的平均速度,让小车从斜面的A点由静止开始下滑,分别测出小车到达B点和C点的时间,即可测出不同阶段的平均速度.(1)该实验原理是_____.(2)如果测得小车从A滑到C的时间t AC=2.4s,小车从A滑到B的时间t AB=1.6s,则AB段的平均速度v AB=_____cm/s,则BC段的平均速度v BC=_____cm/s;(3)由实验看出,下车下滑过程中速度越来越_____(选填“慢”“快”).(4)在测量小车到达B点的时间时,如果小车过了B点才停止计时,测得AB段的平均速度v AB会偏_____(选填“大”或“小”).(5)为测量小车运动过程中下半程的平均速度,某同学让小车从B点由静止释放,测出小车到达C点的时间,从而计算出小车运动过程中下半程的平均速度v=s AB/t BC,他的做法正确吗?_____.(6)聪明的小杜发现AB段和BC段路程的特点,算出了AC段平均速度v,AB段的平均速度v1,觉得还可以用公式直接算出BC段的平均速度v2,则v2=_____(用v、v1).【来源】重庆八中2017-2018学年八年级(上)期中物理试题【答案】 v=s/t 25 50 快小不正确112vvv v-【解析】(1)该实验原理是:vst= .(2)s ABBCs==40.00cm,t AC=2.4s,t AB=1.6s,tBC 2.4s 1.6s0.8sAC ABt t=-=-=,则AB段的平均速度v AB4025cm/s1.6ABABs cmt===,则BC段的平均速度v BC4050/0.8BCBCs cmcm st s===.(3)由BC ABv v>可以看出,小车下滑过程中速度越来越快。
(4)在测量小车到达B点的时间时,如果小车过了B点才停止计时,则测量时间偏大,故AB段的平均速度v AB会偏小。
人教版物理八年级上册期末试卷模拟训练(Word版含解析)一、初二物理机械运动实验易错压轴题(难)1.如图所示,在测量小车运动的平均速度实验中,让小车从斜面的A点由静止开始下滑并开始计时,分别测出小车到达B点和C点的时间,即可算出小车在各段的平均速度。
(1)图中AB段的距离S AB=________cm,测得时间t AB=1.6 s,则AB段的平均速度v AB=______cm/s;(2)如果小车过了B点才停止计时,则测得的平均速度v AB会偏________;(3)实验中应多次测量,每次测量时必须让小车从____________由静止开始下滑。
【来源】福建省龙岩市长汀县2019-2020学年八年级(上)期中物理试题(质量抽查)【答案】40.0cm 25 cm/s 小同一位置【解析】【分析】【详解】(1)[1]由图知道,AB段的距离S AB =80.0cm-40.0cm=40.0cm[2]又因为测得时间t AB=1.6 s,所以,AB段的平均速度AB ABAB 40.0cm25cm/s 1.6?sSvt===(2)[3]如果让小车过了B点才停止计时,会导致时间的测量结果偏大,由svt=知道,平均速度会偏小。
(3)[4]实验中多次测量求平均值是为了减小误差,所以实验中应保证小车每次通过的距离相等,即每次测量时必须让小车从同一位置由静止开始下滑。
2.物理实验课上,某实验小组利用带有刻度尺的斜面、小车和数字钟测量小车的平均速度,如图所示,图中显示的是他们测量过程中的小车在甲、乙、丙三个位置及其对应时刻的情形,显示时间的格式是“时:分:秒”。
(1)本实验的原理是___;(2)实验时应保持斜面的倾角较小,这是为了减小测量_____(填“路程”或“时间”)时造成的误差;(3)斜面倾角不变,小车由静止释放运动到底端,则小车前半程的平均速度____小车后半程的平均速度(选填“大于”、“等于”或“小于”);(4)由图观察可知,小车从乙位置运动至丙位置时,所测量的路程是____cm,平均速度____m/s;(5)物体的运动常常可以用图像来描述,下图中能反映本实验中小车运动情况的是______(选填“A”或“B”)【来源】福建省三明市大田县2019-2020学年八年级(上)期中物理试题【答案】v=st时间小于 65.0 0.1625 B【解析】【分析】【详解】(1)[1]测量小车的平均速度需要用到速度的公式v=st。
人教版物理八年级上册期末试卷模拟训练(Word版含解析)一、初二物理机械运动实验易错压轴题(难)1.如图所示,是小华和小明两同学探究“二力平衡条件”的实验.(1)如甲图所示,小华将木块放置于水平桌面上,两边各用一段细绳通过定滑轮悬挂一定量的钩码.小华发现,当左边悬挂三个钩码,右边悬挂两个钩码时木块A也能保持静止.这是由于____.(每个钩码重1 N)(2)小明认为将木块A换成带轮子的小车,实验效果会更好,其原因是:________.(3)换成小车后,若要使小车保持静止,应当在右侧(选填“增加”或“减少”)________1个钩码.(4)小车处于静止后,保持两边拉力的大小不变,将小车扭转到如图乙所示的位置,松手后,小车将扭转回来.这一步骤说明二力平衡时,要满足二个力在________上的条件.【来源】2020届中考物理一轮复习专题强化:运动和力【答案】木块与桌面的摩擦力太大导致的;小车比木块受到的摩擦力更小;增加;同一直线。
【解析】【分析】【详解】(1)据上面的分析可知,木块保持静止,在水平方向受到向左的拉力、向右的拉力和向右的摩擦力三个力的作用,所以木块静止不动的原因是由于木块与桌面的摩擦力太大导致的;(2)木块A换成带轮子的小车,将滑动摩擦力变为滚动摩擦力,大大减小了摩擦力,从而减小了摩擦对实验的影响;(3)木块换成小车后,要使木块静止,就应该使左右两侧钩码的拉力相等,由于左边是3个钩码,右边是2个钩码,因此应该在右侧增加1个钩码;(4)将小车扭转到如图乙所示的位置,两个拉力不在同一直线上,不能平衡,所以会扭转回来;这一步骤说明二力平衡时,要满足二个力在同一直线上.2.如图所示,让小车从斜面的A点由静止开始下滑,分别测出小车到达B点和C点的时间,即可测出不同阶段小车的平均速度。
(1)实验中金属片的作用是____,实验时应保持斜面的倾角________(选填“较大”或“较小”);(2)小车通过AB 段时测得时间t AB =1.6 s ,则AB 段的平均速度v AB =______cm/s ;(3)在测量小车到达B 点的时间时,如果小车过了B 点才停止计时,则测得AB 段的平均速度v AB 会偏______(选填“大”或“小”);(4)根据你的实验经历,你认为小车由静止释放时,斜面的倾角增大后,通过相同的路程,小车运动的平均速度将______(选填“不变”、“变大”或“变小”)。
人教版八年级物理上册 期末试卷模拟训练(Word 版 含解析)一、初二物理 机械运动实验易错压轴题(难)1.如图所示是测量小车沿斜面运动的平均速度的实验。
(1)该实验根据的原理是_____,实验中需要的测量工具是_____和_____;(2)实验中为了方便计时,应该使用坡度_____(选填“较大”或“较小”)的斜面;(3)实验时观察到小车沿斜面顶端运动到斜面底端的过程是_____(选填“匀速”或“变速”)直线运动;(4)若图中秒表每格为1s ,则小车通过全程的平均速度是_____ m/s ;(5)实验中若让小车运动之后才开始计时,则会使所测的平均速度偏_____。
(选填“大”或“小”)【来源】广西来宾市兴宾区2019-2020学年八年级(上)期中教学质量检测物理试题【答案】s v t =刻度尺 秒表(停表) 较小 变速 0.2 大 【解析】【分析】【详解】(1)[1]由于需要测量小车沿斜面运动的平均速度,所以,实验的原理是利用公式s v t=计算小车平均速度。
[2][3]根据实验原理知道,实验中要用刻度尺测量小车运动的路程,用秒表测量小车运动的时间,所以,实验中需要的测量工具是刻度尺和秒表。
(2)[4]若要计时方便,应使斜面的坡度小一些,这样可以减小小车运动的速度,使小车在斜面上通过的时间更长。
(3)[5]小车沿斜面顶端下滑到斜面底端的运动时,由于相同的距离,所用时间减小,即速度越来越大,所以,是变速直线运动。
(4)[6]由图知道, 小车通过全程的时间是5s ,距离是1m ,所以,小车通过全程的平均速度是 1m ==0.2m/s 5ss v t = (5)[7]实验中若让小车运动之后才开始计时,则会导致时间的测量结果偏小,由s v t=知道,平均速度会偏大。
2.小明利用如图所示的装置测量小车的平均速度。
他把小车从斜面上端的挡板处由静止释放的同时开始用停表计时,当小车运动至下端挡板处时结束计时,图中圆圈中的数字显示了两次计时的时间(时间显示格式为“时:分:秒”)。
人教版八年级物理上册期末试卷模拟训练(Word版含解析)一、初二物理机械运动实验易错压轴题(难)1.2007年2月28日,从乌鲁木齐驶往阿克苏的5806次列车遭遇特大沙尘暴,列车从第1节车厢到第11节车厢相继被吹翻.看了这个报道后,某研究小组为探索沙尘暴的威力,进行了模拟研究.如图为测定沙尘暴风力的实验装置图,其中AB是一段水平放置的长为L 的光滑均匀电阻丝,电阻丝阻值较大,一质量和电阻都不计的细长金属丝一端固定于O 点,另一端悬挂球P,无风时细金属丝竖直,恰与电阻丝在B点接触,有风时细金属丝将偏离竖直方向,细金属丝与电阻丝始终保持良好的导电接触.研究小组的同学对此装置分析中,知道金属球单位面积上所受到的水平风力大小与电压表的读数成正比,空气密度为1.3kg/m3,沙的密度为2.5×103kg/m3.他们对决定金属球单位面积上所受到的风力大小的因素,进行了如下的实验研究:①在含沙量相同条件下,改变风速,记录不同风速下电压表的示数如下:风速(m/s)5101520电压表示数(V)0.6 2.4 5.49.6②在风速大小相同条件下,改变风中空气的含沙量,记录不同含沙量下电压表的示数如下:含沙量(kg/m3) 1.1 2.2 3.3 4.4电压表示数(V) 2.3 3.5 4.6 5.8(1)根据上述实验结果,试推导出单位面积上所受到的风力大小的关系式?(设比例系数为k)(2)若(1)中的比例系数k的大小为0.5,已知:车厢的高度为3m,车厢的长度为25m,车厢质量为50t,铁轨间距为1.5m,1m3沙尘暴中含沙尘2.7kg,请根据(1)中的关系式计算当时的风速至少为多大?【来源】2009年江西省上饶县二中九年级应用物理知识竞赛复赛模拟试题(三)【答案】(1)p=kρv2,ρ为含有沙尘的空气密度;(2)41m/s【解析】【详解】 (1).①分析数据可看出风速每增加5m/s ,电压表的示数增加量分别是1.8V 、3V 、4.2V ,也就是说,在这里,风速和压力并不是呈一次函数关系,可以假设一个方程,即:U ∝av 3+bv 2+cv +d ,把表中实验数据代入表达式,解得:a =0,b =0.024,c =0,d =0,即U ∝0.024v 2;②分析含沙量与电压表示数的数据,含沙量每增加1.1kg/m 3,电压增量即为1.2V ,也就是说,含沙量与压力成正比,U ∝ρ;风力越大,导线的偏移量与电压成正比,单位面积所受压力即压强,则p =kρv 2,ρ为含有沙尘的空气密度,k 为比例常数.(2).车厢可以看做杠杆,由杠杆平衡条件得:F ×2h =G ×2d ,则风力F =d h G , F =pS =kρv 2S =kρv 2hL , v =323321.5m 5010kg 10N/kg 0.5(2.7kg/m +1.3kg/m )(3m)25mdG k h L ρ⨯⨯⨯=⨯⨯⨯≈41m/s . 答:(1).单位面积上所受到的风力大小的关系式为p =kρv 2,ρ为含有沙尘的空气密度; (2).风速为41m/s .2.某小组同学用小车、长木板、刻度尺、秒表、木块等器材探究小车沿斜面滑下时速度的变化;实验设计如图甲所示:让小车从斜面的A 点由静止滑下并开始记时,分别测出小车到达B 点和C 点的时间t B 、t C ;(1)该实验的原理是________;(2)实验中应使斜面坡度保持较________(选填“大”或“小″);(3)小车从A 到B 经过的路程为________ cm,若t A 、t B 、t C 所对应的时间依次如图,则小车在AB 、BC 段的平均速度分别为v AB =__________m/s ;v BC = ________ m/s (保留两位有效数字);(4)小车沿斜面滑下时速度的变化规律为:_____________________。
【来源】山东滨州阳信县2019-2020学年八年级(上)期末物理试题(教学质量监测)【答案】s v t=小 40.0 0.13 0.20 在小车下滑过程中速度在变大 【解析】【详解】(1)[1]测小车平均速度的实验原理是v=st。
(2)[2]斜面坡度越大,小车沿斜面向下加速运动越快,过某点的时间会越短,计时会越困难,所以为使计时方便,斜面坡度应较小。
(3)[3]由图知,小车通过AB的路程为:s AB=4.00dm=0.4m;s BC=4.00dm=0.4m;[4][5]小车通过AB、BC段的时间:t AB=t B-t A=10:35:03-10:35:00=3s;t BC=t C-t B=10:35:05-10:35:03=2s;所以小车通过AB、BC段路程的平均速度:v AB=ABABst=0.4m3s≈0.13m/s;v BC=BCBCst=0.4m2s=0.2m/s;(4)[6]由(3)知,小车在下滑过程中做加速运动,速度在变大。
3.如图所示,是小华和小明两同学探究“二力平衡条件”的实验.(1)如甲图所示,小华将木块放置于水平桌面上,两边各用一段细绳通过定滑轮悬挂一定量的钩码.小华发现,当左边悬挂三个钩码,右边悬挂两个钩码时木块A也能保持静止.这是由于____.(每个钩码重1 N)(2)小明认为将木块A换成带轮子的小车,实验效果会更好,其原因是:________.(3)换成小车后,若要使小车保持静止,应当在右侧(选填“增加”或“减少”)________1个钩码.(4)小车处于静止后,保持两边拉力的大小不变,将小车扭转到如图乙所示的位置,松手后,小车将扭转回来.这一步骤说明二力平衡时,要满足二个力在________上的条件.【来源】2020届中考物理一轮复习专题强化:运动和力【答案】木块与桌面的摩擦力太大导致的;小车比木块受到的摩擦力更小;增加;同一直线。
【解析】【分析】【详解】(1)据上面的分析可知,木块保持静止,在水平方向受到向左的拉力、向右的拉力和向右的摩擦力三个力的作用,所以木块静止不动的原因是由于木块与桌面的摩擦力太大导致的;(2)木块A换成带轮子的小车,将滑动摩擦力变为滚动摩擦力,大大减小了摩擦力,从而减小了摩擦对实验的影响;(3)木块换成小车后,要使木块静止,就应该使左右两侧钩码的拉力相等,由于左边是3个钩码,右边是2个钩码,因此应该在右侧增加1个钩码;(4)将小车扭转到如图乙所示的位置,两个拉力不在同一直线上,不能平衡,所以会扭转回来;这一步骤说明二力平衡时,要满足二个力在同一直线上.4.如图所示,让小车从斜面的A点由静止开始下滑,分别测出小车到达B点和C点的时间,即可测出不同阶段小车的平均速度。
(1)实验中金属片的作用是____,实验时应保持斜面的倾角________(选填“较大”或“较小”);(2)小车通过AB段时测得时间t AB=1.6 s,则AB段的平均速度v AB=______cm/s;(3)在测量小车到达B点的时间时,如果小车过了B点才停止计时,则测得AB段的平均速度v AB会偏______(选填“大”或“小”);(4)根据你的实验经历,你认为小车由静止释放时,斜面的倾角增大后,通过相同的路程,小车运动的平均速度将______(选填“不变”、“变大”或“变小”)。
【来源】湖北省鄂州市梁子湖区2019-2020学年八年级(上)期中质量监测物理试题【答案】便于测量时间较小 25 小变大【解析】【分析】【详解】(1)[1]在斜面上放置一个金属片的目的就是让小车在同一位置停下来,与小车相碰发出声音,便于测量小车运动的时间;[2]斜面坡度越大,小车沿斜面向下加速运动越快,过某点的时间会越短,计时会越困难,所以为使计时方便,减小测量时间时造成的误差,应保持斜面的倾角较小;(2)[3]小车运动距离:s AB=80.0cm−40.0cm=40.0cm,t AB=1.6s,小车通过AB段的平均速度:v=ABABst=40.0cm1.6s=25.0cm/s;(3)[4]如果让小车过了B点才停止计时,会导致测得的时间偏大,由公式v=st知,测得的平均速度会偏小;(4)[5]小车由静止释放,斜面的倾角增大后,小车的运动变快,通过相同的路程,小车运动的平均速度变大。
5.如图所示,在测量小车运动的平均速度实验中,让小车从斜面的A点由静止开始下滑并开始计时,分别测出小车到达B点和C点的时间,即可算出小车在各段的平均速度。
(1)图中AB段的距离s AB=______ cm,测得时间t AB=1.6s,则AB段的平均速度v AB=____cm/s。
(2)如果小车过了B点停止计时,则测得的平均速度v AB会偏_____(选填“大”或“小”)。
(3)实验中应多次测量,每次测量时必须让小车从A处由 _____状态开始下滑。
(4)实验中可以发现v BC __________v AC。
(选填“>”、“<”或“=”)【来源】山西省阳泉市2019-2020学年八年级(上)期末考试物理试题【答案】40.025.0小静止>【解析】【分析】【详解】(1)[1]由图知道,刻度尺的分度值为1cm,所以,AB段的距离是:s AB =80.0cm-40.0cm=40.0cm,[2]由于测得运动时间是t AB =1.6s,所以,AB段的平均速度是:ABABAB40cm1.625cm/sssvt===,(2)[3]如果小车过了B点才停止计时,则测得时间偏大,根据svt=知道,测得AB段的平均速度v AB会偏小;(3)[4]实验中应多次测量,应保证小车每次通过的距离相等,故每次测量时必须让小车从同一位置由静止开始下滑;(4)[5]小车从A到C的过程中做加速运动,速度越来越大,故在BC段的速度大于AC段的速度,即v BC>v AC。
二、初二物理光现象实验易错压轴题(难)6.在“探究平面镜成像的特点”实验中,小明用玻璃板、相同的两个棋子A及B、刻度尺、橡皮泥、白纸等器材进行实验,如图所示.(1)实验时玻璃板应该__________放置在水平桌面上.(2)实验器材选择相同的两个棋子A、B,其目的是为了___________________.(3)为了说明平面镜中所成的像是实像还是虚像,应采取的具体操作步骤是:____________;直接观察白纸,可发现_____________,所以,平面镜所成的像为_____________像.(4)小明在实验过程中,让玻璃板沿OO'轴(玻璃板与桌面的接触部分)方向水平向右移动,结果他发现镜中的像相对于A_________移动(选填“向右”.“向左”或“不”);他又将玻璃板绕OO'轴转向自己,发现镜中的像__________(选填“转向自己”、“转离自己”或“不动”).【答案】竖直比较像和物的大小移去棋子B,在B处放置一白纸像不能成在白纸上虚不转向自己【解析】【分析】(1)像与物关于玻璃板对称,玻璃板的摆放角度要能够使后面的棋子与前面棋子的像完全重合;(2)实验中让A棋子与B棋子完全相同,B又与A的像完全重合,结果就可以得出A的像与A大小相同的结论;(3)平面镜所成的像不是实际光线会聚成而,所成的像是虚像,用光屏接收不到,只能用眼睛观察;(4)平面镜成像特点是:物体在平面镜中成虚像,物像大小相等,物像连线与镜面垂直,物像到平面镜的距离相等,据此判断像的变化。