土方开挖放坡系数
- 格式:docx
- 大小:7.97 KB
- 文档页数:5
土方开挖放坡系数根据土方工程定额,对计算挖沟槽土方放坡系数规定如下:(1) 挖土深度在Im以内,不考虑放坡;(2) 挖土深度在1.01m〜2.00m,按I : 0.5放坡;(3) 挖土深度在2. 0I m〜4.00m,按I : 0. 7放坡;(4) 挖土深度在4. 01m〜5. 00m,按1 : 1放坡;(5) 挖土深度大于5 m,按土体稳定理论计算后的边坡进行放坡。
放坡系数为高宽比普土:放坡起点:1.2m,放坡系数,人工挖:1: 0. 5 ,机械挖:1:0. 33 (坑内),1:0. 75 (坑上作业)坚土:放坡起点:1.8m,放坡系数,人工挖:1: 0. 3,机械挖:1: 0. 2 (坑内作业),1: 0. 5 (坑上作业)混合土:放坡起点:1. 5m, K=(k1h1+k2h2)/hk--综合放坡系数k1k2--不同土类放坡系数h1h2--不同土类的厚度h--放坡总深度挖地槽、地坑、土方需放坡者,可按下表规定的放坡起点及放坡系数计算工程量。
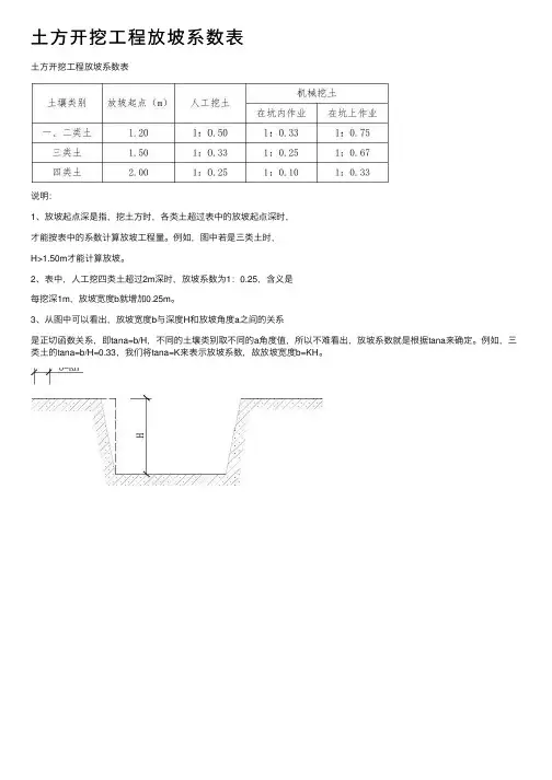
土方工程放坡系数表土类别放坡起点(m) 人工挖土机械挖土在沟槽、坑内作业在沟槽侧、坑边上作业顺沟槽方向坑上作业一、二类土1.20 1 : 0.5 1 : 0.331: 0.751: 0.50三类土 1.501: 0.33 1 : 0.251: 0.671: 0.33四类土 2.001: 0.25 1 : 0.101: 0.331: 0.25放坡起点:1. 混凝土垫层由垫层底面开始放坡,2. 灰土垫层由垫层上表面开始放坡,3. 无垫层的由底面开始放坡。
注意:计算工程量时,地槽交接处放坡产生的重复工程量不予扣除。
因土质不好,基础处理采用挖土、换土时,其放坡点应从实际挖深开始。
在挖土方、槽、坑时,如遇不同土壤类别,应根据地质勘测资料分别计算。
边坡放坡系数可根据各土壤类别及深度加权取定这张表的数据并不是在每个地方都适用,只是通用规则,根据2009年新规范讲义:土类单一土质时,普通土(一二类)开挖深度大于1. 2米开始放坡(K=0. 50),坚土(三四类)开挖深度大于1. 7米开始放坡(K=0. 30).土类混合土质时,开挖深度大于1. 5米开始放坡,然后按照不同土质加权计算放坡系数K.注:本表丄的名称及其含义按国家标准(岩土工程勘察规范» GB50021-2001 (2009年版)定义欢迎您的下载,资料仅供参考!致力为企业和个人提供合同协议,策划案计划书,学习课件等等打造全网一站式需求。
土方开挖放坡系数根据土方工程定额,对计算挖沟槽土方放坡系数规定如下:(1)挖土深度在l m以内,不考虑放坡;(2)挖土深度在1、0l m~2.00m,按l:0、5放坡;(3)挖土深度在2.0lm~4.00m,按l:0.7放坡;(4)挖土深度在4.01m~5.00m,按1:1放坡;(5)挖土深度大于5m,按土体稳定理论计算后的边坡进行放坡。
放坡系数为高宽比普土:放坡起点:1.2m,放坡系数,人工挖:1:0.5,机械挖:1:0、33(坑内),1:0、75(坑上作业)坚土:放坡起点:1.8m,放坡系数,人工挖:1:0、3,机械挖:1:0、2(坑内作业),1:0.5(坑上作业)混合土:放坡起点:1.5m, K=(k1h1+k2h2)/hk--综合放坡系数k1k2--不同土类放坡系数h1h2--不同土类的厚度ﻫh--放坡总深度挖地槽、地坑、土方需放坡者,可按下表规定的放坡起点及放坡系数计算工程量。
土方工程放坡系数表51、混凝土垫层由垫层底面开始放坡,ﻫ放坡起点:ﻫ2、灰土垫层由垫层上表面开始放坡,3、无垫层的由底面开始放坡。
ﻫ注意:计算工程量时,地槽交接处放坡产生的重复工程量不予扣除。
ﻫ因土质不好,基础处理采用挖土、换土时,其放坡点应从实际挖深开始。
ﻫ在挖土方、槽、坑时,如遇不同土壤类别,应根据地质勘测资料分别计算。
边坡放坡系数可根据各土壤类别及深度加权取定这张表的数据并不就是在每个地方都适用,只就是通用规则,根据2009年新规范讲义:ﻫ土类单一土质时,普通土(一二类)开挖深度大于1.2米开始放坡(K=0、50),坚土(三四类)开挖深度大于1.7米开始放坡(K=0、30).ﻫﻫ土类混合土质时,开挖深度大于1.5米开始放坡,然后按照不同土质加权计算放坡系数K、。
土方开挖工程放坡系数表
挖土放坡
The Standardization Office was revised on the afternoon of December 13, 2020
土方开挖工程放坡系数表
说明:
1、放坡起点深是指,挖土方时,各类土超过表中的放坡起点深时,
才能按表中的系数计算放坡工程量。
例如,图中若是三类土时,
H>1.50m才能计算放坡。
2、表中,人工挖四类土超过2m深时,放坡系数为1:,含义是每
挖深1m,放坡宽度b就增加0.25m。
3、从图中可以看出,放坡宽度b与深度H和放坡角度a之间的关系
是正切函数关系,即tana=b/H,不同的土壤类别取不同的a角度值,所以不难看出,放坡系数就是根据tana来确定。
例如,三类土的tana=b/H=,我们将tana=K来表示放坡系数,故放坡宽度b=KH。
土方开挖放坡系数根据土方工程定额,对计算挖沟槽土方放坡系数规定如下:(1)挖土深度在l m以内,不考虑放坡;(2)挖土深度在1.0l m~2.00m,按l:0.5放坡;(3)挖土深度在2.0l m~4.00m,按l:0.7放坡;(4)挖土深度在4.01m~5.00m,按1:1放坡;(5)挖土深度大于5m,按土体稳定理论计算后的边坡进行放坡。
放坡系数为高宽比普土:放坡起点:1.2m,放坡系数,人工挖:1:0.5,机械挖:1:0.33(坑内),1:0.75(坑上作业)坚土:放坡起点:1.8m,放坡系数,人工挖:1:0.3,机械挖:1:0.2(坑内作业),1:0.5(坑上作业)混合土:放坡起点:1.5m, K=(k1h1+k2h2)/hk--综合放坡系数k1k2--不同土类放坡系数h1h2--不同土类的厚度h--放坡总深度挖地槽、地坑、土方需放坡者,可按下表规定的放坡起点及放坡系数计算工程量。
土方工程放坡系数表土类别放坡起点(m)人工挖土机械挖土在沟槽、坑内作业在沟槽侧、坑边上作业顺沟槽方向坑上作业一、二类 1.20 1:0.5 1:0.33 1:0.75 1:0.50土三类土 1.50 1:0.33 1:0.25 1:0.67 1:0.33四类土 2.00 1:0.25 1:0.10 1:0.33 1:0.25放坡起点:1.混凝土垫层由垫层底面开始放坡,2.灰土垫层由垫层上表面开始放坡,3.无垫层的由底面开始放坡。
注意:计算工程量时,地槽交接处放坡产生的重复工程量不予扣除。
因土质不好,基础处理采用挖土、换土时,其放坡点应从实际挖深开始。
在挖土方、槽、坑时,如遇不同土壤类别,应根据地质勘测资料分别计算。
边坡放坡系数可根据各土壤类别及深度加权取定这张表的数据并不是在每个地方都适用,只是通用规则,根据2009年新规范讲义:土类单一土质时,普通土(一二类)开挖深度大于1.2米开始放坡(K=0.50),坚土(三四类)开挖深度大于1.7米开始放坡(K=0.30).土类混合土质时,开挖深度大于1.5米开始放坡,然后按照不同土质加权计算放坡系数K.。
土方开挖放坡系数根据土方工程定额,对计算挖沟槽土方放坡系数规定如下:(1)挖土深度在lm以内,不考虑放坡;(2)挖土深度在1。
0l m~2.00m,按l:0.5放坡;(3)挖土深度在2。
0l m~4.00m,按l:0。
7放坡;(4)挖土深度在4。
01m~5。
00m,按1:1放坡;(5)挖土深度大于5m,按土体稳定理论计算后的边坡进行放坡。
放坡系数为高宽比普土:放坡起点:1.2m,放坡系数,人工挖:1:0。
5,机械挖:1:0.33(坑内),1:0.75(坑上作业)坚土:放坡起点:1.8m,放坡系数,人工挖:1:0。
3,机械挖:1:0。
2(坑内作业),1:0。
5(坑上作业)混合土:放坡起点:1.5m, K=(k1h1+k2h2)/hk——综合放坡系数k1k2—-不同土类放坡系数h1h2--不同土类的厚度h-—放坡总深度挖地槽、地坑、土方需放坡者,可按下表规定的放坡起点及放坡系数计算工程量.土方工程放坡系数表放坡起点:1。
混凝土垫层由垫层底面开始放坡,2。
灰土垫层由垫层上表面开始放坡,3。
无垫层的由底面开始放坡。
注意:计算工程量时,地槽交接处放坡产生的重复工程量不予扣除。
因土质不好,基础处理采用挖土、换土时,其放坡点应从实际挖深开始。
在挖土方、槽、坑时,如遇不同土壤类别,应根据地质勘测资料分别计算。
边坡放坡系数可根据各土壤类别及深度加权取定这张表的数据并不是在每个地方都适用,只是通用规则,根据2009年新规范讲义:土类单一土质时,普通土(一二类)开挖深度大于1.2米开始放坡(K=0。
50),坚土(三四类)开挖深度大于1.7米开始放坡(K=0。
30).土类混合土质时,开挖深度大于1.5米开始放坡,然后按照不同土质加权计算放坡系数K.。
土方开挖放坡系数根据土方工程定额,对计算挖沟槽土方放坡系数规定如下:(1) 挖土深度在Im以内,不考虑放坡;(2) 挖土深度在1.01m〜2.00m ,按1: 0.5 放坡;(3) 挖土深度在2. 0Im〜4.0 0 m ,按I : 0.7放坡;(4) 挖土深度在4. 01m〜5. 0 0m ,按1 : 1放坡;(5) 挖土深度大于5 m ,按土体稳定理论计算后的边坡进行放坡。
放坡系数为高宽比普土:放坡起点:1.2m ,放坡系数,人工挖:1 :0.5 ,机械挖:1:0.3 3 (坑内),1 :0.7 5 (坑上作业) 坚土:放坡起点:1. 8m ,放坡系数,人工挖:1:0.3 ,机械挖:1 :0.2 (坑内作业),1 :0.5 (坑上作业)混合土:放坡起点:1. 5m, K= (k1 h1 + k2h2)/hk--综合放坡系数k1 k2--不同土类放坡系数h1 h2--不同土类的厚度h--放坡总深度挖地槽、地坑、土方需放坡者,可按下表规定的放坡起点及放坡系数计算工程量。
土方工程放坡系数表土类别放坡起点(m) 人工挖土机械挖土在沟槽、坑内作业在沟槽侧、坑边上作业顺沟槽方向坑上作业一、二类土1.201 : 0.5 1 : 0.33 1: 0.75 1: 0.50 三类土 1.50 1 : 0.33 1 : 0.25 1: 0.67 1: 0.33四类土2.001 : 0.25 1 : 0.10 1: 0.33 1: 0.25放坡起点:1. 混凝土垫层由垫层底面开始放坡,2. 灰土垫层由垫层上表面开始放坡,3. 无垫层的由底面开始放坡。
注意:计算工程量时,地槽交接处放坡产生的重复工程量不予扣除。
因土质不好,基础处理采用挖土、换土时,其放坡点应从实际挖深开始。
在挖土方、槽、坑时,如遇不同土壤类别,应根据地质勘测资料分别计算。
边坡放坡系数可根据各土壤类别及深度加权取定这张表的数据并不是在每个地方都适用,只是通用规则,根据 2009年新规范讲义:土类单一土质时,普通土(一二类)开挖深度大于1.2米开始放坡(K= 0.5 0),坚土(三四类)开挖深度大于1.7米开始放坡(K= 0.3 0).土类混合土质时,开挖深度大于1.5米开始放坡,然后按照不同土质加权计算放坡系数K.。
《XX 市特别重大事故应急处理预案》
1
土方开挖工程放坡系数表
说明:
1、放坡起点深是指,挖土方时,各类土超过表中的放坡起点深时,
才能按表中的系数计算放坡工程量。
例如,图中若是三类土时,H>1.50m 才能计算放坡。
2、表中,人工挖四类土超过2m 深时,放坡系数为1:0.25,含义
是每挖深1m ,放坡宽度b 就增加0.25m 。
3、从图中可以看出,放坡宽度b 与深度H 和放坡角度a 之间的关系
是正切函数关系,即tana=b/H ,不同的土壤类别取不同的a 角度值,所以不难看出,放坡系数就是根据tana 来确定。
例如,三类土的tana=b/H=0.33,我们将tana=K 来表示放坡系数,故放坡宽度b=KH 。
土方开挖放坡系数根据目前用的《建筑工程消耗量标准》在第一章:土方工程:沟槽开挖放坡系数土壤类别放坡起点(m)人工挖土机械挖土在坑上作业在坑内作业一、二类土1.201:0.51:0.331:0.75三类土 1.501:0.331:0.251:0.67四类土 2.001: 0.251: 0.101: 0.33破度系数:指坡面水平方向的投影长度与它在垂直方向的投影长度的比值,与坡度互为倒数。
坡度系数用K表不,即K = b/a首先,土方边坡坡度= H/B(基坑高度/放坡宽度)然后,(定额中)放坡系数= 1/(B/H)所以,m = B/H称为坡度系数根据土方工程定额,对计算挖沟槽土方放坡系数规定如下:(1)挖土深度在Im以内,不考虑放坡;(2)挖土深度在1.01m〜2・00m,按丨:0.5放坡;(3)挖土深度在2.0lm-4.00m,按丨:0.7放坡;(4)挖土深度在4.01m〜5・00m,按「1放坡;(5)挖土深度大于5m ,按土体稳定理论计算后的边坡进行放坡。
普土:放坡起点:1.2m,放坡系数,人工挖:1:0.5, 机械挖:1:0.33坑内,1:0.75坑上作业坚土:放坡起点:1.8m ,放坡系数,人匚挖:1:0.3,机械挖:1:0.2坑内作业,1:0.5坑上作业放坡系数为高宽比混合土:放坡起点:1.5m z K = (klh l + k2h2)/hk ••综合放坡系数klk2-不同土类放坡系数h lh2--不同土类的厚度h・•放坡总深度放坡系数表挖地槽、地坑、土方需放坡者,可按下表规定的放坡起点及放坡系数计算工程量。
土方工程放坡系数表--------- 1I 土壤I放坡起点II人工挖土卜I类别I ( m )I在坑内作业挖土-~T —I在坑上作业|一一T I 普硬土I 1.40 | 1:0.37 1:0.27 | 1:0.69I 坚硬土 | 2.00 | 1:0.25 | 1:0.101:0.33I _________ L_____ I放坡起点:混凝土垫层由垫层底面开始放坡,2•灰土垫层由垫层上表面开始放坡,3•无垫层的由底面开始放坡。
(2)挖土深度在1.01m~2.00m,按1:0.5放坡;
(3)挖土深度在2.01m~4.00m,按1:0.7放坡;
(4)挖土深度在4.01m~5.00m,按1:1放坡;
(5)挖土深度大于5m,按土体稳定理论计算后的边坡进行放坡。
据并不是在每个地方都适用,只是通用规则,根据2009年新规范讲义:土类单一土质时,普通土(一二类)开挖深度大于 1.2米开始放坡(K=0.50),坚土(三四类)开挖深度大于 1.7米开始放坡(K=0.30).土类混合土质时,开挖深度大于1.5米开始放坡,然后按照不同土质加权计算放坡系数K.建筑工程施工手册中对放坡系数的规定放坡高度、比例确定表土壤类别放坡深度规定(m)高于宽之比人工挖土机械挖
0.101:0.33注:1.沟槽、基坑中土壤类别不同时,分别按其土壤类别、放坡比例以不同土壤厚度分别计算;2.计算放坡工程量时交接处的重复工程量不扣除,符合放坡深度规定时才能放坡,放坡高度应自。
土石方开挖放坡系数计算法土石方开挖放坡系数是指在进行土石方开挖时,为了保证斜坡的稳定和安全性,所采用的一种系数计算方法。
在土石方开挖过程中,土壤的物理性质、坡面的坡度和坡高等因素会对斜坡的稳定性产生重要影响。
因此,通过计算开挖斜坡的放坡系数,可以合理确定施工方案和采取相应的支护措施,保障施工的顺利进行。
土石方开挖时,坡面经受到多方作用力,包括自重力、水压力、渗透力和地震力等。
为了保证斜坡的稳定性,需要施加一个最小安全系数。
这个系数是基于岩土工程的理论基础和实践经验得出的。
对于土石方开挖工程而言,开挖深度越大,施工的复杂度和安全风险就越高,因此需要更大的放坡系数来确保斜坡的稳定和安全。
经验法主要是通过分析历史斜坡失败案例,总结出不同情况下的放坡系数。
一般常用的经验法是根据坡面土体的性质和坡度,结合类似工程的经验进行判断。
例如,岩质边坡通常采用较大的放坡系数,而粉土和砂土等松散土的边坡则需要较小的放坡系数。
理论法主要是基于岩土力学和土力学的理论,通过计算土体的抗剪强度等参数来确定放坡系数。
这种方法需要分析土体的压实度、黏聚力等性质,并考虑到水分影响、渗透率和地震力等因素,从而得出合理的放坡系数。
在计算放坡系数时,需要同时考虑坡面的稳定性和工程经济性。
较小的放坡系数可以提高开挖斜坡的稳定性,但同时也会增加开挖量和投资成本。
因此,需要在满足安全要求的前提下,尽量选取经济合理的放坡系数。
另外,在进行土石方开挖施工时,还需要采取相应的支护措施来提高斜坡的稳定性。
常用的支护措施包括喷锚、挡土墙、做筑堤,并进行排水和防护设计等。
这些措施能够有效地提高斜坡的抗滑性和抗冲刷性,保障开挖施工的顺利进行。
总之,土石方开挖放坡系数是进行土石方开挖施工的重要参数之一、通过合理计算放坡系数,可以确保斜坡的稳定和安全性,为施工提供可靠的依据。
在进行施工时,还需要采取相应的支护措施来进一步提高斜坡的稳定性。
这样才能确保土石方开挖施工的安全和顺利进行。
土方开挖放坡系数
根据目前用的《建筑工程消耗量标准》在第一章:土方工程:开挖放坡系数
土壤类别放坡起点(m)人工挖土机械挖土
在坑上作业
在坑内作业
一、二类土1.201:0.51:0.33
1:0.75
三类土 1.501:0.331:0.25
1:0.67
四类土 2.001:0.251:0.10
1:0.33
破度系数:指坡面水平方向的投影长度与它在垂直方向的投影长度的比值,与坡度互为倒数。
坡度系数用K表示,即K=b/a
首先,土方坡度=H/B(基坑高度/放坡宽度)
然后,(定额中)放坡系数=1/(B/H)
所以,m=B/H称为坡度系数
根据土方工程定额,对计算挖沟槽土方放坡系数规定
如下:
(1)挖土深度在l m以内,不考虑放坡;
(2)挖土深度在1.0l m~2.00m,按l:0.5放坡;
(3)挖土深度在2.0l m~4.00m,按l:0.7放坡;
(4)挖土深度在4.01m~5.00m,按1:1放坡;
(5)挖土深度大于5m,按土体稳定理论计算后的边坡
进行放坡。
普土:放坡起点:1.2m,放坡系数,人工挖:1:0.5,机械挖:1:0.33坑内,1:0.75坑上作业
坚土:放坡起点:1.8m,放坡系数,人工挖:1:0.3,机械挖:1:0.2坑内作业,1:0.5坑上作业
放坡系数为高宽比
混合土:放坡起点:1.5m,K=(k1h1+k2h2)/h
k--综合放
坡系数
k1k2--不
同土类放坡系数
h1h2--不
同土类的厚度
h--放坡总
深度
表
、地坑、土方需放坡者,可按下表规定的及计算。
表
┏━━━┯━━━━┯━━━━┯━━━━━━━━
━━━┓
┃土壤│││机械挖土
┃
┃││人工挖土├—————┬—————
┃类别│(m)││在坑内作
业│在坑上作业┃┠———┼———┼————┼—————┼—————┨┃普硬土│ 1.40│1:0.37
│1:0.27│1:0.69┃
┃坚硬土│ 2.00│1:0.25│
1:0.10│1:0.33┃
┗━━━┷━━━┷━━━━┷━━━━━┷━━━━━┛
:
1.由底面开始放坡,
2.由上表面开始放坡,
3.无垫层的由底面开始放坡。
注意:
计算时,交接处放坡产生的重复不予扣除。
因土质不好,基础处理采用挖土、换土时,其放坡点应从实际挖深开始。
在挖土方、槽、坑时,如遇不同,应根据地质勘测资料分别计算。
放坡系数可根据各及深度取定
这张表的数据并不是在每个地方都适用,只是通用规则,根据2009年新规范讲义:
土类单一土质时,普通土(一二类)开挖深度大于1.2米开始放坡(K=0.50),坚土(三四类)开挖深度大于1.7米开始放坡(K=0.30).
土类混合土质时,开挖深度大于1.5米开始放坡,然后按照不同土质计算放坡系数K.。