安全费用计划和投入台账
- 格式:docx
- 大小:22.18 KB
- 文档页数:4
学校安全生产经费的记录台账1. 背景为确保学校的安全生产工作得到有效管理和监督,需要建立一份记录台账,用于记录学校安全生产经费的收支情况。
本文档旨在规范学校安全生产经费的管理,确保资金使用合理、透明,并提供相关的记录模板。
2. 记录台账的目的- 确保学校安全生产经费的使用符合相关法律法规和学校规定;- 提供资金使用情况的透明度,便于监督和审计;- 为学校安全生产经费的编制和分配提供参考依据。
3. 记录台账的内容学校安全生产经费的记录台账应包括以下内容:- 经费来源:明确经费的来源,如学校预算、政府拨款等;- 经费用途:详细描述每笔经费的使用目的,如购买安全设备、培训安全人员等;- 经费金额:记录每笔经费的具体金额;- 经费日期:记录经费的发生日期;- 经费支出部门:标明使用经费的部门或单位;- 相关附件:如有与经费相关的、合同等文件,应进行编号并与记录台账关联。
4. 记录台账的管理和维护为保证记录台账的准确性和完整性,应采取以下管理和维护措施:- 指定专人负责记录台账,确保记录的及时性和准确性;- 对每一笔经费进行编号,并进行分类,方便查询和统计;- 定期进行台账的审查和核对,确保记录的完整和准确;- 对台账中的附件进行妥善保存,确保文件的完整性和安全性;- 在台账末尾留有空白页,用于记录台账的修改和调整。
5. 参考模板以下是学校安全生产经费记录台账的参考模板:6. 结论通过建立学校安全生产经费的记录台账,可以有效管理和监督资金的使用,确保安全生产工作的有效开展。
记录台账的管理和维护是保证台账准确性和完整性的关键,需要指定专人负责并定期审查核对。
以上提供的参考模板可供学校进行记录台账的实践。
序号资金用途
1机械保养、维修、更换
2电线、开关、插座更换维修
3消防器材设施保养、更换增补个人工作防护用品、工作场所4
防护
5职业病检查与预防
6安全培训费用
7员工意外保险
8应急救援演练
xxxxxxxxxxxxxxxxxx有限公司
2018 年度安全生产费用投入计划
提出部门直接实施部门协助部门预算费用(元)备注生产部生产部人事部
生产部生产部人事部
人事部生产部人事部
生产部生产部人事部
人事部生产部人事部
人事部生产部人事部
人事部生产部人事部
人事部全厂人员人事部
9
合计
xxxxxxxxxxxxxxxxxx有限公司
序号1 2 3 4 5 6
2018 年度安全生产费用投入台账
资金用途金额经手人预算费用(元)备注机械保养、维修、更换
电线、开关、插座更换维修
消防器材设施保养、更换增补
个人工作防护用品、工作场所防护
职业病检查与预防
员工意外保险
合计。
安全生产投入台账范本近年来,安全生产已经成为了社会发展的重中之重。
为了保障员工的生命安全和财产安全,企业必须加强对安全生产的投入。
因此,建立起安全生产投入台账非常必要。
一、项目名称:安全生产投入二、开始日期:XXXX年XX月XX日结束日期:XXXX年XX月XX 日三、投入对象:企业安全生产工作四、投入内容:1. 人员培训投入:包括安全教育、培训课程和研讨会等。
通过提供相关培训,使员工了解工作中的潜在风险,学习应对紧急情况的技能,提高安全意识和能力。
2. 安全设备投入:购置和维修各类必要的安全设备和防护用具,如防护服、护目镜、安全帽、防护手套等。
确保员工在工作中拥有必要的保护装备,降低事故和伤害的发生。
3. 安全标识投入:设立明显的安全标识和警示标志,在必要的位置进行合理设置。
通过标识传达安全信息,提醒员工注意安全,增强员工的自觉性,确保员工的安全。
4. 安全设施投入:对工作场所的安全设施进行改进和完善,如增加防护栏杆、防爆门窗、紧急疏散通道等,以确保员工在工作环境中的安全。
5. 应急预案投入:编制和宣传应急预案,加强应急演练。
在发生事故或突发情况时,能够迅速有效地处理,减少损失,保护员工的生命财产安全。
五、投入金额:XXXX元六、投入效果:1. 员工安全意识的提升:通过人员培训投入,员工的安全意识得到了有效提升,能够主动预防和应对潜在风险,减少事故的发生。
2. 紧急情况应对能力的增强:通过安全设备投入和应急预案投入,提高了员工应对紧急情况的能力,能够迅速做出正确反应,降低伤害和损失。
3. 工作环境的改善:通过安全标识投入和安全设施投入,改善了工作环境,减少了潜在的危险因素,提升了员工的工作舒适度。
七、审核和验收:经相关部门审核和验收,确认投入台账内容的合理性和有效性。
八、备注:如有其他需要补充说明的事项,请在此栏填写。
通过建立安全生产投入台账,企业能够更好地管理和使用安全投入资源,提高工作效率和安全水平。
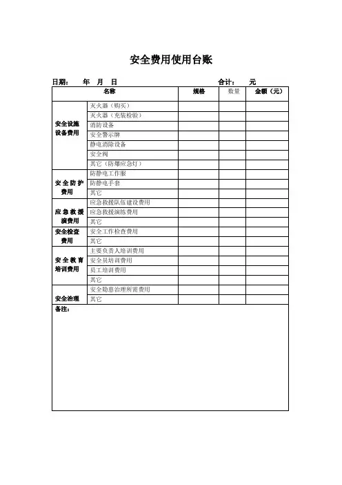
安全生产费用使用台账1、安全生产经费投入台账怎么做?是表格还是文件是表格台账一般都是表格的形式分为费用支出原因费用类型时间备注2、酒厂的安全生产费用提取台账怎么做,急求生产白酒的厂家产品一般是乙醇饮料,属危化品生产企业。
按照《关于印发〈企业安全生产费用提取和使用管理办法〉的通知》(财企〔2012〕16号):第八条:危险品生产与储存企业以上年度抄实际营业收入为计提依袭据,采取超额累退方式按照以下标准平均逐月提取:(一)营业收入不超过1000万元的,按照4%提取;(二)营业收入超过1000万元至1亿元的部分,按照2%提取;(三)营业收入zd超过1亿元至10亿元的部分,按照0.5%提取;(四)营业收入超过10亿元的部分,按照0.2%提取。
台帐就是列个表格,写一下上年销售收入多少,安全生产费用共计多少,都用于什么方面了,每一项具体是多少体现出来就行了。
3、安全生产费用管理台账?自己建立个表格就可以了4、安全生产文明施工措施费用台帐如何建立?一、确保建筑工程安全防护、文明施工措施费落实到位安全生产、文明施工措施费由文明施工费、环境保护费、临时设施费和安全施工费组成,具体内容包括:安全资料的编制、安全施工标志的购置及宣传栏的设置、安全培训及教育等费用;“三宝”、“四口”、“五临边”防护费用;施工安全用电、起重机械设备、施工机具防护围栏、地下作业防护、抢险应急性措施、提升架体安全网购置、消防设施费用以及施工现场围栏与装饰,五牌一图,临时办公、宿舍、食堂、卫生、场地排水排污、除四害设施等费用。
安全生产、文明施工措施费在工程项目招投标时单项设定,计入标底总造价,不得随意降低。
投标方安全防护、文明施工措施的报价,不得低于依据工程所在地工程造价管理机构测定费率计算所需费用总额的90%。
具体为:(一)房屋建筑为1.66—2. 5%:1、分部分项工程费用300万元以内为2. 5%;2、分部分项费用500万元以内为1. 87%;3、分部分项工程费用1000万元以内为1. 78%;4、分部分项工程费用1000万元以上的为1.66%。
安全生产费用提取与使用台账一、费用提取1.安全生产费用的提取是指根据实际需要,按照相关规定从企业的财务中提取一定比例的资金用于安全生产的投入。
一般来说,安全生产费用提取的比例是根据企业的实际情况和所属行业的安全生产费用支出标准来确定的。
3.安全生产费用的提取必须符合以下原则:(1)按照法律法规的规定提取,不得低于规定标准;(2)提取的资金应专款专用,不得挪作他用;(3)提取资金的时间应按照法定要求进行,不得恶意拖延;(4)提取的资金应有明确用途和合理预算。
4.提取安全生产费用的程序:(1)制定提取安全生产费用的计划;(2)按计划提取费用,并将费用划入专门账户;(3)编制费用使用预算;(4)严格按照费用使用预算进行费用的支出;(5)对费用的使用情况进行定期审核和报告。
二、费用使用1.安全生产费用的使用是指按照相关规定和费用使用预算,将提取的费用用于安全生产工作的投入,包括但不限于购买安全防护设备、进行安全教育培训、组织安全检查等。
2.安全生产费用的使用必须符合以下原则:(1)按照费用使用预算进行,不得超出预算范围;(2)使用资金应专款专用,不得挪作他用;(3)使用资金应公开透明,接受监督;(4)使用资金应合理高效,确保安全生产工作的顺利进行。
3.费用使用的程序:(1)根据费用使用预算,进行相关资金的申请;(2)经审核后,将资金划拨到相关户头;(3)根据安全生产工作的需要,按照预算计划进行资金的支出;(4)在支出完成后,及时做好相关凭证和账务处理。
三、台账管理1.安全生产费用提取和使用的情况要进行台账管理,以便对费用的提取和使用情况进行监督和评估。
2.台账的内容包括但不限于:提取费用的金额、提取费用的时间、费用使用的用途和金额、费用使用的时间、费用的支出凭证等。
3.台账管理的具体做法包括:(1)按照提取和使用的时间顺序,依次记录相关信息;(2)对每一笔费用提取和使用进行核对,并进行相应的凭证和账务处理;(3)定期对台账进行审核和报告,确保其准确性和及时性;(4)对台账进行保管,以备日后查阅和审计。
驾校安全资金计划及提取使用台账下载提示:该文档是本店铺精心编制而成的,希望大家下载后,能够帮助大家解决实际问题。
文档下载后可定制修改,请根据实际需要进行调整和使用,谢谢!本店铺为大家提供各种类型的实用资料,如教育随笔、日记赏析、句子摘抄、古诗大全、经典美文、话题作文、工作总结、词语解析、文案摘录、其他资料等等,想了解不同资料格式和写法,敬请关注!Download tips: This document is carefully compiled by this editor. I hope that after you download it, it can help you solve practical problems. The document can be customized and modified after downloading, please adjust and use it according to actual needs, thank you! In addition, this shop provides you with various types of practical materials, such as educational essays, diary appreciation, sentence excerpts, ancient poems, classic articles, topic composition, work summary, word parsing, copy excerpts, other materials and so on, want to know different data formats and writing methods, please pay attention!一、安全资金计划。
为保障驾校的安全工作,并及时处理应急事务,我们制定了驾校安全资金计划,确保安全资金的专款专用,以下为具体内容:1. 安全资金总额:50000元。
表C.1.3安全生产费用计划工程名称:工程总造价:( 万元)费率( %) 费用( 万元)序号 类别 项目名称 计划费用/万元1 完善、改造和维护安全防护设施设备支出 四口五临边等防护设施安全警示、警告标识、标牌及安全宣传栏等购买、制作、安装及维修、维护2 应急救援技术装备、设施配置及维护保养支出,事故逃生和紧急避难设施设备的配置和应急救援队伍建设、应急预案制修订与应急演练支出各种应急救援设备及器材,救生衣、圈、急救药等配备更新消防器材及设备3 开展施工现场重大危险源检测、评估、监控支出,安全风险分级管控和事故隐患排查整改支出,工程项目安全生产信息化建设、运维和网络安全支出对重大危险源、重大事故隐患进行辨别、评估安全检测、评估费用4安全生产检查、评价(不包括新建、改建、扩建项目安全评价)、咨询和标准化建设支出各级安全生产检查、评价费5 配备和更新现场作业人员安全防护用品支出 安全帽 安全带 安全网6安全生产宣传、教育、培训和从业人员发现并报告事故隐患的奖励支出 三类人员和特种作业人员的安全教育培训购置编印安全生产书籍、刊物、影像资料等7安全生产适用的新技术、新标准、新工艺、新装备的推广应用支出新技术推广费8 安全设施及特种设备检测检验、检定校准支出特种机械设备、压力容器、避雷设施等检测费9 安全生产责任保险支出10 其他与安全生产直接相关的支出合计审批: 编制部门: 编制人: 日期:表C.1.4安全生产费用使用台账 工程名称:序号 项目 计划费用/万元当月费用/万元累计费用/万元剩余费用/万元备注1 完善、改造和维护安全防护设施设备支出1.1 四口五临边等防护设施1.2 安全警示、警告标识、标牌及安全宣传栏等购买、制作、安装及维修、维护2 应急救援技术装备、设施配置及维护保养支出,事故逃生和紧急避难设施设备的配置和应急救援队伍建设、应急预案制修订与应急演练支出2.1 各种应急救援设备及器材,救生衣、圈、急救药等2.2 配备更新消防器材及设备3 开展施工现场重大危险源检测、评估、监控支出,安全风险分级管控和事故隐患排查整改支出,工程项目安全生产信息化建设、运维和网络安全支出4 安全生产检查、评价(不包括新建、改建、扩建项目安全评价)、咨询和标准化建设支出5 安全生产宣传、教育、培训支出6 安全生产宣传、教育、培训和从业人员发现并报告事故隐患的奖励支出7 安全生产适用的新技术、新标准、新工艺、新装备的推广应用支出8 安全设施及特种设备检测检验、检定校准支出9 安全生产责任保险支出10 其他与安全生产直接相关的支出合计表格填写说明1、表格《表C.1.3安全生产费用计划》、《表C.1.4安全生产费用使用台账》来源于《四川省建设工程施工现场安全资料管理标准》;2、必须投入安全生产费用,依据:①《安全生产法》第二十三条 生产经营单位应当具备的安全生产条件所必需的资金投入,由生产经营单位的决策机构、主要负责人或者个人经营的投资人予以保证,并对由于安全生产所必需的资金投入不足导致的后果承担责任。
安全措施费使用台账及计划篇一:安全文明措施费使用台账工程名称:巴南区松花江小学建设工程工程名称:编制:复核:时间:篇二:安全措施费支出台账篇三:安全防护措施费用使用计划台账XXXXX项目安全防护措施费用使用台账编制单位:广西华宇建工有限责任公司编制人:审核人:日期:目录一、建设工程质量监督登记和安全措施备案办事指南 (2)二、关于“数字工地”图片信息报送标准的工作要求(房建部分) (7)三、南宁市建设工程安全防护、文明施工措施费用支付申请表 (9)四、南宁市建设工程安全防护、文明施工措施项目落实情况签认表 (10)五、建设工程开工安全生产条件验收表安全附表一 (11)六、建设工程安全生产、文明施工分段验收表安全附表二 (12)七、工程情况说明 (13)一、建设工程质量监督登记和安全措施备案办事指南一、事项名称:建设工程质量监督登记和安全措施备案(非行政许可)二、设定依据:《建设工程质量管理条例》(国务院令第279号)《广西建设工程质量管理条例》《建设工程安全生产管理条例》(国务院令第393号)三、申请条件:建设工程以项目标段为单位办理质量安全监督登记。
施工现场完成《南宁市建设工程安全措施备案施工现场核查内容》所列工作,并将现场情况拍照形成图片资料上传到监督系统(网址:):(一)施工现场应封闭施工现场应根据工程类型、特点及所处位臵设臵符合要求的封闭围挡。
1、房屋建筑及其附属设施工程、装修工程、建(构)筑物工程、临时建筑建设及拆除、设备安装(:安全措施费使用台账及计划)工程的封闭要求:(1)在市区主要道路临街的施工现场,应沿周边连续设臵高度不低于2.5m的砖砌围挡墙;(2)在其他区域的施工现场,应沿周边连续设臵高度不低于2.0m的砖砌围挡墙;(3)围挡墙应坚固安全,内外保持整洁,并采用彩绘等形式进行美化、亮化和反映绿城建设或企业文化特点;(4)市区主要道路砖砌围挡墙上部应设臵彩瓦压顶;2、市政基础设施及其配套工程、管线敷设和园林绿化工程的封闭要求:(1)市政基础设施工程围挡高度不得低于1.8m,采用上部通透式围挡;(2)管线敷设及园林绿化工程的围挡高度不得低于0.9m,开挖区域必须进行围挡,并做好警示标志;(3)围挡材料应采用整洁、美观、牢固、形式统一的装配式活动板材,不得使用石棉瓦、塑料布、土工布、纺织布、竹串片板、安全网等易变形材料,不得采用警示带代替围挡。
三、安全费用提取和使用管理制度(含相关应用表格)1.目的为建立公司安全生产投入的长效机制,做到有计划地改善设备设施的安全性和劳动条件,保证员工的合法权益,使公司安全费用投入得到保障,特制订本制度。
2.适用范围本制度适用于公司各项安全费用的提取以及使用管理。
3.职责3.1总经理对安全费用投入负全面领导责任。
负责审批安全费用提取、安全投入计划、经费使用报告、安全经费提取和使用情况年度报告。
3.2财务部负责对安全费用进行统一管理,审核安全费用提取、安全投入计划、安全经费使用等,根据年度安全生产计划,做好资金的投入落实工作,建立安全经费台帐,确日常检查全投入迅速及时,做到专款专用。
3.3各单位负责编制本单位安全投入计划,编制安全投入报告,具体实施安全经费投入,建立本单位安全经费投入台帐,并汇总到行政部。
3.4财务部负责审核、汇总并编制公司安全投入计划,审核安全投入报告,监督检查安全投入落实情况,汇总并建立公司安全经费投入台帐,编制年度安全经费提取和投入情况报告。
4.安全费用的范围安全生产费用是指干啥按照规定标准提取,在成本中列支,专门用于完善和改进公司安全生产条件的资金。
4.1安全宣传教育、培训:如用于安全生产宣传教育、培训的标语、宣传画、影碟、学习资料;举办的安全生产展览;企业负责人、安全管理人员和从业人员以及特种设备作业人员的培训、考核、取证的费用预算等。
4.2 安全生产标牌:用于生产作业场所的安全警示标志、危险化学品告知牌、尘毒物作业点告知牌、安全生产管理制度牌、定置管理的物品放置牌、定置管理图板等。
4.3 为了保障生产过程中职工的安全与健康而配备符合国家标准或者行业标准的个体防护用品如工作服、工作帽、工作鞋、安全帽、安全带、安全网、防护手套、防护眼镜、防护口罩、毛巾、洗手液等。
4.4保健津贴、高温天气补贴、清凉饮料及饮品等。
4.5 体检、监测费用如特种作业人员、有毒有害作业人员的职业健康体检;特种设备、有毒有害作业点的检测、监测、防雷设施、防静电设施的检测等。
2020年度安全生产费用使用计划为进一步加强企业安全管理,确保企业对安全技术措施经费使用及时、到位,依据公司《安全生产费用提取和使用管理制度》的规定,对2020年度安全生产费用的提取及使用做如下规划:公司2019年度实际营业收入为万元,以此为依据,2020年度我公司安全生产费用的总提取额为万元,专项用于安全生产及安全教育培训等方面。
1、用于完善、改造和维护安全防护设备设施的费用,预计使用金额为万元左右。
2、安全生产教育培训和配备劳动防护用品的的费用:用于购置或编印安全技术、劳动保护、安全知识的参考书刊物、宣传画、标语、幻灯片及教育光盘等;企业和项目有关管理人员的培训和再教育费用;特种操作工人和一般工人的教育培训;各类证照的年检、换证工作;用于购买、管理劳动保护用品,对达到使用年限的劳保产品根据规定进行更换等。
该项目预计使用金额为万元左右。
3、设备设施安全性能检测检验的的费用:机械设备、施工机具及配件进行定期的维护、保养和检测费用,对不合格的或安全性能不能满足施工安全需要的设备进行换代升级的费用等。
该项目预计使用金额为万元左右。
4、应急救援器材、装备的配备及应急救援演练的费用预计使用金额为万元左右。
5、安全检查、事故隐患评估和整改的费用预计使用金额为万元左右。
6、安全生产检测、评价(不包括新建、改建、扩建项目安全评价)和咨询及标准化建设的费用预计使用金额为万元左右。
7、安全标志及标识的购买和制作等费用的费用预计使用金额为万元左右。
8、其他与安全生产直接相关的物品或活动用途的费用:企业和项目有关安全生产管理部门和人员的办公费用;职业危害防护设施、职业危害因素检测和职业健康体检;公司购买的保险合同的新签订和续约费用;公司对有关部门及人员的安全生产奖励;安全文化建设方面等。
该项目预计使用金额为万元左右。
附:2020年安全生产费用预算计划表2020年度安全费用预算计划表。
安全措施费使用台账及计划篇一:安全文明措施费使用台账工程名称:巴南区松花江小学建设工程工程名称:编制:复核:时间:篇二:安全措施费支出台账篇三:安全防护措施费用使用计划台账XXXXX项目安全防护措施费用使用台账编制单位:广西华宇建工有限责任公司编制人:审核人:日期:目录一、建设工程质量监督登记和安全措施备案办事指南 (2)二、关于“数字工地”图片信息报送标准的工作要求(房建部分) (7)三、南宁市建设工程安全防护、文明施工措施费用支付申请表 (9)四、南宁市建设工程安全防护、文明施工措施项目落实情况签认表 (10)五、建设工程开工安全生产条件验收表安全附表一 (11)六、建设工程安全生产、文明施工分段验收表安全附表二 (12)七、工程情况说明 (13)一、建设工程质量监督登记和安全措施备案办事指南一、事项名称:建设工程质量监督登记和安全措施备案(非行政许可)二、设定依据:《建设工程质量管理条例》(国务院令第279号)《广西建设工程质量管理条例》《建设工程安全生产管理条例》(国务院令第393号)三、申请条件:建设工程以项目标段为单位办理质量安全监督登记。
施工现场完成《南宁市建设工程安全措施备案施工现场核查内容》所列工作,并将现场情况拍照形成图片资料上传到监督系统(网址:):(一)施工现场应封闭施工现场应根据工程类型、特点及所处位臵设臵符合要求的封闭围挡。
1、房屋建筑及其附属设施工程、装修工程、建(构)筑物工程、临时建筑建设及拆除、设备安装(:安全措施费使用台账及计划)工程的封闭要求:(1)在市区主要道路临街的施工现场,应沿周边连续设臵高度不低于2.5m的砖砌围挡墙;(2)在其他区域的施工现场,应沿周边连续设臵高度不低于2.0m的砖砌围挡墙;(3)围挡墙应坚固安全,内外保持整洁,并采用彩绘等形式进行美化、亮化和反映绿城建设或企业文化特点;(4)市区主要道路砖砌围挡墙上部应设臵彩瓦压顶;2、市政基础设施及其配套工程、管线敷设和园林绿化工程的封闭要求:(1)市政基础设施工程围挡高度不得低于1.8m,采用上部通透式围挡;(2)管线敷设及园林绿化工程的围挡高度不得低于0.9m,开挖区域必须进行围挡,并做好警示标志;(3)围挡材料应采用整洁、美观、牢固、形式统一的装配式活动板材,不得使用石棉瓦、塑料布、土工布、纺织布、竹串片板、安全网等易变形材料,不得采用警示带代替围挡。
安全生产经费在学校的登记台账1. 背景安全生产是学校工作中非常重要的一项内容,为了保障学校师生的生命安全和财产安全,学校需要合理安排和管理安全生产经费。
本文档旨在介绍安全生产经费在学校的登记台账的相关内容。
2. 目的登记台账是为了规范安全生产经费的使用和管理,确保经费使用合理、透明、有效。
通过登记台账,学校能够清晰记录安全生产经费的来源、用途和余额,为财务管理提供依据,同时方便对经费使用情况进行监督和审计。
3. 登记台账的内容登记台账应包括以下内容:3.1 经费来源记录安全生产经费的来源,包括学校自身拨款、政府补助、捐赠款项等。
3.2 经费用途记录安全生产经费的具体用途,如购买安全设备、维修维护设施、举办安全培训等。
3.3 经费支出记录每笔经费支出的金额、日期和用途,确保经费使用合规。
3.4 经费余额记录安全生产经费的余额,及时了解经费使用情况,合理安排经费的使用计划。
4. 登记台账的管理4.1 负责人指定专人负责登记台账的管理,确保登记的准确性和及时性。
4.2 定期更新定期更新登记台账,将经费收入和支出情况及时记录,确保经费的使用和管理能够得到有效监控。
4.3 审计和监督学校财务部门应对登记台账进行审计,确保经费使用合规;相关部门和监管机构可对登记台账进行监督,确保经费使用透明、公正。
5. 风险和对策登记台账的不完善可能导致经费使用的混乱和不透明,为了避免这种情况的发生,学校应采取以下对策:5.1 培训和意识提升加强相关人员对登记台账的培训,提高其意识和能力,确保登记的准确性和及时性。
5.2 内部控制建立完善的内部控制机制,确保经费使用过程的规范性和合规性。
5.3 外部监督与相关监管机构建立密切合作关系,接受监管部门的监督和指导,确保登记台账的使用和管理符合法规要求。
6. 结论登记台账是学校管理安全生产经费的重要工具,通过合理建立和管理登记台账,可以确保安全生产经费的使用和管理合规、透明。
学校应加强对登记台账的培训和意识提升,建立完善的内部控制机制,并接受外部监督,以确保经费使用的合规性和透明度。