三相桥式全控整流及有源逆变电路实验的仿真波形
- 格式:doc
- 大小:169.50 KB
- 文档页数:5
三相桥式全控整流及逆变电路matlab仿真电⼒电⼦技术课程设计系别:⾃动化系专业:⾃动化班级:1120393⼩组成员:费学智(25)薛阳(43)指导⽼师:周敏⽇期:2013年12⽉13⽇⽬录1.简要背景概述 (3)2.⼯作原理介绍 (3)3.主电路设计 (4)4. simulink仿真系统设计 (5)5.仿真结果分析 (7)6.总结(收获与体会) (17)7参考⽂献 (17)⼀简要背景概述随着社会⽣产和科学技术的发展,整流电路在⾃动控制系统、测量系统和发电机励磁系统等领域的应⽤⽇益⼴泛。
常⽤的三相整流电路有三相桥式不可控整流电路、三相桥式半控整流电路和三相桥式全控整流电路。
三相全控整流电路的整流负载容量较⼤,输出直流电压脉动较⼩,是⽬前应⽤最为⼴泛的整流电路。
它是由半波整流电路发展⽽来的。
由⼀组共阴极的三相半波可控整流电路和⼀组共阳极接法的晶闸管串联⽽成。
六个晶闸管分别由按⼀定规律的脉冲触发导通,来实现对三相交流电的整流,当改变晶闸管的触发⾓时,相应的输出电压平均值也会改变,从⽽得到不同的输出。
由于整流电路涉及到交流信号、直流信号以及触发信号,同时包含晶闸管、电容、电感、电阻等多种元件,采⽤常规电路分析⽅法显得相当繁琐,⾼压情况下实验也难顺利进⾏。
Matlab提供的可视化仿真⼯具Simulink可直接建⽴电路仿真模型,随意改变仿真参数,并且⽴即可得到任意的仿真结果,直观性强,进⼀步省去了编程的步骤。
本⽂利⽤Simulink对三相桥式全控整流电路进⾏建模,对不同控制⾓、桥故障情况下进⾏了仿真分析,既进⼀步加深了三相桥式全控整流电路的理论,同时也为现代电⼒电⼦实验教学奠定良好的实验基础。
三相桥式全控整流电路以及三相桥式全控逆变电路在现代电⼒电⼦技术中具有很重要的作⽤和很⼴泛的应⽤。
这⾥结合全控整流电路以及全控逆变电路理论基础,采⽤Matlab 的仿真⼯具Simulink对三相桥式全控整流电路和三相桥式全控逆变电路进⾏仿真,对输出参数进⾏仿真及验证,进⼀步了解三相桥式全控整流电路和三相桥式全控逆变电路的⼯作原理。
学号200925030208中州大学毕业设计(论文)题目三相桥式全控整流及有源逆变电路的MATLAB设计及仿真学院专业电气自动化技术年级班级普招2班学生姓名指导教师时间2012/4/12中州大学工程技术学院毕业设计(论文)任务书专业__电气自动化技术年级09级班级普招2班指导老师路银川学号__________200925030208___ 学生__孙长兴毕业设计(论文)题目三相桥式全控整流及有源逆变电路的MATLAB设计及仿真毕业设计(论文)工作内容与基本要求(目标、任务、途径、方法、成果形式,应掌握的原始资料(数据)、参考资料(文献)以及设计技术要求、注意事项等)(纸张不够可加页)1、设计三相桥式全控整流电路(分别带电阻性负载和电感性负载),并对其进行理论分析。
2、对三相桥式全控整流电路进行仿真,验证仿真结果和理论结果是否相符;3、对三相桥式有源逆变电路(带电感性负载)进行仿真分析;4、在整流或有源逆变状态下,当触发电路出现故障时观测主电路的各电压波形。
成品形式:1、论文一份2、硬件图(零号图纸)一张指导老师:日期:年月专业(教研室)审批意见:审批人签名:日期:年月目录摘要电力电子技术的应用已深入到国家经济建设,交通运输,空间技术,国防现代化,医疗,环保和人们日常生活的各个领域。
进入新世纪后电力电子技术的应用更加广泛。
以计算机为核心的信息科学将是21世纪起主导作用的科学技术之一,有人预言,电力电子技术和运动控制一起,将和计算机技术共同成为未来科学的两大支柱。
本文分析了三相有源逆变电路的工作原理以及控制方法,利用Simulink对三相桥式全控整流电路进行建模,对不同控制角、桥故障情况下进行了仿真分析,为现代电力电子实验教学奠定良好的实验基础。
AbstractT he application of power electronics technology into the national economic construction, transportation, space technology, the modernization of national defense, health care,environmental protection and people's daily lives in various fields. More extensive application of power electronics technology in the new century. Computer as the core of information science will be one of the science and technology play a leading role in the21st century, Some people predict that, with power electronics and motion control, and computer technology together to become the two pillars of the future science.This paper analyzes the working principle of the three-phase active inverter circuit and control method, Using Simulink for modeling three-phase bridge full-controlled rectifier circuit。
实验三三相桥式全控整流及有源逆变电路实验一.实验目的1.熟悉MCL-31A, MCL-33组件。
2.熟悉三相桥式全控整流及有源逆变电路的接线及工作原理。
3.了解集成触发器的调整方法及各点波形。
二.实验内容1.三相桥式全控整流电路2.三相桥式有源逆变电路3.观察整流或逆变状态下,模拟电路故障现象时的波形。
三.实验线路及原理实验线路如图4-9所示。
主电路由三相全控变流电路及作为逆变直流电源的三相不控整流桥组成。
触发电路为数字集成电路,可输出经高频调制后的双窄脉冲链。
三相桥式整流及有源逆变电路的工作原理可参见“电力电子技术”的有关教材。
四.实验所需挂件及附件序号型 号备 注1MCL—32A 电源控制屏该控制屏包含“三相电源输出”,“励磁电源”等几个模块。
2MCL-31A 低压电源和仪表该挂件包含“给定电源和±15V低压电源”等模块。
3MCL-33 晶闸管主电路和触发电路等该挂件包含“晶闸管”、“二极管”“电感”、“触发电路”等几个模块。
4MEL—03 三相可调电阻5MEL-02 芯式变压器6双踪示波器和万用表自备五.实验方法1.按图接线,未上主电源之前,检查晶闸管的脉冲是否正常。
(1)打开MCL-31A电源开关,给定电压有电压显示。
(2)用示波器观察MCL-33的脉冲观察孔,应有间隔均匀,相互间隔60o的幅度相同的双脉冲。
(3)检查相序,用示波器观察“1”,“2”脉冲观察孔,“1” 脉冲超前“2” 脉冲600,则相序正确,否则,应调整输入电源。
(4)用示波器观察每只晶闸管的控制极,阴极,应有幅度为1V—2V的脉冲。
注:将面板上的Ublf(当三相桥式全控变流电路使用I组桥晶闸管VT1~VT6时)接地,将I组桥式触发脉冲的六个开关均拨到“接通”。
(5)将给定器输出Ug接至MCL-33面板的Uct端,调节偏移电压Ub,在Uct=0时,使=150o。
2.三相桥式全控整流电路按图4-9接线,S拨向左边短接线端,将Rd调至最大(450)。
实验编号实验报告书实验项目:三相桥式全控整流及实验所属课程: 电力电子技术基础课程代码:面向专业: 自动化学院(系): 物理与机电工程学院自动化系实验室: 电机与拖动代号: 4262012年10 月20 日一、实验目的:1.熟悉MCL-01, MCL-02组件。
2.熟悉三相桥式全控整流及有源逆变电路的接线及工作原理。
3.了解集成触发器的调整方法及各点波形。
二、实验内容:1.三相桥式全控整流电路2.三相桥式有源逆变电路3.观察整流或逆变状态下,模拟电路故障现象时的波形。
三、实验主要仪器设备:1.MCL系列教学实验台主控制屏。
2.MCL—01组件。
3.MCL—02组件。
4.MEL-03可调电阻器。
5.MEL-02芯式变压器6.二踪示波器7.万用表三相桥式全控整流及有源逆变电路实验线路图及接线图四、实验示意图:五、实验有关原理及原始计算数据,所应用的公式:三相桥式全控整流电路的原理一般变压器一次侧接成三角型,二次侧接成星型,晶闸管分共阴极和共阳极。
一般1、3、5为共阴极,2、4、6为共阳极。
(1)2管同时通形成供电回路,其中共阴极组和共阳极组各1,且不能为同1相器件。
(2)对触发脉冲的要求:1)按VT1-VT2-VT3-VT4-VT5-VT6的顺序,相位依次差60︒。
2)共阴极组VT1、VT3、VT5的脉冲依次差120︒,共阳极组VT4、VT6、VT2也依次差120︒。
3)同一相的上下两个桥臂,即VT1与VT4,VT3与VT6,VT5与VT2,脉冲相差180︒。
(3)Ud一周期脉动6次,每次脉动的波形都一样,故该电路为6脉波整流电路。
(4)需保证同时导通的2个晶闸管均有脉冲,可采用两种方法:一种是宽脉冲触发一种是双脉冲触发(常用)(5)晶闸管承受的电压波形与三相半波时相同,晶闸管承受最大正、反向电压的关系也相同。
三相桥式全控整流电路实质上是三相半波共阴极组与共阳极组整流电路的串联。
在任何时刻都必须有两个晶闸管导通才能形成导电回路,其中一个晶闸管是共阴极组的,另一个晶闸管是共阳组的。
基于三相桥式全控整流电路Matlab仿真实验报告13351040 施定邦一、电路仿真原理及仿真电路图:图1图21、带电阻负载时当a≤60°时,电压波形均连续,对于电阻负载,电流波形与电压波形形状相同,也连续。
当a>60°时,电压波形每60°中的后一部分为零,电压波形因为晶闸管不能反向导通而不出现负值。
分析可知α角的移相范围是0°--120°。
2、带阻感负载时a≤60°时,电压波形连续,输出整流电压电压波形和晶闸管承受的电压波形与带电阻负载时十分相似,但得到的负载电流波形却有差异。
电容的容值越大电流波形就越平缓,近于水平直线。
a >60°时,电压波形则出现负值,是因为环流的作用使得电压反向。
分析可知α角的移相范围是0°--90°。
二、仿真过程与结果:设置三个交流电压源Va,Vb,Vc相位差均为120°,得到桥式全控的三相电源。
6个信号发生器产生整流电路的触发脉冲,六个晶闸管的脉冲按VT1-VT2-VT3-VT4-VT5-VT6的顺序依次给出,相位差依次为60°。
设置电源频率为50Hz:三、仿真结果1、带电阻负载:R=100Ω,无电容(1)α=0°时各波形如下:(2)α=30°各波形如下:(3)α=60°各波形如下:(4)α=90°各波形如下:2、带阻感负载:R=100Ω,H=1H (1)α=0°各波形如下:(2)α=30°各波形如下:(3)α=60°各波形如下:(4)α=90°各波形如下:(可以看到,和理论符合得很好,说明各参数设置合理,电路的工作状态接近于理想情况)实验总结:通过此次仿真实验,让自己对相关电路工作原理了解得更加详细和印象深刻,反正就是熟能生巧,然后多动手操作设置各种参数组合观察实验结果以得到比较理想的波形。
实验三、三相桥式全控整流及有源逆变电路实验一、实验目的(1)加深理解三相桥式全控整流及有源逆变电路的工作原理。
(3)了解KC系列集成触发器的调整方法和各点的波形。
二、实验线路的构成及原理(1)DDS02主电路挂箱配置原理DDS02挂箱包括脉冲和熔断丝指示、晶闸管(I组桥、Ⅱ组桥)电路、电抗器等内容。
脉冲有无指示为方便实验中判断对应晶闸管上门阴极上是否正常,若正常,则指示灯亮,否则则不亮;同样熔断丝指示也是同理。
主要分I组桥和Ⅱ组桥分别指示。
晶闸管电路装有12只晶闸管、6只整流二极管。
12只晶闸管分两组晶闸管变流桥,其中VTl~VT6为正组桥(I组桥),由KP5-8晶闸管元件构成,一般不可逆、可逆系统的正桥、交-直-交变频器的整流部分均使用正组元件;由VT1ˊ~VT6ˊ组成反组桥(Ⅱ组桥),元件为KP5-12晶闸管,可逆系统的反桥、交-直-交变频器的逆变部分使用反组元件;同时还配置了6只整流二极管VDl~VD6,可构成不可控整流桥作为直流电源,元件的型号为KZ5-10。
所有这些功率半导体元件均配置有阻容吸收、熔丝保护,电源侧、直流环节、电机侧均配置有压敏电阻或阻容吸收等过电压保护装置。
电抗器为平波电抗器L,共有4档电感值,分别为50mH、100mH、200mH、700mH,1200 mH可根据实验需要选择电感值。
续流二极管为桥式整流实验时电路续流用,型号为KZ5-10;另外挂箱还配有一组阻容吸收电路。
(2)DDS03控制电路挂箱配置原理DDS03挂箱包括三相触发电路及功放电路、FBC+FA(电流反馈与过流保护)、G(给定器)等内容。
面板上部为同步变压器,其连线已在内部接好,连接组为△/Y-1.可在“同步电源观察孔”观察同步电源的相位。
三相触发电路(GT)及功放电路(AP)包括有GTF正组(I组)触发脉冲装置和GTR 反组(Ⅱ组)触发脉冲装置,分别通过开关连至VF正组晶闸管和VR反组晶闸管的门极、阴极。
实验二 三相桥式全控整流与有源逆变电路1.实验目的(1)熟悉三相桥式全控整流及有源逆变电路的接线及工作原理。
(2)了解集成触发器的调整方法及各点波形。
2.实验线路及实验原理(1)三相桥式全控整流电路实验线路如图3所示。
主电路由三相全控整流电路组成,如图3(a )所示。
其中R 的电阻值为450欧姆(由挂件NMEL-03/4中的电阻串并联得到)、电源线电压为200V 。
图3(b )中的给定电路(位于挂件NMCL-31A )的U g 作为控制信号与触发电路(位于挂件NMCL-33F 中)的“脉冲控制信号”U ct 相连接,并将与主电路所用晶闸管组对应的“脉冲信号放大”电路U blf 端进行接地处理,可输出经高频调制后的双窄脉冲链。
图3(c )所示为移相电压的给定输入信号电路图。
三相桥式整流电路的工作原理可参见电力电子技术教材的有关内容。
(a ) (b )U g(c )图 3 三相桥式全控整流电路实验原理图(a )三相桥式全控整流主电路 (b )触发电路(控制电路) (c )移相电压的给定输入信号电路(2)三相桥式有源逆变电路在三相桥式有源逆变电路中,负载电阻为450欧姆(由挂件NMEL-03/4中的电阻串并联得到),电抗器的电感值取700mH (位于NMCL-331),芯式变压器接成Y/Y 接法。
(a )U g(b)(c)图 4 三相桥式有源逆变电路实验原理图(a)三相桥式有源逆变主电路(b)触发电路(控制电路)(c)移相电压的给定输入信号电路3.实验设备电力电子实验台、晶闸管主电路挂件NMCL-33F(此挂件内含有三相桥式全控整流电路的触发电路)、芯式变压器挂件NMEL-24B、给定及实验器件NMCL-31A、三相可调电阻挂件NMEL-03/4、双踪示波器、万用表、平波电抗器NMCL-331。
4.实验内容1)控制电路(触发电路)调试按图3(b)、(c)接线,将NMCL-33F挂件上的U blf接地,即将I组桥式触发脉冲的六个开关均拨到“接通”。
基于三相桥式全控整流电路Matlab仿真实验报告 13351040 施定邦一、电路仿真原理及仿真电路图:图1图21、带电阻负载时当a≤60°时,电压波形均连续,对于电阻负载,电流波形与电压波形形状相同,也连续。
当a>60°时,电压波形每60°中的后一部分为零,电压波形因为晶闸管不能反向导通而不出现负值。
分析可知α角的移相范围是0°--120°。
2、带阻感负载时a≤60°时,电压波形连续,输出整流电压电压波形和晶闸管承受的电压波形与带电阻负载时十分相似,但得到的负载电流波形却有差异。
电容的容值越大电流波形就越平缓,近于水平直线。
a >60°时,电压波形则出现负值,是因为环流的作用使得电压反向。
分析可知α角的移相范围是0°--90°。
二、仿真过程与结果:设置三个交流电压源Va,Vb,Vc相位差均为120°,得到桥式全控的三相电源。
6个信号发生器产生整流电路的触发脉冲,六个晶闸管的脉冲按VT1-VT2-VT3-VT4-VT5-VT6的顺序依次给出,相位差依次为60°。
设置电源频率为50Hz:三、仿真结果1、带电阻负载:R=100Ω,无电容(1)α=0°时各波形如下:(2)α=30°各波形如下:(3)α=60°各波形如下:(4)α=90°各波形如下:2、带阻感负载:R=100Ω,H=1H (1)α=0°各波形如下:(2)α=30°各波形如下:(3)α=60°各波形如下:(4)α=90°各波形如下:(可以看到,和理论符合得很好,说明各参数设置合理,电路的工作状态接近于理想情况)实验总结:通过此次仿真实验,让自己对相关电路工作原理了解得更加详细和印象深刻,反正就是熟能生巧,然后多动手操作设置各种参数组合观察实验结果以得到比较理想的波形。
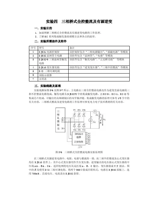
实验四 三相桥式全控整流及有源逆变一.实验目的1.加深理解三相桥式全控整流及有源逆变电路的工作原理。
2.了解KC 系列集成触发器的调整方法和各点的波形。
二.实验所需挂件及附件序号 型号 备注1 DJK01电源控制屏 该控制屏包含“三相电源输出”、“励磁电源”等模块2 DJK02晶闸管主电路 该挂件包含“晶闸管”、“电感”等模块3 DJK02-3三相晶闸管触发电路该挂件包含“触发电路”、“正反桥功放” 等模块 4 DJK10变压器实验 该挂件包含“逆变变压器”、“三相不控整流”等模块 5 D42 三相可调电阻 6 双踪示波器 7万用表三.实验线路及原理实验线路如图3-6及图3-7所示。
主电路由三相全控整流电路及作为逆变直流电源的三相不控整流电路组成,触发电路为DJK02-3中的集成触发电路,由KC04、KC41、KC42等集成芯片组成,可输出经高频调制后的双窄脉冲链。
集成触发电路的原理可参考1-3节中的有关内容,三相桥式整流及逆变电路的工作原理可参见电力电子技术教材的有关内容。
在三相桥式有源逆变电路中,电阻、电感与整流的一致,而三相不控整流及心式变压器均在DJK10挂件上,其中心式变压器用作升压变压器,逆变输出的电压接心式变压器的中压端Am 、Bm 、Cm ,返回电网的电压从高压端A ,B ,C 输出,变压器接成Y/Y 接法。
图中的R 均使用D42三相可调电阻,将两个900Ω接成并联形式;电感在DJK02面板上,选用700mH 。
直流电压、电流表由DJK02获得。
图3-6 三相桥式全控整流电路实验原理图图3-7 三相桥式有源逆变电路实验原理图四.实验内容1.三相桥式全控整流电路。
2.三相桥式有源逆变电路。
3.在整流或有源逆变状态下,当触发电路出现故障(人为模拟)时观测主电路的各电压波形。
五.预习要求1.阅读电力电子技术教材中有关三相桥式全控整流电路的有关内容。
2.阅读电力电子技术教材中有关有源逆变电路的有关内容,掌握实现有源逆变的基本条件。
三相桥式全控整流电路仿真波形畸变摘要:一、问题背景二、三相桥式全控整流电路原理三、仿真波形畸变原因分析四、解决方案及优化策略五、总结与展望正文:【提纲】一、问题背景在电力电子系统中,三相桥式全控整流电路广泛应用于各类电源、逆变器、调节器等装置中。
然而,其在实际运行过程中,往往会出现波形畸变的问题,影响了系统的稳定性和性能。
本文将针对这一问题,进行深入分析并提出相应的解决方案。
二、三相桥式全控整流电路原理三相桥式全控整流电路由三相变压器、六个晶闸管、电感及电阻等元件组成。
其工作原理是在晶闸管的控制下,将交流电源转换为直流电源,供给负载使用。
其中,晶闸管的导通顺序和触发方式对电路的性能有着重要影响。
三、仿真波形畸变原因分析在仿真过程中,波形畸变可能是由以下几个方面原因导致的:1.晶闸管的开通和关断瞬间会产生高频谐波,叠加在输出电压上,导致波形畸变;2.控制策略的不合理,如触发脉冲的宽度、相位等参数设置不当,也会引起波形畸变;3.电感、电阻等元件的参数选择不当,可能使得谐波电流过大,进一步加剧波形畸变。
四、解决方案及优化策略针对以上原因,我们可以采取以下措施进行优化:1.选择合适的晶闸管触发方式,如采用双脉冲触发,可以减小谐波的产生;2.调整触发脉冲的宽度和相位,使其尽量与晶闸管的导通角度相匹配,降低波形畸变;3.合理选择电感、电阻等元件的参数,以减小谐波电流的影响;4.采用滤波器等被动元件对输出电压进行滤波,降低波形畸变。
五、总结与展望三相桥式全控整流电路的波形畸变问题是电力电子领域中的一项常见挑战。
通过深入分析其产生原因,并采取相应的优化策略,可以有效降低波形畸变,提升电路的性能和稳定性。
实验四 三相桥式全控整流及有源逆变一.实验目的1.加深理解三相桥式全控整流及有源逆变电路的工作原理。
2.了解KC 系列集成触发器的调整方法和各点的波形。
二.实验所需挂件及附件序号 型号 备注1 DJK01电源控制屏 该控制屏包含“三相电源输出”、“励磁电源”等模块2 DJK02晶闸管主电路 该挂件包含“晶闸管”、“电感”等模块3 DJK02-3三相晶闸管触发电路该挂件包含“触发电路”、“正反桥功放” 等模块 4 DJK10变压器实验 该挂件包含“逆变变压器”、“三相不控整流”等模块 5 D42 三相可调电阻 6 双踪示波器 7万用表三.实验线路及原理实验线路如图3-6及图3-7所示。
主电路由三相全控整流电路及作为逆变直流电源的三相不控整流电路组成,触发电路为DJK02-3中的集成触发电路,由KC04、KC41、KC42等集成芯片组成,可输出经高频调制后的双窄脉冲链。
集成触发电路的原理可参考1-3节中的有关内容,三相桥式整流及逆变电路的工作原理可参见电力电子技术教材的有关内容。
在三相桥式有源逆变电路中,电阻、电感与整流的一致,而三相不控整流及心式变压器均在DJK10挂件上,其中心式变压器用作升压变压器,逆变输出的电压接心式变压器的中压端Am 、Bm 、Cm ,返回电网的电压从高压端A ,B ,C 输出,变压器接成Y/Y 接法。
图中的R 均使用D42三相可调电阻,将两个900Ω接成并联形式;电感在DJK02面板上,选用700mH 。
直流电压、电流表由DJK02获得。
图3-6 三相桥式全控整流电路实验原理图图3-7 三相桥式有源逆变电路实验原理图四.实验内容1.三相桥式全控整流电路。
2.三相桥式有源逆变电路。
3.在整流或有源逆变状态下,当触发电路出现故障(人为模拟)时观测主电路的各电压波形。
五.预习要求1.阅读电力电子技术教材中有关三相桥式全控整流电路的有关内容。
2.阅读电力电子技术教材中有关有源逆变电路的有关内容,掌握实现有源逆变的基本条件。
学号200925030208中州大学毕业设计(论文)题目三相桥式全控整流及有源逆变电路的MATLAB设计及仿真学院专业电气自动化技术年级班级普招2班学生姓名指导教师时间2012/4/12中州大学工程技术学院毕业设计(论文)任务书专业__电气自动化技术年级09级班级普招2班指导老师路银川学号__________200925030208___ 学生__孙长兴毕业设计(论文)题目三相桥式全控整流及有源逆变电路的MATLAB设计及仿真毕业设计(论文)工作内容与基本要求(目标、任务、途径、方法、成果形式,应掌握的原始资料(数据)、参考资料(文献)以及设计技术要求、注意事项等)(纸张不够可加页)1、设计三相桥式全控整流电路(分别带电阻性负载和电感性负载),并对其进行理论分析。
2、对三相桥式全控整流电路进行仿真,验证仿真结果和理论结果是否相符;3、对三相桥式有源逆变电路(带电感性负载)进行仿真分析;4、在整流或有源逆变状态下,当触发电路出现故障时观测主电路的各电压波形。
成品形式:1、论文一份2、硬件图(零号图纸)一张指导老师:日期:年月专业(教研室)审批意见:审批人签名:日期:年月目录摘要电力电子技术的应用已深入到国家经济建设,交通运输,空间技术,国防现代化,医疗,环保和人们日常生活的各个领域。
进入新世纪后电力电子技术的应用更加广泛。
以计算机为核心的信息科学将是21世纪起主导作用的科学技术之一,有人预言,电力电子技术和运动控制一起,将和计算机技术共同成为未来科学的两大支柱。
本文分析了三相有源逆变电路的工作原理以及控制方法,利用Simulink对三相桥式全控整流电路进行建模,对不同控制角、桥故障情况下进行了仿真分析,为现代电力电子实验教学奠定良好的实验基础。
AbstractT he application of power electronics technology into the national economic construction, transportation, space technology, the modernization of national defense, health care,environmental protection and people's daily lives in various fields. More extensive application of power electronics technology in the new century. Computer as the core of information science will be one of the science and technology play a leading role in the21st century, Some people predict that, with power electronics and motion control, and computer technology together to become the two pillars of the future science.This paper analyzes the working principle of the three-phase active inverter circuit and control method, Using Simulink for modeling three-phase bridge full-controlled rectifier circuit。
实验报告课程名称:现代电力电子技术实验项目:三相桥式全控整流及有源逆变电路实验实验时间:实验班级:总份数:指导教师:***自动化学院电力电子实验室二〇〇年月日广东技术师范学院实验报告学院:自动化学院专业:电气工程及其自动化班级:成绩:姓名:学号:组别:组员:实验地点:电力电子实验室实验日期:指导教师签名:预习情况操作情况考勤情况数据处理情况实验(二)项目名称:三相桥式全控整流及有源逆变电路实验1. 实验目的和要求(1加深理解三相桥式全控整流及有源逆变电路的工作原理。
(2了解KC系列集成触发器的调整方法和各点的波形。
2. 实验原理实验线路如图3-13及图3-14所示。
主电路由三相全控整流电路及作为逆变直流电源的三相不控整流电路组成,触发电路为DJKO2-1中的集成触发电路,由KCO4、KC4l、KC42等集成芯片组成,可输出经高频调制后的双窄脉冲链。
集成触发电路的原理可参考1-3节中的有关内容,三相桥式整流及逆变电路的工作原理可参见电力电子技术教材的有关内容。
图3-13 三相桥式全控整流电路实验原理图在三相桥式有源逆变电路中,电阻、电感与整流的一致,而三相不控整流及心式变压器均在DJK10挂件上,其中心式变压器用作升压变压器,逆变输出的电压接心式变压器的中压端Am、Bm、Cm,返回电网的电压从高压端A、B、C输出,变压器接成Y/Y接法。
图中的R均使用D42三相可调电阻,将两个900Ω接成并联形式;电感Ld在DJK02面板上,选用700mH,直流电压、电流表由DJK02获得。
3. 主要仪器设备序号型号备注1 DJK01 电源控制屏该控制屏包含“三相电源输出”等几个模块。
2 DJK02 晶闸管主电路3 DJK02-1三相晶闸管触发电路该挂件包含“触发电路”,“正反桥功放”等几个模块。
4 DJK06 给定及实验器件该挂件包含“二极管”等几个模块。
5 DJK10 变压器实验该挂件包含“逆变变压器”以及“三相不控整流”。
青岛理工大学相控整流驱动电路实验报告
一.实验目的
1.熟悉MCL-18,MCL-33A组件。
2.熟悉三相桥式全控整流及有源逆变电路的接线及工作原理。
3.了解集成触发器的调整方法及各点波形。
二.实验内容
1.三相桥式全控整流电路
2.三相桥式有源逆变电路
3.观察整流或逆变状态下,模拟电路故障现象时的波形。
三.实验线路及原理
主电路由三相全控变流电路及作为逆变直流电源的三相不控整流桥组成。
触发电路为数字集成电路,可输出经高频调制后的双窄脉冲链。
三相桥式整流及有源逆变电路的工作原理可参见“电力电子技术”。
四.实验报告
1.画出三相桥式全控整流电路时,a角为30°、60°、90°时的ua、ur波形。
2.画出三相桥式有源逆变电路时,β角为150°、120°、90°时的ua、uvr波形。
3.简单分析模拟故障现象。