电力拖动基础知识
- 格式:docx
- 大小:16.50 KB
- 文档页数:11
4电力拖动控制系统基础知识自动控制系统可以从一些不同的角度来进行分类。
一般按系统结构特点分类,大致可分为:开环控制系统、闭环控制系统及复合控制系统。
其中,闭环控制系统又分为单环控制系统、双环控制系统等;而复合控制系统是既有主反馈,又有前馈的控制系统。
所谓前馈控制是一种按照扰动进行控制的开环控制。
因此复合控制系统是开环、闭环结合的系统。
4.1开环控制系统与闭环控制系统的概念4.1.1开环控制系统(1)开环控制系统概念开环控制系统是与闭环控制系统相对而言的。
如果在系统中控制信息的流动未形成闭合回路,那么该系统就称之为开环控制系统。
(2)开环控制系统种类常见的开环控制系统有以下两种:1)按干扰补偿的前馈控制系统通过前面对控制的分析可知,稳定被控制量实质上就是在干扰信号出现时,操纵控制量使之对被控量的影响与干扰量对被控量的影响互相抵消以保持被控量不变,这样就产生了利用干扰去克服干扰的控制思路。
其原理方框图见图4-1-1。
图4-1-1前馈系统控制图在这种系统中,由于测量的是干扰量,故只能对可测干扰进行补偿。
不可测干扰以及对象、各部件内部参数变化给被控量造成的干扰,系统自身无法控制。
因此,控制精度受到了原理上的限制。
2)按给定值操作的开环控制系统所谓按给定值操作的开环控制系统,就是事先计算出希望的给定量,然后向执行器提供该给定量后就不再管它了,那么这种系统就是所谓的按给定值操作的开环系统。
见图4-1-2。
开环控制系统由于没有信息的回馈,控制器就无法知晓控制的效果,因此也就没有纠正偏差的能力。
因此这种系统只能用在对控制质量要求不高的场合,或者是在闭环控制中起辅助的控制以减轻反馈控制的负担。
图4-1-2按给定值操作的开环系统综上所述,开环控制系统的特点是:①不必对被控量进行测量和反馈,因而结构简单。
②这种系统需要采用高精度元件保证控制精度。
③对干扰造成的误差,系统不具有修正能力。
④系统不存在稳定性问题。
(3)开环调速系统及其存在的问题在实际应用中,晶闸管-电动机系统和可逆直流脉宽调速系统都是开环调速系统,调节控制电压就可以改变电动机的转速。
,.《电力拖动基础》复习题一、填空题:1 。
直流电机的机械特征方程为n =Ua/CeΦ-RaT/CaC TΦ2,各项的意义为① 同步转速 no=Ua/Ce Φ②转速将 n=-RaT/CaC TΦ2③斜率β=-Ra/CaC TΦ2。
2 。
他励直流电机的自然(固有)特征的条件① Ua=UN② Φ=ΦN(I f=I fN)③ 电枢不串电阻。
3。
他励直流电机的人为特征与自然特征对比较,降压人为? 特征的斜率不变理想空载转速变化;串电阻n 0不变 ? 变化;弱磁人为n 0、? 均变化。
4。
直流电机直接启动时,I st = (10 ~20 )I N,带来影响① 巨大的电磁力破坏绕组② 保护装置的动作没法起动③ 换向的条件恶化④ 电网电的颠簸影响其余电机的正常工作⑤巨大的冲击力破坏减速装置。
5。
直流电机起动的方法有电枢串电阻或降低供电电压. 。
6。
直流电机的制动有电压反接,电势反接,能耗制动,回馈制动.7。
电机的电动状态和制动状态的差别为是视 n 与 T 方向;同样为电动,相反为制动。
8。
电机的回馈制动除了n 与 T 方向相反还要 |n|>|n 0|。
n0n,调速范围Dnmax9。
电机的调速指标:静差率n n min,光滑0.T T N性n K,调速方法与负载转矩的配合,调速的经济性. 。
n K1,.10 。
直流电机的恒转矩调速有 调压调速,电枢串电阻,恒功率调速有弱磁调速 .11 。
直流电机的 n = f (t )为 动向特征, n = f (T )为 静态特征。
12 。
判断电力拖动系统的稳固条件为∕ < dTL/ dn。
dT /dn13 。
产生电力拖动系统过渡(动向)过程的内因有机械惯性、电磁惯性、热惯性外因有要求电机起动、制动、反向、调速。
14 。
电力拖动系统过渡 (动向) 过程有: 机械过渡过程 (只考虑机械惯性的一阶动向特征)和 机械-电磁过渡过程(同时考虑机械惯性和电磁惯性的二阶动向特征) 。
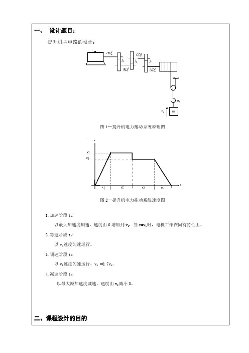
一、设计题目:提升机主电路的设计:图1—提升机电力拖动系统原理图图2—提升机电力拖动系统速度图1.加速阶段t1:以最大加速度加速,速度由0增加到v1,当v=v1时,电机工作在固有特性上。
2.等速阶段t2:以v1速度匀速运行。
3.调速阶段t3:以v2速度匀速运行,v2 =0.7v1。
4.减速阶段t4:以最大减加速度减速,速度由v2减小0。
二、课程设计的目的将损坏拖动系统的传动机构。
图3他励直流电动机直接启动接线图2)降低电源电压启动:将励磁绕组接通电源,并将励磁电流调到额定值,然后从低向高调节电枢回路电压的启动方法称为降低电源电压启动;要限制启动电流,首先考虑的是降低电动机输入电压,在直流电动机启动瞬问,给电动机加上较低的电压,以后随着电动机转速的升高,逐步增加直流电压的数值,直到电动机启动完毕,加在电动机上的电压即是电动机的额定电压特点:缩短启动时间,启动过程中能量损耗小,启动平稳,便于实现自动化。
需要一套可调的直流电源启动设备,增加初投资。
用减压启动的方法启动并励电动机时必须注意:启动时必须加上额定的励磁电压,使磁通一开始就有额定值,否则电动机的启动电流虽然比较大,但启动转矩较小,电动机仍无法启动。
图4降低电源电压启动接线图3)电枢回路串电阻启动:电枢回路中串接启动电阻以限制启动电流的启动方法称为电枢回路串电阻启动。
电枢回路串电阻启动即启动时在电枢回路串入电阻,以减小启动电流I,电动机启动后,再逐渐切除电阻,s以保证足够的启动转矩。
在分级启动过程中,若忽略电枢回路电感,并合理的选择每次切除的电阻值就能做到每切除一段启动电阻,电枢电流就瞬间增大到最大启动电流1I 。
此后,随着转速上升,电枢电流逐渐下降。
每当电枢电流下降到某以数值2I 时就切除一段电阻,电枢电流就又突增到最大电流1I 。
这样,在启动过程就可以把电枢电流限制在1I 和2I 之间。
2I 称为切换电流。
启动电阻分段数目越少,启动过程中电流变化范围大,转矩脉动大,加速不均匀,而且平均启动转矩小,启动时间长。
电机与拖动基础知识点1. 电机分类:电机可以根据其用途、结构和工作原理进行分类。
常见的电机类型包括直流电机、异步电机(感应电机)、同步电机和步进电机等。
2. 磁场和磁通:电机中的磁场是由电流通过线圈产生的。
磁通是指通过线圈的磁力线数量,它与电机的性能密切相关。
3. 绕组和电枢:电机中的绕组是由导线绕制而成的,用于产生磁场。
电枢是指电机中的旋转部分,它可以是转子或定子。
4. 电磁感应:当磁通通过导体时,会在导体中产生电动势,这种现象称为电磁感应。
异步电机和同步电机都是基于电磁感应原理工作的。
5. 直流电机:直流电机是将直流电转换为机械能的设备。
它包括定子和转子两部分,通过电刷和换向器实现电流的换向。
6. 异步电机:异步电机也称为感应电机,是一种广泛应用的交流电机。
它的转子转速略低于同步转速,通过转子感应的磁场与定子磁场的相互作用产生转矩。
7. 同步电机:同步电机的转子转速与定子磁场的转速相同,因此称为同步电机。
它通常用于发电机和大功率驱动装置。
8. 电机拖动:电力拖动是指利用电动机作为原动机来驱动生产机械。
它涉及电机的选择、控制和传动等方面。
9. 电机控制:电机的控制包括调速、反转、起动和制动等。
常见的电机控制方法包括变频调速、直流调速和步进电机控制等。
10. 电机性能:电机的性能指标包括转矩、功率、效率、转速、起动电流和转矩等。
了解这些指标对于选择和应用电机非常重要。
以上是《电机与拖动基础》课程中的一些重要知识点。
通过深入学习这些内容,您将能够理解电机的工作原理、特性和应用,为进一步学习和应用电机技术打下坚实的基础。
电力拖动基础知识电力拖动基础知识引言电力拖动是指利用电动机将动力传递给装置或机械的一种技术。
它在现代工业中起着至关重要的作用,广泛应用于各个行业。
本文将介绍电力拖动的基础知识,包括电动机的工作原理、电力传动系统的组成以及一些常见的应用。
一、电动机的工作原理电动机是电力拖动的核心部件,它将电能转换为机械能,通过轴向动力输出。
电动机的工作原理主要基于电磁感应和洛伦兹力。
1. 电磁感应电磁感应是电动机实现转动的基本原理。
当电流通过电动机的线圈时,会在线圈周围产生磁场。
根据法拉第电磁感应定律,当磁场改变时,会在线圈中产生感应电动势。
这个电动势会与电源电压产生差异,导致电流流经线圈。
差异越大,电流越大。
2. 洛伦兹力电动机实现转动的另一个原理是洛伦兹力。
当线圈中有电流通过时,它在磁场中受到力的作用。
根据右手定则,电流方向与磁场方向之间的关系将决定所受力的方向。
由于线圈的结构,导线受到力的方向相同,这将产生一个力矩,使电机开始旋转。
二、电力传动系统的组成电力传动系统是电力拖动的基础,它由电动机、传动装置和负载组成,各部分通过轴连接。
1. 电动机电动机是传动系统的动力源,它的类型有很多种。
常见的电动机包括直流电动机、交流异步电动机和交流同步电动机。
不同类型的电动机有不同的应用领域和工作原理。
2. 传动装置传动装置用于将电动机的转速和转矩传递给负载。
常见的传动装置包括齿轮传动、皮带传动和链传动。
通过不同的传动装置,可以实现不同的转速和转矩要求。
3. 负载负载是电力传动系统中的目标设备或机械。
它可以是任何需要动力传递的装置,如机床、输送带和风扇。
负载的特点和要求将决定电动机和传动装置的选择。
三、常见的电力拖动应用电力拖动在工业中的应用广泛,以下是一些常见的应用领域:1. 工业生产线工业生产线通常需要大量的电力来驱动各种设备和机械。
电力拖动被广泛应用于各个环节,如输送链、旋转装置和起重机。
2. 交通运输交通运输中的电力拖动主要应用于轨道交通和电动汽车。
电机与拖动基础总复习试题类型一、填空题(每题1分,共20分)二、判断题(每题1分,共10分)三、单项选择题(每题2分,共20分)四、简答题(两题,共15分)五、计算题(三题,共35分):电力拖动系统动力学基础1.电力拖动系统一般由电动机、生产机械的传动机构、工作机构、控制设备和电源组成,通常又把传动机构和工作机构称为电动机的机械负载。
由电动机的电磁转矩T e与生产机械的负载转矩T L的关系:1)当T e = T L时,d n/d t = 0,表示电动机以恒定转速旋转或静止不动,电力拖动系统的这种运动状态被称为静态或稳态;2)若T e>T L时,d n/d t>0,系统处于加速状态;3)若T e<T L时,d n/d t<0,系统处于减速状态。
;也就是一旦d n/d t≠0 ,则转速将发生变化,我们把这种运动状态称为动态或过渡状态。
3.生产机械的负载转矩特性:直流电机原理1.直流电动机主要由定子、转子、电刷装置、端盖、轴承、通风冷却系统等部件组成。
定子由机座、主磁极、换向极、电刷装置等组成。
转子(又称电枢)由电枢铁心、电枢绕组、换向器、转轴和风扇等组成。
2.直流电机的绕组有五种形式:单叠绕组、单波绕组、复叠绕组、复波绕组和蛙绕组(叠绕和波绕混合绕组)。
,3 极距、绕组的节距(第一节距、第二节距、合成节距)的概念和关系。
4 单叠绕组把每个主磁极下的元件串联成一条支路,因此其主要特点是绕组的并联支路对数a 等于极对数n p 。
5 电枢反应:直流电机在主极建立了主磁场,当电枢绕组中通过电流时,产生电枢磁动势,也在气隙中建立起电枢磁场。
这时电机的气隙中形成由主极磁场和电枢磁场共同作用的合成磁场。
这种由电枢磁场引起主磁场畸变的现象称为电枢反应。
6 直流电机的励磁方式:dndT dn dT Le7直流电机的电枢电压方程和电动势:)直流电机电磁转矩e af f a T G I I =8 直流电动机功率方程ΦnC E e a =aT e ΦI C T =a a a I R E U a +=9直流电机工作特性a ae e R Un I C C =+ΦΦ,10 直流电动机励磁回路连接可靠,绝不能断开一旦励磁电流为0,则电机主磁通将迅速下降至剩磁磁通,若此时电动机负载较轻,电动机的转速将迅速上升,造成“飞车”;若电动机的负载为重载,则电动机的电磁转矩将小于负载转矩,使电机转速减小,但电枢电流将飞速增大,超过电动机允许的最大电流值,引起电枢绕组因大电流过热而烧毁。
电力拖动基础知识2篇电力拖动基础知识(上)一、定义电力拖动是指通过电机将动力传递给机械设备,实现运转的一种方式。
它通过电缆和插头连接电机和机械设备,可控性强、安全可靠、维护方便、结构简单,被广泛应用于工业生产中。
二、分类根据传动方式可以把电力拖动分为直接拖动和间接拖动。
直接拖动:电机轴与被传动设备轴一体化,由机座支撑。
间接拖动:电机轴和被传动设备轴不直接相连接,采用联轴器(容许轴向或角度偏差范围内的相连方法)或传动系(如齿轮、皮带轮、圆柱齿轮减速器等)相连。
根据电机放置位置不同,可将电力拖动分为水平放置和垂直放置。
水平放置:电机和被传动设备放置在同一水平面上。
垂直放置:电机和被传动设备放置在垂直位置上。
三、组成部分电力拖动主要由电机、电缆、插头、运动控制器和传动组成。
电机:根据被传动设备的不同,可选用交流电机、直流电机、异步电机、感应电机或步进电机等不同类型的电机。
电缆:电缆是把电能传送到电机的信道。
电缆选用规范应根据日常工作环境的情况和周围环境的影响,针对每个电力拖动系统进行衡量。
在选择电缆时应注意其工作电压、导体截面积及芯数等参数。
插头:插头用于连接电源和电机,使电路通断。
插头的选型和安装条件要根据具体的要求进行确定,不能选用不符合规定的插头。
运动控制器:运动控制器是实现电机启动、停止、转向、调速、保护等功能的关键设备,可选用PLC、变频器、伺服系统等。
传动:传动是指利用联轴器或传动系等设备,实现电机与被传动设备之间转矩传递的过程。
所选传动设备的型号要根据电机输出功率、转矩以及被传动设备的输出要求等多种因素进行综合评估。
四、优点1. 安全可靠:电力拖动传动系统是以电缆和插头为主要元件的,具有不易损坏、不易烧毁的特性,保证了设备安全可靠运行,并且电力拖动传动系统总是密闭运转,以减少环境污染。
2. 控制灵活:电力拖动具有启动方便、可调速、转向快速、调整方便等特点,可实现启动、停止、调速、反向、定位、同步等多种运动控制。
第一章船舶电拖基本知识第一节概述在工业、农业、交通运输、国防等各部门中,广泛使用着各种各样的机械设备。
要使生产机械产生满足不同工艺过程要求的运动,就需要有产生这种运动的原动机,如电动机、蒸气机、内燃机、液压机等。
所谓拖动,就是运用各种原动机使生产机械产生直线运动或者旋转运动,以完成一定的工作任务。
自从十九世纪有了电动机以后,由于电力在传输、分配、使用和控制等方面都比其他动力要方便得多,如效率高、操作简便、易于维护保养,尤其是运行比较经济和对各种复杂操作及自动化提出的多种要求容易实现。
因此以电动机作为原动机的拖动方式被广泛应用。
我们把电动机拖动生产机械称为电力拖动,又称电气传动。
电气传动就是电动机把电能转换成机械能,驱动生产机械的工作机构产生所需要的运动。
在这里,工作机构是电动机的负载。
电力拖动广泛应用于各行各业中,与我们日常生活、工农业生产息息相关。
人们常见的家用电器中就有许多电力拖动的例子,如电风扇、空调机、录音机、录放机的旋转部分,洗衣机中电动机带动水轮旋转等,这都是大家所熟悉的。
在工农业生产中用电动机驱动各种生产机械运转,是最常见的极为普遍拖动方式,如各式吊车、各类机床、各种港口机械,从数瓦的电动刮胡刀到几万千瓦的大型锅炉风机电动机,从天上卫星姿态调整到深水潜艇电力推进都是电力拖动的实例。
在各类船舶上,常用电动机拖动各种工作机械,即各种辅机,如起货机、锚机、舵机、压缩机、通风机、绞盘机、拖缆机、各类泵等。
不同行业、不同场合对电力拖动的要求不同。
例如起货机,其任务是提升或下放货物。
提升时,电动机正转,货物被提升起来;下放货物,电动机先制动停止,然后再反向起动,电动机在制动状态下下放货物。
这是基本工作过程,实际上还要调速来满足更多的工艺要求等。
尽管要求不同,实现的电拖控制线路也不同,但就电力拖动系统的研究对象和内容来说,都不外乎是研究各种类型的直流电动机与交流电动机的起动、制动、反转、调速等各种工作状态及它们的控制线路,其中包括控制线路的结构、工作原理以及线路中使用的各种控制电器等。
电机及拖动基础知识要点复习电机复提纲第一章:概念:主磁通、漏磁通、磁滞损耗、涡流损耗。
磁路的基本定律:安培环路定律:XXX。
磁路的欧姆定律:作用在磁路上的磁动势F等于磁路内的磁通量Φ乘以磁阻Rm。
磁路与电路的类比:与电路中的欧姆定律在形式上十分相似。
E=IR。
磁路的基尔霍夫定律:1)磁路的基尔霍夫电流定律:穿出或进入任何一闭合面的总磁通恒等于零。
2)磁路的基尔霍夫电压定律:沿任何闭合磁路的总磁动势恒等于各段磁路磁位差的代数和。
第二节常用铁磁材料及其特性铁磁材料:1、软磁材料:磁滞回线较窄。
剩磁和矫顽力都小的材料。
软磁材料磁导率较高,可用来制造电机、变压器的铁心。
2、硬磁材料:磁滞回线较宽。
剩磁和矫顽力都大的铁磁材料称为硬磁材料,可用来制成永久磁铁。
铁心损耗:1、磁滞损耗——材料被交流磁场反复磁化,磁畴相互摩擦而消耗的能量。
2、涡流损耗——铁心内部由于涡流在铁心电阻上产生的热能损耗。
3、铁心损耗——磁滞损耗和涡流损耗之和。
第二章:一、换向:尽管电枢在转动,但处于同一磁极下的线圈边中电流方向应始终不变,即进行所谓的“换向”。
二、直流电机的应用:作为电动机运行——在直流电机的两电刷端上加上直流电压,电枢旋转,拖动生产机械旋转,输出机械能;作为发动机运行——用原动机拖动直流电机的电枢,电刷端引出直流电动势,作为直流电源,输出电能。
三、直流电机的主要结构:定子的主要作用是产生磁场,转子又称为“电枢”,作用是产生电磁转矩和感应电动势。
要实现机电能量转换,电路和磁路之间必须在相对运动,所以旋转电机必须具备静止的和转动的两大部分,且静止和转动部分之间要有一定的间隙(称为:气隙)。
四、直流电机的铭牌数据:直流电机的额定值有:1、额定功率PN(kW);2、额定电压UN(V);3、额定电流IN(A);4、额定转速nN(r/min);5、额定励磁电压UfN(V)。
五、直流电机电枢绕组的基本形式:直流电机电枢绕组的基本形式有两种:一种叫单叠绕组,另一种叫单波绕组。
电力拖动知识一、电力拖动和电力拖动系统1. 电力拖动——用电能来驱动和控制生产机械拖动——驱动、控制电力拖动设施由三个部分组成:1)电动机2)电动机的控制设备和保护设备3)电动机与生产机械的传动装置在电力拖动的运动环节中生产机械对电动机运转的要求:1)启动.2)改变运动的速度(调速)3)改变运动的方向(正反转)4)制动电能是现代工业生产的主要能源和动力,电动机是将电能转换为机械能来拖动生产机械的驱动元件。
电动机与其他原动力(如内燃机、蒸汽机等)相比,电动机的控制方法更为简便并可实现遥控和自动控制。
2. 电力拖动系统——用电动机拖动生产机械运动的系统电力拖动系统主要由:电动机传动机构控制设备这三个基本环节组成。
电动机与传动机构以及控制设备三者之间的关系如下图所示:由于开环的电力拖动系统无反馈装置,只有闭环系统中使用反馈装置,上图中反馈装置及反馈控制方向用虚线表示。
图中点划线框内为电力拖动系统。
二、电力拖动系统的控制方式1. 继电——接触器式有触点断续控制电力拖动的控制方式是由手动控制逐步向自动控制方向发展的。
最初的自动控制是用数量不多的继电器、接触器及简单的保护元件组成的继电——接触器系统,由于继电器、接触器均为有触点的控制电器,所以又称为有触点控制系统。
这种控制具有使用的单一性,即一台(套)控制装置只适用于某一固定控制程序的设备,如果控制程序要发生变化,必须重新接线。
而且这种控制的输入、输出信号只有通和断两种状态,所以这种控制是断续的,又称为断续控制。
2. 连续控制为了使控制系统具有良好的静态特性和动态特性,常采用反馈控制系统。
反馈控制系统由连续控制元件作为反馈装置,它不仅能反映信号的通、断状态,还能反映信号的大小和强弱的变化。
这种由连续控制元件组成的反馈控制系统成为闭环控制系统,又称为连续控制系统。
力拖动常用低压电器元件参数一、闸刀开关:1、符号:QS2、元件符号:3、参数符号:HK为闸刀开关,HH铁壳开关。
电力拖动基础知识维修电工技师考证复习之三、电力拖动和电力拖动系统1. 电力拖动一一用电能来驱动和控制生产机械拖动——驱动、控制电力拖动设施由三个部分组成:1)电动机2)电动机的控制设备和保护设备3)电动机与生产机械的传动装置在电力拖动的运动环节中生产机械对电动机运转的要求:1)启动.2)改变运动的速度(调速)3)改变运动的方向(正反转)4)制动电能是现代工业生产的主要能源和动力,电动机是将电能转换为机械能来拖动生产机械的驱动元件。
电动机与其他原动力(如内燃机、蒸汽机等)相比,电动机的控制方法更为简便并可实现遥控和自动控制。
2. 电力拖动系统一一用电动机拖动生产机械运动的系统电力拖动系统主要由:电动机传动机构控制设备这三个基本环节组成。
电动机与传动机构以及控制设备三者之间的关系如下图所示:电力拖动系统由丁开环的电力拖动系统无反馈装置,只有闭环系统中使用反馈装置,上图 中反馈装置及反馈控制方向用虚线表示。
图中点划线框内为电力拖动系统。
二、电力拖动系统的控制方式1. 继电一一接触器式有触点断续控制电力拖动的控制方式是由手动控制逐步向自动控制方向发展的。
最初的自动控制是用数量不多的继电器、 接触器及简单的保护元件组成的 继电一一接触器系统,由丁继电器、接触器均为有触点的控制电器,所以乂称为 有触点控制系统。
这种控制具有使用的单一性,即一台(套)控制装置只适用丁 某一固定控制程序的设备,如果控制程序要发生变化,必须重新接线。
而且这种控制的输入、输出信号只有通和断两种状态,所以这种控制是断 续的,乂称为断续控制。
2. 连续控制为了使控制系统具有良好的静态特性和动态特性,常采用反馈控制系统。
反馈控制系统由连续控制元件作为反馈装置, 它不仅能反映信号的通、断 状态,还能反映信号的大小和强弱的变化。
这种由连续控制元件组成的反馈控制系统成为闭环控制系统, 乂称为连续控控制设备制系统。
3. 可编程无触点断续控制20世纪60年代出现了顺序控制器,它能根据生产的需要灵活的改变程序,使控制系统具有较大的灵活性和通用性。
但是,顺序控制器仍然采用的是硬件手段(有触点),而且体积大,功能也受到了一定的限制。
1968年,美国通用汽车公司(GM)为了适用生产工艺不断更新的需要,希望用电子化的新型控制器代替继电器控制装置,并对新型控制器提出了“编程简单方便、可现场修改程序、维护方便、采用插件式结构、可靠性要高于继电器控制装置”等10项具体要求。
1969年,美国数字设备公司(DEC)根据上述要求,研制出了世界上第一台可编程控制器,并成功运用到美国通用汽车公司的生产线上。
其后日本、德国等国家相继研制出可编程控制器。
早期的可编程控制器是为了取代继电器控制系统,仅有逻辑运算、顺序控制、计时、计数等功能,因而称为可编程逻辑控制器(PLC )。
20世纪80年代,随着大规模集成电路和微机技术的发展,在PLC中采用微处理器,使可编程逻辑控制器的功能大大加强,远远超出了逻辑控制、顺序控制的范围,具有计算机功能,故称为可编程控制器(PC)。
为了与个人计算机PC区别开来,我们将可编程控制器仍称为PLC。
PLC的存储器的发展过程:ROM 一只读存储器,生产厂家将程序固化到ROM芯片内。
RAM —随机读取存储器,用户可随时修改应用程序,但当芯片的供电电源断电后,其所存储的信息就会丢失。
CMOS — RAM —加入后备电池(锂电池)以保证这种低功耗的芯片电源断电后能完整保存程序而不丢失。
EPROM 一紫外线可擦除、电可改写的只读存储器。
EEPROM 一电可擦除、电可改写的只读存储器。
国际电工委员会(IEC)颁布的可编程控制器的标准对PLC作了如下定义:可编程控制器是一种数字运算的电子系统,专为工业环境应用而设计。
它采用可编程的存储器,用来在内部存储执行逻辑运算、顺序控制、定时、计数和算术运算等操作指令,并通过数字式、模拟式的输入和输出来控制各类机械或生产过程。
可编程控制器及其有关外围设备都应易于与工业控制系统联成一个整体,易于扩充其功能的原则设计。
PLC的特点:1)可靠性高、抗十扰能力强。
2)通用性强、容易扩充功能。
3)指令简单、编程易学、使用方便。
4)体积小、重量轻、能耗低。
5)系统的设计、施工和调试周期短,具有在线修改功能,且维护方便。
4. 计算机自动控制计算机自动控制就是在整个自动控制系统中的比较器和控制器这两个很重要的环节运用计算机来代替,使之成为一个完整的计算机自动控制系统。
计算机自动控制在整个自动控制系统中的位置与关系如下图:在计算机控制的系统中充分利用了计算机的运算、逻辑判断和记忆功能。
在系统中的给定值和反馈量都是二进制数字信号,因而从被控量取样的信号要经过将摸拟量转换为数字量的A/D转换器。
当计算机接收了给定值和反馈量后,运用计算机中微处理器的各种指令,就能将两者的偏差进行运算(如PID运算),再经过将数字信号转换成模拟信号的D/A转换器输出到执行器,便完成了对被控量的控制作用。
如果要改变控制规律,只要改变计算机的程序就可以了,这就是计算机控制的最大优点。
从本质上分析,计算机控制过程可以归纳为三个方面:1)实时数据采集对被控量的瞬时值进行检测并即时输入。
2)实时决策对实时的给定值与被控量的数据进行已确定的控制规律的因素来决定控制过程。
3)实时控制根据决策适时地对执行器发出控制信号所谓实时是指信号的输入、计算和输出都在一定的时间内(采样间隙)完成。
采样一决策一控制这三个过程不断重复,使整个系统能按一定的动态(过渡过程)指标进行工作,而且可对被控量和设备本身所出现的异常状态及时进行监督并迅速做作出处理。
这就是计算机控制系统最基本的功能。
三、自动控制的基础知识1. 自动控制系统的基本概念自动控制系统的功能及其组成是多种多样的,其结构也是有简有繁,它可以是一个具体的工程系统,也可以是一个抽象的社会系统、生态系统、经济系统,我们研究的是工业机电自动控制系统。
控制一通过控制装置使生产设备或生产过程的某些物理量按特定的规律变化。
自动控制一在没有人直接参与的情况下完成的控制称为自动控制,相反,在有人直接参与的情况下完成的控制称为人工控制。
自动控制系统一在没有人直接参与的情况下,能使生产设备或生产过程的某些物理量按特定的规律变化的控制系统。
2. 自动控制理论自动控制理论是研究自动控制的共同规律的技术科学。
自动控制理论的发展过程其初期是以反馈控制理论为基础的自动调节原理。
自动控制理论按其发展过程可分为经典控制理论和现代控制理论。
经典控制理论是20世纪50年代以前的控制理论,它是以反馈理论为基础的自动调节原理。
经典控制理论是以传递函数为基础,主要研究单输入一单输出的反馈控制理论,采用的研究方法有时域分析法、根轨迹和频率法。
现代控制理论是60年代随着自动控制技术的发展出现的新的控制理论。
现代控制理论,以状态空间法为基础,主要研究多变量、变参数、非线性、高精度、高性能等各种复杂的控制系统。
目前,现代控制理论正在大系统工程、人工智能控制等方向纵深发展。
经典控制理论和现代控制理论,两者相辅相成,各有其应用场所。
3. 自动控制技术常用术语1)被控对象自动控制系统中需要进行控制的设备或生产过程,自动控制系统中需要进行控制的设备或生产过程,它接受控制量,输出被控量,这个输出的被控量通常是系统最终输出的目标。
2)系统系统是由一些部件(环节)组成,用以完成一定的任务。
3)环节环节是系统的某一个组成部分,它由控制系统中的一个或多个部件组成,其任务是完成系统工作过程中的局部过程。
4)扰动扰动是一种对系统输出量产生反作用的信号或因素,若扰动产生于系统内部,则称为内扰;若产生于系统外部,则称为外扰。
5)反馈与反馈系统将被控对象输出的被控量采样后的信号回送到系统的输入端,并叠加到输入信号中。
反馈分为正反馈和负反馈由丁反馈的存在,使得系统的输出信号单调地朝着某一方向变化,并趋丁极限;或者说系统的被控量与给定值之间的偏差不断增大的反馈。
这种反馈称为正反馈。
这种系统称为正反馈系统。
如果由丁反馈的存在,使得系统的输出信号趋向丁使被控对象的输出量稳定在期望水平上;或者说输出量与给定值之间的偏差趋丁减少,这种反馈称为负反馈。
这种系统称为负反馈系统。
6)反馈控制在有扰动的情况下,反馈控制有减小系统输出量与给定输入量之间偏差的作用,而这种控制作用正是基丁这一偏差来实现的,反馈控制仅仅是针对无法预料的扰动而设计的,可以预料的或者已知的扰动,可以采用补偿的方法来解决。
4. 自动控制系统的基本组成一个控制系统由若干个环节组成,每个环节有其特定的功能。
一般将自动控制系统的每一个组成部分(环节)用一个方框来表示,环节与环节之间用箭头线相连接,表示信号的传递方向。
自动控制系统的基本组成如下图所示:-0~T良*®卜T卜削* I坷节孔佝卜’情”—l-------------- 反■晒反馈环节一对系统的输出量的实际值进行测量,将它转换成反馈信号,并使反馈信号成为与给定信号同类型、同数量级的物理量。
比较器一将给定信号和反馈信号进行比较,产生偏差信号。
控制器一根据输入的偏差信号,按一定的控制规律产生相应的控制信号。
执行器一将控制信号进行功率放大,并带动执行机构动作。
调节机构一直接改变控制系统的输入量,使被控量恢复到给定量期望值。
被控对象一控制系统所要控制的设备或生产过程,它的输出量就是被控量。
被控量一控制对象的某个变量,控制系统的目的通常就是要使该变量与给定值或设定值相符。
控制系统也用该变量的名称来称呼。
如:温度控制系统、压力控制系统、速度控制系统等。
十扰一被控对象中除了调节量以外,能对被控量具有影响作用的所有变量。
也称扰动。
调节量一对被控装置的被控量具有较强的直接影响,而且是便于调节的变量。
偏差一给定值与反馈量之差。
给定值一也称设定值,是与被控量的期望值相对应的,它可以是恒定值,也可以按程序变化。
例题:某贮槽的液位控制系统的反馈控制工作原理:―► S图中:Q1为进入贮槽的液体流量Q2 为流出贮槽的液体流量控制目的:使贮槽中的液位以一定的精度稳定丁某一高度H。
动态过程:(1).当外部负荷(负载)改变,即Q2改变时,这时Q1冬Q2,液位将上升或下降。
(2).液位变送器(差压变送器)将自动检测液位的变化,并把液位高低的变化转换为与之成比例的电气信号(此信号称为测量信号)。
(3).将测量信号送入控制器,并与控制器中的液位给定值进行比较,得出两者的差值,称为偏差信号。
(4).控制器根据偏差信号的大小,按某种运算规律计算出控制器应输出的控制信号,并将此信号送入执行器。
(5).执行器根据信号对调节阀的开度进行调整,使Q1 (流入量)发生变化,从而使液位保持在期望值Ho (液位给定值)上,实现了贮槽的液位自动控制。