发电厂原则性热力系统计算
- 格式:doc
- 大小:943.00 KB
- 文档页数:16
摘要针对某大型机组利用再热蒸汽喷水减温的不正常运行方式,本文对300MW机组进行原则性热力系统计算,定量分析了该调温方式使机组主要热经济指标的降低幅度,分析了再热蒸汽喷水减温对机组运行的重要性。
机组定负荷稳定运行工况下的再热蒸汽喷水,改变了系统中工质总量,使系统各计算点上工质焓降发生了变化(各级抽汽量发生变化),汽轮机高、中压缸和低压缸发电功率进行了重新分配,系统热经济指标(热耗率、绝对电效率、系统热耗率、标准煤耗率等)都发生相应的变化。
本文选取了5个再热蒸汽喷水量(0、5、10、15、25)t/h 变化工况点进行了计算,获得了系统各项热经济指标及再热蒸汽喷水量变化时的变化量并验证了其线性变化规律,从而得出采用喷水减温对再热蒸汽进行调节将使机组的热经济性受到了影响。
关键词:再热机组;热力系统计算;再热蒸汽;喷水减温;效率;热经济性目录1.前言 (1)2. 汽轮机概况 (2)2.1机组概况 (2)2.2机组的主要技术参数 (3)2.3额定工况下机组各回热抽汽参数 (4)3.锅炉概况 (5)3.1锅炉设备的作用及构成 (5)3.2本锅炉设计有以下特点 (5)3.3锅炉型式和参数 (6)3.4其他数据整理 (6)4. 机组原则性热力系统求解 (7)4.1额定工况下的原则性热力系统计算 (8)4.1.1整理原始数据 (8)4.1.2 整理过、再热蒸汽及排污扩容器计算点参数 (8)4.1.3 全厂物质平衡 (8)4.1.4 计算汽轮机各段抽汽量Dj 和凝汽流量Dc (9)4.1.5 热经济指标计算 (16)4.2非额定工况下的原则性热力系统计算 (17)4.2.1再热蒸汽喷水流量为Dzp (17)4.2.2 工况二再热蒸汽喷水流量Dzp=5t/h (25)4.2.3 工况三再热蒸汽喷水流量Dzp=10t/h (27)4.2.4 工况四再热蒸汽喷水流量Dzp=15t/h (29)4.2.5 工况五再热蒸汽喷水流量Dzp=25t/h (31)5. 计算结果汇总与分析 (33)5.1各项汽水流量的计算结果 (33)5.2再热蒸汽喷水引起系统各项汽水的相对变化量 (34)5.3对系统热经济性的影响 (35)6.结论与建议 (36)致谢 (37)参考文献 (38)1.前言喷水减温是将水直接喷入过热蒸汽中,水被加热,汽化和过热,吸收蒸汽中的热量,达到调节汽温的目的。
具有工业及采暖抽汽供热式汽轮机的热电厂原则性热力系统计算热电厂原则性热力系统附图所示,求在计算的供热工况和汽轮机耗汽量0D '下的发电量和全厂各项热经济指标。
已知:1、 汽轮机、锅炉主要特征 (1) 汽轮机机组型式 前苏联 ∏T —135/165-12.75/1.27型 新汽参数 0p =12.75 M a p (130ata), 0t =565℃ 终参数 c p =3.4×310- M a p抽汽 七级抽汽,其中第3、6、7为调节抽汽,第3级为工业抽汽。
第6、7级为采暖抽汽 功率 额定功率135MW ,最大功率165MW (2) 锅炉型式 自然循环汽包炉参数 b p =13.83 M a p , b t =570℃ 锅炉效率 b η=0.92 2、 供热抽汽及供热系统第3级工业抽汽调压范围为0.785~1.27 M a p (8~13ata)。
直接向热用户供汽,回水率50%, 回至补充水除氧气MD 。
第6、7级采暖汽调压范围分别为0.0588~0.45 M a p (0.6~2.5ata), 0.0392~0.11M a p (0.4~1.2ata)。
经由基载热网加热器(BH1、BH2)和热水锅炉(WB )通过水网热用户供暖。
在凝汽器内装有部分管束,用以预热采暖热网返回水。
网水设计送水温度dsn t =150℃。
3、回热抽汽及回热系统七级回热抽汽分别供三个高压加热器、一个前置式定压给水除氧器HD 和四个低压加热器用汽。
另外还专门设置了大气式补水除氧器MD ,以及保证MD 正常运行设立的补水预热器SW 。
在计算工况下各级抽汽压力、抽汽温度如表所示。
∏T —135/165-12.75/1.27(13)型机组计算工况抽汽参数给水温度234℃,给水泵出口压力17.5 M a p 。
给水在给水泵中理想泵功a pu w =186kJ/kg ,给水泵效率pu η=0.8。
1、 计算工况工业热负荷供汽s D =302400kg/h ,3p =1.27 M a p ,回水温度ss t =90℃ ,相应回水焓ss w h ,近似为:90×4。
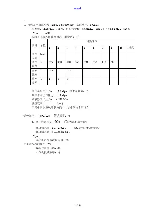
1、汽轮发电机组型号:N300-16.8/550/550 实际功率:300MW初参数:16.18Mpa,550℃;再热汽参数:〔3.46Mpa,328℃〕/〔3.12 Mpa 550℃〕Mpa x=9%给水泵出口压力:17.6 Mpa,给水泵效率:η凝结水泵出口压力:1.18 Mpa除氧器工作压力:0.588 Mpa机组效率:ηmη不考虑回热系统的散热损失,忽略凝结水泵焓升。
锅炉效率:ηb=0.925 管道效率:η3、全厂汽水损失:DD B 〔D B为锅炉蒸发量〕轴封漏汽量:Dsg=1.01Do 〔Do为汽轮机新汽量〕轴封漏汽焓:h sg=3049kJ/kgMpa汽轮机进汽节流损失为:4%中压联合汽门压损:2%各抽汽管道压损:6%小汽机机械效率:η设计:根据数据,与水蒸汽焓熵图,查出各抽汽点焓值后,作出水蒸汽的汽态膨胀线图如下:二、计算新汽流量与各处汽水流量1、给水泵焓升:〔假设除氧器标高为35m〕△hpu=1000〔P入-P出〕V/η=21.56〔kJ/kg〕给水泵出口焓值h=h入+△〔kJ/kg〕2、大机与小机排汽焓:h c=xh¹+〔1-x〕h¹¹〔kJ/kg〕3、根据所知参数知道,#1、2、3GJ疏水为未饱和水除氧器为饱和水,#1、2、3、4DJ疏水为饱和水轴加、凝结器为饱和水。
由以上特点与设计参数查未饱和水特性表、饱和水与饱和蒸汽表、查汽轮机总汽耗量为D¹那么 D¹=Do+Dsg=1.01 Do 即α¹锅炉蒸发量D B= D¹D BD B=1.01 Do即α锅炉给水量Dgs : Dgs= D B=1.0202 Do 即αh 〕α1=αgs 〔h12-h11〕/〔 h1-h1s 〕=1.0202*〔1129.3-1029〕/〔3133.3-1065〕〕=αgs 〔h22-h21〕 α2=[αgs 〔h22-h21〕-α1〔h1 s –h2s 〕]/〔 h2-h2s 〕=1.0202*〔1029-824.5〕-0.04947*〔1065-853〕/〔3049.6-853〕6、#3GJ 列热平衡式:α3、h31+α2〕〔h2 s –h3s 〕=αgs 〔h32-h31〕α3=[αgs 〔h32-h31〕-〔α1+α2〕〔h2 s –h3s 〕]/〔 h3-h3s 〕〔824.5-688.8〕-〔0.04947+0.09020〕*〔853-706.8〕/〔3341.9-706.8〕7、αxj : αxj △Hxj ηm=αgs △hpu αxj=αgs △hpu /△Hxj η/8、除氧器: 列物质平衡式:α4、αn4=αgs-〔α1+α2+α3〕-α4 〕-α4 4h 4+αn4h d42=αgs h ¹cy αα α α9、#4DJ :α5、h5h5- h ¹bh4〕、αgs α5=αn4〔h D42- h D41〕/〔 h5- h ¹bh4〕3049.6-623.8〕¹bh3〕- h D31〕gs〕-α5〔h ¹bh4- h ¹bh3〕/〔 h6- h ¹bh3〕537.1-376.07〕-0.02909*〔623.8-542.7〕/〔2933.1-542.7〕= 0.05483列热平衡式:〔α5+α6〕*〔h ¹bh3- h ¹bh2〕+α7〔h7- h ¹bh2〕=αn4〔h D31- h D21〕α7=[αn4〔h D31- h D21〕-〔α5+α6〕*〔h ¹bh3- h ¹bh2〕]α5+α6、h ¹bh3α7=0.82815*〔376-223.9〕-〔0.02909+0.05483〕*〔542.7-387.5〕/〔2714-387.5〕12、SG αsg 、hsgαn4、h D21h¹bh列热平衡式:αn4〔h D21- h n〕=αsg〔h sg - h¹bh〕h D11=αsg〔h sg - h¹bh〕/αn4+ h n=0.01*〔3049-236.5〕/0.82815+=170.6〔kJ/kg〕13、#1DJα8、h8αn4、h D12αn4、h D11〔α5+α6+α7〕、h¹列热平衡式:αn4〔h D12- h D11〕=α8〔h8 - h¹bh1〕+〔α5+α6+α7〕〔h¹bh2- h¹bh1〕α8=[αn4〔h D12- h D11〕-〔α5+α6+α7〕〔h¹bh2- h¹bh1〕]/〔 h6- h¹bh3〕=[0.82815*〔223.9-170.6〕-〔0.02909+0.05483+0.04854〕*〔387.5-236.5〕]/〔2607.5-236.5〕14、凝结器:列物质平衡式:αn4=αsg+αxj+〔α5+α6+α7+α8〕+αnαn=αn4-αsg-αxj-〔α5+α6+α7+α8〕=0.82815-0.01-0.03173-〔0.02909+0.05483+0.04854+0.0101〕15、计算抽汽作功不足系数:y1=〔h1-hn〕/〔h0-hn〕=〔3133.3-2342.3〕/〔3435.7-2342.3〕=791/y2=〔h2-hn〕/〔h0-hn〕=〔3049.6-2342.3〕/y3=〔h3-hn〕/〔h0-hn〕=〔3341.9-2342.3〕/y4=〔h4-hn〕/〔h0-hn〕=〔3165.8-2342.3〕/y5=〔h5-hn〕/〔h0-hn〕=〔3049.6-2342.3〕/y6=〔h6-hn〕/〔h0-hn〕=〔2933.1-2342.3〕/y7=〔h7-hn〕/〔h0-hn〕=〔2714.1-2342.3〕/y8=〔h8-hn〕/〔h0-hn〕=〔2607.5-2342.3〕/αααα〔α5+αααα∑α机组无回热时的汽耗量Dd:Dd=3600Nd/[〔h0-hz1〕+〔hz2-hn〕]ηmη=3600*300000/[〔3435.7-3049.6〕+〔3565.8-2342.3〕]*=691600=691.600〔t/h〕机组有回热时的汽耗量DoDo= Dd/〔1-∑α/〔1-0.22875〕=896.726〔t/h〕各段抽汽量:D1=α1 Do=0.04947*896.726=44.359〔t/h〕D2=α2 Do=0.09020*896.726=52.529〔t/h〕D3=α3 Do=0. 0.04479*896.726=40.163〔t/h〕D4=α4 Do=0.00759*896.726=6.806〔t/h〕D5=α5 Do=0.02909*896.726=26.085〔t/h〕D6=α6 Do=0.05483*896.726=49.166〔t/h〕D7=α7 Do=0.04854*896.726=43.526〔t/h〕D8=α8 Do=0.01018*896.726=59.128〔t/h〕Dzr=αzr Do=337*896.726=〔t/h〕Dxj=αxj Do=0.03173*896.726=28.5〔t/h〕其它各汽水流量:Do¹Do=1.01*896.726=905.667〔t/h〕Dgl=αgl Do=1.0202*896.726=914.813〔t/h〕Dn=αn1025*896.726=547.235〔t/h〕Dsg=αsg Do=0.01*896.726=8.967〔t/h〕Dl D B=0.01*914.813=9.148〔t/h〕汽轮机功率校核:N1=D1(ho-h1)ηmη/3600=7593(kw)N2=D2(ho-h2)ηmη/3600=5466(kw)N3=D3(h¹¹zr-h3)ηmη/3600=2423(kw)N4=D4(h¹¹zr –h4)ηmη/3600=734(kw)N5=(D5+Dxj)h¹¹zr–h5)ηmη/3600=7594(kw)N6=D6(¹¹zr–h6)ηmη/3600=8383.4(kw)N7=D7(h¹¹zr–h7)ηmη/3600=9990(kw)N8=D8(h¹¹zr–h8)ηmη/3600=2357(kw)Nn=Dn(h¹¹zr-hn)ηηg/3600=547235/3600=180368(kw)Nzr=Dzr(ho-¹zr)ηmηg/3600=747619/3600=77877(kw)∑N=302756(kw)σ=(∑N-N)/N=(302756-300000)/300000*100%=0.92%<1%所以,误差在允许围,计算结果符合要求。
《热力发电厂》课程设计指导书(1)设计题目: 600MW 凝汽式机组全厂原则性热力系统设计计算一、课程设计的目的和任务本课程设计是《热力发电厂》课程的具体应用和实践,是热能工程专业的各项基础课和专业课知识的综合应用,其重点在于将理论知识应用于一个具体的电厂生产系统介绍实际电厂热力系统的方案拟定、管道与设备选型及系统连接方式的选择,详细阐述实际热力系统的能量平衡计算方法和热经济性指标的计算与分析。
完成课程设计任务的学生应熟练掌握系统能量平衡的计算,可以应用热经济性分析的基本理论和方法对各种热力系统的热经济性进行计算、分析,熟练掌握发电厂原则性热力系统的常规计算方法,了解发电厂原则性热力系统的组成。
二、计算任务1 .根据给定的热力系统数据,在 h - s 图上绘出蒸汽的汽态膨胀线(要求出图占一页);2 .计算额定功率下的汽轮机进汽量 D0,热力系统各汽水流量 D j;3 .计算机组和全厂的热经济性指标(机组汽耗量、机组热耗量、机组汽耗率、机组热耗率、绝对电效率、全厂标准煤耗量、全厂标准煤耗率、全厂热耗率、全厂热效率);4 .按《火力发电厂热力系统设计制图规定》绘出全厂原则性热力系统图,并将所计算的全部汽水流量标在图中(手绘图 A2 )。
汽水流量标注: D ×××,以 t/h 为单位三、计算类型:定功率计算采用常规的手工计算法。
为便于计算,凡对回热系统有影响的外部系统,如辅助热力系统中的锅炉连续排污利用系统、对外供热系统等,应先进行计算。
因此全厂热力系统计算应按照“先外后内,由高到低”的顺序进行。
计算的基本公式是热平衡式、物质平衡式和汽轮机功率方程式,具体步骤如下:1、整理原始资料根据给定的原始资料,整理、完善及选择有关的数据,以满足计算的需要。
(1)将原始资料整理成计算所需的各处汽、水比焓值,如新蒸汽、抽汽、凝气比焓。
加热器出口水、疏水、带疏水冷却器的疏水及凝汽器出口水比焓,再热热量等。
摘要针对某大型机组利用再热蒸汽喷水减温的不正常运行方式,本文对300MW机组进行原则性热力系统计算,定量分析了该调温方式使机组主要热经济指标的降低幅度,分析了再热蒸汽喷水减温对机组运行的重要性。
机组定负荷稳定运行工况下的再热蒸汽喷水,改变了系统中工质总量,使系统各计算点上工质焓降发生了变化(各级抽汽量发生变化),汽轮机高、中压缸和低压缸发电功率进行了重新分配,系统热经济指标(热耗率、绝对电效率、系统热耗率、标准煤耗率等)都发生相应的变化。
本文选取了5个再热蒸汽喷水量(0、5、10、15、25)t/h 变化工况点进行了计算,获得了系统各项热经济指标及再热蒸汽喷水量变化时的变化量并验证了其线性变化规律,从而得出采用喷水减温对再热蒸汽进行调节将使机组的热经济性受到了影响。
关键词:再热机组;热力系统计算;再热蒸汽;喷水减温;效率;热经济性目录1.前言 (1)2. 汽轮机概况 (2)2.1机组概况 (2)2.2机组的主要技术参数 (3)2.3额定工况下机组各回热抽汽参数 (4)3.锅炉概况 (5)3.1锅炉设备的作用及构成 (5)3.2本锅炉设计有以下特点 (5)3.3锅炉型式和参数 (6)3.4其他数据整理 (6)4. 机组原则性热力系统求解 (7)4.1额定工况下的原则性热力系统计算 (8)4.1.1整理原始数据 (8)4.1.2 整理过、再热蒸汽及排污扩容器计算点参数 (8)4.1.3 全厂物质平衡 (8)4.1.4 计算汽轮机各段抽汽量Dj 和凝汽流量Dc (9)4.1.5 热经济指标计算 (16)4.2非额定工况下的原则性热力系统计算 (17)4.2.1再热蒸汽喷水流量为Dzp (17)4.2.2 工况二再热蒸汽喷水流量Dzp=5t/h (25)4.2.3 工况三再热蒸汽喷水流量Dzp=10t/h (27)4.2.4 工况四再热蒸汽喷水流量Dzp=15t/h (29)4.2.5 工况五再热蒸汽喷水流量Dzp=25t/h (31)5. 计算结果汇总与分析 (33)5.1各项汽水流量的计算结果 (33)5.2再热蒸汽喷水引起系统各项汽水的相对变化量 (34)5.3对系统热经济性的影响 (35)6.结论与建议 (36)致谢 (37)参考文献 (38)1.前言喷水减温是将水直接喷入过热蒸汽中,水被加热,汽化和过热,吸收蒸汽中的热量,达到调节汽温的目的。
660MW凝汽式机组全厂原则性热力系统计算(设计计算)一、计算任务书(一)计算题目国产660MW凝汽式机组全厂原则性热力系统计算(设计计算)(二)计算任务1.根据给定热力系统数据,计算气态膨胀线上各计算点的参数,并在h—s图上绘出蒸汽的气态膨胀线;2.计算额定功率下的气轮机进汽量Do,热力系统各汽水流量D j、G j;3.计算机组的和全厂的热经济性指标;4.绘出全厂原则性热力系统图,并将所计算的全部汽水参数详细标在图中(要求计算机绘图)。
(三)计算类型定功率计算(四)热力系统简介某火力发电场二期工程准备上两套660MW燃煤汽轮发电机组,采用一炉一机的单元制配置。
其中锅炉为德国BABCOCK公司生产的2208t/h自然循环汽包炉;气轮机为GE公司的亚临界压力、一次中间再热660MW凝汽式气轮机。
全厂的原则性热力系统如图5-1所示.该系统共有八级不调节抽汽。
其中第一、二、三级抽汽分别供三台高压加热器,第五、六、七、八级抽汽分别供四台低压加热器,第四级抽汽作为0.9161Mpa压力除氧器的加热汽源。
第一、二、三级高压加热器均安装了内置式蒸汽冷却器,上端差分别为—1。
7℃、0℃、—1.7℃。
第一、二、三、五、六、七级回热加热器装设疏水冷却器,下端差均为5.5℃。
气轮机的主凝结水由凝结水泵送出,依次流过轴封加热器、4台低压加热器,进入除氧器。
然后由气动给水泵升压,经三级高压加热器加热,最终给水温度达到274。
8℃,进入锅炉。
三台高压加热器的疏水逐级自流至除氧器,第五、六、七级低压加热器的疏水逐级自流至第八级低压加热器;第八级低加的疏水用疏水泵送回本级的主凝结水出口。
凝汽器为双压式凝汽器,气轮机排气压力4。
4/5。
38kPa.给水泵气轮机(以下简称小汽机)的汽源为中压缸排汽(第四级抽汽),无回热加热其排汽亦进入凝汽器,设计排汽压力为6。
34kPa。
锅炉的排污水经一级连续排污利用系统加以回收。
扩容器工作压力1。
发电厂原则性热力系统计算————————————————————————————————作者:————————————————————————————————日期:发电厂原则性热力系统计算: 已知条件1. 汽轮机形式和参数制造厂家: 哈尔滨汽轮机厂型 号: N300—16.7/538/538型型 式: 亚临界、一次中间再热、单轴、双缸、双排汽、反动凝汽式汽轮 机 额定功率: 300MW 最大功率: 330MW 初蒸汽参数:=0p 16.67MPa ,=0t 538C再热蒸汽参数: 冷段压力==inrh p p 2 3.653MPa ,冷段温度=in rht 320。
6C 热段压力=outrh p 3.288MPa ,热段温度=out rht 538C 低压缸排汽参数:=c p 0。
0299MPa ,=c t 32.1C , =c h 2329.8kJ/kg给水泵小汽轮机耗汽份额:=st α0。
0432机组发电机实际发出功率:='eP 300MW给水泵出口压力:=pu p 20。
81MPa凝结水泵出口压力: 1。
78MPa 机组机电效率: ==g m mg ηηη0.98加热器效率: =hη0.99额定排汽量: 543.8t/h 给水温度: 273.6℃ 冷却水温度: 20℃ 最高冷却水温度: 34℃额定工况时热耗率: (计算)7936。
2Kj/KW 。
h (保证)7955Kj/KW .h 额定工况时汽耗率 3。
043Kg/KW .h 主蒸汽最大进汽量: 1025t/h 工作转速: 3000r/min旋转方向: 顺时针(从汽轮机向发电机看) 最大允许系统周波摆动: 48。
5-50.5Hz 空负荷时额定转速波动: ±1r/min 噪音水平: 90db 通流级数: 36级表(1)机组回热加热器参数2。
锅炉形式和参数型号: HG —1025/18。
2—YM11型型式 亚临界、自然循环、中间一次再热、燃煤汽包锅炉、 单炉膛紧闭。
660MW凝汽式机组全厂原则性热力系统计算(设计计算)一、计算任务书(一)计算题目国产660MW凝汽式机组全厂原则性热力系统计算(设计计算)(二)计算任务1.根据给定热力系统数据,计算气态膨胀线上各计算点的参数,并在h-s图上绘出蒸汽的气态膨胀线;2.计算额定功率下的气轮机进汽量Do,热力系统各汽水流量D j、G j;3.计算机组的和全厂的热经济性指标;4.绘出全厂原则性热力系统图,并将所计算的全部汽水参数详细标在图中(要求计算机绘图)。
(三)计算类型定功率计算(四)热力系统简介某火力发电场二期工程准备上两套660MW燃煤汽轮发电机组,采用一炉一机的单元制配置。
其中锅炉为德国BABCOCK公司生产的2208t/h自然循环汽包炉;气轮机为GE公司的亚临界压力、一次中间再热660MW凝汽式气轮机。
全厂的原则性热力系统如图5-1所示。
该系统共有八级不调节抽汽。
其中第一、二、三级抽汽分别供三台高压加热器,第五、六、七、八级抽汽分别供四台低压加热器,第四级抽汽作为0.9161Mpa压力除氧器的加热汽源。
第一、二、三级高压加热器均安装了内置式蒸汽冷却器,上端差分别为-1.7℃、0℃、-1.7℃。
第一、二、三、五、六、七级回热加热器装设疏水冷却器,下端差均为5.5℃。
气轮机的主凝结水由凝结水泵送出,依次流过轴封加热器、4台低压加热器,进入除氧器。
然后由气动给水泵升压,经三级高压加热器加热,最终给水温度达到274.8℃,进入锅炉。
三台高压加热器的疏水逐级自流至除氧器,第五、六、七级低压加热器的疏水逐级自流至第八级低压加热器;第八级低加的疏水用疏水泵送回本级的主凝结水出口。
凝汽器为双压式凝汽器,气轮机排气压力 4.4/5.38kPa。
给水泵气轮机(以下简称小汽机)的汽源为中压缸排汽(第四级抽汽),无回热加热其排汽亦进入凝汽器,设计排汽压力为6.34kPa。
锅炉的排污水经一级连续排污利用系统加以回收。
扩容器工作压力1.55Mpa,扩容器的疏水引入排污水冷却器,加热补充水后排入地沟。
发电厂原则性热力系统计算举例例7-1 亚临界600MW 一次中间再热凝汽式汽轮机发电厂原则性热力系统计算。
美国西屋电汽公司600MW 亚临界机组的原则性热力系统如图7-15,求下列已知条件下机组发电机实际功率MW P e 96.586=时的全厂热经济指标。
已知条件如下1.汽轮机形式和参数美国西屋电汽公司制造的汽轮机,亚临界参数,一次中间再热,单轴,反动式,四缸四排汽,双背压,凝汽式机组,配汽包炉。
机组型号 TC4F-980 初蒸汽参数 78.531706.1600==t MPa p ℃再热蒸汽参数 高压缸排汽72.3012821.32)(2)(====t t Map p t rh t rh ℃再热器进口72.2982821.3)()(==inb rh inb rh t MPa p低压缸排汽压力9056.00045.0==c c X MPa p给水泵小汽轮机耗汽份额 03158.0=t α 额定功率MWp e 600=回热系统参数 该机组有八级回热抽汽,机组回热加热器为“三高四低一除氧”,在机组发电机实际发出功率MW P e 96.586=下各回热抽泣的压力和温度,加热器压力和疏水冷却器出口焓见表7-1轴封及门杆参数 该机组额定工况时轴封及门杆参数如7-2图7-15 亚临界600M W 一次中间再热凝汽式汽轮机发电厂原则性热力系统图2.锅炉参数和形式锅炉型式 美国巴威公司设计制造,亚临界,一次再热,自然循环,全悬吊平衡通风,单汽包,半露天煤粉炉。
过热蒸汽出口参数 19.533,001.17==b b t MPa p ℃再热蒸汽进口参数 72.298,2821.3)()(==inb rh in b rh t MPa p ℃再热蒸汽出口参数 72.298,2821.3)()(==inb rh in b rh t MPa p ℃省煤器进口给水参数 kgkJ h t MPap fw fw fw /36.118456.273221.18'''===℃锅炉效率 9406.0=b η 汽包连续排污流量份额 0028.01=b α 锅炉排污水压力(汽包压力) MPa p b 08.181= 排污扩容器工作压力 MPa p f 91.0= 排污扩容器的热效率 98.0=t η3.管道热力系统参数主蒸汽管道蒸汽泄漏份额 0028.00=b α 再热蒸汽冷端管道蒸汽泄漏份额 0028.0)(=c rh α厂用汽份额(汽源为高压缸排汽) 0028.0)9=h ap α 回水率0)(=h ap β 厂用汽份额(汽源为中压缸排汽) 0028.0)(=i t ap α 回水率0)(=i ap β给水泵出口给水参数 17.173784.1800==fp tf t MPap ℃轴封加热器的疏水温度和进口给水焓 kg kJ h C t fp sg /15.137,0.800=︒=4.计算中采用的其他数据燃煤低位发热量 kg kJ q /215501= 机组的机电效率 98437.0==g m mg ηηη 加热器效率 98.0=h η 厂用电率 045.0=ap ξ 凝汽器凝结水温度 75.32=c t ℃凝结水泵出口水压力 MPa p cp8852.20= 环境温度 25=t ℃补充水温度 25=ma t ℃,相应的比焓kg kJ h ma w /77.104,= 解:1. 整理原始数据的计算点汽水焓值新蒸汽,再热蒸汽及排污扩容器计算点参数如表7-3所示,根据汽轮机厂提供 机组发电机功率MW p e 96.586'=工况下的汽水参数,查表并整理出的汽水焓值见表7-4所示,在焓熵图上作该机组的汽态线,如图7-16所示。
热力发电厂课程设计说明书一.设计题目:C150-13.24/0.245/535/535型机组的发电厂原则性热力系统计算二.设计任务:根据给定机组的原则性热力系统图及已知参数,进行给定工况下的全厂原则性热力系统计算,求出机组主要的热经济性指标。
注:采用热量法进行热耗分配。
三.整理原始数据:机组的原则性热力系统图见附图,计算额定抽汽工况的发电功率为125573.891 kw,采暖抽汽量为200t/h。
1.汽轮机型式和参数:该机组的汽轮机由武汉汽轮机厂设计生产。
汽轮机形式:超高压、双缸双排汽单抽机组。
七级回热抽汽。
采暖抽汽来自第五段抽汽。
参数整理后如表-1 所示:2.锅炉型式和参数:锅炉采用一次中间再热单汽包,自然循环锅炉,锅炉型号:DG490/13.8II2型循环流化床锅炉。
参数整理后如表-2 所示:表-1:汽轮机型式和参数表-2:锅炉型式和参数20o ma t C =,83.7/w ma h kJ kg =3.额定工况下其他参数:(整理后如 表-3 所示:)4.轴封及门杆漏汽汽量及参数: (整理后如 表-4 所示:)5.机组额定抽汽工况机组回热系统计算点汽水参数:',,j j j t p h ——汽侧参数; d j t ——蒸汽凝结段疏水出口温度;,wj wj t h ——给水出口参数; 11,wj wj t h ++—给水进口参数;,d dwj wjt h —加热器疏水出口参数; θ—上端差; ϑ—下端差对于高压加热器H1:由抽汽参数1 3.6368p MPa =,1352t =°C ;可知抽汽焓 不计管道压损,可知加热器处饱和水温t=244.76,故加热器出口水温11244.76 1.7246.46o w t t C θ=-=+= 由114.6246.46pufw ow p MPat C==查蒸汽表,出口水焓11069.41/w h kJ kg =;而加热器进口水焓可由上一级加热器出口水焓确定。
1、汽轮机型式及参数汽机型式为一次中间再热、亚临界、单轴、双缸、双排汽、冲动凝汽式汽轮机,额定功率为352MW,额定主蒸汽参数:P0=17.46Mpa,t=538℃;额定再热蒸汽参数:P rh =3.07Mpa,trh=538℃;额定排汽压力Pc=0.0049Mpa; hc=2371kj/kg。
2、锅炉型式及参数锅炉型式为露天布置、平衡通风,具有平行尾部通道的燃煤辐射锅炉;单汽包、单炉膛、具有一次中间再热的亚临界自然循环锅炉;额定蒸发量为1085.1t/h,额定饱和蒸汽压力19.02Mpa,过热蒸汽压力17.84Mpa,过热蒸汽温度540.6℃,再热蒸汽温度539℃,给水温度282℃,锅炉效率为93.7%。
3、回热系统及参数机组采用八级回热(三高加四低加一除氧)。
额定工况下的抽汽参数:除氧器滑压运行,凝泵出水压力为2.15Mpa,采用汽轮给水泵,汽源与除氧器同为四抽蒸汽,额定蒸汽参数为:hDT =3177.4kj/kg,MPap cDT005.0=,kgkjh cDT/2440=;小汽机的耗汽量占给水流量的份额03376.0=DTχ;小汽机排汽至冷凝器;给水泵出口压力为20.43 Mpa。
4、其它数据的选取主机、给泵汽机合用同一轴封汽系统;额定负荷时,由于系统采用自密封型式,高压缸前轴封漏汽通过一只汽动调阀回收到四抽;轴封母管过剩汽通过三通转换阀至#1低加汽侧回收;高压部分轴封漏汽经冷凝器冷却后供低压轴封;由轴加建立的微真空抽出汽缸轴封漏汽加热凝泵出口的凝水,由于轴封汽参数取用困难,因此在热力计算中省略了轴封漏汽部分计算,考虑到与系统实际运行可能出现计算偏差,在热力系统计算中考虑了轴封漏汽的加热量,根据实际运行数据,取#1低加进口水温为37.5℃。
汽轮发电机组的机械效率ηM=0.995发电效率ηg=0.995管道效率ηp=0.995、原始数据整理锅炉出口蒸汽参数P0=17.84Mpa,t=540.6℃,取新汽压损为3%,故汽机进口蒸汽参数为P0’=17.3Mpa,t’=538℃;高压缸排汽口压力3.35Mpa,再热蒸汽压损为10%,中压缸进汽参数Prh =3.02Mpa,trh=538℃;中低压缸联通管压损取2%,低压缸进汽压力PL=0.83Mpa,在焓熵图上作该机组的汽态线:200021002200230024002500260027002800290030003100320033003400350036003700380039004000410042005.05.56.06.57.07.58.08.59.05.0 5.56.0 6.57.07.58.08.59.020002100220023002400250026002700280029003000310032003300340035003600370038003900400041004200h KJ/kg KJ/kgKJ/kgK GE352MW 机组的汽态线0.005p DT c2440h DT c2371h c 0.0049p c70t 880.0309p 82627h 82675h 798t770.075p 7185t 660.19p 62841h 60.41p 5265t552995h 5357t 444′0.83p 20.85p 43177h 4457t 333376h 32′3540h rh 540t 0 538t 0′17.84P 017.3P′3388h 03168h 12990h 212400t 1302t 23.35p 26.77p 1100MP机组各计算点参数表:注:①考虑给水泵焓升;②#3低加进口水焓取368.8kj/kg;③#1低加进口水温考虑轴封漏汽加热取37.5℃系统热经济性计算各加热器抽汽放热量qj 的计算kg kj h h q d /6.21084.8862995222=-=-= kg kj h h q d /8.26135.7673.3381333=-=-= kg kj h h q w /7.25779.5976.3175544=-=-= kg kj h h q d /8.24951.5059.3000555=-=-= kg kj h h q d /5.24281.4116.2839666=-=-= kg kj h h q d /3.23018.3771.2679777=-=-= kg kj h h q d /9.23909.1628.2553888=-=-=a) 各加热器中水的焓升τj 的计算kg kj h h w w /7.2096.10313.1241211=-=-=τkg kj h h w w /1636.8686.1031322=-=-=τkg kj h h DT w w /5.1159.242.7286.868433=--=--=ττ kg kj h h w w /3.1309.5972.728544=-=-=τ kg kj h h w w /4.1365.4619.597655=-=-=τkg kj h h w w /7.948.3665.461766=-=-=τ kg kj h h w w /4.884.2788.366877=-=-=τkg kj h h n w /5.1199.1584.278'88=-=-=τ注:h w7’取h w 7+2kj/kg b)各加热器中疏水放热量j γ的计算kg kj h h d d /3.1664.8867.1052212=-=-=γ kg kj h h d d /9.1185.7674.886323=-=-=γkg kj h h d d /941.4111.505656=-=-=γkg kj h h d d /3.338.3771.411767=-=-=γc) 抽汽系数j α的计算(不考虑加热器散热损失) 09947.08.21077.209111===q τα069496.06.21083.16609947.016322122=⨯-=-=q γατα036497.08.26139.118)069496.009947.0(5.115)(332133=⨯+-=+-=q γαατα036998.07.25776.169)036497.0069496.009947.0(3.130)(4432144=⨯++-=++-=q γααατα除氧器进口凝结水份额75754.0036998.0036497.0069496.009947.01143214=----=----=αααααc041422.08.24957.13675754.05545=⨯=⨯=q c ταα027316.05.242894041422.07.9475754.0665646=⨯-⨯=-=q c γαταα8786658'747))(()(w w d w w c h h h h h h --+--=αααα024731.04.2781.2679)4.2781.411()027316.0041422.0()4.2788.368(75754.0=--⨯+--⨯=列方程组:⎪⎩⎪⎨⎧=+++---+++---=++---+++=++++---+'747765776547765776546658765477646655577657765466)()()()()()()()()(w c d w c d w c d w c w c d d d w c h h h h h h h h h h h h h h ααααααααααααααααααααααααααααααααααkg kj h h h c d w c w /15.36875754.08.377)024731.0027316.0041422.0(8.366)024731.0027316.004142.075754.0()()(4776577654'7=⨯+++⨯---=+++---=αααααααα通过以上对h w7’的修正计算,h w7’初取值为368.8kj/kg ,修正值与初始值偏差很小,则取h w7’=368.8kj/kg8876548)(q c τααααα---=032176.024645.119)025378.0033544.0035089.075767.0(=⨯---=597128.0033182.0024731.0027316.0041422.003376.0036998.0036497.0069496.009947.01187654321=---------=---------=ααααααααααDT c再热汽份额 831034.0069496.009947.01121=--=--=αααrhd) 正平衡计算1kg 再热蒸汽吸热量kg kj h h q rh rh /6.54729956.35422=-=-= 各段抽汽作功不足量计算:kg kj h /4.3145.316009947.011=⨯=α kg kj h /1.2082995069496.022=⨯=α kg kj h /4.1233.3381036497.033=⨯=αkg kj h /5.1176.3175036998.044=⨯=αkg kj h DT /2.1076.317503376.04=⨯=α kg kj h /3.1249.3000041422.055=⨯=αkg kj h /6.776.2839027316.066=⨯=α kg kj h /3.661.2679024731.077=⨯=αkg kj h /7.848.2553033182.088=⨯=α kg kj h c c /4.14176.2373597132.0=⨯=α 1kg 蒸汽循环净功W i :4810h h h q h W DT c c j j j rh rh i αααα---+=∑=35.120421.10735.1417271.111608.4551.33906.317503376.06.2373597132.0271.11166.547831038.01.3390=---+=⨯-⨯--⨯+=1kg 工质循环吸热量q 0:100w rh rh h q h q -+=αkg kj /9.26033.12416.547831038.01.3390=-⨯+= 实际循环效率i η:4529.09.260389.2438.12040=-=-=q W DT i i τηe) 反平衡计算广义冷源损失:)()()(88n cDT DT n d n c c n h h h h h h q -+-+-=αααkg kj /75.141478.7789.008.1336)1.1362440(03376.0)1.1369.162(0333182.0)1.1366.2373(597132.0=++=-⨯+-⨯+-⨯=则实际循环效率4567.09.260375.14149.260300=-=-=q q q n i η反平衡计算结果与正平衡计算结果相比较,实际循环效率偏差仅为0.37%,小于0.5% 的计算偏差要求,表明热力系统计算基本正确。
发电厂原则性热力系统计算: 已知条件1. 汽轮机形式和参数制造厂家: 哈尔滨汽轮机厂型 号: N300—16.7/538/538型型 式: 亚临界、一次中间再热、单轴、双缸、双排汽、反动凝汽式汽轮机 额定功率: 300MW 最大功率: 330MW 初蒸汽参数:=0p 16.67MP a ,=0t 538C再热蒸汽参数: 冷段压力==inrh p p 2 3.653MPa ,冷段温度=in rh t 320.6C 热段压力=out rh p 3.288MP a ,热段温度=outrh t 538C低压缸排汽参数:=c p 0.0299M Pa ,=ct 32.1C , =c h 2329.8kJ/kg给水泵小汽轮机耗汽份额:=st α0.0432机组发电机实际发出功率:='e P 300MW给水泵出口压力:=pu p 20.81M Pa凝结水泵出口压力: 1.78MPa 机组机电效率: ==g m mgηηη0.98加热器效率: =hη0.99额定排汽量: 543.8t/h给水温度: 273.6℃ 冷却水温度: 20℃ 最高冷却水温度: 34℃额定工况时热耗率: (计算)7936.2Kj /KW .h (保证)7955Kj/K W.h 额定工况时汽耗率 3.043K g/KW .h 主蒸汽最大进汽量: 1025t/h工作转速: 3000r/min旋转方向: 顺时针(从汽轮机向发电机看) 最大允许系统周波摆动: 48.5—50.5Hz 空负荷时额定转速波动: ±1r/m in 噪音水平: 90db 通流级数: 36级表(1)机组回热加热器参数2. 锅炉形式和参数型号: HG —1025/18.2—Y M11型型式 亚临界、自然循环、中间一次再热、燃煤汽包锅炉、 单炉膛紧闭。
最大连续蒸发量: =bD 1025t/h过热蒸汽出口参数:=b p 18.2M Pa ,=b t 541C再热蒸汽进口参数: =in b rh p )(3.92MPa,=inb rh t )(320C再热蒸汽出口参数: =o b rh p )( 3.72MP a ,=o b rh t )(541C省煤器进口给水参数: ='fw p 27.5MP a ,='fw t 278.9C ,='fw h 1234.00KJ /kg1D ,1b D ,d D 按《电力技术管理法规(试行)》的规格选取,即b D D %)5.3~%5.1(1=,b b D D %)5~%1(1=,0%)3~%1(D D d =相应选取结果如下:锅炉连续排污量:bb D D 02.01= 全厂汽水损失:b D D 03.01=至锅炉减温水量:0015.0D D d =,kg kJ h d /594=解:1. 整理原始数据的计算点汽水焓值 机组发电机功率='e p 300MW表(2)机组回热系统计算点汽水参数根据p ,t 查水蒸汽表得 新蒸汽焓值kgkJ h /75.33960=,排汽焓值kg kJ h c /8.2329=,kg kJ h in rh/55.3025=,kg kJ h out rh /10.3537= kg kJ h h q inrh out rh rh /55.51155.302510.3537=-=-=2,全厂物质平衡汽轮机总耗气量 0'0DD =锅炉蒸发量b b D D D D D 03.001'0+=+=0030928.1D D b =锅炉给水量01051547.102.102.0D D D D D D D b b b b b fw ==+=+=锅炉连续排污量01020619.002.0D D D b b ==未回收排污水量 01'1020619.0D D D b b ==补充水量11'11051547.005.002.003.003.0D D D D D D D D D b b b b b b ma ==+=+=+=3,计算回热抽汽系数与凝汽系数(1)高压加热器H1: 由H1热平衡式求1α()21111w w h dw h h h h -=⋅-ηα()()071297.057.109107.313899.092.105437.119911211=--=--=dw h w w h h h h ηαH1的疏水系数071297.011==ααd(2)高压加热器H2:()()[]32211222w w h d w d w d d w h h h h h h-=⋅-+-ηαα()()dw d w d w d h w w h h h h h h 22211322----=αηα()()082487.077.89655.302577.89657.1091071297.099.033.86792.1054=--⨯--=H2的疏水系数 153784.0082487.0071297.0212=+=+=αααd d再热蒸汽系数rh α 846216.0153784.01121=-=--=αααrh(3)高压加热器H3先计算给水泵焓升puw h ∆。
除氧器水位高度为20m ,则给水泵的进口压力为=in pMPa p gh 99456.092.0868.00098.02092.01046=⨯+⨯=⋅+⨯-ρ,取给水的平均比容为kg m v av30011.0=,给水泵效率83.0=pu η,则()puin out av puwp p v p η-=∆310()()kg kJ 3.2683.099456.081.200011.0103=-⨯=由H3得热平衡式得()()[]()[]()[]()dw dw d w d h pu w w w pu ww w h d w d w d d w h h h h h h h h h h h h h h3332243343322333---∆+-=∆+-=⋅-+-αηαηαα()[]()037610.026.77116.333226.77177.896153784.099.03.2657.72633.867=--⨯-+-=H3的疏水系数191394.0037610.0153784.0323=+=+=αααd d(4)除氧器HD第四段抽汽4α由除氧器加热蒸汽'4α和汽动给水泵用汽pu α两部分组成,即 st ααα+='44由除氧器的物质平衡可知除氧器的进水系数4c α为 '4341ααα--=d c (1)除氧器热平衡式为54334'44w c d w d w h h h h ααα++=将式(1)代入,则()()53354'454w d w d w w w h h h h h h -+-=-αα考虑h η,则热平衡式为()()()53354'454w dw d w h w w h h h h h h -+-=-ααη()()5453354'4w w dw d h w w h h h h h h ----=αηα()()046264.062.57048.314562.57026.771191394.099.062.57057.726=--⨯--=762342.0046264.0191394.011'434=--=--=αααd c089464.00432.0046264.0'44=+=+=st ααα(5)低压加热器H5: 由H5的热平衡式得5α()()654'555w w c h h h h h-=⋅-αηα()'556545h h h h hw w c --=ηαα()043376.090.56547.294599.058.43662.570762342.0=--⋅=H5的疏水系统043376.055==ααd(6)低压加热器H6:()()[]()764'6'55'666w w c h d h h h h h h-=⋅-+-αηαα()()'66'6'557646h h h h h h d h w w c ----=αηαα()()025132.033.44223.275733.42290.565043376.099.094.35258.436762342.0=--⨯--⨯H6的疏水系统068508.0025132.0043376.0656=+=+=αααd d(7)低压加热器H 7()()[]()874'7'66'777w w c h d h h h h h h-=⋅-+-αηαα()()'77'7'668747h h h h h h d h w w c ----=αηαα()()028967.091.35937.265691.35933.442068508.099.022.25994.352762342.0=--⨯--⋅=H7的疏水系数097475.0028967.0068508.0767=+=+=αααd d(8)低压加热器H8与轴封加热器(SG )将H8与SG 作为一个整体考虑,采用图所示的热平衡范围列物质平衡和热平衡式。
由热井的物质平衡式,得874ααααα--=+d c st c (2)热平衡式为()''778884cst c d c h h h h ⋅+++=ααααα 代入式(2),考虑h η,并整理成以4c α吸热为基础以进水焓'c h 为基准的热平衡式,得 ()()[]()'84''77'88cw c h c d ch h h hh h -=⋅-+-αηαα()()'8''77'848ccd h c w c h h h h h h ----=αηαα()()028118.05.14557.25165.14591.359097475.099.05.14522.259762342.0=--⨯--⨯=(9)凝气系数c α的计算与物质平衡校核 由热井的物质平衡计算c α593549.00432.0028118.0097475.0762342.0874=---=---=std c c ααααα由汽轮机通流部分物质平衡来计算c α,以校核计算的准确性⎪⎪⎭⎫⎝⎛-=∑811j c αα(043376.0089464.0037610.0082487.0071297.01++++-=)593549.0028118.0028967.0025132.0=+++两者计算结果相同,表明以上计算正确。
4,.新汽量0D 计算及功率校核根据抽汽做功不足多耗新汽的公式来计算0D⎪⎪⎭⎫ ⎝⎛⋅-=⋅=∑81001j j c c Y D D D αβ (1)计算0D 凝汽的比内功ic ω为()kg kJ h q h c rh ic /5.15788.232955.51175.33960=-+=-+=ωh t P D gm ic ec /1570.6981098.05.15783000003600103600330=⨯⨯⨯=⨯=--ηηω(2)计算0D各级抽汽做功不足系数j Y 如下:=-+=iccrh h q h Y ω11836123.05.15788.232955.51107.3138=-+ 764840.05.15788.232955.51155.302522=-+=-+=iccrh h q h Y ω635008.05.15788.232916.333233=-=-=icch h Y ω516744.05.15788.232948.314544=-=-=icch h Y ω390035.05.15788.232947.294555=-=-=icch h Y ω270782.05.15788.232923.275766=-=-=icch h Y ω206886.05.15788.232937.265677=-=-=icch h Y ω118321.05.15788.232957.251688=-=-=icch h Y ωj j j j Y h αα,和j D 的计算数据见下表(3)表(3)j j j j Y h αα,和j D 的计算数据则,抽汽做功不足汽耗增加系数β为 291753.1225858.0111181=-=⎪⎪⎭⎫ ⎝⎛-=∑j j Y αβ 则汽轮机新汽耗量0D 为()h t D D c /846399.901291753.11570.69800=⨯==β(3)功率校核1k g新汽比内功i ω为⎪⎪⎭⎫ ⎝⎛⋅+⋅-⋅+=∑810c c j j rh rh i h h q h αααω()kg kJ /982658.1221649137.260755.511846216.075.3396=-⨯+=据此,可得汽轮发电机的功率'e P 为 98.0982658.1221846399.90136000'⨯⨯==g m i e D P ηηω MW 999957.299=计算误差%000014.0%100300999957.299300%100'=⨯-=⨯-=∆e P eP e P 误差非常小,在工程允许范围内,表示上述计算正确。