工艺管理员岗位说明书
- 格式:doc
- 大小:73.00 KB
- 文档页数:3
技术工艺总管岗位工作说明书岗位描述技术工艺总管是企业中的高级技术职位,其工作是对技术工艺的控制、管理及改善,并为维持生产流程质量的稳定性提供支持。
主要职责如下:•负责新产品的开发、方案制定、测试和审核等工作;•负责生产过程中的技术流程优化和改进工作;•组织开展各种技术研发及技术难点攻关工作;•负责技术培训,提高员工的技能水平以及推进公司的技术水平;•负责制订、实施技术标准、规范,完善技术文档。
岗位职责1. 新产品开发•负责开发新产品,设计制定技术方案,遵守质量规定,能按时按质完成项目;•跟踪产品生产的过程并保证产品开发到生产的顺利进行;•对新产品设计提出改进建议,确保产品的质量得以升级与提升。
2. 生产流程管理•负责生产过程中的技术流程的规划、优化和改进工作;•负责生产工艺的制定和管理,沟通并指导生产操作员;•负责推广新的生产工艺和设备,提高生产效率;•对产品生产进行全面管理,确保生产质量符合规定标准。
3. 技术研发和难点攻关•组织开展各种技术研发及技术难点攻关工作;•推广和开展新技术、新工艺、工艺流程及方法;•跟踪技术研发中的变化,促进新技术的应用。
4. 技术培训•负责企业技术,管理和流程等方面的培训;•撰写、更新并维护技术标准、规范和说明书;•建立技术培训计划,掌握培训效果,提高员工的技能水平。
5. 技术标准管理•制定、实施并维护技术标准和规程,确保工厂的生产质量符合规定标准;•对产品和设备进行实验和测试,在必要时对现有标准进行调整;•负责技术文档管理和完善,保证技术文件的完整性和准确性。
岗位要求教育背景•本科或以上学历,机械、材料、电子、自动化、制造等相关专业专业。
工作经验•有5年及以上技术工艺管理经验,熟练掌握设计软件、制造技术、流程改善、数据分析等方面的知识;•了解ISO9001国际质量管理体系、环境管理体系、职业安全管理体系等标准。
技能要求•能快速分析和解决问题,维护日常生产工作;•具有良好的沟通能力和团队协作精神,能够有效地协调和推进各项工作;•快速学习和掌握新技术,有自我挑战精神,能够持续学习和完善;•能够熟练使用办公软件,例如CAD、PRO-E、UG、Office、Photoshop等。
工艺员岗位职责说明(经典版)编制人:__________________审核人:__________________审批人:__________________编制单位:__________________编制时间:____年____月____日序言下载提示:该文档是本店铺精心编制而成的,希望大家下载后,能够帮助大家解决实际问题。
文档下载后可定制修改,请根据实际需要进行调整和使用,谢谢!并且,本店铺为大家提供各种类型的经典范文,如工作总结、工作计划、讲话致辞、合同范本、心得体会、策划方案、规章制度、教学资料、作文大全、其他范文等等,想了解不同范文格式和写法,敬请关注!Download tips: This document is carefully compiled by this editor. I hope that after you download it, it can help you solve practical problems. The document can be customized and modified after downloading, please adjust and use it according to actual needs, thank you!Moreover, our store provides various types of classic sample essays for everyone, such as work summaries, work plans, speeches, contract templates, reflections, planning schemes, rules and regulations, teaching materials, essay summaries, and other sample essays. If you want to learn about different sample essay formats and writing methods, please stay tuned!工艺员岗位职责说明工艺员负责新工艺开发和技改。
工艺部岗位说明书一、部门概述工艺部是公司生产流程中的关键部门,负责产品的工艺设计、流程优化、工装夹具设计以及生产现场的技术支持等工作。
其工作的核心目标是确保产品能够以高效、高质量、低成本的方式进行生产,满足市场需求和客户要求。
二、岗位设置及职责(一)工艺部经理1、岗位职责(1)负责制定和完善工艺部的各项规章制度、工作流程和标准,确保部门工作的规范化和高效化。
(2)根据公司的发展战略和市场需求,组织制定工艺部的工作计划和目标,并监督执行情况,确保按时完成任务。
(3)负责工艺部的团队建设和管理,包括人员招聘、培训、绩效考核等,提高团队的整体素质和业务能力。
(4)组织开展新产品的工艺设计和开发工作,参与产品设计评审,提出工艺改进建议,确保产品的可制造性和工艺合理性。
(5)负责工艺文件的审核和批准,确保工艺文件的准确性和完整性。
(6)与其他部门协调沟通,解决生产过程中的工艺问题,提高生产效率和产品质量。
(7)关注行业发展动态和新技术的应用,推动工艺技术的创新和改进,提高公司的核心竞争力。
2、任职要求(1)本科及以上学历,机械制造、工艺设计等相关专业。
(2)具有 5 年以上工艺管理工作经验,熟悉机械加工、装配等工艺。
(3)具备较强的团队管理能力、沟通协调能力和问题解决能力。
(4)熟练使用 CAD、CAM 等软件,熟悉质量管理体系。
(二)工艺工程师1、岗位职责(1)参与新产品的开发和设计,负责制定产品的工艺方案和工艺流程,编制工艺文件。
(2)设计和选用生产所需的工装夹具、量具等,提高生产效率和产品质量。
(3)对生产过程中的工艺问题进行分析和解决,提出改进措施,优化生产工艺。
(4)负责生产现场的技术指导和培训,确保操作人员正确执行工艺文件。
(5)参与工艺评审和质量分析会,提供工艺技术支持。
(6)收集和整理工艺数据,进行工艺改进和创新,降低生产成本。
2、任职要求(1)本科及以上学历,机械制造、工艺设计等相关专业。
工艺工程师岗位职责1、在总工程师领导下,负责全公司工艺技术工作和工艺管理工作,认真贯彻国家技术工作方针、政策和公司有关规定。
组织制定工艺技术工作近期和长远发展规划,并制定技术组织措施方案。
2、编制产品的工艺文件,制定材料消耗工艺定额;根据工艺需要,设计工艺装备并负责工艺工装的验证和改进工作;设计公司、车间工艺平面布置图。
3、工艺人员要深入生产现场,掌握质量情况;指导、督促车间一线生产及时解决生产中出现的技术问题,搞好工艺技术服务工作。
4、负责新产品图纸的会签和新产品批量试制的工艺工装设计,完善试制报告和有关工艺资料,参及新产品鉴定工作。
5、承担工艺技术管理制度的起草和修订工作,组织相关人员搞好工艺管理,监督执行工艺纪律。
6、组织领导新工艺、新技术的试验研究工作,抓好工艺试验课题的总结及成果鉴定,并组织推广应用。
搞好工艺技术资料的立卷、归档工作。
7、协助人力资源部搞好对职工的技术教育及培训。
8、积极开展技术攻关和技术改进工作,对技术改进方案及措施,负责签署意见,不断提高工艺技术水平。
9、负责本部门方针目标的展开和检查、诊断、落实工作。
10、完成总工程师布置的各项临时任务。
二、职权1、按规定审批程序,对工艺文件、工装图纸有更改权,对制订的工艺文件有解释权,对不符合图纸要求的工艺作业有纠正权。
2、对各车间执行工艺的情况有检查、监督权,对违反工艺纪律的行为有制止和处罚权。
3、有权向有关部门索取产品质量和原材料消耗的资料。
4、有权召开全公司性工艺技术人员的专业会议,进行技术交流,组织技术攻关,对各车间的技术业务工作进行布置和指导。
5、工艺部部长对全公司工艺技术人员的奖惩、晋升、晋级有建议权。
三、职责1、对在计划规定期限内未完成工艺准备工作,而影响新产品试制进度和生产任务完成负责。
2、对因工艺编制或工装设计问题,导致产品大量报废或返修,造成经济损失负责。
3、对解决生产中发生的工艺技术问题不及时,影响生产负责。
工艺管理岗岗位说明岗位背景工艺管理岗位是制造业企业中的一种关键性职位。
其主要负责产品的生产过程中的质量控制、工艺管理和生产优化,以确保产品能够按照设计要求进行精确制造。
这些职责需要工艺管理岗位的工作人员了解和熟悉每个生产流程并通过专业知识和技能来不断优化和完善不同的生产过程。
岗位职责以下是工艺管理岗位的主要职责:1. 工艺分析工艺管理岗位负责分析整个生产流程,包括原材料的准备、设备的使用和生产过程中涉及的所有步骤。
他们需要对每个步骤进行细致的分析,从而能够更好地理解每个流程的细节部分。
这一职责的目的是为了更好地了解生产流程中是否存在问题。
2. 工艺改进工艺管理岗位负责根据分析结果进行工艺改进。
他们需要利用专业知识和经验来确定任何潜在的问题,以及在生产流程中进行的任何可能的改进措施。
这包括使用新的工具、技术和策略来优化和加速生产过程。
3. 质量控制工艺管理岗位负责监督生产过程中产品的质量,并确保符合设计要求。
他们需要设计一些检查和评估的标准,确保产品符合要求的标准。
如果他们发现了任何质量问题,他们还需要与质量控制部门一起寻找解决方案。
4. 生产数据的分析和报告工艺管理岗位负责制定生产数据的分析和报告。
他们需要收集各种数据,例如整个生产过程中所使用的原材料、生产过程中的设备使用情况、生产过程中发生的任何问题等。
然后,他们需要分析这些数据,并准确地编写报告,以便公司其他部门和领导层可以利用报告来制定更好的生产策略。
工作要求以下是工艺管理岗位的基本要求:1.学历方面,工艺管理岗位通常需要本科及以上学历,最好是相关专业的学位,例如机械工程、制造工程、材料工程等。
2.工作经验方面,一般要求有1-3年的相关工作经验,有制造领域、项目管理、生产流程、工具和技术方面的相关经验者更受欢迎。
3.基本技能方面,工艺管理岗位的基本技能要求包括:•熟悉机械流程,尤其是生产过程中的每个细节和关键流程;•熟悉生产工具、技术和相应的工厂设备;•具有一定的统计学和数据分析技能,以便能够评估和编制生产数据报告。
工艺部岗位说明书一、岗位概述工艺部是公司生产线上非常重要的一个部门,主要负责生产制造过程中的技术指导和控制。
岗位的职责包括,但不限于生产工艺技术研发、产品结构设计、工艺规程编制、新工艺开发、生产线设备调试等。
二、岗位职责1. 负责产品的结构设计和工艺研发,提高产品质量和生产效率;2. 编写和修改企业内部的工艺规程和操作手册,规范生产流程和操作规范;3. 跟踪市场动态和技术发展,进行新工艺的开发研制;4. 对生产线设备进行维护和调试,确保生产设备的正常运转;5. 协调其他部门的工作,保证各个环节的顺利进行。
三、任职要求1. 本科及以上学历,机械、材料、电子等相关专业;2. 精通工厂生产流程、工艺、操作规程等,并能根据生产的实际情况进行调整;3. 熟悉生产设备的使用和维护,能够对设备进行故障诊断与修理;4. 具有较强的沟通能力和解决问题的能力,能够协调各部门进行良好的合作;5. 具有责任心和进取精神,对岗位全面负责,不断提高工艺水平。
四、工作条件1. 薪资:根据个人能力和公司派遣地区的不同,薪资在行业内处于中上水平;2. 福利待遇:按照国家规定享受五险一金、带薪年假、节假日福利、培训学习机会等;3. 工作环境:公司提供舒适的办公和生活环境,为员工创造良好的工作氛围和生活氛围;4. 其他福利:各类团队活动、节庆庆祝、生日祝福等丰富多彩的福利活动。
五、总结工艺部岗位职责繁多,需要掌握多方面的技能,包括设计、控制、技术研发、生产流程、设备维护等多方面的知识。
但是,这是一个充满挑战和机会的岗位,也是一个能够锻炼个人实力的平台。
我们欢迎有才华、有责任心、热爱工作的您加入我们的团队。
工艺主管岗位说明书一、岗位职责1. 制定工艺流程和标准。
负责制定公司相关产品的工艺流程和标准,确保产品的质量和产量稳定。
协助研发部门开发新产品的工艺流程和技术标准。
2. 组织生产实施。
根据工艺流程和标准,组织生产实施,并及时沟通反馈有关部门的要求和调整。
对生产过程中出现的问题及时解决和改进。
3. 布置生产场地。
负责制定生产场地布局和生产设备的选择和管理。
协助设备维修与保养,确保设备状态良好,符合生产要求。
4. 培训员工。
负责对生产线员工进行相关培训,如操作规范和技能培训。
协助制定培训计划和方案,确保员工技能水平符合生产要求。
二、任职资格1. 具有相关专业背景。
本岗位要求具有相关文凭和3年以上相关工作经验,了解相关行业的生产工艺流程和技术。
2. 良好的沟通能力。
具有良好的沟通能力和组织协调能力,可以与不同的部门有效地沟通和协调。
3. 较强的领导能力。
具有较强的管理和领导能力,能够有效地团队合作和协调生产中的各项工作。
4. 思维严谨,具备创新能力。
有较强的分析和判断能力,可以迅速解决生产中的问题。
能够积极创新并寻求持续改进。
三、工作绩效评估本岗位的工作绩效评估考核包括以下方面:1. 工艺流程和标准。
制定并改进生产线上的工艺流程和标准,确保产品质量稳定。
2. 生产实施。
组织生产实施,及时解决和改进生产中出现的问题。
3. 员工培训。
对员工进行相关技能培训,提升员工的技能水平和质量意识。
4. 生产效率。
控制生产成本,提高生产效率和产量。
5. 安全环保。
确保生产环境安全、干净整洁,符合相关法律法规要求。
四、结论本岗位需要具备专业的知识和技能,能够有效地组织和协调生产中各项工作。
担任本岗位需要具有较强的沟通和领导能力,能够有效地管理团队和解决生产中出现的问题,从而保证公司的收益和生产效益。
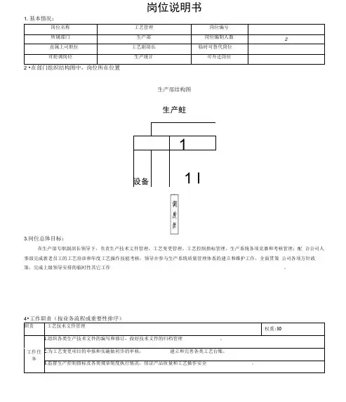
岗位说明书
1.基本情况:
2 •在部门组织结构图中,岗位所在位置
生产部结构图
生产蛀
3.岗位总体目标:
在生产部专职副部长领导下,负责生产技术文件管理、工艺变更管理、工艺控制指标管理、生产系统各项竞赛和考核管理;配合公司人事部完成新老员工的工艺培训和年度工艺操作技能考核;领导并参与生产系统质量管理体系的建立和维护工作,全面贯策公司各项方针政策;完成上级领导安排的临时性其它工作。
4•工作职责(按业务流程或重要性排序)
职责•文件编写
权重:20[匸组织各类生广技术乂件的编写和修订。
2.编写和修订丄艺管理制度和生产部各类日常管理制度。
工作
任务3.组织编写和修订生产丄艺控制指标。
4.编写工艺核制
度。
职>口常管理
1.主抓工艺管理,负责各种制度的落实、监
督、检查和考核。
2.定期对生产系统工艺管理范畴各项内容进行日常检查并提出考核或整改工作
任务3.监督车间工艺变更的落实及变更效果的反馈,建立工艺变更台账
4.参与公司各类新项目的建设和技术资料的收集完善。
职责员工教育及口常事务
四
1.新老员工工艺培训
2.新老员工年度技能屏蔽考核。
工作
任务3有计划的安排车间进行操作应急演练,提高员工应急处理能力
4.完成上级领导安排的临时性其它工作;权重:40权重:10权重:
2 工作.
任务3
4
权重:
工作
任务
5•工作联系:。
工艺岗位说明书一、岗位概述工艺岗位是指在生产制造领域中,负责制定和实施产品生产工艺流程及相关工艺参数的专业岗位。
工艺岗位的核心职责是确保产品生产过程的高效、稳定和质量可控,以满足客户需求和公司的生产目标。
本岗位需要具备扎实的工艺技术功底和出色的问题分析解决能力,同时还需要协调与其他部门的沟通合作,以实现整体生产流程的优化和提升。
二、岗位职责1. 制定产品生产工艺流程:根据生产要求和工艺标准,编制产品的生产工艺流程,包括原材料的配比、工艺步骤、设备选择和操作规程等,确保生产过程的合理性和高效性。
2. 设计和改进生产工艺参数:根据产品设计要求和工艺流程,确定生产工艺参数,例如温度、压力、速度等,并提供合理的变动范围和控制要点,以确保产品具备稳定的质量特性。
3. 解决生产过程中的技术问题:在生产过程中,及时响应生产现场出现的技术问题,例如质量缺陷、设备故障等,并提供解决方案以保障生产进度和产品质量。
4. 与其他部门的协调合作:与研发部门、工程部门和质量部门等进行有效的沟通和协作,及时反馈生产过程中的问题和需求,以促进团队协作和工作效率的提升。
5. 工艺改进和优化:持续关注工艺技术的发展趋势和先进工艺的应用,积极参与工艺改进和优化项目,以提高产品质量和生产效率。
6. 编制工艺文档和培训资料:编制产品的工艺文件和工艺标准,包括工艺流程图、工艺参数表、操作规程等,为生产操作提供规范和指导,并参与相关培训的设计和实施。
三、任职要求1. 学历要求:本科及以上学历,工艺、化工、机械等相关专业背景优先。
2. 技术能力:扎实的工艺知识和技术功底,熟悉生产工艺流程和工艺参数的设计与优化。
3. 问题解决能力:具备良好的问题分析与解决能力,能够迅速应对和解决生产过程中的技术问题。
4. 沟通协作能力:良好的沟通能力和团队合作意识,能与其他部门进行高效的沟通和协作。
5. 创新精神:具备创新思维和工艺改进意识,能够不断提出并实施工艺优化的方案。
工艺部岗位说明书一、岗位背景和职责描述工艺部是企业生产管理中不可或缺的部门之一,主要负责产品工艺的规划、实施和改善。
该部门的职责包括但不限于:1. 负责产品工艺的制定:根据产品设计和客户需求,制定合理的生产工艺流程,确保产品质量和生产效率;2. 参与产品设计评审: 与研发部门密切协作,参与产品设计评审,提供工艺方面的意见和建议;3. 工艺流程改进:根据生产实践,分析和改进现有工艺流程,提高产品质量和生产效率;4. 工艺参数管理:制定和管理产品工艺参数标准,并负责工艺参数的培训和监控;5. 工艺设备管理:协调和管理相关的工艺设备,确保设备正常运行;6. 质量问题处理:参与质量问题的调查和处理,提供工艺方面的专业支持。
二、任职要求1. 学历要求:本科及以上学历,机械工程、化工工艺等相关专业;2. 工作经验要求:具备相关行业工艺工作经验三年以上,有管理经验者优先考虑;3. 专业知识:熟悉产品制造工艺流程和相关工艺参数标准,具备良好的工艺分析和改进能力;4. 技术能力:熟悉CAD/CAM等设计软件,了解相关工艺设备的操作和维护;5. 沟通能力:具备良好的团队合作和沟通能力,能够与各部门协调配合,解决工艺相关问题;6. 责任心强:对工作具有高度责任心,能够承受工作压力,保证工作质量和进度;7. 学习能力:具备较强的学习和创新能力,能够不断学习新的工艺知识和技术。
三、职业发展路径工艺部岗位是企业生产管理中重要的技术岗位之一,具备很好的职业发展前景。
根据个人职业素质和绩效表现,可逐步晋升为以下职位:1. 工艺工程师:负责制定和优化产品的工艺流程,解决工艺方面的问题;2. 工艺主管:负责工艺部门的日常管理工作,协调各部门之间的工艺沟通和合作;3. 工艺经理:负责全面管理工艺部门的工作,参与公司工艺方向的决策和规划。
四、工作环境和待遇工艺部门工作环境相对安全舒适,主要办公区域常备一定数量的工艺设备用于测试和改进工艺流程。
工艺管理员岗位职责六篇篇一:工艺技术员职责工艺技术员岗位职责:一、责负编制车间工艺管理的制度、规定,并组织贯彻落实。
二、负责对工段、岗位执行工艺管理制度,工艺控制指标和《作业指导书》进行监督、检查与考核。
三、根据生产需要,提出调整工艺流程,控制指标的计划方案,经批准后负责组织实施。
四、协调解决生产现场的工艺问题。
五、负责车间《作业指导书》有关工艺方面内容的编写。
六、负责对员工进行岗位生产工艺培训。
七、参与车间工艺事故,*作事故的调查处理。
八、负责车间工艺技术资料的编辑和归档管理。
九、通过加强和改善工艺管理控制,提高产品质量,降低消耗成本。
十、组织技术员,工段、班组和岗位员工开展技术革新,合理化建议活动。
十一、负责车间引进新工艺技术的消化吸收。
十二、负责“三体系”有关工艺部符合项的纠正和持续改进。
安全职责:1、在日常工作中必须严格贯彻执行各种安全规程制度。
2、研究确定技术方案时,必须树立劳动保护安全的观点。
3、在各项工艺过程中,应拟定安全技术措施。
4、负责编制岗位*作法和岗位技术规程积累安全数据,根据工艺条件变化,提出修订安全技术规程。
5、经常向职工进行生产技术和安全技术教育。
6、积极设法改善劳动条件,消除事故隐患。
篇二:工艺管理员岗位职责工艺管理员岗位职责一、负责为岗位生产提供工艺技术支持。
1.深入现场,及时解决或协调相关部门解决生产中出现的工艺技术问题。
2.收集、分析生产工艺数据,指导班组优化生产。
3.参与分析、处理生产事故,提出处理意见及防范措施。
4.提出生产所需物资计划。
二、负责岗位的工艺技术管理工作。
1.起草并及时修订岗位工艺技术规程、方案和临时技术方案,确保其具有指导*、有效*和实用*。
2.监督、检查班组工艺纪律的执行情况。
3.收集、整理和保存技术资料,整理、归类保管生产历史数据,建立和完善技术台账,及时更新、存档各类相关技术标准、管理标准。
4.及时分析异常工艺数据,向直接上级提交有价值的分析结果和改进建议,参与生产事故的调查、分析,形成事故报告。
任务范畴2体例、考核、抽查相干文件跟记载。
2.1培训车间工艺员、操纵职员营业技艺,指点消费进程中工艺技巧文件的施行。
2.2查证跟考察车间消费进程的工艺履行状况。
2.3处置消费进程中呈现的技巧咨询题及品质咨询题的危险控制。
2.4考察车间消费的物料耗费等技经目标状况。
2.5考察质监员的品质监控状况。
2.6控制车间工艺规划及要紧消费装备技巧参数,为工艺计划及装备选型供给计划。
2.7考察品质保障部化验室下发的讲演单实时性跟精确性。
2.8考察品质保障手下发的各种规范的实时性、合感性。
2.9查证工艺用水、空调零碎任务。
2.10实现指点交办的暂时任务。
2.11任务流程3体例、考核、抽查相干文件跟记载;3.1任务内容3.1.1依拍照干法例、轨制请求并联合消费实践体例工艺文件、技巧文件、验证文件等3.1.1.1并构造施行,在施行进程中,若有变卦、偏向呈现,要依照流程进展治理,并对此事进展危险评价。
对车间制〔修〕订的记载、操纵、技巧文件进展审核。
3.1.1.2对车间工艺员上交的消费记载进展抽查。
3.1.1.3实现时限3.1.2并天提出请求,15-20体例验证文件提早体例治理文件依照指点请求时限实现;3.1.2.1经过考核同意后构造施行验证任务。
车间制〔修〕订的记载、操纵跟技巧文件在上交后3.1.2.2个任务日内实现考核并上交2至部优点考核,考核经事先返给制〔修〕订人。
个任务日内实现考核并上交至品质保障部,2车间生产记载在车间工艺员上交后3.1.2.3个任务日内前往给车间工艺员,车间工艺修正后0.5 假如消费记载中存在填写过错,那么在再进展核查,核查无误后上交品质保障部产物放行员。
页6共页1第流程图3.1.3体例治理文件、验证文件:提出请求→体例文件→审核同意→构造施行考核记载、操纵文件、技巧文件:制〔修〕定→考核→部长考核同意→前往制〔修〕定人↖记载车间上交记载→考核→考核及格→上交品质保障部↘考核分歧格→车间工艺员修正→从新考核及格后任务效果3.1.4体例文件经过考核同意,施行可行。
工艺管理员岗位职责在我们平凡的日常里,越来越多地方需要用到岗位职责,岗位职责包括岗位职务范围、实现岗位目标的责任、岗位环境、岗位任职资格及各个岗位之间的相互关系等。
那么岗位职责的格式,你掌握了吗?以下是作者收集整理的工艺管理员岗位职责通用,欢迎大家借鉴与参考,希望对大家有所帮助。
工艺管理员岗位职责通用11.目的本制度明确规定了u京南方装饰有限公司屏蔽门事业工艺人员的工作职责,使工艺人员了解自身的工作任务和工作范围。
2.范围此项管理制度适用于事业部工艺部门,工艺人员均按本文件规定履行工作职责。
3.事业部工艺人员工作职责参与项目报价中材料定额、加工工艺及工时的编制和审核,同时确定工程中工艺的难点,重点。
编写事业部内部工艺管理文件和制度。
工艺文件的贯彻和执行。
参加甲方图纸深化的工艺性审查和会签。
专用工艺规程的编制。
工装器具的设计、使用和管理。
生产过程中工艺技术服务,解决各种工艺技术问题。
组织工艺培训和工人技术操作培训。
将图纸文件中出现的.工艺性问题及时反馈到设计部门。
外协厂家调研和质量保证措施的确定。
进行工艺纪律检查。
工艺质量问题的收集和反馈。
按要求报工作计划和工作总结。
3.考核工艺人员工作完成情况由各工艺部长进行考核。
事业部经理负责对工艺部长的考核。
工艺管理员岗位职责通用2工艺技术员岗位职责:1、责负编制车间工艺管理的制度、规定,并组织贯彻落实。
2、负责对工段、岗位执行工艺管理制度,工艺控制指标和《作业指导书》进行监督、检查与考核。
3、根据生产需要,提出调整工艺流程,控制指标的计划方案,经批准后负责组织实施。
4、协调解决生产现场的工艺问题。
5、负责车间《作业指导书》有关工艺方面内容的编写。
6、负责对员工进行岗位生产工艺培训。
7、参与车间工艺事故,操作事故的调查处理。
8、负责车间工艺技术资料的编辑和归档管理。
9、通过加强和改善工艺管理控制,提高产品质量,降低消耗成本。
10、组织技术员,工段、班组和岗位员工开展技术革新,合理化建议活动。