1矿井空气及气候条件
- 格式:docx
- 大小:365.08 KB
- 文档页数:15
矿井通风基本知识一、矿井通风概述(一)矿内空气矿内空气是矿井井巷内气体的总称。
它包括地面进入井下的新鲜空气和井下的有毒有害气体、浮尘。
矿内空气的主要来源是地面空气,但地面空气进入井下后,化学成分和物理状态会发生一系列的变化,因而矿内空气与地面空气在性质上和成分上均有较大差别。
地面空气进入井下后,由于煤岩中涌出各种气体以及可燃物的氧化,其成分发生变化。
风流在经过采掘面等用风地点之前,气成分变化不大,称为新鲜空气或新风;风流经过采掘工作面等用风地点后,其成分发生较大的变化,称为污浊空气或乏风。
1. 矿内空气主要成分矿内空气与地面空气的成分尽管不同,但其成分仍是以氧气和氮气为主,另外包含少量其它气体。
2. 矿内空气中的有毒有害气体(1)一氧化碳:一氧化碳是无色、无味、无臭的气体。
一氧化碳毒性很强,吸入人体后会引起中毒、窒息,浓度为0. 4%就可使人致命中毒。
一氧化碳的主要来源是:火灾、爆破工作、瓦斯和煤尘爆炸。
(2)硫化氢:硫化氢是一种无色、微甜、带有臭鸡蛋味的气体,能燃烧,有强烈的毒性。
对人的眼睛、黏膜及呼吸系统有强烈刺激作用。
浓度为0.05%时,半小时内人失去知觉、痉挛、死亡。
硫化氢的主要来源:有机物腐烂、硫化矿物水解、老空积水中释放、煤岩中放出。
(3)二氧化硫:二氧化硫是一种无色、具有强硫磺臭味的气体,易溶于水,易积聚在巷道底部。
二氧化硫对人体影响较大,能强烈刺激眼和呼吸器官,使喉咙和支气管发炎,呼吸麻痹,严重时会引起肺水肿。
二氧化硫的主要来源:含硫矿物氧化、燃烧、在含硫矿体中爆破,以及从含硫矿层中涌出。
(4)二氧化氮:二氧化氮是一种红褐色气体,极易溶于水,它与水结合形成硝酸,对眼睛、鼻腔呼吸及肺部组织起破坏作用,引起肺水肿,但起初只感觉到呼吸道受刺激、咳嗽, 经过6〜24小时后才出现中毒征兆。
俗称的炮烟熏人,其实质就是二氧化氮中毒。
二氧化氮的主要来源是井下爆破。
(5)氨气:氨气是一种无色、具有强烈的刺激臭味的气体,易溶于水,毒性很强。
矿井有害气体及气候条件矿井中常见的有害气体主要有二氧化碳、一氧化碳、硫化氢、氮气、二氧化氮、二氧化硫、氨气、甲烷、氢气等。
这些有害气体对井下作业人员的生命安全和身体健康危害极大,必须引起高度重视。
一、有害气体(一)二氧化碳(CO2)二氧化碳不助燃,也不能供人呼吸,略带酸臭味。
二氧化碳比空气重(对空气的相对密度为1.52),在风速较小的巷道中,底板附近浓度较大;在风速较大的巷道中,一般能与空气均匀混合。
在新鲜空气中含有微量的二氧化碳对人体是无害的。
二氧化碳对人体的呼吸中枢神经有刺激作用,如果空气中完全不含有二氧化碳,则人体的正常呼吸功能就不能维持。
但当空气中二氧化碳的浓度过高时,也将使空气中的氧气浓度相对降低,轻则使人呼吸加快,呼吸量增加,严重时也可能造成人员中毒或窒息。
矿井空气中二氧化碳的主要来源有煤和有机物的氧化,人员呼吸,碳酸性岩石分解,炸药爆破,煤炭自燃,瓦斯、煤尘爆炸等。
此外,有的煤层和岩层中也能长期连续地放出二氧化碳,有的甚至能与岩粉一起突然大量突出,给矿井带来极大的危害。
(二)一氧化碳(CO)一氧化碳无色、无味、无臭(不易察觉),相对空气密度为0.967,微溶于水,与酸、碱不起化学反应,能与空气均匀地混合,只能被活性炭吸收。
一氧化碳能燃烧,空气中一氧化碳浓度为13%~75%时有爆炸危险。
一氧化碳与人体血液中血红素的亲和力比氧大250~300倍(血红素是人体血液中携带氧气和排出二氧化碳的细胞)。
一氧化碳进入人体后,首先与血液中的血红素结合,减少了血红素与氧结合的机会,使血红素失去输氧的功能,从而造成人体血液“窒息”。
由于一氧化碳与血红素结合后,生成鲜红色的碳氧血红素,故一氧化碳中毒最显著的特征是中毒者黏膜和皮肤均呈樱桃红色。
(三)硫化氢(H2S)硫化氢无色、微甜、有浓烈的臭鸡蛋味,当空气中浓度达到0.0001%时即可嗅到,但当浓度较高时,应嗅觉神经中毒麻痹,反而嗅不到。
硫化氢相对空气密度为1.19,易溶于水,在常温、常压下1体积的水可溶解2.6体积的硫化氢,所以它可能积存于旧巷的积水中。
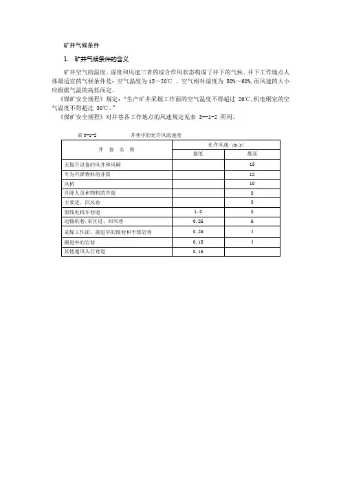
衡量矿井气候条件的指标矿井气候条件(climatic condition in mine) 指:由温度、湿度、大气压力和风速等参数反映的矿井空气综合状态。
矿井气候的定义矿井气候:矿井空气的温度、湿度和风速三个参数的综合作用。
这三个参数也称为矿井气候条件的三要素。
矿井气候对人体热平衡的影响新陈代谢是人类生命活动的基本过程之一。
人体散热主要是通过人体皮肤表面与外界的对流、辐射和汗液蒸发这三种基本形式进行的。
对流散热取决于周围空气的温度和流速;辐射散热主要取决于环境温度;蒸发散热取决于周围空气的相对湿度和流速。
衡量矿井气候条件的指标1.干球温度干球温度是我国现行的评价矿井气候条件的指标之一。
特点:在一定程度上直接反映出矿井气候条件的好坏。
指标比较简单,使用方便。
但这个指标只反映了气温对矿井气候条件的影响,而没有反映出气候条件对人体热平衡的综合作用。
2.湿球温度湿球温度是可以反映空气温度和相对湿度对人体热平衡的影响,比干球温度要合理些。
但这个指标仍没有反映风速对人体热平衡的影响。
3.等效温度等效温度定义为湿空气的焓与比热的比值。
它是一个以能量为基础来评价矿井气候条件的指标。
4 .同感温度同感温度(也称有效温度)是1923年由美国采暖工程师协会提出的。
这个指标是通过实验,凭受试者对环境的感觉而得出的同感温度计算图。
5.卡他度卡他度是1916年由英国L.希尔等人提出的。
卡他度用卡他计测定。
卡他度分为:干卡他度、湿卡他度干卡他度:反映了气温和风速对气候条件的影响,但没有反映空气湿度的影响。
为了测出温度、湿度和风速三者的综合作用效果,K d=41.868F/t W/m2湿卡他度(Kw):是在卡他计贮液球上包裹上一层湿纱布时测得的卡他度,其实测和计算方法完全与干卡他度相同。
矿井气候条件的安全标准我国现行评价矿井气候条件的指标是干球温度。
1982年国务院颁布的《矿山安全条例》第53条规定,矿井空气最高容许干球温度为28℃。
矿井通风为了在煤炭生产过程中创造良好的生产环境,对各种灾害起到时切实可行的防治措施,最经济,最基础的解决方法就是搞好矿井通风工作。
它在矿井建设、生产过程中始终占有非常重要地位,所以每个生产矿井必须有完整的独立通风系统,即矿井有自己独立的进风井筒和自己独立的回风井筒以及一些重要装置。
矿井的新鲜风流由进风井筒进入井底,根据矿井的开拓布置,新鲜风流分别流向各个分区的采煤工作面,掘进工作面和硐室等各种用风的地点,经过各用风地点的污浊风流,各自流入分区回风道,经回风井排出地面,形成一个完善的独立的通风网络结构,以保证风流稳定,合理的通风。
一、什么是矿井通风依靠通风机等动力,将适量的新鲜空气,沿着既定的通风路线不断地输入井下,以满足各用风地点的需要;同时将用过的污浊空气不断地排出。
这种对矿井不断新鲜空气和排出污浊空气的过程,称为矿井通风。
既定的通风路线:矿井系统在设计时,所规定的各用风地点的进风、回风路线,任何人不得擅自更改井下任何一处通风系统。
若要更改矿井通风系统,必须由企业技术人员编制通风设计及安全措施并审批。
二、矿井通风的任务:1)向井下各工作场所连续不断地供给适宜的新鲜空气。
2)有有毒有害气体和矿尘稀释到安全浓度以下,并排出矿井。
3)提供适宜的气候条件,创造良好的生产环境,以保障职工的身体健康和生命安全及机械设备正常运转,进面提高劳动生产率。
此外,矿井一旦发生瓦斯、煤尘爆炸或火灾事故时,往往依靠采取正确的控制风流的方法来防止事故扩大。
三、矿井空气及气候条件:空气是人类生存的最基本的条件之工,由于煤矿生产的特殊性,造成空气成份的变化,时常煤矿井下发生人员中毒、窒息及爆炸事故。
1、矿内空气:矿井空气是指来源于地面的新鲜空气和井下产生的有害气体和浮尘的混合气体。
即:地面空气进入井下后——矿井内气1)、新鲜风流:相对于地面的空气,在成分和性质上变化不大的矿井空气,简称新风,如进风巷中的空气。
2)、污浊风流:把流经采掘工作面及硐室等工作地点或受到井下矿尘和有害气体的污染,成分和性质上变化较大的矿井空气,简称污风或乏风。
矿井最佳气候条件嘿,朋友们!咱今天就来聊聊矿井的最佳气候条件,这可真是个有意思的事儿呢!你想啊,矿井那可是个特别的地方,就好像是大地深处的一个神秘世界。
那里面的气候条件要是不合适,工人们得多遭罪呀!咱先说温度吧。
要是太热了,那工人们在里面就跟蒸桑拿似的,汗流浃背,没一会儿就累得不行了,那还咋干活呀?这可不行!要是太冷了呢,冻得直哆嗦,手脚都不利索了,还怎么操作那些设备呀?所以啊,温度得适中,不冷不热的,就像春天里那暖洋洋的天气,让人觉得舒服自在。
这就好比你大冬天走在路上,突然刮来一阵暖风,是不是感觉特别爽?还有湿度呢!太潮湿了可不行,到处湿漉漉的,感觉都能长出蘑菇来了!而且设备也容易受潮损坏呀。
但要是太干燥了呢,尘土飞扬的,呼吸都不顺畅了,对身体也不好呀。
这就得像咱家里的湿度一样,刚刚好,既不会让你觉得潮乎乎的,也不会让你觉得干巴巴的。
通风也很重要啊!要是空气不流通,那里面的气味儿,哎呀,别提多难闻了!而且氧气也不够啊,人在里面不就憋得慌嘛。
这就好像你在一个封闭的房间里待久了,是不是特别想打开窗户透透气呀?通风良好的矿井,那才让人觉得神清气爽呢!再说说空气质量吧。
可不能有太多的有害气体呀,不然对工人的身体伤害多大呀!这就跟咱在外面呼吸新鲜空气一样,要是吸进去的都是脏东西,那能好受吗?你说,这矿井的最佳气候条件是不是特别重要?咱得重视起来呀!只有给工人们创造一个舒适的工作环境,他们才能安心干活,效率才能提高呀!总之,矿井的气候条件就像是一个大家庭的氛围,要温馨、要舒适、要让人觉得有干劲儿!可不能随随便便就对付过去。
咱得用心去打造,让每一个在矿井里工作的人都能感受到关怀和温暖。
你说是不是这个理儿?。
矿井空气及气候条件矿井生产过程中,必须连续不断地将地面空气输送到井下各个作业地点,以供给人员呼吸,并稀释和排除井下各种有害气体和矿尘,制造良好矿井气候条件,确保井下作业人员的躯体健康和劳动安全。
第一节矿井空气成分一、地面空气地面空气是由干空气和水蒸气组成的混合气体,亦称为湿空气。
干空气是指完全不含有水蒸气的空气,由氧、氮、二氧化碳、氩、氖和其他一些微量气体所组成的混合气体。
干空气的组成成分比较稳固,成分的数量差不多不变。
干空气成分的数量用体积浓度或质量浓度来表示,前者为某种气体的体积在干空气的总体积中所占的百分数;后者为某种气体的质量在干空气的总质量中所占的百分比。
其要紧成分如表1-1所示。
表1-1 干空气的组成成分表工程运算中,干空气可近似地仅考虑氧气和氮气,组成按氧气(21%)、氮气(79%)来运算。
干空气的物理参数如下:分子量28.97气体常数287.05 J/kg.K空气密度(0℃,1atm) 1.293 kg/m3湿空气中含有水蒸气,其含量的变化会引起湿空气的物理性质和状态变化。
地面空气中,水蒸气的浓度随地区和气候而变化,其体积浓度变化范畴为0~4%。
此外,实际空气中还含有微量的污染气体和尘埃。
二、矿井空气的要紧成分及其差不多性质矿井空气要紧来源于地面空气,尽管发生了一系列变化,但其要紧成分仍旧是氧气和氮气。
1.氧气(O2)氧气是一种无色、无味的气体,相关于空气的比重为1.105,化学性质爽朗,易使其它物质氧化,能助燃,是矿井火灾以及瓦斯、煤尘爆炸的必要条件。
氧气是人呼吸所必需的气体,人的生命要紧是依靠吃进食物和不断吸入空气中的氧气,在体内进行新陈代谢来坚持的。
人对氧气的需要量取决于人的体质、精神状态和劳动强度等,人的需氧量与劳动强度的关系如表1-2所示。
表1-2 人体输氧量与劳动强度的关系空气中氧气浓度为21%左右对人的呼吸最为有利。
空气中氧气浓度的降低会阻碍人的健康,甚至危及生命。
矿井通风矿井通风的概念及目的矿井通风概念:这种利用机械或者自然通风为动力,使地面空气进入井下,并在井巷中做定向和定量地流动,最后将污浊空气排出矿井的全过程就称为矿井通风。
矿井通风的目的:(1)供给井下人员足够的新鲜的空气,满足人员呼吸的需要。
(2)稀释和排除井下有害气体、矿尘,使之符合《规程》规定。
(3)调节井下气体条件,保障职工身体健康,提高生产效率。
矿井通风是保障矿井安全的最主要技术手段之一,因此,矿井通风的首要任务就是要保证矿井空气的质量符合要求。
第一章 矿井空气成分及安全标准 概念:一般来说,将井巷中经过用风地点以前、受污染程度比较轻的进风巷道内的空气,称为新鲜空气(新风);经过用风地点以后、受污染程度比较重的回风巷道内的空气,称为污浊空气(乏风)。
矿井空气和地面空气主要成分基本一致,主要有氧、氮。
地面空气进入井下后,就称为矿井空气,由于煤岩中各种气体的涌出以及可燃物的氧化和采掘作业的进行,使其成分将产生变化,(1)氧气含量减少,二氧化碳浓度增加;(2)混入各种有毒有害气体;(3)混入煤尘和岩尘; 3. 井下空气中主要成分及性质 (1)氧气(O 2)它能助燃,易与其他物质发生氧化反应,是井下人员呼吸和物质燃烧必需的气体。
因此,井下应阻止空气进入采空区和火区,以防止采空区煤炭自燃及火区复燃;在人员通过的井巷中要保证充足的氧气。
①造成氧气浓度降低的主要原因有:人员呼吸;煤岩和其他有机物的缓慢氧化;煤炭自燃;瓦斯、煤尘爆炸。
在井下通风不良的地点,空气中的氧浓度可能显著降低,如果不经常检查而冒然进入,就可能引起人员的缺氧窒息。
所以井下必须杜绝微风、无风巷道,在设置有栅栏的巷道门口不得冒然进入。
采掘工作面进风流中的氧气浓度不得低于20%;①氧气检查一般用“两用仪”,《煤矿安全规程》规定:矿长、矿技术负责人、爆破工、采掘区队长、通风区队长、工程技术人员、班长、流动电钳工下井时,必须佩戴便携式甲烷监测仪。
第一章矿井空气及气候条件矿井生产过程中,必须持续不断地将地面空气输送到井下各个作业地点,以供给人员呼吸,并稀释和排除井下各种有害气体和矿尘,创造良好矿井气候条件,确保井下作业人员的身体健康和劳动安全。
第一节矿井空气成分一、地面空气地面空气是由干空气和水蒸气组成的混合气体,亦称为湿空气。
干空气是指完全不含有水蒸气的空气,由氧、氮、二氧化碳、氩、氖和其他一些微量气体所组成的混合气体。
干空气的组成成分比较稳定,成分的数量基本不变。
干空气成分的数量用体积浓度或质量浓度来表示,前者为某种气体的体积在干空气的总体积中所占的百分数;后者为某种气体的质量在干空气的总质量中所占的百分比。
其主要成分如表1-1所示。
表1-1 干空气的组成成分表工程计算中,干空气可近似地仅考虑氧气和氮气,组成按氧气(21%)、氮气(79%)来计算。
干空气的物理参数如下:分子量 28.97气体常数 287.05 J/kg.K空气密度(0℃,1atm) 1.293 kg/m3湿空气中含有水蒸气,其含量的变化会引起湿空气的物理性质和状态变化。
地面空气中,水蒸气的浓度随地区和气候而变化,其体积浓度变化范围为0~4%。
此外,实际空气中还含有微量的污染气体和尘埃。
二、矿井空气的主要成分及其基本性质矿井空气主要来源于地面空气,虽然发生了一系列变化,但其主要成分仍然是氧气和氮气。
1.氧气(O2)氧气是一种无色、无味的气体,相对于空气的比重为1.105,化学性质活泼,易使其它物质氧化,能助燃,是矿井火灾以及瓦斯、煤尘爆炸的必要条件。
氧气是人呼吸所必需的气体,人的生命主要是依靠吃进食物和不断吸入空气中的氧气,在体内进行新陈代谢来维持的。
人对氧气的需要量取决于人的体质、精神状态和劳动强度等,人的需氧量与劳动强度的关系如表1-2所示。
表1-2 人体输氧量与劳动强度的关系空气中氧气浓度为21%左右对人的呼吸最为有利。
空气中氧气浓度的降低会影响人的健康,甚至危及生命。
空气中氧气浓度降低对人体的影响见表1-3。
表1-3 人体缺氧症状与空气中氧浓度的关系矿井中由于有害气体的涌出、物质氧化、人员呼吸等消耗氧气,会导致井下空气中氧气浓度降低。
在通风不良或停风的巷道,氧气的浓度可以降低到5%以下,冒然进入会导致窒息死亡,我国煤矿每年都发生多起因缺氧造成的窒息死亡事故。
另一方面,对于井下瓦斯积聚区域或采空区,不可盲目送入空气,否则,会使之达到瓦斯爆炸的条件或引发煤炭自燃。
考虑到井下作业,体力劳动强度较大,《金属非金属矿山安全规程》(GBl6423—2006) (以后简称《规程》)规定:井下采掘工作面进风流中的空气成分 (按体积计算),氧气不低于20%,二氧化碳不高于0.5%。
工作地点按照人数计算风量时,每人每分钟不得低于4m3。
2.氮气氮气是一种无色、无味、无毒的气体,相对于空气的比重为0.97;化学性质稳定,一般不与其它物质起反应,在矿井生产中常被当作惰性气体用来灭火或惰化采空区。
正常情况下,空气中的氮气对人体无害,但是在井下有限空间里,当空气中氮气浓度过高时,将相对降低氧气浓度而使人缺氧窒息。
导致矿井空气中氮气浓度增大的原因主要有:①氧气的消耗,则氮气的浓度会相对增加。
②从煤层或围岩中涌出氮气。
③在矿井防灭火中人为注氮,惰化采空区时泄漏的氮气。
④炸药爆破以及含氮有机物的腐烂等产生一定量的氮气。
由于氮气无毒,实际中可以通过检测氧气的浓度来防止氮气的危害。
三、空气进入矿井后发生的变化地面空气进入矿井后,由于受到井巷围岩、生产活动以及矿岩中涌出气体的作用,空气的成分和状态会发生相应的变化:(一)混入了有害气体和矿尘1.爆破时所产生的炮烟炸药在井下爆炸后,产生大量的有害气体,种类和数量与炸药的性质、爆炸条件与介质有关。
在一般情况下,产生的主要成分大部分为一氧化碳和氮氧化合物。
1kg 炸药爆破能产生的有毒气体相当于10~20L的二氧化氮。
2.柴油机工作时产生的废气柴油机的废气成分很复杂,它是柴油在高温高压下燃烧时所产生的各种有毒有害气体的混合体。
一般情况下有氮氧化物,含氧碳氢化合物、低碳氧化合物、油烟等,但其中的主要成分为氧化氮,一氧化碳,醛类和油烟等,柴油机排放的废气量由于受各种因素的影响,变化较大,往往会恶化井下空气。
3.硫化矿物的氧化在开采高硫矿床时,由于硫化矿物缓慢氧化除产生大量的热外,还会产生二氧化硫和硫化氢气体,如FeS2+2H2O—→Fe(OH)2+H2S十SCaS+H2O+CO2—→CaCO3+H2SFe7S8+O2—→7FeS+SO2在含硫矿岩中进行爆破工作,或硫化矿尘爆炸以及坑木腐烂和硫化矿物水解,都会产生硫化气体(SO2,H2S)。
4.井下火灾当井下失火引起坑木、油料、电缆等燃烧时,会产生大量一氧化碳,可知人中毒死亡。
在煤矿中瓦斯和煤尘爆炸产生的大量一氧化碳,是造成重大死亡事故的主要原因。
(二)氧气浓度降低,主要原因是:1.有害气体的析出会冲淡氧气的浓度。
2.井下物质氧化、人员呼吸等消耗氧气。
3.井下火灾、爆炸等灾害会消耗大量氧气。
(三)矿井空气的温度、湿度等状态参数发生了变化。
由于井巷围岩散热、氧化、人员、机电设备散热及水分蒸发等原因,会使井下空气温度升高,湿度增加,空气的其它状态参数也会发生相应变化。
地面空气进入矿井以后发生了一系列的变化,我们将流动在矿井井巷及井下工作地点的空气称为矿井空气。
相对于地面空气,在成份和性质上变化不大的矿井空气称为新鲜空气,简称新风,如进风井巷中的空气。
把流经采掘工作面及硐室等工作地点或受到井下矿尘和有害气体污染的,在成份和性质上变化较大的矿井空气称为污浊空气,简称污风或乏风,如回风井巷中的空气。
通常以用风地点为界,将用风地点以前的风流称为新鲜空气,或进风流;将用风地点以后的风流称为污浊空气,或回风流。
第二节矿井空气中常见有害气体一、常见有害气体及其允许标准金属矿山井下常见的对安全生产威胁较大的有毒气体有:一氧化碳(CO)、二氧化氮(NO2)、二氧化硫(SO2)、硫化氢(H2S),此外还有矿尘和氡气及其子体。
1.一氧化碳CO一氧化碳是无色、无味、无臭的气体,对空气的比重为0.97,能均匀地散布于空气中,不用特殊仪器不易察觉,一般化学性质不活泼,但浓度在13%—75%时能引起爆炸。
极毒,当空气中的一氧化碳浓度为0.4%时,在很短时间内人就会失去知觉,抢救不及时就会中毒死亡。
日常生活中的“煤气中毒”就是一氧化碳中毒。
人在静止状态下,当一氧化碳浓度达到0.016%时,无征兆或有轻微征兆;达到0.048%时,轻微中毒,1h内出现耳鸣、心跳、头昏、头痛;达到0.128%时,严重中毒, 0.5—1h内出现头痛、耳鸣、心跳、四肢无力、哭闹、呕吐等。
2.氮氧化物氮氧化物是炸药爆炸时产生的大量一氧化氮和二氧化氮,一氧化氮极不稳定,遇空气中的氧即转化为二氧化氮。
二氧化氮是一种褐红色有强烈窒息性的气体,对空气比重为1.57,易溶于水,而生成腐蚀性很强的硝酸。
它对人的眼、鼻、呼吸道及肺部组织有强烈腐蚀破坏作用,对人体危害最大的是破坏肺部组织,引起肺水肿。
二氧化氮中毒后有较长的潜伏期,初期没有什么感觉(经过4—12h甚至24h以后才发生中毒症兆),即使在危险的浓度下,初期也只是感觉呼吸道受刺激,开始咳嗽吐黄痰,呼吸困难,以至很快死亡。
当空气中二氧化氮浓度为0.004%时,2—4h还不会引起中毒现象;当浓度为0.006%时,就会咳嗽,胸部发痛;当浓度为0.01%时,短时间内对呼吸器官就有很强烈的刺激作用,会导致咳嗽、呕吐、神经麻木;当浓度为0.025%时,很快使人中毒死亡。
3.二氧化硫SO2二氧化硫是无色但有强烈硫磺味的气体,易溶于水,对空气比重为2.2,常存在于巷道底部,对眼睛有强烈刺激作用。
当空气中含二氧化硫为0.0005%时,嗅觉器官能闻到刺激味;当浓度为0.002%时,有强烈刺激,可引起头痛和喉痛;当浓度为0.05%时,引起急性支气管炎和肺水肿,短时间内即死亡。
4.硫化氢H2S硫化氢是无色有臭鸡蛋味的气体,对空气比重1.19,易溶于水,常积存于巷道的积水中。
能燃烧,当浓度达到6%时,具有爆炸性。
有很强的毒性,能使血液中毒,对眼睛粘膜及呼吸道有强烈的刺激作用。
当空气中的硫化氢浓度达到0.01%时,人能嗅到气味,并会流唾液,流鼻涕;当浓度为0.05%时,经过0.5-1h,就能引起严重中毒;当浓度为0.1%时,在短时间内就有生命危险。
5.浮扬粉尘矿井粉尘对人的健康有危害,硫化矿尘可引起人的皮肤发炎;铅、砷、汞尘进人人体会引起中毒;当人体长期吸人含游离二氧化硅(Si02)的矿尘时,会导致矽肺病。
矿尘中游离二氧化硅含量越高,对人体危害越大。
一般金属非金属矿山游离二氧化硅含量在30%-70%,也有高达90%以上的。
井下作业地点有害物质的最高允许浓度规定为:一氧化碳,30mg/m3;氮氧化物(换算为二氧化氮(N02),5mg/m3;二氧化硫,15mg/m3;硫化氢,10mg/m3;含游离二氧化硅10%以上的粉尘(石英、石英岩等),2mg/m3;石棉粉尘及含石棉10%的粉尘,2mg/m3;含游离二氧化硅10%以下的滑石粉尘, 4mg /m3。
6.氡气(R n)氡气是一种无色、无味的气体,对空气的比重为7.7,半衰期3.8d,能溶于水和有机溶剂,在油脂中地溶解度为水的125倍。
氡是惰性气体,一般不参与化学反应。
矿内空气中的氡主要来源于:(1)由矿岩壁析出的氡;(2)爆破崩落的矿石析出的氡;(3)地下水析出的氡;(4)地面空气中的氡随人风风流进入井下。
在一些老的矿山,由于开采面积较大,崩落区多,采空区中积累的氡有时也会成为氡的主要来源。
氡及其子体(氡在衰变过程中所产生的中间产物)是放射性元素,在蜕变过程中会产生一定量的α、β、γ射线,对人体有辐射危害。
吸入这些含氡空气,氡及其子体易沉积在呼吸道上,对呼吸道及肺组织会造成的辐射危害。
氡及其子体对人体的危害是有条件的,这些条件就是:(1)空气中氡及其子体要超过一定浓度;(2)氡及其子体能进人人体内;(3)人体在接受上述浓度的氡及其子体要超过一定的时间。
《放射卫生防护基本标准》规定,矿山井下作业地点氡在空气中的最大允许浓度为3.7kBq/m3;氡子体的潜能值不超过6.4μJ/m3。
二、矿井有害气体的检测方法概述矿井有害气体检测是防止有害气体危害的前提,也是矿井通风安全测量的重要内容。
检测的目的是掌握矿井有害气体的规律及其浓度,确定其是否符合规定。
若不符合规定要求,则必须采取措施进行处理。
另外,通过气体检测还可以分析通风质量,检查漏风,预测井下煤炭自燃及分析火区状态等。
这里只对有害气体的检测方法进行概述。
矿山有害气体检测有化验室分析、现场测试两种方式。
1.化验室分析采用气相色谱仪、红外光谱仪等设备对采集的气样进行测定分析,可以准确检测井下空气的各种成分,一般用于全面分析测定气体成分或者检测微量气体。