第2章废水的物理处理1筛滤、调节池-2012
- 格式:ppt
- 大小:12.39 MB
- 文档页数:27
第二章污水的物理处理§2 1 格栅和筛网§2 1 1 格栅(1)作用:用来去除可能堵塞水泵机组及管道阀门的较粗大悬浮物,并保证后续处理设施能正常运行。
(2)位置:一般在水泵的集水井之前(但有的根据需要分设两道格栅,位置可以不同,有的在水泵后再设一道,但一般前一道格栅较宽,后一道格栅较窄。
若水泵前格栅的栅条间距小于或等于25mm,其后面的处理流程中可不再设置格栅。
(3)分类:A型:栅条布置在框架的外侧,适用于机械清渣和人工清渣平面格栅B型:栅条布置在框架的内侧,在格栅顶部设有起吊架,可将格栅吊起,进行人工清渣按形状固定曲面格栅:利用渠道水流速度推动除渣桨板曲面格栅旋转鼓筒式格栅:污水从鼓筒内向鼓筒外流动,被格除的栅渣,由冲洗水管冲入渣槽(带网眼)内排出。
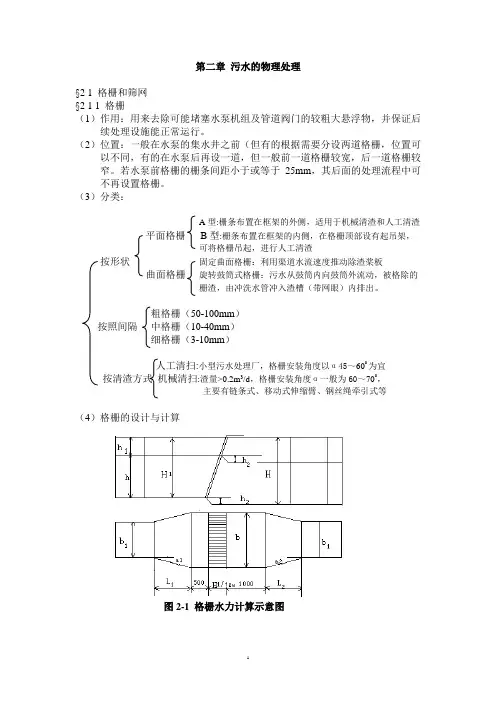
粗格栅(50-100mm)按照间隔中格栅(10-40mm)细格栅(3-10mm)人工清扫:小型污水处理厂,格栅安装角度以α45~600为宜按清渣方式机械清扫:渣量>0.2m3/d,格栅安装角度α一般为60~700,主要有链条式、移动式伸缩臂、钢丝绳牵引式等(4)格栅的设计与计算图2-1 格栅水力计算示意图1、格栅的间隙数n式中:q vmax —最大设计流量,m 3/s d —栅条间距,m h —栅前水深,m V —污水流经的速度,m/s 2、栅槽宽度b b=s(n-1)+d ·n (m ) 式中:b —格栅的建筑宽度,m ;s —栅条宽度,m ;3、通过格栅的水头损失式中:h 0—计算水头损失,m ;v —污水流经格栅的速度,m/s ; ξ—阻力系数,其值与格栅删条的断面的几何形状有关,见表10-4,P15 α—格栅的放置倾角 g —重力加速度, k —考虑到由于格栅受污染物堵塞后,格栅阻力增大的系数,可用 式:k=3.36v -1.32求定,一般k=3。
4、栅后槽总高度h 总式中:h —栅前水深,m ; h 2—格栅的水头损失,m ; h 1—格栅前渠道超高,一般h 1=0.3m 。