基桩声波透射法检测实施方案
- 格式:doc
- 大小:156.00 KB
- 文档页数:7
基桩声波透射法检测技术方案1 检测目的目的是检测混凝土灌注桩的桩身完整性,判定桩身缺陷的位置、范围和程度。
2 检测标准〔1〕广东省标准《建筑地基基础检测规范》DBJ15-60-2008;〔2〕国家行业标准《建筑基桩检测技术规范》(JGJ 106-2003)。
3 检测数量根据上述有关规范和设计的要求,本工程各标段检测数量见下表2。
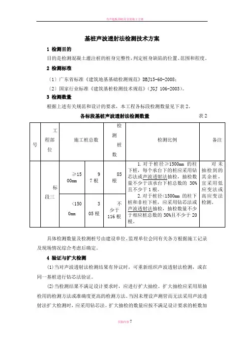
各标段基桩声波透射法检测数量表2具体检测数量及检测桩号由建设单位、监理单位会同有关各方根据施工记录及现场情况综合考虑后确定。
4 验证与扩大检测(1)当对声波透射法检测结果有异议时,可重新组织声波透射法检测,或在同一基桩进行钻芯法验证。
(2)当检测结果不满足设计要求时,应进行扩大抽检。
扩大抽检应采用原抽检用的检测方法或准确度更高的检测方法。
当因未埋设声测管而无法采用声波透射法扩大检测时,应采用钻芯法。
扩大抽检的数量应按不满足设计要求的桩数加倍抽检。
当采用高应变和声波透射法抽检桩身完整性所发现的Ⅲ、Ⅳ类桩之和大于抽检桩数的20%时,应按原抽检比例扩大抽检。
当Ⅲ、Ⅳ类桩之和不于抽检桩数的20%时,应研究确定处理方案或扩大抽检的方法和数量。
(3)验证检测和首次扩大抽检后,应根据检测结果,由监理单位或建设单位会同检测、勘察、设计、施工单位共同研究确定处理方案或进一步抽检的方法和数量。
当对检测结果有怀疑或有争议但又不具备重新检测和验证检测条件时,应由监理单位或建设单位会同检测、勘察、设计、施工单位共同研究确定处理方案。
5 基本原理超声波透射法检测混凝土质量的原理是事先在桩内预埋若干条声测管,作为超声波接收和发射换能器的通道。
检测时在一个管内放入发射超声波的发射探头,在另一个管内放入接收超声波的接收探头。
两个探头由底部往上同步提升,仪器记录超声波在由二管组成的砼测面内传播的声学特征。
根据波的到达时间,幅度大小,频率变化及波形畸变程度,经过分析处理,从而判定出砼质量状况,存在缺陷的性质、大小及空间位置、砼匀质性。
桩基检测方案工程名称:建设单位:检测方法:低应变法、声波透射法、钻芯法及高应变法编制单位:编制人:审批人:编制日期:一、工程概况本项目位于广东省,采用冲孔灌注桩基础,桩径为φ1200~φ1800mm,设计混凝土强度为C35,总桩数为72根。
二、检测目的和依据2.1 检测依据根据国家行业标准《建筑基桩检测技术规范》JGJ106-2003,现提供基桩检测的详细施测方案。
2.2 检测目的根据相关规范、规程要求及本项目的特点,确定采用以下检测方法进行检测:(1)低应变法检测:目的是检测桩身结构完整性,并为高应变和钻芯检测桩确定桩位提供依据。
(2)声波透射法检测:目的是检测桩身结构完整性。
(3)钻芯法检测:目的是检验桩身砼质量、桩身砼强度是否满足设计要求;桩底沉渣是否符合设计及施工验收规范要求;桩底持力层是否符合设计要求;施工记录桩长是否属实。
(4)高应变法检测:目的是检测单桩竖向抗压承载力是否满足设计要求。
三、检测项目和具体内容3.1 低应变检测3.1.1 检测数量根据本项目的要求,确定抽检数量为37根。
检测桩号由相关单位确定3.1.2 检测设备检测仪器采用岩海公司出产的RS-1616K(p)基桩动测仪。
3.1.3 检测原理基桩反射波法检测桩身结构完整性的基本原理是:通过在桩顶施加激振信号产生应力波,该应力波沿桩身传播过程中,遇到不连续界面(如蜂窝、夹泥、断裂、孔洞等缺陷)和桩底面时,将产生反射波,检测分析反射波的到时、幅值和波形特征,就能判断桩的完整性。
假设桩为一维线性弹性杆,其长度为L,横截面积为A,弹性模量为E,质量密度为ρ,弹性波速为C(C2 = E/ρ),广义波阻抗为Z=AρC,推导可得桩的一维波动方程:∂2u/∂t2=C2∂2u/∂x2-R/ρA假设桩中某处阻抗发生变化,当应力波从介质I(阻抗为Z1)进入介质II(阻抗为Z2)时,将产生速度反射波Vr和速度透射波Vt。
令桩身质量完好系数β=Z2/Z1,则有Vr=Vi×(1-β) /(1+β)Vt=Vi×2/(1+β)缺陷的程度根据缺陷反射的幅值定性确定,缺陷位置根据反射波的时间tx由下式确定Lx=C×tx/23.1.4 技术要求1、检测桩头处理(由施工单位完成)(1)凿去桩顶浮浆、松散或破损部分,露出坚硬的混凝土表面,使桩顶表面平整干净无且无水。
基桩的声波透射法检测报告一、工程概况桥梁长度约1140km,占正线长度86.5%;隧道长度约16km,占正线长度1.2%;路基长度162km,占正线长度12.3%;全线铺设无碴正线约1268公里,占线路长度的96.2%。
有碴轨道正线约50公里,占线路长度的3.8%。
全线用地总计5000km2。
铁路桥梁基桩进行声波透射法检测。
二、检测依据1. 工程设计文件及施工图;2.《铁路工程基桩无损检测规程》TB10218-99三、检测方法和适用范围1.声波透射法检测声波透射法检测基桩结构完整性的基本原理是:由超声脉冲发射源在混凝土内激发高频弹性脉冲波,并用高精度的接收系统记录该脉冲波在混凝土内传播过程中表现的波动特征;当混凝土内存在不连续或破损界面时,缺陷面形成波阻抗界面,波到达该界面时,产生波的透射和反射,使接收到的透射能量明显降低;当混凝土内存在松散、蜂窝、孔洞等缺陷时,将产生波的散射和绕射;根据波的初至到达时间和波的能量衰减特征、频率变化及波形畸变程度等特性,可以获得测区范围内混凝土的声学参数。
测试记录不同测试剖面、不同高度上的超声波动特征,经过处理分析就能判别测区内混凝土的参考强度和内部存在缺陷的性质、大小及空间位置。
在基桩施工前,根据桩直径的大小预埋一定数量的声测管,作为换能器的通道。
测试时每两根声测管为一组,通过水的耦合,超声脉冲信号从一根声测管中的换能器发射出去,在另一根声测管中的声测管接收信号,声波检测仪测定有关参数并采集记录储存。
换能器由桩底同时从下往上依次检测,遍及各个截面。
声波透射法测桩的特点:检测全面、细致,现场操作简便,迅速,不受桩长、长径比的限制,一般也不受场地限制。
声波透射法基桩质量检测工作程序框图1 2 3 4 52.检测仪器1)声波发射与接收换能器应符合下列要求:➢ 圆柱状径向振动,沿径向无指向性;➢ 外径小于声测管内径,有效工作面轴向长度不大于150mm;➢ 谐振频率宜为30~60kHz;➢ 水密性满足1MPa水压不渗水。
地基专业作业指导书基桩声波透射法检测实施细则文件编号:版本号:编制:批准:生效日期:基桩声波透射法检测实施细则1. 目的为了使检测员更好地熟悉和掌握基桩声波透射法检测方法,保证检测数据的科学、公正和准确性,特制定本规程。
2. 适用范围本规程适用于大体积混凝土基础、直径大于600mm的混凝土桩内部缺陷、不同时间浇筑的混凝土结合面质量以及混凝土匀质性检测。
3. 引用文件对于湖北省境内的检测项目,以《建筑地基基础检测技术规范(DB42/269-2003)》为最基本的技术依据,当该规范不明确时,参照下述规范执行:《建筑基桩检测技术规范(JGJ 106-2014)》对于湖北省境外的检测项目,依据行标执行。
对于每次发出的检测报告中,必须明确该报告依据的技术标准,并严格按其标准执行。
4. 职责检测工程师负责现场检测;内业分析人或现场检测工程师负责计算分析,一般也负责编写检测报告。
5. 工作程序5.1 声测管的埋设根据工程检测需要,在桩身或基础中可采用预埋声波检测管(简称声测管),进行声波透射法测试。
基桩的声测管埋设应符合以下要求:5.1.1根据桩径大小预埋声测管,测管数量应符合下列要求:d≤800mm,埋二根管;800mm <d≤2000mm,不应少于三根;d>2000mm,不应少于四根。
其中d为设计桩径。
5.1.2 声测管应沿桩截面外侧(纵筋保护层内)呈对称形状布置,声测管之间应保持平行。
5.1.3 声测管的编号方法约定为:对于房建项目,从正北方位开始,按顺时针方向依次编号为A、B、C、D…...。
对于路桥项目,从道路的前进方向开始,按顺时针方向依次编号为A、B、C、D…...。
5.1.4 声测管管身不得有破损,管内不得有异物,管的内径宜比换能器外径大15mm,加长声测管宜用外加套连接,并保持通直,管的下端应封闭,不应漏水,上端应加塞子。
5.1.5声测管随钢筋笼下沉后应在管内注满清水,声测管的埋设深度应与灌注桩的底部齐平,管的上端应高于桩顶表面300mm-500 mm,同一根桩的声测管外露高度宜相同。
基桩声波透射法检测实施方案根据《建筑基桩检测技术规范》JGJ106- 2003、广东省标准《建筑地基基础检测规范》DBJ—15-60—— 2008及穗建筑[2001]395号文《转发省建设厅V广东省桩基工程质量检测技术规定〉(试行)的通知》,现提供基桩检测的详细施测方案。
一、工作内容及目的对本工程的基桩进行超声波透射法检测,目的是检测桩笛结构完整性二、检测数量:本工程总桩数18根,检测数量为30%X 18=6 根。
三、检测人员现场由2~3名检测技术人员负责测试。
四、检测设备检测仪器设备采用武汉岩海公司生产的RS系列非金属声涌上检测仪、双孔式的确换能器(35KHZ )等。
仪器设备及现场联接如图1.-1-广东省基础工程公司GuangdongFoudationEngineeringCompanyGuangdongFoudationEngineeringCompany/ 五、检测原理超声波透射法检测桩身结构完整性的基本原理是:由超声脉冲发射源在砼内激发高频弹性脉冲波,并用高精度的接收系统记录脉冲波在砼内传播过程中表现的波-2-RS-ST01D(P)声波检测仪 信号输入参数设定 数据处理 结果输出计算机岩土电缆 桩声测管广东省基础工程公司动特征,当砼内存在不连续或破损界面时,缺陷形成波阻抗界面,波到达该界面时,产生波的透射和反射,使接收到的透射能量明显降低;当砼内存在松散、蜂窝、孑L洞等严重缺陷时,将产生波的散射和绕射;根据波的初至到达时间和波的能量衰减特征、频率变化及波形畸变程度等特性,可以获得测区范围内密实度参数。
测试记录不同侧面、不同高度上的超声波动特征,经过处理分析就能判别测区内砼的参考强度和内部存在缺陷的性质、大小及空间位置。
在基桩施工前,根据桩直径的大小预埋一定数量的声测管,作为换能器的通道。
六、技术要求:1、埋管施工1)埋管材料:宜采用钢(铁)管、钢质波纹管,钢(铁)管宜用螺纹口连接,不宜焊接,以保证管内畅通。
1. 编制依据1.1 《基桩低应变动力检测规程》JGJ/T93-951.2 《建筑基桩检测技术》JGJ106-2003 J256-2003 2.编制说明2.1为了保证97#-99#楼基础工程施工质量,确保结构安全,对本工程桩基础全部采用低应变动力检测法进行检测,对10%的桩基采用声波透射法进行检测(其中桩长超过15m的全部需声波透射法进行检测),并对每栋楼号桩抽取3~8根采用钻芯法检测。
为了提高基桩检测的准确性和可靠性,特编制此方案。
3.地基验证基础地基检测分为桩底岩芯取样、桩底不良地基检测两项,其中岩芯取样按挖孔桩数量的10%抽取,本工程97号楼钻孔孔桩数量为96根,分别抽取其中10根进行岩芯取样;98号楼主楼挖孔桩数量为85根,分别抽取其中9根进行岩芯取样,车库挖孔桩数量为125根,分别抽取其中13根进行岩芯取样;99号楼主楼挖孔桩数量为89根,分别抽取其中9根进行岩芯取样,车库挖孔桩数量为60根,分别抽取其中6根进行岩芯取样;具体检测桩位(自编号)如下:97号楼:3#、14#、21#、48#、57#、62#、69#、72#、89#、92#;98号楼主楼:6#、14#、23#、27#、39#、47#、62#、65#、76#;车库:C12、C15、C29、C41、C43、C60、C63、C79、C91、C93、C107、C121、C123;99号楼主楼:7#、18#、32#、35#、44#、55#、59#、74#、76#;车库:105#、110#、113#、125#、134#、144#。
桩底不良地基检测应根据地勘报告及桩底高程,由地勘确定是否进行桩底不良地基检测。
4. 测桩布点数量及要求4.1桩径D ≤800㎜,需埋设2根管;4.2桩径800㎜<D ≤2000㎜,需埋设3根管;4.3桩径D >2000㎜,需埋设4根管;D≤800mm800mm<D≤2000mmD≥2000mm5.声波导管埋置要求5.1声波导管采用“得亿”牌PVC 排水管,管径为DN50;5.2声波导管应下端封闭,上端加盖、管内无异物,其连接处应光滑过渡,管口高出桩顶标高500㎜,管底标高保持一致,且各声测管管口高度一致;5.3声波导管埋置位置应以桩的圆心为中心,呈等边三角行布置,基桩钢筋与声测管之间,相距在150mm ~200mm 之间,每隔2m 用“U ”形弯筋套入声测管外壁,与钢筋焊接,以固定声测管(严禁用铅丝绑扎声测管,因为此法常常导致实测时,声测管位移出现假异常而误判),使之成桩后各声测管相互平行(确保声测管管距上中下一致);5.4两个声波导管的间距不得大于1.50m;5.5桩长在15内时采用PVC管,当桩长大于15m时,应采用渡锌钢管。
XXXXXX工程技术有限公司地基专业作业指导书基桩声波透射法检测实施细则文件编号:QWDJ-004版本号:A / 0编制:批准:生效日期:二○一八年十一月五日基桩声波透射法检测实施细则1. 目的为了使检测员更好地熟悉和掌握基桩声波透射法检测方法,保证检测数据的科学、公正和准确性,特制定本规程。
2. 适用范围本规程适用于大体积混凝土基础、直径大于600mm的混凝土桩内部缺陷、不同时间浇筑的混凝土结合面质量以及混凝土匀质性检测。
3. 引用文件对于湖北省境内的检测项目,以《建筑地基基础检测技术规范(DB42/269-2003)》为最基本的技术依据,当该规范不明确时,参照下述规范执行:《建筑基桩检测技术规范(JGJ 106-2014)》对于湖北省境外的检测项目,依据行标执行。
对于每次发出的检测报告中,必须明确该报告依据的技术标准,并严格按其标准执行。
4. 职责检测工程师负责现场检测;内业分析人或现场检测工程师负责计算分析,一般也负责编写检测报告。
5. 工作程序5.1 声测管的埋设根据工程检测需要,在桩身或基础中可采用预埋声波检测管(简称声测管),进行声波透射法测试。
基桩的声测管埋设应符合以下要求:5.1.1根据桩径大小预埋声测管,测管数量应符合下列要求:d≤800mm,埋二根管;800 mm <d≤2000mm,不应少于三根;d>2000mm,不应少于四根。
其中d为设计桩径。
5.1.2 声测管应沿桩截面外侧(纵筋保护层内)呈对称形状布置,声测管之间应保持平行。
5.1.3 声测管的编号方法约定为:对于房建项目,从正北方位开始,按顺时针方向依次编号为A、B、C、D…...。
对于路桥项目,从道路的前进方向开始,按顺时针方向依次编号为A、B、C、D…...。
5.1.4 声测管管身不得有破损,管内不得有异物,管的内径宜比换能器外径大15mm,加长声测管宜用外加套连接,并保持通直,管的下端应封闭,不应漏水,上端应加塞子。
声波透射变作业指导书
声波透射作业指导书主要包括以下内容:
1. 目的:声波透射作业的目的是检测混凝土灌注桩桩身完整性,判定桩身是否存在缺陷、缺陷的程度及其位置。
2. 适用范围:声波透射法适用于已预埋声测管的混凝土灌注桩桩身完整性检测。
3. 检测设备:需要使用的设备包括基桩多跨孔超声波自动循测仪,该设备必须经校准/检定合格。
4. 核查计划:每年初编制年度期间核查工作计划。
期间核查的时间间隔与校准/检定周期相同,安排在两次校准/检定中间进行,一般为上次校准/检定
后六个月(个别为一年)。
5. 实施期间核查情况:在出现以下情况时,应考虑实施期间核查:
相邻两次校准/检定期间,必须实施期间核查。
使用环境条件发生变化,如温度、湿度变化较大,有可能影响仪器准确性。
在检测过程中,发现数据可疑,对仪器设备提出怀疑时。
遇到重要的检测项目,如发生有关事故、作为仲裁或有争议时。
仪器维修后。
6. 结语:为使仪器设备在相邻两次校准/检定期间,保持设备校准/检定状态的可信度,保证测量数据的准确可靠,特制定本作业指导书。
本作业指导书应和相应的技术标准一同执行使用。
请注意,上述内容仅供参考,建议查阅声波透射作业指导书原文件获取更准确的信息。
建筑基桩声波透射法检测技术方案1.1一般规定1.1.1 本方法适用于混凝土灌注桩的桩身完整性检测,判定桩身缺陷的位置、范围和程度。
对于桩径小于0.6m的桩,不宜采用本方法进行桩身完整性检测。
1.1.2 当出现下列情况之一时,不得采用本方法对整桩的桩身完整性进行评定:1 声测管未沿桩身通长配置;2 声测管堵塞导致检测数据不全;3 声测管埋设数量不符合本规范第1.3.2条的规定。
1.2 仪器设备1.2.1声波发射与接收换能器应符合下列规定:1圆柱状径向振动,沿径向无指向性;2外径小于声测管内径,有效工作段长度不大于150mm;3 谐振频率为30 kHz~60kHz;4 水密性满足1MPa水压不渗水。
1.2.2声波检测仪应符合下列规定:1具有实时显示和记录接收信号时程曲线以及频率测量或频谱分析的功能;2最小采样时间间隔小于或等于0.5μs,系统频带宽度为1 kHz~200kHz,声波幅值测量相对误差小于5%,系统最大动态范围不小于100dB;3 声波发射脉冲为阶跃或矩形脉冲,电压幅值为200 V~1000V;4 具有首波实时显示功能;5 具有自动记录声波发射与接收换能器位置功能。
1.3 声测管埋设1.3.1声测管埋设应符合下列规定:1声测管内径应大于换能器外径;2 声测管应有足够的径向刚度,声测管材料的温度系数应与混凝土接近;3 声测管应下端封闭、上端加盖、管内无异物;声测管连接处应光顺过渡,管口高出混凝土顶面100mm以上;4浇灌混凝土前应将声测管有效固定。
1.3.2声测管应沿钢筋笼内侧呈对称形状布置(图1.3.2),并依次编号。
声测管埋设数量应符合下列规定:1 桩径小于或等于800mm时,不少于2根声测管;2 桩径大于800mm且小于或等于1600mm时,不少于3根声测管;3 桩径大于1600mm时,不少于4根声测管;4 桩径大于2500mm时,宜增加预埋声测管数量。
(a)2根管(b)3根管(c)4根管图 1.3.2声测管布置示意图注:检测剖面编组(检测剖面序号为j)分别为:2根管时,AB剖面(j=1);3根管时,AB剖面(j=1),BC剖面(j=2),CA剖面(j=3);4根管时,AB剖面(j=1),BC剖面(j=2),CD剖面(j=3),DA剖面(j=4),AC剖面(j=5),BD剖面(j=6)。
基桩声波透射法检测实施方案
根据《建筑基桩检测技术规范》JGJ106—2003、广东省标准《建筑地基基础检测规范》DBJ—15—60——2008及穗建筑[2001]395号文《转发省建设厅﹤广东省桩基工程质量检测技术规定﹥(试行)的通知》,现提供基桩检测的详细施测方案。
一、工作内容及目的
对本工程的基桩进行超声波透射法检测,目的是检测桩笛结构完整性
二、检测数量:本工程总桩数18根,检测数量为30%×18=6根。
三、检测人员
现场由2~3名检测技术人员负责测试.
四、检测设备
检测仪器设备采用武汉岩海公司生产的RS系列非金属声涌上检测仪、双孔式的确换能器(35KHZ)等。
仪器设备及现场联接如图1.
五、检测原理
超声波透射法检测桩身结构完整性的基本原理是:由超声脉冲发射源在砼内激发高频弹性脉冲波,并用高精度的接收系统记录脉冲波在砼内传播过程中表现的波动特征,当砼内存在不连续或破损界面时,缺陷形成波阻抗界面,波到达该界面时,产生波的透射和反射,使接收到的透射能量明显降低;当砼内存在松散、蜂窝、孔洞等严重缺陷时,将产生波的散射和绕射;根据波的初至到达时间和波的能量衰减特征、频率变化及波形畸变程度等特性,可以获得测区范围内密实度参数。
测试记录不同侧面、不同高度上的超声波动特征,经过处理分析就能判别测区内砼的参考强度和内部存在缺陷的性质、大小及空间位
置。
在基桩施工前,根据桩直径的大小预埋一定数量的声测管,作为换能器的通道。
六、技术要求:
1、埋管施工
1)埋管材料:宜采用钢(铁)管、钢质波纹管,钢(铁)管宜用螺纹口连接,不宜焊接,以保证管内畅通。
2)埋管直径:管内径为50~60mm。
3)管口管底及管内:声测管下到桩底、下端封闭,上端加盖,保证管内无异物;声测管连接处应光滑过渡,管口应高出桩身混凝土面100mm以上,各声测管口高度应保持一致。
4)埋管要求:应采取适宜的方法固定声测管,保证检测管垂直.成桩后检测管之间必须保持相互平行。
(注意:检测管倾斜、弯曲、堵塞可能导致声涌上透射法无法出具检测结论,而不得不采用钻孔抽芯等其它检测手段进行一步检测.)
5)埋管数量及编组:
D≤800mm的桩埋设2管,800﹤D≤2000mm的桩埋设不少于3管,D﹥2000mm的桩埋设不少于4管.声测管应沿桩截面外侧呈对称形状布置,编组方法参见图2,声测管编号以正北方向顺时针开始第一根管为A;(D:受检桩设计桩径。
)
2、执行标准
检测参照国家行标准《建筑基村检没技术规范》(JGJ106-2003)中有关声波透射法规定进行.
3、检测时间
被检测灌注桩砼强度应超过设计强度的70%,且不小于15Mpa。
若因桩身混凝土强度等级低而影响测试波形,应推迟检测时间.
4、现场检测
a)资料收集
收集工程概况、成桩情况(设计资料、施工记录、桩位平面图等)、见附表1、附表2;
b)现场测试:
在测试时要求将各桩管管口封盖打开,并在管内注满清水。
测试时每两根每两根声测管为一组,通过水的耦合,超声脉冲信号从一根声测管中的换能器发射出去,在另一根声测管中的声测管接收信号,超声仪测定有关参数并采集记录储存。
换能器由桩底同时上依次检测,遍及各个截面.
5、资料分析及基桩质量评判
1、桩身缺陷:以声速临界值、波幅临界值以及PSD判据进行综合判定.
2、桩身均匀性声速离散系数Cv分为A、B、C、D四级。
见表1。
声速离散系数级别表
3、根据桩身混凝土的均匀性,是否存在缺陷以及缺陷的严重程度,将桩身的完整性按四类划分:
I类桩:桩身完整
II类桩:桩身有轻微缺陷,不会影响结构承载力的正常发挥;
III类桩:桩身有明显缺陷,对桩身结构承载力有影响;
IV类桩:桩身存在严重缺陷。
七、检测时间及工期安排
接到业主通知,24小时内进场检测。
八、安全保证措施
1、严格遵守国家现行有关的安全施工规定
2、操作人员必须持证上岗;
3、野外工作开始前,必须如开由有关人员参加的安全生产会议,强化有关人员的安全意识.
4、项目负责人及安全员应经常到施工现场检查安全工作,发现不安全因素应采取措施及时消除。
5、设备、仪器操作人员要保持饱满的精神,严格按照操作规范安全文明操作。
九、质量保证措施
遵照国家有关规程、规定进行检测,保证检测的公正性、准确性、科学性。
对现场检测、资料处理、报告校核、审核、发出等每一环节都制定了相应的控制措施(如框图),在检测全过程中贯彻“质量第一”的方针,确保检测质量满足规范或合约的要求,为用户提供质素的服务。
不合理
十、成果整理及资料提交
1、对实测曲线进行分析并绘制,评定基桩质量等级
2、野外检测完成后 5 天内提供初步检测结果,10天内提供正式检测报告一式2份。