甲醇生产工艺流程图
- 格式:ppt
- 大小:2.21 MB
- 文档页数:40
甲醇精馏工艺流程图甲醇精馏工艺流程图甲醇精馏是一种常见的用于分离甲醇的工艺。
下面是一种甲醇精馏工艺的流程图简化示意:甲醇粗产品经过预处理后,进入一号蒸馏塔。
在一号蒸馏塔中,甲醇与其他杂质根据沸点的差异进行分离。
在蒸馏过程中,高沸点组分逐渐富集在塔底,而低沸点组分则逐渐富集在塔顶。
经过冷凝后,低沸点组分成为甲醇乙醇混合物,高沸点组分成为甲醇残留液。
甲醇乙醇混合物进入乙醇精馏塔,经过二次精馏可以得到高纯度的甲醇产品。
整个甲醇精馏工艺包括以下主要步骤:1. 前处理:甲醇粗产品经过脱水和醇醚化处理以去除水分和其他杂质。
2. 一号蒸馏塔:粗产品进入一号蒸馏塔,通过加热使其部分汽化。
在塔内,高沸点组分逐渐富集在塔底,低沸点组分富集在塔顶。
塔底产物是甲醇残留液,经过冷凝后回流到塔顶进行再蒸馏。
塔顶产物是甲醇乙醇混合物。
3. 乙醇精馏塔:甲醇乙醇混合物进入乙醇精馏塔进行二次精馏。
在塔内,乙醇和甲醇根据沸点的差异进行分离。
低沸点的乙醇逐渐富集在塔顶,高沸点的甲醇富集在塔底。
塔底产物是甲醇产品,经过冷凝后得到高纯度的甲醇。
4. 产物处理:甲醇产品经过冷却、储存、包装等步骤后可以出厂销售或用于下游生产。
整个甲醇精馏工艺需要考虑的主要因素有塔内温度、压力、进料速率、回收率等。
通过优化这些因素,可以提高甲醇产品的纯度和产率,同时减少能耗和废物排放。
此外,也需要注意控制工艺中的安全风险,保证操作人员和设备的安全。
以上是一种甲醇精馏工艺的简化流程图示意,实际工业生产中可能还有其他步骤和设备。
具体的工艺流程应根据具体情况进行设计和调整。
编号:No.20课题:合成气生产甲醇工艺流程授课容:合成气制甲醇工艺流程知识目标:●了解合成气制甲醇过程对原料的要求●掌握合成气制甲醇原则工艺流程能力目标:●分析和判断合成气组成对反应过程及产品的影响●对比高压法与低压法制甲醇的优缺点思考与练习:●合成气制甲醇工艺流程有哪些部分构成?●对比高压法与低压法制甲醇的优缺点●合成气生产甲醇对原料有哪些要求?如何满足?授课班级:授课时间:年月日四、生产甲醇的工艺流程(一)生产工序合成气合成甲醇的生产过程,不论采用怎样的原料和技术路线,大致可以分为以下几个工序,见图5-1。
图5-1 甲醇生产流程图1.原料气的制备合成甲醇,首先是制备原料氢和碳的氧化物。
一般以含碳氢或含碳的资源如天然气、石油气、石脑油、重质油、煤和乙炔尾气等,用蒸汽转化或部分氧化加以转化,使其生成主要由氢、一氧化碳、二氧化碳组成的混合气体,甲醇合成气要求(H2-CO2)/(CO+CO2)=2.1左右。
合成气中还含有未经转化的甲烷和少量氮,显然,甲烷和氮不参加甲醇合成反应,其含量越低越好,但这与制备原料气的方法有关;另外,根据原料不同,原料气中还可能含有少量有机和无机硫的化合物。
为了满足氢碳比例,如果原料气中氢碳不平衡,当氢多碳少时(如以甲烷为原料),则在制造原料气时,还要补碳,一般采用二氧化碳,与原料同时进入设备;反之,如果碳多,则在以后工序要脱去多余的碳(以CO2形式)。
2.净化净化有两个方面:一是脱除对甲醇合成催化剂有毒害作用的杂质,如含硫的化合物。
原料气中硫的含量即使降至1ppm,对铜系催化剂也有明显的毒害作用,因而缩短其使用寿命,对锌系催化剂也有一定的毒害。
经过脱硫,要求进入合成塔气体中的硫含量降至小于0.2ppm。
脱硫的方法一般有湿法和干法两种。
脱硫工序在整个制甲醇工艺流程中的位置,要根据原料气的制备方法而定。
如以管式炉蒸汽转化的方法,因硫对转化用镍催化剂也有严重的毒害作用,脱硫工序需设置在原料气设备之前;其它制原料气方法,则脱硫工序设置在后面。
编号:No.20课题:合成气生产甲醇工艺流程授课容:合成气制甲醇工艺流程知识目标:●了解合成气制甲醇过程对原料的要求●掌握合成气制甲醇原则工艺流程能力目标:●分析和判断合成气组成对反应过程及产品的影响●对比高压法与低压法制甲醇的优缺点思考与练习:●合成气制甲醇工艺流程有哪些部分构成?●对比高压法与低压法制甲醇的优缺点●合成气生产甲醇对原料有哪些要求?如何满足?授课班级:授课时间:年月日四、生产甲醇的工艺流程(一)生产工序合成气合成甲醇的生产过程,不论采用怎样的原料和技术路线,大致可以分为以下几个工序,见图5-1。
图5-1 甲醇生产流程图1.原料气的制备合成甲醇,首先是制备原料氢和碳的氧化物。
一般以含碳氢或含碳的资源如天然气、石油气、石脑油、重质油、煤和乙炔尾气等,用蒸汽转化或部分氧化加以转化,使其生成主要由氢、一氧化碳、二氧化碳组成的混合气体,甲醇合成气要求(H2-CO2)/(CO+CO2)=2.1左右。
合成气中还含有未经转化的甲烷和少量氮,显然,甲烷和氮不参加甲醇合成反应,其含量越低越好,但这与制备原料气的方法有关;另外,根据原料不同,原料气中还可能含有少量有机和无机硫的化合物。
为了满足氢碳比例,如果原料气中氢碳不平衡,当氢多碳少时(如以甲烷为原料),则在制造原料气时,还要补碳,一般采用二氧化碳,与原料同时进入设备;反之,如果碳多,则在以后工序要脱去多余的碳(以CO2形式)。
2.净化净化有两个方面:一是脱除对甲醇合成催化剂有毒害作用的杂质,如含硫的化合物。
原料气中硫的含量即使降至1ppm,对铜系催化剂也有明显的毒害作用,因而缩短其使用寿命,对锌系催化剂也有一定的毒害。
经过脱硫,要求进入合成塔气体中的硫含量降至小于0.2ppm。
脱硫的方法一般有湿法和干法两种。
脱硫工序在整个制甲醇工艺流程中的位置,要根据原料气的制备方法而定。
如以管式炉蒸汽转化的方法,因硫对转化用镍催化剂也有严重的毒害作用,脱硫工序需设置在原料气设备之前;其它制原料气方法,则脱硫工序设置在后面。
生产甲醇的几种流程图(一)甲醇的生产流程图(二)高压法合成甲醇工艺流程1-合成塔;2-水冷凝器;3-甲醇分离器;4-循环压缩机;5-铁油分离器;6-粗甲醇中间槽(三)低压法生产甲醇的原理流程图1加热炉2转化炉 3废热锅炉 4加热器 5脱硫器 6 、24、21、17、12为水冷器7气液分离器 8合成气三段离心式压缩机 9循环气压缩机10甲醇合成塔 11、15 热交换器 13甲醇分离器 14 粗甲醇中间槽16脱轻组分塔 18分离塔 19、22 再沸器20甲醇精馏塔 23 CO2吸收塔(四)甲醇生产高压法、中压法、低压法三种方法及区别高压工艺流程一般指的是使用锌铬催化剂,在300—400℃,30MPa高温高压下合成甲醇的过程。
自从1923年第一次用这种方法合成甲醇成功后,差不多有50年的时间,世界上合成甲醇生产都沿用这种方法,仅在设计上有某些细节不同,例如甲醇合成塔内移热的方法有冷管型连续换热式和冷激型多段换热式两大类;反应气体流动的方式有轴向和径向或者二者兼有的混合型式;有副产蒸汽和不副产蒸汽的流程等。
近几年来,我国开发了25-27MPa压力下在铜基催化剂上合成甲醇的技术,出口气体中甲醇含量4%左右,反应温度230-290℃。
ICl低压甲醇法为英国ICl公司在1966年研究成功的甲醇生产方法。
从而打破了甲醇合成的高压法的垄断,这是甲醇生产工艺上的一次重大变革,它采用51-1型铜基催化剂,合成压力5MPa。
ICl法所用的合成塔为热壁多段冷激式,结构简单,每段催化剂层上部装有菱形冷激气分配器,使冷激气均匀地进入催化剂层,用以调节塔内温度。
低压法合成塔的型式还有联邦德国Lurgi公司的管束型副产蒸汽合成塔及美国电动研究所的三相甲醇合成系统。
70年代,我国轻工部四川维尼纶厂从法国Speichim公司引进了一套以乙炔尾气为原料日产300吨低压甲醇装置(英国ICI专利技术)。
80年代,齐鲁石化公司第二化肥厂引进了联邦德国Lurge公司的低压甲醇合成装置。
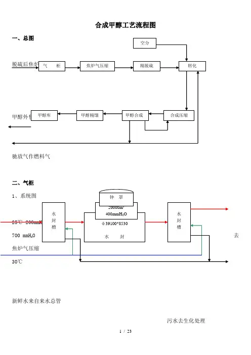
合成甲醇工艺流程图驰放气作燃料气二、气柜去新鲜水来自来水总管污水去生化处理2、物料平衡表三、焦炉气压缩1、系统图 0.3172Mpa 140℃ 40℃分离水2.5Mpa 140℃40℃去精脱硫2.5 Mpa40℃分离水2、物料平衡表注意:停车时造成煤气放散30000Nm3/h去转化 2.3 Mpa 380℃(1)有机硫加氢转化:CS 2+H 2+H 2O →H 2S+CO COS+H 2O →H 2S+CO 2(2)必须将系统中来自炼焦、压缩机等氯杂质去除,在甲醇反应中会生成水溶性氯化物,影响整个床层。
2、物料平衡表原材料消耗定额及消耗量表(生产甲醇耗煤气2176 Nm 3/吨)催化剂、化学品消耗定额及消耗量表三废排放量表四、转化℃汽℃燃料气来自合成2.2Mpa与空气混合后370℃冷却水来自外管焦炉气来自精脱硫锅炉给水来自外管脱盐水来自脱盐水管采暖水来自管网预脱硫槽 270℃预热到300℃去精脱硫脱盐水去锅炉房 117℃锅炉给水去合成采暖水回水去管网冷却水来自外管 2.0Mpa 、40℃去合成气压缩工段40℃冷凝水送街区 冷却水去外管在转化炉中焦炉气发生如下反应:2H 2+O 2=H 2O+115.48kcal (1) 2CH 4+O 2=2CO+4H 2+17.0kcal (2) CH 4+H 2O=CO+3H 2-49.3kcal (3) CH 4+CO 2=2CO+2H 2-59.1kcal (4) CO+H 2O=CO 2+H 2+9.8kcal (5) 反应最终按(5)达到平衡。
2、物料平衡表(1)原料气(2)危险物料特性装置危险性物料主要物性表(3)催化剂技术规格催化剂技术规格(4)物料消耗(消耗定额以吨甲醇产品计)原材料消耗定额及消耗量表动力(水、电、汽、气)消耗定额及消耗量表催化剂、吸附剂、化学品消耗定额及消耗量表三废排放量表主要节能措施:燃料气使用甲醇合成工段弛放气,合理利用了废气。
合成甲醇工艺流程图合成甲醇工艺流程图甲醇是一种重要的化学原料,广泛应用于化工、医药和能源等领域。
下面是一幅合成甲醇的工艺流程图。
1. 原料准备:首先,需要准备甲烷和二氧化碳作为原料。
甲烷可以来自天然气或煤矿气,而二氧化碳则可以从空气中捕集。
2. 清洁和反应催化:经过清洁处理后,甲烷和二氧化碳进入反应器。
在反应器中,甲烷和二氧化碳与催化剂接触,并发生化学反应。
催化剂可以是金属氧化物,如氧化铜和氧化锌。
3. 气液分离:反应产生的混合气体需要进行气液分离。
这可以通过压力调节和冷却的方式实现。
高压下,甲醇会凝结成液体,而未反应的气体则被排放出去。
4. 精馏:通过精馏过程,将混合液体中的甲醇和水进行分离。
由于甲醇的沸点较低,它会先以蒸汽的形式进入冷凝器,然后冷凝成液体。
而水则会留在底部。
5. 加氢处理:在甲醇生产过程中,经常会生成一些有害物质,如硫化氢和一氧化碳。
因此,需要进行加氢处理,以去除这些有害物质。
加氢处理通常使用镍催化剂。
6. 脱水:经过加氢处理后,甲醇和水再次进入脱水器。
在脱水器中,甲醇和水被分离,以获得更纯净的甲醇。
7. 精制:最后,对甲醇进行精制处理,以去除杂质。
这可以通过再次进行精馏或吸附过程来实现。
吸附剂可以是活性炭或分子筛。
通过以上工艺流程,我们可以得到高纯度的甲醇。
甲醇是一种非常重要的化工原料,在许多行业中都有广泛应用。
除了作为溶剂、反应剂和燃料外,甲醇还可以用于制备多种化学品,如甲醇醚、甲醇胺和甲醇醛等。
总之,合成甲醇的工艺流程涉及原料准备、清洁和反应催化、气液分离、精馏、加氢处理、脱水和精制等步骤。
这些步骤的顺序和条件可以根据具体工艺要求进行调整。
通过合理的工艺设计和优化,可以提高甲醇的产率和质量,从而满足市场需求。