喷淋塔参数参考表
- 格式:xls
- 大小:30.50 KB
- 文档页数:3
废气喷淋塔循环泵配置表一、废气喷淋塔配置表1. 塔型:圆形2. 塔高:10米3. 塔直径:5米4. 塔材质:碳钢5. 喷淋系统:喷嘴数量20个6. 喷淋介质:水7. 塔底排放口:直径1米8. 排放介质:废气9. 塔顶排放口:直径0.5米10. 排放介质:洁净空气二、循环泵配置表1. 泵型号:X-1002. 流量:100m³/h3. 扬程:50m4. 材质:不锈钢5. 排放口直径:100毫米6. 电机功率:15kW7. 运行温度:-20℃~80℃8. 运行压力:0.6MPa9. 安装方式:水平安装三、废气喷淋塔循环泵配置1. 塔底排放口与循环泵连接,将废气排放经循环泵重新注入喷淋系统,实现循环利用;2. 循环泵选用X-100型号,满足喷淋系统所需的水流量和扬程;3. 循环泵采用不锈钢材质,确保运行稳定,耐腐蚀;4. 循环泵的电机功率15kW,保证在较大流量下运行稳定;5. 废气喷淋塔循环泵配置合理,能够提高废气处理效率,降低能源消耗,符合环保要求。
结语废气喷淋塔循环泵配置表明,我们选择了合适的塔型、循环泵型号和参数,确保废气喷淋系统的正常运行和高效处理。
也充分考虑了环保和能源节约的要求,是一个高质量、流畅易读、结构合理的配置方案。
废气处理工程在现代工业生产中起着重要的作用。
废气喷淋塔是一种常用的废气处理设备,通过喷淋系统将废气中的有害物质溶解在水中,然后通过循环泵重新注入喷淋系统进行循环利用,从而达到净化废气的目的。
在废气喷淋塔循环泵配置中,合理选择塔型、循环泵型号与参数,对于提高废气处理效率、降低能源消耗具有重要意义。
合理选择废气喷淋塔的塔型及参数对于整个处理系统的效率和经济性具有重要影响。
在配置表中,我们选择了圆形塔型,这是因为圆形塔在结构上更加稳定,易于施工和维护,使用寿命长,能够更好地适应不同工艺流程和废气处理要求。
塔的高度和直径也是通过充分的工艺设计和计算得出,既保证了处理效果,又充分考虑了设备的结构和力学稳定性。
喷淋塔循环水泵
用于喷淋塔循环水泵有卧式和立式之分,卧式泵采用机械密封结构,一旦空转就容易烧坏机封,更换成本高,美宝环保实践得出经验,立式泵适用于喷淋塔。
喷淋塔循环水泵安装直立式循环泵会省心不少,不用天天提心吊胆担心空抽。
一、喷淋塔循环水泵选型要特别注意:两个参数,全流量和全扬程。
这两个参数是指这台化工泵的两个限值,是化工泵厂家在工厂用清水做测试的参数,在实际使用过程中,由于具体的工况不同,很难达到这两数值的。
并且,全流量和全扬程是化工泵的两个互为消长的参数,也就是说,流量越大,扬程就越低,反之,流量越小,扬程就越高!
二、选择合适的型号:4KW以下的喷淋塔循环水泵建议采用槽内立式泵,4KW以上的喷淋塔循环水泵建议采用槽外立式泵,做专门安置化工泵的架子,不要放置槽内,因为4KW以上的喷淋塔循环水泵在运转时产生震动,易将槽与洗涤塔的焊接点震脱焊,造成漏液。
三、喷淋塔循环水泵参数型号展示:
四、美宝喷淋塔循环水泵展示:。
活性炭、喷淋塔、集气罩设计参数与技术规格一、活性炭1、截面积风速取0.5-1.0m/s,大多数情况下取0.6-0.7m/s;2、活性炭风阻为250-300Pa/10cm,一般取20-30cm厚;3、对于风量较小的可以采取单层吸附形式(<12000m³/h),设计示意图见图一;4、风量较大时可以采取双层或多层吸附形式(>12000m³/h),设计示意图见图二;5、非极性物质比极性物质更易于吸附,在同一系列物质中,沸点越高的物质越易被吸附,分子量越大越易被吸附;6、蜂窝活性炭滤网的过滤设计风速为1m/s,风阻约30Pa/1cm厚,吸附效果较差,仅用于简易处理设施(应付环保检查);7、活性炭纤维棉的过滤设计风速为0.2-0.3m/s,风阻为40-60Pa/1cm厚,厚重250±10g/㎡(3.5-4mm)。
二、喷淋塔1、分为立式喷淋塔和卧式喷淋塔两种。
卧式喷淋塔以用于降温、水洗居多,立式喷淋塔多用于酸碱中和、强氧化和水过滤等。
2、立式喷淋塔的设计:净化塔的尺寸:D=2×√Q3600×π×V注:式中D表示喷淋塔直径,单位mQ表示风量,单位m³/hV表示空塔流速,单位m/s3、空塔流速设计需根据废气性质和实际应用要求进行设计,一般设计规律如下:①含氰废气,V取0.3-0.6m/s,停留时间取8-10s;②含铬废气,V取0.3-0.6m/s,停留时间取9-12s;③含氨废气,V取0.3-0.6m/s,停留时间取7-12s;④酸性废气(HCl、硫酸雾),V取1m/s,停留时间取5-6s;⑤含NO X废气,V取0.3-0.6m/s,停留时间取8-10s;⑥含HF废气,V取0.3-0.6m/s,停留时间取9-12s(不宜采用填料塔,氟化物多为难溶或不溶物质,易造成堵塞,通常采取旋流板塔或者空塔);⑦含尘气体(以除尘为主要目的),采用卧式喷淋塔,V取0.8-1.0m/s,停留时间取3-4s;⑧有机废气(溶于水、酸或碱的以及可加强化剂【如次氯酸钠等】去除的),V取0.4-0.6m/s,停留时间取8-12s;4、喷淋塔的液气比一般按2.0-2.5L/m³设计;5、各类型废气的处理方法:①含铬废气需采用过滤回收预处理和湿式喷淋深度处理相结合的方式。
自动喷淋系统设计基本参数5 设计基本参数5.0.1 民用建筑和厂房采用湿式系统时的设计基本参数不应低于表5.0.1的规定。
表5.0.1 民用建筑和厂房采用湿式系统的设计基本参数注:系统最不利点处洒水喷头的工作压力不应低于0.05MPa。
5.0.2 民用建筑和厂房高大空间场所采用湿式系统的设计基本参数不应低于表5.0.2的规定。
表5.0.2 民用建筑和厂房高大空间场所采用湿式系统的设计基本参数注:1 表中未列入的场所,应根据本表规定场所的火灾危险性类比确定。
2 当民用建筑高大空间场所的最大净空高度为12m<h≤18m时,应采用非仓库型特殊应用喷头。
5.0.3 最大净空高度超过8m的超级市场采用湿式系统的设计基本参数应按本规范第5.0.4条和第5.0.5条的规定执行。
5.0.4 仓库及类似场所采用湿式系统的设计基本参数应符合下列要求:1 当设置场所的火灾危险等级为仓库危险级Ⅰ级~Ⅲ级时,系统设计基本参数不应低于表5.0.4-1~表5.0.4-4的规定;2 当仓库危险级Ⅰ级、仓库危险级Ⅱ级场所中混杂储存仓库危险级Ⅲ级物品时,系统设计基本参数不应低于表5.0.4-5的规定。
表5.0.4-1 仓库危险级Ⅰ级场所的系统设计基本参数注:1 货架储物高度大于7.5m时,应设置货架内置洒水喷头。
顶板下洒水喷头的喷水强度不应低于18L/(min·m2),作用面积不应小于200m2,持续喷水时间不应小于2h。
2 本表及表5.0.4-2、5.0.4-5中字母“J”表示货架内置洒水喷头,“J”前的数字表示货架内置洒水喷头的层数。
表5.0.4-2 仓库危险级Ⅱ级场所的系统设计基本参数注:货架储物高度大于7.5m时,应设置货架内置洒水喷头。
顶板下洒水喷头的喷水强度不应低于20L/(min·m2),作用面积不应小于200m2,持续喷水时间不应小于2h。
表5.0.4-3 货架储存时仓库危险级Ⅲ级场所的系统设计基本参数注:1 作用面积不应小于200m2,持续喷水时间不应低于2h。
1、流量Q(m3/h)150002、流量Q(m3/s)4.1666666673、流速(m/s)18>84、管径(m)0.481125224圆管0.54302935、液气比(L/m3)32~36、用水量(m3/h)457、用水量(m3/s)0.012540分钟水量22.58、水管流速(m/s)260分钟水量459、水管管径(mm)0.0892*******、空塔流速(m/s)20.1~211、塔径(m)1.62867504塔截面积2.08227717212、停留时间(s)22~313、塔高414、除尘效率015、压力损失8000.1~0.5KPa 16、通风机分压效率0.70.5~0.71直联0.98联轴器0.95三角皮带1.22~5KW 1.3〉5KW 1.3引风机19、风机功率Ne6.516290727a 、沿程压力损失计11、流量Q(m3/h)2400空气密度ρ1.22、流量Q(m3/s)0.666666667管道直径D0.2264554073、流速(m/s)13>8管内风速v134、管径(m)0.226455407直管段长度L10阻力损失:ΔPl447.7702759沿程压力损失合计b、局部阻力损失计算局部阻力损失系数ζ1查局部系数表局部阻力ΔPm 101.4系统压力损失计算喷淋塔计算公式通风机17、风机联动方式18、电动机备用系数局部阻力损失合计喷淋塔压力损失:活性炭塔压力损失设备管道压力损失总压力损失:0 19、风机功率Ne0压力损失(Pa)除尘效率(%)〉90粒径大于10微米分割粒径(微米)3除尘效率(%)。
1、流量Q(m3/h)186112、流量Q(m3/s)5.1697222223、流速(m/s)10>84、管径(m)0.719007804圆管0.81151925、液气比(L/m3)32~36、用水量(m3/h)55.8337、用水量(m3/s)0.01550916740分钟水量27.91658、水管流速(m/s)260分钟水量55.8339、水管管径(mm)0.0993*******、空塔流速(m/s)0.80.1~211、塔径(m)2.86842613塔截面积 6.45887674212、停留时间(s)22~313、塔高1.614、除尘效率015、压力损失8000.1~0.5KPa 16、通风机分压效率0.70.5~0.71直联0.98联轴器0.95三角皮带1.22~5KW 1.3〉5KW 1.3引风机19、风机功率Ne8.084979114a 、沿程压力损失计算:11、流量Q(m3/h)2400空气密度ρ1.22、流量Q(m3/s)0.666666667管道直径D0.2264554073、流速(m/s)13>8管内风速v134、管径(m)0.226455407直管段长度L10阻力损失:ΔPl447.7702759沿程压力损失合计b、局部阻力损失计算局部阻力损失系数ζ1查局部系数表局部阻力ΔPm 101.4系统压力损失计算喷淋塔计算公式通风机17、风机联动方式18、电动机备用系数局部阻力损失合计喷淋塔压力损失:活性炭塔压力损失设备管道压力损失总压力损失:0 19、风机功率Ne0压力损失(Pa)除尘效率(%)〉90粒径大于10微米分割粒径(微米)3除尘效率(%)。
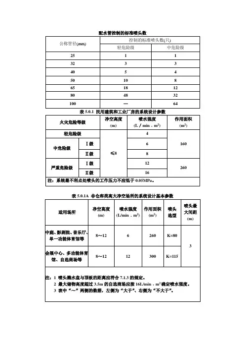
配水管控制的标准喷头数公称管径(mm)控制的标准喷头数(只)轻危险级中危险级25 1 1 32 3 3 40 5 4 50 10 8 65 18 12 80 48 32 100 —64 表5.0.1 民用建筑和工业厂房的系统设计参数火灾危险等级净空高度(m)喷水强度(L/min﹒m2)作用面积(m2)轻危险级≤8 4160中危险级Ⅰ级 6Ⅱ级8严重危险级Ⅰ级12260 Ⅱ级16注:系统最不利点处喷头的工作压力不应低于0.05MPa。
表5.0.1A 非仓库类高大净空场所的系统设计基本参数适用场所净空高度(m)喷水强度(L/min﹒m2)作用面积(m2)喷头选型喷头最大间距(m)中庭、影剧院、音乐厅、单一功能体育馆等8~12 6 260 K=803 会展中心、多功能体育馆、自选商场等8~12 12 300 K=115注:1 喷头溅水盘与顶板的距离应符合7.1.3的规定。
2 最大储物高度超过3.5m的自选商场应按16L/min﹒m2确定喷水强度。
3 表中“~”两侧的数据,左侧为“大于”、右侧为“不大于”。
表5.0.5 堆垛储物仓库的系统设计基本参数火灾危险等级储物高度(m)喷水强度(L/min﹒m 2)作用面积(m 2)持续喷水时间(h)仓库危险级Ⅰ级3.0~3.5 8 160 1.0 3.5~4.5 8200 1.5 4.5~6.0 106.0~7.5 14仓库危险级Ⅱ级3.0~3.5 10200 2.03.5~4.5 124.5~6.0 166.0~7.5 22注:本表及表5.0.5-3、表5.0.5-4适用于室内最大净空高度不超过9.0m的仓库。
表5.0.5-4 多排货架储物仓库的系统设计基本参数火灾危险等级储物高度(m)喷水强度(L/min﹒m 2)作用面积(m 2)持续喷水时间(h)仓库危险级Ⅰ级3.5~4.5 12200 1.5 4.5~6.0 186.0~7.5 12+1J续表5.0.5-4火灾危险等级储物高度(m)喷水强度(L/min﹒m 2)作用面积(m 2)持续喷水时间(h)仓库危险级Ⅱ级3.0~3.5 12200 1.53.5~4.5 184.5~6.0 12+1J6.0~7.5 12+2J表5.0.5-5 货架储物Ⅲ级仓库的系统设计基本参数序号室内最大净高(m)货架类型储物高度(m)货顶上方净空(m)顶板下喷头喷水强度(L/min﹒m2)货架内置喷头层数高度(m)流量系数1 -单、双排 3.0~6.0 <1.5 24.5 ---2 ≤6.5 单、双排 3.0~4.5 - 18.0 ---3 -单、双、多排 3.0 <1.5 12.0 ---4 -单、双、多排 3.0 1.5~3.0 18.0 ---5 -单、双、多排 3.0~4.5 1.5~3.0 12.0 1 3.0 806 - 单、双、多排 4.5~6.0 <1.5 24.5 - - -7 ≤8.0 单、双、多排 4.5~6.0 - 24.5 - - -8 - 单、双、多排 4.5~6.0 1.5~3.0 18.0 1 3.0 809 - 单、双、多排 6.0~7.5 <1.5 18.5 1 4.5 11510 ≤9.0 单、双、多排 6.0~7.5 - 32.5 - - -注:1 持续喷水时间不应低于2h,作用面积不应小于200 m2。
{Z}喷淋塔计算公式0324喷淋塔计算公式1、流量Q(m3/h)150002、流量Q(m3/s)4.1666666673、流速(m/s)18>84、管径(m)0.481125224圆管#########5、液气比(L/m3)32~36、用水量(m3/h)457、用水量(m3/s)0.012540分钟水量22.58、水管流速(m/s)260分钟水量459、水管管径(mm)0.08922882610、空塔流速(m/s)20.1~211、塔径(m) 1.62867504塔截面积 2.08227717212、停留时间(s)22~313、塔高414、除尘效率015、压力损失8000.1~0.5KPa16、通风机分压效率0.70.5~0.717、风机联动方式1直联0.98联轴器0.95三角皮带18、电动机备用系数 1.22~5KW通风机1.3〉5KW 1.3引风机19、风机功率Ne 6.516290727系统压力损失计算a 、沿程压力损失计算:11、流量Q(m3/h)2400空气密度ρ 1.22、流量Q(m3/s)0.666666667管道直径D 0.2264554073、流速(m/s)13>8管内风速v 134、管径(m)0.226455407直管段长度L 10 阻力损失:ΔPl 447.7702759沿程压力损失合计b、局部阻力损失计算局部阻力损失系数ζ1查局部系数表局部阻力ΔPm 101.4 --摩擦压损系数局部阻力损失合计喷淋塔压力损失:活性炭塔压力损失设备管道压力损失总压力损失:0 19、风机功率Ne0式压力损失(Pa)除尘效率(%)〉90粒径大于10微米分割粒径(微米)3除尘效率(%)。
气旋混动喷淋塔参数
摘要:
I.气旋混动喷淋塔简介
A.气旋混动喷淋塔的定义
B.气旋混动喷淋塔的作用
II.气旋混动喷淋塔的参数
A.设计参数
1.喷淋塔结构
2.气流速度
3.喷嘴布置
B.性能参数
1.处理能力
2.净化效率
3.排放标准
C.操作参数
1.操作方式
2.维护周期
3.安全措施
III.气旋混动喷淋塔的应用领域
A.行业应用
1.化工行业
2.电子行业
3.医药行业
B.应用场景
1.废气处理
2.废水处理
3.固体废物处理
IV.气旋混动喷淋塔的优势与不足
A.优势
1.高效净化
2.节能环保
3.操作简便
B.不足
1.设备成本
2.维护成本
3.技术要求
正文:
气旋混动喷淋塔是一种新型的环保设备,主要应用于废气、废水和固体废物的处理。
1、流量Q(m3/h)150002、流量Q(m3/s)4.1666666673、流速(m/s)10>84、管径(m)0.645497224圆管0.72855035、液气比(L/m3)22~36、用水量(m3/h)307、用水量(m3/s)0.00833333340分钟水量158、水管流速(m/s)260分钟水量309、水管管径(mm)0.0728*******、空塔流速(m/s)20.1~211、塔径(m)1.62867504塔截面积2.08227717212、停留时间(s)22~313、塔高414、除尘效率015、压力损失8000.1~0.5KPa 16、通风机分压效率0.70.5~0.71直联0.98联轴器0.95三角皮带1.22~5KW 1.3〉5KW 1.3引风机19、风机功率Ne6.516290727a 、沿程压力损失计11、流量Q(m3/h)2400空气密度ρ1.22、流量Q(m3/s)0.666666667管道直径D0.2264554073、流速(m/s)13>8管内风速v134、管径(m)0.226455407直管段长度L10阻力损失:ΔPl447.7702759沿程压力损失合计b、局部阻力损失计算局部阻力损失系数ζ1查局部系数表局部阻力ΔPm 101.4喷淋塔计算公式17、风机联动方式18、电动机备用系数通风机系统压力损失计算局部阻力损失合计喷淋塔压力损失:活性炭塔压力损失设备管道压力损失总压力损失:0 19、风机功率Ne0压力损失(Pa)除尘效率(%)〉90粒径大于10微米分割粒径(微米)3除尘效率(%)。
喷淋塔设计标准参考喷淋塔设计标准参考塔型选择原则:要选择合适的喷淋塔型必须通过调查研究,充分了解使用条件,选择有较好特性的合理塔型。
一般说来,同时满足生产任务要求的喷淋塔塔型有多种选择,但应从经济观点,生产经验和具体条件等方面综合考虑。
现将选择时一些考虑因素列举如下。
1.与物性有关方面的因素(1)物流系统易起跑沫,宜用填料塔。
因为在板式塔中易造成严重的雾沫夹带,甚至泛塔,影响分离效率。
(2)有悬浮固体和残渣的物料,或易结垢的物料,宜用板式塔中大孔径筛板塔、十字架型浮阀和泡罩塔等。
填料塔将会产生阻塞,有很难清理。
(3)高粘性物料宜用填料塔。
在板式塔中鼓泡传质效果太差。
(4)具有腐蚀性的介质宜选用填料塔,因它宜用耐腐蚀材料制作,也可选用板式塔中结构简单的无溢流筛板塔。
(5)对于处理过程中有热量放出或须加入热量的系统,宜采用板式塔。
当然也可将填料分塔或分段设置,塔(段)间设置冷却器,但结构较复杂。
2.与操作条件有关的因素(1)传质速率有气相控制,宜采用填料塔,因在填料塔中气相在湍动,液相分散为膜状流动。
如传质速率由液相控制,宜用板式塔,因为在板式塔中液相在湍动,气相分散为气泡。
(2)当处理系统的液气比L/V小时,宜用板式塔。
(3)操作弹性要求较大时,宜采用浮阀塔、泡罩塔等。
填料塔和无溢流筛板塔的弹性较小。
(4)对伴有化学反应(特别是当此反应并不太迅速时)的吸收过程,采用板式塔较有利,因液体在板式塔中的停留时间长,反应比较容易控制,有利于吸收过程。
(5)气相处理量大的系统宜采用板式塔,小则填料塔适宜。
因大塔板式塔价廉,小塔则填料塔便宜,一般塔径小于φ 800 mm宜采用填料塔。
以下为喷淋塔设计时的一些要点考虑,主要包括1 空塔流速空心喷淋除尘器的气流速度越小对吸收效率越有利,一般为1.0~1.5m/s。
2填料层厚度错流模拟式填料洗涤除尘器中,通过两层筛网所夹持的填料层厚度一般小于0.6m,最大1.8m。
喷淋塔设计标准参考塔型选择原则:要选择合适的喷淋塔型必须通过调查研究,充分了解使用条件,选择有较好特性的合理塔型。
一般说来,同时满足生产任务要求的喷淋塔塔型有多种选择,但应从经济观点,生产经验和具体条件等方面综合考虑。
现将选择时一些考虑因素列举如下。
1.与物性有关方面的因素(1)物流系统易起跑沫,宜用填料塔。
因为在板式塔中易造成严重的雾沫夹带,甚至泛塔,影响分离效率。
(2)有悬浮固体和残渣的物料,或易结垢的物料,宜用板式塔中大孔径筛板塔、十字架型浮阀和泡罩塔等。
填料塔将会产生阻塞,有很难清理。
(3)高粘性物料宜用填料塔。
在板式塔中鼓泡传质效果太差。
(4)具有腐蚀性的介质宜选用填料塔,因它宜用耐腐蚀材料制作,也可选用板式塔中结构简单的无溢流筛板塔。
(5)对于处理过程中有热量放出或须加入热量的系统,宜采用板式塔。
当然也可将填料分塔或分段设置,塔(段)间设置冷却器,但结构较复杂。
2.与操作条件有关的因素(1)传质速率有气相控制,宜采用填料塔,因在填料塔中气相在湍动,液相分散为膜状流动。
如传质速率由液相控制,宜用板式塔,因为在板式塔中液相在湍动,气相分散为气泡。
(2)当处理系统的液气比L/V小时,宜用板式塔。
(3)操作弹性要求较大时,宜采用浮阀塔、泡罩塔等。
填料塔和无溢流筛板塔的弹性较小。
(4)对伴有化学反应(特别是当此反应并不太迅速时)的吸收过程,采用板式塔较有利,因液体在板式塔中的停留时间长,反应比较容易控制,有利于吸收过程。
(5)气相处理量大的系统宜采用板式塔,小则填料塔适宜。
因大塔板式塔价廉,小塔则填料塔便宜,一般塔径小于流00 mm宜采用填料塔。
以下为喷淋塔设计时的一些要点考虑,主要包括1 ^塔流速空心喷淋除尘器的气流速度越小对吸收效率越有利,一般为1.0〜1.5m/s。
2填料层厚度错流模拟式填料洗涤除尘器中,通过两层筛网所夹持的填料层厚度一般小于0.6m, 最大1.8m。
喷淋段:自喷淋层(最上一层喷嘴)至进气管上口,气液在此段进行接触传质,是塔的主要区段。
喷淋塔设计标准参考塔型选择原则:要选择合适的喷淋塔型必须通过调查研究,充分了解使用条件,选择有较好特性的合理塔型。
一般说来,同时满足生产任务要求的喷淋塔塔型有多种选择,但应从经济观点,生产经验和具体条件等方面综合考虑。
现将选择时一些考虑因素列举如下。
1.与物性有关方面的因素(5)气相处理量大的系统宜采用板式塔,小则填料塔适宜。
因大塔板式塔价廉,小塔则填料塔便宜,一般塔径小于φ800mm宜采用填料塔。
以下为喷淋塔设计时的一些要点考虑,主要包括1空塔流速空心喷淋除尘器的气流速度越小对吸收效率越有利,一般为1.0~1.5m/s。
2填料层厚度错流模拟式填料洗涤除尘器中,通过两层筛网所夹持的填料层厚度一般小于0.6m,最大1.8m。
喷淋段:自喷淋层(最上一层喷嘴)至进气管上口,气液在此段进行接触传质,是塔的主要区段。
氟化氢为亲水性气体,传质在瞬间即能完成。
但在实际操作中,由于喷淋液雾化状况、气体在本体截面分布情况等条件的影响,此段的长度仍是一个主要因素。
以为在此段,塔的截面布满液滴,自由面大大缩小,从而气流实际速度增大很多倍,因此不能按空塔速度计算接触时间。
脱水(除雾)段:喷嘴以上部分为脱水段,作用是使大液滴依靠自重降落,其中装有除雾器,以除掉小液滴,使气液较好的分离。
塔的高度尚无统一的计算方法,一般参考直径选取,高与直径比(H/D)在4~7范2.喷出液体锥角大锥角大则覆盖面积大,在出喷嘴不远处便布满整个塔截面。
喷嘴中装有漩涡器,使液体不仅向前进方向运动,而且产生旋转运动,这样有助于将喷出液洒开,也有利于将喷出液分散为细雾。
3.所需的给液压力小给液压力小,则动力消耗低。
4.喷洒能力大喷洒能力理论计算公式为式中,q为喷嘴喷洒能力,m2/s;μ为流量系数,0.2~0.3;F为喷出口截面积,m2;p为喷出口液体压力,Pa;γ液为液体密度,kg/m3;g为重力加速度。
在实际工程中,多采用经验公式,其形式如下:q=kpn式中,k为与进出口直径有关的系数;n为压力系数,与进口压力有关,一般在0.4~0.5之间。
1、流量Q(m3/h)
150002、流量Q(m3/s)
4.1666666673、流速(m/s)
10>84、管径(m)0.645497224圆管0.7285503
5、液气比(L/m3)
22~36、用水量(m3/h)
307、用水量(m3/s)
0.00833333340分钟水量158、水管流速(m/s)
260分钟水量309、水管管径(mm)
0.0728*******、空塔流速(m/s)
20.1~211、塔径(m)
1.62867504塔截面积
2.08227717212、停留时间(s)
22~313、塔高
414、除尘效率
015、压力损失
8000.1~0.5KPa 16、通风机分压效率
0.70.5~0.71直联0.98联轴器0.95三角皮带1.22~5KW 1.3〉5KW 1.3引风机19、风机功率Ne
6.516290727a 、沿程压力损失计
11、流量Q(m3/h)2400空气密度ρ
1.22、流量Q(m3/s)0.666666667管道直径D
0.2264554073、流速(m/s)13>8
管内风速v
134、管径(m)0.226455407直管段长度L
10阻力损失:ΔPl
447.7702759沿程压力损失合计
b、局部阻力损失计算
局部阻力损失系数ζ
1查局部系数表局部阻力ΔPm 101.4喷淋塔计算公式
17、风机联动方式
18、电动机备用系数
通风机系统压力损失计算
局部阻力损失合计
喷淋塔压力损失:
活性炭塔压力损失
设备管道压力损失
总压力损失:0 19、风机功率Ne0
压力损失(Pa)
除尘效率(%)〉90粒径大于10微米
分割粒径(微米)3除尘效率(%)。