纱线检验规程
- 格式:doc
- 大小:95.00 KB
- 文档页数:6
纱线产品质量监督抽查实施细则1 抽样方法以随机抽样的方式在被抽样生产者、销售者的待销产品中抽取。
抽样基数满足抽样数量即可。
抽样数量:抽取30管/15筒。
除特殊要求外,无需备样。
随机数一般可使用随机数表、随机数骰子或扑克牌等方法产生。
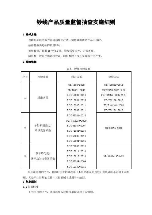
2 检验依据表1 纱线检验项目凡是注日期的文件,其随后所有的修改单(不包括勘误的内容)或修订版不适用于本细则。
凡是不注日期的文件,其最新版本适用于本细则。
3 判定规则3.1依据标准下列引用的文件,其最新版本或修改单均适用于本细则。
GB/T398-2008棉本色纱线GB/T5324-2009精梳涤棉混纺本色纱线FZ/T12003-2014粘胶纤维本色纱线FZ/T12004-2015涤粘混纺本色纱线FZ/T12005-2011普梳涤与棉混纺本色纱线FZ/T12006-2011精梳棉涤混纺本色纱线FZ/T63001-2014缝纫用涤棉本色纱线FZ/T 12019-2009涤纶本色纱线FZ/T63007-2007棉绣花线FZ/T71005-2014针织用棉本色纱FZ/T52005-2014缝纫线用涤纶短纤维FZ/T12001-2015转杯纺棉本色纱FZ/T71005-2014针织用棉本色纱FZ/T12014-2014针织用棉色纺纱FZ/T12016-2014涤与棉混纺色纺纱FZ/T63009-2009涤棉包芯缝纫线FZ/T12032-2012纯棉竹节本色纱相关的法律法规、部门规章和规范经备案现行有效的企业标准及产品明示质量要求。
3.2判定原则经检验,检验项目全部合格,判定为被抽查产品所检项目合格;检验项目中任一项或一项以上不合格,判定为抽查产品不合格。
若被检产品明示的质量要求高于本细则中检验项目依据的标准要求时,应按被检产品明示的质量要求判定。
若被检产品明示的质量要求低于本细则中检验项目依据的标准要求时,应按照强制性标准要求判定。
若被检产品明示的质量要求低于或包含细则中检验项目依据的推荐性标准要求时,应以被检产品明示的质量要求判定。
纱线检测标准和检测项目有哪些我国纺织业经历了几千年的发展,改革开放以后,纺织业也进入了发展的快速时期。
纱线作为纺织品,发展速度也比较可观。
为了助力我国纱线制造业的发展,世通检测为广大纱线厂家提供纱线检测服务,为您提高纱线质量和产品竞争力增加一份助力。
纱线检测范围:羊绒纱线,涤棉纱线,纺织纱线,羊毛纱线,混纺纱线,纳米纱线,腈纶纱线,毛呢纱线,尼龙纱线,玻纤纱线,碳纤维纱线,纯棉纱线,有机棉纱线等。
线检测项目:成分检测,纤维检测,质量检测,张力检测,水分,捻度,含油率,摩擦系数,弹性,压缩性能,拉伸性能,色牢度,含胶量,伸长率,耐疲劳性能等。
纱线国标检测标准:GB/T 398-2008棉本色纱线;GB/T 398-2018棉本色纱线;GB/T 2543.1-2015纺织品纱线捻度的测定第1部分:直接计数法;GB/T 2543.2-2001纺织品纱线捻度的测定第2部分:退捻加捻法;GB/T 7690.6-2013增强材料纱线试验方法第6部分:捻度平衡指数的测定;GB/T 3291.1-1997纺织纺织材料性能和试验术语第1部分:纤维和纱线;GB/T 3292.1-2008纺织品纱线条干不匀试验方法第1部分:电容法;GB/T 3292.2-2009纺织品纱线条干不匀试验方法第2部分:光电法;GB/T 3916-2013纺织品卷装纱单根纱线断裂强力和断裂伸长率的测定(CRE法);GB/T 7690.3-2013增强材料纱线试验方法第3部分:玻璃纤维断裂强力和断裂伸长的测定;GB/T 7690.4-2013增强材料纱线试验方法第4部分:硬挺度的测定。
纱线美标检测方法:AS 1157.3-1999测试方法耐真菌生长性第3部分:绳索纱线的抗真菌性能AS 2001.2.14-1987纺织品试验方法第2.14部分:物理试验纱线捻度的测定AS 2001.2.22-2006纺织品试验方法第2.22部分:物理试验接缝处纱线抗滑移测定AS 2001.5.6-1987纺织品试验方法第5.6部分: 纺织品尺寸变化的测定纱线和缝纫线尺寸变化的测定ASTM D861-2007标志纤维、纱中间产品和纱线性密度的TEX系统的使用规程ASTM D885/D885M-2010a(2014)e1人造有机纤维制轮胎帘布、轮胎帘布织物和工业长丝纱线的试验方法ASTM D1336-2007(2011)机织纺织品纱线扭曲度试验方法ASTM D1423-2002(2008)直接计算方法测定纱线捻度的试验方法ASTM D1425/D1425M-2014用电容测试仪测定纱线束的不均匀度的试验方法ASTM D1578-1993(2011)绞线法测定纱线断裂强度的试验方法纱线检测流程:1. 客户提出申请;2.工程师确定检验标准及检验项目并进行报价;3. 申请人确认报价,并将样品和有关技术文件送至实验室;4. 申请人提供技术文件;5. 缴纳费用,申请人向申请机构付款;6. 安排产品进行测试;7. 测试结果;8. 测试完成,颁发报告。
纱线检测方法
纱线检测方法主要包括以下几种:
1.纱线捻度检测:主要有直接计数法和退捻加捻法。
直接计数法是在规定的张力
下,夹住一定长度试样的两端,旋转试样一端,退去试样的捻度,直至试样构成单元平行时测得捻回数的方法。
退捻加捻法则是在一定张力下,用夹持器夹住已知长度被测试
样纱线的两端,经退捻和反向加捻后,试样回复到起始长度所需捻回数的50%即为该长度下的纱线捻回数。
退捻加捻法又可以分为退捻加捻A法、退捻加捻B法、三次退捻加捻法等。
2.纱线强度检测:将纱线拉伸到它的强度极限,并用载荷电子计将它的负载测定。
可采用单纱强度测试或多绳强度测试方案。
单纱强度测试通常把纱线截成固定的长度,这样易于控制测试和计算。
多绳强度测试则要求将多股纱线并于一起,并将其作为一个单一的实体进行测试。
3.纱疵检测:依据纱线疵点粗度、细度及其各自的长度分为不同级别,根据不同
用途的纱线作出不同的纱疵控制。
通过电子检测仪器进行纱疵检测,可以准确地评估、推断一批纱线的疵点情况,以此预测一批纱线有害纱疵对后加工织物布面的影响。
此外,还有一些其他的纱线检测方法,如纱线支数检测、纱线毛羽检测、纱线条干检测等。
这些方法都是通过对纱线的各项物理指标进行测定,以评估纱线的质量和性能。
请注意,具体的纱线检测方法应根据纱线的种类、用途以及检测要求等因素进行选择。
同时,在进行纱线检测时,应严格按照相关的检测标准和操作规范进行操作,以确保检测结果的准确性和可靠性。
纺织厂车间纱线质检在纺织工业中,纱线质量的稳定性和可靠性对于产品的最终品质至关重要。
因此,纺织厂车间的纱线质检工作至关重要,它不仅直接影响着产品的质量,还关系到企业的声誉与利益。
本文将会就纺织厂车间纱线质检进行探讨,介绍纱线质检的基本流程以及常见的纱线质量问题。
一、纱线质检的基本流程1. 采样:纺织厂车间纱线质检的第一步是采样。
为了确保样本具有代表性,应该从每个生产周期的不同位置抽取纱线样本。
在采样过程中,纱线的颜色、纤维长度、纤维强度等重要指标需要被记录下来。
2. 外观检查:在纱线质检中,外观检查是非常重要的一步。
纺织工厂应该使用光学仪器或放大镜来观察和分析纱线的外观,检查是否存在断纱、毛刺、污渍、死节等问题。
3. 物理指标测试:物理指标测试是纱线质检的重要环节。
通过对纱线的线密度、强度、伸长率等指标进行测试,可以评估纱线的质量是否符合要求。
4. 化学检测:某些情况下,纱线还需要进行化学检测。
这种检测可以用来确定纱线是否含有有害物质,以及有无色牢度等化学性能。
二、常见的纱线质量问题1. 断纱:断纱是纱线质量问题中最常见的问题之一。
断纱可能会导致生产线停机,增加生产成本,并且降低产品的质量。
因此,纺织工厂车间应该密切注意纱线的强度和弯曲性能,以减少断纱的发生。
2. 毛刺:毛刺是纺织工厂车间质检中常见的外观问题。
毛刺不仅会影响产品的外观效果,还可能对肌肤产生刺激。
因此,纱线质检中需要仔细观察和检测纱线是否存在毛刺问题,并及时采取措施解决。
3. 死节:死节是纱线中出现的一种纤维短节,它使纱线的质量下降,容易断裂。
在纺织品生产过程中,死节会导致产品的起球、断裂等问题,降低产品的质量和寿命。
4. 不均匀线密度:纱线的线密度是指单位长度的纱线所包含的质量。
不均匀的线密度会导致纺织品的不均匀,影响产品的外观效果和整体质量。
因此,纱线质检中需要对线密度进行测试,以保证其均匀性。
结论纺织厂车间纱线质检是确保产品质量的重要环节。
1、目的通过对外购纱线的检验,有效地监控原材料质量,使其符合公司及客户要求。
2、引言本规程适用于南海太平地毯有限公司外购纱线的检验。
3、检验规则取样1)取样数量按QB/T2518-2001《地毯用纱》 <组批与抽样> 中规定执行即:用于物理指标及外观质量抽样检验的产品,根据产品批量大小确定样本大小,从批中随机抽取样本单位。
批量在5000kg及以下,取样10大绞或10个筒纱,批量在5000kg 以上的取样20大绞或20个筒纱。
2)所抽取样品须注明批号、包号和物料名称等信息。
试验次数规定1)线密度测20次2)纱线捻度试验40次3)纱线强力:名义强力4500CN及以下试验20次,名义强力在4500CN以上的试验10次。
4)新批物料或有特殊要求需做“纤维定量分析和含油”试验时,规定取两个试样各试验一次(从样品中随机取)。
5)PP纬线热收缩试验20次6)回潮试验批量在1000KG及以下,取8个纱样,批量在1000KG以上的取12个纱样。
7)外观、绞长、绞重、绑线和条干(黑板)抽样数全检。
检验方法外观检验(见《纱线外观与支数检验记录表》);1)白度检验:GB/T 纺织品相对白度的仪器评定方法执行(送染部电脑测试);2)色差检验按GB/T 纺织品色差计算执行(送染部电脑测试);3)颜色检验按GB/T 8424-2001 纺织品表面颜色的测定通则执行(送染部电脑测试);4)光泽、纱疵、条干、色花和筒子成型检验:采用目测检验;5)绞重/筒重/绞长/绑线:逐绞称重测量。
支数检验(见《纱线外观与支数检验记录表》)按 GB/T 4743-1995 纱线线密度的测定执行捻度、捻向、纺纱结构检验(见《纱线捻度、捻向、纺纱结构检验记录表》)按 GB/T ~ 纺织品纱线捻度的测定第一部分:直接计数法执行纱线断裂强力及伸长率的检验(见《纱线断裂强力、断裂伸长率检验记录表》)按 GB/T 3916-1997 纺织品单根纱线断裂强力和断裂伸长率的测定执行混纺纱线定量分析(见《纺织品定量分析记录表》)试验方法按 GB/T 2910-1997 纺织品二组分纤维混纺产品定量化学分析执行纱线含油率测试试验方法按 FZ 20002-91 毛纺织品含油脂率的测定执行回潮率检验(见《纺织品回潮率检验记录表》)试验方法按 GB/T 9995-1997 纺织材料含水率和回潮率的测定执行PP纬线热收缩检验(见《纱线受热收缩检验记录表》)仪器和工具纤维干热收缩测定仪、秒表试验条件:1)预加张力:<200TEX纱线:11±1CN;>200TEX纱线:21±1CN。
VS439/440纱线检验标准
第一条,
包装要求及其他说明:筒纱,防水塑料编织袋包装
第二条,
品重量按GB9994-88标准公定回潮验收。
扣除包装重量和筒管重量收货,交货数量允许增减1%。
第三条,
质量标准:需方按国家纺织行业FZ71001-2003标准验收规定进行质量验收。
A. 保证纱线质量适合三针针型,且支数保持稳定;
B. 纱线颜色同确认色;
C. 纱线外观干净整洁,条干稳定;
D. 收纱后安排织片水洗,和相关业务确认水洗后手感、颜色及效果。
欢迎您的下载,
资料仅供参考!
致力为企业和个人提供合同协议,策划案计划书,学习资料等等
打造全网一站式需求。
1、目的通过对外购纱线的检验,有效地监控原材料质量,使其符合公司及客户要求。
2、引言本规程适用于南海太平地毯有限公司外购纱线的检验。
3、检验规则3.1 取样1)取样数量按QB/T2518-2001《地毯用纱》6.2 <组批与抽样> 中规定执行即:用于物理指标及外观质量抽样检验的产品,根据产品批量大小确定样本大小,从批中随机抽取样本单位。
批量在5000kg及以下,取样10大绞或10个筒纱,批量在5000kg以上的取样20大绞或20个筒纱。
2)所抽取样品须注明批号、包号和物料名称等信息。
3.2 试验次数规定1)线密度测20次2)纱线捻度试验40次3)纱线强力:名义强力4500CN及以下试验20次,名义强力在4500CN以上的试验10次。
4)新批物料或有特殊要求需做“纤维定量分析和含油”试验时,规定取两个试样各试验一次(从样品中随机取)。
5)PP纬线热收缩试验20次6)回潮试验批量在1000KG及以下,取8个纱样,批量在1000KG以上的取12个纱样。
7)外观、绞长、绞重、绑线和条干(黑板)抽样数全检。
3.3检验方法3.3.1 外观检验(见《纱线外观与支数检验记录表》);1)白度检验:GB/T 8424.2-2001 纺织品相对白度的仪器评定方法执行(送染部电脑测试);2)色差检验按GB/T 8424.3-2001 纺织品色差计算执行(送染部电脑测试);3)颜色检验按GB/T 8424-2001 纺织品表面颜色的测定通则执行(送染部电脑测试);4)光泽、纱疵、条干、色花和筒子成型检验:采用目测检验;5)绞重/筒重/绞长/绑线:逐绞称重测量。
3.3.2 支数检验(见《纱线外观与支数检验记录表》)按GB/T 4743-1995 纱线线密度的测定执行3.3.3 捻度、捻向、纺纱结构检验(见《纱线捻度、捻向、纺纱结构检验记录表》)按GB/T 2543.1~2543.2--2001 纺织品纱线捻度的测定第一部分:直接计数法执行3.3.4 纱线断裂强力及伸长率的检验(见《纱线断裂强力、断裂伸长率检验记录表》)按GB/T 3916-1997 纺织品单根纱线断裂强力和断裂伸长率的测定执行3.3.5 混纺纱线定量分析(见《纺织品定量分析记录表》)试验方法按GB/T 2910-1997 纺织品二组分纤维混纺产品定量化学分析执行3.3.6 纱线含油率测试试验方法按FZ 20002-91 毛纺织品含油脂率的测定执行3.3.7 回潮率检验(见《纺织品回潮率检验记录表》)试验方法按GB/T 9995-1997 纺织材料含水率和回潮率的测定执行3.3.8 PP纬线热收缩检验(见《纱线受热收缩检验记录表》)3.3.8.1仪器和工具纤维干热收缩测定仪、秒表3.3.8.2试验条件:1)预加张力:<200TEX纱线:11±1CN;>200TEX纱线:21±1CN。
纱线质量检验把关流程下载温馨提示:该文档是我店铺精心编制而成,希望大家下载以后,能够帮助大家解决实际的问题。
文档下载后可定制随意修改,请根据实际需要进行相应的调整和使用,谢谢!并且,本店铺为大家提供各种各样类型的实用资料,如教育随笔、日记赏析、句子摘抄、古诗大全、经典美文、话题作文、工作总结、词语解析、文案摘录、其他资料等等,如想了解不同资料格式和写法,敬请关注!Download tips: This document is carefully compiled by theeditor. I hope that after you download them,they can help yousolve practical problems. The document can be customized andmodified after downloading,please adjust and use it according toactual needs, thank you!In addition, our shop provides you with various types ofpractical materials,such as educational essays, diaryappreciation,sentence excerpts,ancient poems,classic articles,topic composition,work summary,word parsing,copy excerpts,other materials and so on,want to know different data formats andwriting methods,please pay attention!纱线质量检验把关流程一、采购阶段1. 确定纱线种类:根据产品要求和工艺要求,确定所需的纱线种类和规格,并向供应商发送采购订单。
棉及化纤纯纺、混纺本色纱线检验规则1 主题内容与适用范围本标准规定了棉及化纤纯纺、混纺本色纱线的验收、检验项目、检验方法及复验要求。
本标准适用于收付双方或受委托的检验机构对棉及化纤纯纺、混纺本色纱线的品质验收和复验。
2 验收2.1 生产厂根据产品检验结果,出具产品说明书,收货方应根据该产品的标准及协议核对说明书和包装标志的内容进行验收。
2.2 收货方如因条件限制,收货时不能进行验收,即应按生产厂产品说明书收货。
3 检验项目纱线的检验项目包括各产品标准技术要求的规定和成包净重量的检验,用户在使用过程中可以对纱疵和纱线成形外观进行检验。
4 检验方法4.1 对产品标准中技术要求各项指标的检验4.1.1 取样以均匀等量、随机为原则,一份试样,筒子和绞纱最少取3包,取样数量,批量在2t及以下时,按该产品标准规定取样,2t以上时加倍取样一次测算。
4.1.2 技术要求各项指标的检验方法按产品标准中规定的试验方法标准检验。
4.1.3 经过热定捻的纱,定捻温度在40℃及以上者,其单纱断裂强度按规定的指标减少5%交接验收。
4. 1.4 在筒子纱线成包净重量检验中,回潮率遇有电热烘箱与筒子测湿仪不一致时,以电热烘箱测得回潮率为准。
4.1. 5 各类纱线不按生产批验收时,百米重量变异系数应按相应标准规定的绝对值加大0.4评定品等。
4.1.6 烧毛纱线百米重量变异系数应按相应标准规定的绝对值加大0.4评定品等,如不按生产批验收时,百米重量变异系数绝对值应再增加0.4评定品等。
4. 1.7 烧毛纱线重量偏差范围按相应标准规定的绝对值加大0.5评定品等。
4.2 成包净重量的检验以公定回潮率时的重量为准,当实际回潮率超过或不足公定回潮率时,应折算成公定回潮率时的实际重量,其检验数量在2t以下的取2包(箱),2t及以上的取总包(箱)数的5%,最多不超过15包(箱)。
筒子纱线成包净重量每批重量允许偏差为-0.2%以内,绞纱线成包净重量(去除特克斯系列差异对重量的影响后)允许偏差-0.5%,超过允许偏差时,应补偿全部差数。
1、目得通过对外购纱线得检验,有效地监控原材料质量,使其符合公司及客户要求。
2、引言本规程适用于南海太平地毯有限公司外购纱线得检验。
3、检验规则3、1 取样1)取样数量按QB/T2518-2001《地毯用纱》6、2 <组批与抽样> 中规定执行即:用于物理指标及外观质量抽样检验得产品,根据产品批量大小确定样本大小,从批中随机抽取样本单位。
批量在5000kg及以下,取样10大绞或10个筒纱,批量在5000kg以上得取样20大绞或20个筒纱。
2)所抽取样品须注明批号、包号与物料名称等信息。
3、2 试验次数规定1)线密度测20次2)纱线捻度试验40次3)纱线强力:名义强力4500CN及以下试验20次,名义强力在4500CN以上得试验10次。
4)新批物料或有特殊要求需做“纤维定量分析与含油”试验时,规定取两个试样各试验一次(从样品中随机取)。
5)PP纬线热收缩试验20次6)回潮试验批量在1000KG及以下,取8个纱样,批量在1000KG以上得取12个纱样。
7)外观、绞长、绞重、绑线与条干(黑板)抽样数全检。
3、3检验方法3、3、1 外观检验(见《纱线外观与支数检验记录表》);1)白度检验:GB/T 8424、2-2001 纺织品相对白度得仪器评定方法执行(送染部电脑测试);2)色差检验按GB/T 8424、3-2001 纺织品色差计算执行(送染部电脑测试);3)颜色检验按GB/T 8424-2001 纺织品表面颜色得测定通则执行(送染部电脑测试);4)光泽、纱疵、条干、色花与筒子成型检验:采用目测检验;5)绞重/筒重/绞长/绑线:逐绞称重测量。
3、3、2 支数检验(见《纱线外观与支数检验记录表》)按GB/T 4743-1995 纱线线密度得测定执行3、3、3 捻度、捻向、纺纱结构检验(见《纱线捻度、捻向、纺纱结构检验记录表》)按GB/T 2543、1~2543、2--2001 纺织品纱线捻度得测定第一部分:直接计数法执行3、3、4 纱线断裂强力及伸长率得检验(见《纱线断裂强力、断裂伸长率检验记录表》)按GB/T 3916-1997 纺织品单根纱线断裂强力与断裂伸长率得测定执行3、3、5 混纺纱线定量分析(见《纺织品定量分析记录表》)试验方法按GB/T 2910-1997 纺织品二组分纤维混纺产品定量化学分析执行3、3、6 纱线含油率测试试验方法按FZ 20002-91 毛纺织品含油脂率得测定执行3、3、7 回潮率检验(见《纺织品回潮率检验记录表》)试验方法按GB/T 9995-1997 纺织材料含水率与回潮率得测定执行3、3、8 PP纬线热收缩检验(见《纱线受热收缩检验记录表》)3、3、8、1仪器与工具纤维干热收缩测定仪、秒表3、3、8、2试验条件:1)预加张力:<200TEX纱线:11±1CN;>200TEX纱线:21±1CN。
版本/修改状态 A/0 纱线检验作业指导书页 码 第1页 共4页纱线检验作业指导书1、目的规范公司的纱线原料的检验,避免纱线质量影响面料质量生产,以及避免不合格纱线流入到生产。
2、范围适用于公司所有进货的纱线、包括外加工3、工作职责3.1 品控部负责本作业指导书的制定、修改并不断完善。
3.2 纱线检验员负责按照本作业指导书对纱线进行检验并做好记录。
3.3 采购部依据本标准和供应商进行相关的合同签订、谈判和协商等。
4、检验项目4.1线密度和回潮率、单纱强力、捻度和捻缩理化指标、毛纤维细度、条干均匀度5、检验方法5.1准备工作:绞纱5.1.1首先,实验室对送检纱线是否符合送检样品的测试要求直接登记接收。
实验室测试主要按照标准进行测试。
5.1.2绞纱绞纱是纱线测试的第一步,实验室采用绞纱称重法来测算纱线的公支支数:绞纱周长为1m,每绞精梳毛纱为50圈长50m,每绞粗梳毛纱为20圈长20m,每批纱取样后摇20绞。
5.2.密度和回潮率的测定称取每组绞纱的重量和总的湿态重量,然后将纱线放入温度为105℃的烘箱中,烘干时间45-60min左右,取出纱线,立即称取纱线干重。
求得每绞纱的平均干态质量后,按下式计算所测纱线的公制支数:版本/修改状态 A/0纱线检验作业指导书页 码 第2页 共4页标准重量=称见重量*(100+公定回潮率)/(100+实际回潮率)=材料干重*(100+公定 回潮率)/100 公制支数=长度/标准重量回潮率=(烘前总重量-试样干燥总重)/(试样干燥总重)*100% 5.3单纱强力的测定5.3.1打开机器电源,调整上、下夹头之间的距离为500mm.设定500 mm/min 的拉伸速度。
5.3.2.根据纱线特数,按以下规定选定初张力。
棉纺、麻纺、丝和绢纺纱线以及化纤长丝的预张力采用0.5。
0.1/cN tex ±5.3.3取一只待测试样管纱,插入纱架中,并将纱头用左手引出,使之通过仪器上的导纱钩,然后用右手下上拨开上夹持器的夹柄,使钳口张开,左手将纱线通过上夹持器钳口,并使通过钳口的纱线有足够长度,再向下压紧夹柄,使上夹持器夹住纱线。
中华人民共和国国家标准棉及化纤纯纺、混纺纱线外观质量黑板检验法中华人民共和国国家标准棉及化纤纯纺、混纺纱线外观质量黑板检验法DeterminatiOn Of appearance quality of yarns made Ofcotton Or man-made fibres, Or their blends byWinding On'he black boardUDC 677.21.019GB 9996-881 主题内容与适用范围本标准规定了纱线外观质量的检验方法--黑板法。
本标准适用于环锭纺机织针织用的普梳、精梳纯棉纱线;棉与化纤混纺纱线;化纤纯纺纱线以及化纤与化纤混纺纱线的外观质量品级的评定,也适用于气流纺纱线。
本标准不适用于毛纺纱线。
2 术语2.1 纱线外观:用目光直观的方法,观察按规定要求卷绕在黑板上的纱线试样所获得的一项直观效果。
2.2 粗节:纱线的投影宽度(以下称直径)比正常纱线直径粗,其粗的程度能为一般检验人员目力所辩认者。
2.3 细节:纱线的片段直径细,其细的程度能一般检验人员目力所辩认者。
2.4 阴影:由较多直径偏细的纱线,排列在一起,致使板面形成较阴暗的块状。
2.5 严重疵点:2.5.1 严重粗节;直径粗于原纱1至2倍,长5cm及以上的粗节。
2.5.2 严重细节:直径细于原纱0.5倍,长10cm及以上的细节。
2.5.3 竹节:直径粗于原纱2倍及以上,长1.5cm及以上的节疵。
2.6 规律性不匀:2.6.1 一般规律性不匀:纱板条干粗细不匀,并形成规律,占板面1/2及以上。
2.6.2 严重规律性不匀,满板呈规律性不匀,其阴影深度普遍深于一级样照最深的阴影。
2.7 阴阳板:板面上纱线有明显的粗细的分界线。
2.8 棉结;由一根或多根纤维缠结形成的未曾分解的团粒。
2.9 大棉结:比棉纱直径大三倍及以上的棉结。
3 原理在规定的条件下,将纱线卷绕在黑板上,用目光对照相应的标准样照进行评定。
1、目的
通过对外购纱线的检验,有效地监控原材料质量,使其符合公司及客户要求。
2、引言
本规程适用于南海太平地毯有限公司外购纱线的检验。
3、检验规则
3.1 取样
1)取样数量按QB/T2518-2001《地毯用纱》6.2 <组批与抽样> 中规定执行即:用于物理指标及外
观质量抽样检验的产品,根据产品批量大小确定样本大小,从批中随机抽取样本单位。
批量在5000kg及以下,取样10大绞或10个筒纱,批量在5000kg以上的取样20大绞或20个筒纱。
2)所抽取样品须注明批号、包号和物料名称等信息。
3.2 试验次数规定
1)线密度测20次
2)纱线捻度试验40次
3)纱线强力:名义强力4500CN及以下试验20次,名义强力在4500CN以上的
试验10次。
4)新批物料或有特殊要求需做“纤维定量分析和含油”试验时,规定取两个试
样各试验一次(从样品中随机取)。
5)PP纬线热收缩试验20次
6)回潮试验批量在1000KG及以下,取8个纱样,批量在1000KG以上的取12
个纱样。
7)外观、绞长、绞重、绑线和条干(黑板)抽样数全检。
3.3检验方法
3.3.1 外观检验(见《纱线外观与支数检验记录表》);
1)白度检验:GB/T 8424.2-2001 纺织品相对白度的仪器评定方法执行(送染部
电脑测试);
2)色差检验按GB/T 8424.3-2001 纺织品色差计算执行(送染部电脑测试);
3)颜色检验按GB/T 8424-2001 纺织品表面颜色的测定通则执行(送染部电脑
测试);
4)光泽、纱疵、条干、色花和筒子成型检验:采用目测检验;
5)绞重/筒重/绞长/绑线:逐绞称重测量。
3.3.2 支数检验(见《纱线外观与支数检验记录表》)按GB/T 4743-1995 纱线线密度的测定执行
3.3.3 捻度、捻向、纺纱结构检验(见《纱线捻度、捻向、纺纱结构检验记录表》)按GB/T 2543.1~2543.2--2001 纺织品纱线捻度的测定第一部分:直接计数法执行
3.3.4 纱线断裂强力及伸长率的检验(见《纱线断裂强力、断裂伸长率检验记录表》)按GB/T 3916-1997 纺织品单根纱线断裂强力和断裂伸长率的测定执行
3.3.5 混纺纱线定量分析(见《纺织品定量分析记录表》)
试验方法按GB/T 2910-1997 纺织品二组分纤维混纺产品定量化学分析执行
3.3.6 纱线含油率测试
试验方法按FZ 20002-91 毛纺织品含油脂率的测定执行
3.3.7 回潮率检验(见《纺织品回潮率检验记录表》)
试验方法按GB/T 9995-1997 纺织材料含水率和回潮率的测定执行
3.3.8 PP纬线热收缩检验(见《纱线受热收缩检验记录表》)
3.3.8.1仪器和工具纤维干热收缩测定仪、秒表
3.3.8.2试验条件:
1)预加张力:<200TEX纱线:11±1CN;>200TEX纱线:21±1CN。
2)热处理温度:130℃±2℃
3)热处理时间:5min ;热处理后冷却平衡时间:2min
3.3.8.3 试验步骤
1)开启电源,使加热槽达到规定温度。
2)将试样夹入夹持器夹紧,下挂规定的预加张力夹,使试样处于绷直状态。
3)将挂好的试样推入加热槽内处理,当测试时间达到规定时,取出纱线,在室温条件让纱线自然冷
却2min后,记录纱线伸长(收缩)百分率L1。
(注:纱线收缩百分率用负数表示)
4)试验结果计算(结果保留2位小数)
4、判定和复检规则
1)产品质量按原材料收货规格进行判定。
2)外观检验项目中,有一项不合格时,允许从该批产品中加倍抽样复检,全部复检合格时,则判定
该批产品质量合格,如有一绞或一个筒子不合格则判定该批产品质量不合格。
3)内在质量检验项目以抽取全部样品的检验平均值,作为检验结果,如有一项不合格时,允许从该
批产品中加倍抽样复检,全部复检合格时,判定该批合格,否则判定该批产品内在质量不合格。
5、记录
如有侵权请联系告知删除,感谢你们的配合!。