2014电力拖动实验指导书(数字)
- 格式:docx
- 大小:217.81 KB
- 文档页数:13
电力拖动自动控制系统实验指导书实验一晶闸管直流调速系统环节特性的测定实验一、实验目的掌握晶闸管直流调速系统环节特性的测定方法二、实验内容1、测定晶闸管触发电路及整流装置特性Ud=f(Ug)或Ud=f(Uct);2、测定测速发电机特性U TG=f(n);四、实验原理及接线图实验接线原理图1、测定出晶闸管整流电路输出电压Ud、移相控制电压Uct,便可得到晶闸管触发及整流特性Ud=f(Ug)或Ud=f(Uct);2、测定出测速发电机的输出U TG,电动机的转速n,即可得到测速发电机特性U TG=f(n);3、由Ud=f(Ug)或Ud=f(Uct)曲线可求得晶闸管整流装置的放大倍数曲线Ks=f(Ug),求Ks可用公式Ks =UgUd∆∆求得。
五、实验方法与步骤将电动机加额定励磁,使其空载运行,逐渐增加控制电压Ug(Uct),分别读取对应的Ug 、U TG 、Ud 、n 的数值若干组,即可描绘出特性曲线Ud =f (Ug )及U TG =f (n ),由Ud =f (Ug )或Ud =f (Uct )曲线可求得晶闸管整流装置的放大倍数曲线Ks =f(Ug),求Ks 可用公式Ks =UgUd∆∆求得。
六、数据记录与处理将数据记录于下表,并绘出Ud =f (Ug )、U TG =f (n )、Ks =f(Ug)三条曲线;七、注意事项1、给定单元的RP1从最小值处调起,每次停机前将RP1调回到最小值;2、由于电动机电枢回路、励磁回路未串接电阻,不要接短路;3、因U TG 、Ug(Uct)的数值较小,用万用表的直流电压10V 或50V 档测量。
4、由于实验时装置处于开环状态,电流和电压可能有波动,可取平均读数。
八、思考题比较三条曲线,各曲线有什么特点,为什么?实验二 晶闸管直流调速系统主要单元的测试一、实验目的熟悉直流调速系统主要单元部件的工作原理及调速系统对其提出的要求,学会按要求调试各单元 二、实验内容1、速度调节器的调试;2、电流调节器的调试;3、“零电平检测”及“转矩极性鉴别”单元的调试; 4 、反号器的调试;5、逻辑控制单元的调试; 三、实验所需挂件及附件四、实验原理及接线图在直流调速系统中,往往采用闭环控制,需要对电流、转速等信号进行反馈,以便稳速和限流,需要用到速度调节器和电流调节器,在可逆调速系统中,在电动机改变转向时,要对电枢电流、转矩极性进行鉴别,通过逻辑控制电路控制正、反桥电路的切换,以防止正、反桥同时工作,避免正、反桥之间出现环流,损坏电源,故要将“零电平检测”、“转矩极性鉴别”、“反号器”、“逻辑控制单元”状态调节好。
课题一低压电器、交流接触器、继电器的的识别、检测与拆装一、实训地点维修电工实训室二、实训目的熟悉常用低压电器的外形、基本结构、作用,并能进行正确拆卸、组装及检修。
熟悉常用低压电器的外形、基本结构、作用,并能进行正确拆卸、组装及检修。
三、实训设备器材低压开关、熔断器、主令电器、交流接触器、继电器四、实训步骤及内容1、实验过程:(1)、在教师指导下,仔细观察各种不同种类、不同结构形式的电器,熟悉它们的外形、型号及主要技术参数的意义、功能、结构及工作原理等。
(2)、检测元件的内部结构,用万用表的电阻档测量各对触头间的接触情况。
(3)、在老师的指导下,拆卸各元件,仔细观察其内部结构。
(4)、按拆卸的逆顺序进行装配。
2、实验要求:(1)、拆卸时应备有盛放零件的容器,以免丢失零件。
(2)、拆装过程中不允许硬撬元件,以免损坏电器。
装配辅助静触头时,要防止卡住动触头。
五、实训注意事项(1)、在实验过程中,各组人员应不得随意窜组,不得高声喧哗。
(2)、严格遵守作息时间,不得迟到、早退。
(3)、在元件拆装过程中,正确使用工具,以免他人或自己受伤。
课题二具有过载保护的接触器自锁正转控制线路的安装一、实训地点维修电工实训室二、实训目的掌握具有过载保护的接触器自锁正转控制线路的正确安装,理解线路的自锁作用以及欠压和失压保护功能。
三、实训设备器材断路器、熔断器、交流接触器、热继电器、按钮四、实训步骤及内容1、实训过程:电路图:步骤:(1)安装元件按布置图在控制板安装上元器件。
(2)布线按接线图的走线方法进行布线。
(3)检查布线根据上图所示电路图检查控制板布线的正确性。
(4)连接先连接电动机和保护接地线,然后连接电源、电动机等控制板外部的导线。
(5)自检用万用表的电阻档进行检查。
(6)通电试车2、实训要求:(1)、各元件的安装位置应整齐、均匀、间距合理,便于元件的更换。
(2)、布线通道应尽可能少,同路并行导线按主、控电路分类集中。
实验一直流发电机的工作特性一实验目的1观察并励直流发电机的自励过程及自励条件。
2测定并励及他励直流发电机运行的负载外特性曲线。
3观察直流发电机的剩磁(无励磁)发电。
二预习要点1什么是发电机的运行外特性?如何测定?2并励直流发电机不能自励发电时该如何处理?3如何保持直流发电机的转速不变?4直流发电机的他励运行与并励运行差异何在?为什么?5认真阅读附录部分关于实验台的使用说明。
三实验设备1 原动机为直流电动机M03一台:U N 220V,I N 1.1A, P N 185W,n N 1600rpm2 直流发电机为M01一台:U N 200V,I N 0.5A, P N 100W,n N 1600rpm3 直流电流表2台(2A)4 直流电压表一台5 N MEL-03可变电阻箱及转速表(MEL-09)各一台6 直流励磁电源、可调直流电源各一台四实验项目1 并励发电机A 实验线路图1-1 并励发电机(1)可调直流源经电枢电流测量表A1向直流电动机M03的电枢供电(V0内接)。
(2)直流励磁电源经励磁电流测量表A2向直流电机的励磁线圈F1,F2供电。
(4)直流发电机的励磁线圈F1,F2并联到发电机的电枢端。
(5)R L总阻值0~1350Ω可调。
接线要求:必须保证在操作过程中带电导线的金属部分不裸露在外。
完成接线后,检查各旋钮的初始位置:可调直流电源输出最小(调节旋钮逆时针旋到底),而R L在最大位置(3个调节旋钮都逆时针旋到底);直流励磁电源开关置“0N”,可调直流电源开关置“0N”;必须经指导教师检查认可,才能通电。
B 实验系统的启动及调试(1)接通总电源后,先检查直流电动机的励磁电流测量表A2,必须要有100mA左右的电流指示,才能按复位键启动电机,否则禁止启动电动机,直到励磁电流正常。
(2)调节“可调直流稳压电源”输出电压,渐升电动机转速,发电机端的电压表和电流表应有逐渐增大的读数,则表明发电成功,可将电动机升速到1600rpm。
前言根据《中华人民共和国劳动法》的明确规定,国家对规定的职业制定了相应的职业技能标准,实行职业资格证书制度,由经过政府批准的考核鉴定机构负责对劳动者实施职业技能鉴定。
经劳动部与有关行业部门协商,首批确定了50个工种实施国家职业技能鉴定。
职业技能鉴定是提高劳动者素质,增强劳动者就业能力的有效措施,进行考核鉴定,并通过职业资格证书制度予以确认,为企业合理使用劳动者以及劳动者自主择业提供了依据和凭证。
同时,竞争上岗,以贡献定报酬的新型的劳动、分配制度,也必将成为千千万万劳动者努力提高职业技能的动力。
实施职业技能鉴定,教材建设是重要的一环。
为适应职业技能鉴定的迫切需要,推动职业培训教学改革,提高培训质量,统一坚定水平,根据我校实际实习的状况,我校电子部组织有关电子电工科组的相关专业教师编写了这本《电力拖动控制线路实习指导书》。
这本实习指导书以《电力拖动控制线路》教学大纲为基本依据,配合理论课程的教学进度,主要是对电力拖动的基本控制线路进行实习。
本实习指导书主要有三部分组成:第一部分:实习的主要要求;第二部分:实习课题;第三部分:基本电力拖动元器件符号。
编写《电力拖动控制线路实习指导书》有一定的难度,由于编写时间仓促,加上编者的经验缺乏,不足之处在所难免,恳请欢迎各使用单位和个人提出宝贵意见和建议。
主编: 朱莹辉黄钜茂目录(一)实习总体要求 (3)(二)实验课题 (5)课题一: 低压电器的了解 (5)课题二:点动控制电路的安装 (6)课题三: 具有过载保护的接触器自锁控制电路的安装 (8)课题四: 双重联锁的正反转控制电路的安装 (11)课题五: 顺序控制线路的安装 (14)课题六: Y-△降压启动控制电路的安装 (16)课题七:电动机往返控制电路的安装 (18)课题八:CA6140车床线路故障检修 (21)(三)附表:(常用的电器符号) (24)(一)实习总体要求一、目的要求:1、了解常用的低压电器,灵活运用电工工具;2、学会初、中级电拖控制电路的接线方法,进一步掌握电路的工作原理;3、初步了解控制电路的检修方法。
第二章《电力拖动控制线路与技能训练》实训指导书前言电力拖动实训是《电力拖动控制线路与技能训练》课程的教学进程中对学生进行感性认识和基本技能训练的实践性教学环节,是课程的重要组成部分,目的在于通过实训教学,使学生能将感性认识与课堂上学到的理论知识有机地结合起来,进一步巩固和加深对理论知识的理解,增强动手能力,在实训过程中强调实用性和针对性、培养实事求是的工作作风、训练综合运用知识的本领、提高解决实际问题的能力。
在实训的过程中,对学生进行职业素质训导,树立学生的安全与质量意识,进一步培养学生的敬业、务实、奉献、协作和创新精神。
实训措施:通过统一着装、考勤,安全教育和分配任务等形式,仿真职业环境,使学生不断感受现代企业对员工的基本要求,培养敬业精神;通过高强度的电工技能训练,培养学生吃苦耐劳,不畏困难的奉献精神;通过在电气线路连接和调试中严格执行工艺纪律,培养学生的安全与质量意识和严谨细致的务实精神;通过实训项目的分工与合作,培养学生的团结协作精神;通过综合性、设计型的实训项目,培养学生刻苦钻研,勇攀科学高峰的创新精神。
同时通过实训进一步对常用电器的结构、原理、型号、规格加深理解;熟练地掌握一般的继电接触器控制线路的基本环节;熟悉典型电气控制系统的组成。
为从事电气控制系统的安装、运行、调试、维修与管理打下良好的基础。
技能实训对中等职业技术学校的老师和学生都是非常重要的教育环节,是学生成才的关键,老师和学生都必须充分重视并保证质量的完成。
实训要求:1、配合课堂教学内容,验证、巩固、加深理解所学知识。
2、进行实训技能的基本训练,会正确运用低压电器,能对照线路图进行实际接线,正确完成各项控制功能。
3、对实验与实训中所需的仪器设备及元器件型号、规格、数量进行检查,初步判定是否损坏。
4、线路装接应遵循“先主后控,先串后并;从上到下,从左到右;上进下出,左进右出。
”的原则进行接线。
按规定的接线图进行接线,接线点应牢固,不能松动。
实验一他励直流电动机工作特性测定一.实验目的1.掌握用实验方法测取直流他励电动机的工作特性和机械特性。
二.预习要点1.什么是直流电动机的工作特性和机械特性?三.实验项目1.工作特性和机械特性保持U=U N和I f=I fN不变,测取n、T2、n=f(I a)及n=f(T2)。
四.实验设备及仪器1.教学实验台的主控制屏2.电机导轨及涡流测功机、转矩转速测量(NMEL-13A)3.可调电阻箱(NMEL-03/4)4.直流电动机电枢电源(NMEL-18/1)5.直流电动机励磁电源(NMEL-18/2)6.同步发电机励磁电源/直流发电机励磁电源(NMEL-18/3)7.直流电压、毫安、安培表8.旋转指示灯及开关板(NMEL-05)9.直流并励电动机M03五.实验方法1.他励电动机的工作特性和机械特性。
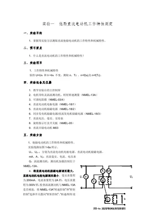
实验线路如图1-6a所示。
U1、U2、:分别为直流电动机电枢电源、直流电动机励磁电源。
mA、A、V2:直流毫安、电流、电压表G:涡流测功机,测功机加载控制位于NMEL-13A。
a.将直流电动机励磁电源调至最大,直流电动机电枢电源调至最小。
毫安表量程为200mA,电流表量程为2A档,电压表量程为300V档,检查涡流测功机与NMEL-13A是否相连,将NMEL-13A“转速控制”和“转矩控制”选择开关拨向“转矩控制”,”转速/转矩设定”电位器逆时针旋到底,打开船形开关,起动直流电源,使电机旋转,并调整电机的旋转方向,使电机正转。
b .直流电机正常起动后,调节直流电动机电枢电源的输出至220V ,再分别调节直流电动机励磁电源和“转速/转矩设定”电位器,使电动机达到额定值:U=U N =220V ,Ia=I N ,n=n N =1600r/min ,此时直流电机的励磁电流I f =I fN (额定励磁电流)。
c .保持U=U N ,I f =I fN 不变的条件下,逐次减小电动机的负载,即逆时针调节”转速/转矩设定”电位器,测取电动机电枢电流I a 、转速n 和转矩T 2,共取数据7-8组填入表1-1中。
《电力拖动自动控制系统实验》实验指导书实验一单闭环不可逆直流调速系统实验一、实验目的1、了解速度单闭环直流调速系统的组成和工作原理。
2、弄清P调节器和PI调节器的作用。
3、认识速度反馈控制系统的基本特性。
二、实验设备1、DJK01 电源控制屏2、DJK02 晶闸管主电路3、DJK02-1 三相晶闸管触发电路4、DJK04 电机调速控制实验Ⅰ5、DJK08可调电阻、电容箱6、DD03-3 电机导轨、光码盘测速系统及数显转速表7、DJ13-1直流发电机8、DJ15直流并励电动机9、D42三相可调电阻10、双综慢扫描示波器11、万用表三、实验系统组成及原理为提高直流调速系统的动静态性能指标,通常采用闭环控制系统(包括单闭环系统和多闭环系统)。
对调速指标要求不高的场合,采用单闭环系统,而对调速指标较高的则采用多闭环系统。
在本装置中,转速单闭环实验是将反映转速变化的电压信号作为反馈信号,经“转速变换”后接到“速度调节器”的输入端,与“给定”的电压相比较经放大后,得到移相控制电压U ct,用作控制整流桥的“触发电路”,触发脉冲经功放后加到晶闸管的门极和阴极之间,以改变“三相全控整流”的输出电压,这就构成了速度负反馈闭环系统。
四、实验内容1、U ct不变时直流电动机开环特性的测定。
2、速度调节器为P调节器时,测定转速反馈单闭环直流调速系统的机械特性。
3、速度调节器为PI调节器时,测定转速反馈单闭环直流调速系统的机械特性。
五、预习要求1、复习自动控制系统教材中有关晶闸管直流调速系统、闭环反馈控制系统的内容。
2、掌握调节器的基本工作原理。
六、实验线路、方法和步骤1、速度反馈单闭环直流调速系统实验电路图2、U ct 不变时直流电动机开环特性的测定1)DJK02-1上的移相控制电压U ct 由DJK04上的给定输出U g 直接接入,直流发电机接负载电阻R ,L d 用DJK02上200mH ,将给定的输出调到零。
2)先闭合励磁电源开关,按下DJK01“电源控制屏”启动按钮,使主电路输出三相交流电源,然后从零开始逐渐增加“给定”电压U g ,使电动机慢慢启动并使转速n 达到1000rpm 。
目录目录- 2 -前言- 3 -实验一单相变压器实验- 4 -实验二三相异步电动机的使用- 10 -实验三异步电动机的继电—接触控制- 16 -实验四三相异步电动机Y—Δ起动控制- 22 -前言一、电力拖动实验目的1、提高学生的动手实践能力、分析问题和解决问题的能力。
2、通过实验,使学生进一步巩固和加深对所学理论知识的理解和掌握,提高学生的综合能力。
3、培养学生的实践能力,使学生掌握正确的实验方法,锻炼学生的实际操作能力以及常规电机的正确使用方法,学会利用所学理论对实验数据进行合理分析并得出正确结论。
二、预习和小结实验前必须认真预习,阅读与本次实验有关的电工知识和实验教材,明确实验目的、实验内容,弄懂实验原理,搞清实验方法和步骤,明确实验中应观察的现象、测量的物理量、测量的方法,准备好相应的表格。
实验中由于某些不慎,可能导致设备损坏,甚至人身事故,因此预习时必须注意教材中所特别提醒的注意事项。
实验完毕应及时小结,检查测量数据有无遗漏,对数据进行处理,分析观察到的现象,讨论实验结果是否合理。
若未达到实验预期目的,误差甚大时,应找出原因,及时重做。
回答实验教材中要求回答的问题,写好实验报告。
三、实验操作1、对所用的仪器设备要了解它们的性能和使用方法,特别是弄清有关的技术参数和注意事项,以确保正确使用和操作安全。
2、接线应根据实验线路图适当安排好仪器、仪表及设备的位置,一般应以便于读取数据、便于操作、便于接线为原则。
接线应选择合适的导线和保险丝,每个接线柱上导线最好不要超过两根。
3、接线完毕,必须认真检查线路是否正确。
经教师检查后,方可合闸通电。
4、操作时应站在绝缘垫上,要单手操作,不要用手触及带电的金属部分,避免长发、衣物被转动部分卷挂。
5、操作时,若感到手麻木,有异常声音、焦糊气味等现象,应立即切断电源,报告指导教师。
6、每次改换线路或更换仪表量程之前,必须先切断电源。
7、实验完毕,应先切断电源。
第一章实验设备及安全操作规程介绍1-1实验装置介绍(一)实验电源管理器操作说明定时器与报警记录仪是为帮助老师更好的管理学生,便于教学而设置的。
老师可以设定定时时间,到定时时间能自动断开电源,保证考核时间的正确性,又可累计操作过程中误操作并会报警提示,并记录下误操作次数,以考察学生的实验质量。
另外还设置了密码上电功能,限止学生私自上电操作,面板还有一个标准时间显示,老师可以随意调整该时间,该时间当装置失电也不会遗失。
报警器的功能有电路漏电报警、高压电源过载报警、定时报警三部分,记录显示的次数即以上三项报警次数的累加。
(二)交流及直流电源操作说明1. 开启三相交流电源的步骤为:1、开启电源前。
要检查控制屏下面“直流电机电源”的“电枢电源”开关(右下方)及“励磁电源”开关(左下方)都须在关断的位置。
控制屏左侧端面上安装的调压器旋钮必须在零位,即必须将它向逆时针方向旋转到底。
2、检查无误后开启“电源总开关”,“停止”按钮指示灯亮,表示实验装置的进线接到电源,但还不能输出电压。
此时在电源输出端进行实验电路接线操作是安全的。
3、按下“启动”按钮,“启动”按钮指示灯亮,表示三相交流调压电源输出插孔U、V、W及N上已接电。
实验电路所需的不同大小的交流电压,都可适当旋转调压器旋钮用导线从三相四线制插孔中取得。
输出线电压为0~450V(可调)并由控制屏上方的三只交流电压表指示。
当电压表下面左边的“指示切换”开关拨向“三相电网电压”时,它指示三相电网进线的相电压;当“指示切换”开关拨向“三相调压电压”时,它指示三相四线制插孔U、V、W和N的输出端的相电压。
4、实验中如果需要改接线路,必须按下“停止”按钮以切断交流电源,保证实验操作安全。
实验完毕,还需关断“电源总开关”,并将控制屏左侧端面上安装的调压器旋钮调回到零位。
将“直流机电源”的“电枢电源”开关及“励磁电源”开关拨回到关断位置。
2. 开启直流电机电源的操作:1、直流电源是由交流电源变换而来,开启“直流电机电源”必须先完成开启交流电源,须开启“电源总开关”并按下“启动”按钮。
2 认识实验一、实验目的1、学习电机实验的基本要求与安全操作注意事项。
2、认识在直流电机实验中所用的电机、仪表、变阻器等组件及使用方法。
3、熟悉他励电动机(即并励电动机按他励方式)的接线、起动、改变电机转向与调速的方法。
二、预习要点1、如何正确选择使用仪器仪表。
特别是电压表电流表的量程。
2、直流电动机起动时,为什么在电枢回路中需要串接起动变阻器? 不串接会产生什么严重后果?3、直流电动机起动时,励磁回路串接的磁场变阻器应调至什么位置? 为什么? 若励磁回路断开造成失磁时,会产生什么严重后果?4、直流电动机调速及改变转向的方法。
三、实验项目1、了解DD01电源控制屏中的电枢电源、励磁电源、校正过的直流电机、变阻器、多量程直流电压表、电流表及直流电动机的使用方法。
2、用伏安法测直流电动机和直流发电机的电枢绕组的冷态电阻。
3、直流他励电动机的起动、调速及改变转向。
四、实验设备及控制屏上挂件排列顺序12、控制屏上挂件排列顺序D31、D42、D41、D51、D31、D44五、实验说明及操作步骤1、由实验指导人员介绍DDSZ -1型电机及电气技术实验装置各面板布置及使用方法,讲解电机实验的基本要求,安全操作和注意事项。
2、用伏安法测电枢的直流电阻图2-1 测电枢绕组直流电阻接线图(1)按图2-1接线,电阻R 用D44上1800Ω和180Ω串联共1980Ω阻值并调至最大。
A 表选用D31直流、毫安、安培表,量程选用5A 档。
开关S 选用D51挂箱。
(2)经检查无误后接通电枢电源,并调至220V 。
调节R 使电枢电流达到0.2A (如果电流太大,可能由于剩磁的作用使电机旋转,测量无法进行;如果此时电流太小,可能由于接触电阻产生较大的误差),迅速测取电机电枢两端电压U 和电流I 。
将电机分别旋转三分之一和三分之二周,同样测取U 、I 三组数据列于表2-1中。
(3)增大R 使电流分别达到0.15A 和0.1A ,用同样方法测取六组数据列于表2-1中。
第二章《电力拖动控制线路与技能训练》实训指导书前言电力拖动实训是《电力拖动控制线路与技能训练》课程的教学进程中对学生进行感性认识和基本技能训练的实践性教学环节.是课程的重要组成部分.目的在于通过实训教学.使学生能将感性认识与课堂上学到的理论知识有机地结合起来.进一步巩固和加深对理论知识的理解.增强动手能力 .在实训过程中强调实用性和针对性、培养实事求是的工作作风、训练综合运用知识的本领、提高解决实际问题的能力。
在实训的过程中.对学生进行职业素质训导.树立学生的安全与质量意识.进一步培养学生的敬业、务实、奉献、协作和创新精神。
实训措施:通过统一着装、考勤.安全教育和分配任务等形式.仿真职业环境.使学生不断感受现代企业对员工的基本要求.培养敬业精神;通过高强度的电工技能训练.培养学生吃苦耐劳.不畏困难的奉献精神;通过在电气线路连接和调试中严格执行工艺纪律.培养学生的安全与质量意识和严谨细致的务实精神;通过实训项目的分工与合作.培养学生的团结协作精神;通过综合性、设计型的实训项目.培养学生刻苦钻研.勇攀科学高峰的创新精神。
同时通过实训进一步对常用电器的结构、原理、型号、规格加深理解;熟练地掌握一般的继电接触器控制线路的基本环节;熟悉典型电气控制系统的组成。
为从事电气控制系统的安装、运行、调试、维修与管理打下良好的基础。
技能实训对中等职业技术学校的老师和学生都是非常重要的教育环节.是学生成才的关键.老师和学生都必须充分重视并保证质量的完成。
实训要求:1、配合课堂教学内容.验证、巩固、加深理解所学知识。
2、进行实训技能的基本训练.会正确运用低压电器.能对照线路图进行实际接线.正确完成各项控制功能。
3、对实验与实训中所需的仪器设备及元器件型号、规格、数量进行检查.初步判定是否损坏。
4、线路装接应遵循“先主后控.先串后并;从上到下.从左到右;上进下出.左进右出。
”的原则进行接线。
按规定的接线图进行接线.接线点应牢固.不能松动。
电力拖动实验指导书2012年电机拖动实验的基本要求电机拖动实验课的目的在于培养学生掌握基本的实验方法与操作技能。
培养学生学会根据实验目的、实验内容及实验设备拟定实验线路,选择所需仪表,确定实验步骤,测取所需数据,进行分析研究,得出必要结论,从而完成实验报告。
在整个实验过程中,必须集中精力,及时认真做好实验。
现按实验过程提出下列基本要求。
1、实验前的准备实验前应复习教科书有关章节,认真研读实验指导书,了解实验目的、项目、方法与步骤,明确实验过程中应注意的问题,并按照实验项目准备记录表格等。
实验前应写好预习报告,经指导教师检查认为确实做好了实验前的准备,方可开始做实验。
认真作好实验前的准备工作,对于培养同学独立工作能力,提高实验质量和保护实验设备都是很重要的。
2、实验的进行(1)建立小组,合理分工每次实验都以小组为单位进行,推选组长一人,组长负责组织实验的进行,实验进行中的接线、调节负载、保持电压或电流、记录数据等工作每人应有明确的分工,以保证实验操作协调,记录数据准确可靠。
(2)选择组件和仪表实验前先熟悉该次实验所用电机和组件,记录电机及所用设备的铭牌和选择仪表量程,然后依次排列组件和仪表,以便于测取数据。
(3)接图接线,力求简明根据实验线路图及所选组件、仪表,按图接线,线路力求简单明了,接线原则是先接串联主回路,再接并联支路。
就是说,由电源开关后开始,连接主要的串联电路(如电枢回路)。
如系三相,则三根线一齐往下接;如系单相或直流,则从一极出发,经过主要线路之各段仪表、设备,最后返回到另一极。
为查找线路方便,每路可用相同颜色的导线或插头。
(4)起动电机,观察仪表在正式实验开始之前,校准各仪表零位,熟悉仪表刻度,并记下倍率,然后按一定规范起动电机,观察所有仪表是否正常(如指针正、反向,是否超满量程等)。
如果出现异常,应立即切断电源,并排除故障;如果一切正常,即可正式开始实验。
(5)按照计划,测取数据预习时对试验内容及所测数据的大小做到心中有数。
目录实验一三相异步电动机点动与自锁控制 (2)实验二三相异步电动机正反转的控制线路 (4)实验三三相异步电动机自动顺序启动控制线路 (6)实验四三相鼠笼式异步电动机降压启动的控制线路 (8)实验五三相线绕式异步电动机手动控制 (10)实验六三相异步电动机能耗制动 (12)实验七双速电动机自动变速控制电路 (14)实验八三相异步电动机的两地控制 (17)实验九工作台往返循环控制 (19)实验十C620车床的电气控制 (21)实验十一电动葫芦的电气控制 (23)实验十二铣床的电气控制 (25)实验一 三相异步电动机点动与自锁控制一.概述三相笼式异步电机由于结构简单、性价比高、维修方便等优点获得了广泛的应用。
在工农业生产中,经常采用继电器接触控制系统对中小功率笼式异步电机进行单向控制,其控制线路大部分由继电器、接触器、按钮等有触头电器组成。
图1-1是三相异步电动机点动与自锁控制线路。
起动时,合上漏电保护断路器和空气开关QF ,引入三相电源。
按下起动按钮SB3时,接触器KM1的线圈通电,主触头KM1闭合,电动机接通电源起动。
当手松开按钮时,接触器KM1断电释放,主触头KM1断开,电动机电源被切断而停止运转。
当按下起动按钮SB2时,接触器KM1的线圈通电,主触头闭合,电动机接通电源起动。
同时与SB3相连的接触器辅助常开触点KM1闭合并形成自锁。
当手松开按钮时,由于辅助触点KM1闭合并自锁,所以电动机一直运转。
要使电机停止运转,按下开关SB1即可。
KM1FR1LL3L2L1SB2N KM1SB3SB1QF FU2FU2图1-1二.实验目的1.熟悉三相鼠笼异步电动机点动和自锁控制线路中各元器件的使用方法及其在线路中所起的作用。
2.掌握三相鼠笼异步电动机点动和自锁控制线路的工作原理、接线方法、调试及故障排除技能。
三.实验设备1.三相可调交流电源;3.M04型异步电动机。
四.实验步骤1.检查各实验设备外观及质量是否良好。
目录绪论 (2)电机实验的基本知识 (2)实验一:直流电动机的起动及机械特性的测定 (6)实验二:直流电动机的调速与反转 (10)实验三:直流电动机的制动 (14)实验四:单相变压器实验 (17)实验五:三相异步电动机实验 (20)实验六:三相异步电动机的起动于反转实验 (24)实验七:三相异步电动机的调速实验 (28)实验八:三相异步电动机的制动实验 (31)绪论本讲义是根据我校专科“电机原理及应用”教学大纲中有关实验部分编写的,我们共编写了是九个实验,各专业根据需要选做其中的实验。
电机实验的基本知识电机实验是“电机原理及应用”课程的一个重要教学环节,其目的在于通过实验验证理论,巩固理论,培养学生分析问题,解决问题的能力,并掌握电机实验的操作技能。
通过电机实验,学生必须掌握直流电机、变压器和异步电机的电路接线,及其基本试验方法和操作技能。
此外通过电机实验进一步熟悉常规电工仪表的使用,提高组织实验,分析处理数据,编写实验报告的能力。
一、实验方法和要求1、仪表的使用电工仪表均较为精密,应轻拿、轻放、正确使用。
常规仪表中,安培计用于测量电路的电流,仪表内阻很小,应串联在电路中,伏特表用于测量电路的电压,仪表内阻较大,应与电路并联,瓦特计用于测量电路内的功率,其电流线圈相当于电流表应串联于电路中,电压线圈相当于电压表应与电路并联,如果伏特计和安培计是直流的。
还应注意“+”,“—”端的联接。
仪表量程的选择极为重要,量程选择过大,读取数据误差较大量程选择过小,易损坏仪表。
例如:交流电源电压为220伏,而交流电压表的量程有三档。
(1)600伏;(2)300伏;(3)150伏则选用量程应为300伏最适宜。
2、电路接法:(1)首先应明确实验目的,熟悉实验线路图和仪表、设备。
(2)正确选择仪表及仪表量程。
合理安排设备,仪表,便于操作及读取数据。
(3)接线原则:先串后并,先主后辅。
即先接串联电路。
(4)导线的粗细应根据线路电流大小来选择。
实验一单闭环数字PID直流调速系统一、实验目的1、了解数字调节器原理及应用。
2、学习数字调节器的操作及参数设置。
3、利用数字调节器设计闭环系统。
二、实验线路及原理为了提高直流调速系统的动静态性能指标,可以采用闭环系统。
图1-1所示的是速度单闭环直流调速系统原理图。
在转速反馈的单闭环直流调速系统中,将反映转速变化情况的测速发电机的电压信号经过速度变换器后接至数字调节器的输入端,与速度给定相比较,数字调节器的输出用来控制整流桥的触发装置,从而构成速度反馈系统。
-220V三、实验内容1、交直流调速实验台的调试;2、基本控制单元调试;3、移相控制电压Uct不变时的直流电动机开环特性的测定;4、转速反馈的单闭环直流调速系统;四、实验设备1、交直流调速实验台2、J PDL04实验箱3、J PDL05实验箱4、J PDL08实验箱5、J PDJ32直流电动机6、J PDJ34直流发电机7、J PDJ37实验箱8、J PDJ47-1电机导轨、测速编码器9、示波器、万用表五、注意事项1、系统开环运行时,不能突加给定电压而起动电机,应逐渐增加给定电压,避免电流冲击;2、通电实验时,可先用电阻作为整流桥的负载,待电路正常后,再换接电动机负载;3、在连接反馈信号时,给定信号的极性必须与反馈信号的极性相反。
4、在进行直流电机联线时一定要注意先给电动机的励磁加上直流电源,然后再给电枢逐渐加上电源,以免造成“飞车”。
六、实验步骤1、直流电机开环外特性的测定⑴按图1-2主电路接线(注意给电动机和发电机加励磁电压) ,将JPDJ37上的滑动变阻器全部左旋到最大,将JPDL08挂箱上的偏移电压调节旋钮Rp左旋到底。
检查无误后打开实验台左侧总电源开关(现在切勿按下启动按钮) ,打开电压表、电流表电源开关,观察各指示灯与电压表指示是否正常。
图1-2王电路图(2) 电源控制屏交流电源输出切换到“直流调速”。
JPDL08 “触发电路脉冲指示”应显示“宽脉冲”。
2013~2014学年第一学期电机与拖动基础课程设计任务书姓名学院专业班级学号指导教师武汉交通职业学院机电工程学院制参考格式:1.电动机概述1.1旋转磁场定子三相对称绕组中通以频率为f1的三相对称电流便会产生旋转磁场。
改变电流相序,旋转磁场的转向随之改变1.2异步电动机结构三相异步电动机主要由定子、转子、气隙三部分组成1.3异步电动机工作原理:转子绕组切割旋转磁场产生感应电势,并在短路的转子绕组中形成转子电流,转子电流与旋转磁场相互作用产生电磁力,形成转动力矩,使转子随旋转磁场以转速n转动并带动机械负载。
1.4定子:定子铁芯:导磁和嵌放定子三相绕组:0.5mm硅钢片冲制涂漆叠压而成;内圆均匀开槽;槽形有半闭口;半开口和开口槽三种:适用于不同的电机定子绕组:电路;绝缘导线绕制线圈;由若干线圈按一定规律连接成三相对称绕组交流电机的定子绕组称为电枢绕组机座:支撑和固定作用;铸铁或钢板焊接1.5转子 :转子铁芯:导磁和嵌放转子绕组;0.5mm硅钢片;外圆开槽转子绕组:分为笼型和绕线型两种笼型绕组:电路;铸铝或铜条优缺点绕线型绕组:对称三相绕组:星接;集电环优缺点气隙:气隙大小的影响:中小型电机的气隙为0.2mm~2mm2.电动机的启动指标2.1启动电流2.2启动转矩3.启动过程3.1串联起动电阻起动3.2逐级切除起动电阻4.起动设计及起动电阻计算4.1选择起动转矩T s1和切换转矩T s24.2求出起动转矩比β4.3求出起动级数m4.4重新计算β,校验T s2,是否在规定范围内。
4.5求出转子每相绕组的电阻R24.6计算各级总电阻4.7计算出各级起动电阻5 .控制电路设计5.1设计主回路及控制回路原理图,并作控制流程分析5.2控制电器的选型依据6.结论绕线式三相异步电动机转子回路串接电阻,一方面可以减小起动电流,另一方面可以增加最初起动转矩,当串入某一合适电阻时,还能使电动机以它的最大转矩T起动。
当然,所串联的电阻超过一定数值后,最初起动转矩反而会减小。
实验一单闭环数字PID直流调速系统一、实验目的1、了解数字调节器原理及应用。
2、学习数字调节器的操作及参数设置。
3、利用数字调节器设计闭环系统。
二、实验线路及原理为了提高直流调速系统的动静态性能指标,可以采用闭环系统。
图1-1所示的是速度单闭环直流调速系统原理图。
在转速反馈的单闭环直流调速系统中,将反映转速变化情况的测速发电机的电压信号经过速度变换器后接至数字调节器的输入端,与速度给定相比较,数字调节器的输出用来控制整流桥的触发装置,从而构成速度反馈系统。
-220V三、实验内容1、交直流调速实验台的调试;2、基本控制单元调试;3、移相控制电压Uct不变时的直流电动机开环特性的测定;4、转速反馈的单闭环直流调速系统;四、实验设备1、交直流调速实验台2、J PDL04实验箱3、J PDL05实验箱4、J PDL08实验箱5、J PDJ32直流电动机6、J PDJ34直流发电机7、J PDJ37实验箱8、J PDJ47-1电机导轨、测速编码器9、示波器、万用表五、注意事项1、系统开环运行时,不能突加给定电压而起动电机,应逐渐增加给定电压,避免电流冲击;2、通电实验时,可先用电阻作为整流桥的负载,待电路正常后,再换接电动机负载;3、在连接反馈信号时,给定信号的极性必须与反馈信号的极性相反。
4、在进行直流电机联线时一定要注意先给电动机的励磁加上直流电源,然后再给电枢逐渐加上电源,以免造成“飞车”。
六、实验步骤1、直流电机开环外特性的测定⑴按图1-2主电路接线(注意给电动机和发电机加励磁电压) ,将JPDJ37上的滑动变阻器全部左旋到最大,将JPDL08挂箱上的偏移电压调节旋钮Rp左旋到底。
检查无误后打开实验台左侧总电源开关(现在切勿按下启动按钮) ,打开电压表、电流表电源开关,观察各指示灯与电压表指示是否正常。
图1-2王电路图(2) 电源控制屏交流电源输出切换到“直流调速”。
JPDL08 “触发电路脉冲指示”应显示“宽脉冲”。
(3) 将JPDL08挂箱上的Ulf端接地,将正组触发脉冲的六个开关向上拨至“接通”,(4) 按下启动按钮,调节JPDL08挂箱上的偏移电压调节旋钮Rp (约3-4圈),使电机启动升速;一直到转速900转左右。
记录第一组数据于表1-1,逐渐调节A1 A2电阻值,记录相应数据,直到电流Id接近0.5A,记录数据于表1-1中。
直流电机励磁电源切琏之间討可调电阻(5) 测试完后,将偏移电压调节旋钮Rp左旋到底,按下红色的停止按钮。
2、单闭环直流调速系统(1) 按图1-3转速单闭环接线,主电路同上如图1-2。
确定电源控制屏交流电源输出切换到“直流调速”,将JPDL08挂箱上的Ulf端接地,偏移电压调节旋钮Rp左旋到底。
将所加负载的滑动变阻器左旋到底。
图1-3转速单闭环(2) 按下启动按钮,打开调节器电源,通过调节器面板的方向键,使SV值为6,电动机则自动运行在大约860转左右,记录第一组数据于表1-2,逐渐右旋A1、A2两端电阻,改变负载的大小,一直使电流Id接近0.6A,依次将数据记录表1-2中。
(注意使电流ld<0.6A,实验过程不要调节Rp)降低调节器SV值为5.5,转速n=800r/min左右,逐渐左旋A1、A2两端电阻,依次测量静态特性曲线并记录于下表1-3中。
(3) 实验完成后将负载变阻器左旋到底,按下停止按钮,关闭总电源。
表1-21根据实验数据,画出直流电动机开环机械特性;写出相关公式。
2、根据实验数据,画出转速反馈的单闭环直流调速系统的机械特性;3、测定开环特性和闭环特性时,整流电压Ud和控制角a是如何变化的?4、如果接错转速反馈的极性,会产生什么现象?转速反馈接线脱落又会产生什么现象?实验二双闭环数字直流调速系统一、实验目的1掌握闭环直流调速系统的原理、组成及各主要单元部件的原理;2、掌握双闭环直流调速系统的调试步骤、方法及参数的整定;二、实验线路及原理双闭环直流调速系统由电流和转速两个调节器综合调节。
由于调速系统的主要参量为转速,故转速环作为主环放在外面,电流环作为副环放在里面,这样可抑制电网电压扰动对转速的影响,实验系统的组成如图2-1所示。
系统工作时,先给电动机加励磁,改变给定电压Ug的大小即可改变电机的转速。
速度调节器(ASR)、电流调节器(ACR)均设有限幅环节,ASR的输出作为ACR的给定,利用ASR 的输出限幅可达到限制启动电流的目的;ACR的输出作为移相触发电路的控制电压,利用ACR的输出限幅可达到限制移相角a的目的。
启动时,当加入给定电压Ug后,ASR即饱和输出,使电动机以限定的最大启动电流加速启动,直到电机转速达到给定转速(即Ug=Ufn ),并在出现超调后,ASR退出饱和,最后稳定动行在略低于给定转速的数值上。
图2-1双闭环直流调速系统原理图1各控制单元调试;2测定开环机械特性及高、低速时系统闭环静态特性n=f (Id);3闭环控制特性n=f( Ug )的测定;4记录系统动态波形。
四、实验设备1交直流调速实验台2、J PDL04实验箱3、J PDL05实验箱4、J PDL08实验箱5、J PDJ32直流电动机6、J PDJ34直流发电机7、J PDJ47-1电机导轨、旋转编码器8、J PDJ37实验箱;9、示波器、万用表。
五、注意事项1、系统开环运行时,不能突加给定电压而启动电机,应逐渐增加给定电压,避免电流冲击;2、双踪慢扫描示波器的两个探头的地线是通过示波器外壳接地的,故在使用时,必须使两控头的地线同电位,在实验时只用一根地线即可,以免造成短路事故;六、实验步骤1、开环外特性的测定实验步骤和数据参考上个实验,抄录于表2-1.2、系统双闭环特性测试按图2-2,图2-3接线。
确定电源控制屏交流电源输出切换到“直流调速”,将JPDL08挂箱上的Ulf 端接地,偏移电压调节旋钮 Rp 左旋到底。
将所加负载的滑动变阻器左旋到底。
按下启动按钮,打开调节器电源,通过调节器面板的方向键,使 SV 值为6,电动机则自动运行在大约 800-900转左右,记录第一组数据于表 2-2,逐渐右旋A1、A2两端电阻,改变负载的大小,依次将数据记录表2-2中。
(注意使电流Id<0.6A ,实验过程不要调节 Rp )表2-2n(r/mi n)Id(A)表2-37 $T4 2--------fvT 6 21 ---2VT十一怯屈器图2-2直流电机 励亶电源转速输岀给 _定输 + ©-+反 DC0-WV—_馈 出调节器2 + I 输+DC0-10V十反 ◎- 亠 出盹制T 朝控UC Ms +2DDni A流曲曲B騙kl-A2r B1-B2Zl^l7J 可淵电阻E1A1A◎◎湖节器1图2-3降低调节器SV值为5.5,转速n=800r/min左右,逐渐左旋A1、A2两端电阻,依次测量静态特性曲线并记录于下表2-3中。
实验完成后确认负载变阻器左旋到底,按下停止按钮,关闭总电源。
3、系统动态特性的观察(选*)用双踪示波器观察动态波形。
在不同的系统参数下(速度调节器的增益、速度调节器的积分电容、电流调节器的增益、电流调节器的积分电容、速度反馈的滤波电容、电流反馈的滤波电容),用记忆示波器观察、记录下列动态波形:(1)突加负载(20%〜100%)时的电动机电枢电流波形和转速波形;⑵突降负载(100%〜20%)时电动机的电枢电流波形和转速波形。
八、实验报告1、根据实验数据,画出闭环控制特性曲线n=f(Ug);写出相关公式。
2、根据实验数据,画出两种转速时的闭环机械特性n=f(Id);写出相关公式。
3、如何估计ASR、ACR参数变化对动态过程的影响?4、要改变转速应调节什么参数?要改变最大电流应调节什么参数?5、电流负反馈线未接好或极性接错,会产生什么后果?6、转速反馈线接错极性会产生什么现象?实验三交流变频器调速控制一、 实验目的1通过对MM440变频器的调试,了解通用变频器的工作原理。
2、 通过对MM440变频器的调试,了解异步电动机调速的原理。
3、 通过对MM440变频器的调试,掌握变频器的各种运行方式。
二、 实验原理如图3-1所示是MM440变频器的原理图,上半部分是主回路由L1,L2,L3输入三相电源,一般是线电压为 380V 动力电源,通过内部的整流滤波变成直流电源,经过逆变电路 输出给交流电动机电动机。
下半部分为控制回路,左边为输入,右边为输出, 1、2端子为模拟电源,3、4端子为模拟输入通道1, 10、11端子为模拟输入通道 2。
5、6、7、8、16、17端子是多功能输入数字输入端子。
9、28端子是数字信号电源。
15、 16温度保护端子。
右边部分是输出部分,12、13端子是模拟输出通道 1; 26、27是模拟输入通道2。
29,30是RS485通讯接口,遵循西门子 USS 协议,通过485模块可以与电脑连 接。
图3-1变频器原理图110V合DV 脚*3ADCW 4ADCL- 10 ADC2 + 11 ADC2-5Dlnl 6 Dine 7 Din3 8 Din4 16 Din 5 17 Diri6 9 + 24v2SL426 273d191820ik虹2出三、实验内容1变频器的面板给定频率调试。
2、变频器的数字端子给定调试。
3、变频器的模拟量给定调试。
四、实验步骤将三相电源接入L1,L2,L3 (已接好),变频器输出U,V,W接入鼠笼电机,星型接法。
一台使用过的变频器,或者不知道内部参数状态的情况下,都需要对其进行出厂值参数的初始化。
初始化过程:a) 设置参数P0003=3。
按P找到P003,按P进入,选3,按P退出。
b) 设置参数P0010=30c) 设置参数P0970=1,显示busy,等待……d) 完成后显示P0970复位完成。
按FN再按P回到频率显示。
1、面板控制面板方式给定参数设定,设置参数,P0700[0]=1 选P0700后,按P出现un000再按P,选1。
命令给定来源于面板设置参数,P1000[0]=1 频率给定来源于面板控制正反转,使用面板上的双箭头按键这样参数设定完毕,按FN,使面板显示r0000后按P就可以通过面板调试了,面板上的启动,停止,反转,频率上升▲频率下降▼。
调节频率测量转速,观察现象并记录数据填入表3-1。
2、数字端子输入调试(1) 数字输入如图3-1中端子5, 6, 7, 8, 16, 17, 9部分(内部已经接好),只需要拨动开关进行数字量的给定,变频器输出U , V , W接入鼠笼电机,星型接法。
(2) 参数设置:设置参数,P0003=3, 表示专家级用户设置参数,P0700[0]=2 命令给定来源于数字端子控启动停止设置参数,P1000[0]=3频率给疋来源于端子设疋的固疋频率设置参数,P0701[0]=17固定频率二进制编码Di n1设置参数,P0702[0]=17固定频率二进制编码Di n2设置参数,P0703[0]=17固定频率二进制编码Di n3设置参数,P0705[0]=1正转Di n5设置参数,P1001[0]=5设置参数,P1002[0]= 10设置参数,P1003[0]= 15设置参数,P1004[0]= 25设置参数,P1005[0]= 35设置参数,P1006[0]= 40设置参数,P1007[0]= 45设置完毕,这样参数设定完毕后,按FN,使面板显示rOOOO后按P就可以通过面板调试了。