防水工程闭水试验记录单 表格 表单 记录 空白模板
- 格式:doc
- 大小:15.00 KB
- 文档页数:1
WS防水工程闭水试验记录单1. 试验日期试验日期:2021年9月1日2. 试验地点试验地点:北京市某小区地下停车场3. 试验对象试验对象:地下停车场天棚和地面防水工程4. 试验目的本次试验旨在验证地下停车场天棚和地面防水工程的密封性和承受水压能力。
5. 试验时间试验时间:10:00-16:006. 试验方法本次试验采用了闭水试验的方法。
向停车场天棚和地面防水工程充满水,然后观察试验结果。
7. 试验过程•步骤一:充水在试验开始前,先检查试验设备和管道是否完好,在确认一切准备工作正常后,开始充水操作。
充水过程中,需注意控制水压,避免超压。
•步骤二:保持稳定状态当水位达到预定高度后,关闭进水阀门,保持稳定状态。
根据试验标准,本次试验需要保持6小时。
•步骤三:记录数据在试验过程中,要定时记录各项数据,包括水位、水压、温度等。
•步骤四:观察试验结果试验结束后,观察地下停车场天棚和地面防水工程,是否出现渗漏、渗水、开裂等情况。
8. 试验结果经过6小时的试验,地下停车场天棚和地面防水工程均未出现渗漏、渗水、开裂等情况,试验结果合格。
9. 检查和维护•检查各项试验设备是否正常,及时维护。
•保持管道及相关设备的清洁,防止污物积聚,影响试验结果。
•定期进行闭水试验,确保防水工程的密封性和承受水压能力。
10.地下停车场天棚和地面防水工程是建筑工程中重要的一环,防止水雨侵入,保证建筑物的安全和耐久。
本次试验结果证明,地下停车场天棚和地面防水工程的密封性和承受水压能力达到了设计要求,同时也提示我们要及时对防水工程进行检查和维护,确保其长期有效。
表E2-3编号:本表由施工单位填写,建设单位、施工单位、城建档案馆各保存一份。
表E2-3编号:本表由施工单位填写,建设单位、施工单位、城建档案馆各保存一份。
表E2-3编号:本表由施工单位填写,建设单位、施工单位、城建档案馆各保存一份。
表E2-3编号:本表由施工单位填写,建设单位、施工单位、城建档案馆各保存一份。
表E2-3编号:本表由施工单位填写,建设单位、施工单位、城建档案馆各保存一份。
表E2-3编号:本表由施工单位填写,建设单位、施工单位、城建档案馆各保存一份。
表E2-3编号:本表由施工单位填写,建设单位、施工单位、城建档案馆各保存一份。
表E2-3编号:本表由施工单位填写,建设单位、施工单位、城建档案馆各保存一份。
表E2-3编号:本表由施工单位填写,建设单位、施工单位、城建档案馆各保存一份。
表E2-3编号:本表由施工单位填写,建设单位、施工单位、城建档案馆各保存一份。
表E2-3编号:本表由施工单位填写,建设单位、施工单位、城建档案馆各保存一份。
表E2-3编号:本表由施工单位填写,建设单位、施工单位、城建档案馆各保存一份。
表E2-3编号:本表由施工单位填写,建设单位、施工单位、城建档案馆各保存一份。
表E2-3编号:本表由施工单位填写,建设单位、施工单位、城建档案馆各保存一份。
表E2-3编号:本表由施工单位填写,建设单位、施工单位、城建档案馆各保存一份。
表E2-3编号:本表由施工单位填写,建设单位、施工单位、城建档案馆各保存一份。
表E2-3编号:本表由施工单位填写,建设单位、施工单位、城建档案馆各保存一份。
表E2-3编号:本表由施工单位填写,建设单位、施工单位、城建档案馆各保存一份。
表E2-3编号:本表由施工单位填写,建设单位、施工单位、城建档案馆各保存一份。
表E2-3编号:本表由施工单位填写,建设单位、施工单位、城建档案馆各保存一份。
表E2-3编号:本表由施工单位填写,建设单位、施工单位、城建档案馆各保存一份。
无压力管道严密性试验结果
试验表
35
工程名称
试验日期
年 月
日
施工单位
起止井号
W-3#-1号井至
W-3#-23号井段,带
W-5#-1-W-5#-19,井口
700 管道内径
管材种类
试验段长度
〔mm 〕
接口种类
〔m 〕
DN200/300HDPE
T 型橡胶圈
试验段上游
试验水头〔m 〕
允许渗水量
设计水头
〔高于上游管内顶〕
m 3
/(24h.km 〕
(m)
次
恒压时间内
实测渗水量
观测结束 恒压时间 补入的水量
观测起始 q
渗 时间T 1
时间T 2
T 〔min 〕
W
m 3
/24h.km
数
〔m 3〕
水
量
测 111:00
11:30
30
定
记2
录
3
折合平均实测渗水量〔m3h〕
/(2
4.km
外观记录经小时观测水位下降3mm,窨井无明显渗漏现象
鉴定意见合格
建设单位监理单位施工单位其他单位记录员参加单位
及人员。
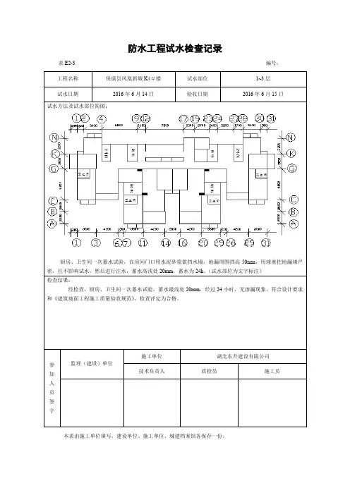
防水工程试水检查记录
表E2—3编号:001
工程名称福海棠华苑样板间装修工程试水部位5—2-401室(主、客)卫生间
试水日期2015年10月12日验收日期2012年10月14日
试水方法及试水部位简图:
测浴间一次蓄水试验:在门口处用水泥砂浆做挡水墙,地漏周围挡高50mm,用球塞(或棉丝)把地漏堵严密且不影响试水,然后进行放水,蓄水最浅水位为20mm,蓄水时间为24h。
检查结果:
经过24h闭水试验后,经查301室主、客卫顶部查看无渗漏,无水印,符合防水工程质量验收规范。
建设单位监理(建设)单位施工单位
北京汇丰行房地产经纪有限公司
单位负责人:
福海棠华苑工程部
单位负责人:
北京永利行装饰工程有限公司
单位负责人:
本表由施工单位填写,建设单位、施工单位各保存一份。
屋面闭水试验验收记录表项目名称:屋面工程试验编号:_______试验日期:________年____月____日一、试验概况本次闭水试验是对屋面工程的防水系统进行验收。
试验开始前,施工单位对屋面完成了水平测量和勾缝处理,确保了屋面平整度和无裂缝。
试验过程中,对屋面系统密封性能进行了检测,并记录了试验数据。
试验结束后,通过对试验结果的评估,确定是否符合相关标准和合同要求。
二、试验方法本次试验采用静水压试验方法进行,试验设备包括水箱、压力计、防水涂层厚度测量仪等。
试验的具体步骤如下:1.清理屋面:清理屋面表面的杂物和污垢,确保屋面完全干净。
2.准备试验设备:确定试验使用的水箱和压力计,根据试验需要进行调整。
3.装备试验设备:将试验设备安装在屋面上,确保设备固定、牢靠,并与屋面紧密接触。
4.充满试验水:将试验水充满到水箱中,同时逐渐增加水压,直到达到试验压力。
5.注意事项:在试验过程中,需要密切观察设备和屋面的情况,确保试验的顺利进行。
6.记录数据:记录试验过程中的数据,包括水压、时间等关键参数,并进行数据分析。
三、试验结果根据试验记录和数据分析,得出以下结论:1.屋面系统的耐压试验:在试验压力下,屋面系统未发生渗漏现象,显示出良好的耐压性能。
2.屋面系统的防水性能:经试验验证,屋面系统在试验过程中能够有效阻止水的渗透,并保持屋面干燥。
4.试验数据分析:在试验过程中,我们对屋面系统的各项参数进行了测量和分析,得出了屋面系统的性能评价。
四、结论与意见根据本次试验的数据分析和检测结果,屋面系统具备了良好的防水性能,达到了设计要求和合同约定的防水标准。
施工单位在屋面施工过程中做出了较好的工艺控制和质量把关,为屋面系统的闭水试验提供了良好的基础。
针对试验中出现的小问题,施工单位对其进行了及时处理,并对未来的维护和管理提出了相关建议。
五、试验人员签字施工单位代表:___________________日期:________年____月____日监理单位代表:___________________日期:________年____月____日业主单位代表:___________________日期:________年____月____日六、附录试验数据记录表:见附表1注:以上内容仅为示例,实际验收记录表的具体内容应根据实际情况进行调整和完善。
闭水试验记录表2020年4月01日工程名称施工单位试验介质蓄水部位XXX三层装修工程项目XXX自来水3A机房空调间、空调底部施工图号环境温度试验压力设计变更单常温正常实验结果:经过24小时蓄水试验,挡水围堰无渗漏,机房与空调间下部无渗漏说明1、该报告试验区域为3A机房空调间及空调底部。
2、试验前先将每个地漏下水口位置堵塞密实,然后向空调间地面灌水,积水高度30mm~50mm。
3、经过24小时蓄水后,检查挡水围堰四周及二楼楼板顶部,未发现漏水现象。
施工单位意见(盖章)监理单位意见(盖章)建设单位意见(盖章)闭水试验记录表2020年4月03日工程名称施工单位试验介质蓄水部位XXX三层装修工程项目XXX自来水3B机房空调间、空调底部施工图号环境温度试验压力设计变换单常温正常实验结果:经过24小时蓄水试验,挡水围堰无渗漏,机房与空调间下部无渗漏说明4、该敷陈实验区域为3B机房空调间及空调底部。
5、试验前先将每个地漏下水口位置堵塞密实,然后向空调间地面灌水,积水高度30mm~50mm。
6、经过24小时蓄水后,搜检挡水围堰四周及二楼楼板顶部,未发觉漏水现象。
施工单位意见(盖章)监理单位意见(盖章)扶植单位意见(盖印)闭水试验记录表2020年4月05日工程名称施工单位试验介质蓄水部位XXX三层装修工程项目XXX自来水3C机房空调间、空调底部施工图号环境温度试验压力设计变更单常温正常实验结果:经过24小时蓄水试验,挡水围堰无渗漏,机房与空调间下部无渗漏说明7、该报告试验区域为3C机房空调间及空调底部。
8、试验前先将每个地漏下水口位置堵塞密实,然后向空调间地面灌水,积水高度30mm~50mm。
9、经过24小时蓄水后,检查挡水围堰四周及二楼楼板顶部,未发现漏水现象。
施工单位意见(盖章)监理单位意见(盖章)扶植单位意见(盖章)闭水实验记录表2020年4月05日工程名称施工单位实验介质蓄水部位XXX三层装修工程项目XXX自来水3D机房空调间、空调底部施工图号环境温度试验压力设计变换单常温正常实验成效:经过24小时蓄水实验,挡水围堰无渗漏,机房与空调间下部无渗漏说明10、该报告试验区域为3D机房空调间及空调底部。
样板验收确认单
注:该表由施工单位填写,一式3份,项目部、监理单位、施工单位各保留一份.
屋面防水联合检查记录表
注:1、本表格应在防水蓄水试验合格后由甲方项目部根据巡检记录和联合现场检查后填写,各方在相应的方格里打“√”签认,不符合要求的部位需落实整改至合格,在综合验收意见栏内签认已全部整改合格2、验收人员必须认真验收,必须签字确认。
屋面防水保护层施工过程联合检查记录表
注:1、本表格应在保护层施工完成后由甲方项目部根据巡检记录和联合现场检查后填写,各方在相应的方格里打“√”签认,不符合要求的部位需落实整改至合格,在综合验收意见栏内签认已全部整改合格2、验收人员必须认真验收,必须签字确认。
结构蓄水试验记录
验收并在本次验收记录表签字确认。
2.渗漏部位整改报验仍渗漏的,总包单位不再整改,交由防水单位处理,费用由总包单位承担。
3.验收人员必须认真验收,无误后方可签字。
结构蓄水试验照片粘贴表格
验收并在本次验收记录表签字确认。
2.渗漏部位整改报验仍渗漏的,总包单位不再整改,交由防水单位处理,费用由总包单位承担。
3.验收人员必须认真验收,无误后方可签字。
防水部位工作面交接记录
查无误后方可签字;2. 验收人员必须认真验收,无误后方可签字。