室内排水管道及配件安装工程检验批质量验收记录
- 格式:doc
- 大小:132.67 KB
- 文档页数:2
提 示(一)主控项目1.主控项目第一项 检查数量:全数检查。
检验方法:满水15min水面下降后,再灌满观察5min,液面不降,管道及接口无渗漏为合格。
隐蔽或埋地的排水管道在隐蔽前作灌水试验,主要是防止管道本身及管道接口渗漏。
灌水高度不低于底层卫生器具的上边缘或底层地面高度,主要是按施工程序确定的,安装室内排水管道一般均采取先地下后地上的施工方法。
从工艺要求看,铺完管道后,经试验检查无质量问题,为保护管道不被砸碰和不影响土建及其他工序,必须进行回填。
如果先隐蔽,待一层主管做完再补做灌水试验,一旦有问题,就不好查找是哪段管道或接口漏水。
该项为强制性条文,应严格执行。
2.主控项目第二项 检验方法:水平尺、拉线尺量检查。
3.主控项目第三项 检验方法:水平尺、拉线尺量检查。
坡度应较均匀一致,如出现高底起伏,或中间有凹凸现象,应及时让施工人员进行整改,排水管道有倒泛水的一定进行更换并重新调整安装。
测量点的长度,在30m及以上长管段上测量,每测点长不少于4m,管段长小于30m,测点长不小于2m,管段长小于2m可不检查。
4.主控项目第四项 检查方法:观察检查。
检查数量:全数检查。
经调研,凡直线长度超过4m的排水塑料管道没有设伸缩节的都出现变形、裂漏等现象,伸缩节的间距不得大于4m是合适的;高层建筑中明设排水塑料管道在楼板下设阻火圈或防火套管是防止发生火灾时塑料管被烧坏后火势穿过板楼使火灾蔓延到其他层。
5.主控项目第五项 检查方法:通球检查,全数检查。
根据对排水工程质量常见病的调研,保证工程质量要求排水立管及水平干管均应作通球试验;通球要必保100%;球径以不小于排水管径的2/3为宜。
(二)一般项目1、一般项目第一项 检验方法:观察和尺量检查。
参照《建筑给水排水设计规范》GBJ15(以下简称《给排水设计规范》)第3.5.3条,结合近年施工经验对检查口或清扫口作了规定。
其第4款中的污水横管的直线管段上检查口或清扫口之间的最大距离应实测检查。
排水管道及配件安装检验批质量验收记录项目名称:排水管道及配件安装施工单位:XXX公司监理单位:XXX公司验收日期:XXXX年XX月XX日一、工程概况本次安装的排水管道及配件工程位于建筑物的地下室和各楼层,主要包括排水管道系统、排水设备及附件的安装。
二、工程质量验收内容1.排水管道材料的验收(1)PVC排水管道:按照设计要求,检查管道的外观质量,无明显变形、开裂、气泡等缺陷。
(2)铸铁管道:检查管道的外观质量,无明显锈蚀、裂纹等缺陷。
(3)排水管道附件:包括接头、弯头、三通等,检查其外观质量,无明显变形、开裂、气泡等缺陷。
2.排水管道安装质量验收(1)排水管道的安装位置、倾斜度、连接方式等是否符合设计要求。
(2)管道连接处是否采用适当的密封材料,连接是否紧固牢固。
(3)管道的固定方式是否牢固可靠,支撑件是否符合规范要求。
3.排水设备安装质量验收(1)排水设备的外观质量是否符合设计要求,无明显损伤。
(2)排水设备的安装位置、高度等是否符合设计要求。
(3)排水设备的接口连接是否紧固牢固,无渗漏现象。
4.排水管道系统的试验(1)进行水压试验,检查管道系统是否有渗漏现象。
(2)进行冲洗试验,检查管道系统是否通畅。
三、工程质量验收结果根据对排水管道及配件的质量验收,结论如下:1.排水管道材料的质量良好,无明显缺陷,符合设计要求。
2.排水管道安装质量较好,位置、倾斜度、连接等均符合设计要求。
3.排水设备的安装质量良好,位置、高度等符合设计要求,连接紧固牢固。
4.排水管道系统的试验结果良好,无渗漏现象,通畅。
四、存在的问题及整改措施1.部分排水管道安装处存在焊接不牢固的情况,需重新焊接。
2.部分排水设备的外观存在划痕等损伤,需更换。
整改措施:将焊接不牢固的部分重新焊接,更换损坏的排水设备。
五、质量验收结论经过质量验收,本次排水管道及配件安装符合设计要求,工程质量合格。
六、工程质量验收意见本次排水管道及配件安装质量较好,施工单位在材料选择、施工工艺等方面做了较好的把控,质量验收结果符合预期。
1234567891015.2.1条25.2.2条35.2.3条45.2.4条5 5.2.5123456789101 5.2.6条2 5.2.7条3 5.2.8条4 5.2.9条5 5.2.10条6 5.2.11条7 5.2.12条8 5.2.13条9 5.2.14条10 5.2.15条153012116128047±156698011-103-1513≯1≯25管径≤1001管径>100 1.5管径≤100≯25管径>100≯381.5 1.3 1.6 1.2 1.3 1.40.20.4 1.60.60.9≯383≯753≯153≯1032232111030≯1507396763614年月日年月日分包单位主控项目一般项目隐藏或埋地排水管道的灌水生活污水铸铁管道的坡度生活污水塑料管管道的坡度排水塑料管装设伸缩节主立管及水平干管管道通球试验—1.2.7给排水-4室内排水系统排水管道及配件安装工程检验批质量验收记录工程名称施工单位施工执行标准名称及编号规范规定规范规定通向室外的排水管穿过墙壁或基础下返时连接要求施工单位检查评定记录排水通气管安装安装未经消毒处理的医院含菌污水管道的要求饮食业工艺设备引出的排水管及饮用水水箱的溢流管连接要求生活污水管道检查口或清扫口埋在地下或地板下的排水管道检查口设置金属排水管道上吊钩或卡箍√√√施工单位检查评定记录室内通向室外排水检查井的排水管,井内引入管的要求水平管道、立管的连接要求排水塑料管道支、吊架间距√√√验收部位项目经理专业工长施工班组长建筑给排水及采暖工程施工质量验收规范GB50242-2002横管纵横方向弯曲分包项目经理监理(建设)单位验收记录√√√√—√钢 管塑 料 管每1m 全长(25m以上)坐标标高每1m 全长(25m以上)铸 铁 管钢 管塑 料 管铸 铁管混凝土管全长(5m以上)全长(25m以每1m 每1m全长(25m以上)。
室内排水管道及配件安装工程检验批质量验收记录项目名称:室内排水管道及配件安装工程检验批次:第一批日期:XXXX年X月X日一、工程概况1.1工程名称:室内排水管道及配件安装工程1.2工程位置:XXX楼XXX室内1.3工程单位:XXX公司1.4工程施工时间:XXXX年X月X日至XXXX年X月X日二、质量验收内容2.1检验项目1)管道及配件安装是否牢固、符合规范要求2)管道连接是否严密,无渗漏3)管道走向是否符合设计要求4)管道支架是否牢固、稳定5)排水设备是否正常运行2.2检验依据三、质量验收结果3.1管道及配件安装是否牢固、符合规范要求经检验,管道及配件安装牢固,符合《建筑给水排水工程设计规范》中规定的抗震要求,并满足正常使用的相关技术要求。
未发现明显质量问题。
3.2管道连接是否严密,无渗漏经过试验,各管道连接严密,无渗漏现象。
已通过压力测试,满足施工规范要求。
3.3管道走向是否符合设计要求经检验,管道走向符合设计要求,无明显偏差,保证了排水系统的正常运作。
3.4管道支架是否牢固、稳定对管道支架进行检验,发现支架安装稳定,未出现明显松动或倾斜现象,符合相关要求。
3.5排水设备是否正常运行对排水设备进行测试,经试运行,各设备正常工作,排水畅通,没有堵塞或积水现象。
四、质量整改意见根据本次检验结果,结合实际情况提出以下质量整改意见:4.1部分管道接口未涂抹密封胶,需要补充处理。
4.2一些管道支架安装固定不够牢固,需进行加固处理。
4.3部分排水设备的固定螺母有松动现象,需进行紧固处理。
五、质量验收结论根据以上检验结果和整改建议,经评审与讨论,结论如下:此次室内排水管道及配件安装工程质量合格,并予以验收通过。
同时对存在的质量问题提出整改要求,要求施工单位立即进行整改,并严格按照相关规范要求进行处理。
六、附件1.室内排水管道及配件安装工程设计图纸2.检验测试报告3.质量整改通知书以上为室内排水管道及配件安装工程质量验收记录,供参考。
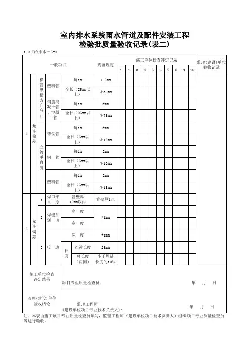
123456789101焊口平 直 度≯10mm 3mm ≯15mm 管壁厚1/4≯75mm 3mm 25mm 小于焊缝
长度的10%
项目专业质量检查员:监理(建设)单位验收记录施工单位检查评定记录
年 月 日≯15mm 3mm 规范规定
1.5mm ≯38mm 3mm 年 月 日+1mm
+1mm 全长(5mm以上) 监理工程师 (建设单位项目专业技术负责人):
每1m 全长(5mm以
上)
管壁厚
10mm以内
高 度
连续长度总长度 (两侧)塑料管焊缝加 强 面咬 边每1m 全长(25mm以上)每1m 全长(25mm以上)每1m 全长(5mm以上)每1m 5施工单位检查
评定结果监理(建设)单位
验收结论员等进行验收。
允许偏差23宽 度
深 度
长
度室内排水系统雨水管道及配件安装工程
检验批质量验收记录(表二)
一般项目4允
许
偏
差横
管
纵
横
方
向
弯
曲
立
管
垂直
度
塑料管钢筋混凝土管、混凝土管铸铁管
钢 管。
室内雨水管道及配件安装检验批质量验收记录项目名称:室内雨水管道及配件安装项目地点:xxxx日期:xxxx年xx月xx日一、工程概况本项目为室内雨水管道及配件的安装,旨在保障建筑物内部雨水排放的正常运行。
本次检验批质量验收旨在核实工程质量是否达到设计要求,以确保施工质量。
二、检验依据1.《建筑给排水工程施工及验收规范》2.《室内给水工程施工及验收规范》3.《建筑给排水工程质量验收标准》4.相关设计文件三、检验内容1. 垂直雨水管道的安装2. 排水立管的安装3. 雨水管道与排水管道的连接4. 雨水斜管的安装5. 雨水井、雨水口的安装6. 雨水泵站的安装7. 其他与室内雨水管道安装相关的工作四、检验方法1. 目视检查:对已安装的管道和配件进行目视检查,确认是否存在明显的缺陷和损坏。
2. 尺寸测量:测量管道和配件的尺寸,与设计要求进行对比,检查是否符合要求。
3. 试压检验:对安装完成的管道进行试压,确保密封性能良好,不发生漏水现象。
4. 强度检验:对管道和配件的强度进行检测,确认其承载能力符合设计要求。
5. 设备运行检验:对雨水泵站进行运行测试,检查其工作是否正常、稳定。
五、检验结果1. 垂直雨水管道的安装:检验结果:通过备注:垂直雨水管道的安装位置符合设计要求,与建筑结构连接牢固,无明显缺陷。
2. 排水立管的安装:检验结果:通过备注:排水立管的安装位置准确、稳固,与雨水下水道连接紧密,无渗漏现象。
3. 雨水管道与排水管道的连接:检验结果:通过备注:雨水管道与排水管道连接紧密,无明显缺陷,连接处无泄漏。
4. 雨水斜管的安装:检验结果:通过备注:雨水斜管的安装位置符合设计要求,斜度适合,无明显缺陷。
5. 雨水井、雨水口的安装:检验结果:通过备注:雨水井和雨水口的安装位置准确,井盖密封良好,无渗漏现象。
6. 雨水泵站的安装:检验结果:通过备注:雨水泵站的设备安装合理,运行正常,无异常噪音,各部件工作正常。
7. 其他相关工作:检验结果:通过备注:其他与室内雨水管道安装相关的工作符合设计要求,无明显缺陷。
《室内排水管道及配件安装工程检验批质量验收记录》填写说明与依椐一、总说明(1)适用范围:适用于室内排水管道、安装工程的质量检验与验收(2)检验批的划分:室内排水管道及配件安装分项工程应按系统、区域、施工段或楼层等划分。
分项工程应划分成若干检验批进行验收。
(3)验收人员:由监理工程帅(建设单位项目专业技术负责人)组织施工单位项目经理和有关、设计单位项目负责人等进行验收。
二、表格项目填写说明1、主控项目(1)排水管道灌水试验1)规范要求:隐蔽或埋地的排水管道在隐蔽前必须做灌水试验,其灌水高度应不低于底层卫生器具的上边缘或底层地面高度。
2)检查方法:满水15min、水面下降后,再灌满观察5min液面不降,管道及接口无渗漏为合格;检查数量:全数检查。
3)填写说明与依据:①工艺流程:封闭排出管口一向管道内灌水一检查、做灌水试验记录②封闭排出管口。
标高低于各层地面的所有排水管管口,用短管暂时接至地面标高以上。
对于横管上和地下甩出(或楼板下甩出)的管道清扫口须加垫、加盖,按工艺要求正式封闭好;通向室外的排出管管口,用大于或等于管径的橡胶胆堵,放进管口充氯堵严。
低层立管和地下管道灌水时,用胆堵从底层立管检查口放人,上部管道堵严。
向上逐层灌水依次类推;高层建筑需分区、分段、再分层试验。
打开检查口,用卷尺在管外测量由检查口至被检查水平管的距离加斜三通以下500mm左右,记上该总长,量出胶囊到胶管的相应长度,并在胶管上作好标记,以便控制胶囊进人管内的位置;将胶囊由检查口慢慢送人,一直放在测出的总长位;向胶囊充气并观察压力表示值上升到0.07MPa为止,最高不超过0.12MPa。
③向管道内灌水。
用胶管从便于检查的管口向管道内灌水,一般选择出户排水管离地面近的管口灌水。
当高层建筑排水系统灌水试验时,可从检查口向管内注水。
边灌水边观察卫生设备的水位,直到符合规定为止;灌水高度及水面位置控制:其灌水高度应不低于底层卫生器具的上边缘或底层地面的高度。
123456789101
2
31
23456789101
2
3监理(建设)单位验收记录验收部位项目经理专业工长施工班组长1.5mm ≯25mm ≯38mm 分包项目
经 理
施工单位检查评定记录施工单位检查评定记录
第5.3.6条15mm ±5mm ≯1mm ≯25mm 1mm 第5.3.2条第5.3.3条
规范规定
第5.3.4条全长(25m以
上)管径≤100mm
管径>100mm
管径≤100mm
管径>100mm 第5.3.5条规范规定
第5.3.1条雨水管道的灌水试验采用塑料管雨水管道的伸缩节安装悬吊式雨水管道的敷设坡度每1m 全长(25mm以上)
每1m
悬吊式雨水管道的检查口间距
坐 标
允许偏差横管纵横方向弯曲
铸
铁
管钢
管一般项目4主控项目标 高
室内排水系统雨水管道及配件安装工程
检验批质量验收记录(表一)
工程名称
施工单位
施工执行标准名
称及编号
分包单位雨水管道连接雨水斗管的连接。
排水管道及配件安装检验批质量验收记录项目名称:xxx工程施工单位:xxx有限公司监理单位:xxx有限公司施工日期:起止时间一、检验依据二、检查内容1.排水管道材料及配件的合格证明文件;2.排水管材表面的清洁、平整度、漆涂、腐蚀、变形和损伤等情况;3.管道和配件的连接质量;4.排水管道的坡度和位置布置是否合理;5.其他相关要求。
三、检查结果根据以上检查内容进行现场实地检查,对排水管道及配件的安装进行了质量验收。
1.排水管道材料及配件的合格证明文件施工单位按照合同约定提供了排水管道材料及配件的合格证明文件,包括出厂合格证、产品质量合格证等。
证明文件符合要求,齐全、真实有效。
2.排水管材表面的清洁、平整度、漆涂、腐蚀、变形和损伤等情况经现场检查,排水管材表面无明显的污垢和油渍,清洁情况良好。
管道的平整度符合规范要求,无明显凸凹不平的情况。
漆涂均匀、完整,无剥落现象。
管道表面无腐蚀、变形和损伤等情况。
3.管道和配件的连接质量经过检查,排水管道的连接质量良好。
采用的连接方式符合国家标准要求,连接紧密、稳定,无渗漏现象。
4.排水管道的坡度和位置布置是否合理根据施工图纸和设计要求进行检查,排水管道的坡度和位置布置符合规范要求。
管道的坡度适宜,有利于排水畅通,位置布置合理,与建筑结构协调。
五、不合格项及处理措施经检查,未发现不合格项。
六、质量验收结论根据以上检查结果,通过对排水管道及配件的安装进行现场实地检查和材料资料的审核,符合相关标准和规范的要求,质量合格。
七、存在问题和建议无。
八、其他事项无。
九、监理单位意见xxx有限公司作为监理单位对该批排水管道及配件的安装进行了现场监理,认为施工单位的质量验收结果合理有效。
施工单位:监理单位:。
室内给水管道安装检验批质量验收记录一、检验目的和范围为确保室内给水管道的安装质量,本次检验旨在对管道的安装情况、连接件的质量、施工工艺及检测数据进行检验和评价。
二、检验依据2.相关图纸和设计要求。
三、检验内容1.管道的安装情况2.连接件的质量3.施工工艺4.检测数据四、检验步骤1.设备准备准备好相关的检测设备,包括压力表、应力仪等。
2.管道安装情况的检验(1)检查管道的安装位置是否符合设计要求,是否与其他设施保持适当的距离。
(2)检查管道的材质是否符合设计要求,并进行检测,确认其质量合格。
(3)检查管道的连接是否紧密、牢固,并在需要的地方增加支撑。
(4)采用视觉检查和触摸检查的方法,检查管道的表面是否平整、光滑,是否有明显的损伤和腐蚀。
3.连接件的质量检验(1)检查连接件的材质是否符合设计要求,并进行检测,确认其质量合格。
(2)按照设计要求,检查连接件的安装是否规范,是否紧固。
(3)使用非破坏性检测方法,检测连接件的密封性能,确定其质量合格。
4.施工工艺的检验(1)检查施工过程中是否按照设计要求进行,是否采用了规范的工艺和方法。
(2)检查施工过程中是否存在漏水、滴水、泄露等问题。
5.检测数据的检验(1)按照设计要求,检查检测数据的准确性和合理性。
(2)对检测数据进行统计和分析,判断其符合性和合格性。
五、检验结果记录和评价1.管道的安装情况(1)根据检查结果,管道的安装位置符合设计要求。
(2)管道材质符合设计要求,质量合格。
(3)管道连接紧密、牢固,并且添加了适当的支撑。
(4)管道表面平整、光滑,无损伤和腐蚀。
2.连接件的质量(1)连接件材质符合设计要求,质量合格。
(2)连接件安装规范,紧固可靠。
(3)连接件密封性能良好,质量合格。
3.施工工艺(1)施工过程规范,按照设计要求进行。
(2)无漏水、滴水、泄露等问题。
4.检测数据(1)检测数据准确、合理。
(2)检测数据统计和分析结果符合设计要求。
六、检验结论经过检验,室内给水管道安装质量达到设计要求,达到验收标准。