铝单板技术要求修订稿
- 格式:docx
- 大小:147.52 KB
- 文档页数:6
铝单板幕墙工程技术交底1. 项目概述铝单板幕墙工程是指在建造外墙表面安装铝合金单板,并通过特定的构造连接系统将其固定在建造结构上。
本文将详细介绍铝单板幕墙工程的技术要求、材料选用、施工流程以及质量控制等方面的内容。
2. 技术要求2.1 材料要求铝单板幕墙的材料应符合国家相关标准,如GB/T 5237、GB/T 6892等。
铝合金板材应具有良好的耐候性、耐腐蚀性和抗风压性能。
表面处理应采用氟碳喷涂或者粉末静电喷涂,颜色应与建造整体风格协调。
2.2 构造连接系统铝单板幕墙的构造连接系统应具有良好的刚性和稳定性,能够承受建造结构的荷载和风压。
常用的连接系统有隐藏式挂板法、角码固定法和直接固定法等。
选择合适的连接系统应根据建造的结构类型和幕墙的设计要求。
2.3 防水与隔热铝单板幕墙的防水和隔热性能对于保证建造的使用寿命和节能效果至关重要。
在幕墙的设计和施工中,应采取相应的措施,如设置防水层、隔热层和排水系统等,确保幕墙的防水性能和隔热性能符合要求。
3. 施工流程3.1 准备工作施工前应进行详细的设计方案审查,确保设计方案与实际施工条件相符。
同时,需要准备好施工所需的材料、工具和设备,并对施工现场进行清理和整理。
3.2 安装铝单板根据设计方案和施工图纸,先进行幕墙的基础安装,包括固定龙骨、安装挂板等。
然后,按照幕墙板的尺寸和位置要求,进行铝单板的切割和加工。
最后,使用合适的连接系统将铝单板固定在龙骨上,确保安装坚固。
3.3 防水和隔热处理在铝单板幕墙安装完成后,进行防水和隔热处理。
根据设计要求,设置防水层和隔热层,并确保其与铝单板的连接处密封良好。
同时,安装排水系统,确保幕墙的排水畅通。
3.4 完成工程经过以上步骤的施工后,对铝单板幕墙进行全面检查和清理,确保幕墙的外观质量和功能性能符合要求。
最后,进行工程验收,并编制相应的技术交底资料。
4. 质量控制4.1 材料检查在施工前,对铝单板和相关材料进行检查,确保其质量合格。
第一章国家及行业技术规范及质量要求第一节技术规范一、一般规定除非合同文件中另有特别注明,本工程适用中华人民共和国现行有效的国家规范、规程和标准。
设计图纸和其他设计文件中有关文字说明是本工程技术规范的组成部分。
对于涉及新技术、新工艺和新材料的工作,相应厂家使用说明或操作说明等的内容,或适用的国外同类标准的内容也是本工程技术规范的组成部分。
合同中约定的任何一方应予遵照执行的国家规范、规程和标准都指他们各自的最新版本。
如果在构成本工程规范和技术说明的任何内容与任何现行国家规范、规程和标准包括他们适用的修改之间出现相互矛盾之处或不一致之处,卖方应书面请求买方和监理予以澄清;除非买方和监理有特别的指示,卖方应按照其中要求最严格的标准执行。
材料、施工工艺和本工程都应依照本工程规范和技术说明以及相关国家规范、规程和标准的最新版本;或把最新版本的要求当作对卖方工作的最起码要求,而执行更高的标准。
二、现行有效的主要设计和施工验收规范索引:1.《建筑装饰装修工程质量验收规范》(GB50210-2001)2.《民用建筑工程室内环境污染控制规范》(GB50325-2001)3.《高级建筑装饰工程质量验收规范》(DBJ/T01-27-2003)4.《铝及铝合金轧制板材》(GB/T3880-1997)5.《漆膜附着力测定法》(GB1720-79)6.《漆膜耐冲击测定法》(GB1732-93)7.《漆膜厚度测定法》(GB1764-89)8.《漆膜铅笔硬度测定法》(GB/T1739)9.《漆膜耐水性测定法》(GB/T1733)10.《漆膜耐热性测定法》(GB/T1735)11.《漆膜耐湿性测定法》(GB/T1740)12.《漆膜耐化学试剂型测定法》(GB/T1763)13.《漆膜光泽测定法》(GB/T1743)14.《建筑铝型材基材》(GB/T5237.1-2004)15.《建筑铝型材阳极氧化,着色型材》(GB/T5237.2-2004)16.《建筑铝型材电泳涂漆型材》(GB/T5237.3-2004)17.《建筑铝型材粉末喷涂型材》(GB/T5237.4-2004)18.《建筑铝型材氟碳漆喷涂型材》(GB/T5237.5-2004)19.《铝及铝合金冷轧带材》(GB/T8544-1997)20.《铝及铝合金轧制板材》(GB/T3880-1997)21.《混响室法吸音系数检测规范》(GB47-83)第二节技术要求一、原材料及加工工艺要求1、铝板:本工程各品种所用铝板原材料应为国内最好的铝板原材料生产厂家的产品或进口产品,应为不低于国际铝业协会认证的AA3005铝合金材质或国际铝业协会AA3XXX系列等级的产品;加工工艺:单块铝板及冲孔铝板在工厂的加工过程中四边应采用连续自动化辊压成型加工工艺或机械折弯以精确加工宽度尺寸,不得采用间歇式翻折工艺成型,也不得在现场进行二次加工;针孔类型:φ2.5MM 孔中心间距5.5mm 穿孔率16%,面层板内衬吸音纸。
铝单板验收标准一、板材质量1. 铝单板应采用符合国家标准的铝合金板材,质量应符合相关标准要求。
2. 板材表面应光洁、平整,无明显的压痕、划痕、气泡等缺陷。
3. 板材的厚度、规格尺寸等应符合设计要求,误差应在允许范围内。
二、尺寸偏差1. 铝单板的尺寸偏差应符合相关标准要求,如长度、宽度、高度等尺寸的偏差应在规定范围内。
2. 对角线偏差:铝单板两个对角线长度差值应小于等于1mm。
三、安装精度1. 铝单板安装应牢固、平整,不应有明显的倾斜、扭曲、翘曲等缺陷。
2. 铝单板与龙骨之间的连接应符合设计要求,连接牢固,不应对龙骨结构产生过大的附加应力。
3. 固定用的螺钉、铆钉等应与铝单板牢固连接,不得有松动现象。
四、连接质量1. 铝单板与龙骨之间的连接应采用可靠的连接方式,如铆钉连接、螺钉连接等,以保证结构的稳定性和安全性。
2. 连接件应符合设计要求,不得有漏装、错装等现象。
3. 连接质量和整体结构应保证在地震、风荷载等外力作用下的稳定性。
五、涂层质量1. 铝单板的涂层质量应符合设计要求,涂层表面应光滑、平整、色泽一致,无明显的划痕、气泡等缺陷。
2. 涂层厚度应符合设计要求,涂层厚度偏差应在允许范围内。
六、清洁度1. 铝单板表面应清洁,无灰尘、油污等杂质。
2. 在验收时,应对铝单板表面进行清洁处理,保证表面无杂质,清洁度符合要求。
七、外观质量1. 铝单板的外观质量应符合设计要求,表面无明显凹凸、鼓包、波浪纹等缺陷。
2. 铝单板的边缘应整齐,无明显的毛刺、变形等缺陷。
八、结构安全1. 铝单板的结构设计应符合国家相关标准,保证结构的安全性和稳定性。
2. 在安装和使用过程中,铝单板及其连接件应能承受各种自然灾害和人为因素引起的外力作用,保证结构的安全性。
铝型材技术要求及检验标准1、铝型材基本要求1、铝型材材质:6063-T5/T6系列;型材颜色为香槟色。
2、幕墙型材立柱及横梁截面主要受力部位厚度必须足2.5mm,门型材受力部位截面厚度不低于2.0mm;窗用主型材主要受力部位基材截面最小实测壁厚不应小于1.4mm,其型材压条、压盖、扣板厚度不得小于1.2mm。
3、所有型材必须先送样板确定。
2、技术要求1)表面处理应符合现行国家标准(铝合金建筑型材)GB/T5237规定的质量要求,室内铝材采用静电粉末喷涂,室外采用氟碳喷涂处理方式,喷涂颜色应确保20年不褪色、不脱落。
其表面处理必须满足下表1要求表12)铝型材的技术要求除非在技术工程部提供的图文技术资料中有特殊要求,否则尺寸允许偏差按表2执行(铝型材开口尺寸除外)。
表23)铝型材的长度尺寸按供需双方在订单合同中的技术要求约定执行。
4)铝型材的力学性能指标符合国标规定要求。
5)铝型材表面氧化处理后,其色泽与光亮均匀一致,无脏污。
如果有缺陷,按表3要求检验。
表36)铝型材坯料,表面色泽一致,无脏污。
如果有缺陷,按表4要求检验。
表43、检验方法1)铝型材的随机抽样检验按工厂相关抽样规定,并保证无扭曲现象;2)铝型材的截面外型尺寸和厚度尺寸用游标卡尺测量;长度尺寸用卷尺测量;3)铝型材坯料表面和铝型材氧化表面质量在适应的自然光线下目测,目测距离为45±5cm;4)铝型材坯料在抛光后的表面质量检验在规定的灯光下按抛光表面质量检验标准检验。
4、运输1、铝型材运输前必须包装严实,保证送到施工现场无损伤和划痕现象。
特别申明:送货时必须提供国家法定检测部门出具的有效期内的出厂检验报告、出厂合格证明、质量保修书(如有)及相关资料并加盖公章。
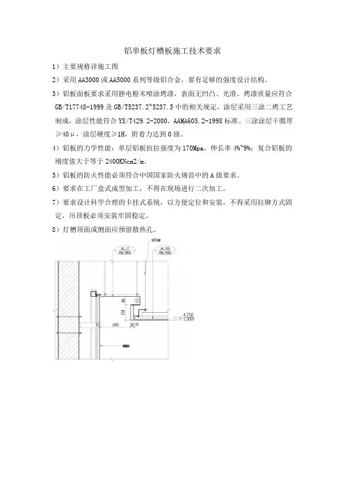
铝单板灯槽板施工技术要求
1)主要规格详施工图
2)采用AA3000或AA5000系列等级铝合金,要有足够的强度设计结构。
3)铝板面板要求采用静电粉末喷涂烤漆,表面无凹凸、光滑。
烤漆质量应符合GB/T17748-1999及GB/T5237.2~5237.5中的相关规定,涂层采用三涂二烤工艺制成,涂层性能符合YS/T429.2-2000,AAMA605.2-1998标准。
三涂涂层干膜厚≥40μ,涂层硬度≥1H,附着力达到0级。
4)铝板的力学性能:单层铝板抗拉强度为170Mpa,伸长率4%~9%;复合铝板的刚度值大于等于2400KNcm2/m。
5)铝板的防火性能必须符合中国国家防火规范中的A级要求。
6)要求在工厂盒式成型加工,不得在现场进行二次加工。
7)要求设计科学合理的卡挂式系统,以方便定位和安装,不得采用拉铆方式固定,吊顶板必须安装牢固稳定。
8)灯槽顶面或侧面应预留散热孔。
第一章国家及行业技术规范及质量要求第一节技术规范一、一般规定除非合同文件中另有特别注明,本工程适用中华人民共和国现行有效的国家规范、规程和标准。
设计图纸和其他设计文件中有关文字说明是本工程技术规范的组成部分。
对于涉及新技术、新工艺和新材料的工作,相应厂家使用说明或操作说明等的内容,或适用的国外同类标准的内容也是本工程技术规范的组成部分。
合同中约定的任何一方应予遵照执行的国家规范、规程和标准都指他们各自的最新版本。
如果在构成本工程规范和技术说明的任何内容与任何现行国家规范、规程和标准包括他们适用的修改之间出现相互矛盾之处或不一致之处,卖方应书面请求买方和监理予以澄清;除非买方和监理有特别的指示,卖方应按照其中要求最严格的标准执行。
材料、施工工艺和本工程都应依照本工程规范和技术说明以及相关国家规范、规程和标准的最新版本;或把最新版本的要求当作对卖方工作的最起码要求,而执行更高的标准。
二、现行有效的主要设计和施工验收规范索引:1.《建筑装饰装修工程质量验收规范》(GB50210-2001)2.《民用建筑工程室内环境污染控制规范》(GB50325-2001)3.《高级建筑装饰工程质量验收规范》(DBJ/T01-27-2003)4.《铝及铝合金轧制板材》(GB/T3880-1997)5.《漆膜附着力测定法》(GB1720-79)6.《漆膜耐冲击测定法》(GB1732-93)7.《漆膜厚度测定法》(GB1764-89)8.《漆膜铅笔硬度测定法》(GB/T1739)9.《漆膜耐水性测定法》(GB/T1733)10.《漆膜耐热性测定法》(GB/T1735)11.《漆膜耐湿性测定法》(GB/T1740)12.《漆膜耐化学试剂型测定法》(GB/T1763)13.《漆膜光泽测定法》(GB/T1743)14.《建筑铝型材基材》(GB/T5237.1-2004)15.《建筑铝型材阳极氧化,着色型材》(GB/T5237.2-2004)16.《建筑铝型材电泳涂漆型材》(GB/T5237.3-2004)17.《建筑铝型材粉末喷涂型材》(GB/T5237.4-2004)18.《建筑铝型材氟碳漆喷涂型材》(GB/T5237.5-2004)19.《铝及铝合金冷轧带材》(GB/T8544-1997)20.《铝及铝合金轧制板材》(GB/T3880-1997)21.《混响室法吸音系数检测规范》(GB47-83)第二节技术要求一、原材料及加工工艺要求1、铝板:本工程各品种所用铝板原材料应为国内最好的铝板原材料生产厂家的产品或进口产品,应为不低于国际铝业协会认证的AA3005铝合金材质或国际铝业协会AA3XXX系列等级的产品;加工工艺:单块铝板及冲孔铝板在工厂的加工过程中四边应采用连续自动化辊压成型加工工艺或机械折弯以精确加工宽度尺寸,不得采用间歇式翻折工艺成型,也不得在现场进行二次加工;针孔类型:φ2.5MM 孔中心间距5.5mm 穿孔率16%,面层板内衬吸音纸。
铝单板施工工艺安装工艺流程公司标准化编码 [QQX96QT-XQQB89Q8-NQQJ6Q8-MQM9N]铝单板施工工艺安装工艺流程一、铝单板安装流程放线→固定骨架的连接件→固定骨架→安装铝板→收口构造处理→检验二、安装注意事项1、铝板的品种、质量、颜色、花型、线条应符合设计要求,并应有产品合格证。
2、幕墙墙体骨架如采用型钢龙骨时,其规格、形状应符合设计要求,并应进行除锈、防锈处理。
3、铝板安装,当设计无要求时,宜采用抽芯铝铆钉,中间必须垫橡胶圈。
抽芯铆钉间距以控制在100-150mm内。
(一)放线固定骨架,将骨架的位置弹到基层上。
骨架固定在主体结构上,放线前检查主体结构的质量。
(二)固定骨架的连接件在主体结构的柱上焊接连接件固定骨架。
(三)固定骨架骨架预先进行防腐处理。
安装骨架位置准确,结合牢固。
安装完检查中心线、表面标高等。
为了保证板的安装精度,宜用经纬仪对横梁竖框杆件进行贯通。
对变形缝、沉降缝、变截面处等进行妥善处理,使其满足使用要求。
(四)安装铝板铝板的安装固定要牢固可靠,简便易行。
1、板与板之间的间隙要进行内部处理,使其平整、光滑。
2、铝板安装完毕,在易于被污染的部位,用塑料薄膜或其他材料覆盖保护。
铝板雨棚施工方案一、铝板雨棚所用工具机具:无齿锯片切割机、手电钻、冲击电钻、射钉枪、各种规格的钻花、扳手、螺丝刀、手锤、墨线、线垂、尼龙线、钢卷尺、电焊机、氧切设备、注胶枪、风动拉铆枪、安全带等。
二、材料进场前的准备工作此部分工作为工程的起始阶段,要以为施工服务为原则,按期、保质、保量地完成,具体如下:(一)设计人员需在合同签订后,根据本工程的方案图,在最短的时间内提出本工程的用料计划表。
(二)项目经理部与生产部互相配合,依据施工进度计划表和工程现场的实际情况作出本工程的加工计划,合理组织、安排生产,保证产品及时到场。
三、安装流程搭设脚手架→放线→固定钢架的连接件→焊接钢骨架→安装铝板→收口构造处理→检验四、安装注意事项1、铝板的品种、质量、颜色、花型、线条应符合设计要求,并应有产品合格证。
铝单板幕墙工程技术交底一、项目概述铝单板幕墙工程是一种现代建造外墙装饰材料,具有轻质、耐候、耐腐蚀等特点,广泛应用于商业建造、办公楼、住宅等各类建造物。
本文将详细介绍铝单板幕墙工程的技术要求、施工流程和质量验收标准。
二、技术要求1. 材料选用铝单板:采用符合国家标准的铝合金材料,表面经过阳极氧化处理,具有良好的耐候性和耐腐蚀性。
铝单板构架:采用符合设计要求的铝合金型材,强度高、稳定性好。
固定件:采用不锈钢或者铝合金固定件,具有良好的耐腐蚀性和稳定性。
2. 设计要求根据建造设计要求,确定铝单板幕墙的类型、形状和颜色,并进行结构计算和稳定性分析。
3. 施工要求(1)基层处理:确保基层平整、坚固,清除杂物和灰尘,涂刷防水层。
(2)安装构架:按照设计要求,将铝合金构架固定在基层上,确保构架的平整和垂直度。
(3)安装铝单板:将铝单板按照设计要求进行剪裁和加工,采用专用的安装工具和固定件将铝单板固定在构架上,确保板与板之间的间距均匀,表面平整。
(4)密封处理:对铝单板幕墙的接缝和固定件进行密封处理,确保幕墙的防水性能。
(5)质量验收:对已安装的铝单板幕墙进行质量验收,包括外观质量、平整度、固定坚固性等。
三、施工流程1. 基层处理:清理基层,涂刷防水层。
2. 安装构架:按照设计要求进行构架的安装。
3. 铝单板加工:根据设计要求进行铝单板的剪裁和加工。
4. 安装铝单板:使用专用工具和固定件将铝单板固定在构架上。
5. 密封处理:对接缝和固定件进行密封处理。
6. 质量验收:对已安装的铝单板幕墙进行质量验收。
四、质量验收标准1. 外观质量:铝单板表面应平整、光滑,无明显划痕、凹凸和氧化斑点。
2. 平整度:铝单板幕墙应符合设计要求的平整度标准,不得有明显的波浪和变形。
3. 固定坚固性:铝单板应坚固固定在构架上,不得有松动和脱落现象。
4. 防水性能:铝单板幕墙的接缝和固定件应经过密封处理,确保防水性能良好。
以上是关于铝单板幕墙工程的技术交底,包括技术要求、施工流程和质量验收标准。
铝合金技术要求WEIHUA system office room 【WEIHUA 16H-WEIHUA WEIHUA8Q8-铝合金门窗施工技术要求1、技术要求1.1 铝合金型材1.1.1 铝合金门窗型材的选用应符合下表要求:1.1.2 上表型材壁厚为最低要求,承包人应依据国家有关标准:1.1.2.1 玻璃幕墙工程技术规范JGJ102-20031.1.2.2 铝合金门 GB/T8478-20031.1.2.3 铝合金窗GB/T8479-20031.1.2.4 铝合金型材,除应满足国家规范要求外,尚应满足《节能计算报告》中的有关传热系数的要求的规定,按照设计要求确定,并提供门窗主要构件的设计计算书,必要时可以在铝型材内加衬钢确保刚度要求。
1.1.3 铝型材选用型材为,发包人指定选用品牌的铝材或相同档次的产品。
1.1.4 主要型材结构式样参见招标图纸,承包人也可依据指定的型材厂家选择最恰当的型材系列,部分型材断面有可能需要新开模具,承包人应对生产厂商进行了解,投标时视为已经考虑开模费用。
1.1.5 铝金金门窗型材的基材应满足1.1.5.1 铝合金型材牌号为;1.1.5.2 型材的尺寸偏差精度等级为高精度级;1.1.5.3 型材的其它性能应符合GB/T -2000的要求1.1.6 铝合金门窗喷涂型材应满足1.1.6.1 铝型材表面采用氟碳喷涂,平均膜厚≥30μm;1.1.6.2 铝型材表面采用粉末喷涂,平均膜厚≥40μm,涂层的光泽为哑光RD34%;1.1.6.3 颜色在铝型材采购前由发包人确定,除非承包人投标中已作说明,发包人颜色的确定均不增补费用。
1.1.6.4 其它性能应符合GB/T 的要求。
1.1.6.5 承包人负责要求粉末喷涂厂家向发包人提供10年品质保证证书。
1.2 玻璃1.2.1 玻璃的选用应符合下表:有特别注明的玻璃按图纸所示采用,玻璃的选用必须符合国家和地区之法规、规范。
所有安全玻璃必须有永久性的3C标志。
铝单板幕墙工程技术交底一、项目概述铝单板幕墙工程是指在建筑外墙表面安装铝合金单板,形成具有装饰和保护功能的外墙系统。
本文将详细介绍铝单板幕墙工程的技术要求、施工流程、材料选用及质量控制等方面的内容。
二、技术要求1. 铝单板材料选用:铝合金板材应符合国家标准要求,板厚一般为2.0mm-4.0mm,表面处理采用氟碳喷涂,具有耐候性和耐腐蚀性。
2. 幕墙系统设计:根据建筑结构和设计要求,进行幕墙系统的设计,包括构造、固定方式、接缝处理等。
3. 施工工艺:施工前应进行现场勘测,并制定详细的施工方案。
施工时应按照设计要求进行铝单板的安装、固定和密封处理。
4. 系统性能:铝单板幕墙系统应具有良好的抗风压、抗震、隔音、隔热等性能,满足国家标准和设计要求。
三、施工流程1. 材料准备:准备所需的铝合金单板、型材、密封胶等材料,并进行质量检查。
2. 幕墙系统设计:根据建筑设计图纸和要求,进行幕墙系统的设计,包括构造、固定方式、接缝处理等。
3. 现场准备:对施工现场进行清理,搭建脚手架和安全防护措施。
4. 铝单板安装:按照设计要求和施工方案,进行铝单板的安装,确保板材平整、垂直度和水平度符合要求。
5. 固定和密封处理:采用合适的固定方式,如螺栓固定或胶粘固定,并进行接缝的密封处理,确保幕墙系统的密封性能。
6. 质量检验:对已安装的铝单板进行质量检验,包括外观质量、固定牢固性、密封性能等方面。
7. 完工验收:完成铝单板幕墙工程后,进行完工验收,确保工程质量符合要求。
四、材料选用1. 铝合金板材:选择符合国家标准的铝合金板材,具有耐腐蚀、耐候性能,同时要考虑板厚、强度等因素。
2. 型材:选用合适的铝合金型材,如角材、边框材等,确保幕墙系统的稳定性和承载能力。
3. 密封胶:选择具有良好耐候性和粘接性能的密封胶,确保幕墙系统的密封性能。
五、质量控制1. 施工前的质量控制:对材料进行检查,确保材料质量符合要求;对施工方案进行评审,确保施工方案合理可行。
铝单板加工技术规范05-06-14 关于铝单板加工技术规范一、铝材:1、铝材采用西南或瑞闽幕墙铝板。
2、材质选用3003H24或1100H24系列铝板,宽度大于1500选用3003H24,若无特殊说明均使用1100H24(具体由甲方材料部在下定料单时注明)。
3、材料厚度:铝板原铝材厚度2.0?0.10mm、2.5?0.20mm、3.0?0.30mm。
二、涂料:选用PPG、ValsPar或AKZO-Nobel氟碳涂料,要求Kynar500@氟碳树脂含量不小于70%(具体编号由甲方材料部下定料单时注明)。
三、板件的制作:板件的角部不打磨直角,自熔焊接成圆角;1、板件的折边高度:A、板宽小于700mm时,折边高度为15~25mm之间调整;B、板宽大于700mm时折边高度为25mm;C、 R小于700时,弧边折边高度为15mm;D、 R大于700小于10000时弧边折边高度15~25mm之间调整;E、 R大于10000mm时,折边高度按A、B折边高;F、板件展开尽量控制在1000~1300mm之间,最大展开宽度不超过1500mm;G、转角部位板件的立体最小尺寸不能大于850mm。
2、板件的角码:A、板件的折边高度不同时,但加工角码后的高度保证一致;B、角码的长度为40或50mm,铆接孔为φ5.2孔距为25mm或22mm,固定孔为6×11腰形孔;C、加角码后高度大于35mm时,配足角码由工地现场组织安装。
3、加强筋的布置:A、加强筋材料用1.0mm厚镀锌钢板或2.5mm铝板折弯筋。
B、镀锌钢板截面为35×22×6×1“ ”,铝筋截面为38×20×2.5“ ”。
C、加强筋间距按600mm布置,超过1500mm宽的板另定。
D、板宽小于600mm 时不布置加强筋。
E、加强筋布置位置一般按垂直于长边布置。
F、加强筋端头距板件边缘小于等于25mm。
G、加强筋两端头孔起始位置小于25mm,加强筋的孔为8×16或9×22腰形孔,孔中心距大于220mm小于320mm。
铝单板幕墙工程技术交底一、项目背景铝单板幕墙工程是一种常见的建筑外墙装饰方式,通过安装铝合金制成的单板,形成一个整体的幕墙系统。
本文将详细介绍铝单板幕墙工程的技术要求、施工流程和注意事项。
二、技术要求1. 材料选择:- 铝单板:采用厚度为2.0mm的铝合金单板,表面涂层应符合建筑外墙涂料的相关标准。
- 铝合金型材:采用高强度铝合金型材,表面进行防腐处理。
- 固定件:选择优质的不锈钢固定件,确保固定牢固可靠。
2. 设计要求:- 幕墙结构设计应满足国家相关标准和规范要求,包括抗风压、抗震等。
- 幕墙的隔热、保温、防水、防火等性能应符合建筑设计要求。
- 幕墙的安全防护措施要符合相关法规和标准。
3. 施工工艺:- 幕墙安装前,应对基层墙体进行清理、防水处理等预处理工作。
- 铝单板的加工应采用专业设备,确保尺寸精确、表面平整。
- 幕墙安装时,应按照设计要求进行定位、固定和连接,确保结构稳固可靠。
- 幕墙的密封处理应采用合适的密封材料,确保防水、防尘、防风等性能。
4. 检验验收:- 幕墙工程竣工后,应进行全面的检验验收工作,包括外观质量、功能性能等方面。
- 检验验收应按照相关标准和规范进行,确保工程质量符合要求。
三、施工流程1. 准备工作:- 确定施工方案和施工计划。
- 准备所需材料和工具设备。
- 安排施工人员和技术人员。
2. 基层处理:- 清理基层墙体,确保平整、无杂物。
- 进行基层墙体的防水处理,确保幕墙的防水性能。
3. 铝单板加工:- 根据设计要求,将铝合金板材进行切割、折弯等加工。
- 检查加工后的铝单板尺寸和表面质量。
4. 幕墙安装:- 按照设计要求,进行幕墙的定位、固定和连接。
- 确保幕墙结构的稳固可靠性。
- 安装完成后,进行外观质量检查。
5. 密封处理:- 采用合适的密封材料,对幕墙进行密封处理。
- 确保幕墙的防水、防尘、防风等性能。
6. 检验验收:- 进行全面的检验验收工作,包括外观质量、功能性能等方面。
铝单板幕墙工程技术交底一、项目概述铝单板幕墙工程是指利用铝合金板材作为幕墙的外部装饰材料,通过一定的安装结构和工艺,将铝单板固定在建筑物的外墙表面,起到美观、防水、保温、隔热等功能的一种建筑幕墙形式。
本文将详细介绍铝单板幕墙工程的技术要求和交底内容。
二、技术要求1. 材料要求:a. 铝合金板材应符合国家标准,具有良好的表面平整度和耐候性能。
b. 铝单板的厚度、规格应符合设计要求。
c. 铝单板的颜色、涂层种类应符合设计要求。
d. 安装所需的各类铝材、型材、连接件等应符合国家标准。
2. 施工要求:a. 幕墙的安装应符合国家建筑幕墙工程施工及验收规范。
b. 安装前应根据设计图纸和施工方案进行预埋件的设置,确保安装的牢固性和稳定性。
c. 铝单板的安装应按照施工方案进行,注意板材的定位、对齐和垂直度要求。
d. 铝单板的固定应采用专用的铝合金角码和不锈钢螺丝,固定位置和数量应符合设计要求。
e. 安装过程中应注意防止刮伤、腐蚀、变形等情况的发生。
3. 质量要求:a. 铝单板的表面应平整、光滑,无明显的划痕、色差和氧化斑点。
b. 铝单板的连接处应严密,无松动、开裂等现象。
c. 铝单板的固定件应坚固可靠,不得出现脱落、松动等情况。
d. 铝单板的涂层应均匀、牢固,不得有起泡、剥落等现象。
e. 安装完毕后,应进行全面检查和清洁,确保铝单板幕墙的整体质量。
三、交底内容1. 工程概述:a. 项目名称、位置、建筑面积、施工单位等基本信息。
b. 工程的设计要求、施工方案和进度计划。
2. 材料交底:a. 铝单板的材质、规格、颜色、涂层种类等。
b. 铝材、型材、连接件等相关材料的规格、型号、数量等。
3. 施工交底:a. 幕墙施工的施工方法、工艺流程、安装顺序等。
b. 预埋件的设置方法和要求。
c. 铝单板的安装方法和注意事项。
d. 铝单板的固定方法和固定件的选择。
e. 幕墙的密封处理、防水措施等。
f. 安全施工要求和注意事项。
4. 质量交底:a. 铝单板的外观质量要求。
1.范围本技术要求适用于本公司各种规格的铝型材。
2.规范性引用文件GB/T3190-1996 变形铝及铝合金化学成分GB5273.1-2004 铝合金建筑型材第1部分基材GB5273.2-2004 铝合金建筑型材第2部分阳极氧化、着色型材GB2828.1-2003 计数抽样检验程序第1部分按接收质量限检索的逐批检验抽样计划3.技术要求3.1材质要求3.1.1 铝型材的牌号及状态应符合本公司相应规格铝型材的设计文件中相关项目的要求。
3.1.2 铝型材的材质应符合GB/T3190中对于相应材质成分的要求。
3.1.3 铝型材的力学性能应符合GB5237.1中对于相应牌号、状态的材质力学性能要求。
3.2阳极氧化膜性能要求3.2.2 阳极氧化的性能应符合GB5237.2中对于相应膜厚级别的阳极氧化性能的要求。
3.3截面尺寸铝型材的截面尺寸应符合本公司相应规格铝型材的设计文件中相关项目的要求。
3.4铝型材的角度允许偏差铝型材的角度偏差应符合GB5237.1相关项目中超高精级的要求。
注:如本规格铝型材的设计文件中,在相关项目上已有明确的规定的。
以设计文件的规定为准。
3.5平面间隙铝型材的平面间隙应符合GB5237.1相关项目中超高精级的要求。
3.6铝型材弯曲度铝型材的弯曲度应符合GB5237.1相关项目中超高精级的要求。
3.7型材的扭拧度铝型材的扭拧度应符合GB5237.1相关项目中超高精级的要求。
3.8 型材长度允许偏差,允许偏差为+15mm;公称长度>6m时,允许偏差由双方协商确定。
3.9外观要求根据本公司技术要求送样合格后,以供需双方认可的样品作为判定标准。
贴膜与型材表面不得有分离现象。
任意800mm段内不得有超过3处的高度>0.5mm的褶皱。
任意800mm段内的气泡数<10处,单个气泡的长×宽<10×10mm2。
贴膜厚度不小于0.05mm,膜厚均匀,批次内最薄与最厚差不超过0.02mm。
整体解决方案系列外墙铝板施工技术方案要求(标准、完整、实用、可修改)编号:FS-QG-70231外墙铝板施工技术方案要求Technical requirements for the construction of aluminum panels forexternal walls说明:为明确各负责人职责,充分调用工作积极性,使人员队伍与目标管理科学化、制度化、规范化,特此制定外墙铝板施工技术方案及要求1、铝板墙体安装的准备(1)弹线放样定位作业A、基准层的墨线是以柱中心线核实凭墨线作为基准线(离地面一米高,在柱上标出),把幕墙的正确安装位置放出来。
B、基准层的水平墨线为基础,在柱头适当高度的地方(例如一米)划出工作墨线,利用经纬仪、铅垂仪、水准仪、样板尺登载个层进行同样的放线定位。
C、幕墙分割轴线的测量放线与主体结构的测量放线配合,对误差应进行控制、分配、消化,不使其成为实际表面误差。
(2)幕墙框架的安装A、定位放线结束后在各层次进行支承件安装。
以工作墨线、水平墨幕墙中心线来定支承件的正确位置。
B、立挺的安装。
按立挺轴线与标高位置将立挺标高偏差调制不大于3mm,轴线前后偏差至不大于2mm,左右方向偏差至大于3mm。
C、相邻两根立挺安装标高偏差不应大于2mm,同层立挺的最大标高偏差不应大于3mm。
D、相邻两根横挺的水平标高偏差不大于1mm,同层标高偏差根据幕墙宽度控制在5-7mm之内。
E、现场焊接或高墙螺栓紧固的构件固定后,进行抗拔实验,符合规范要求后再大面积施工。
F、在焊接处必须进行防锈处理G、立挺和横挺安装后,及时在立挺和横挺上贴保护纸,或根据设计师要求进行保护。
待安装完成和污染后,再用二甲苯擦试干净。
H、铝板基层框架根据设计院计算确定,采用铝结构或钢结构,本标书建议采用镀锌钢结构。
2、铝板板块的施工铝板安装(1)、铝板剪切要求按照设计师的下料单,合理提高铝板利用率。
剪切后折边,合理堆放。
铝板中间需用保护纸分离。
铝单板技术要求
WEIHUA system office room 【WEIHUA 16H-WEIHUA WEIHUA8Q8-
1.总则
本工程3mm厚外表面氟碳喷涂处理铝单板用于檐口、外墙等部位装修用;
0.8mm铝扣板用和厚金属铝单板用于室内天花装修。
2.名词术语
详见相应规范、标准说明。
3.采用技术标准
4.技术要求
所选用的铝合金型材截面特性应满足各种荷载作用下的强度和刚度(挠度)要求,由于不同牌号和状态的铝型材的强度设计值不同,还需根据计算选择符合要求的牌号和状态的铝材。
本工程铝合金型材的合金牌号为6063-T5。
铝型材选用国产高精级铝型材,化学成份符合GB3190《铝及铝合金加工产品的化学成份》中的规定,幕墙及门窗主要受力构件的壁厚符合现行规范的有关规定。
铝合金型材表面处理方式以最终封样为准,镀膜厚度符合国家规范,镀膜层符合AAMA、ASTM。
尺寸偏差
项目尺寸范围允许偏差
长度、宽度,mm ≤2000 ±
>2000 ±
折边高度,mm - ±
对角线差,mm 铝单板长度≤2000 ±
铝单板长度>2000 ±
折边角度,度- ≤1
板面平直度,mm/m - ≤
当铝单板有去面时,其曲面与供需双方商定的标准模板间的最大间隙≤2mm。
光泽
涂层的60°光泽值应与合同所规定的光泽值基本一致,其允许的偏差应不大于5个光泽单位。
厚度
硬度
涂层的铅笔划痕硬度应≥1H。
附着力
涂层的干式、湿式、沸水附着力均应达到0级。
耐冲击性
涂层正面经冲击试验后,不应有裂纹及脱落现象,但在凹陷处周边允许有细小的皱纹。
耐硝酸腐蚀性能
经硝酸试验后,涂层的变色色差应≤.
耐溶剂性能
经丁酮试验,来回擦洗100次厚涂层应不露底。
耐洗涤性能
经洗涤剂浸泡试验后,涂层表面应无明显变化,用胶带法撕剥时不能有涂膜脱落现象。
耐盐雾腐蚀性能
在带有交叉划痕的试板上,经1000h乙酸盐雾试验后,其涂层表面不应产生腐蚀斑点,在交叉划线处产生的腐蚀流应在离划线的两侧各2mm以内,用胶带法撕剥时,在离划线2mm以远的部分,不应有涂膜脱落现象。
当采用铜加速乙酸盐雾试验时,经120h试验后,其保护等级≥
人工加速耐候性
涂层经氙灯照射人工加速老化试验2000h后,其表面不产生粉化现象(0级),失光率应≤30%(2级),变色色差应≤(1级)。
耐湿热性
涂层经1500h湿热试验,其变化应≤1级。
5.规格和数量(含需要提供的备品备件)
7.检验与验收
8.质量保证
9.出厂试验检测
10.运输。