低频正弦信号发生器
- 格式:doc
- 大小:1.16 MB
- 文档页数:18
附录一低频信号发生器的使用说明一.概述AS1033型低频信号发生器采用了中央处理器控制面板的操作方式,具有良好的人机界面。
输出正弦波信号频率从2Hz~2MHz连续可调,输出正弦波信号幅度从0.5mV~5V连续可调,并设有TTL输出方波功能,频率从2Hz~2MHz连续可调,占空比从20%~80%连续可调。
面板显示清晰明了,操作简单方便,输出频率调节可采用频率段调节(轻触开关粗调)和数码开关调节(段内细调)二种,其中数码开关调节又分快调和慢调两种,五位数码管直接显示频率,输出幅度调节采用轻触粗调(20dB、40dB、60dB)和电位器细调(20dB)以内,三位数码管直接显示输出电压有效值或衰减电平。
中央处理器控制整机各部分,并采用了数/模、模/数转换电路,应用数码开关作为频率调节输入。
振荡电路采用压控振荡与稳幅放大相结合,具有良好的稳幅特性。
电路中还加入输出保护、TTL输出、方波占空比可调电路等。
二.技术特性1.频率范围:2Hz~2MHz,共分五个频段第一频段:2Hz~30Hz第二频段:30Hz~450Hz第三频段:450Hz~7kHz第四频段:7kHz~100kHz第五频段:100kHz~2MHz2.正弦波输出特性(1)输出电压幅度(有效值):0.5mV~5V(2)幅频率特性:≤±0.3dB(3)失真度:2Hz~200kHz≤0.1%,200kHz~2MHz,谐波分量≤-46dB3.方波输出特性⑴最大输出电压(空截,中心电平为0):14Vp-p⑵占空比(连续可调):20%~80%⑶逻辑电平输出:TTL电平,上升、下降沿≤25ns4.输出电抗:600Ω5.频率显示准确度:1×10-4±1个字6.正常工作条件⑴环境温度:0~40℃⑵相对湿度:<90%(40℃)⑶大气压:86~106kpa⑷电源电压:220±22V,50±2.5Hz7.消耗功率:<10W三.面板及操作说明1.整机电源开关(POWER)按下此键,接通电源,同时面板上指示灯亮。
附录一低频信号发生器的使用说明一.概述AS1033型低频信号发生器采用了中央处理器控制面板的操作方式,具有良好的人机界面。
输出正弦波信号频率从2Hz~2MHz连续可调,输出正弦波信号幅度从0.5mV~5V连续可调,并设有TTL输出方波功能,频率从2Hz~2MHz连续可调,占空比从20%~80%连续可调。
面板显示清晰明了,操作简单方便,输出频率调节可采用频率段调节(轻触开关粗调)和数码开关调节(段内细调)二种,其中数码开关调节又分快调和慢调两种,五位数码管直接显示频率,输出幅度调节采用轻触粗调(20dB、40dB、60dB)和电位器细调(20dB)以内,三位数码管直接显示输出电压有效值或衰减电平。
中央处理器控制整机各部分,并采用了数/模、模/数转换电路,应用数码开关作为频率调节输入。
振荡电路采用压控振荡与稳幅放大相结合,具有良好的稳幅特性。
电路中还加入输出保护、TTL输出、方波占空比可调电路等。
二.技术特性1.频率范围:2Hz~2MHz,共分五个频段第一频段:2Hz~30Hz第二频段:30Hz~450Hz第三频段:450Hz~7kHz第四频段:7kHz~100kHz第五频段:100kHz~2MHz2.正弦波输出特性(1)输出电压幅度(有效值):0.5mV~5V(2)幅频率特性:≤±0.3dB(3)失真度:2Hz~200kHz≤0.1%,200kHz~2MHz,谐波分量≤-46dB3.方波输出特性⑴最大输出电压(空截,中心电平为0):14Vp-p⑵占空比(连续可调):20%~80%⑶逻辑电平输出:TTL电平,上升、下降沿≤25ns4.输出电抗:600Ω5.频率显示准确度:1×10-4±1个字6.正常工作条件⑴环境温度:0~40℃⑵相对湿度:<90%(40℃)⑶大气压:86~106kpa⑷电源电压:220±22V,50±2.5Hz7.消耗功率:<10W三.面板及操作说明1.整机电源开关(POWER)按下此键,接通电源,同时面板上指示灯亮。
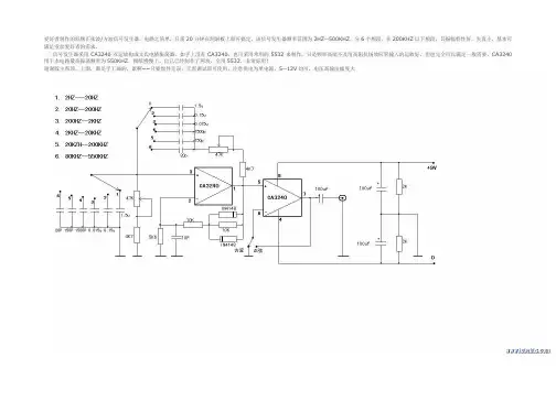
爱好者制作的低频正弦波/方波信号发生器,电路之简单,只需20分钟在洞洞板上即可搞定,该信号发生器频率范围为2HZ--500KHZ,分6个频段,在200KHZ以下频段,其振幅特性好,失真小,基本可满足业余爱好者的需求。
信号发生器采用CA3240双运放构成文氏电桥振荡器,如手上没有CA3240,也可采用常用的5532来制作,只是频率高端不及用高阻抗场效应管输入的运放好,但也完全可以满足一般需要,CA3240用于本电路最高振荡频率为550KHZ,图纸慢慢上。
自己已经制作了两块,全用5532,非常好用!
谢谢版主帮顶,上图,都是手工画的,累啊~~只要原件无误,无需调试即可使用,注意供电为单电源,5--12V均可,电压高输出幅度大。
信号发生器的分类信号发生器也称信号源,是用来产生振荡信号的一种仪器,为使用者提供需要的稳定、可信的参考信号,并且信号的特征参数完全可控。
所谓可控信号特征,主要是指输出信号的频率、幅度、波形、占空比、调制形式等参数都可以人为地控制设定。
信号发生器的分类1、正弦信号发生器正弦信号主要用于测量电路和系统的频率特性、非线性失真、增益及灵敏度等。
按频率覆盖范围分为低频信号发生器、高频信号发生器和微波信号发生器;按输出电平可调节范围和稳定度分为简易信号发生器(即信号源)、标准信号发生器(输出功率能准确地衰减到-100分贝毫瓦以下)和功率信号发生器(输出功率达数十毫瓦以上);按频率改变的方式分为调谐式信号发生器、扫频式信号发生器、程控式信号发生器和频率合成式信号发生器等。
2、低频信号发生器包括音频(200~20000赫)和视频(1赫~10兆赫)范围的正弦波发生器。
主振级一般用RC式振荡器,也可用差频振荡器。
为便于测试系统的频率特性,要求输出幅频特性平和波形失真小。
3、高频信号发生器频率为100千赫~30兆赫的高频、30~300兆赫的甚高频信号发生器,一般采用LC调谐式振荡器,频率可由调谐电容器的度盘刻度读出,主要用途是测量各种接收机的技术指标,输出信号可用内部或外加的低频正弦信号调幅或调频,使输出载频电压能够衰减到1微伏以下,高频信号发生器的输出信号电平能准确读数,所加的调幅度或频偏也能用电表读出。
此外,仪器还有防止信号泄漏的良好屏蔽。
4、微波信号发生器从分米波直到毫米波波段的信号发生器,信号通常由带分布参数谐振腔的超高频三极管和反射速调管产生,但有逐渐被微波晶体管、场效应管和耿氏二极管等固体器件取代的趋势,仪器一般靠机械调谐腔体来改变频率,每台可覆盖一个倍频程左右,由腔体耦合出的信号功率一般可达10毫瓦以上,简易信号源只要求能加1000赫方波调幅,而标准信号发生器则能将输出基准电平调节到1毫瓦,再从后随衰减器读出信号电平的分贝毫瓦值;还必须有内部或外加矩形脉冲调幅,以便测试雷达等接收机。
低频信号发生器的工作原理低频信号发生器是一种用于产生低频信号的设备,其工作原理主要基于振荡电路的原理。
振荡电路是一种能够产生连续变化的正弦波信号的电路,低频信号发生器就是利用振荡电路来产生低频信号的设备。
低频信号发生器的工作原理可以分为以下几个方面来解释:1. 振荡电路的概念在低频信号发生器中,振荡电路是其核心部件。
振荡电路是一种能够产生周期性变化的电压或电流的电路,其主要由一个放大元件(如三极管、场效应管等)、反馈网络和一个能量储存元件(如电感、电容)组成。
当电压或电流在振荡电路中被反馈并且增强时,能够产生连续变化的正弦波信号。
2. 负反馈原理低频信号发生器的振荡电路采用了负反馈原理。
负反馈是指将一部分输出信号反馈到输入端,以抑制电路中的非线性失真和稳定输出信号的变化。
在低频信号发生器中,通过正确设计反馈网络,能够使得振荡电路产生稳定、纯净的低频正弦波信号。
3. 控制元件低频信号发生器中的振荡电路通常会加入控制元件,如可变电阻、可变电容等。
这些控制元件能够通过调节电阻值或电容值来改变振荡电路的频率、幅度等参数,从而实现对低频信号的精确调节和控制。
4. 输出驱动电路除了振荡电路外,低频信号发生器还需要配备输出驱动电路。
输出驱动电路可以将振荡电路产生的低频信号放大并输出到外部设备,如示波器、扬声器、其他测量设备等。
输出驱动电路通常包括放大器、隔直电路等部分,以保证低频信号的准确输出。
低频信号发生器的工作原理主要是依托振荡电路的原理,并结合负反馈、控制元件和输出驱动电路等部分共同实现对低频信号的产生和输出。
这些原理的相互作用使得低频信号发生器能够产生稳定、精确的低频信号,广泛应用于各种仪器仪表、声音设备、通信设备等领域。
简易低频正弦信号发生器的设计摘要在电子和通信产品中往往需要高精度的低频正弦信号,本文提出了一种使用arm微处理器控制dds芯片产生可调频率的低频正弦信号发生器的方案,使得产生信号的频率稳定度和精度等指标都达到了较高的要求。
关键词 ml2035;lm3s;cortex-m3;zlg7290中图分类号tn74文献标识码a文章编号1674-6708(2010)21-0098-020 引言在科学研究、工程教育及生产实践中,常常需要用到低频、高精度的正弦信号,而传统的信号发生器绝大部分都是由模拟电路构成,频率虽然可达百兆赫兹并在高频范围内其频率稳定性与可调性好,但在低频信号输出时,其需要rc值很大,频率的稳定度和精度等指标都不高。
随着电路系统的数字化发展,直接数字频率合成(direct digital synthesizer,dds)作为一种波形产生方法,具有相位连续、频率分辨率高、转换速度快、信号稳定等诸多优点,从而使得dds技术得到了广泛的应用。
本文利用cortex-m3内核的arm芯片lm3s101与ml2035相配合,完成了简易数控频率可调低频正弦信号发生器电路的设计。
1 dds技术简介直接数字合成技术(direet digital synthesis,简称dds)是一种全数字化的频率合成器。
dds基本原理框图如图1所示,主要由相位累加器、波形rom、d/a转换器和低通滤波器构成。
时钟频率给定后,输出信号的频率取决于频率控制字,频率分辨率取决于累加器位数,相位分辨率取决于rom的地址线位数,幅度量化噪声取决于rom的数据位字长和d/a转换器位数。
dds技术作为一种先进的直接数字频率合成技术,用数字控制的方法从一个频率基准源产生多种频率,具有高可靠性、高集成度、高频率分辨率及频率变化快、控制灵活等特点,在通信与仪表领域得到了广泛的应用。
2 系统结构本发生器主要由利用cortex-m3内核的arm微控制器lm3s101驱动使用dds技术的单片低频正弦信号发生器ml2035完成信号的产生,同时使用专业的zlg7290按键和数码管显示芯片完成人机交互。
如需产品详细资料,登陆 搜索产品型号即可XD1022低频信号发生器频率:1、频率范围:1Hz —1MHz 三位数显,分六个波段2、频率误差:小于±(1.5%f+1Hz )3、频率稳定度:Ⅰ、Ⅱ波段≤2×10ˉ³/小时,Ⅲ、Ⅳ波段≤1×10ˉ³/小时正弦波: 1、幅度:≥6V(开路) 2、额定输出电压误差:≤±1db3、失真:f=20Hz —200KHz≤0.1%4、电表分刻度误差小于满度值的±5%5、衰减器误差A :0—80db≤1dbB :90db f <500KHz≤±1db f≥500KHz≤±3db 6、输出阻抗:600Ω±10%脉冲信号:1、幅度:0—10Vp-p 连续可调 2、宽度:0.3—0.7连续可调 3、上升下降时间:≤0.3μS4、上脉、下脉:≤7%5、顶部倾斜:f=100KHz≤5%TTL 逻辑信号: 1、波形:方波 2、幅度:高电平4.5v±0.5v 低电平<0.3v 3、极性:正4、下降时间:<0.1μS5、负载能力:>25mAXD1040低频功率信号发生器频率: 1、频率范围:1Hz —1MHz 三位数显,分六个波段2、频率误差:小于±(1.5%f+1Hz )3、频率稳定度:Ⅰ、Ⅱ波段≤2×10-3/小时,Ⅲ、Ⅳ波段≤1×10-3/小时正弦波电压输出: 1、电压有效值范围:0.1mV —200V (开路)2、衰减器输出:0—90db3、失真:f=20Hz —20kHz≤0.15%正弦波功率输出: 1、匹配输出:大于5W (f=20Hz-400KHz )2、匹配阻抗:8Ω、50Ω、600Ω、 5k Ω3、失真:20Hz —20kHz≤0.2%方波输出 : 1、幅度:0—10Vp-p 连续可调 2、上升下降时间:≤0.3μS3、上脉、下脉:≤7%4、顶部倾斜:f=100Hz≤5%TTL 逻辑信号 1、幅度:高电平4.5v±0.5v,低电平<0.3v 2、波形:方波XD1632函数信号发生器XD1042低频功率信号发生器频率: 1、范围:1Hz —1MHz 三位数显,分六个波段2、频率误差:小于±(1.5%f+1Hz )3、频率稳定度:Ⅰ、Ⅱ波段≤2×10-3/小时,Ⅲ、Ⅳ波段≤1×10-3/小时正弦波电压输出 1、电压有效值范围:0.1mV —6V (开路)2、衰减器输出:0—90db3、失真:f=20Hz —200MHz≤0.1%正弦波功率输出 1、匹配输出:大于10W (f=20Hz —200KHz )2、匹配阻抗:8Ω—30Ω3、失真:20Hz —200MHz≤0.15%方波输出 1、幅度:0—10Vp-p 连续可调 2、上升下降时间:≤0.3μS3、上脉、下脉:≤7%4、顶部倾斜:f=100KHz≤5%TTL 逻辑信号 1、波形:方波 2、幅度:高电平4.5v±0.5v,低电平<0.3 vTFG2015A 任意波信号发生器TFG5010V 脉冲时间信号发生器脉冲特征:同步脉冲,单脉冲,双脉冲,正极性,负极性,正向,反向,内触发,外触发,手动触发,支流偏移波形特征:脉冲波,时间间隔,正弦波,方波脉冲波方波升降时间:<20ns时间特征:时间范围:50ns~600s分辨率:五位数字精度:±(5×10ˉ5 To+10ns)幅度特性:幅度范围:100mV~20Vpp(高阻) 分辨率:20mV或1‰精度:±(1%Vo+分辨率)输出特点:主输出:脉冲波,正弦波,方波。
低频信号发生器的使用说明一、器件介绍二、连接器件1.将发生器的电源线插入电源插座,并确保电压稳定;2.将发生器的输出端口与所需连接的设备的输入端口连接。
通常可通过BNC连接器将信号发生器与外部设备连接。
三、设置参数1.打开电源开关,启动发生器。
在显示屏上将会显示基本参数,如频率、幅度等;2.利用旋钮或按键设置所需的信号频率。
一般情况下,可以通过旋钮一步步地调整频率,也可以通过输入具体数值来直接设置频率;3.设置输出幅度。
通过旋钮或按键可以调整信号的幅度,选择合适的幅度范围,并通过输入具体数值来直接设置幅度值;4.如果需要,还可以设置其他参数,比如波形类型、相位、频率调制等。
四、使用功能1.正弦波:低频信号发生器可以产生各种波形,其中最常用的是正弦波。
可以通过设置频率、幅度来调整正弦波的特点;2.方波:方波是一种平坦的波形,通常用于测试数字电路,可以通过设置频率、幅度来调整方波的特点;3.脉冲波:脉冲波是一种带有高峰值的波形,通常用于测试计时电路等;4.三角波:三角波是一种连续的波形,通常用于测试滤波器频率响应等;5.调频信号:低频信号发生器还可以产生调频(FM)信号,可以通过设置调频范围和调频深度来调整调频信号的特点。
五、注意事项1.在使用低频信号发生器之前,需要确保电源接地良好,以避免电击等意外;2.调节信号幅度时,需要避免过高的输出幅度,以免损坏连接设备;3.当需要连接低频信号发生器与其他设备时,要确保连接器件与线缆质量良好,并避免松动接触导致信号失真;4.在进行精密测量时,可以考虑使用外部校准装置进行校准,以提高测量准确性;5.在长时间使用低频信号发生器时,要注意发生器的散热问题,避免过热。
总结:低频信号发生器是一种功能强大的信号产生仪器,通过设置频率、幅度等参数,可以产生各种波形的信号。
在使用低频信号发生器时,需要连接合适的设备,并注意设置参数和注意事项。
正确使用低频信号发生器,可以实现科研、测试、教学等领域的需求。
A题正弦信号发生器摘要本文介绍以DDS芯片AD9851为产生正弦信号的波信号核心,以单片机为主控制器,实现了从低频100hz到高频10Mhz宽频带的频率任意设定(亦可以设定步进为10hz或者100hz等可调)、高精度(频稳度优于10-5)的正弦信号发生器,输出电压幅度为50欧姆负载上输出幅度大于1V。
并且实现了产生从1Mhz~10Mhz范围内调制度m a可调的模拟幅度调制(AM)信号,和把自行产生的M序列数字二进制基带信号调制成100khz固定频率载波二进制键控制的ASK 和PSK。
关键词DDS,PSK,ASK,模拟幅度调制(AM)信号,模拟频率调制(FM)信号,正弦信号发生器,M序列,多谐振荡器,模拟乘法器,可控增益宽带放大器,AD9851,AD603,MC1496AbsatractThis system is designed to generate sine wave generator. We use the DDS devise AD9851 as the system’s core, the single chip 89S52 as the MCU of the system. This sine wave generator can generate sine wave from 100khz to 10Mhz with a step 10hz or 100hz or 100khz, also, can generate AM analog signals, can generate ASK and PSK digital signal.KeywordDDS,PSK,ASK, sine wave generator, AM analog signals, LCD,MCU,DDS devise AD9851.1、设计任务和要求设计制作一个正弦信号发生器。
1.1基本要求(1)正弦波输出频率范围:1kHz~10MHz;(2)只有频率设置功能,频率步进:100Hz;(3)输出信号频率稳定度:优于10-4;(4)输出电压幅度:在50Ω负载电阻上的电压峰-峰值Vopp ≥1V;(5)失真度:用示波器观察时无明显失真。
什么是信号发生器?信号发生器是一种电子设备,用于产生不同频率、幅度和波形的电信号。
它是电子测量和实验中不可或缺的工具,被广泛应用于电子、通信、无线电等领域。
信号发生器通过输出精确可控的电信号,提供了一种方便、可靠的方式来测试电子设备的性能、测量信号的参数以及调试电路。
下面将从信号发生器的原理、分类以及应用范围三个方面来进行详细介绍。
一、信号发生器的原理信号发生器的工作原理主要基于振荡电路。
当信号发生器内部的振荡电路受到外部激励时,会产生特定频率和波形的稳定电信号。
这些电信号通过放大电路进行放大,然后经过滤波电路进行滤波,最终输出到外部设备进行测试或调试。
二、信号发生器的分类1. 按波形分类(1)正弦波信号发生器:产生正弦波形状的信号,它的频率和振幅可以通过控制器进行调节。
(2)方波/脉冲信号发生器:产生方波或脉冲波形的信号,用于测试脉冲响应和数字电路的性能。
(3)三角波信号发生器:产生三角波形的信号,可用于测试滤波器、谐振电路等。
2. 按频率范围分类(1)低频信号发生器:频率范围一般在几赫兹至几兆赫兹之间,适用于低频电路的测试。
(2)中频信号发生器:频率范围一般在几兆赫兹至几十兆赫兹之间,适用于中频电路的测试。
(3)射频信号发生器:频率范围一般在几十兆赫兹至几千兆赫兹之间,适用于射频电路的测试。
3. 其他分类(1)模拟信号发生器:产生模拟信号,如音频信号、视频信号等。
(2)数字信号发生器:产生数字信号,用于测试数字电路。
(3)函数信号发生器:可以根据特定的数学函数产生各种复杂波形的信号。
三、信号发生器的应用范围1. 电子设备测试:信号发生器被广泛应用于电子设备的测试中,如电视、收音机、手机等设备的性能测试以及通信模块的调试。
2. 电路调试与校准:信号发生器可以用来测试电路的各种参数,如频率响应、幅值响应等,并可以通过校准来修正电路中的误差。
3. 声音和音频测试:信号发生器可以产生不同频率和振幅的音频信号,用于测试音频设备、音箱等的音质和性能。
简介FJ-XD22PS低频信号发生器的使用方法作者:赵月霞来源:《科技创新导报》 2011年第10期赵月霞(衢州市工程技术学校浙江衢州 324000)摘要:本文结合笔者多年在电工电子类实验室的使用经验,以及教学的总结,把FJ-XD22PS 低频信号发生器的使用方法进行了详细的阐述,以便各位同行使用,同时可以作为学生自学的辅助材料。
关键词:低频信后发生器操作步骤波形中图分类号:TN98 文献标识码:A 文章编号:1674-098X(2011)04(a)-0067-01低频信号发生器是我们在电子实验或者开发中不可缺少的仪器,它是为进行电子测量提供满足一定技术要求电(波形)信号的仪器设备。
通常我们使用的有很多种型号,下面以FJ-XD22PS 低频信号发生器为例,介绍它的使用。
该种仪器是多用途测量仪器,它除了能够输出正弦波、矩形波尖脉冲、TTL电平、单次脉冲等五种波形,还可以作频率计使用,测量外输入信号的频率。
因此,它的使用方法以及操作过程都有必要介绍一下。
在使用过程中,我认为我们应按照以下几个步骤进行操作:(1)将低频信号发生器的电源线接入“220V,50HZ”的交流电源上。
一定要注意三芯电源插座的地线端应与大地接好,避免干扰信号影响设备。
(2)开机前应把面板上各输出量的旋钮旋至最小。
同时,为了使得其有足够的频率稳定度,需有预热过程。
待预热完毕后,我们需要做的是进行频率调节、选择波形转换、衰减设定、调节幅度、调节矩形波的脉宽、设置“单次”触发、使用频率计等工序,具体如下:(3)频率调节:根据面板上作频段选择用的频率波段按键,按下相应按键,然后再调节粗调和细调旋钮至待需要的频率上。
此时“内外测”键置内测位置,输出信号的频率由六位“8”字型数码管显示。
(4)选择波形转换:根据需要波形种类,按下相应的波形键位。
波形选择键从左至右依次是正弦波、矩形波、尖脉冲、TTL电平的按键。
(5)衰减设定:输出的衰减有0dB、20dB、40dB、60dB、80dB五个档,根据需要选择,在不需要衰减的情况下须按下0dB键,否则因信号被衰减而导致没有信号输出。
任务书一、毕业设计(论文)题目:低频正弦信号发生器二、毕业设计(论文)工作规定进行的日期:年月日起至年月日止三、毕业设计(论文)进行地点: 11栋506四、任务书的内容:目的:任务:低频正弦信号发生器工作日程安排:设计(论文)要求:1、基本要求(1)实现1Hz-1KHz变化的正弦信号。
(2)通过面板键盘控制输出频率,频率最小步进1Hz。
(3)输出双极性。
(4)用LED数码管实时显示波形的相关参数。
2、发挥部分(1)不改变硬件设计,将上限频率扩展到10KHz。
(2)不改变硬件设计,扩展实现三角波和方波信号。
(3)可通过PC机上的“虚拟键盘”,实现频率等参数的控制。
(4)实现对幅度的控制。
主要参考文献:1、周雪模拟电子技术(修订版)西安电子科技大学出版2、杨志中数字电子技术(第二版)高等教育出版社3、张澄高频电子电路人民邮电出版社4、张志良单片机原理与控制技术(第二版)机械工业出版社5、张大明单片微机控制应用技术西安电子科技大学出版社学生开始执行任务书日期 200 年月日指导教师签名:年月日学生送交毕业设计(论文)日期: 200 年月日教研室主任签名:年月日学生签名:年月日目录1方案论证.................................................. 错误!未定义书签。
1.1信号发生.......................................................................................... 错误!未定义书签。
1.1.1方案一.......................................................................................... 错误!未定义书签。
1.1.2方案二.......................................................................................... 错误!未定义书签。
1.2模拟频率调制.................................................................................. 错误!未定义书签。
1.2.1方案一.......................................................................................... 错误!未定义书签。
1.2.2方案二.......................................................................................... 错误!未定义书签。
2系统模块硬件电路分析. (4)2.1 CPU控制模块 (4)2.1.1 CPU选择 (4)2.1.2简单的小系统控制板介绍 (5)2.2 16*2字符型带背光液晶显示模块 (8)2.3 驱动电路的模块............................................................................. 错误!未定义书签。
2.3.1行驱动管74HC4953..................................................................... 错误!未定义书签。
2.3.2译码器.......................................................................................... 错误!未定义书签。
2.3.3列驱动.......................................................................................... 错误!未定义书签。
2.3.4总线驱动器.................................................................................. 错误!未定义书签。
3本系统LED显示屏信号的了解................................ 错误!未定义书签。
3.1 CLK时钟信号.................................................................................. 错误!未定义书签。
3.2 STB锁存信号.................................................................................. 错误!未定义书签。
3.3 EN使能信号.................................................................................... 错误!未定义书签。
3.4数据信号.......................................................................................... 错误!未定义书签。
3.5 ABCD行信号.................................................................................... 错误!未定义书签。
4电路与程序设计............................................ 错误!未定义书签。
4.1硬件电路的设计.............................................................................. 错误!未定义书签。
4.1.1系统总体框图(图7)............................................................... 错误!未定义书签。
4.2程序设计思路框图(图8)........................................................... 错误!未定义书签。
5调试过程 (13)6 设计总结 (14)附件1 电路图 (15)附件1.1主控板:AT89S52单片机原理图(图9) (15)附件1.2主控板:AT89S52单片机PCB图(图10) (15)附件1.3点阵显示屏原理图................................................................. 错误!未定义书签。
附件1.4 4x4键盘原理图(图12) (15)附件1.5 4x4键盘PCB图(图13) (17)附件2 源程序............................................... 错误!未定义书签。
附件2.1主程序.......................................... 错误!未定义书签。
附件2.2点阵显示程序.................................... 错误!未定义书签。
附件2.3按钮扫描程序.................................... 错误!未定义书签。
一、方案论证1、信号产生方案一:使用传统的锁相频率合成的方法。
要求产生1KHz到10MHz的信号,用锁相环直接产生这么宽的范围很困难,所以先产生50.001M到60M的可调信号,然后把此信号与一个50M的本振混频,得到需要的频率。
此方法产生的频率稳定度高,但波形频谱做纯很困难,幅度也不恒定,实现也麻烦。
方案二:采用专用DDS芯片产生正弦波。
优点:软件设计,控制方便,电路易实现,容易直接达到题目要求的频率范围和步进值,且稳定性和上法一样,频谱纯净,幅度恒定,失真小。
综上所述,选择方案二用专用DDS芯片AD9850产生正弦波。
AD9850是采用DDS技术、高度集成化的器件,当它在并行工作方式时,有8根数据线、3根控制线与单片机相连。
AD9850的频率控制字为:其中FTW为频率控制字,为要输出的正弦的频率,为系统时钟的频率,由晶振产生。
2、模拟频率调制方案一:使用内调制(软件调制),通过单片机中断,对外来模拟调制信号进行采样,采样速率为40MHz,然后对采样值进行转换,把电压转换成对应的频偏,然后转换成相应的频率控制字送DDS,以实现对1Hz正弦信号的调频,这样可以满足最大频偏的精度要求。
方案二:使用外调制,通过锁相环控制DDS总时钟,在锁相环电路中进行频率调制,来改变DDS输出信号频率,间接实现调频,这样实现简单,频域内频谱连续,但是很难做到精确的10KHz和5KHz的最大频偏。
综合以上方案,选择方案一,实际中要求调制信号是固定不变的1KHz 正弦信号,所以,我们直接把正弦信号存储在单片机中,并且换算好频率控制字。
2系统模块硬件电路分析2.1 CPU控制模块2.1.1 CPU选择用微型计算机渗透到测试领域并得到充分发挥,是现代测试技术发展的必然趋势,也是目前作为智能仪表的设计的一般方法,目前市场上的单片机从数据总线宽度上来分主要有8位机、16位机、32位机,其中的32位单片机近年来在信号分析与处理、语音处理、数字图象处理等数字信号处理运用领域得到广泛的运用,但在工业测控现场,占主导地位的还是8位机和16位机,对本课题涉及的高精度多路温度的测量,运用单片机的主要目的是构成一个具有一定判断、运算能力以及具有存储、显示、通信等功能的智能测量仪表,它所处理的信息量和复杂程度由于是温度因而用8位机已经足够了。
目前,生产单片机的厂商有很多,尤其是近年来微电子技术、计算机技术的飞速发展,比较著名的有Intel、Philips、Microchip、Motorola、Zilog、Atmel等半导体企业。
在上述著名的半导体企业产品中,尤其在工业测控场合,运用较多的为Intel公司的MCS-51系列,Microchip公司的PIC系列,近年来,随着Intel公司对8031内核的公开以及各半导体企业在关键技术上的相互渗透,不仅Intel公司,而且Philips公司、Atmel公司等企业目前都生产MCS-51系列的CPU。