SG-T043 混凝土工程施工检验批质量验收记录
- 格式:doc
- 大小:42.00 KB
- 文档页数:3
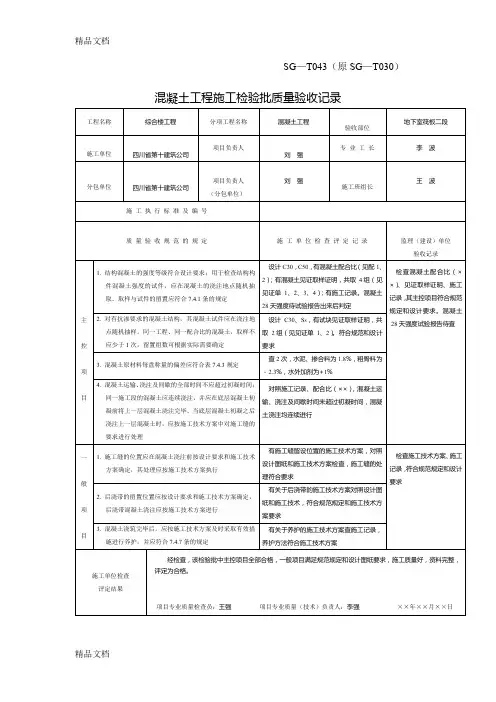
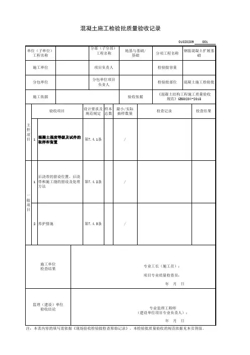
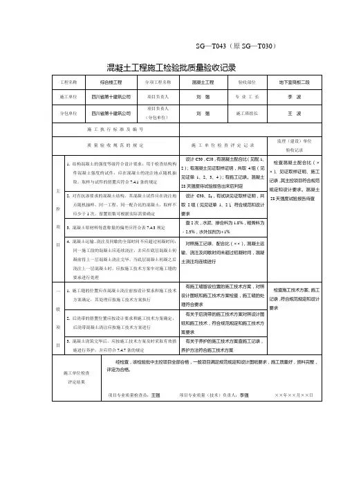
混凝土施工检验批质量验收记录混凝土施工检验批质量验收记录(GB50204-2002)表7.4编号:010603(3)/020103(3)□□□□010603(3)/020103(3)□□□□说明主控项目7.4.1 结构混凝土的强度等级必须符合设计要求。
用于检查结构构件混凝土强度的试件,应在混凝土的浇筑地点随机抽取。
取样与试件留置应符合下列规定:1、每拌制100盘且不超过100m3的同配合比的混凝土,取样不得少于一次;2、每工作班拌制的同一配合比的混凝土不足100盘时,取样不得少于一次;3、当一次连续浇筑超过1000m3时,同一配合比的混凝土每200m3取样不得少于一次;4、每一楼层、同一配合比的混凝土,取样不得少于一次;5、每次取样应至少留置一组标准养护试件,同条件养护试件的留置组数应根据实际需要确定。
检验方法:检查施工记录及试件强度试验报告。
7.4.2 对有抗渗要求的混凝土结构,其混凝土试件应在浇筑地点随机取样。
同一工程、同一配合比的混凝土,取样不应少于一次,留置组数可根据实际需要确定。
检验方法:检查试件抗渗试验报告。
7.4.3 混凝土原材料每盘称量的偏差应符合表7.4.3的规定。
原材料每盘称量的允许偏差注:①各种衡器应定期校验,每次使用前应进行零点校核,保持计量准确;②当遇雨天或含水率有显著变化时,应增加含水率检测次数,并及时调整水和骨料的用量。
检查数量:每工作班抽查不应少于一次。
检验方法:复称。
7.4.4混凝土运输、浇筑及间歇的全部时间不应超过混凝土的初凝时间。
同一施工段的混凝土应连续浇筑,并应在底层混凝土初凝之前将上一层混凝土浇筑完毕。
当底层混凝土初凝后浇筑上一层混凝土时,应按施工技术方案中对施工缝的要求进行处理。
检查数量:全数检查。
检验方法:观察,检查施工记录。
一般项目7.4.5 施工缝的位置应在混凝土浇筑前按设计要求和施工技术方案确定。
施工缝的处理应按施工技术方案执行。
检查数量:全数检查。
混凝土施工检验批质量验收记录目录:
1、混凝土施工检验批质量验收记录
2、混凝土灌注桩检验批质量验收记录
GB50204-2002 目录号:4.1.10.4.25 共(检验批)
混凝土施工检验批质量验收记录第
GB50204-2002 目录号:4.1.10.4.25 共(检验批)
混凝土施工检验批质量验收记录第
GB50204-2002 目录号:4.1.10.4.25 共(检验批)
混凝土施工检验批质量验收记录第
GB50204-2002 目录号:4.1.10.4.25 共(检验批)
混凝土施工检验批质量验收记录第
GB50204-2002 目录号:4.1.10.4.25 共(检验批)
混凝土施工检验批质量验收记录第
GB50204-2002 目录号:4.1.10.4.25 共(检验批)
混凝土施工检验批质量验收记录第
GB50204-2002 目录号:4.1.10.4.25 共(检验批)
混凝土施工检验批质量验收记录第
GB50204-2002 目录号:4.1.10.4.25 共(检验批)
混凝土施工检验批质量验收记录第
GB050202-2002 目录号:4.1.10.4.9 共(检验批)
混凝土灌注桩检验质量验收记录第
GB050202-2002 目录号:4.1.10.4.9 共(检验批)
混凝土灌注桩检验质量验收记录第。
混凝土施工工程检验批质量验收记录二、建设单位:________三、工程名称:________四、施工单位:________五、工程地点:________六、工程规模及内容:________七、施工周期:____年___月___日至____年___月___日八、检验期:____年___月___日至____年___月___日一、检验批编号:_____二、本批施工工程主要项目:1.工程进度按照合同约定进行。
2.工程质量按照国家相关标准进行控制。
3.构筑物的混凝土强度等级为____。
4.施工现场安全管理符合国家相关要求。
5.相关材料符合国家相关标准。
三、检验结果1.检验人员及资格:_______;_______;_______。
2.检验方法:符合相关国家标准。
3.检验地点:_______。
4.检验日期:____年___月___日。
四、检验项目及结论1.混凝土原材料:1)水泥项目:外观、硫酸盐含量、标号、包装、生产厂家等。
结论:______。
2)砂项目:颗粒分析、含水率、杂质含量等。
结论:______。
3)石子项目:颗粒分析、强度、杂质含量等。
结论:______。
4)水项目:外观、浊度、酸碱度等。
结论:______。
2.混凝土配合比:项目:水灰比、砂率、粗细配合、坍落度等。
结论:______。
3.施工工艺:1)浇注前准备项目:模板安装、钢筋绑扎、通风、浇注前的清场等。
结论:______。
2)浇注过程项目:泵送机设备状况、混凝土浇注方式、掺合料的使用等。
结论:______。
3)浇注后处理项目:养护期、养护温度、养护湿度等。
结论:______。
4.混凝土强度:项目:试块制作、试块养护、试块试验等。
结论:______。
五、质检工程师意见:_______。
六、结论:经检验,本批施工工程质量符合相关标准和要求。
七、备注:_______。
附:检测报告、试验原始记录、试验设备校准证书、质量证明文件等。
注:本记录一式两份,建设单位、施工单位各保存一份。
混凝土施工检验批质量验收记录本部分记录施工单位的名称、地址和负责人等基本信息。
施工单位名称:[填入施工单位的名称]地址:[填入施工单位的地址]负责人:[填入施工单位的负责人姓名]施工单位名称:[填入施工单位的名称]地址:[填入施工单位的地址]负责人:[填入施工单位的负责人姓名]施工单位名称:[填入施工单位的名称]地址:[填入施工单位的地址]负责人:[填入施工单位的负责人姓名] 以上为施工单位的基本信息,确保准确记录。
以上为施工单位的基本信息,确保准确记录。
以上为施工单位的基本信息,确保准确记录。
描述施工现场的具体情况,如地理位置、施工时间等本章记录混凝土材料的验收情况,包括材料种类、验收标准、抽样检测等。
1.材料种类以下是混凝土材料的种类及相关信息:水泥:[填写水泥种类和规格]骨料:[填写骨料种类和规格]砂:[填写砂的种类和规格]混凝土添加剂:[填写添加剂的种类和规格]2.验收标准混凝土材料的验收标准如下:水泥:[填写水泥验收标准]骨料:[填写骨料验收标准]砂:[填写砂的验收标准]混凝土添加剂:[填写添加剂的验收标准]3.抽样检测抽样检测是为了验证混凝土材料的质量是否符合标准。
以下是抽样检测的详细过程:根据混凝土材料的种类和规格,确定抽样数量和方法。
按照标准操作规程,进行抽样。
将抽样的材料送往实验室进行检测。
检测结果与验收标准进行对比,确保混凝土材料的质量满足要求。
在混凝土施工检验批质量验收记录中,还应包括其他相关章节,用于记录施工过程中的检验情况和质量验收结果。
检验人员应具备相应的资质和经验。
检验设备应符合标准规定,并经过校准和验证。
按照施工规范和要求进行验收记录的填写。
以上是《混凝土施工检验批质量验收记录》的大纲,根据实际情况添加详细内容,以确保记录的全面性和准确性。
记录混凝土配合比的确定过程,包括实验室试验数据等。
2.1 浇注检验浇注时间:[填写具体时间]浇注人员:[填写具体人员]检验结果:[填写检验结果,如符合要求、存在问题等]备注:[填写其他需要记录的信息]2.2 振捣检验振捣时间:[填写具体时间]振捣人员:[填写具体人员]检验结果:[填写检验结果,如符合要求、存在问题等]备注:[填写其他需要记录的信息]2.3 养护检验养护时间:[填写具体时间]养护人员:[填写具体人员]检验结果:[填写检验结果,如符合要求、存在问题等]备注:[填写其他需要记录的信息]通过对混凝土施工过程的检验,确认了浇注、振捣和养护等环节的质量情况。
混凝土工程施工检验批质量验收记录一、前言混凝土作为建筑工程中常用的材料,其质量直接关系到工程的安全和稳定。
对混凝土工程施工的质量进行检验和验收是非常重要的一环。
本文将围绕混凝土工程施工的检验批质量验收记录展开讨论,以期对相关人员进行科学、合理的指导和规范。
二、检验批信息项目名称:XXX工程检验批号:XXX施工单位:XXX公司检验批负责人:XXX监理单位:XXX监理公司质检单位:XXX质检公司三、施工情况1. 混凝土类型:普通混凝土2. 浇筑部位:楼板3. 浇筑日期:20XX年XX月XX日4. 混凝土强度等级:C305. 搅拌站:XXX混凝土搅拌站6. 运输方式:自卸车运输四、原材料检验1. 水泥1.1 规格:XXX1.2 生产厂家:XXX公司1.3 检验依据:GB/T XXXX-XXXX 1.4 检验结果:合格2. 砂、石料2.1 规格:XXX2.2 生产厂家:XXX公司2.3 检验依据:GB/T XXXX-XXXX 2.4 检验结果:合格3. 水3.1 检验依据:GB/T XXXX-XXXX 3.2 检验结果:合格4. 外加剂4.1 规格:XXX4.2 生产厂家:XXX公司4.3 检验依据:GB/T XXXX-XXXX4.4 检验结果:合格五、混凝土配合比检验1. 配合比设计值:C302. 检验结果:符合设计要求六、搅拌运输检验1. 混凝土装车时坍落度:XXX2. 混凝土抗渗性能:符合要求3. 混凝土运输过程中有无分层、渗水等现象:无七、浇筑验收1. 浇筑前模板检验:符合要求2. 硬化混凝土表面平整度:符合要求3. 浇筑温度、冷缝处理情况:符合要求八、养护验收1. 养护措施:XXX2. 养护时间:XX天3. 养护效果:符合要求九、试块成型及试块养护制度1. 试块成型方式:XXX2. 试块养护温度、湿度:符合要求3. 试块养护期:XX天4. 试块养护效果:符合要求十、混凝土强度检验1. 试块编号:XXX2. 强度设计值:C303. 强度检验结果:符合设计要求十一、质量验收结论根据以上施工检验批的质量情况进行全面检查和验收,确认其符合相关国家标准和工程要求,达到验收标准,特发此次混凝土工程施工检验批质量验收合格证,并签字盖章。