[学士]混凝土楼盖课程设计计算书模板
- 格式:doc
- 大小:1.13 MB
- 文档页数:29
钢筋混凝土课程设计设计题目:混凝土楼板设计学院:土木工程学院专业:土木工程班级:082学生姓名:王**学号:080*************大学土木工程系2011.6.27本科生课程设计任务书2010 —2011学年暑季学期学院土木工程专业课程设计名称:混凝土结构课程设计设计题目:钢筋混凝土楼盖设计完成期限:自2011 年7 月11 日至2011 年7 月22 日共 2 周1.设计依据、要求及主要内容设计依据:混凝土结构设计规范GB50010-2002;楼盖(梁系、板)结构弹塑性内力计算原理及方法。
设计要求:楼盖结构应满足安全性、适用性和耐久性要求;所设计结构方案应方便施工;应考虑结构的经济性要求。
主要内容:楼盖方案的确定;现浇钢筋混凝土(连续)板及梁的设计计算;钢筋混凝土2.设计内容和要求2.1工程名称:钢筋混凝土楼盖结构设计2.2 基本资料:(1)建筑平面布置:平面尺寸12000×30000mm2,四边边柱柱距6000mm,厅中无柱,楼面标高4.5m。
建筑平面布置见附图。
(2)楼面做法:88J1楼44(5层做法,130mm厚,楼面做法重量2.30kN/m2)。
(3)结构做法:全现浇钢筋混凝土楼盖和柱,楼面活荷载标准值4.00kN/m2。
(4)本设计不考虑结构水平荷载,梁柱结构按铰接考虑。
2.3 设计内容与要求(1)楼盖结构方案(包括结构体系、材料、构件尺寸)的比较与确定(2)钢筋混凝土楼盖板设计计算(3)钢筋混凝土楼盖梁(主梁、次梁)设计计算(4)钢筋混凝土楼盖结构施工图2.4 设计要求(1)结构方案应满足使用功能、受力合理、方便施工、造价相对较低的要求。
(2)结构的内力计算采用弹性或塑性方法。
(3)钢筋混凝土构件设计应满足安全性、适用性和耐久性要求。
(4)施工图按照平法标注法绘制。
3.设计工作任务及工作量的要求(1)完成结构方案的比较、分析与确定。
包括结构体系的优选、构件尺寸的确定、材料及其强度的确定。
混凝土楼盖课程设计计算书编制人:班级:学号:编制日期:混凝土楼盖课程设计计算书1基础设计资料(1)工业仓库楼盖,外围墙体为砖墙,采用Mu10烧结普通砖,M5混合砂浆砌筑,纵墙厚度370mm, 横墙厚度240mm,平面轴线尺寸如下图所示:(2)内柱为钢筋混凝土柱,截面尺寸400mm*400mm(3)材料:混凝土强度等级C25:f c=11.9N/mm2 , f t=1.27N/mm2 , f tk=1.78N/mm2;板筋、主次梁箍筋为HPB300级(f y=270N/mm2);梁纵筋HRB335级(f y=300N/mm2,ξb=0.55)(4)荷载标准值:楼面活荷载标准值q k=4.0kN/m2;水磨石楼面自重标准值0.65KN/m2;钢筋混凝土自重标准值25kN/m3 ;顶棚水泥砂浆抹灰20mm厚,自重标准值17kN/m32 板的设计(按塑性理论方法)主次梁、板、柱的布置如上图,6000/2200>2,为单向板(1)确定板厚及次梁截面①板厚hh>=l/40=2200/40=55mm,并应不小于民用建筑楼面最小厚度70mm,取h=80mm。
②次梁截面b×h次梁截面高h按(l/18~l/12)初估,h在333~500mm之间,选h=450mm,截面宽b=(1/2~1/3)h,选b=200mm。
(2)板荷载计算楼面面层(水磨石) 0.65kN/m2板自重 0.08×25=2.00kN/m2板底抹灰 0.02×17=0.34kN/m2恒荷载g 1.2×2.99=3.588kN/m2活荷载q 1.3×4.0=5.2kN/m2g+q=3.588+5.2=8.788kN/m2q/g=5.2/3.588=1.45﹤3(3)计算简图取板宽b=1000mm作为计算单元,由板和次梁尺寸可得板的计算简图(实际9跨,可按5跨计算),如下图示。
其中中间跨的计算跨度l o=l n=2200-100*2=2000mm;边跨的计算跨度l o=l n+h/2=1980+80/2=2020mm。
钢筋混凝土楼盖课程设计计算书1. 设计资料(1)楼面做法:20mm 厚水泥砂浆面层(320/kN m γ=),钢筋混凝土现浇板12mm 厚纸筋灰粉底(316/kN m γ=)。
(2)楼面荷载:楼面均布活荷载标准值6.0KN/m 2(3)材料:混凝土强度等级C25;钢筋强度为HPB235和HRB335。
2. 楼盖的结构平面布置确定主梁的跨度为7.2m ,次梁的跨度为6m ,主梁每跨内布置两根次梁,板跨为2.4m 。
按跨高比条件,对工业建筑的楼盖板,要求h ≥80mm ,取板厚h=80mm 。
次梁截面高度应满足60006000/18/12333.35001812h l l mm mm =-=-=,考虑到楼面活荷载比较大,取h=400mm,截面宽度取为b=200mm. 主梁截面高度应满足72007200/15/104807201510h l l mm mm =-=-=-。
取h=600mm ,截面宽度取为b=300mm 。
3. 板的设计 (1)荷载板的恒荷载标准值:20mm 水泥砂浆面层 20.02200.4kN m ⨯= 80mm 钢筋混凝土板 20.08252kN m ⨯= 12mm 混合纸筋灰粉底 20.012160.192kN m ⨯= 小计 22.592kN m(1)板的活荷载标准值: 26.0/kN m恒荷载分项系数取1.2;因为是工业建筑楼盖且活荷载标准值大于24.0kN m ,所以活荷载分项系数取1.3。
于是板的恒荷载设计值 22.592 1.23.11g kN m =⨯= 活荷载设计值 26.0 1.37.8/q kN m =⨯=荷载总设计值 210.91/g q kN m +=,近似取为210.9g q kN m +=(2)计算简图次梁截面为200400mm mm ⨯,板伸入墙内120mm 。
按内力重分布设计,板的计算跨度:边跨:010200802400120222022402222n a hl l mm l mm =+=--+=+= 所以,012220l mm =中间跨: 0224002002200n l l mm ==-=因跨度相差小于10%,可按等跨连续板计算。
混凝土结构课程设计计算书-—现浇单向板肋形楼盖设计11 土木工程(专升本)姓名: _____________________学号: _____________________完成日期: __________________混凝土结构课程设计现浇单向板肋形楼盖设计某多层工业建筑物平面如下图所示:采用现浇钢筋混凝土单向板肋梁楼盖。
一、设计资料1)楼面构造层做法:水泥砂浆地面(0.65KN/ m2)钢筋混凝土现浇板(25kN/m 2))20mm厚石灰砂浆抹底(17kN/m2);22)可变荷载:Pk=6.0 kN/m3)永久荷载分项系数为1.2,可变荷载分项系数为1.4 (当楼面可变荷载标准值》4kN/m 2时, 取1.3);4)材料选用:混凝土:采用C25 ;钢筋:梁纵向受力钢筋采用HRB400级钢筋,其余采用HPB235级钢筋;5)本建筑物位于非地震区,建筑物安全级别为二级,结构环境类别为一类。
二、楼盖的结构平面布置主梁沿横向布置,次梁沿纵向布置。
主梁的跨度为 6.3m,次梁跨度为6.6m,主梁每跨内布置两跟次梁,板的跨度为 2.1m ,l 02/101=6.6/2.仁3.14,因此安单向板设计。
按跨高比条件,要求板厚h> 2200/40=55.0mm,对工业建筑的楼盖板,要求h>80mm , 取板厚h=100mm。
次梁截面高度应满足h=l o/18~l o/12=66OO/18~66OO/12=366~55Omm。
考虑到楼面活荷载比较大,取h=500mm。
截面宽度取为b=200mm。
21) 计算简图次梁截面为 200*500mm ,现浇板在墙上的支承长度不小于 100mm ,取板在墙上的支承框架梁截面高度应满足 h=l 0/15~l 0/10=6600/15~6600/10=440~660mm ,取 h=600mm 。
截 面宽度取为 b=300mm 。
楼盖结构平面布置图如下图所示:三、板的设计1)荷载板的恒荷载标准值:水泥砂浆地面( 0.65KN/ m 2)=0.65kN/m钢筋混凝土现浇板: 20mm 厚石灰砂浆抹底:小计:板的活荷载标准值: 60.0kN/m 20.1*25=2.5kN/m 2 0.020*17=0.34kN/m 23.49 kN/m 2取 3.5 kN/m永久荷载分项系数为 所以取 1.3。
/hanqi2844课程设计成果报告题目:钢筋混凝土整浇楼盖设计课程:砼结构原理院(系):土木工程与力学学院班级:建筑1001学生姓名:方祥宇学号:3100106009指导教师:石启印完成日期: 2013.01.08钢筋混凝土整浇楼盖课程设计计算书3100106009 方祥宇一、设计资料1、恒载:水泥砂浆楼面容重220/kNm钢筋混凝土现浇楼板容重225/kNm纸筋灰粉刷层容重216/kNm2、活载:楼面活荷载标准值27.0/kN m3、恒载分项系数为1.2;活荷载分项系数为1.34、材料:混凝土强度等级采用C25(2/9.11mmN fc=,2/27.1mmN ft=)钢筋 梁中受力主筋采用HRB335级(2300/y f N mm= )其余采用HPB300级(2270/y f N mm=)二、平面结构布置:1、确定主梁的跨度为7.2m ,次梁的跨度为6.9m ,主梁每跨内布置两根次梁,板的跨度为2.4m 。
楼盖结构布置图见图纸。
2、按高跨比条件,当12400604040≥≈=h l m m时,满足刚度要求,可不验算挠度。
对于工业建筑的楼盖板,要求mm h 80≥,取板厚mm h 80= 3、次梁的截面高度应满足11(~)(383575)1218== h L m m,取450hmm=,则11()(150225)23== b h m m,取mm b 200=。
4、主梁的截面高度应该满足11()(514900)814== h L m m,750=h m m ,则11()(257450)23== b h m m,取mmb 250=。
三、板的设计(按塑性理论) 1、板的216900 2.8832400=≈<l l ,即可按单向板设计,又可按双向板设计,此次设计按单向板设计。
2、荷载计算: 板的恒荷载标准值: 取1m 宽板带计算:20mm 厚水泥砂浆楼面 20.02200.4/⨯=kN m 80mm 厚钢筋混凝土板 20.08252.0/kN m⨯=12mm 厚纸筋灰粉刷 20.012160.192/⨯=kN m 恒载: 22.59/=kgkN m活载: 27.017.0/=⨯=kqkN m板的荷载设计值: 21.2 1.312.21/+=+=kk g q g q kN m3、内力计算板的计算边跨: 0.20.082.40.12 2.222220.20.122.40.12 2.24 2.22222+=--+=+=--+=>n n h m m l m m ma m m l m m m m,取01 2.22=l m (mma 120=)中间跨: 022.40.20 2.2==-=n l l m m m计算跨度差(2.22 2.2)/2.20.09%10%-=<m m m ,说明可按等跨连续板计算内力(为简化计算起见,统一取0 2.22=l m )。
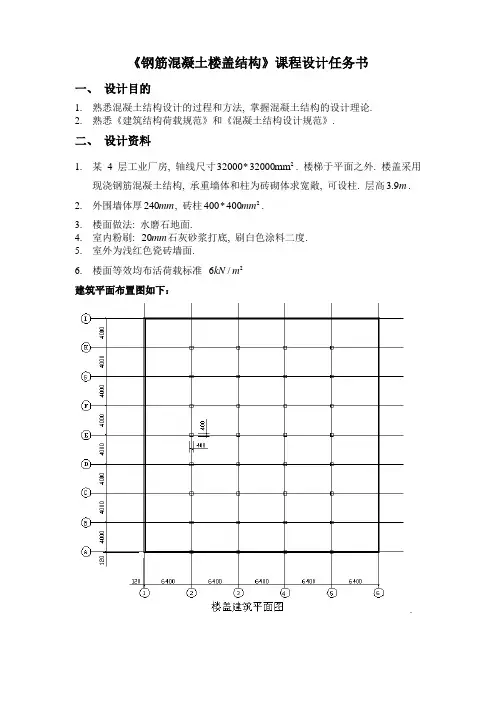
《钢筋混凝土楼盖结构》课程设计任务书一、 设计目的1. 熟悉混凝土结构设计的过程和方法, 掌握混凝土结构的设计理论.2. 熟悉《建筑结构荷载规范》和《混凝土结构设计规范》.二、 设计资料1. 某4层工业厂房, 轴线尺寸2mm 32000*32000. 楼梯于平面之外. 楼盖采用现浇钢筋混凝土结构, 承重墙体和柱为砖砌体求宽敞, 可设柱. 层高m 9.3. 2. 外围墙体厚mm 240, 砖柱2400*400mm .3. 楼面做法: 水磨石地面.4. 室内粉刷: mm 20石灰砂浆打底, 刷白色涂料二度.5. 室外为浅红色瓷砖墙面.6. 楼面等效均布活荷载标准 26/kN m 建筑平面布置图如下:.按高跨比条件,要地板厚4000/40100h mm ≥=,对于工业建筑的楼板,要求70h mm ≥,取板厚120h mm =。
支承梁1截面高度应满足6400/186400/12355.6533.1812llh ===取截面高度为500mm ,截面宽度为b=250mm.支承梁2截面高度应满足4000/184000/12222333.1812llh ===取截面高度为500mm ,截面宽度为b=250mm.三、板的设计按塑性铰线法设计(假设板厚120mm)(1)、设计荷载板的恒荷载标准值:水磨石地面 17*0.01+20*0.02=0.57kN/m 2 室内粉刷 17*0.020=0.34 kN/m 2 板自重 25*0.120=3 kN/m 2 小计: g=3.91 kN/m 2板的活荷载标准值:q=6 kN/m 2板荷载的设计值:q =1.3*6=7.8 kN/m 2g=1.2*3.91=4.692 kN/m 2设计荷载为 g+q=12.492 kN/m 2 取12.5 kN/m 2(2)、计算跨度内跨: l 01=l c -b=4000-250=3750mm l 02=l c -b=6400-250=6150mm 边跨: l 01=l c -250+120/2=3810mm l 02= l c -250+120/2=6210mm(3)、弯矩计算跨中钢筋在离支座l 1/4外间隔弯起。
混凝土结构课程设计计算书摘要:一、前言二、设计任务及要求三、设计计算1.结构选型与尺寸2.材料性能3.受力分析4.截面设计5.构造措施四、计算结果与分析1.构件内力计算2.截面性能计算3.结构性能评价五、结论与建议正文:一、前言本次混凝土结构课程设计,旨在掌握混凝土结构设计的基本原理和方法,培养独立进行结构设计的能力。
设计过程中,遵循我国现行的混凝土结构设计规范,确保设计的安全性、经济性和合理性。
二、设计任务及要求本次设计任务为:设计一栋两层混凝土框架结构建筑,总建筑面积为2000平方米,设计使用年限为50年,结构安全等级为二级,场地类别为Ⅱ类。
要求满足建筑功能需求,结构形式简单,施工方便。
三、设计计算1.结构选型与尺寸根据建筑功能和面积要求,本设计采用钢筋混凝土框架结构。
结构尺寸如下:柱间距为6米,梁高为2.4米,板厚为0.2米。
2.材料性能结构材料采用C30混凝土,抗压强度fc=30MPa;钢筋采用HRB400,抗拉强度fy=400MPa,屈服强度fy0.8=360MPa。
3.受力分析根据建筑荷载和结构尺寸,计算框架结构的荷载效应和内力。
荷载包括:恒载、活载、风载和地震载。
4.截面设计根据受力分析和材料性能,进行框架结构的截面设计。
包括:柱截面、梁截面和板截面。
5.构造措施根据规范要求,采取相应的构造措施,如:设置箍筋、弯起钢筋、纵筋连接器等,以确保结构的安全性能。
四、计算结果与分析1.构件内力计算通过计算,得到柱、梁、板等构件的内力值。
2.截面性能计算根据内力值和材料性能,计算截面性能,包括:抗弯性能、剪切性能、挠曲性能等。
3.结构性能评价对结构的整体性能进行评价,包括:结构刚度、变形、承载力等。
五、结论与建议本次设计符合任务要求,结构安全、经济、合理。
钢筋混凝土现浇楼盖课程设计计 算书陈卿世东 建工(3)092班 2011年6月1. 设计背景(1)某多层工业建筑的楼盖平面,如图所示。
楼梯设置在旁边的附属房屋内。
外墙厚为240mm ,钢筋混凝土柱截面尺寸为370mm ×370mm ,楼盖采用现浇钢筋混凝土单向板肋梁楼盖。
(2)楼面均布活荷载标准值为8KN/㎡。
(3)楼面做法:20mm 厚水泥砂浆面层,钢筋混凝土现浇板,天棚抹灰为20mm 厚混凝砂浆。
(4)材料选用混凝土:采用C20级(c f =9.6N/mm2,t f=1.1N/mm 2,1α=1.0);钢筋:梁中受力纵筋采用HRB335级(y y f f '==300N/ mm 2),其余钢筋均采用HPB235级(y y f f '== 210N/mm2)。
图1 楼盖平面图2、楼盖结构平面布置及截面尺寸的确定根据楼盖平面图可以确定:主梁的跨度为6m次梁的跨度为4.5m板的跨度为2m(主梁每跨内布置两根次梁,以使弯矩图较为平缓)(1)确定板厚:考虑刚度要求,板厚h≥1/40Lo=1/40×2000mm=50mm,考虑工业建筑楼板最小厚度为70mm,并且考虑到本工程的可变荷载较大,取h=80mm. (2)确定次梁截面尺寸:h=(1/18 ~1/12)Lo=250mm~375mm,取h=400mm,b=(1/3~1/2)h=134mm~200mm,取b=200mm,所以次梁的截面尺寸为:b×h=200mm×400mm(3)确定主梁截面尺寸:h=(1/14~1/8)Lo=429mm~750mm,取h=600mm,b=(1/3~1/2)h=200~300mm,取b=250mm,所以主梁的截面尺寸为:b×h=250mm×600mm.3、板的设计板的设计考虑塑性内力重分布方法计算,板在墙上的支承长度为120mm,板的实际支承情况如图2所示:图2.板的实际支承情况(1)荷载计算:20mm厚水泥砂浆面层:0.02×20=0.4KN/㎡80mm厚钢筋混凝土现浇板:0.08×25=2.0KN/㎡20mm厚天棚抹灰砂浆:0.02×17=0.34KN/㎡恒荷载标准值:gk=2.74KN/㎡活荷载标准值:qk=8.0KN/㎡总荷载设计值:1.2×gk+1.3qk=13.69KN/㎡(2)内力计算:计算跨度:边跨: Lo1=Ln+h/2=2000-100-120+80/2=1820mm中间跨: Lo2=Lo3=Ln=2000-200=1800mm跨度差[(1820-1800)/1800]×100%=1.1%<10%,故可按等跨连续板计算,计算简图如图所示:图3.板计算简图(3)板的配筋计算:取1m宽版带作为计算单元,b=1000mm,h=80mm,ho=80-20=60mm,钢筋采用HPB235级(fy= 210N/mm2),混凝土采用C20(fc= 9.6N/mm2)。
钢筋混凝土课程设计钢筋混凝土楼盖课程设计计算书一、设计资料1、概况某多层工业建筑楼盖,环境类别为一类,楼盖拟采用现浇钢筋混凝土梁板结构。
生产车间的四周外墙均为承重砖墙,其中墙厚370mm,采用MU10烧结普通砖、M5混合砂浆砌筑。
内设钢筋混凝土柱,其截面尺寸为400mm×400mm。
2、楼面做法20mm厚的水泥砂浆面层,钢筋混凝土板80mm,20mm的石灰砂浆天棚抹灰。
3、活载楼面活荷载标准值4.0KN/m2。
4、荷载系数恒载分项系数为1.2;活荷载分项系数为1.4(因楼面活荷载标准值大于4kN/m2)。
5、材料混凝土强度等级采用C30(ƒ c=14.3N/mm2;ƒ t=1.43N/mm2)梁内受力纵筋主筋采用HRB335级(ƒy=300N/mm2),其他钢筋为HPB300级(ƒ y=270N/mm2)二、构件截面尺寸的确定确定主梁的跨度为6.9m,次梁的跨度为6.3m,主梁每跨内布置两根次梁,板的跨度为2.2m。
楼盖结构布置图见图纸。
板厚:当h≥l/40=2300/40=55(mm)时,对于工业建筑的楼盖板要求h≥80mm,取h=80mm。
次梁的截面高度应满足h=l/(12~18)=6000/(12~18)=350~525(mm),考虑到活荷载较大,取h=500mm,取b=200mm。
主梁的梁高h=l/(8~14)=6900/(8~14)=493~862.5(mm),取h=600mm,梁宽b=250mm。
三、板的计算(按塑性理论)考虑到内力重分布,设计标准要求单向板的长宽比大于或等于3,这里12/l l =6300/2300=2.74<3,宜按双向板设计,按单向板设计时,应沿长边方向布置足够数量的构造钢筋。
这里按单向板设计。
1、荷载板的恒荷载标准值:20mm 厚水泥砂浆楼面 0.02×20=0.4(kN/2m ) 80mm 厚钢筋混凝土板 0.08×25=2(kN/2m ) 20mm 石灰砂浆 0.02×17=0.34(kN/2m ) 小计 2.74kN/2m 活荷载标准值 4kN/2m 恒荷载设计值 g =2.74×1.2=3.29(kN/2m ) 活荷载设计值 q=4.00×1.4=5.60(kN/2m ) 荷载载总设计值 g+q =3.29﹢5.6=8.89(kN/m 2), 取:8.89kN/2m2、计算简图取次梁截面200mm ×500mm,板在墙上的支承宽度为120mm ,如图1所示。
(1) 楼面做法:20mm 厚水泥砂浆面层,钢筋混凝土现浇板,20mm 厚水泥砂浆顶棚。
(2) 楼面荷载:均布活荷载标准值4.0KN/m 2。
(3) 材料:混凝土强度等级为C20,梁内受力纵筋为HRB335,其他为HRB235钢筋。
确定主梁的跨度为6.3m,次梁的跨度为6.3m,主梁每跨内布置两根次梁,板的跨度为2.1m,楼盖结构平面布置图见图 SJ-1。
按高跨比的条件,要求h ≥2100/40=53mm 。
对工业建筑的楼盖板,要求h ≥80mm,取板厚h=80mm。
次梁截面高度应满足h=l/18~l/12=6300/18~6300/12=(##~##)mm 。
取h=##mm 。
钢筋混凝土现浇单向板肋型楼盖设计 某轻工厂房的楼盖,拟采用政体式钢筋混凝土单向板肋梁楼盖,其中板、次梁按考虑塑性内力重分布考虑,主梁按弹性理论设计。
2.楼该的结构平面布置 1.设计资料SJ-1楼盖平面截面宽度取为b=##mm 。
主梁截面高度应满足h=l/15~l/10=6300/15~6300/10=(##~##)mm 。
取h=##mm 。
截面宽度取为b=##mm 。
(1) 荷载板的恒荷载标准值:20mm 厚水泥砂浆面层0.02×20=KN/m 280mm 厚钢筋混凝土板0.08×20=KN/m 220mm 厚板底石灰砂浆0.02×17=KN/m 2小计KN/m 2板的活荷载标准值:KN/m 2恒载分项系数取1,活荷载分项系数为1于是板的恒载设计值g=1=KN/m2活载设计值q=1=KN/m 2恒载设计值g+q=KN/m 2(2) 计算简图次梁截面为##mm×##mm,现浇板在墙上的支撑长度不小于100mm ,取板在墙上的支 承长度为##mm 按内力重分布设计,板的计算跨度:边跨:l 01=l n +h/2=2100-100-120+80/2=< 1.025l n =mm,取l 01=mm 中间跨:l02=ln=2100-200= 因跨度相差小于10%,可按等跨连续板计算。
LB-1矩形板计算项目名称_____________日期_____________设计者_____________校对者_____________一、构件编号:LB—1二、示意图三、依据规范《建筑结构荷载规范》GB50009—2001《混凝土结构设计规范》GB50010-2010四、计算信息1.几何参数计算跨度: Lx = 3000 mm; Ly = 6300 mm板厚: h = 100 mm2.材料信息混凝土等级: C25 fc=11.9N/mm2ft=1。
27N/mm2 ftk=1.78N/mm2Ec=2.80×104N/mm2钢筋种类: HRB400 fy = 360 N/mm2 Es = 2。
0×105 N/mm2最小配筋率: ρ= 0.200%纵向受拉钢筋合力点至近边距离: as = 25mm保护层厚度: c = 20mm3.荷载信息(均布荷载)永久荷载分项系数: γG = 1。
200可变荷载分项系数: γQ= 1.400准永久值系数: ψq = 1.000永久荷载标准值: qgk = 4.040kN/m2可变荷载标准值: qqk=2.000kN/m24.计算方法:弹性板5.边界条件(上端/下端/左端/右端):简支/固定/固定/简支6.设计参数结构重要性系数: γo = 1.00泊松比:μ =0。
200五、计算参数:1.计算板的跨度: Lo = 3000 mm2.计算板的有效高度:ho =h—as=100—25=75 mm六、配筋计算(ly/lx=6300/3000=2。
100〉2。
000,所以选择多边支撑单向板计算):1。
X向底板配筋1)确定X向底板弯距Mx =9*(γG*qgk+γQ*qqk)*Lo2/128= 9*(1。
200*4.040+1.400*2。
000)*32/128= 4。
840kN*m2) 确定计算系数αs= γo*Mx/(α1*fc*b*ho*ho)= 1。
混凝土结构楼盖课程设计学生姓名:班级:09监理1班学号:混凝土结构楼盖设计计算书1.设计资料1)楼面活荷载标准值6kN/m2。
2)楼面面层为20mm厚水泥砂浆面层,梁板底为15mm厚混合砂浆天棚抹灰。
3)材料选用混凝土:板、梁采用C30(α1f c=14.3N/mm2),柱采用C30(α1f c=14.3N/mm2)。
钢筋:主次梁钢筋采用HRB335级钢筋(f y=300N/mm2)。
墙体:采用MU15蒸压灰砂砖、M10混合砂浆。
2.结构平面布置根据工程设计经验,单向板板跨为2~4米,次梁跨度为4~6米,主梁跨度为6~8米较为合理。
所以取单向板跨为2.2米,次梁跨度为6米,主梁跨度为6.6米多跨连续板厚度按不进行挠度验算条件应不小于==55mm,及工业房屋楼板最小厚度为80mm的构造要求,故取板厚h=80mm。
次梁的截面高度h=(~)l0 =(~)×6600=333~500mm,取h=450mm次梁的截面宽度b=(~)h=(~)×450=150~225mm,取b=200mm主梁的截面高度h=(~)l=(~)×6600=471~825mm,取h=650mm主梁的几面宽度b=(~)h=217~325mm,取b=250mm3.板的设计楼面上无振动荷载,对裂缝开展宽度业务较高要求,故可按塑性理论计算。
(1)荷载计算荷载设计值计算如下:恒载:20mm厚水泥砂浆面层 1.2×0.02×20=0.48kN/m280mm厚钢筋混凝土板 1.2×0.08×25=2.40kN/m215mm厚混合砂浆板底粉刷 1.2×0.015×17=0.31kN/m2恒载小计:g=3.19kN/m2活载(标准值不小于4kN/m2时,活荷载系数为1.3)q=1.3×6.0=7.8kN/m2总荷载g+q=3.19+7.2=10.99kN/m2(2)计算简图取1m宽版带作为计算单元,各跨的计算跨度为:边跨:l0=l n+=(2.2-0.12-)+=2.04ml0=l n+=(2.2-0.12-)+=2.02m去较小者l0=2.02m中跨:l0=l n=2.20-0.2=2.00m边跨与中间跨的计算跨度相差=1%<10%。
课程设计钢筋混凝土现浇楼盖课程设计计算书系别:建筑工程系专业年级:07级土木工程专业姓名:学号:指导教师:职称:教授2010年月日目录一.设计任务内容 (1)二.结构计算 (2)1.楼板设计 (2)2.主梁设计……………………………………………………………………3.次梁设计……………………………………………………………………三.配筋图施工图………………………………………………………………1.楼板配筋施工图……………………………………………………………2.梁配筋施工图………………………………………………………………一、设计任务内容(一)设计任务二层建筑结构住宅,采用钢筋混凝土框架承重,内外墙为240mm砖墙。
设计时,只考虑竖向荷载作用,采用单、双向板肋梁楼盖,要求完成钢筋混凝土整体现浇楼盖的结构设计。
(二)设计内容1、结构布置确定柱网尺寸,柱截面尺寸见表1,主次梁布置及截面尺寸,并进行编号,绘制楼盖结构布置图。
2、板设计按单、双向板计算内力,并绘制板配筋图。
3、次梁设计按考虑塑性内力重分布的方法计算内力和正截面极限承载力,并绘制配筋图。
4、主梁设计按弹性方法计算主梁内力,绘制主梁的弯距、剪力包络图,根据包络图计算正截面、斜截面的承载力,并绘制主梁的抵抗弯拒图及配筋图。
(三)设计条件1、建筑尺寸(见图1*.dwg)图1 建筑平面布置2、可变荷载(kN/m2)为3 kN/m23、楼面做法:20mm厚水泥砂浆地面,钢筋混凝土现浇板,15mm厚石灰砂浆抹底。
4、荷载:永久荷载,包括梁、柱、板及构造层自重,钢筋混凝土容重25kN/m 3,水泥砂浆容重20kN/m 3,石灰砂浆容重17kN/m 3,分项系数=1.2。
可变荷载,楼面均布荷载标准值见表1。
分项系数=1.3或1.4。
5、材料梁、板混凝土强度等级C30。
主梁、次梁受力钢筋采用HRB335级钢筋,其他均用HPB235级钢筋。
二、结构计算(一)楼板计算1.设计资料(1)活荷载:2/0.3m kN q k = (2)恒荷载:20mm 厚水泥砂浆面层 钢筋混凝土现浇板 15mm 厚石灰砂浆摸底荷载分项系数:2.1=G γ,4.13.1或=Q γ(3)材料:C30级混凝土,梁受力钢筋HRB335级钢筋,其它为HPB235级钢筋。
212l 即500mm 232h 即200mm ,取310l即600mm,32h即200300b mm300mm=。
单向板肋梁楼盖结构平面布置如下图所示:(3).弯矩设计值计算相关数据代入公式后计算结果列入下表中:①②⑤⑥8@200251.0 8@200251.06/8@200196.08@200251.0②⑤6/8@170231.08@200251.06@170166.08@200251.0注:对轴线②⑤(3).内力设计值计算,列入下表中:318 763318 7633144613166036,双肢箍,可得箍筋间距:⨯30056.6(3).内力计算1).弯矩计算弯矩包络图(单位:kN m ⋅)(4).正截面承载力计算 1).确定翼缘宽度主梁跨中按T 型截面计算,翼缘宽度取:边跨:'0358*******f b l mm ===,'3005400=5700f n b b s mm =+=+ 取较小值'1963f b mm =;中跨:'03600032000f b l mm ===,'3005400=5700f n b b s mm =+=+ 取较小值'1963f b mm =。
支座截面仍按矩形截面计算。
222(弯)3181523 322(弯)3161743125(弯)218889.12164028 @250⨯1.27300140.31kN验算最小配筋率:8 @200排,次梁两侧各布置若不设吊筋,则14,主梁边支座下需设置梁垫,计算从略。
目录钢筋混凝土肋梁楼盖课程设计任务书 (1)一、设计资料 (1)二、截面尺寸选择 (2)三、计算步骤 (2)四、设计要求 (2)五、时间安排 (3)六、参考资料 (3)钢筋混凝土肋梁楼盖课程设计计算书 (4)一、板、梁的截面尺寸: (4)二、板的计算 (4)(一)、荷载 (5)(二)、计算简图 (5)(三)、弯矩计算 (6)(四)、配筋计算 (6)三、次梁的设计(按塑性内力重分布计算) (7)(一)、荷载 (8)(二)、计算简图 (8)(三)、计算内力 (8)(四)、配筋计算 (9)四、主梁的截面和配筋计算 (10)(一)、荷载 (11)(二)、计算简图 (11)(三)、弯矩、剪力计算及其包络图 (12)(四)、截面配筋计算 (14)(五)、主梁吊筋计算 (15)(六)、主梁正截面抗弯承载力图(材料图) (15)钢筋混凝土肋梁楼盖课程设计任务书一、设计资料某多层仓库楼盖结构平面布置如图,采用钢筋混凝土现浇楼盖。
1、楼面做法:20mm厚水泥砂浆面层钢筋混凝土现浇板15mm厚纸筋石灰抹底2、材料:混凝土:采用C20钢筋:梁中受力钢筋采用HRB335级钢筋,其它钢筋采用HPB235级钢筋荷载:恒载:包括梁、板及构造层自重钢筋混凝土容重25KN/m3 ,水泥砂浆容重20KN/m3,=1.2石灰砂浆容重17KN/m3,分项系数γg活载:楼面均布荷载标准值8KN/m2,=1.3分项系数γg二、截面尺寸选择按不需作挠度验算的条件考虑。
板:h≥l/40次梁:h=(1/18 ~1/12)lb=(1/2 ~1/3)h主梁:h=(1/14 ~1/8)lb=(1/2 ~1/3)h柱:b×h=300×300 mm三、计算步骤1、根据建筑平面图并考虑支承结构的合理性确定主、次梁的梁格布置方案。
并确定板的厚度和主、次梁的截面尺寸。
2、板厚和主次梁截面尺寸确定后,宜由指导教师检查后再进行下一步计算。
3、按照考虑塑性内力重分布的方法进行板的内力和配筋的计算。