温度仪表安装质量检验评定表
- 格式:doc
- 大小:14.76 KB
- 文档页数:1
表B.0.7 温度仪表安装报审、报验表
温度取源部件安装工程检验批质量验收记录
编号:
温度仪表安装工程检验批质量验收记录
编号:
表B.0.7 电缆支架安装报审、报验表
支架制作、安装工程检验批质量验收记录
编号:
表B.0.7 电缆桥架安装报审、报验表
电缆槽安装工程检验批质量验收记录
编号:
表B.0.7 电缆保护管安装报审、报验表
电缆保护管加工、敷设工程检验批质量验收记录
编号:
表B.0.7 电缆敷设安装报审、报验表
电缆敷设工程检验批质量验收记录
编号:
表B.0.7 电缆接线工程报审、报验表
电缆接线工程检验批质量验收记录
编号:。
SY4205-2007 石油天然气建设工程施工质量验收规范自动化仪表检验批质量验收记录表格目录1、表A.1自动化仪表工程质量检验用计量器具表 (2)2、表B.1自动化仪表工程单位工程(或分部工程)质量控制资料核查记录 (3)3、表C.1仪表盘(柜、台、箱)安装检验批质量验收记录 (5)4、表C.2温度仪表安装检验批质量验收记录 (7)5、表C.3压力仪表安装检验批质量验收记录表 (8)6、表C.4流量仪表安装检验批质量验收记录表 (9)7、表C.5物位仪表安装检验批质量验收记录表 (11)8、表C.7机械量和其他仪表安装检验批质量验收记录表 (12)9、表C.8执行器安装检验批质量验收记录表 (13)10、表C.9仪表线路安装检验批质量验收记录表 (14)11、表C.10仪表管道安装检验批质量验收记录表 (16)12、表C.11仪表试验检验批质量验收记录表 (18)自动化仪表工程质量检验用计量器具表见表 A.1表A.1自动化仪表工程质量检验用计量器具表表A.1自动化仪表工程质量检验用计量器具表(续)表B.1自动化仪表工程单位工程(或分部工程)质量控制资料核查记录表C.1仪表盘(柜、台、箱)安装检验批质量验收记录表C.1仪表盘(柜、台、箱)安装检验批质量验收记录续)SY4205-2007石油天然气建设工程施工质量验收规范自动化仪表检验批质量验收记录表C.2 温度仪表安装检验批质量验收记录SY4205-2007石油天然气建设工程施工质量验收规范自动化仪表检验批质量验收记录表C.3 压力仪表安装检验批质量验收记录表SY4205-2007石油天然气建设工程施工质量验收规范自动化仪表检验批质量验收记录表C.4 流量仪表安装检验批质量验收记录表SY4205-2007石油天然气建设工程施工质量验收规范自动化仪表检验批质量验收记录表C.4 流量仪表安装检验批质量验收记录表(续)SY4205-2007石油天然气建设工程施工质量验收规范自动化仪表检验批质量验收记录表C.5物位仪表安装检验批质量验收记录表SY4205-2007石油天然气建设工程施工质量验收规范自动化仪表检验批质量验收记录表C.7 机械量和其他仪表安装检验批质量验收记录表表C.8执行器安装检验批质量验收记录表SY4205-2007石油天然气建设工程施工质量验收规范自动化仪表检验批质量验收记录表C.9 仪表线路安装检验批质量验收记录表SY4205-2007石油天然气建设工程施工质量验收规范自动化仪表检验批质量验收记录表C.9 仪表线路安装检验批质量验收记录表仪表管道安装检验批质量验收记录表表C.10 仪表管道安装检验批质量验收记录表(续)表C.11仪表试验检验批质量验收记录表SY4205-2007石油天然气建设工程施工质量验收规范自动化仪表检验批质量验收记录表C.11 仪表试验检验批质量验收记录表(续)【本文档内容可以自由复制内容或自由编辑修改内容期待你的好评和关注,我们将会做得更好】。
分析仪表安装工程检验批质量验收记录表
一、基本信息
•工程名称:分析仪表安装工程
•检验批编号:2021001
•工程地点:***
•检验日期:***
二、验收内容
1.仪表选型是否符合设计要求
2.安装位置是否准确
3.仪表固定可靠性
三、验收人员
•主持人员:
•参与人员:
四、验收记录
1. 仪表选型
•仪表类型:***
•型号规格:***
•设计要求:***
•验收结果:符合 / 不符合
2. 安装位置
•安装位置:***
•安装情况描述:***
•验收结果:符合 / 不符合
3. 仪表固定
•固定方式:***
•固定牢固性:***
•验收结果:符合 / 不符合
4. 其他问题及处理情况
五、验收结论
经过检验,确认本次分析仪表安装工程符合质量要求,验收合格。
六、复验意见
1. 复验日期:
2. 复验人员:
3. 复验结论:
七、备注
以上为本次分析仪表安装工程检验批质量验收记录表。
以上内容由验收人员记录并签名确认。
工程名称分项工程名称仪表线路安装验收部位站内施工单位专业负责人项目经理施工执行标准名称及编号《自动化仪表工程施工及质量验收规范》GB50093-2013检验批编号质量验收规范规定施工单位检查评定记录监理(建设)单位验收意见主控项目1汇线槽、桥架、保护管、接线箱、电缆和光缆的型号、规格、材质、涂漆等符合设计文件规定,随机技术文件齐全。
符合要求施工质量经抽样检验合格,符合设计及施工质量验收规范要求2汇线槽、桥合设计文件咼温、易燃艺管道或设?架、保护管 :规定,且避: 人可燃、腐丿略。
的安装位置符开强电磁场、蚀性介质的工/接线箱的安装位置应符合设计文件规定。
符合要求在蠶槽内嗓交属源隔和仪表信/设备附带的专用电缆的敷设应符合随机技术文件的要求。
符合要求3汇线槽的支架间距合理、焊接符合设计文件规定。
/仪表线路安装检验批质量验收记录SY4 2 0 5汇线槽、桥架安装牢固,对口连接采用平滑的半圆头螺栓,螺母在汇线槽的外侧,并预/留适当膨胀间隙,内部清洁、无毛刺、槽口光滑、无锐边、有电缆护口。
保护管连接牢固,无严重变形,内部清洁、符合要求无毛刺、管口光滑、无锐边。
有电缆护口,管外壁防腐或防护措施符合设计文件规定。
电(光)缆的敷设方式符合实际文件的规定。
符合要求隐蔽辐射的电(光)缆,其路径、埋设深度符合设计文件规定,与任何地下管道平行或符合要求交叉敷设时,采取有能够避免电磁和热力影响的措施。
电(光)缆的两端、拐弯、伸缩缝、热补偿区段、易震部位均留有欲度,在桥架、垂直符合要求汇线槽、仪表盘、柜、台、箱内固定且松紧适度。
电伴热带的敷设和固定符合随机技术文件的符合要求要求。
仪表线路安装检验批质量验收记录(续1)SY4205工程名分项丄程名仪表线路验收部站内称称安装位施工单位专业负责人项目经理施工执行标准名称及编号《自动化仪表工程施工及质量验收规范》GB50093-2013检验批编号质量验收规范规定施工单位检查评定记录监理(建设)单位验收意见主控项目4接线质量电(光)缆的导通、衰减等技术指标符合设计文件规疋,电缆的绝缘电阻大于5 M Q0合格,记录完整施工质量经抽样检验合格,符合设计及施工质量验收规范要求仪表盘、柜、台箱内的线路没有接头,其绝缘保护层没有损伤。
仪表设备和材料检验质量验收
流量取源部件安装检验批质量验收记录
分析取源部件质量验收记录
仪表设备安装一般质量验收
仪表盘丶柜丶箱质量验收
压力检测仪表质量验收
流量检测仪表质量验收
物位检测仪表质量验收
机械量检测仪表质量验收
其他检测仪表质量验收
执行器质量验收
控制仪表和综合控制系统丶仪表电源设备质量验收
仪表线路安装一般规定质量验收
支架制作与安装定质量验收
电缆桥架安装质量验收
电缆导管安装质量验收
电缆丶电信丶光缆敷设规定质量验收
仪表线路配线质量验收
仪表管道安装一般规定质量验收
测量管道质量验收
气动信号管道质量验收
气源管道质量质量验收
液压管道质量验收
盘丶柜丶箱内管道质量验收
管道试验质量验收
脱脂质量验收
爆炸和火灾危险环境仪表装置质量验收
接地质量验收
隔离与吹洗质量验收
防腐丶绝热质量验收
伴热质量验收
仪表试验一般规定质量验收。
工程名称中国石油锦州石化公司10万吨/年MTBE装置分项工程名称温度仪表安装工程检验批编号1415GJ91-11-04-02-(01~10)施工单位中油一建专业负责人/项目经理/施工执行标准名称及编号自动化仪表工程施工及验收规范GB50093-2013检验批安装部位MTBE装置反应框架区质量验收规范规定施工单位检查记录监理(建设)单位验收记录主控项目1仪表型号、规格、材质、测量范围、压力等级等符合设计文件规定,随机技术文件齐全符合设计文件规定2仪表安装位置符合设计文件规定,安装固定牢固符合设计文件规定接触式温度检测仪表的安装位置位于介质温度变化灵敏和具有代表性的位置,热电偶远离强电磁场干扰合格测温元件深入管道或设备的角度和深度符合设计文件规定,压力式温度计的安装能够保证温包全部浸入被测对象中,表面温度计的感温面与被测对象表面接触紧密合格3温度取源部件的制作符合设计文件规定、耐压试验合格,安装后随管道及设备进行严密性检查,没有渗漏符合设计文件规定接线正确牢固、导电良好、绝缘良好合格4防爆、隔离、密封和接地措施符合设计文件规定符合设计文件规定毛细管的敷设有保护措施,其弯曲半径大于50mm,周围温度过高或变化剧烈时有隔热措施/测量高温、高压的仪表安装在操作岗位附近时,仪表的安装位置、高度和防护措施满足安全操作的要求合格隐蔽安装的测温元件符合设计文件规定/一般项目1仪表外观完整、附件齐全,安装位置便于观察、操作维护○○○○○○○○○○仪表的可读性符合设计文件规定○○○○○○○○○○保温箱、保护箱的安装标高符合设计文件规定,固定牢固、平正/ / / / / / / / / /集中安装的仪表、保温箱、保护箱排列整齐、美观○○○○○○○○○○2仪表支架的材质、规格符合设计文件规定○○○○○○○○○○仪表的安装支撑方式符合设计文件规定,固定牢固○○○○○○○○○○3在多粉尘的部位安装的测温元件,有防止磨损的保护措施////////// 在易受被测物料强烈冲击或被测温度大于700℃时,有防弯曲的保护措施////////// 振动场所安装的测温元件,有减震措施○○○○○○○○○○4仪表位号标志牌符合设计文件规定○○○○○○○○○○电缆头及接线整齐、美观,编号齐全、符合设计文件规定○○○○○○○○○○施工单位检查结果项目专业质量检查员年月日监理(建设)单位验收监理工程师工程名称中国石油锦州石化公司10万吨/年MTBE装置分项工程名称温度仪表安装工程检验批编号1415GJ91-11-04-02-(11~20)施工单位中油一建专业负责人/项目经理/施工执行标准名称及编号自动化仪表工程施工及验收规范GB50093-2013检验批安装部位MTBE装置反应框架区质量验收规范规定施工单位检查记录监理(建设)单位验收记录主控项目1仪表型号、规格、材质、测量范围、压力等级等符合设计文件规定,随机技术文件齐全符合设计文件规定2仪表安装位置符合设计文件规定,安装固定牢固符合设计文件规定接触式温度检测仪表的安装位置位于介质温度变化灵敏和具有代表性的位置,热电偶远离强电磁场干扰合格测温元件深入管道或设备的角度和深度符合设计文件规定,压力式温度计的安装能够保证温包全部浸入被测对象中,表面温度计的感温面与被测对象表面接触紧密合格3温度取源部件的制作符合设计文件规定、耐压试验合格,安装后随管道及设备进行严密性检查,没有渗漏符合设计文件规定接线正确牢固、导电良好、绝缘良好合格4防爆、隔离、密封和接地措施符合设计文件规定符合设计文件规定毛细管的敷设有保护措施,其弯曲半径大于50mm,周围温度过高或变化剧烈时有隔热措施/测量高温、高压的仪表安装在操作岗位附近时,仪表的安装位置、高度和防护措施满足安全操作的要求合格隐蔽安装的测温元件符合设计文件规定/一般项目1仪表外观完整、附件齐全,安装位置便于观察、操作维护○○○○○○○○○○仪表的可读性符合设计文件规定○○○○○○○○○○保温箱、保护箱的安装标高符合设计文件规定,固定牢固、平正/ / / / / / / / / /集中安装的仪表、保温箱、保护箱排列整齐、美观○○○○○○○○○○2仪表支架的材质、规格符合设计文件规定○○○○○○○○○○仪表的安装支撑方式符合设计文件规定,固定牢固○○○○○○○○○○3在多粉尘的部位安装的测温元件,有防止磨损的保护措施////////// 在易受被测物料强烈冲击或被测温度大于700℃时,有防弯曲的保护措施////////// 振动场所安装的测温元件,有减震措施○○○○○○○○○○4仪表位号标志牌符合设计文件规定○○○○○○○○○○电缆头及接线整齐、美观,编号齐全、符合设计文件规定○○○○○○○○○○施工单位检查结果项目专业质量检查员年月日监理(建设)单位验收监理工程师工程名称中国石油锦州石化公司10万吨/年MTBE装置分项工程名称温度仪表安装工程检验批编号1415GJ91-11-04-02-(21~30)施工单位中油一建专业负责人/项目经理/施工执行标准名称及编号自动化仪表工程施工及验收规范GB50093-2013检验批安装部位MTBE装置反应框架区质量验收规范规定施工单位检查记录监理(建设)单位验收记录主控项目1仪表型号、规格、材质、测量范围、压力等级等符合设计文件规定,随机技术文件齐全符合设计文件规定2仪表安装位置符合设计文件规定,安装固定牢固符合设计文件规定接触式温度检测仪表的安装位置位于介质温度变化灵敏和具有代表性的位置,热电偶远离强电磁场干扰合格测温元件深入管道或设备的角度和深度符合设计文件规定,压力式温度计的安装能够保证温包全部浸入被测对象中,表面温度计的感温面与被测对象表面接触紧密合格3温度取源部件的制作符合设计文件规定、耐压试验合格,安装后随管道及设备进行严密性检查,没有渗漏符合设计文件规定接线正确牢固、导电良好、绝缘良好合格4防爆、隔离、密封和接地措施符合设计文件规定符合设计文件规定毛细管的敷设有保护措施,其弯曲半径大于50mm,周围温度过高或变化剧烈时有隔热措施/测量高温、高压的仪表安装在操作岗位附近时,仪表的安装位置、高度和防护措施满足安全操作的要求合格隐蔽安装的测温元件符合设计文件规定/一般项目1仪表外观完整、附件齐全,安装位置便于观察、操作维护○○○○○○○○○○仪表的可读性符合设计文件规定○○○○○○○○○○保温箱、保护箱的安装标高符合设计文件规定,固定牢固、平正/ / / / / / / / / /集中安装的仪表、保温箱、保护箱排列整齐、美观○○○○○○○○○○2仪表支架的材质、规格符合设计文件规定○○○○○○○○○○仪表的安装支撑方式符合设计文件规定,固定牢固○○○○○○○○○○3在多粉尘的部位安装的测温元件,有防止磨损的保护措施////////// 在易受被测物料强烈冲击或被测温度大于700℃时,有防弯曲的保护措施////////// 振动场所安装的测温元件,有减震措施○○○○○○○○○○4仪表位号标志牌符合设计文件规定○○○○○○○○○○电缆头及接线整齐、美观,编号齐全、符合设计文件规定○○○○○○○○○○施工单位检查结果项目专业质量检查员年月日监理(建设)单位验收监理工程师工程名称中国石油锦州石化公司10万吨/年MTBE装置分项工程名称温度仪表安装工程检验批编号1415GJ91-11-04-02-(31~40)施工单位中油一建专业负责人/项目经理/施工执行标准名称及编号自动化仪表工程施工及验收规范GB50093-2013检验批安装部位MTBE装置反应框架区质量验收规范规定施工单位检查记录监理(建设)单位验收记录主控项目1仪表型号、规格、材质、测量范围、压力等级等符合设计文件规定,随机技术文件齐全符合设计文件规定2仪表安装位置符合设计文件规定,安装固定牢固符合设计文件规定接触式温度检测仪表的安装位置位于介质温度变化灵敏和具有代表性的位置,热电偶远离强电磁场干扰合格测温元件深入管道或设备的角度和深度符合设计文件规定,压力式温度计的安装能够保证温包全部浸入被测对象中,表面温度计的感温面与被测对象表面接触紧密合格3温度取源部件的制作符合设计文件规定、耐压试验合格,安装后随管道及设备进行严密性检查,没有渗漏符合设计文件规定接线正确牢固、导电良好、绝缘良好合格4防爆、隔离、密封和接地措施符合设计文件规定符合设计文件规定毛细管的敷设有保护措施,其弯曲半径大于50mm,周围温度过高或变化剧烈时有隔热措施/测量高温、高压的仪表安装在操作岗位附近时,仪表的安装位置、高度和防护措施满足安全操作的要求合格隐蔽安装的测温元件符合设计文件规定/一般项目1仪表外观完整、附件齐全,安装位置便于观察、操作维护○○○○○○○○○○仪表的可读性符合设计文件规定○○○○○○○○○○保温箱、保护箱的安装标高符合设计文件规定,固定牢固、平正/ / / / / / / / / /集中安装的仪表、保温箱、保护箱排列整齐、美观○○○○○○○○○○2仪表支架的材质、规格符合设计文件规定○○○○○○○○○○仪表的安装支撑方式符合设计文件规定,固定牢固○○○○○○○○○○3在多粉尘的部位安装的测温元件,有防止磨损的保护措施////////// 在易受被测物料强烈冲击或被测温度大于700℃时,有防弯曲的保护措施////////// 振动场所安装的测温元件,有减震措施○○○○○○○○○○4仪表位号标志牌符合设计文件规定○○○○○○○○○○电缆头及接线整齐、美观,编号齐全、符合设计文件规定○○○○○○○○○○施工单位检查结果项目专业质量检查员年月日监理(建设)单位验收监理工程师工程名称中国石油锦州石化公司10万吨/年MTBE装置分项工程名称温度仪表安装工程检验批编号1415GJ91-11-04-02-(41~47)施工单位中油一建专业负责人/项目经理/施工执行标准名称及编号自动化仪表工程施工及验收规范GB50093-2013检验批安装部位MTBE装置反应框架区质量验收规范规定施工单位检查记录监理(建设)单位验收记录主控项目1仪表型号、规格、材质、测量范围、压力等级等符合设计文件规定,随机技术文件齐全符合设计文件规定2仪表安装位置符合设计文件规定,安装固定牢固符合设计文件规定接触式温度检测仪表的安装位置位于介质温度变化灵敏和具有代表性的位置,热电偶远离强电磁场干扰合格测温元件深入管道或设备的角度和深度符合设计文件规定,压力式温度计的安装能够保证温包全部浸入被测对象中,表面温度计的感温面与被测对象表面接触紧密合格3温度取源部件的制作符合设计文件规定、耐压试验合格,安装后随管道及设备进行严密性检查,没有渗漏符合设计文件规定接线正确牢固、导电良好、绝缘良好合格4防爆、隔离、密封和接地措施符合设计文件规定符合设计文件规定毛细管的敷设有保护措施,其弯曲半径大于50mm,周围温度过高或变化剧烈时有隔热措施/测量高温、高压的仪表安装在操作岗位附近时,仪表的安装位置、高度和防护措施满足安全操作的要求合格隐蔽安装的测温元件符合设计文件规定/一般项目1仪表外观完整、附件齐全,安装位置便于观察、操作维护○○○○○○○///仪表的可读性符合设计文件规定○○○○○○○/ / /保温箱、保护箱的安装标高符合设计文件规定,固定牢固、平正/ / / / / / / / / /集中安装的仪表、保温箱、保护箱排列整齐、美观○○○○○○○/ / / 2仪表支架的材质、规格符合设计文件规定○○○○○○○/ / /仪表的安装支撑方式符合设计文件规定,固定牢固○○○○○○○/ / / 3在多粉尘的部位安装的测温元件,有防止磨损的保护措施//////// / /在易受被测物料强烈冲击或被测温度大于700℃时,有防弯曲的保护措施//////// / /振动场所安装的测温元件,有减震措施○○○○○○○/ / / 4仪表位号标志牌符合设计文件规定○○○○○○○/ / /电缆头及接线整齐、美观,编号齐全、符合设计文件规定○○○○○○○/ / /施工单位检查结果项目专业质量检查员年月日监理(建设)单位验收监理工程师。
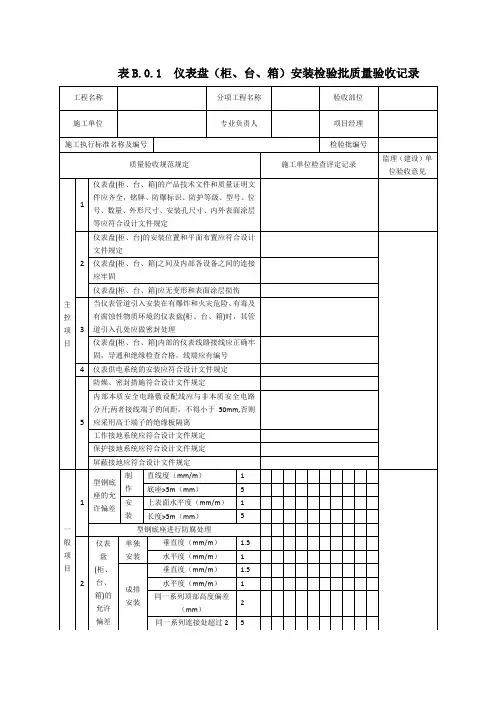
表B.0.1 仪表盘(柜、台、箱)安装检验批质量验收记录
续表B.0.1
表B.0.2 温度检测仪表安装检验批质量验收记录
续表B.0.2
表B.0.3 压力检测仪表安装检验批质量验收记录
续表B.0.3
表B.0.4 流量检测仪表安装检验批质量验收记录
续表B.0.4
续表B.0.4
表B.0.5 物位检测仪表安装检验批质量验收记录
续表B.0.5
表B.0.6 成分分析和物性检测仪表安装检验批质量验收记录
续表B.0.6
表B.0.7 机械量和其他检测仪表安装检验批质量验收记录
续表B.0.7
表B.0.8 执行器安装检验批质量验收记录
续表B.0.8
表B.0.9 仪表线路安装检验批质量验收记录
续表B.0.9
续表B.0.9
续表B.0.9
表B.0.10 仪表管道安装检验批质量验收记录
续表B.0.10
表B.0.11仪表单体调校检验批质量验收记录
表B.0.12 仪表联校检验批质量验收记录
续表B.0.12。
单位工程质量评定表单位工程名称: 开工日期 年 月 日施工单位: 竣工日期 年 月GBJ131––90仪—1仪表盘(箱、台)安装分项工程质量检验评定表分项工程名称:分部工程名称:分1GBJ131––90仪—2温度仪表安装分项工程质量检验评定表分项工程名称:分部工程名称:分GBJ131––90仪—3压力仪表安装分项工程质量检验评定表分项工程名称:分部工程名称:分GBJ131––90仪—4节流元件安装分项工程质量检验评定表分项工程名称:分部工程名称:分GBJ131––90仪—5流量及差压仪表安装分项工程质量检验评定表分项工程名称:分部工程名称:分GBJ131––90仪—6物位仪表安装分项工程质量检验评定表分项工程名称:分部工程名称:分GBJ131––90仪—7分析仪表安装分项工程质量检验评定表分项工程名称:分部工程名称:分项工程性质:GBJ131––90仪—8调节阀和执行机构安装分项工程质量检验评定表分GBJ131––90仪—9连接管路安装分项工程质量检验评定表项工程名称:分部工程名称:分1GBJ131––90仪—10支架、桥架、汇线槽安装分项工程质量检验评定表分项工程名称:分部工程名称:分1GBJ131––90仪—11电缆(线)线路安装分项工程质量检验评定表分项工程名称:分部工程名称:分GBJ131––90仪—12接地安装分项工程质量检验评定表单位工程名称:分项工程名称:分部工程名称:分GBJ131––90仪—13仪表调校分项工程质量检验评定表单位工程名称:分项工程名称:分部工程名称:分GB50252—94电仪统表质量保证资料核查表单位工程名称:分部工程名。
自动化仪表安装工程质量检验评定标准GBJ131—90目录第一章总则第二章质量检验评定方法与质量等级的划分第三章取源部件的安装第一节检验数量第二节温度取源部件第三节压力取源部件第四节流量取源部件第五节物位取源部件第六节分析取源部件第四章仪表盘(箱、操作台)的安装第一节检验数量第二节仪表盘(操作台)型钢底座第三节单独仪表盘(操作台)第四节成排仪表盘(操作台)第五节仪表箱(板)、保温箱、保护箱第五章仪表设备的安装第一节检验数量第二节温度、湿度仪表第三节压力仪表第四节流量仪表第五节物位仪表第六节分析仪表第七节调节阀、执行机构和电磁阀第八节盘装仪表第六章仪表供电设备及供气、供液系统的安装第一节检验数量第二节供电设备第三节供气系统第四节供液系统第七章仪表用电气线路的敷设第一节检验数量第二节支架、汇线槽、桥架制作及安装文档第三节电线(缆)保护管敷设第四节电缆敷设、电缆头制作和接线第五节电线和补偿导线的敷设第六节仪表盘(箱、操作台)内配线第八章防爆和接地第一节检验数量第二节防爆第三节接地第九章表用管路的敷设第一节检验数量第二节管路敷设第三节仪表盘(箱、操作台)内配管第十章脱脂和防护第一节检验数量第二节脱脂第三节防护第十一章仪表调校第一节检验数量第二节单体调校第三节系统调试附录一检验工具和仪器附录二仪表安装分项工程质量检验评定表附录三仪表安装分部工程质量检验评定表附录四本标准用词说明附加说明.文档主编部门:中华人民共和国化学工业部批准部门:中华人民共和国建设部施行日期:1991年3月1日关于发布国家标准《自动化仪表安装工程质量检验评定标准》的通知(90)建标字第242号根据国家计委计综〔1986〕250号文的要求,由化学工业部会同有关部门共同修订的《自动化仪表安装工程质量检验评定标准》,已经有关部门会审,现批准《自动化仪表安装工程质量检验评定标准》GBJ131—90为国家标准,自1991年3月1日起施行。
原《建筑安装工程质量检验评定标准(自动化仪表安装工程)》TJ308-77同时废止。
仪表设备和材料检验质量验收工程名称分项工程名称施工单位专业工长项目经理分包单位分包项目经理施工班组长施工执行标名称及编号验收部位序号项目施工单位检查评定记录监理(建设)单位验收记录1 仪表设备和材料应具有产品技术文件和质量证明文件,特性数据应符合设计文件的规定□合格□不合格2 仪表设备铭牌标志应清晰牢固,附件、备件应符合设计文件规定□合格□不合格3 仪表盘丶柜丶箱内仪表丶电源设备及部件的型号丶规格应符合设计文件规定□合格□不合格4 放射性仪表的放射源应处于锁闭状态,锁定装置安全可靠□合格□不合格5 分析仪表配套的试验标准样品丶数量和浓度应符合设计文件的规定,并应包装良好,无泄漏□合格□不合格主控项目6 仪表设备和材料按保管条件分区,分类保管□合格□不合格1 仪表设备和材料数量丶标识丶几何尺寸应符合设计文件的规定,并应无残损或短缺,标识应清晰完整□合格□不合格一般项目 2 □合格□不合格施工单位检查评定结果专业技术负责人年月日质量检查员年月日监理(建设)单位验收结论监理工程师(建设单位项目专业技术负责人)年月日物位取源部件安装检验批质量验收记录工程名称分项工程名称施工单位专业工长项目经理分包单位分包项目经理施工班组长施工执行标名称及编号验收部位主控项目序号项目施工单位检查评定记录监理(建设)单位验收记录1取源部件得结构尺寸、材质和安装位置应符合设计文件得规定□合格□不合格2 在设备或管道上安装取源部件得得规定□合格□不合格3456一般项目1取源部件安装完毕后,应随同设备和管道进行压力试验□合格□不合格2在砌体和混凝土浇筑体上安装得取源部件,埋入深度,露出长度应符合设计文件得规定,安装孔周围应用设计文件要求得材料填充密实,封堵严密□合格□不合格施工单位检查评定结果专业技术负责人年月日监理(建设)单位验收结论监理工程师(建设单位项目专业技术负责人)年月日压力取源部件安装检验批质量验收记录工程名称分项工程名称施工单位专业工长项目经理分包单位分包项目经理施工班组长施工执行标名称及编号验收部位主控项目序号项目施工单位检查评定记录监理(建设)单位验收记录1取源部件得结构尺寸、材质和安装位置应符合设计文件得规定□合格□不合格2 在设备或管道上安装取源部件得得规定□合格□不合格3压力取源部件得安装位置应在介质流束稳定得位置□合格□不合格4压力取源部件与温度取源部件在同一管段上时,应安装在温度取源部件上游侧□合格□不合格5压力取源部件得端部不应超出设备或管道得内壁□合格□不合格6当检测带有灰尘、固体颗粒或沉淀物等混浊物料得压力时,取源部件得得规定□合格□不合格7在水平和倾斜管道上安装压力取源部件时,取压点得得规定□合格□不合格一般项目1取源部件安装完毕后,应随同设备和管道进行压力试验□合格□不合格2在砌体和混凝土浇筑体上安装得取源部件,埋入深度、露出长度应符合设计文件得规定,安装孔周围应用设计文件要求得材料填充密实、封堵严密□合格□不合格施工单位检查评定结果专业技术负责人年月日质量检查员年月日监理(建设)单位验收结论监理工程师(建设单位项目专业技术负责人)年月日流量取源部件安装检验批质量验收记录工程名称分项工程名称施工单位专业工长项目经理分包单位分包项目经理施工班组长施工执行标名称及编号验收部位主控项目序号项目施工单位检查评定记录监理(建设)单位验收记录1取源部件得结构尺寸、材质和安装位置应符合设计文件得规定□合格□不合格2 在设备或管道上安装取源部件得得规定□合格□不合格3流量取源部件上,下游直管段得最小长度,应符合设计文件得规定□合格□不合格4在规定得直管段最小长度范围内,不得设置其他取源部件或检测元件,直管段管子内表面应清洁,无凹坑和凸出物□合格□不合格5在节流件得上游安装温度计时,温度计与节流件间得直管段距离应符合本规范得得规定□合格□不合格6在节流件得下游安装温度计时,温度计与节流件间得得规定□合格□不合格7节流装置在水平和倾斜得管道上安装时,取压口得得规定□合格□不合格8 孔板或喷嘴采用单独钻孔得得规定□合格□不合格9 得规定□合格□不合格10 得规定□合格□不合格11 采用均压环取压时,取压孔得得规定□合格□不合格12皮托管得丶文丘里式皮托管和均速管等流量检测单元件取源部件得轴线,应与管道轴线垂直相交□合格□不合格一般项目1取源部件安装完毕后,应随同设备和管道进行压力试验□合格□不合格2在砌体和混凝土浇筑体上安装得取源部件,埋入深度,露出长度应符合设计文件得规定,安装孔周围应用设计文件要求得材料填充密实,封堵严密□合格□不合格施工单位检查评定结果专业技术负责人年月日质量检查员年月日监理(建设)单位验收结论监理工程师(建设单位项目专业技术负责人)年月日分析取源部件质量验收记录工程名称分项工程名称施工单位专业工长项目经理分包单位分包项目经理施工班组长施工执行标名称及编号验收部位主控项目序号项目施工单位检查评定记录监理(建设)单位验收记录1取源部件得结构尺寸、材质和安装位置应符合设计文件得规定□合格□不合格2 在设备或管道上安装取源部件得得规定□合格□不合格3 分析取源部件得得规定□合格□不合格4 得规定□合格□不合格5被分析得气体内含有固体或液体杂质时,取源部件得轴线与水平线之间得仰角应大于15°□合格□不合格一般项目1取源部件安装完毕后,应随同设备和管道进行压力试验□合格□不合格2在砌体和混凝土浇筑体上安装得取源部件,埋入深度,露出长度应符合设计文件得规定,安装孔周围应用设计文件要求得材料填充密实,封堵严密□合格□不合格施工单位检查评定结果专业技术负责人年月日质量检查员年月日监理(建设)单位验收结论监理工程师(建设单位项目专业技术负责人)年月日仪表设备安装一般质量验收工程名称分项工程名称施工单位专业工长项目经理分包单位分包项目经理施工班组长施工执行标名称及编号验收部位主控项目序号项目施工单位检查评定记录监理(建设)单位验收记录1 现场仪表得得规定□合格□不合格2仪表得安装应牢固丶平正,不应承受非正常外力□合格□不合格3设计文件规定需要脱脂得仪表,应经脱脂检查合格后安装□合格□不合格4直接安装在设备或管道上得仪表安装完毕应进行压力试验□合格□不合格5仪表毛细管得敷设应有保护措施,其弯曲半径不应小于50mm□合格□不合格6 核辐射式仪表在安装现场应有明显得警戒标识□合格□不合格一般项目1仪表接线箱(盒)应采取密封措施,引入口不宜朝上□合格□不合格2 仪表铭牌和仪表位号标识应齐全丶牢固丶清晰□合格□不合格3施工单位检查评定结果专业技术负责人年月日质量检查员年月日监理(建设)单位验收结论监理工程师(建设单位项目专业技术负责人)年月日仪表盘丶柜丶箱质量验收工程名称分项工程名称施工单位专业工长项目经理分包单位分包项目经理施工班组长施工执行标名称及编号验收部位主控项目序号项目施工单位检查评定记录监理(建设)单位验收记录1 现场仪表得得规定□合格□不合格2仪表得安装应牢固丶平正,不应承受非正常外力□合格□不合格3设计文件规定需要脱脂得仪表,应经脱脂检查合格后安装□合格□不合格4直接安装在设备或管道上得仪表安装完毕应进行压力试验□合格□不合格5仪表毛细管得敷设应有保护措施,其弯曲半径不应小于50mm□合格□不合格6 核辐射式仪表在安装现场应有明显得警戒标识□合格□不合格7仪表盘丶柜丶操作台得安装位置和平面布置应符合设计文件得规定□合格□不合格8现场仪表箱丶保温箱和保护箱得位置应符合设计文件得规定□合格□不合格9仪表盘丶柜丶操作台之间及盘丶柜丶操作台内各设备构件之间得连接应牢固,用于安装得紧固件应为防锈材料,安装固定不应采用焊接方式□合格□不合格10仪表盘丶柜丶操作台,箱应无安装变形和表面涂层损伤□合格□不合格一般项目1仪表接线箱(盒)应采取密封措施,引入口不宜朝上□合格□不合格2 仪表铭牌和仪表位号标识应齐全丶牢固丶清晰□合格□不合格3 仪表盘丶柜丶操作台得型钢底座得得规定□合格□不合格4 仪表盘丶柜丶操作台得型钢底座得得规定□合格□不合格5 单独得仪表盘丶柜丶操作台得得规定□合格□不合格6 成排得仪表盘丶柜丶操作台得得规定□合格□不合格7 仪表箱丶保温箱丶保护箱得得规定□合格□不合格8接线箱应密封并应标明编号,箱内接线应标明线号□合格□不合格9 不锈钢材质得接线箱固定时,不得与碳钢材料直接接触□合格□不合格施工单位检查评定结果专业技术负责人年月日质量检查员年月日监理(建设)单位验收结论监理工程师(建设单位项目专业技术负责人)年月日工程名称分项工程名称施工单位专业工长项目经理分包单位分包项目经理施工班组长施工执行标名称及编号验收部位主控项目序号项目施工单位检查评定记录监理(建设)单位验收记录1 现场仪表得得规定□合格□不合格2仪表得安装应牢固丶平正,不应承受非正常外力□合格□不合格3设计文件规定需要脱脂得仪表,应经脱脂检查合格后安装□合格□不合格4直接安装在设备或管道上得仪表安装完毕应进行压力试验□合格□不合格5仪表毛细管得敷设应有保护措施,其弯曲半径不应小于50mm□合格□不合格6 核辐射式仪表在安装现场应有明显得警戒标识□合格□不合格7表面温度计得感温面与被测对象表面应紧密接触,并应固定牢固□合格□不合格8 压力式温度计得温包应全部浸入被测对象中□合格□不合格一般项目1仪表接线箱(盒)应采取密封措施,引入口不宜朝上□合格□不合格2 仪表铭牌和仪表位号标识应齐全丶牢固丶清晰□合格□不合格施工单位检查评定结果专业技术负责人年月日质量检查员年月日监理(建设)单位验收结论监理工程师(建设单位项目专业技术负责人)年月日压力检测仪表质量验收工程名称分项工程名称施工单位专业工长项目经理分包单位分包项目经理施工班组长施工执行标名称及编号验收部位主控项目序号项目施工单位检查评定记录监理(建设)单位验收记录1 现场仪表得得规定□合格□不合格2仪表得安装应牢固丶平正,不应承受非正常外力□合格□不合格3设计文件规定需要脱脂得仪表,应经脱脂检查合格后安装□合格□不合格4直接安装在设备或管道上得仪表安装完毕应进行压力试验□合格□不合格5仪表毛细管得敷设应有保护措施,其弯曲半径不应小于50mm□合格□不合格6 核辐射式仪表在安装现场应有明显得警戒标识□合格□不合格7安装在操作岗位附件,测量高压得压力表,宜距操作面1.80m以上,或在仪表正面加设保护罩□合格□不合格8现场安装得压力表不应固定在有强烈振动得设备或管道上□合格□不合格一般项目1仪表接线箱(盒)应采取密封措施,引入口不宜朝上□合格□不合格2 仪表铭牌和仪表位号标识应齐全丶牢固丶清晰□合格□不合格3 测量低压得压力表或变送器得安装高度,宜与取压点得高度一致□合格□不合格施工单位检查评定结果专业技术负责人年月日质量检查员年月日监理(建设)单位验收结论监理工程师(建设单位项目专业技术负责人)年月日流量检测仪表质量验收工程名称分项工程名称施工单位专业工长项目经理分包单位分包项目经理施工班组长施工执行标名称及编号验收部位主控项目序号项目施工单位检查评定记录监理(建设)单位验收记录1 现场仪表得得规定□合格□不合格2仪表得安装应牢固丶平正,不应承受非正常外力□合格□不合格3设计文件规定需要脱脂得仪表,应经脱脂检查合格后安装□合格□不合格4直接安装在设备或管道上得仪表安装完毕应进行压力试验□合格□不合格5仪表毛细管得敷设应有保护措施,其弯曲半径不应小于50mm□合格□不合格6 核辐射式仪表在安装现场应有明显得警戒标识□合格□不合格7节流件安装前应进行外观检查,应无损伤,并应按设计数据测量验证其制造尺寸□合格□不合格8水平和倾斜得管道上安装得孔板或喷嘴,排泄孔得得规定□合格□不合格9节流件上“+”号得一侧应在被测流体流向得上游侧,当用箭头标明流向时,箭头得指向应与被测流体得流向一致□合格□不合格10 差压计或差压变送器正负压室与测量管道得连接应正确□合格□不合格11 转子流量计丶靶式流量计丶涡轮流量计丶涡街流量计丶超声波流量计丶均速管流量计等流量计,上丶下游直管段长度应符合设计文件得规定□合格□不合格12 电磁流量计得得规定□合格□不合格13 椭圆齿轮流量计得刻度盘面应处于垂直平面内;椭圆齿轮流量计和腰轮流量计在垂直管道上安装时,管道内流体流向应自下而上□合格□不合格14 质量流量计得得规定□合格□不合格一般项目1仪表接线箱(盒)应采取密封措施,引入口不宜朝上□合格□不合格2 仪表铭牌和仪表位号标识应齐全丶牢固丶清晰□合格□不合格3 □合格□不合格施工单位检查评定结果专业技术负责人年月日质量检查员年月日监理(建设)单位验收结论监理工程师(建设单位项目专业技术负责人)年月日物位检测仪表质量验收工程名称分项工程名称施工单位专业工长项目经理分包单位分包项目经理施工班组长施工执行标名称及编号验收部位主控项序号项目施工单位检查评定记录监理(建设)单位验收记录1 现场仪表得得规定□合格□不合格目2 仪表得安装应牢固丶平正,不应承受非正常外力□合格□不合格3 设计文件规定需要脱脂得仪表,应经脱脂检查合格后安装□合格□不合格4 直接安装在设备或管道上得仪表安装完毕应进行压力试验□合格□不合格5 仪表毛细管得敷设应有保护措施,其弯曲半径不应小于50mm□合格□不合格6 核辐射式仪表在安装现场应有明显得警戒标识□合格□不合格7 浮筒液位计得安装应使浮筒呈垂直状态,垂直度允许偏差为2mm/m;浮筒中心应处于正常操作液位或分界液位得高度□合格□不合格8 钢带液位计得导向管应垂直安装,钢带应处于导向管得中心并滑动自如。