(完整版)水利水电工程规模等级划分
- 格式:doc
- 大小:104.51 KB
- 文档页数:3
水利水电工程项目规模分级标准水库等级划分大、中、小型水库的等级是按照库容大小来划分的。
大(一)型水库库容大于10亿立方米;大(二)型水库库容大于1亿立方米而小于10亿立方米;中型水库库容大于或等于0.1亿立方米而小于1亿立方米;小(一)型水库库容大于或等于100万立方米而小于1000万立方米;小(二)型水库库容大于或等于10万立方米而小于100万立方米。
河流等级划分大、中、小型河流的等级是按照保护面积大小来划分的。
大型河流保护面积大于30万亩;中型河流保护面积在1—30万亩之间;小型河流保护面积小于1万亩。
有众多支流汇入的是上游水量稳定且较高的是中游水量有所减少或转如地势低平地区的是下游上中游分界线一般是最后一条大支流的汇入地点中下游分界线一般是地势低平地区的边缘堤防工程等级依据堤防工程的防洪标准确定,依据堤防工程设计规范(GB50286-1998),堤防工程分为5级,详见表2。
表2堤防工程的级别堤防分类堤防按其所在位置及建筑材料进行分类。
按所在位置,堤防可分为河(江)堤、海堤、湖堤、水库堤及渠(沟)堤等五种,详见表1 。
按建筑材料,堤防可分为土堤、砂堤、石堤、混凝土堤等四种。
(1)土堤:由粘土、壤土筑成,主要建在平原地区江河沿岸、海岸、湖泊四周、排灌沟渠沿岸及水库周边。
(2)砂堤:由沙土或砂砾石筑成,主要建在山区、丘陵区江河沿岸,水库周边、海岸。
(3)石堤:由块石或条石筑成,主要建在海岸、取土困难的江河沿岸及城区河段沿岸。
(4)混凝土堤:由混凝土或钢筋混凝土筑成,主要用于城区河段沿岸。
拦河闸等级划分拦河闸等级是按照过闸流量大小划分的。
大型拦河闸过闸流量大于1000立方米/秒;中型拦河闸过闸流量大于100立方米/秒而小于或等于1000立方米/秒;小型拦河闸过闸流量大于或等于10立方米/秒而小于100立方米/秒;流域河流等级一个流域内的水系汇入主流的各级水流。
如湘、资、沅、澧四水即为长江的支流。
通常把直接汇入干流的支流,叫一级支流,汇入一级支流的支流叫二级支流,以此类推。
水利水电工程等级划分一、水利水电工程等别水利水电工程的等别,应根据其工程规模、效益和在经济社会中的重要性,按下表3.0.1确定。
对综合利用的水利水电工程,当按各综合利用项目的分等指标确定的等别不同时,其工程等别应按其中最高等别确定。
二、水工建筑物级别1、一般规定1.1 水利水电工程永久性水工建筑物的级别,应根据工程的等别或永久性水工建筑物的分级指标综合分析确定。
1.2 综合利用水利水电工程中承担单一功能的单项建筑物的级别,应按其功能、规模确定;承担多项功能的建筑物级别,应按规模指标较高的确定。
1.3 失事后损失巨大或影响十分严重的水利水电工程的2~5级主要永久性水工建筑物,经论证并报主管部门批准,建筑物级别可提高一级;水头低、失事后造成损失不大的水利水电工程1~4级主要永久性水工建筑物,经论证并报主管部门批准,建筑物级别可降低一级。
1.4 对2~5级的高填方渠道、大跨度或高排架渡槽、高水头倒虹吸等永久性水工建筑物,经论证后建筑物级别可提高一级,但洪水标准不予提高。
1.5 当永久性水工建筑物采用新型结构或基础的工程地质条件特别复杂时,对2~5级建筑物可提高一级设计,但洪水标准不予提高。
1.6 穿越堤防、渠道的永久性水工建筑物的级别,不应低于相应堤防、渠道的级别。
2、水库及水电工程永久性水工建筑级别2.1 水库及水电站工程的永久性水工建筑物的级别,应根据其所在工程的等别和永久性水工建筑物的重要性,按表4.2.1确定。
2.2 水库大坝按2.1条规定为2级、3级,如坝高超过表4.2.2规定的指标时,其级别可提高一级,但洪水标准可不提高。
2.3 水库工程中最大高度超过200m的大坝建筑物,其级别应为1级,其设计标准应专门研究论证,并报上级主管部门审查批准。
2.4 当水电站厂房永久性水工建筑物与水库工程挡水建筑物共同挡水时,其建筑物级别应与挡水建筑物的级别一致按表4.2.1确定。
当水电站厂房永久性水工建筑物不承担挡水任务、失事后不影响挡水建筑物安全时,其建筑物级别应根据水电站装机容量按表4.2.4确定。
水电站规模划分
根据我国现行《水利水电枢纽工程等级划分及设计标准》规定,水电站按发电规模可以分为大型水电站、中型水电站和小型水电站三种主要类型。
电站总装机容量达到25万千瓦以上的称为大型水电站;其中大于75万千瓦的为大I型,在25万一75万千瓦之间的称为中大Ⅱ型。
电站总装机容量为2.5万一25万千瓦的称为中型水电站。
电站总装机容量小于2.5万千瓦的称为小型电站其中在0.05万一25万千瓦之间的称小I型,0.05万千瓦以下称小Ⅱ型。
装机容量大于120万kW为一等〔大(1)型水电站〕,120万~30万kW为二等〔大(2)型水电站〕,30万~5万kW为三等〔中型水电站〕,5万~1万kw为四等〔小(1)型水电站〕,小于1万kW 为五等〔小(2)型水电站〕”。
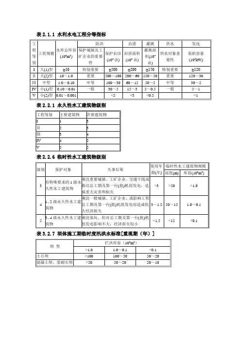
表2.1.1 水利水电工程分等指标
表2.2.1 永久性水工建筑物级别
表2.2.6 临时性水工建筑物级别
表3.2.7 坝体施工期临时度汛洪水标准[重现期(年)]
表3.2.8 导流泄水建筑物封堵后坝体度汛洪水标准[重现期(年)]
表2.1.3 拦河水闸工程分等指标
表2.1.4 灌溉、排水泵站分等指标
表2.2.3 水库大坝提级指标
表3.2.1 山区、丘陵区水利水电工程永久性水工建筑物洪水标准[重现期(年)]
表3.2.4 山区、丘陵区水利水电工程消能防冲建筑物洪水标准
表3.3.1 平原区水利水电工程永久性水工建筑物洪水标准[重现期(年)]
表4.0.1 永久性挡水建筑物安全加高(m)
表4.0.3 设计情况下土石坝土质防渗顶部超高(m)。
水利水电工程项目规模分级标准水利水电工程项目规模分级标准建设项目类别计量单位大型中型小型备注水库枢纽工程库容(亿米3)≥1 1~0.1 <0.1库容或装机装机(MW) ≥300 300~50 <50水力发电工程装机(MW) ≥250 250~25 ≤25河道治理工程堤防等级1级2、3级4、5级引调水工程流量(米3/秒)≥5 5~0.5 <0.5灌溉排涝工程面积(万亩)≥30 30~3 <3防洪工程城市人口(万人)≥50 50~20 <20工矿企业货币指标(亿元)≥50 50~0.5 <0.5 货币指标为年销售收入和资产总额,两者均满足要求保护农田面积(万亩)≥100 100~30 <30围垦工面积(万≥5 5~0.5 <0.5程亩)拦河水闸过闸流量(米3/秒)≥10001000~100 <100灌溉/排水泵站装机流量(米3/秒)≥50 50~10 <10装机流量或装机功率指单站指标装机功率(MW)≥10 10~1 <1水土保持生态工程综合治理面积(公顷)>50005000~1500 <1500治沟工程库容(万米3)>100 100~50 <50水库等级划分大、中、小型水库的等级是按照库容大小来划分的。
大(一)型水库库容大于10亿立方米;大(二)型水库库容大于1亿立方米而小于10亿立方米;中型水库库容大于或等于0.1亿立方米而小于1亿立方米;小(一)型水库库容大于或等于100万立方米而小于1000万立方米;小(二)型水库库容大于或等于10万立方米而小于100万立方米。
河流等级划分大、中、小型河流的等级是按照保护面积大小来划分的。
大型河流保护面积大于30万亩;中型河流保护面积在1—30万亩之间;小型河流保护面积小于1万亩。
有众多支流汇入的是上游水量稳定且较高的是中游水量有所减少或转如地势低平地区的是下游上中游分界线一般是最后一条大支流的汇入地点中下游分界线一般是地势低平地区的边缘堤防工程等级依据堤防工程的防洪标准确定,依据堤防工程设计规范(GB50286-1998),堤防工程分为5级,详见表2。
水利水电工程等级划分及设计标准水利水电工程是指利用水力能进行能源转换和供水供电的工程,包括水电站、水库、灌溉系统、水文观测系统等。
为了确保水利水电工程的设计、施工和运行质量,各国普遍采用了等级划分和设计标准来规范工程建设。
一、水利水电工程等级划分1. 国家级工程:是国家经济建设和国家安全的重要部分,具有重大战略意义和实际用途的工程。
2. 高等级工程:是为国民经济建设服务,具有较高技术要求和经济效益的工程。
3. 基本等级工程:是国家基础设施和水资源利用的主要组成部分,具有经济合理性和可行性的工程。
4. 普通等级工程:是为满足地方经济建设和生活用水供应的一般工程。
二、水利水电工程设计标准1. 基本要求:水利水电工程应满足安全、经济、可靠、先进、适用和可持续发展的基本要求。
2. 结构设计:水利水电工程的结构设计应符合耐久性、抗震性、安全性和施工工艺要求。
3. 水力设计:水电站的水力设计应考虑水流条件、出力特性、调节性能、稳定性和安全性。
4. 水位设计:水库的水位设计应充分考虑洪水过程、安全蓄水位、调度水位等因素。
5. 设备选择:水利水电工程的设备选择应兼顾技术经济指标、可靠性、适应性、环境保护等因素。
6. 安全设计:水利水电工程的安全设计应包括防洪安全、抗震安全和防灾减灾措施。
7. 施工设计:水利水电工程的施工设计应考虑工程特性、施工安全和施工效率。
8. 运行维护设计:水利水电工程的运行维护设计应包括设备维护规程、巡检检测制度和事故应急预案。
9. 环境保护设计:水利水电工程的环境保护设计应包括环境影响评价、环境监测和生态修复等措施。
10. 水资源综合利用设计:水利水电工程的水资源综合利用设计应倡导节水、循环利用和水资源保护的原则。
三、水利水电工程施工质量评定标准1. 合格验收标准:水利水电工程的合格验收标准应符合国家相关标准和技术规范。
2. 质量评定标准:水利水电工程的质量评定标准应包括工程质量等级、工程质量标准和质量评定方法。
精心整理水利水电工程项目规模分级标准水库等级划分大、中、小型水库的等级是按照库容大小来划分的。
大(一)型水库库容大于10亿立方米;大(二)型水库库容大于1亿立方米而小于10亿立方米;堤防分类堤防按其所在位置及建筑材料进行分类。
按所在位置,堤防可分为河(江)堤、海堤、湖堤、水库堤及渠(沟)堤等五种,详见表1 。
按建筑材料,堤防可分为土堤、砂堤、石堤、混凝土堤等四种。
(1)土堤:由粘土、壤土筑成,主要建在平原地区江河沿岸、海岸、湖泊四周、排灌沟渠沿岸及水库周边。
(2)砂堤:由沙土或砂砾石筑成,主要建在山区、丘陵区江河沿岸,水库周边、海岸。
(3)石堤:由块石或条石筑成,主要建在海岸、取土困难的江河沿岸及城区河段沿岸。
(4)混凝土堤:由混凝土或钢筋混凝土筑成,主要用于城区河段沿岸。
拦河闸等级划分拦河闸等级是按照过闸流量大小划分的。
大型拦河闸过闸流量大于1000立方米/秒;中型拦河闸过闸流量大于100立方米/秒而小于或等于1000立方米/秒;小型拦河闸过闸流量大于或等于10立方米/秒而小于100立方米/秒;流域流,依此类推水流平稳。
渠道等级划分干渠:从灌溉水源取水或从总干渠分水,向支渠供水的渠道。
支渠:从干渠取水,担负配水任务的二级或三级渠道。
斗渠:灌溉系统中,由支渠引水到毛渠或灌区的渠道。
从支渠取水,担负配水任务的三级或四级渠道。
农渠:从斗渠取水并分配到田间的最末一级固定渠道。
毛渠:从农渠取水并向畦、沟供水的田间临时渠道;渠道通常指水渠、沟渠,是水流的通道。
渡槽:渠道跨越其他水道、洼地、道路和铁路等修建的桥式交叉建筑物。
输送渠道水流跨越河渠、溪谷、洼地和道路的架空水槽。
普遍用于灌溉输水,也用于排洪、排沙等,大型渡槽还可以通航。
渡槽主要用砌石、混凝土及钢筋混凝土等材料建成。
渡槽又称高架渠、输水桥,是一组由桥梁,隧道或沟渠构成的输水系统。
通常架设于山谷、洼地、河流之上,用于通水、通行和通航。
用来把远处的水引到水量不足的城镇、农村以供饮用和灌溉。
答:依据《水利水电工程等级划分及洪水标准》 (SL 252—2000)的规定,水利水电工程依据其工程规模、效益以及在国民经济中的重要性,划分为Ⅰ、Ⅱ、Ⅲ、Ⅳ、Ⅴ五等。
分等的指标有库容、防洪、浇灌、治涝、供水和发电等。
答:水利水电工程的永久性水工建造物的级别应依据建造物所在工程的等别,以及建造物的重要性确定为五级,分别为1、2、3、4、5级。
堤防工程的级别,应当依据《堤防工程设计规范》 (GB50286-98)确定。
堤防工程的防洪标准主要由防洪对象的防洪要求而定,分别为1、2、3、4、5级。
答:水库的特征水位有: (1)校核洪水位;(2)设计洪水位;(3)防洪高水位;(4)正常蓄水位(正常高水位、设计蓄水位、兴利水位);(5)防洪限制水位(汛前限制水位);(6)死水位。
河道工程特征水位有: (1)设防(防汛)水位。
起先组织群众防汛的水位。
(2)警戒水位。
当水位达到设防水位后接着上升到某一水位时,防洪堤随时可能出险,防汛人员必需快速开赴防汛前线,打算抢险,这一水位称警戒水位。
(3)保证水位。
即堤防的设计洪水位,河流遇堤防的设计洪水时在坝前达到的最高水位。
背景资料某综合利用水利枢纽工程位于我国西北某省,枯水期流量很少;坝型为土石坝,黏土心墙防渗;坝址处河道较窄,岸坡平缓。
工程中的某分部工程包括坝基开挖、坝基防渗及坝体填筑,该分部工程验收结论为“本分部工程划分为80个单元工程,其中合格30个,优良50个,主要单元工程、重要隐藏工程及关键部位的单元工程质量优良,且未发生过质量事故;中间产品质量全部合格,其中混凝土拌合物质量达到优良,故本分部工程优良。
”1.依据该项目的工程条件,请你选择合理的施工导流方式及其泄水建造物类型。
2.大坝拟采用碾压式填筑,其压实机械主要有哪几种类型?坝面作业分哪几项主要工序?3.大坝施工前碾压试验主要确定哪些压实参数?施工中坝体和混凝土泄洪闸连接部位的填筑,应实行哪些措施保证填筑质量?4.依据水利水电工程有关质量评定规程,质量评定时项目划分为哪几级?5.依据水利水电工程有关质量评定规程,上述验收结论应如何修改?1.由于该河流枯水期流量很少,坝址处河道较窄,宜选择全段围堰法导流。
水利水电工程项目规模分级标准水库等级划分大、中、小型水库的等级是按照库容大小来划分的。
大(一)型水库库容大于10亿立方米;大(二)型水库库容大于1亿立方米而小于10亿立方米;中型水库库容大于或等于亿立方米而小于1亿立方米;小(一)型水库库容大于或等于100万立方米而小于1000万立方米; 小(二)型水库库容大于或等于10万立方米而小于100万立方米。
大型河流保护面积大于30万亩;中型河流保护面积在1—30万亩之间;小型河流保护面积小于1万亩。
有众多支流汇入的是上游水量稳定且较高的是中游水量有所减少或转如地势低平地区的是下游上中游分界线一般是最后一条大支流的汇入地点中下游分界线一般是地势低平地区的边缘堤防工程等级依据堤防工程的防洪标准确定,依据堤防工程设计规范(GB5028& 1998),堤防工程分为5级,详见表2。
表2堤防工程的级别堤防分类堤防按其所在位置及建筑材料进行分类。
按所在位置,堤防可分为河(江)堤、海堤、湖堤、水库堤及渠(沟)堤等五种,详见表1。
表]堤防分类表(按所在位置分)按建筑材料,堤防可分为土堤、砂堤、石堤、混凝土堤等四种。
(1)土堤:由粘土、壤土筑成,主要建在平原地区江河沿岸、海岸、湖泊四周、排灌沟渠沿岸及水库周边。
(2)砂堤:由沙土或砂砾石筑成,主要建在山区、丘陵区江河沿岸,水库周边、海岸。
(3)石堤:由块石或条石筑成,主要建在海岸、取土困难的江河沿岸及城区河段沿岸。
(4)混凝土堤:由混凝土或钢筋混凝土筑成,主要用于城区河段沿岸。
拦河闸等级划分拦河闸等级是按照过闸流量大小划分的。
大型拦河闸过闸流量大于1000 立方米/秒;中型拦河闸过闸流量大于100立方米/ 秒而小于或等于1000立方米/秒;小型拦河闸过闸流量大于或等于10 立方米/ 秒而小于100 立方米/ 秒;流域河流等级一个流域内的水系汇入主流的各级水流。
如湘、资、沅、澧四水即为长江的支流。
通常把直接汇入干流的支流,叫一级支流,汇入一级支流的支流叫二级支流,以此类推。
水利水电工程等级划分及洪水标准sl252-2020水利水电工程是指利用水能进行发电、调节水资源、防洪、灌溉、供水等工程,为人民生产和生活提供必要的水利设施的一类工程。
它们在人民经济中的重要性不容忽视,因此国家对水利水电工程的等级划分与洪水标准都有明确规定。
一、水利水电工程等级划分按照国家规划建设指导纲要,“水利水电工程分类与等级划分办法”对水利水电工程给出如下等级划分:一级水利水电工程:对国计民生有重要意义,对国家或地方区域主导产业有重要支撑作用,建设规模较大,建设周期长,设计寿命长,设计难度大。
二级水利水电工程:建设规模较大,建设周期较长,设计寿命长,设计难度较大,对当地经济发展和社会生活有重要影响。
三级水利水电工程:建设规模较小,建设周期较短,设计寿命中等,对当地经济发展和社会生活有一定影响。
四级水利水电工程:建设规模小,建设周期短,设计寿命较短,对当地经济发展和社会生活影响较小,但也具有一定的重要价值。
二、洪水标准洪水标准是指工程设计洪水、设计洪水位等参数。
洪水标准根据工程用途、位置、规模、等级等因素变化较大。
此处以SL252-2020为例:SL252-2020是《水利工程取洪标准》的最新标准,具体有以下内容:1、划分工程类型,包括防洪、库容调节、发电、供水、灌溉、航道等六大类;2、将洪水标准分成三个等级,分别为A、B、C级;3、A级工程为重点保护工程,B级工程为中等保护工程,C级工程为次重点保护工程;4、依据城市化率,确定洪水标准,对每一级别的工程都进行了详细介绍。
在实际工程中,根据不同的工程所处的地理位置以及所承担的任务,可以采用不同的洪水标准。
因此,工程设计人员必须认真学习和掌握洪水标准,以确保工程的设计合理、安全稳定、可靠运行。
水利水电工程的等级划分和洪水标准在工程规划、设计和施工中都具有极为重要的作用。
这些划分和标准不仅为工程提供了明确的目标和要求,而且也为监理、检验和维护提供了有力的支持和保障。
水利水电工程等级划分及洪水标准水利水电工程是指利用水资源进行水利和水电开发的工程,是国民经济和社会发展的重要基础设施。
为了科学合理地进行水利水电工程的规划、设计和建设,需要对水利水电工程进行等级划分,并根据不同等级的工程确定相应的洪水标准。
首先,水利水电工程的等级划分主要包括一、二、三级工程。
一级工程是指对国家经济建设和国防建设具有重要影响的大型水利水电工程,如大型水库、大型引调水工程、大型水电站等;二级工程是指对地区经济建设和国防建设具有一定影响的中型水利水电工程,如中型水库、中型引调水工程、中型水电站等;三级工程是指对局部经济建设和国防建设具有一定影响的小型水利水电工程,如小型水库、小型引调水工程、小型水电站等。
其次,不同等级的水利水电工程需要确定相应的洪水标准。
一级工程的洪水标准应当考虑国家经济和国防安全的需要,采用较为严格的设计标准,以确保工程的安全稳定运行;二级工程的洪水标准应当考虑地区经济和国防安全的需要,采用适当的设计标准,保障工程的正常运行;三级工程的洪水标准应当考虑局部经济和国防安全的需要,采用较为灵活的设计标准,以满足当地的实际需求。
此外,水利水电工程的等级划分和洪水标准的确定还需要考虑工程所处的地理环境、气候条件、水文特征等因素,以及工程的用途、规模、重要性等因素。
在确定洪水标准时,还需要考虑工程的设计寿命、安全系数、水文资料的可靠性等因素,以确保工程在各种自然条件下都能够安全稳定地运行。
总之,水利水电工程的等级划分及洪水标准的确定是水利水电工程规划、设计和建设的重要内容,对保障工程的安全运行和发挥工程效益具有重要意义。
只有科学合理地确定水利水电工程的等级划分和洪水标准,才能够确保工程的安全可靠,为国民经济和社会发展提供可靠的水资源保障和清洁能源支持。
水利水电工程项目规模分级标准水库等级划分大、中、小型水库的等级是按照库容大小来划分的。
大(一)型水库库容大于10亿立方米;大(二)型水库库容大于1亿立方米而小于10亿立方米;中型水库库容大于或等于0.1亿立方米而小于1亿立方米;小(一)型水库库容大于或等于100万立方米而小于1000万立方米;小(二)型水库库容大于或等于10万立方米而小于100万立方米。
河流等级划分大、中、小型河流的等级是按照保护面积大小来划分的。
大型河流保护面积大于30万亩;中型河流保护面积在1—30万亩之间;小型河流保护面积小于1万亩。
有众多支流汇入的是上游水量稳定且较高的是中游水量有所减少或转如地势低平地区的是下游上中游分界线一般是最后一条大支流的汇入地点中下游分界线一般是地势低平地区的边缘堤防工程等级依据堤防工程的防洪标准确定,依据堤防工程设计规范(GB50286-1998),堤防工程分为5级,详见表2。
表2堤防工程的级别堤防分类堤防按其所在位置及建筑材料进行分类。
按所在位置,堤防可分为河(江)堤、海堤、湖堤、水库堤及渠(沟)堤等五种,详见表1 。
按建筑材料,堤防可分为土堤、砂堤、石堤、混凝土堤等四种。
(1)土堤:由粘土、壤土筑成,主要建在平原地区江河沿岸、海岸、湖泊四周、排灌沟渠沿岸及水库周边。
(2)砂堤:由沙土或砂砾石筑成,主要建在山区、丘陵区江河沿岸,水库周边、海岸。
(3)石堤:由块石或条石筑成,主要建在海岸、取土困难的江河沿岸及城区河段沿岸。
(4)混凝土堤:由混凝土或钢筋混凝土筑成,主要用于城区河段沿岸。
拦河闸等级划分拦河闸等级是按照过闸流量大小划分的。
大型拦河闸过闸流量大于1000立方米/秒;中型拦河闸过闸流量大于100立方米/秒而小于或等于1000立方米/秒;小型拦河闸过闸流量大于或等于10立方米/秒而小于100立方米/秒;流域河流等级一个流域内的水系汇入主流的各级水流。
如湘、资、沅、澧四水即为长江的支流。
通常把直接汇入干流的支流,叫一级支流,汇入一级支流的支流叫二级支流,以此类推。
表水利水电工程分等指标
表永久性水工建筑物级别
表临时性水工建筑物级别
表坝体施工期临时度汛洪水标准[重现期(年)]
表导流泄水建筑物封堵后坝体度汛洪水标准[重现期(年)]
表拦河水闸工程分等指标
表灌溉、排水泵站分等指标
表水库大坝提级指标
表山区、丘陵区水利水电工程永久性水工建筑物洪水标准[重现期(年)]
表山区、丘陵区水利水电工程消能防冲建筑物洪水标准
表平原区水利水电工程永久性水工建筑物洪水标准[重现期(年)]
表永久性挡水建筑物安全加高(m)
表设计情况下土石坝土质防渗顶部超高(m)。
水利水电工程项目规模分级准则文件编码(GHTU-UITID-GGBKT-POIU-WUUI-8968)水利水电工程项目规模分级标准水库等级划分大、中、小型水库的等级是按照库容大小来划分的。
大(一)型水库库容大于10亿立方米;大(二)型水库库容大于1亿立方米而小于10亿立方米;中型水库库容大于或等于0.1亿立方米而小于1亿立方米;小(一)型水库库容大于或等于100万立方米而小于1000万立方米;小(二)型水库库容大于或等于10万立方米而小于100万立方米。
河流等级划分大、中、小型河流的等级是按照保护面积大小来划分的。
大型河流保护面积大于30万亩;中型河流保护面积在1—30万亩之间;小型河流保护面积小于1万亩。
有众多支流汇入的是上游水量稳定且较高的是中游水量有所减少或转如地势低平地区的是下游上中游分界线一般是最后一条大支流的汇入地点中下游分界线一般是地势低平地区的边缘堤防工程等级依据堤防工程的防洪标准确定,依据堤防工程设计规范(GB50286-1998),堤防工程分为5级,详见表2。
表2堤防工程的级别堤防分类堤防按其所在位置及建筑材料进行分类。
按所在位置,堤防可分为河(江)堤、海堤、湖堤、水库堤及渠(沟)堤等五种,详见表1 。
按建筑材料,堤防可分为土堤、砂堤、石堤、混凝土堤等四种。
(1)土堤:由粘土、壤土筑成,主要建在平原地区江河沿岸、海岸、湖泊四周、排灌沟渠沿岸及水库周边。
(2)砂堤:由沙土或砂砾石筑成,主要建在山区、丘陵区江河沿岸,水库周边、海岸。
(3)石堤:由块石或条石筑成,主要建在海岸、取土困难的江河沿岸及城区河段沿岸。
(4)混凝土堤:由混凝土或钢筋混凝土筑成,主要用于城区河段沿岸。
拦河闸等级划分拦河闸等级是按照过闸流量大小划分的。
大型拦河闸过闸流量大于1000立方米/秒;中型拦河闸过闸流量大于100立方米/秒而小于或等于1000立方米/秒;小型拦河闸过闸流量大于或等于10立方米/秒而小于100立方米/秒;流域河流等级一个流域内的水系汇入主流的各级水流。
表2.1.1 水利水电工程分等指标
表2.2.1 永久性水工建筑物级别
表2.2.6 临时性水工建筑物级别
表3.2.7 坝体施工期临时度汛洪水标准[重现期(年)]
表3.2.8 导流泄水建筑物封堵后坝体度汛洪水标准[重现期(年)]
表2.1.3 拦河水闸工程分等指标
表2.1.4 灌溉、排水泵站分等指标
表2.2.3 水库大坝提级指标
表3.2.1 山区、丘陵区水利水电工程永久性水工建筑物洪水标准[重现期(年)]
表3.2.4 山区、丘陵区水利水电工程消能防冲建筑物洪水标准
表3.3.1 平原区水利水电工程永久性水工建筑物洪水标准[重现期(年)]
表4.0.1 永久性挡水建筑物安全加高(m)
表4.0.3 设计情况下土石坝土质防渗顶部超高(m)。