表格资料分类表
- 格式:xlsx
- 大小:107.71 KB
- 文档页数:52
工程资料分类表归档保留单位类型工程资料名称表格编号(或资施工监理建设城建编号料根源)档案单位单位单位馆A 类建设文件A1立项文件A1-1项目建议书建设单位●●A1-2项目建议书的批复文件计划部门●●A1-3可行性研究报告工程咨询单位●●A1-4可行性报告的批复文件有关主管部门●●A1-5对于立项的会议纪要、领导批改组织单位●●A1-6专家对项目的有关建议文件建设单位●●A1-7项目评估研究资料建设单位●●A2建设用地、征地、拆迁文件A2-1征占用地的同意文件和对使用国有土地的批政府有关部门●●准建议、拆迁协议、合同、布置方案等A2-2规划建议及附图规划管理部门●●A2-3建设用地规划允许证、允许证附件及附图规划管理部门●●●A2-4国有土地使用允许证领土管理部门●●A2-5国有土地使用权出让交易文件交易两方●●A3勘探、测绘、设计文件A3-1工程地质勘探报告勘探单位●●●●A3-2水文地质勘探报告勘探单位●●●●A3-3建筑用地规划红线图规划管理部门●●●●A3-4验线合格文件规划管理部门●●●●A3-5鉴定设计方案通知书及附图规划管理部门●●●●鉴定设计方案通知书要求征采有关人防、环A3-6保消防、交通、园林、市政、文物、通信、有关部门●●保密、河源、教育等部门的审察建议和要求获得的有关协议A3-7初步设计图及说明设计单位●A3-8施工图设计及说明设计单位●●A3-9设计计算书设计单位●A3-10消防设计审察建议消防管理部门●●●●A3-11施工图审察通知书审察机构●●●归档保留单位类型工程资料名称表格编号(或资施工监理建设城建编号料根源)档案单位单位单位馆A4工程招招标及承包合同文件A4-1勘探招招标文件建设、勘探单位●A4-2设计招招标文件建设、设计单位●A4-3施工招招标文件建设、施工单位●●●A4-4监理招招标文件建设、监理单位●●A4-5勘探中标通知书建设、勘探单位●●A4-6设计中标通知书建设、设计单位●●A4-7施工中标通知书建设、施工单位●●●●A4-8监理中标通知书建设、监理单位●●●A4-9勘探合同建设、勘探单位●●●A4-10设计合同建设、设计单位●●A4-11施工合同建设、施工单位●●●●A4-12监理合同建设、监理单位●●●A5工程动工文件A5-1动工报告建设行政管理部门●●●A5-2建设工程规划允许证、附件及附图规划管理部门●●●●A5-3建设工程施工允许证建设行政管理部门●●●●A5-4建设工程质量监察报监登记书JS-001●●●●A5-5目睹取样送验目睹人受权书JS-003●●A6商务文件A6-1工程投资估量文件工程等份咨询单位●A6-2工程设计概算工程等份咨询单位●A6-3施工图估量工程等份咨询单位●●A6-4施工估量施工单位●●●A6-5工程结算、决算合同两方●●●●A6-6交托使用固定财产清单建设单位●●A6-7建设工程概略建设单位●●●工程完工查收及存案文件工程完工查收见告单JS-002●●●A7四川省房子建筑工程和市政基础设备工程竣JS-004●●●●工查收报告建设工程完工查收存案书JS-005●●●●归档保留单位类型工程资料名称表格编号(或资施工监理建设城建编号料根源)档案单位单位单位馆工程质量事故报告JS-006●●●●勘探文件质量(自评)检查报告(建筑、市JS-007●●●●政工程)设计文件质量(自评)检查报告(建筑、市JS-008●●●●政工程)由规划、公安消防、环保等部门出具的认同有关主管部门●●●●A7文件或允许使用文件《房子建筑工程质量保修书》建设与施工单位●●●●《住所质量保证书》、《住所使用说明书》建设与施工单位●●●●建设工程规划查收合格文件规划管理部门●●●●设计检查报告地基检查报告A8其余文件A8-1合同商定由建设单位采买的资料、构配件和建设单位●●●设备的质量证明文件及进场报验文件A8-2工程完工质量评估报告建设单位●●A8-3工程未动工前的原貌、完工新貌照片建设单位●●A8-4工程动工、施工、完工的录录像资料建设单位●●B 类监理资料监理管理资料监理规划、监理实行细则监理单位●●施工现场质量管理审察记录表JL-A015●●●监理备忘录JL-B002●●●B1会议记录专题报告●有关JL-B004●●●质量问题JL-B005●●●建设监理工作月报JL-C002●●有关●质量问题施工监理日记JL-C004●监理工作总结(专题、阶段和完工总结)监理单位●●●监理工作记录工程动工报审表JL-A001●●●B2JL-A002施工组织设计(方案)报审表●●●分包单位资格报审表JL-A003●●●归档保留单位类型工程资料名称表格编号(或资施工监理建设城建编号料根源)档案单位单位单位馆工程施工进度计划(高速计划)报审表JL-A004●●●施工丈量放线报审表JL-A005●●●建筑资料报审表JL-A006●●●主要工程设备选型报审表JL-A007●●●工程构配件报审表JL-A008●●●复工申请表JL-A009●●●工程更改花费申请表JL-A010●●●花费索赔申请表JL-A011●●●延伸工期申请表JL-A012●●●整顿复查报审表JL-A013●●●技术鉴定报审表JL-A014●●●B2工程质量问题(事故)报告单JL-A016●●●●工程质量问题(事故)质量办理方案报审单JL-A017●●●●(一)月达成工程量报审单JL-A018●●●(一)月付款报审单JL-A019●●●工程更改单JL-A020●●●●工程暂停令JL-B001●●●监理工程师通知单JL-B003●●工程最后缓期审批表JL-B007●●●花费索赔审批表JL-B008●●●质量控制资料检查记录表JL-C001●●●旁站监理记录表JL-C003●●●质量事故报告及办理资料责任单位●●●●目睹取样存案文件L-C005●●●完工查收资料B3单位工程完工预查收报告●●●单位工程质量评估报告●●●●B4其余资料C类施薪资料工程管理与查收资料C0建设工程质量事故检查、勘探查笔录施工单位●●●●建设工程质量事故报告书施工单位●●●●类型 表格编号(或资编号工程资料名称料根源)单位工程质量完工查收记录SG — T001单位(子单位)工程质量控制资料核查记录 SG — T002单位(子单位)工程安全和功能查验资料核 SG — T003查及主要功能抽查记录C0单位(子单位)工程观感质量检查记录 SG — T004室内环境检测报告 检测单位 施工总结施工单位 单位工程完工质量检查报告 施工单位施工管理资料公司资质证书及有关专业人员岗位证书 施工单位C1目睹记录监理单位工程质量事故报告 SG — 001单位工程动工报告 SG — 002 施工日记 SG — 003施工技术资料施工组织设计及施工方案 施工单位技术鉴定单 SG — 004 C2技术交底SG — 005图纸会审记录SG — 006技术经济签证鉴定单 SG — 007 设计更改通知单 设计单位 工程洽谈记录 施工单位施工丈量记录工程定位丈量记录 丈量单位 C3基槽验线记录查收单位 建筑物垂直度、标高丈量记录 丈量单位沉降观察记录 丈量单位C4施工物质资料建筑与构造工程C4-1各样物质出厂合格证、质量保证书和商检证 供货单位等及检测报告钢筋力学(原材、焊接)性能查验报告JC — 001归档保留单位施工 监理 建设 城建档案 单位单位单位 馆● ● ● ●● ● ● ●● ●●● ●●●●●●●● ● ●●● ● ● ● ● ●● ●●●●●●●●●●● ● ● ● ●●●●●● ● ● ●●●●●●●●●●● ●●●●类型 表格编号(或资编号工程资料名称料根源)水泥检测报告JC — 002烧结一般(多孔)夸检测报告 JC — 003蒸压加气混凝土砌块检测报告 JC — 004一般混凝土小型空心砌块检测报告 JC — 005轻集料小型空心切块检测报告 JC — 006千压陶瓷砖查验报告 JC — 007蒸压灰砖检测报告 JC — 008粉煤灰砖检测报告 JC — 009砂检测报告JC — 010构件构造性能检测报告 JC — 011卵(碎)石检测报告JC — 012一般混凝土配合比设计报告 JC — 013砌筑沙浆配合比设计报告JC — 014混凝土立方体抗压强度检测报告 JC — 015沙浆立方体抗压强度检测报告 JC — 016C4-1混凝土抗渗性能检测报告JC — 017粉煤灰检测报告JC — 018氯化聚乙烯防水卷材检测报告 JC — 019高分子防水卷材检测报告 JC — 020高分子防水涂料检测报告 JC — 021沥青基防水涂料检测报告 JC — 022水性沥青基防水涂料检测报告 JC — 023大理石板材检测报告 JC — 024花岗石板材检测报告 JC — 025混凝土路面砖检测报告JC — 026回弹法检测混凝土抗压强度报告 JC — 027钻芯法检测混凝土抗压强度报告JC — 028回弹法检测砖砌体中沙浆抗压强度报告 JC — 029一般混凝土实质施工配合比 JC — 030砌筑沙浆实质施工配合比 JC — 031砌筑沙浆强度评定 SG — 110混凝土强度合格评定SG — 111归档保留单位施工 监理 建设 城建档案 单位单位单位 馆● ● ●● ● ●● ● ●● ● ●● ● ●● ● ●● ● ●● ● ●● ● ●● ● ●● ●●●●● ● ●● ● ●● ● ●● ● ●● ● ●● ● ●● ● ●● ● ●● ● ●● ● ●● ● ●● ● ●● ● ●● ● ●● ● ●● ●● ●● ● ●●●●类型 表格编号(或资编号工程资料名称料根源)单位工程混凝土试块强度汇总表 SG — 112预制构件汇总表SG — 113 C4-1防水资料合格证、试验报告汇总表SG — 114水泥出厂合格证、试验单汇总表 SG — 115 钢材质量证明单、试验单汇总表 SG — 116 砖出厂合格证、试验单汇总表 SG — 117建筑给水、排水及采暖工程C4-2各样物质出厂合格证、质量保证书、商检证 供给单位及检测报告建筑电气工程C4-3各样物质出厂合格证、质量保证书、商检证 供给单位及检测报告通风与空调工程C4-4主要设备和部位产品合格证、质量证明文件 供给单位及检测报告智能建筑系统工程C4-5各样物质出厂合格证、质量证明文件及检测 专业施工单位报告电梯工程C4-6电梯主要设备、资料及附件出厂合格证、产 供给单位品说明书、安装技术文件施工记录C 5隐蔽工程检查记录 施工单位(其余施工记录) 施工单位C6施工试验记录 建筑与构造工程 地基承载力查验报告 检测单位桩检测报告检测单位 C6-1土工击实试验报告检测单位回填(换填)土试验报告 检测单位土壤氡检测试验报告 检测单位 饰面砖粘结强度试验报告 检测单位后置埋件拉拔试验报告 检测单位C6-2给排水及采暖工程归档保留单位施工 监理 建设 城建档案 单位单位单位 馆●● ●●● ●●● ●● ● ●●● ●●●●●● ●●● ●●● ●●● ●●● ●●● ●●● ● ●● ● ●● ● ● ● ● ●● ● ●● ● ●●●类型编号C6-2 C6-3 C6-4工程资料分类表归档保留单位工程资料名称表格编号(或资施工监理建设城建料根源)档案单位单位单位馆系统消毒冲洗记录SG-A050●●●阀门试验检查记录SG-A051●●●管道工程水压试验记录SG-A052●●●管道、设备焊接施工检查记录SG-A053●●●卫生用具蓄水试验记录SG-A054●●●雨水管道立管通球检查记录SG-A055●●●污水管道渗水量试验记录SG-A056●●●污水管道渗水量试验记录SG-A057●●●设备管道吹洗注水试验记录SG-A058●●●通水试验记录SG-A059●●●排水管道注水试验SG-A060●●●建筑电气工程避雷接地电阻测试记录SG-A061●●●绝缘电阻测试记录SG-A062●●●接地电阻测试记录SG-A063●●●系统功能测试记录SG-A064●●●系统通电试验记录SG-A067●●●管道工程隐蔽查收记录SG-A068●●●电气配管(线)安装工程隐蔽查收记录SG-A069●●●大型灯具吊点坚固性试验及隐蔽查收记录SG-A070●●●通风与空调工程通风与空调工程系统风量测试记录SC-A088●●●通风与空调工程设备进场查收记录SC-A089●●●通风与空调工程隐蔽查收记录SC-A090●●●制冷、空调水管道荛系统强度试验及精细性SC-A091●●●试验记录通风与空调工程系统风量均衡测试记录SC-A092●●●通风与空调工程系统调试检测记录SC-A093●●●干净室干净度测试记录SC-A094●●●通风与空调工程室内测试测试记录SC-A095●●●通风空调机组调试报告SC-A096●●●通风空调系统调试报告SC-A097●●●工程资料分类表归档保留单位类型工程资料名称表格编号(或资施工监理建设城建编号料根源)档案单位单位单位馆C6-4通风与空调工程系统设备检测试验记录SC-A098●●●制冷设备运转调试记录SC-A099●●●C7施工质量查收记录参照表格履行C8完工图●●●注:本表的归档保留单位是指完工后有关单位对工程资料的归档保留,保留限期按《建设工程文件归档整理规范》( GB/T50328-2001 )附录 A 要求履行施工过程中工程资料的保存应按有关规定履行。
各部门领用材料分类汇总表
1. 引言
各部门在日常工作中经常需要领用各种材料,为了方便管理和统计,本文档总结了各部门常用的材料,并按照分类进行了汇总。
2. 分类汇总表
分类材料1 材料2 材料3 …
部门1 √× × …
部门2 × √√…
部门3 × × × …
……………
3. 各部门材料分类介绍
3.1 部门1
部门1常用的材料主要包括:
•材料1:用于…
•材料2:用于…
•材料3:用于…
3.2 部门2
部门2常用的材料主要包括:
•材料1:用于…
•材料2:用于…
•材料3:用于…
3.3 部门3
部门3常用的材料主要包括:
•材料1:用于…
•材料2:用于…
•材料3:用于…
…
4. 材料分类说明
4.1 分类1
•材料1:说明…
•材料2:说明…
•材料3:说明…
4.2 分类2
•材料1:说明…
•材料2:说明…
•材料3:说明…
…
5. 结论
本文档提供了各部门领用材料的分类汇总表,便于管理和统计各部门所需材料。
同时,还介绍了各部门常用的材料以及材料的分类说明,有助于进一步了解和掌握材料的用途和管理方法。
文档编写人:[XXX]
日期:[YYYY-MM-DD]。
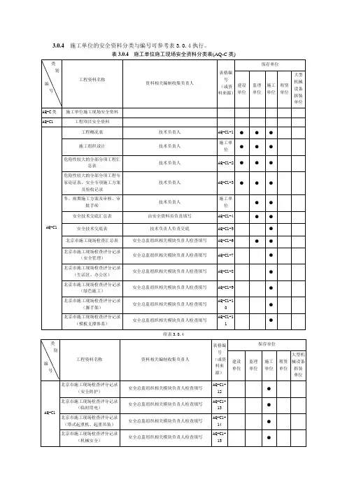
建设单位施工现场安全资料分类表(AQ-A类)
编
号工程资料名称
表格编号
(或资料来
源)
保存单位
建设
单位
监理
单位
施工
单位
租赁
单位
大型机械
设备拆装
单位
AQ-A类建设单位施工现场安全资料
建筑工程施工许可证建设单位●●●
北京市施工现场安全监督备案登记
表
表AQ-A-1 ●●●消防设计备案资料建设单位●●●
地上、地下管线及有关地下工程的资
料
表AQ-A-2 ●●●
安全防护、文明施工措施费用支付保
证制度
建设单位●●●
安全防护、文明施工措施费用支付统
计资料
建设单位●●●渣土消纳许可证建设单位●●●
夜间施工审批手续建设单位●●●
建设工程施工现场五方责任主体履
责情况自查表建设单位●●●
类别。
表格中数据分类
1. 数值型数据和非数值型数据:数值型数据是可以进行数值计算的数据,如年龄、收入等;非数值型数据是描述性的数据,如性别、职业等。
2. 定量数据和定性数据:定量数据是可以用数值表示的数据,可以进行数值计算,如身高、体重等;定性数据是描述性的数据,无法进行数值计算,如颜色、品种等。
3. 时序数据和交叉数据:时序数据是按时间顺序排列的数据,如销售额在不同季度的变化;交叉数据是不同维度上的数据交叉,如某产品在不同地区和不同时间的销售情况。
4. 分类数据和连续数据:分类数据是有限数量的离散数据,如血型、学历等;连续数据是可以取任意数值的连续数据,如身高、体重等。
5. 均匀数据和不均匀数据:均匀数据是在不同分类下数据分布均匀的情况,如不同年龄组的人数;不均匀数据是在不同分类下数据分布不均匀的情况,如不同地区的人口数量。
这些分类方式可以根据数据的性质和特点来进行选择,以便更好地组织和分析数据。
类别目录一、主要材料1.大五金2.小五金3.水暖器材4.电气材料5.管道附件6.复合材料7.建筑材料.物资分类标准审批:物资品种范围指构成产品实体的材料。
黑色金属、有色金属、包括生铁、铸铁管、合金材料。
板材、管材、线材、铜排、铜管、压型彩板等电焊条、焊丝、铜焊条、铝焊条、钨极、焊锡丝、焊锡条、铁丝、铜丝、钢丝、元钉、铁丝网、活络网、门窗铁件、木螺丝、自攻螺丝、膨胀螺栓、螺栓、螺母、销、铆钉、档圈、键、垫铁、〔镀锌〕圆钢U型卡子、镀锌铁皮卡子等。
阀门〔闸阀、截止阀、旋塞阀、球阀、蝶阀、隔膜阀、止回阀、节流阀、平安阀、减压阀、疏水阀等〕、补偿器、三通、弯头、管箍、活接、补芯、对丝、丝堵、根母、法兰、盲板、金属石墨缠绕垫、齿型垫、铸铁管件、暖气片及其配件、水咀等。
电力电缆、控制电缆、通信电缆、裸电缆、电磁线、橡套软电缆、通用型电线、电缆附件、铜母线、铝母线、电流互感器、电压互感器、控制器、电阻器、接触器、起动器、继电器、空气开关、行程开关、按扭开关、组合开关、转换开关、照明变压器、行灯变压器、镝灯镇流器、电流表、电压表、电度表、闸刀开关、铁壳开关、隔离开关、针式瓷瓶、悬式瓷瓶、支柱瓷瓶、拉紧资瓶、高、低压瓷瓶、瓷接头、直瓷管、穿墙套管、熔断器、螺旋熔断器、输电材料、水泥电杆、灯具、绝缘材料及其附属电材料、电缆中间接头、电缆终端接头、金属软管、热塑管、尼龙扎带、尼龙胀管、绑线、相色带、电壶线、保护管接头、保护管端接头、母线金具、2222等。
软电缆(4mm以下含4mm)、橡胶软电缆(4mm以下含4mm)金属〔非金属〕补偿器、风口、管道支架、耐磨弯头、节流孔板、吹扫门、防火门、锁气器、别离器、人孔、取样装置、导向轮、煤粉混合器、绞车灯等。
聚氯乙烯双臂波纹管及管件、钢骨架复合管及管件、PPR管及管件、PVC(UPVC)管及管件、PVC(UPVC)板、PVC(UPVC)焊条、塑料泡沫板及管等。
沥青、玻璃、油毡、卫生陶瓷、陶瓷管、木料、水泥、砖瓦、砂、灰、石、石棉水泥瓦、混凝土制品、商品混凝土制品、门、窗、瓷砖、涂料、石膏、防火卷材、防火油膏、防水剂、阻水带、耐火材料〔防火包、防火板、防火涂料、耐火浇注料等〕、保温材料〔玻璃丝布、复合硅酸铝管、硅酸铝纤维板、硅酸铝纤维毡、离心玻璃棉板〔管〕、玻璃棉毡、矿碴棉、膨胀珍珠岩及其制品、沥青矿碴棉毡〕等..类别目录物资品种范围二、其它材料指有助产品的形成,但不构成产品实体的材料。
归档范围
不归档文件材料范围
1上级来文
1.1上级机关任免、奖惩非本机关工作人员的文件,普发供参阅、不需办理的文件材料;
1.2上级机关发来供工作参考的抄件;
1.3上级机关征求意见未定稿的文件;
2本级文件材料
2.1重份文件;
2.2无查考利用价值的事务性、临时性文件;
2.3未经会议讨论,未经领导审阅、签发的未生效文件、电报草稿、一般性文件的历次修改稿(重要法规性文件除外)、铅印文件的各次校对稿(主要领导人亲笔修改稿和签字的最后定稿除外);
2.4从正式文件上摘录的供参考的非证明性材料;
2.5无特殊保存价值的信封,一般性表态、询问一般性问题、提出一般性建议或意见的信函;
2.6机关内部互相抄送的文件材料,不应履行公文的行文、介绍信等;
2.7本机关负责人兼任外机关职务形成与本机关无关的文件材料;
2.8为参考目的从各方面收集的文件材料;
3同级机关和非隶属机关来文
3.1参加非主管机关召开的不需要贯彻执行和无查考价值的文件材料;
3.2非隶属机关抄送的不需要办理的文件材料
4下级来文
4.1下级机关送来的参阅简报、情况反映、不应抄报或不必备案的文件材料;
4.2越级抄送的一般的、不需办理的文件材料;
4.3下级机关抄报备案的一般性文件材料。
资料员所需表格分类分类:共分为:5大类。
1〔壹〕监理类表格:包括3个分类用表⑴承包单位用表⑵监理单位用表⑶各单位通用表①承包单位用表〔15个表〕:⒈津监理A1工程开工报审表⒉津监理A1—1工程开工报告⒊津监理A2施工组织设计〔方案〕报审表⒋津监理A3施工进度方案报审表⒌津监理A4分包〔供货、试验〕单位资格报审表⒍津监理A5工程复工报审表⒎津监理A6工程物资进场报验申请表⒏津监理A7 报验申请表⒐津监理A8分布〔子分部〕工程报验申请表⒑津监理A9工程竣工预验收报验申请表⒒津监理A10施工设施〔机具、措施用材料〕备案表⒓津监理A11工程款支付申请表⒔津监理A12工程临时〔最终〕延期申请表⒕津监理A13费用索取申请表⒖津监理A14监理通知回复单②监理单位用表〔7个表〕:⒈津监理B1总监理工程师授权通知书⒉津监理B2工程监理部人员配置〔调整〕通知书⒊津监理B3监理通知单⒋津监理B4工程暂停令⒌津监理B5工程变更通知单⒍津监理B6工程竣工预验收报告⑴津监理B6—1工程竣工预验收报告目录⑵津监理B6—2工程竣工预验收小组成员及其分工表⑶津监理B6—3单位〔子单位〕工程质量控制资料核查记录⑷津监理B6—3续表⑸津监理B6—4单位〔子单位〕工程平安和功能检验资料核查及主要功能查查记录⑹津监理B6—5单位〔子单位〕工程观感质量检查记录⑺续表B6—5⑻津监理B6—6工程竣工验收整改意见书⑼津监理B6—7单位〔子单位〕工程质量竣工预验收记录⒎津监理B7现场证物照片③各单位通用表〔5个表〕⒈津监理C1监理联系单⒉津监理C2工程变更报审表⒊津监理C3会议纪要⒋不合格品评审、处置记录编号:ZJ—CX25—JI—01⒌让步接收申请表编号:ZJ—CX25—JI—022〔贰〕工程质量控制资料:包括6个分类用表⒈建筑与结构:▲津资K—1图纸会审、设计变更、洽商记录〔通用〕▲J2—1工程定位测量、防线记录⑴津资K—J2—1工程定位测量、防线、水准点引测记录⑵津资K—J2—2工程定位测量、防线、水准点引测经过记录▲J-3_原材料出厂合格证书及进场检(试)验记录⑴津资K-3(通用) 材料汇总表⑵津资K-J3—1(通用)原材料〔构配件〕进场验收记录⑶津资K-J3—2钢材检验报告⑷津资K-J3—3冷轧扭钢筋检验报告⑸津资K-J3—4预应力混凝土用钢绞线检验报告⑹津资K-J3—5预应力筋用锚具、夹具和连接器检验报告⑺津资K-J3—6电焊条质量检验报告⑻津资K-J3—7高强度螺栓连接副检验报告⑼津资K-J3—8高强度螺栓检验报告⑽津资K-J3—9水泥检验报告⑾Ⅱ、Ⅲ类混凝土工程原材料试验报告⑿津资K-J3—11—1建筑用砂检验报告⒀津资K-J3—11—2普通混凝土用砂检验报告⒁津资K-J3—12—1建筑用石子检验报告⒂津资K-J3—12—2普通混凝土用石子检验报告⒃津资K-J3—13混凝土拌合用水检验报告⒄⒅津资K-J3—14粉煤灰检验报告⒆津资K-J3—15石灰检验报告⒇津资K-J3—16—1混凝土外加剂检验报告〔21〕津资K-J3—16—2混凝土外加剂检验报告〔22〕津资K-J3—17烧结普通砖检验报告〔23〕津资K-J3—18烧结空心砖检验报告〔24〕津资K-J3—19普通混凝土小型空心砌块检验报告〔25〕津资K-J3—20蒸压加气混凝土砌块检验报告〔26〕津资K-J3—21轻集料混凝土小型空心砌块检验报告〔27〕津资K-J3—22防水卷材检验报告〔28〕津资K-J3—23沥青检验报告〔29〕津资K-J3—24防水涂料检验报告〔30〕津资K-J3—25建筑门、窗物理性能检验报告〔31〕津资K-J3—26陶瓷墙砖检验报告〔32〕津资K-J3—27铝塑复合板检验报告〔33〕津资K-J3—28人造板物理力学性能检验报告〔34〕津资K-J3—29人造木板饰面人造木板游离甲醛含量/游离甲醛释放量检验报告〔35〕津资K-J3—30幕墙材料检验报告〔36〕津资K-J3—31幕墙玻璃应力检验报告〔37〕津资K-J3—32幕墙玻璃色差检验报告〔38〕津资K-J3—33建筑幕墙物理性能检验报告〔39〕津资K-J3—33〔续1〕建筑幕墙物理性能检验报告〔40〕津资K-J3—33〔续2〕建筑幕墙物理性能检验报告〔41〕津资K-J3—34密封胶检验报告〔42〕津资K-J3—35结构胶检验报告〔43〕津资K-J3—36石材检验报告〔44〕津资K-J3—37建筑涂料检验报告〔45〕津资K-J3—38建筑室内用腻子检验报告〔46〕津资K-J3—39保温材料检验报告〔47〕津资K-J3—40保温砂浆检验报告〔48〕津资K-J3—41建筑材料放射性检验报告〔49〕津资K-J3—42建筑石膏试验报告〔50〕津资K-J3—43波纹管检验报告〔51〕津资K-J3—44镀锌焊接钢管检验报告⒉给排水与采暖:▲J-4_施工试验报告及见证及检测报告⑴津资K-4〔通用〕检〔试〕验报告汇总表⑵津资K-J4-1钢筋机械连接检验报告⑶津资K-J4-2刚刚焊接性能检验报告⑷津资K-J4-3超声波探伤检验报告⑸津资K-J4-3〔续〕超声波探伤检验报告⑹津资K-J4-4X射线检验报告⑺津资K-J4-5球连杆〔球节点〕检验报告⑻津资K-J4-6金属硬度检验报告⑼津资K-J4-7混凝土配合比通知单⑽津资K-J4-8混凝土试验块报告汇总表⑾津资K-J4-9混凝土强度检验评定表⑿津资K-J4-10混凝土抗压强度试验报告⒀津资K-J4-11混凝土抗渗试验报告⒁津资K-J4-12混凝土抗折强度试验报告⒂津资K-4⒃⒄⒅⒆⒇⒊通风与空调⒋建筑电气⒌智能建筑⒍电梯工程。
工程资料分类表表1-3归档保存单位类别编号工程资料名称表格标号(资料来源)施工单位监理单位建设单位城建档案馆A 类基建文件A1 决策立项文件AA1-1 项目建议书建设单位●●A1-2 项目建议书的批复文件建设主管部门●●A1-3 可行性研究报告工程咨询单位●●A1-4 可行性报告的批复文件有关主管部门●●A1-5 关于立项的会议纪要、领导批示组织单位●●A1-6 专家对项目的有关建议文件建设单位●●A1-7 项目评估研究资料建设单位●●A2 建设用地、征地、拆迁文件A2-1 征占用地的批准文件及对使用国有土地的批准意见政府有关部门●●A2-2 规划意见书及附图规划部门●●A2-3 建设用地规划许可证、许可证附件及附图规划部门●●●A2-4 国有土地使用证国有土地管理部门●●A3 勘查、测绘、设计文件A3-1 工程地质勘察报告勘查单位●●●●A3-2 水文地质勘察报告勘查单位●●●●A3-3 建筑用地钉桩通知单规划部门●●●●A3-4 验线通知单规划部门●●●●A3-5 规划设计条件通知书及附图规划部门●●A3-6 审定设计方案通知书及附图规划部门●●审定设计方案通知书要求,征求有关人防、●●A3-7 环保、消防、交通、园林、市政、文物、通讯、保密、河湖、教育等部门的审查意见和有关部门要求取得的有关协议A3-8 初步设计图及说明设计单位●A3-9 施工图设计及说明设计单位●●A3-10 设计计算书设计单位●A3-11 消防设计审核意见消防局●●●A3-12 施工图设计文件审查通知书及施工图审查报告●●●A4 工程招投标及承包合同文件A4-1 勘查招投标文件建设、勘查单位●A4-2 设计招投标文件建设、设计单位●A4-3 施工招投标文件建设、施工单位●●●A4-4 监理招投标文件建设、监理单位●●A4-5 勘察合同建设、勘查单位●A4-6 设计合同建设、设计单位●A4-7 施工合同建设、施工单位●●●A4-8 监理合同建设、监理单位●●A5 工程开工文件A5-1 年度施工任务批准文件建设主管部门●●A5-2 修改工程施工图通知书规划部门●●A5-3 建设工程规划许可证、附件及附图规划部门●●●●A5-4 建设工程施工许可证规划部门●●●●A5-5 工程质量监督手续质量监督机构●●●●A6 商务文件A6-1 工程投资估算文件工程造价咨询单位●A6-2 工程设计概算工程造价咨询单位●A6-3 施工图预算工程造价咨询单位●●●A6-4 施工预算施工单位●●●A6-5 工程结(决)算合同双方●●●A6-6 交付使用固定资产清单建设单位●●A6-7 建设工程概况●●A7 工程竣工验收及备案文件A7-1 建设工程竣工验收备案表建设单位●●●●A7-2 工程竣工验收报告建设单位●●●●A7-3 由规划、公安消防、人防、环保等部门出具的认可文件或准许使用文件主管部门●●●●A7-4 《房屋建筑工程质量保修书》建设与施工单位●●●A7-5 《住宅质量保证书》《住宅使用说明书》建设单位●A7-6 建设工程规划验收合格证规划部门●●●●A7-7 建设工程竣工档案预验收意见城建档案馆●●A8 其他文件A8-1 合同约定的由建设单位采购的材料、构配件和设备的质量证明文件及进场报验文件建设单位●●●A8-2 工程竣工总结建设单位●●A8-3 工程为开工前的原貌、竣工新貌照片建设单位●●A8-4 工程开工、施工、竣工的录音录像资料建设单位●●B 类监理资料B1 监理管理资料监理规划、监理实施细则监理单位●●●监理月报监理单位●●监理会议纪要监理单位●●●监理工作日志监理单位●监理工作总结(专题、阶段和竣工总结)监理单位●●●监理工作记录施工组织设计(方案)报审表A2 表●●●施工测量放线报验申请表A4 表●●●施工进度计划报验申请表A4 表●●●工程材料/构配件/设备报审表A9 表●●●工程开工报审表A1 表●●●分包单位资格报审表A3 表●●●分项/分部工程报验申请表A4 表●●工程复工报审表A1 表●●●工程变更费用报审表●●●费用索赔申请表A8 表●●●工程款支付申请表A5 表●●工程临时延期申请表A7 表●●●B2 监理工程师通知回复单A6 表●●监理工程师通知单B1 表●●不合格项处置记录●●●工程暂停令B2 表●●●工程临时延期审批表B4 表●●●工程最终延期审批表B5 表●●●费用索赔审批表B6 表●●●工程款支付证书B3 表●●●旁站监理记录●●●质量事故报告及处理资料责任单位●●●●见证取样备案文件监理单位●●●竣工验收资料工程竣工报验单A10 表●●●竣工移交证书●●●●工程质量评估报告监理单位●●●●其他资料监理工作联系单C1 表●●● B4 工程变更单C2 表●●C 类施工资料工程管理与验收资料工程概况表表C0-1 ●●建设工程质量事故调(勘)查笔录表C0-2 ●●●● C0 建设工程质量事故报告书表C0-3 ●●●●单位(子单位)工程质量竣工验收记录●●●●C0 单位(子单位)工程质量控制资料核查记录●●●单位(子单位)工程安全和功能检查资料核●●●查及主要功能抽查记录单位(子单位)工程观感质量检查记录●●室内环境监测报告检测单位提供●●施工总结施工单位编制●●●工程竣工报告施工单位编制●●●●施工管理资料施工现场质量管理检查记录表C1-1 ●●C1企业资质证书及相关专业人员岗位证书施工单位提供●见证记录监理单位提供●●施工日志表C1-2 ●施工技术资料施工组织设计及施工方案施工单位编制●C2 技术交底记录表C2-1 ●图纸会审记录表C2-2 ●●●●设计变更通知单表C2-3 ●●●●工程洽商记录表C2-4 ●●●●施工测量记录工程定位测量记录表C3-1 ●●●●基槽验线记录表C3-2 ●●●楼层平面放线记录表C3-3 ● C3楼层标高抄测记录表C3-4 ●建筑物垂直度、标高测量记录表C3-5 ●●沉降观测记录测量单位提供●●●●施工物资资料通用表格材料、构配件进场检验记录表C4-1 ●材料试验报告(通用)表C4-2 ●●设备开箱检验记录(机电通用)表C4-3 ●设备及管道附件试验记录(机电通用)表C4-4 ●●建筑与结构工程出厂质量证明文件C4各种物资出厂合格证、质量保证书和商检证供应单位提供●●等半成品钢筋出厂合格证表C4-5 ●●预制混凝土构件出厂合格证表C4-6 ●●钢构件出厂合格证表C4-7 ●●预拌混凝土出厂合格证表C4-8 ●●●检测报告钢材性能检测报告供应单位提供●●●水泥性能检测报告供应单位提供●●C4 外加剂性能检测报告供应单位提供●●防水材料性能检测报告供应单位提供●●砖(砌块)性能检测报告供应单位提供●●门、窗性能检测报告(建筑外窗应有三性检供应单位提供●●测报告)吊顶饰面材料性能检测报告供应单位提供●●饰面板材性能检测报告供应单位提供●●饰面石材性能检测报告供应单位提供●●饰面砖性能检测报告供应单位提供●●涂料性能检测报告供应单位提供●●玻璃性能检测报告(安全玻璃应有安全性能供应单位提供●●检测报告)壁纸、墙布防火、阻燃性能检测报告供应单位提供●●装修用粘结剂性能检测报告供应单位提供●●防火涂料性能检测报告供应单位提供●●隔声/隔热/阻燃/防潮材料特殊性能检测报告供应单位提供●●钢结构用焊接材料检测报告供应单位提供●●高强度大六角头螺栓连接副扭矩系数检测报供应单位提供●●告扭剪型高强螺栓连接副预拉力检测报告供应单位提供●●木结构材料检测报告(含水率、木构件、钢供应单位提供●●件)幕墙性能检测报告(三性试验)供应单位提供●●●幕墙用硅酮结构胶检测报告供应单位提供●●●幕墙用玻璃性能检测报告供应单位提供●●幕墙用石材性能检测报告供应单位提供●●●幕墙用金属板性能检测报告供应单位提供●●材料污染物含量检测报告(执行供应单位提供●●GB50325---2001 )复试报告钢材试验报告表C4-9 ●●●水泥试验报告表C4-10 ●●●砂试验报告表C4-11 ●●●碎(卵)石试验报告表C4-12 ●●●外加剂试验报告表C4-13 ●●●掺合料试验报告表C4-14 ●●防水涂料试验报告表C4-15 ●●防水卷材试验报告表C4-16 ●●砖(砌块)试验报告表C4-17 ●●●轻集料试验报告表C4-18 ●●预应力筋复试报告检测单位提供●●●预应力锚具、夹具和连接器复试报告检测单位提供●●装饰装修用门窗复试报告检测单位提供●●C4装饰装修用人造地板复试报告检测单位提供●●装饰装修用花岗石复试报告检测单位提供●●装饰装修用安全玻璃复试报告检测单位提供●●装饰装修用外墙面砖复试报告检测单位提供●●钢结构金相试验报告检测单位提供●●●钢结构用钢材复试报告检测单位提供●●●钢结构用焊接材料复试报告检测单位提供●●钢结构用高强度大六角头螺栓连接副复试报检测单位提供●●告钢结构用扭剪型高强螺栓连接副复试报告检测单位提供●●木结构材料复试报告检测单位提供●●幕墙用铝塑板复试报告检测单位提供●●●幕墙用石材复试报告检测单位提供●●●幕墙用安全玻璃复试报告检测单位提供●●幕墙用结构胶复试报告检测单位提供●●●建筑给水、排水及采暖工程管材的产品质量证明文件供应单位提供●●主要材料、设备的产品质量合格证及检测报供应单位提供●●告绝热材料的产品合格证及检测报告供应单位提供●●给水管道材料卫生检测报告供应单位提供●●成品补偿器预拉伸证明书供应单位提供●●卫生洁具环保检测报告供应单位提供●●锅炉(承压设备)焊缝无损探伤检测报告供应单位提供●●水表、热量表的计量检定证书供应单位提供●●安全阀、减压阀的调试报告及定压合格证书由供应单位及检●●测单位提供主要设备及器具安装使用说明书供应单位提供●●建筑电气工程低压成套配电柜、动力、照明配电箱(盘柜)供应单位提供●●出厂合格证、生产许可证、试验记录、CCC认证及证书复印件电力变压器、柴油发电机组、高压成套配电供应单位提供●●柜、蓄电池柜、不间断电源柜、控制柜(屏、台)出厂合格证、生产许可证及试验记录发电机、电加热器、电动执行机构和低压开供应单位提供●●关设备合格证、生产许可证、CCC 认证及证书复印件照明灯具、开关、插座、风扇及附件出厂合供应单位提供●●格证、CCC 认证及证书复印件导管、电缆桥架和线槽出厂合格证供应单位提供●●电线、电缆出厂合格证、生产许可证、CCC供应单位提供●●认证及证书复印件C4型钢及电焊条合格证及材质证明书供应单位提供●●镀锌制品(支架、横担、接地极、避雷用型供应单位提供●●钢等)和外线金具合格证和镀锌质量证明书封闭母线、插接母线合格证、安装技术文件、供应单位提供●●CCC 认证及证书复印件裸母线、裸导线、电缆头部件及接线端子、供应单位提供●●钢制灯柱、混凝土电秆和其他混凝土制品合格证主要设备安装技术文件供应单位提供●●智能建筑系统工程(执行现行标准规范)专业施工单位提●●供通风与空调工程制冷机组等主要设备和部件的产品合格证及供应单位提供●●质量证明文件阀门、疏水器、水箱、分集水器、减震器、供应单位提供●●储冷罐、集气罐、仪表、绝热材料等的出厂合格证、质量证明文件及检测报告板材、管材等质量证明文件供应单位提供●●主要设备安装使用说明书供应单位提供●●电梯工程●●电梯设备开箱检验记录表C4-19 ●●电梯主要设备、材料及附件出厂合格证、产供应单位提供●●品说明书、安装技术文件施工记录通用表格隐蔽工程检查记录表C5-1 ●●●预检记录表C5-2 ●施工检查记录(通用)表C5-3 ●交接检查记录表C5-4 ●●建筑与结构工程基坑支护变形监测记录专业施工单位●C5桩(地)基施工记录专业施工单位●●●地基验槽检查记录表C5-5 ●●●地基处理记录表C5-6 ●●●地基钎探记录(附图)表C5-7 ●●●混凝土浇筑申请书表C5-8 ●●预拌混凝土运输单表C5-9 ●混凝土开盘鉴定表C5-10 ●混凝土拆模申请表表C5-11 ●混凝土搅拌测温记录表表C5-12 ●混凝土养护测温记录表(附图)表C5-13 ●大体积混凝土养护测温记录报表(附图)表C5-1414 ●构件吊装记录表C5-15 ● C5焊接材料烘焙记录表C5-16 ●地下工程防水效果检查记录表C5-17 ●●防水工程试水检查记录表C5-18 ●●通风(烟)道、垃圾道检查记录表C5-19 ●预应力筋张拉记录(一)表C5-20 ●●●预应力筋张拉记录(二)表C5-21 ●●●有粘结预应力结构灌浆记录表C5-22 ●●●钢结构施工记录专业施工单位提●●供网架(索膜)施工记录专业施工单位提●●供木结构施工记录专业施工单位提●●供幕墙注胶检查记录专业施工单位提●●供电梯工程电梯承重梁、起重吊环埋设隐蔽工程检查记表C5-23 ●●●录电梯钢丝绳头灌注隐蔽工程检查记录表C5-24 ●●●电梯导轨、层门的支架、螺栓埋设隐蔽工程表C5-25 ●●●检查记录电梯电气装置安装检查记录(一)、(二)、表C5-26 ●●(三)电梯机房、井道预检记录表C5-27 ●●自动扶梯、自动人行道安装与土建交接预检表C5-28 ●●记录自动扶梯、自动人行道的相邻区域检查记录表C5-29 ●●自动扶梯、自动人行道电气装置检查记录表C5-30 ●●(一)、(二)自动扶梯、自动人行道整机安装质量检查记表C5-31 ●●录施工试验记录通用表格施工试验记录(通用)表C6-1 ●●C6 设备单机试运转记录(机电通用)表C6-2 ●●●系统试运转调试记录(机电通用)表C6-3 ●●●建筑与结构工程锚杆、土钉锁定力(抗拔力)试验报告检测单位提供●●地基承载力检测报告检测单位提供●●●桩检测报告检测单位提供●●●土工击实试验报告表C6-4 ●●●C6 回填土试验报告(附图)表C6-5 ●●●钢筋机械连接型式检验报告技术提供单位●●钢筋连接工艺检验(评定)报告检测单位提供●●钢筋连接试验报告表C6-6 ●●●砂浆配合比申请单、通知单表C6-7 ●砂浆抗压强度试验报告表C6-8 ●●砌筑砂浆试块强度统计、评定记录表C6-9 ●●●混凝土配合比申请单、通知单表C6-10 ●混凝土抗压强度试验报告表C6-11 ●●混凝土试块强度统计、评定记录表C6-12 ●●●混凝土抗渗试验报告表C6-13 ●●●混凝土碱总量计算书混凝土供应商●●●饰面砖粘结强度试验报告表C6-14 ●●后置埋件拉拔试验报告检测单位提供●●超声波探伤报告表C6-15 ●●●超声波探伤记录表C6-16 ●●●钢构件射线探伤报告表C6-17 ●●●磁粉探伤报告检测单位提供●●●高强螺栓抗滑移系数检测报告检测单位提供●●钢结构焊接工艺评定检测单位提供●●网架节点承载力试验报告检测单位提供●●钢结构涂料厚度检测报告检测单位提供●●木结构胶缝试验报告检测单位提供●●木结构防护剂试验报告检测单位提供●●幕墙双组分硅酮结构胶混匀性及拉断试验报检测单位提供●●告给排水及采暖工程灌(满)水试验记录表C6-18 ●强度严密性试验记录表C6-19 ●●●通水试验记录表C6-20 ●吹(冲)洗(脱脂)试验记录表C6-21 ●通球试验记录表C6-22 ●●补偿器安装记录表C6-23 ●消火栓试射记录表C6-24 ●●●安全附件安装检查记录表C6-25 ●●●锅炉封闭及烘炉(烘干)记录表C6-26 ●●●锅炉煮炉试验记录表C6-27 ●●●锅炉试运行记录表C6-28 ●●●安全阀调试记录试验单位提供●●●建筑电气工程电气接地电阻测试记录表C6-29 ●●●电气防雷接地装置隐检及平面示意图表C6-30 ●●●电气绝缘电阻测试记录表C6-31 ●●电气器具通电安全检查记录表C6-32 ●●电气设备空载试运行记录表C6-33 ●● C6 建筑物照明通电试运行记录表C6-34 ●●大型照明灯具承载试验记录表C6-35 ●●高压部分试验记录检测单位提供●●●漏电开关模拟试验记录表C6-36 ●●电度表检定记录检测单位提供●●大容量电气线路结点测温记录表C6-37 ●●避雷带支架拉力测试记录表C6-38 ●●智能建筑工程(执行现行标准规范)专业施工单位●●通风与空调工程风管漏光检测记录表C6-39 ●风管漏风检测记录表C6-40 ●现场组装除尘器、空调机漏风检测记录表C6-41 ●各房间室内风量温度检测记录表C6-42 ●管网风量平衡记录表C6-43 ●空调系统试运转调试记录表C6-44 ●●●空调水系统试运转调试记录表C6-45 ●●●制冷系统气密性试验记录表C6-46 ●●●净化空调系统测试记录表C6-47 ●●●防排烟系统联合试运行记录表C6-48 ●●●电梯工程轿厢平层准确度测量记录表C6-49 ●●电梯层门安全装置检验记录表C6-50 ●●●电梯电气安全装置检验记录表C6-51 ●●电梯整机功能检验记录表C6-52 ●●●电梯主要功能检验记录表C6-53 ●●电梯负荷运行试验记录表C6-54 ●●●电梯负荷运行试验曲线图表C6-55 ●●电梯噪声测试记录表C6-56 ●●自动扶梯、自动人行道安全装置检验记录表C6-57 ●●(一)、(二)自动扶梯、自动人行道整机性能、运行试验表C6-58 ●●●记录施工质量验收记录结构实体同条件混凝土强度试验报告表C6-11 ●●●C7 钢筋保护层厚度试验报告表C7-10 ●●●检验批质量验收记录执行GB 50300●●分项工程质量验收记录表和专业施工质量●●分部(子分部)工程验收记录表验收规范●●●●D 竣工图编制单位提供●●●。